材料力学实验报告标准规定答案解析
- 格式:docx
- 大小:110.06 KB
- 文档页数:37
目录一、拉伸实验二、压缩实验三、拉压弹性模量E测定实验四、低碳钢剪切弹性模量G测定实验五、扭转破坏实验六、纯弯曲梁正应力实验七、弯扭组合变形时的主应力测定实验八、压杆稳定实验一、拉伸实验报告标准答案实验目的:见教材。
实验仪器见教材。
实验结果及数据处理:例:(一)低碳钢试件试验前试验后最小平均直径d=10.14mm 最小直径d= 5.70mm 截面面积A=80.71mm 2截面面积A 1=25.50mm 2计算长度L=100mm计算长度L 1=133.24mm试验前草图试验后草图强度指标:P s =__22.1___KN 屈服应力σs =P s /A __273.8___MP a P b =__33.2___KN 强度极限σb =P b /A __411.3___MP a塑性指标:1L -L100%Lδ=⨯=伸长率33.24%1100%A A Aψ-=⨯=面积收缩率68.40%低碳钢拉伸图:(二)铸铁试件试验前试验后最小平均直径d=10.16mm最小直径d=10.15mm截面面积A=81.03mm2截面面积A1=80.91mm2计算长度L=100mm计算长度L1≈100mm 试验前草图试验后草图强度指标:最大载荷Pb=__14.4___KN强度极限σb =Pb/A=_177.7__M Pa问题讨论:1、为何在拉伸试验中必须采用标准试件或比例试件,材料相同而长短不同的试件延伸率是否相同?答:拉伸实验中延伸率的大小与材料有关,同时与试件的标距长度有关.试件局部变形较大的断口部分,在不同长度的标距中所占比例也不同.因此拉伸试验中必须采用标准试件或比例试件,这样其有关性质才具可比性.材料相同而长短不同的试件通常情况下延伸率是不同的(横截面面积与长度存在某种特殊比例关系除外).2、分析比较两种材料在拉伸时的力学性能及断口特征.答:试件在拉伸时铸铁延伸率小表现为脆性,低碳钢延伸率大表现为塑性;低碳钢具有屈服现象,铸铁无.低碳钢断口为直径缩小的杯锥状,且有450的剪切唇,断口组织为暗灰色纤维状组织。
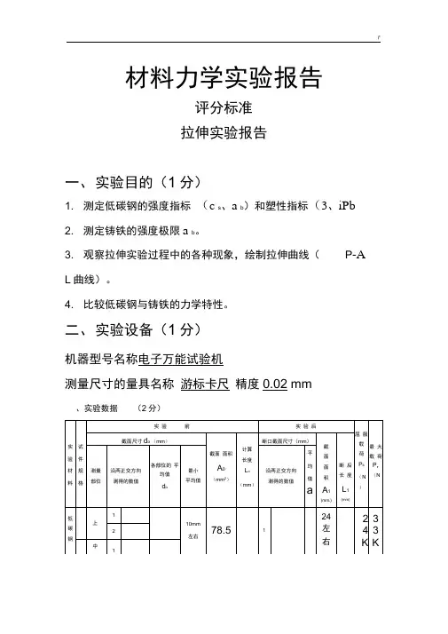
材料力学实验报告评分标准拉伸实验报告一、实验目的(1分)1. 测定低碳钢的强度指标(σs、σb)和塑性指标(δ、ψ)。
2. 测定铸铁的强度极限σb。
3. 观察拉伸实验过程中的各种现象,绘制拉伸曲线(P-ΔL曲线)。
4. 比较低碳钢与铸铁的力学特性。
二、实验设备(1分)机器型号名称电子万能试验机测量尺寸的量具名称游标卡尺精度0.02 mm三、实验数据(2分)实验材料试件规格实验前实验后屈服载荷sP)(N最大载荷bP)(N 截面尺寸d(mm)截面面积A(mm2)计算长度L(mm)断口截面尺寸(mm)截面面积1A(mm2)断后长度1L 测量部位沿两正交方向测得的数值各部位的平均值d最小平均值沿两正交方向测得的数值平均值1d低碳钢上110mm左右1 24左右24KN左右33KN左右2中122下 12铸铁上115KN左右2中12下12四、实验结果处理(4分)APss=σ=300MPa 左右APbb=σ=420MPa 左右%1001⨯-=LLLδ=20~30%左右%=10010⨯-AAAψ=60~75%左右五、回答下列问题(2分,每题分)1、画出(两种材料)试件破坏后的简图。
略2、画出拉伸曲线图。
3、试比较低碳钢和铸铁拉伸时的力学性质。
低碳钢在拉伸时有明显的弹性阶段、屈服阶段、强化阶段和局部变形阶段,而铸铁没有明显的这四个阶段。
4、材料和直径相同而长短不同的试件,其延伸率是否相同?为什么?相同延伸率是衡量材料塑性的指标,与构件的尺寸无关。
压缩实验报告一、实验目的(1分)1. 测定压缩时铸铁的强度极限σb 。
2. 观察铸铁在压缩时的变形和破坏现象,并分析原因。
二、实验设备 (1分)机器型号名称电子万能试验机 (分)测量尺寸的量具名称 游标卡尺 精度 0.02 mm (分)三、实验数据(1分)试件材料试件规格d h /试 件 尺 寸屈服载荷)(N P s最大载荷)(N P b直 径)(mm d截面面积)(20mm A沿两正交方向测得数据平均值低 碳 钢12 铸 铁20/15 115130000 左右2四、实验结果处理 (2分)A P bb =σ =740MPa 左右五、回答下列思考题(3分)1.画出(两种材料)实验前后的试件形状。
材料力学实验报告答案本文是材料力学实验报告,主要讲述了在实验过程中所采用的方法以及结果的分析和总结。
实验的目的是通过测量和分析金属材料在加载过程中的应力应变变化,掌握材料的力学性质,进而为材料的设计和选择提供依据。
实验的主要内容包括材料的拉伸实验、硬度实验、冲击实验以及金相组织观察等。
首先进行了拉伸实验。
将被试材料在试验机夹具上夹紧,然后通过紧固螺栓将力传感器连接到夹具上,使其能够量测到材料在加载过程中的力值。
接下来,通过改变试验机的移动速度来控制材料的加载速度,每隔一段时间测量一次材料的长度和直径大小,并计算相应的应变值。
最后,将测得的应力应变值代入应力应变关系式中计算出材料的弹性模量、屈服强度和断裂强度等重要参数。
接着进行了硬度实验。
在实验中,我们采用了布氏硬度计来测试金属材料的硬度值。
测试中,我们需要将硬度计上的测试针头垂直地插入被试材料中,然后通过对加载力的控制来测定试验针头的穿透深度。
最后,将测得的穿透深度代入硬度计的标准曲线中,就可以得到被试材料的硬度值。
进行了冲击实验。
实验中,我们采用了冲击试验机来测试金属材料的韧性和脆性。
在测试过程中,将被试材料置于冲击实验机上,然后通过对重物的高度和重量的改变来对材料进行不同程度的冲击。
最终我们记录每个测试条件下材料的断裂形态、测试参数和吸收能力等参数,以便对其进行进一步的分析和研究。
最后进行了金相组织观察。
实验中,我们将被试材料进行了机械制备,然后对其进行镜面抛光和腐蚀处理,最终观察材料的金相组织结构。
通过对试件的显微结构和组织的分析,可以得到材料的晶粒大小、相界数量和形态等信息,进而为材料的性能分析提供基础数据。
综上所述,本实验通过多种方法对金属材料的性能进行了分析和测试,并得出了相应的结论。
这些分析结果可以为材料的设计和选择提供重要的参考价值。
材料力学实验报告评分标准拉伸实验报告一、实验目的( 1 分)1. 测定低碳钢的强度指标(σs 、σb)和塑性指标(δ、ψ)。
2. 测定铸铁的强度极限σb。
3. 观察拉伸实验过程中的各种现象,绘制拉伸曲线(P-ΔL 曲线)。
4. 比较低碳钢与铸铁的力学特性。
二、实验设备( 1 分)机器型号名称电子万能试验机测量尺寸的量具名称游标卡尺精度0.02 mm 三、实验数据(2 分)实验前实验后实试验材料件规格测量部位截面尺寸沿两正交方向测得的数值d (mm)各部位的平均值d最小平均值截断截面计算平载载面后面积A(mm2)2)长度L(mm)断口截面尺寸(mm)均沿两正交方向值测得的数值d1面积A1长度L1屈服荷Ps(N)最大荷Pb(N)(mm2 ) (mm)低碳钢1上中10mm左右78.51 24左右224KN左右33KN左右212 下 12上铸铁中下12121215KN左右四、实验结果处理(4 分)Pss =300MPa 左右APbb =420MPa 左右AL1L0 L100%=20~30%左右A A=100=60~75%左右0 1%A五、回答下列问题( 2 分,每题0.5 分)1、画出(两种材料)试件破坏后的简图。
略2、画出拉伸曲线图。
3、试比较低碳钢和铸铁拉伸时的力学性质。
低碳钢在拉伸时有明显的弹性阶段、屈服阶段、强化阶段和局部变形阶段,而铸铁没有明显的这四个阶段。
4、材料和直径相同而长短不同的试件,其延伸率是否相同?为什么?相同延伸率是衡量材料塑性的指标,与构件的尺寸无关。
压缩实验报告一、实验目的( 1 分)1. 测定压缩时铸铁的强度极限σb。
2. 观察铸铁在压缩时的变形和破坏现象,并分析原因。
二、实验设备(1 分)机器型号名称电子万能试验机(0.5 分)测量尺寸的量具名称游标卡尺精度0.02 mm (0.5 分)三、实验数据( 1 分)试件尺寸材料试件规格h / d直径 d (mm)截面面积2A (mm )屈服载荷Ps( N)P (N)b试件最大载荷平均值据低1 碳2 钢铸铁20/151215 176.6130000左右四、实验结果处理(2 分)Pbb =740MPa 左右A五、回答下列思考题( 3 分)1.画出(两种材料)实验前后的试件形状。
材料力学实验报告思考题答案在材料力学实验中,我们通过对材料的拉伸、压缩、弯曲等力学性能进行测试,从而了解材料的力学性能和力学行为。
在实验过程中,我们遇到了一些思考题,下面我将对这些思考题进行回答。
1. 为什么在拉伸试验中,材料会出现颈缩?颈缩是材料在拉伸过程中出现的一种现象,它是由于材料在拉伸过程中受到局部应力过大而发生的。
当材料受到拉伸力时,材料内部会出现应力集中的现象,导致局部应力过大,从而引起颈缩。
在颈缩过程中,材料的截面积会逐渐减小,从而导致材料的抗拉强度降低。
2. 为什么金属材料在拉伸过程中会出现冷加工硬化现象?冷加工硬化是金属材料在拉伸过程中出现的一种现象,它是由于材料在冷加工过程中发生了位错密集和滑移运动,从而导致材料的晶粒变形和变形结构的改变。
在拉伸过程中,冷加工硬化会使材料的抗拉强度和屈服强度增加,但同时也会使材料的塑性变形能力降低。
3. 在压缩试验中,为什么材料的抗压强度大于抗拉强度?在压缩试验中,材料的抗压强度通常会大于抗拉强度,这是由于在压缩过程中,材料受到的应力是沿着材料的纵向方向作用的,而在拉伸过程中,材料受到的应力是沿着材料的横向方向作用的。
由于材料在纵向方向上的结构强度通常会大于横向方向上的结构强度,因此导致了材料的抗压强度大于抗拉强度。
4. 在弯曲试验中,为什么材料的弯曲变形会出现弯曲曲线?在弯曲试验中,当材料受到弯曲力作用时,材料会发生弯曲变形,从而导致弯曲曲线的出现。
弯曲曲线是由于材料在弯曲过程中受到不均匀的应力分布,从而导致材料的上表面和下表面出现了不同程度的变形,最终形成了弯曲曲线。
通过对以上思考题的回答,我们对材料力学实验中的一些现象和现象背后的原理有了更深入的了解。
在今后的实验和学习中,我们应该继续加强对材料力学的理解,不断提高自己的实验能力和分析能力,从而更好地应用和发展材料力学的理论和实践。
力学实验报告标准答案长安大学力学实验教学中心目录一、拉伸实验 (2)二、压缩实验 (4)三、拉压弹性模量E测定实验 (6)四、低碳钢剪切弹性模量G测定实验 (8)五、扭转破坏实验 (10)六、纯弯曲梁正应力实验 (12)七、弯扭组合变形时的主应力测定实验 (15)八、压杆稳定实验 (18)一、拉伸实验报告标准答案实验目的: 见教材。
实验仪器 见教材。
实验结果及数据处理: 例:(一)低碳钢试件强度指标:P s =__22.1___KN 屈服应力 σs = P s /A __273.8___MP a P b =__33.2___KN 强度极限 σb = P b /A __411.3___MP a 塑性指标:1L -L 100%L δ=⨯=伸长率 33.24 % 1100%A A Aψ-=⨯=面积收缩率 68.40 %低碳钢拉伸图:(二)铸铁试件强度指标:最大载荷Pb=__14.4___ KN强度极限σb = Pb/ A = _177.7__ M P a问题讨论:1、为何在拉伸试验中必须采用标准试件或比例试件,材料相同而长短不同的试件延伸率是否相同?答:拉伸实验中延伸率的大小与材料有关,同时与试件的标距长度有关.试件局部变形较大的断口部分,在不同长度的标距中所占比例也不同.因此拉伸试验中必须采用标准试件或比例试件,这样其有关性质才具可比性.材料相同而长短不同的试件通常情况下延伸率是不同的(横截面面积与长度存在某种特殊比例关系除外).2、分析比较两种材料在拉伸时的力学性能及断口特征.答:试件在拉伸时铸铁延伸率小表现为脆性,低碳钢延伸率大表现为塑性;低碳钢具有屈服现象,铸铁无.低碳钢断口为直径缩小的杯锥状,且有450的剪切唇,断口组织为暗灰色纤维状组织。
铸铁断口为横断面,为闪光的结晶状组织。
.教师签字:_ _______日期:___ _____二、压缩实验报告标准答案实验目的:见教材。
实验原理:见教材。
第二章轴向拉伸与压缩2-1 试求图示直杆横截面1-1、2-2、3-3上的轴力,并画出轴力图。
F1=18kN (b)F3=25kN 3力。
解:2-2 图示中部对称开槽直杆,试求横截面1-1和2-2上的正应1 .轴力M1I2- , --------------------------------------------------------- 4kN* -------------- —------------------------------------- r .------------- *—1 2201 F2=3kNF4=10kN2 31518F N F14kN2.应力F N141031 1MPa175MPaA1 1204F N141032 2MPa350A2 22010 4由截面法可求得,杆各横截面上的轴力为2-3 图示桅杆起重机,起重杆 AB 的横截面是外径为 20mm 、 径为18 mm 的圆环,钢丝绳 BC 的横截面面积为 BC 横截面上的应力。
AB 和钢丝绳 o 10mm 2。
试求起重杆解:1 .轴力 取节点 F x 0 :B 为研究对象,受力如图所示, F NBC F NAB cos30 F cos 45 2-4 图示由铜和钢两种材料组成的等直杆,铜和钢的弹性模量分别为 E 1100 GPa 和 E 2210 GPa 。
若杆的总伸长为A l 0.126mm ,试求载荷F 和杆横截面上的应力。
2铜1钢/ /F140 . -400600解:1•横截面上的应力由题意有I 1Fh FI 2 l 2E 1AE 2A由此得到杆横截面上的应力为l h I 2 E 1 E 2 h E 1l 2E 20.126 600 400 100 103 210 103 MPa 15.9MPaF y 0 : 由此解得: 2 .应力 起重杆横截面上的应力为F NABABF NAB sin 30 F sin 45 F NAB 2.83kN , 2.83 103 A AB ____ 2。
材料力学实验报告评分标准拉伸实验报告一、实验目的(1分)1. 测定低碳钢的强度指标(c s、a b)和塑性指标(3、iPb2. 测定铸铁的强度极限a b。
3. 观察拉伸实验过程中的各种现象,绘制拉伸曲线(P-A L曲线)。
4. 比较低碳钢与铸铁的力学特性。
二、实验设备(1分)机器型号名称电子万能试验机测量尺寸的量具名称游标卡尺精度0.02 mm 、实验数据(2分)2铸铁上11 52中12下12四、实验结果处理 (4分)五、回答下列问题(2分,每题0.5分)1、画出(两种材料)试件破坏后的简图。
略3、 试比较低碳钢和铸铁拉伸时的力学性质。
低碳钢在拉伸时有明显的弹性阶段、屈服阶段、强化阶段和局部变形阶段,而铸铁没 有明显的这四个阶段。
4、 材料和直径相同而长短不同的试件,其延伸率是否相同?为什么? 相同 延伸率是衡量材料塑性的指标,与构件的尺寸无关。
A oL l—100%L oA A A o100% =300MPa 左右=420MPa 左右=20〜30%左右=60〜75 %左右2、画出拉伸曲线图。
压缩实验报告一、实验目的(1分)1. 测定压缩时铸铁的强度极限b b。
2. 观察铸铁在压缩时的变形和破坏现象,并分析原因二、实验设备(1分)机器型号名称电子万能试验机(0.5分)测量尺寸的量具名称游标卡尺精度0.02 mm (0.5分)三、实验数据(1分)四、实验结果处理(2分)A =740MPa左右五、回答下列思考题(3 分)1. 画出(两种材料)实验前后的试件形状。
略2. 绘出两种材料的压缩曲线。
略3. 为什么在压缩实验时要加球形承垫?当试件的两端稍有不平行时,利用试验机上的球形承垫自动调节,可保证压力通过试件的轴线。
4. 对压缩试件的尺寸有何要求?为什么?h o d o试件承受压缩时,上下两端与试验机承垫之间产生很大的摩擦力,使试件两端的横向变形受阻,导致测得的抗压强度比实际偏高。
试件越短,影响越明显。
力学实验报告标准答案安徽理工大学力学实验教学中心目录一、拉伸实验 (2)二、压缩实验 (4)三、拉压弹性模量E测定实验 (6)四、低碳钢剪切弹性模量G测定实验 (8)五、扭转破坏实验 (10)六、纯弯曲梁正应力实验 (12)七、弯扭组合变形时的主应力测定实验 (15)八、压杆稳定实验 (18)一、拉伸实验报告标准答案实验目的:见教材。
实验仪器见教材。
实验结果及数据处理: 例:(一)低碳钢试件强度指标:P s =__22.1___KN 屈服应力 ζs = P s /A __273.8___MP a P b =__33.2___KN 强度极限 ζb = P b /A __411.3___MP a 塑性指标:1L -L 100%L δ=⨯=伸长率 33.24 % 1100%A A Aψ-=⨯=面积收缩率 68.40 %低碳钢拉伸图:(二)铸铁试件强度指标:最大载荷Pb=__14.4___ KN强度极限ζb = Pb/ A = _177.7__ M P a问题讨论:1、为何在拉伸试验中必须采用标准试件或比例试件,材料相同而长短不同的试件延伸率是否相同?答:拉伸实验中延伸率的大小与材料有关,同时与试件的标距长度有关.试件局部变形较大的断口部分,在不同长度的标距中所占比例也不同.因此拉伸试验中必须采用标准试件或比例试件,这样其有关性质才具可比性.材料相同而长短不同的试件通常情况下延伸率是不同的(横截面面积与长度存在某种特殊比例关系除外).2、分析比较两种材料在拉伸时的力学性能及断口特征.答:试件在拉伸时铸铁延伸率小表现为脆性,低碳钢延伸率大表现为塑性;低碳钢具有屈服现象,铸铁无.低碳钢断口为直径缩小的杯锥状,且有450的剪切唇,断口组织为暗灰色纤维状组织。
铸铁断口为横断面,为闪光的结晶状组织。
.教师签字:_ _______日期:___ _____二、压缩实验报告标准答案实验目的:见教材。
实验原理:见教材。
实验数据记录及处理:例:(一)试验记录及计算结果问题讨论:1、分析铸铁试件压缩破坏的原因.答:铸铁试件压缩破坏,其断口与轴线成45°~50°夹角,在断口位置剪应力已达到其抵抗的最大极限值,抗剪先于抗压达到极限,因而发生斜面剪切破坏。
力学实验报告标准答案长安大学力学实验教学中心目录一、拉伸实验 (2)二、压缩实验 (4)三、拉压弹性模量E测定实验 (6)四、低碳钢剪切弹性模量G测定实验 (8)五、扭转破坏实验 (10)六、纯弯曲梁正应力实验 (12)七、弯扭组合变形时的主应力测定实验 (15)八、压杆稳定实验·························································181一、拉伸实验报告标准答案实验目的:见教材。
实验仪器见教材。
实验结果及数据处理:例:(一)低碳钢试件试验前试验后5.7010.14 mm d= d= 最小平均直径最小直径 mm2 225.5080.71 mm 截面面积 mmA= 截面面积A= 1133.24100 mmmm= 计算长度L= 计算长度L1试验后草图试验前草图:强度指标22.1273.8___MP/A __ σ= PP=__屈服应力___KN ass s 33.2_411.3___MP = P/A __P =__强度极限__KN σab b b塑性指标:L-LA?A11?? 68.40 %33.24 % ?100%面积收缩率??100%伸长率???LA低碳钢拉伸图:2(二)铸铁试件10.110.1 mm最小平均直d=最小直 mmd=280.981.0 m= 截面面截面面A= m 1010 mmmm计算长计算长L= 试验后草试验前草:强度指标14.4P=_____ KN最大载荷 b177.7 = P/ A = ___ M P强度极限σab b问题讨论:1、为何在拉伸试验中必须采用标准试件或比例试件,材料相同而长短不同的试件延伸率是否相同?答:拉伸实验中延伸率的大小与材料有关,同时与试件的标距长度有关.试件局部变形较大的断口部分,在不同长度的标距中所占比例也不同.因此拉伸试验中必须采用标准试件或比例试件,这样其有关性质才具可比性.材料相同而长短不同的试件通常情况下延伸率是不同的(横截面面积与长度存在某种特殊比例关系除外).2、分析比较两种材料在拉伸时的力学性能及断口特征.答:试件在拉伸时铸铁延伸率小表现为脆性,低碳钢延伸率大表现为塑性;低0的剪切且有45铸铁无.低碳钢断口为直径缩小的杯锥状,碳钢具有屈服现象,唇,断口组织为暗灰色纤维状组织。
【免费下载】材料⼒学实验报告答案材料⼒学实验报告评分标准拉伸实验报告⼀、实验⽬的(1分)1.测定低碳钢的强度指标(σs 、σb )和塑性指标(δ、ψ)。
2. 测定铸铁的强度极限σb 。
3. 观察拉伸实验过程中的各种现象,绘制拉伸曲线(P -ΔL 曲线)。
4. ⽐较低碳钢与铸铁的⼒学特性。
⼆、实验设备(1分)机器型号名称电⼦万能试验机测量尺⼨的量具名称游标卡尺精度 0.02 mm三、实验数据(2分)实验前实验后截⾯尺⼨ (mm)0d 断⼝截⾯尺⼨(mm )实验材料试件规格测量部位沿两正交⽅向测得的数值各部位的平均值0d 最⼩平均值截⾯⾯积0A (mm 2)计算长度0L (mm)沿两正交⽅向测得的数值平均值1d 截⾯⾯积1A (mm 2)断后长度1L (mm) 屈服载荷s P )(N 最⼤载荷b P )(N 1上2低碳钢中110mm 左右78.5124左右24K N 33K N决吊顶层在管路对全部⾼中资料试卷电⽓设备,在安装过程中以及安装结束后进⾏⾼中资料试卷调整试验;通电检查对电⽓整使其在机组在进机组⾼21下22左右左右1上21中21铸铁下215K N 左右四、实验结果处理(4分)=300MPa 左右0A P s s =σ=420MPa 左右0A P b b =σ=20~30%左右%100001?-=L L L δ=60~75%左右%=100010?-A A A ψ五、回答下列问题(2分,每题0.5分)1、画出(两种材料)试件破坏后的简图。
略2、画出拉伸曲线图。
3、试⽐较低碳钢和铸铁拉伸时的⼒学性质。
低碳钢在拉伸时有明显的弹性阶段、屈服阶段、强化阶段和局部变形阶段,⽽铸铁没有明显的这四个阶段。
4、材料和直径相同⽽长短不同的试件,其延伸率是否相同?为什么?相同后根据规范与规程规定,制定设备调试⾼中资料试卷⽅案。
延伸率是衡量材料塑性的指标,与构件的尺⼨⽆关。
压缩实验报告⼀、实验⽬的(1分)1. 测定压缩时铸铁的强度极限σb 。
材料力学实验报告评分标准拉伸实验报告一、实验目的(1分)1. 测定低碳钢的强度指标(σs、σb)和塑性指标(δ、ψ)。
2. 测定铸铁的强度极限σb。
3. 观察拉伸实验过程中的各种现象,绘制拉伸曲线(P-ΔL曲线)。
4. 比较低碳钢与铸铁的力学特性。
二、实验设备(1分)机器型号名称电子万能试验机测量尺寸的量具名称游标卡尺精度0.02 mm 三、实验数据(2分)四、实验结果处理 (4分)0A P s s =σ =300MPa 左右 0A P b b =σ =420MPa 左右%100001⨯-=L L L δ =20~30%左右 %=100010⨯-A A A ψ =60~75%左右 五、回答下列问题(2分,每题0.5分)1、画出(两种材料)试件破坏后的简图。
略2、画出拉伸曲线图。
3、试比较低碳钢和铸铁拉伸时的力学性质。
低碳钢在拉伸时有明显的弹性阶段、屈服阶段、强化阶段和局部变形阶段,而铸铁没有明显的这四个阶段。
4、材料和直径相同而长短不同的试件,其延伸率是否相同?为什么? 相同延伸率是衡量材料塑性的指标,与构件的尺寸无关。
压缩实验报告一、实验目的(1分)1. 测定压缩时铸铁的强度极限σb 。
2. 观察铸铁在压缩时的变形和破坏现象,并分析原因。
二、实验设备 (1分)机器型号名称电子万能试验机 (0.5分)测量尺寸的量具名称 游标卡尺 精度 0.02 mm (0.5分)三、实验数据(1分)四、实验结果处理 (2分)A P bb =σ =740MPa 左右五、回答下列思考题(3分)1.画出(两种材料)实验前后的试件形状。
略2. 绘出两种材料的压缩曲线。
略3. 为什么在压缩实验时要加球形承垫?当试件的两端稍有不平行时,利用试验机上的球形承垫自动调节,可保证压力通过试件的轴线。
4. 对压缩试件的尺寸有何要求?为什么?试件承受压缩时,上下两端与试验机承垫之间产生很大的摩擦力,使试件两端的横向变形受阻,导致测得的抗压强度比实际偏高。
材料力学实验报告评分标准拉伸实验报告一、实验目的(1分)1. 测定低碳钢的强度指标(σs、σb)和塑性指标(δ、ψ)。
2. 测定铸铁的强度极限σb。
3. 观察拉伸实验过程中的各种现象,绘制拉伸曲线(P-ΔL曲线)。
4. 比较低碳钢与铸铁的力学特性。
二、实验设备(1分)机器型号名称电子万能试验机测量尺寸的量具名称游标卡尺精度0.02 mm三、实验数据(2分)实验材料试件规格实验前实验后屈服载荷sP)(N最大载荷bP)(N 截面尺寸d(mm)截面面积A(mm2)计算长度L(mm)断口截面尺寸(mm)截面面积1A(mm2)断后长度1L 测量部位沿两正交方向测得的数值各部位的平均值d最小平均值沿两正交方向测得的数值平均值1d低碳钢上110mm左右1 24左右24KN左右33KN左右2中122下 12铸铁上115KN左右2中12下12四、实验结果处理(4分)APss=σ=300MPa 左右APbb=σ=420MPa 左右%1001⨯-=LLLδ=20~30%左右%=10010⨯-AAAψ=60~75%左右五、回答下列问题(2分,每题分)1、画出(两种材料)试件破坏后的简图。
略2、画出拉伸曲线图。
3、试比较低碳钢和铸铁拉伸时的力学性质。
低碳钢在拉伸时有明显的弹性阶段、屈服阶段、强化阶段和局部变形阶段,而铸铁没有明显的这四个阶段。
4、材料和直径相同而长短不同的试件,其延伸率是否相同?为什么?相同延伸率是衡量材料塑性的指标,与构件的尺寸无关。
压缩实验报告一、实验目的(1分)1. 测定压缩时铸铁的强度极限σb 。
2. 观察铸铁在压缩时的变形和破坏现象,并分析原因。
二、实验设备 (1分)机器型号名称电子万能试验机 (分)测量尺寸的量具名称 游标卡尺 精度 0.02 mm (分)三、实验数据(1分)试件材料试件规格d h /试 件 尺 寸屈服载荷)(N P s最大载荷)(N P b直 径)(mm d截面面积)(20mm A沿两正交方向测得数据平均值低 碳 钢12 铸 铁20/15 115130000 左右2四、实验结果处理 (2分)A P bb =σ =740MPa 左右五、回答下列思考题(3分)1.画出(两种材料)实验前后的试件形状。