古建修缮施工设计说明
- 格式:docx
- 大小:33.34 KB
- 文档页数:8
仿古建筑方案设计说明古建筑方案设计说明古建筑是中国优秀传统文化瑰宝之一,具有浓厚的历史文化底蕴和艺术价值。
本方案的设计目标是在保护古建筑的历史风貌和传统特色的基础上,结合现代建筑技术和功能需求,提出一种创新的古建筑方案。
一、设计原则1. 尊重历史:秉承保护古建筑的原则,尽量保留原有建筑的历史风貌和结构特点。
2. 传承文化:通过设计,展示中国传统文化的魅力和精髓,传达古建筑的独特价值和意义。
3. 环保节能:在设计中采用现代节能环保的材料和技术,提高建筑的能源利用效率。
4. 功能合理:在保护古建筑的前提下,结合实际功能需求,创新地设计合理的空间布局和功能分区。
二、设计内容1. 建筑外观:保留古建筑的原始外观,修缮破损部分,注重纹饰和细部雕刻的修复,使建筑焕发新生。
2. 空间布局:结合现代人群活动习惯和功能需求,合理划分室内外空间,保证功能互补和流线畅通。
3. 材料选用:在保护古建筑原有材料的基础上,选择符合环保节能要求的现代材料,如水泥、玻璃、钢筋等。
4. 设备设施:根据功能需求,配置现代化的设备和设施,如空调、照明、电梯等,提高舒适度和使用效率。
5. 绿化环境:在古建筑周边布置绿化景观,保护周围的植被和自然环境,增加建筑的景观价值和生态效益。
三、设计特色1. 融合古与今:在保留古建筑原有特色的基础上,融入现代元素和设计手法,实现古与今的有机结合。
2. 活化空间:根据现代人的活动需求,合理利用空间布局,打破传统的刚性结构,创造灵活多变的使用场景。
3. 赋予意义:通过建筑形态和空间布局的创新,赋予古建筑更多的内涵和象征意义,让观众更好地理解和感受古建筑的文化价值。
4. 技术应用:充分利用现代建筑技术的优势,将古建筑保护与现代功能需求相结合,提高建筑的性能和使用效果。
5. 可持续发展:在设计中考虑建筑的可持续发展,在节能环保的前提下,合理利用资源,减少对环境的影响。
本方案的设计目标是在保护古建筑的基础上,通过融合古与今、活化空间、赋予意义等创新手法,实现古建筑的新生与发展。
唐代建筑仿古工程设计说明一、工程概况太原市太山龙泉寺复建工程天王殿、东(西)配殿、东(西)轩廊、大雄宝殿、东(西)配房、东(西)角楼、东(西)僧房、藏经阁、望都阁等建筑构造形式为具有浓郁唐代建筑风格以抬梁式梁架结构为主的仿古土木建筑结构。
地下佛堂、寺泉寺复建工程各建筑形制概况表:12、建筑外墙体及内槛墙建筑外墙体及内槛墙均采用330x165x55(大雄宝殿350x175x55)青砖砌筑丝缝墙。
槛墙及外墙身分别采取2.5%、3%的收分率(内墙收分率为1.5%),墙身衬里砖可用机制红砖,M5水泥砂浆砌筑,每隔五米左右或必要部位加设肋墙。
砖与砖之间铺垫老浆灰,灰缝小于5mm,砖需进行加工,用“五扒皮”或用“膀子面”,不刹趟,砖缝要“耕缝”。
3、室内地面铺馒工程做法工程:(1).室内地面细馒金砖,规格详见各单体建筑。
(((((然后用橡皮锤向下锤击。
要将砖叫“平”叫“实”,缝要严,砖棱应跟线。
(7).铲齿缝。
即用竹片将砖表而的油灰铲掉即“起油灰”。
然后用砂轮片将两砖间高起不平的地方磨平。
(8).刹趟。
以卧线为准,检查砖棱,如有多余用砂轮片磨平,以后的每一行都如此操作。
(9).打点。
砖的表面如有残缺或砂眼,要用砖药打点整齐。
(10).墁水活并擦净。
将地面重新检查一下,如有不平的地方。
用砂轮片沾水磨平,磨平后应将地面全部沾水揉摸一遍,然后擦拭千净。
(((((2: 1: 2。
4、斗拱的用材与制作工程:各建筑斗拱材宽分别为:天王殿、东西配殿150mm,大雄宝殿200mm,回廊(轩)110mm,藏经阁一层150mm、二层160mm。
详细做法参见设计详图。
斗拱构件用材要求:必须使用优质的榆槐木制做。
选购时应按相关规范选择优等木材,不得有腐朽、虫蛀、死节、裂缝。
木材使用前须烘干处理,含水率不大于15%。
斜纹斜率不大于8%。
斗拱须严格按设计规格、尺度制作。
必须选择同一色泽的木材(合理去除圆木边皮变色材)。
为避免破料后翘曲变形,须合理下料预留木材干缩,变形所需尺度余量。
古建修缮施工设计说明
可参考以下模板:
一、施工对象
施工对象为XX古建筑修缮项目,位于XX市XX区XX街,建筑结构为XX结构,主要为XX结构。
二、技术要求
1、修缮共分为XX部分,本工程项目主要修缮部分为XX,需要使用XX材料进行修缮;
2、保留历史文物,平整空间,防水抗渗,防火防爆;
3、墙面砌块要精确施工,符合以往石材砌筑的技术规范;
4、对钢结构进行拆改并重新组装,以及对钢筋并筋及混凝土做一些小项目修缮;
5、要求结构要平整、色彩均匀、抗静电、耐腐蚀,对金属部件应严格把控涂料层;
6、施工设备和料件要求:保证设备稳定性、材料新颖、质量可靠;
7、安全防护:工作人员要求着装规范、安全帽等,并且经常开展安全教育培训;
8、施工单位应安排专人负责施工场地的管理及施工质量把关。
三、施工设计
1、修缮施工总体方案:开展古建筑修缮活动时,应根据修缮工作材料总体方案,确定工作的施工流程,并细化到工作进度安排,以保证工作质量;
2、施工预备:工作中应有相应的安全防护措施,避免发生意外,并要保证施工人员安全,还应备好必要的工具设备;。
古建修缮施工组织设计第一章编制总说明一、编制说明作为本工程的施工方,我公司通过认真研究和分析施工图纸,广泛听取有关古建专家的意见和建议,独立编制了**护国寺修建工程的施工组织设计。
本施工组织设计涵盖了施工图中本工程所包括的施工范围内的全部工程内容---土建、安装及配套工程,并且着重从工程承包商的角度,阐述了我公司对**护国寺修建工程的工程质量、工期、安全、文明施工,服务协调,特别是关于质量、工期等工作进行统一管理的设想,以期高质量、高效率的全面履行我公司作为承包商的职责。
为在将来的施工过程中,使本施工组织设计能切实指导施工,为树精品工程服务,编制之前,我公司对施工现场进行了详尽的踏勘,组织相关人员学习国家、浙江省及**市的相关法律、法规,充分了解本地区的地方建筑特点、市场行情,熟悉工程图纸,研读招标文件,掌握了我公司所施工的范围、区域和管理职责;编制过程中,我公司多次有幸邀请到有关专家指导我们的编制工作,专家们提出了大量的、宝贵的、科学的、实施性很强的建议,从而使我公司结合本工程特点,有针对性的编制了本施工组织设计;在此,特对各位专家的关注表示衷心的感谢!本施工组织设计对**护国寺修建工程所涉及主要分部、分项工程的施工方案及施工工艺作了详尽的介绍。
根据本工程的仿唐特点,结合本工程的施工难点,并充分考虑到本工程的社会重要性,在本施工组织设计的施工方案中,重点介绍了主体结构和装修工程施工方案,在管理方面,详细阐述施工组织保证体系、劳动力、机械的配备,以及工期、工程质量、安全与文明施工及总体协调管理的各种措施;同时,我公司在本施工组织设计中又对工程回访和维修服务等方面做出了各种承诺,这些将作为合同条款列入施工承包合同中,使其具有相应的法律效力。
我公司承诺派有丰富同类工程施工经验的项目经理和技术负责人带领多次紧密合作的施工管理人员进驻现场;所有施工管理人员必须持证上岗,并且在施工过程中,我公司将对他们的工作进行连续考核,以确保本工程施工的管理水平。
做法要求青砖做法:青砖要求无明显砂眼、裂缝、翘曲变形。
灰浆要求:丝缝做法水泥:白灰=1:1,淌白做法素白灰膏;糙砌做法:水泥:白灰:砂=1:2:6。
瓦作要求:苫背水泥:白灰:焦渣=1:2:10,铺瓦灰水泥:粉煤灰:砂=1:3:3瓦要求无砂眼、裂缝、扭曲变形,规格统一,大小匀称。
瓦面要求底瓦“压六露四”,瓦垄囊线流畅顺直,具体做法见《古建筑瓦石营法》砖作要求:粘土砖砌体±0.00以下,用M10水泥砂浆,±0.00以上用M7.5水泥砂浆。
仿木椽作、斗拱:采用C25细石混凝土。
石材要求:石材无裂缝,石质一致。
石作工艺要求:接缝严密,线条流畅。
翼角要求:做法详见《中国古建筑木作营造技术》(第二版)檐口防水要求:见详图。
门窗要求:木材无糟朽、空心、虫蛀,三防处理,大木构件含水率不大于25%,小木构件含水率不大于10%。
地面铺砖、铺石青砖外墙工程做法:1.本工程执行《古建筑修建工程施工与质量验收规范》(JGJ 159-2008)及《砌体结构工程施工质量验收规范》(GB50924-2014)。
.2.墙体基础部分:除注明外采用MU10粘土砖,用M7.5砂浆砌筑。
3.防潮:室内地坪±0.000位置以下约60处做20厚1:2水泥砂浆内加防水剂做墙身防潮层。
在此标高为钢筋砼构造时,可不做。
在室内地坪高差变化处防潮层应重叠设置,并在高低差埋土一侧墙身做20厚水泥砂浆防潮层。
4.青砖选用:按图纸要求选用相应品种规格的青砖,要求无明显砂眼、裂缝、翘曲变形。
5.组砌方式:5.1 干摆做法:青砖按照“五扒皮”要求砍磨加工,灰浆采用传统桃花浆(白灰:粘土=3:7)或生石灰浆。
5.2 丝缝做法:青砖按照“膀子面”要求砍磨加工,批灰灰浆水泥、石灰膏比例约1:1混合灰浆,根据现场青砖颜色,适当调整其比例,保证灰浆干后颜色同青砖相统一,灌浆灰浆采用桃花浆(白灰:粘土=3:7)。
灰缝宽度1~2mm,砌完之后应进行耕缝。
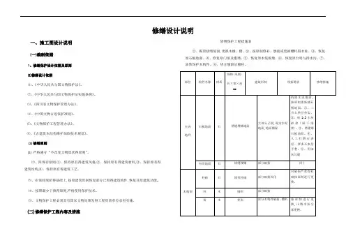
修缮设计说明一、施工图设计说明(一)编制依据1、修缮保护设计依据及原则⑴修缮设计依据⑴、《中华人民共与国文物保护法》。
⑵、《中华人民共与国文物保护法实施条例》。
⑶、《四川省文物保护管理办法》。
⑷、《中国文物古迹保护准则》。
⑸、《文物保护工程管理办法》。
⑹、《古建筑木结构维护加固技术规范》。
⑵修缮原则⑴严格遵守“不改变文物原状得原则”。
⑵、四保存原则:①、保持原有得建筑风格,②、保持原有得建筑材料,③、保持原有得建筑结构,④、保持原有得建筑工艺。
⑶、在保持现状得基础上,按原建筑形制恢复部分已毁得建筑构件,恢复其原建筑功能。
⑷、按照最少干预得原则,严格使用保护技术。
⑸、文物保护工程必须具有国家文物局颁发得工程资质单位承担实施。
(二)修缮保护工程内容及措施修缮保护工程措施表①、揭顶修缮屋面,更换木椽、檩。
②、按原制修补、墩接或更换糟朽得木柱。
③、恢复原石板地面。
④、修复原门窗及槛墙。
⑤、恢复原木装板墙。
⑥、恢复原台明与排水沟。
⑦、油饰保护木构件。
⑧、牮正倾斜后檐柱。
修缮保护工程措施表①、揭顶修缮屋面,更换糟朽木椽、檩。
②、按原制修补、墩接或更换糟朽得木柱。
③、恢复原石板地面。
④、修复原门窗及槛墙。
⑤、恢复原木装板墙。
⑥、恢复原台明与排水沟。
⑦、油饰保护木构件。
⑧、牮正倾斜后檐柱。
保护工程措施表①、揭顶修缮屋面,更换糟朽木椽、檩。
②、按原制修补、墩接或更换糟朽得木柱。
③、恢复原石板地面。
④、修复原门窗及槛墙。
⑤、恢复原木装板墙。
⑥、恢复原台明与排水沟。
⑦、油饰保护木构件。
⑧、牮正倾斜后檐柱。
(三)、修缮保护工程做法与要求1、基础:落架修缮工程与牮正工程所涉及基础加固,均采用条石砌筑基础(宽900),基础深≥1、0m,垫层:R20砼厚100—150,1:2水泥砂浆砌筑条石基础。
2、地坪:建筑室内青石板地面。
做法:①、取出回填土;②、铺1:1:2三合土(石灰:砂:土)厚200,夯实,③、铺100厚垫层(防潮层),白灰∶黏土∶生桐油=1∶3∶0、05拌合均匀后,加碎石拌合而成,夯实;④、铺青石板,底作灰浆(白灰∶砂=1∶3),⑤、人工打磨平整石板表面。
一、木作部分1.梁架抬升与槫枋垂弯加固。
2.木柱墩接与朽、裂加固。
3.斗拱检修。
4.悬挑构件加固。
1.梁架抬升与槫枋垂弯加固梁架整体抬升事宜1、搭设殿内承重脚手架、保护大棚、塑像保护架,拆卸瓦顶及木基层(各硫璃脊兽均依各脊为单位进行编号,按号码放、按号归位)并且对脊筒中、坐脊瓦中的铁活形制及排布方式等逐一记录整理。
连檐、瓦口、翼角椽飞等拣选样品,检查统计各类椽飞及隐角梁保存情况并做相应加固补配。
补配残裂的栈砖。
2、梁架整体抬升事宜:首先对周檐柱额斗拱进行戗撑稳定。
除周檐檐槫以外的其他槫条不予拆卸,在椽子拆卸时每架需保留三至五根正身椽,利于抬升期间槫条的整体稳定。
然后用直径6mm 的钢筋将各架槫条水平联固,再用木质斜向十字戗杆将梁架临时加固成一个整体,之后采用“偷梁换柱、打牮拨正”的方法用千斤顶、立木为主要工具,支撑点分别位于六椽栿、丁栿、爬梁的底皮、斗拱里转耍头向内30cm处,共计10个。
起升时号令统一,步调一致,平稳抬升梁架12cm。
然后支设预制立柱稳固,并在梁身底皮即时设置架木与承重脚手架构为一体,为防止爬梁的翻滚,需二次用戗杆两根夹撑梁尾。
三清殿前后檐斗栱需要抽换补配;柱头的兰额、普拍枋需补榫复位;檐柱角柱需加固柱基础,相应地梁架需要抬升至一定高度。
屋顶完全卸荷后,抬升梁架。
抬升之前对四根角柱、殿内金柱及附柱全部实施三角斜撑戗固稳定。
再用板材将各架槫枋联构成一体、用板材、大绳将相邻梁栿进行链接。
搭设满堂红承重架。
在梁架抬升立柱的支点部位,于梁栿保护层外另加施木质垫板。
拆卸仔角梁后,在五椽栿、达牵梁、爬梁、大角梁的前后端各用10t千斤顶一台支顶立木(¢30cm),缓慢抬升梁架20cm后,另外支顶立柱替换立木及千斤顶。
即时在栿身底皮水平支设横杆于承重架上。
为防止抬升过程中梁架的晃摆,可在出际槫枋的端部拉设风绳,风绳于地锚系接。
梁架抬升、归位一定要做到统一指挥、步调一致、发现问题及时解决。
槫枋垂弯加固措施举例1、脊槫:脊槫共用两根,对接处位于明间正中,仅依靠水平设置的随槫枋、攀间枋分担荷载,没有垂直支点,因而现状排架整体发生下弯、变形。
古建修缮施工设计说明一、项目背景古建筑是我国文化遗产的重要组成部分,是历史、文化和艺术的见证。
古建筑修缮是保护和传承优秀古代建筑的重要措施。
本项目旨在对市历史文化街区中的古建筑进行修缮,保护其文化价值,传承中华民族的历史文化。
二、修缮目标1.保护古建筑的原始风貌,尽可能还原历史面貌。
2.修复古建筑中的损坏部分,保持其结构稳定。
3.提升古建筑的灾害防御能力,防止火灾、地震等意外事件。
4.更新古建筑的设备和设施,提供舒适的使用环境。
5.增加对外开放的功能,促进文化旅游事业的发展。
三、修缮内容1.外墙修复:根据实际情况,进行外墙的处理,包括清洗、修补、重绘等,保持原始风貌。
2.结构修缮:对于古建筑中的破损、虫蚀等情况,进行巩固处理,确保建筑的结构安全稳定。
3.屋面修复:修复古建筑的屋面结构,加固屋面梁、椽子等,在保护原有形态的同时,提高其防水和抗风性能。
4.室内修缮:对于古建筑内部空间的修缮,主要包括拆除非原始构件、补漆、修复天花板、门窗等。
5.设备更新:在保护建筑原有特色的基础上,对古建筑的电路、给排水管道等设备进行更新,提供现代化的使用条件。
6.灾害防御:配备消防设备、地震防护以及防潮,确保古建筑在灾害发生时能够保持结构相对完整,并提供人员疏散的通道。
7.对外开放:在修缮过程中考虑增加对外开放的功能,如创建陈列馆、文化展览室等,吸引更多游客参观。
四、设计原则1.尊重历史:保持古建筑的原始风貌,避免对建筑的过度改造和破坏。
2.修旧如旧:在修缮过程中,尽量保留原有的建筑材料和构造,保持建筑的历史连续性。
3.结构优先:修缮过程中,将结构修复放在首位,确保建筑的安全和稳定。
4.现代标准:在保护建筑的基础上,根据现代设备和实际需求进行设备更新和功能提升。
5.生态环保:在施工过程中,尽量使用环保材料和技术,减少对环境的污染。
五、项目组织和管理2.施工队伍:由具备相关经验和资质的建筑施工队伍承担,在施工过程中严格按照设计要求进行施工。
古建修缮施工设计说明一、设计目标古建筑修缮施工的设计目标是在保持原有建筑风貌和历史文化特色的基础上,进行必要的修复和改造,以达到保护古建筑的目的。
设计应注重原汁原味的保留,力求精益求精。
二、设计原则1.保护原始建筑结构:在修缮施工过程中,要尽可能保留古建筑的原始结构,不做过多的改动。
如有必要,应在各个环节中进行适度的补强和加固。
2.材料保护和选择:在材料的选择上,应尽量使用与原建筑相同或相近的材料,以保持修缮后的古建筑的风貌和特色。
对于原有材料的保护,应采取一定的措施,例如对木材进行防腐处理等。
3.兼顾实用性和文化价值:在修缮施工中,要充分考虑建筑的实用性和现代生活的需求,但又不能牺牲其文化价值和历史意义。
要通过合理的设计和施工方式来实现两者的平衡。
4.恢复和重现历史特色:修缮施工的设计要力求恢复和重现古建筑的历史特色,包括建筑形式、装饰艺术、彩绘等,使人们能够感受到历史的魅力和文化的传承。
三、施工步骤1.建筑勘察和评估:对古建筑进行详细的勘察和评估,了解其结构状况和存在的问题,制定修缮方案和施工计划。
2.破损部分修复:对于古建筑中破损的部分,如墙体、屋顶等,进行维修和修复,保持原有结构和形态。
3.损坏部分改造:对于严重损坏的部分,如柱子、梁等,可以考虑进行改造和重建,保持原有的风貌和特色。
4.保护材料加固:对于古建筑中的木材、砖石等材料,进行保护和加固,延长其使用寿命。
5.环境整理和景观绿化:对古建筑周边的环境进行整理和绿化,栽种适合的植物,打造一个和谐宜人的环境。
四、相关注意事项1.保证安全施工:在施工过程中,要高度重视安全问题,采取必要的措施,确保施工人员的安全,同时也要保护古建筑本身的安全。
2.合理利用现代技术:在施工中可以利用现代技术手段,如无损检测、数控加工等,提高修缮施工的效率和质量。
3.注重文物保护:古建筑修缮施工是在保护文物的前提下进行的,要遵循相关法律法规,尊重和保护文物的完整性和真实性。
古建修缮施工设计说明一、项目背景古建筑作为我国重要的文化遗产,具有丰富的历史和文化内涵。
然而,由于时间的推移和环境的影响,许多古建筑出现了各种程度的损坏和破坏。
为了保护和传承这些宝贵的文化遗产,进行古建筑的修缮工作是非常必要的。
二、修缮目标1.保护文物:修缮工程的首要目标是保护古建筑的原貌和独特的历史风貌,尽量保留原有的建筑元素和构造。
2.延续历史:在修缮过程中,要注意使用符合当地传统工艺和材料,保留历史特色和风格。
3.增强结构稳定性:修缮过程中,要对古建筑的基础、结构和整体稳定性进行必要的加固和改善,确保其安全稳定。
4.提高功能性:根据现代需求,进行功能性的改善和重建,使古建筑在修缮后能够适应新的功能需求。
5.完善环境:修缮过程中,要注重对古建筑周围环境的整治和美化,使其与周围环境协调一致。
三、设计原则1.恢复性原则:尽量恢复古建筑原有的历史面貌和风格。
对于无法还原的部分,可以参考历史文献和相关资料进行重建。
2.真实性原则:在修缮过程中,要尽量保持古建筑的真实性,不加入虚假的元素和装饰。
3.稳定性原则:修缮过程中,要注重对古建筑的结构稳定性进行加固和改善,确保其在长期使用中不会出现安全隐患。
4.可行性原则:修缮工程的设计要符合现实条件,注重可操作性和施工可行性。
5.经济性原则:在保证修缮质量的前提下,要注重节约成本,合理利用现有资源,控制好修缮项目的总投资。
四、设计内容1.借鉴历史资料:通过深入研究历史文献和相关资料,对古建筑的原貌、风格和结构进行详细了解,为修缮设计提供参考和依据。
2.强化结构加固:根据古建筑的具体情况,选用适当的加固方法和材料,对古建筑的基础、墙体和屋顶进行必要的加固和修复,以增强其结构稳定性。
3.保留与替代:对于无法修复的部分,如梁柱、门窗等,可以进行适当的替代,保持古建筑整体的一致性和风格。
4.功能改善:根据具体的需要,对古建筑进行功能性的改善和重建,如增设卫生间、改造房间布局等,使其能够适应现代生活需求。
玉山铁路站房维修、复建工程施工组织设计市光大建筑工程二〇一三年九月目录总说明1第一章工程概况11.1.建筑结构概况11.2.场地自然条件21.3.施工重点和难点3第二章工程目标32.1.质量目标32.2.安全目标42.3.工期目标42.4.标准化文明施工目标5第三章主要分部项施工方法及技术措施5 3.1.主要方案和工艺53.2.施工进度安排63.3.施工段划分83.4.拆除工程93.5.屋架修理103.6.墙体加固123.7.结构施工123.8.装饰工程171.墙面砂浆基层182.墙涂料193.地面水泥砂浆基层194.地面罗地砖的施工205.木地板施工216.油漆施工223.9.仿古施工231.墙面的清理232.屋面工程253.木装修制作、安装283.10.脚手架工程303.11.水电施工313.11.1.电气分部安装工程313.11.2.给排水分部安装工程32第四章施工组织与计划334.1.工程管理组织系统33三级组织系统网络图344.2.工程进度计划364.3.施工机械设备及机具计划36 4.4.技术准备374.5.劳动力计划38劳动力计划表384.6.材料、物资计划38材料进场计划表39第五章技术保证措施395.1.工期保证措施395.2.工程质量保证及创优措施415.2.1.质量保证措施与体系415.2.2.保证技术措施435.2.3.协作措施435.2.4.工程资料管理445.2.5.质量通病防治455.3.安全施工措施485.4.季节性施工措施505.4.1.雨期施工505.4.2.节日期间施工515.4.3.冬季施工515.5.文明施工与环境保护措施525.5.1.文明施工管理措施525.5.2.防粉尘污染措施535.5.3.防噪音污染措施545.5.4.防水污染措施545.6.新工艺、新技术、新材料推广与应用555.7.已有设施、管线保护措施555.8.施工协调与配合55拟投入的主要施工机具设备和质量检测设备表58劳动力计划表58临时设施用地表59附图、表:施工现场平面布置图施工网络图进度计划表总说明我公司很荣幸参加玉山铁路站房维修、复建工程的投标,使我们有机会为业主服务,为市的建设发展作贡献。
设计说明修缮设计说明一、施工图设计说明(一)编制依据1、修缮保护设计依据及原则⑴修缮设计依据⑴、《中华人民共和国文物保护法》。
⑵、《中华人民共和国文物保护法实施条例》。
⑶、《四川省文物保护管理办法》。
⑷、《中国文物古迹保护准则》。
⑸、《文物保护工程管理办法》。
⑹、《古建筑木结构维护加固技术规范》。
⑵修缮原则⑴严格遵守“不改变文物原状的原则”。
⑵、四保存原则:①、保持原有的建筑风格,②、保持原有的建筑材料,③、保持原有的建筑结构,④、保持原有的建筑工艺。
⑶、在保持现状的基础上,按原建筑形制恢复部分已毁的建筑构件,恢复其原建筑功能。
⑷、按照最少干预的原则,严格使用保护技术。
⑸、文物保护工程必须具有国家文物局颁发的工程资质单位承担实施。
(二)修缮保护工程内容及措施修缮保护工程措施表①、揭顶修缮屋面,更换木椽、檩。
②、按原制修补、墩接或更换糟朽的木柱。
③、恢复原石板地面。
④、修复原门窗及槛墙。
⑤、恢复原木装板墙。
⑥、恢复原台明和排水沟。
⑦、油饰保护木构件。
⑧、牮正倾斜后檐柱。
修缮保护工程措施表①、揭顶修缮屋面,更换糟朽木椽、檩。
②、按原制修补、墩接或更换糟朽的木柱。
③、恢复原石板地面。
④、修复原门窗及槛墙。
⑤、恢复原木装板墙。
⑥、恢复原台明和排水沟。
⑦、油饰保护木构件。
⑧、牮正倾斜后檐柱。
保护工程措施表①、揭顶修缮屋面,更换糟朽木椽、檩。
②、按原制修补、墩接或更换糟朽的木柱。
③、恢复原石板地面。
④、修复原门窗及槛墙。
⑤、恢复原木装板墙。
⑥、恢复原台明和排水沟。
⑦、油饰保护木构件。
⑧、牮正倾斜后檐柱。
(三)、修缮保护工程做法和要求1、基础:落架修缮工程和牮正工程所涉及基础加固,均采用条石砌筑基础(宽900),基础深≥1.0m,垫层:R20砼厚100—150,1:2水泥砂浆砌筑条石基础。
2、地坪:建筑室内青石板地面。
做法:①、取出回填土;②、铺1:1:2三合土(石灰:砂:土)厚200,夯实,③、铺100厚垫层(防潮层),白灰∶黏土∶生桐油=1∶3∶0.05拌合均匀后,加碎石拌合而成,夯实;④、铺青石板,底作灰浆(白灰∶砂=1∶3),⑤、人工打磨平整石板表面。
古建筑修缮工程施工规程征求意见稿)国家文物局2017-04第一章总则第一条编制目的第二条适用范围第三条术语第四条一般规定第五条修缮工程阶段划分二章修缮准备阶段第六条现场复核第七条图纸会审第八条设计交底第九条实施阶段施工组织设计第十条现场布置第十一条项目部第十二条上岗培训第十三条技术准备第十四条修缮材料和机具准备第十五条专业分包第十六条修缮工程开工条件第三章修缮阶段第十七条修缮保护措施内容及要求第十八条修缮一般流程第十九条工程设计变更和工程洽商第二十条例会制度第二十一条安全管理第二十二条材料管理第二十三条进度管理第二十四条造价管理第二十五条资料管理第四章竣工验收阶段第二十六条工程竣工初步验收第二十七条工程竣工验收第五章保修期阶段第二十八条保修期限第二十九条保修期阶段巡查制度第三十条质量缺陷责任归属界定第三^一条质量缺陷修复第六章修缮工程资料第三十二条修缮工程资料第三十三条修缮工程资料移交和报告出版参考文献及规范性引用文件附表第一章总则第一条编制目的为规范古建筑修缮工程的施工组织与管理,确保工程质量和施工安全,制定本规程。
第二条适用范围本规程适用于古建筑修缮工程,是施工和保修过程中必须执行的基本工作程序。
第三条术语(一)古建筑特指不可移动文物中的古建筑,包括各级文物保护单位和未核定为文物保护单位的不可移动文物。
(二)施工技术设计文件勘察设计单位根据文物行政部门批复同意的设计方案编制,内容应包括施工图、设计说明书、施工图预算、材料试验报告及检测鉴定结果等。
(三)施工组织设计以修缮工程为对象,由施工单位编制、用以指导修缮过程的技术、经济、安全和管理的综合性文件。
(四)现场平面布置依据施工技术设计文件要求和现场情况,确定修缮工程用地范围内的功能分区,明确临时道路、各类线路和各种设施的走向(或位置),绘制现场平面布置图。
(五)项目部施工单位针对组建的项目管理机构,负责修缮工程的组织、协调、控制和决策,动态管理各施工要素,对修缮工程的安全、进度、质量、成本等负全责。
古建筑修缮工程施工规程-----------------------作者:-----------------------日期:古建筑修缮工程施工规程(征求意见稿)国家文物局2017-04目录第一章总则第一条编制目的第二条适用范围第三条术语第四条一般规定第五条修缮工程阶段划分第二章修缮准备阶段第六条现场复核第七条图纸会审第八条设计交底第九条实施阶段施工组织设计第十条现场布置第十一条项目部第十二条上岗培训第十三条技术准备第十四条修缮材料和机具准备第十五条专业分包第十六条修缮工程开工条件第三章修缮阶段第十七条修缮保护措施内容及要求第十八条修缮一般流程第十九条工程设计变更和工程洽商第二十条例会制度第二十一条安全管理第二十二条材料管理第二十三条进度管理第二十四条造价管理第二十五条资料管理第四章竣工验收阶段第二十六条工程竣工初步验收第二十七条工程竣工验收第五章保修期阶段第二十八条保修期限第二十九条保修期阶段巡查制度第三十条质量缺陷责任归属界定第三十一条质量缺陷修复第六章修缮工程资料第三十二条修缮工程资料第三十三条修缮工程资料移交和报告出版参考文献及规范性引用文件附表第一章总则第一条编制目的为规范古建筑修缮工程的施工组织与管理,确保工程质量和施工安全,制定本规程。
第二条适用范围本规程适用于古建筑修缮工程,是施工和保修过程中必须执行的基本工作程序。
第三条术语(一)古建筑特指不可移动文物中的古建筑,包括各级文物保护单位和未核定为文物保护单位的不可移动文物。
(二)施工技术设计文件勘察设计单位根据文物行政部门批复同意的设计方案编制,内容应包括施工图、设计说明书、施工图预算、材料试验报告及检测鉴定结果等。
(三)施工组织设计以修缮工程为对象,由施工单位编制、用以指导修缮过程的技术、经济、安全和管理的综合性文件。
(四)现场平面布置依据施工技术设计文件要求和现场情况,确定修缮工程用地范围内的功能分区,明确临时道路、各类线路和各种设施的走向(或位置),绘制现场平面布置图。
觉生寺(大钟寺)院墙、屋顶抢险修缮工程施工组织设计一编制说明本工程为觉生寺(大钟寺)院墙、屋顶抢险修缮工程,该工程位于海淀区北三环路联想桥北侧大钟寺院内,现为国家级文物保护单位。
本工程包括大钟寺院墙拆除重砌、布瓦屋面整修、办公室屋面防水等施工项目。
公司接设计图纸后,组织有关人员研究了设计图纸,又到现场进行了踏勘,根据本工程实际情况和特点,编制了本工程的施工组织设计方案,本方案包括编制依据、工程概况、范围、工程做法等二工程概述1工程名称:觉生寺(大钟寺)院墙、屋顶抢险修缮工程2 建设地点;北京市海淀区大钟寺3、建设规模;总建筑面积约490平方米围墙360米4、承包方式;专业承包5、质量标准;合格三、编制依据1、本工程图纸2、施工管理规范、规程、办法1)《建筑工程施工现场供用电安全规范》2)《施工现场临时用电安全技术规程》3)《建筑工程消防监督审核管理规定》3、文物保护法、管理办法1)《中华人民共和国文物保护法》2)北京市实施《中华人民共和国文物保护法实施条例》办法3)《北京市文物保护管理条例》4、施工规范1)《砖石工程施工及验收规范》2)《屋面工程技术规范》5、质量检验标准1)《文物建筑工程质量评定标准》2)《古建筑修建工程质量检验评定标准》3)《建筑工程质量检验评定标准》第二章工程概况二、工程总体概况:1、修缮范围:本次维修工程位于海淀大钟寺院内,(1)、现状勘察:现状:大钟寺院墙残破,屋面瓦面残损60%,并伴有大量杂草,院内管理用房重作防水。
(2)、修缮意见:本次工程是在原有建筑的基础上,进行的修缮和拆除重砌以及屋面天沟重作防水,以便于恢复大钟寺原有建筑面貌,延长建筑使用年限。
2、修缮内容:(1)、墙体:西、东、北墙面拆除重砌虎皮石墙(双面)(2)、管理用房屋面防水:SBS改性沥青油毡屋面冷粘法4mm(3)、布瓦屋面整修:3#筒瓦屋面查补(捉节夹垄面积)60% 、除草清垄4、技术要求:(1)、墙体:虎皮石应选用上好的花岗岩,石头不得有裂缝隐残。
第一章编制依据1.1 本施工组织设计的编制依据南江长赤县苏维埃政府旧址及石刻标语修缮项目是依据下列文件、图纸、工程法规、质量检验评定标准等,经认真研究标准而成。
1、相应的现行建筑施工规范及国家有关文件法规;2、《建筑工程及建筑安装、装饰工程质量检验评定标准》;3、《文明施工安全标化现场管理规定》;4、有关劳务、治安、环卫、城建等有关政策规定;5、本公司质量体系、《质量手册》、《程序文件控制》及《技术标准》;6、施工组织设计是根据成都亚林古建筑设计有限公司属出巴中市南江县长赤禹王宫保护修缮施工图,设计说明及有关国家现行规范和标准图集,针对本工程特点为快速的完成工程项目而编制的1.2 本施工组织设计参照的有关规范、标准1、 GB50068-2001 建筑结构可靠度设计统一标准;2、 GB50009-2001(2006年版)建筑结构荷载规范3、 GB5011-2001(2008年版)建筑抗震设计规范;4、 GB50021-2001 岩土工程勘察规范;5、 GB50207-2002 屋面工程施工质量验收规范;6、 GB50208-2002 地下防水工程施工质量验收规范;7、 GB50209-2002 建筑地面工程施工质量验收规范;8、 GB50210-2002 建筑装饰装修工程施工质量验收规范;9、 GB50242-2002 建筑给水排水及采暖工程施工质量验收规范;10、 GB50303-2002 建筑电气工程施工质量验收规范;11、 GB50026-2007 工程测量规范;12、 GBJ107-87 混凝土强度检验评定标准;13、 GB50194-93 建筑工地施工现场供用电安全规范;14、 JGJ46-2007 施工现场临时用电安全技术规程;15、 JGJ18-2003T 钢筋焊接及验收规范;16、 JGJ59-99 建筑施工安全检查标准;17、其它现行国家规范。
第二章工程概况2.1 工程概况1、本项工程该工程位于巴中市南江县长赤镇,建筑面积1817m2,四合院布局,由照壁,山门,天井院坝,东西厢房,大殿组成。
古建筑修缮工程施工规程(征求意见稿)国家文物局2017-04目录第一章总则第一条编制目的第二条适用范围第三条术语第四条一般规定第五条修缮工程阶段划分第二章修缮准备阶段第六条现场复核第七条图纸会审第八条设计交底第九条实施阶段施工组织设计第十条现场布置第十一条项目部第十二条上岗培训第十三条技术准备第十四条修缮材料和机具准备第十五条专业分包第十六条修缮工程开工条件第三章修缮阶段第十七条修缮保护措施内容及要求第十八条修缮一般流程第十九条工程设计变更和工程洽商第二十条例会制度第二十一条安全管理第二十二条材料管理第二十三条进度管理第二十四条造价管理第二十五条资料管理第四章竣工验收阶段第二十六条工程竣工初步验收第二十七条工程竣工验收第五章保修期阶段第二十八条保修期限第二十九条保修期阶段巡查制度第三十条质量缺陷责任归属界定第三十一条质量缺陷修复第六章修缮工程资料第三十二条修缮工程资料第三十三条修缮工程资料移交和报告出版参考文献及规范性引用文件附表第一章总则第一条编制目的为规范古建筑修缮工程的施工组织与管理,确保工程质量和施工安全,制定本规程。
第二条适用范围本规程适用于古建筑修缮工程,是施工和保修过程中必须执行的基本工作程序。
第三条术语(一)古建筑特指不可移动文物中的古建筑,包括各级文物保护单位和未核定为文物保护单位的不可移动文物。
(二)施工技术设计文件勘察设计单位根据文物行政部门批复同意的设计方案编制,内容应包括施工图、设计说明书、施工图预算、材料试验报告及检测鉴定结果等。
(三)施工组织设计以修缮工程为对象,由施工单位编制、用以指导修缮过程的技术、经济、安全和管理的综合性文件。
(四)现场平面布置依据施工技术设计文件要求和现场情况,确定修缮工程用地范围内的功能分区,明确临时道路、各类线路和各种设施的走向(或位置),绘制现场平面布置图。
(五)项目部施工单位针对组建的项目管理机构,负责修缮工程的组织、协调、控制和决策,动态管理各施工要素,对修缮工程的安全、进度、质量、成本等负全责。
修缮设计说明一、施工图设计说明(一)编制依据1、修缮保护设计依据及原则⑴修缮设计依据⑴、《中华人民国文物保护法》。
⑵、《中华人民国文物保护法实施条例》。
⑶、《省文物保护管理办法》。
⑷、《中国文物古迹保护准则》。
⑸、《文物保护工程管理办法》。
⑹、《古建筑木结构维护加固技术规》。
⑵修缮原则⑴严格遵守“不改变文物原状的原则”。
⑵、四保存原则:①、保持原有的建筑风格,②、保持原有的建筑材料,③、保持原有的建筑结构,④、保持原有的建筑工艺。
⑶、在保持现状的基础上,按原建筑形制恢复部分已毁的建筑构件,恢复其原建筑功能。
⑷、按照最少干预的原则,严格使用保护技术。
⑸、文物保护工程必须具有国家文物局颁发的工程资质单位承担实施。
(二)修缮保护工程容及措施修缮保护工程措施表①、揭顶修缮屋面,更换木椽、檩。
②、按原制修补、墩接或更换糟朽的木柱。
③、恢复原石板地面。
④、修复原门窗及槛墙。
⑤、恢复原木装板墙。
⑥、恢复原台明和排水沟。
⑦、油饰保护木构件。
⑧、牮正倾斜后檐柱。
修缮保护工程措施表①、揭顶修缮屋面,更换糟朽木椽、檩。
②、按原制修补、墩接或更换糟朽的木柱。
③、恢复原石板地面。
④、修复原门窗及槛墙。
⑤、恢复原木装板墙。
⑥、恢复原台明和排水沟。
⑦、油饰保护木构件。
⑧、牮正倾斜后檐柱。
保护工程措施表①、揭顶修缮屋面,更换糟朽木椽、檩。
②、按原制修补、墩接或更换糟朽的木柱。
③、恢复原石板地面。
④、修复原门窗及槛墙。
⑤、恢复原木装板墙。
⑥、恢复原台明和排水沟。
⑦、油饰保护木构件。
⑧、牮正倾斜后檐柱。
(三)、修缮保护工程做法和要求1、基础:落架修缮工程和牮正工程所涉及基础加固,均采用条石砌筑基础(宽900),基础深≥1.0m,垫层:R20砼厚100—150,1:2水泥砂浆砌筑条石基础。
2、地坪:建筑室青石板地面。
做法:①、取出回填土;②、铺1:1:2三合土(石灰:砂:土)厚200,夯实,③、铺100厚垫层(防潮层),白灰∶黏土∶生桐油=1∶3∶0.05拌合均匀后,加碎石拌合而成,夯实;④、铺青石板,底作灰浆(白灰∶砂=1∶3),⑤、人工打磨平整石板表面。
廊道青石板地坪:①、铺1:1:2三合土(石灰:砂:土)厚150,夯实,②、铺100厚垫层(防潮层),白灰∶黏土∶生桐油=1∶3∶0.05拌合均匀后,加碎石拌合而成,夯实;③、铺青石板,底作灰浆(白灰∶砂=1∶3)。
④、人工打磨平整石板表面。
3、木柱、木构件:①、防治白蚁:请有关白蚁防治研究单位进行治理。
②、糟朽木柱维修:a、对糟朽不严重或残损的木柱采用墩接的施工工艺进行维修,墩接长度不得超过其柱高的三分之一。
b、对糟朽严重或被白蚁蛀蚀严重的不能再继续工作的木柱,进行更换,按原材质、原式样、原工艺进行重制。
③、糟朽木构件维修:对糟朽严重或被白蚁蛀蚀严重的不能再使用的木构件,进行更换,按原材质、原式样、原工艺进行复制。
4、木装修及木地板:①、门:修缮破损门扇,按原制恢复已毁木门,详设计图。
②、窗:修补破损的花格窗;修缮破损的窗框,复原已毁坏的雕刻图案,详设计图。
③、木板墙:按原制修缮糟朽的木板墙,对已毁坏的木板墙按原制恢复5、屋面:①、小青瓦规格:。
②、拆卸屋脊及瓦件时,应尽可能保护好原屋顶的小青瓦。
③、木檩梢径不小于Ф。
④、木椽中—中距不得大于240mm。
⑤、老头瓦伸入叠瓦脊长度不得小于瓦长的1/2。
⑥、底瓦搭盖外露不得大于1/3瓦长(一搭三)。
⑦、盖瓦搭盖外露不得大于1/3瓦长(一搭三)。
⑧、所有小青瓦的铺设底瓦大头应向上,盖瓦大头应向下。
⑨、底瓦下做防水层:a、椽上铺望瓦,b、椽上钉木枋条50×30,c、铺木板厚20(或铺五层竹胶板),d、铺SBC聚乙稀丙纶防水卷材,e、铺钢丝网(固定在板上,f、1:2石灰砂浆找平层,g、覆盖小青瓦。
⑩、复原灰塑脊饰。
6、排水沟:①、在建筑外四周台明下设置排水暗沟,沟体采用条石砌置,沟体断面尺寸:350×450mm排水坡度2%。
暗沟采用石盖板,规格:550×800×60mm,盖板上预留泄水孔。
排水沟用条石砌筑,规格:150×450×1200 mm,垫层:R15砼垫层,厚100—150 mm,砌筑砂浆:M5水泥砂浆。
7、木构件断白本次修缮保护工程遵循原建筑的设置,保持原有色调(大漆)。
对已涂刷涂料的木构件,进行清洗和打磨,清除涂料,恢复原有色(大漆);对更换的新木构件,应进行作旧。
为了提高木质的防腐能力,在木质表层刷生桐油两遍。
①、对木构件凹凸不平以及裂缝面刮腻子抹平,干燥后,选用粗、细砂布分别打磨两遍,然后做旧,表面刷生桐油两遍。
②、对更换木材构件应做旧,以旧木材色调为基调,其作法:用树根加水熬制成浅黄色水,加少量的墨汁调兑成染料,色彩接近于旧木色彩,应先采用几块试板进行试样,确定后,再在文物构件上刷置两遍,待吹干后刷生桐油两遍。
8、木柱梁、木构件及梁架等修缮木柱维修:根据糟朽情况、糟朽的深度、长度采取不同的方法。
⑴、挖补法槽朽深度不超过柱径的二分之一,长度不超过柱长的三分之一,采用挖补法。
具体做法:先将糟配部用凿子及扁铲剔成易嵌补的几何形状(如方形、长方形、三角形、多边形),嵌入木块楔紧严实,用乳胶粘结,待胶干后用刨子刨成随柱身的形状。
补块大的用钉子钉牢,并将钉帽嵌入柱皮,以利补刮腻子及油漆。
糟朽长度超过柱身一半的,但深度不超过柱径四分之一的,可采用包镶法。
具体做法:将槽朽部份沿柱身先截一锯口,再用凿铲剔挖规矩。
补块长的进行分段制作,然后楔入补洞就位拼粘成随柱身型,补块长度小的用钉子钉牢,大的用铁箍一至二道,铁箍搭接处用适当长度的铁钉钉牢。
铁箍外皮与柱外皮取齐以便油饰。
⑵、开裂处理:由于修建时选用的木材干湿程度不同,年久以后木材本身的收缩而产生裂缝,从而影响柱子的强度。
根据不同程度的裂缝采用不同的方法。
①、五毫米以用环氧树脂子堵抹严实,刮平表面。
②、五毫米以上的用木条、乳胶补严粘牢。
方法同挖补一样。
③、对于无规则的裂缝,先凿成规格的缝口,然后采用嵌补或挖补的方法维修。
④、裂缝在三厘米以上,深度达柱心的,采用粘补加铁箍一至二道的方法进行维修。
所用的铁箍应嵌入柱,与柱外皮齐平。
粘补裂缝的木条应采用通长木条。
⑶、墩接法对柱糟朽深度达柱心且长度不超过三分之一以下的,采用墩接法。
墩接前先卸下原柱子荷载,采用打牮加扶柱的方法。
⑷、刻半墩接法(阴阳巴掌榫)把两节木柱各刻去柱径的二分之一,搭接的长度不少于40厘米。
用铁箍两道加固(螺栓连接采用Φ12或Φ14、Φ16)。
铁箍外皮与柱外皮齐平。
⑸、刻半墩接法(莲花辨榫)在两节柱子的断面上画出十字线,把断面分成四辨,各自剔去十字辨的对肩两辨,用余下两辨作接插,上下加两道铁箍,铁箍外皮与柱外皮齐平。
⑹、齐头墩接法柱子下部糟朽在30厘米以的,把糟朽下部锯齐,然后按照柱接的高度选料做成和柱断面一样,然后用扁铁(厚度0.3厘米)刻糟箍牢接上。
⑺、更换柱子柱糟朽深度达柱心且长度超过三分之一以上的采取整柱更换。
在拆换时先打牮好扶柱,把柱所承重的构件全部用扶柱及钢管架承重。
梁、枋维修:⑻、开裂修补①、木梁侧面裂纹长度不超过梁长的二分之一,深度不超过梁宽的四分之一,在此限度采用2-3道铁箍加固防止继续开裂。
②、木梁裂缝超过五毫米以上的,在加铁箍之前应采用旧木条嵌补严实,用白乳胶粘牢。
铁箍断面大小应根据梁的高度及受力情况而定。
铁箍两头用螺栓拧牢。
⑼、梁底部断裂的处理:梁底部断裂使抗弯断面减少,应通过进行结构承载计算,如能继续使用的,则进行加固,其方法:先有环氧树脂灌注裂缝,在梁断裂部位两侧和底部用木板或钢板加固。
不能继续使用的应进行更换。
⑽、木构件维修对糟朽不重的,采取修补;对糟朽严重的不能再继续工作的木构件,应进行更换,按原材质、原式样、原工艺进行复制。
9、更换木构件的材质要求枋类木构件材质要求檩类木构件材质要求板类木构件材质要求10、油漆①、木装板三防(防腐、防火、防虫)11、其它①、本修缮工程在实施前,应做好安全防工作,特别是建筑瓦件易滑落部位,应做出警示,派出专人进行全天候观测,以防伤及路人。
②、在施工时应划出施工作业安全地段,闲杂人等不许进入。
在施工中,四周布置安全网。
③、施工准备过程中,做好科学记录工作。
在拆卸构件工作中,要逐层对构件进行分类编号,对重要的隐蔽构件及部位要绘制草图,作好详细记录和摄影。
④、对拆卸构件需分类码放在指定的地点,不得损坏。
梁、柱、枋等构件拆卸时,特别要注意保护榫卯,不得乱拆、乱堆。
在放置构件的地方,要作好防火、防盗、防湿等工作,必须指定专人看管。
⑤、所添配的瓦、石、木等构件,应严格按原构件的尺寸式样进行制作,其中瓦件要求无裂缝、无砂眼;木构件选用优质风干木材,含水率不得超过18%。
制作时,要求尺寸准确、榫卯吻合,大木构件在安装前应先进行预合,以便安装时顺利进行。
⑥、在油饰中使用的生桐油为黄棕色的液体,凝固点2°—3°C,常温下它的粘度比较大,不利于它在木材中的渗透。
为了使生桐油易于渗入木材中,需要在生桐油中加入适量的煤油,一般控制在100:20。
⑦、雨季施工中,应对文物建筑采取防护措施,特别是揭顶修缮建筑应搭建防雨棚。
⑧、施工前,应对建筑木雕刻构件、彩绘梁架及题字檩木进行保护,避免施工中造成损伤破坏。
⑨、施工中如发现建筑与施工图设计有出入的地方,应及时通知设计单位赴现场修改。