管工岗位作业指导书(正式)
- 格式:docx
- 大小:35.51 KB
- 文档页数:8
管理人员岗位作业指导书一、岗位背景管理人员是组织中的核心力量,负责组织、协调和监督各项工作的顺利进行。
他们需要具备良好的沟通能力、协调能力和领导能力,能够有效地管理团队,并达成组织的目标。
二、岗位职责1. 制定和执行组织的战略规划和目标,确保组织的长期发展;2. 组织、协调和监督各部门的工作,确保各项工作按时完成;3. 招聘、培训和管理员工,激励他们发挥最佳水平;4. 确保员工遵守公司政策和规定,维护组织的利益;5. 分析和解决组织中的问题,提出改进建议;6. 与外部合作伙伴建立和维护良好的关系,促进组织的发展;7. 编制和分析报告,向上级汇报工作进展和成果。
三、岗位要求1. 本科及以上学历,管理学、工商管理等相关专业优先;2. 具备良好的沟通能力、协调能力和领导能力;3. 具备较强的组织、计划和执行能力;4. 具备团队合作精神,能够有效地管理和激励团队成员;5. 具备良好的分析和解决问题的能力;6. 熟练运用办公软件,如Word、Excel、PowerPoint等。
四、工作流程1. 制定战略规划和目标- 与高层管理层沟通,了解组织的战略方向和目标;- 分析市场和竞争环境,制定相应的战略规划和目标;- 将战略规划和目标转化为具体的工作计划。
2. 组织、协调和监督工作- 分配工作任务给各部门和员工,确保各项工作按时完成;- 协调各部门之间的合作,解决工作中的问题;- 监督工作进展,及时调整和改进工作方式。
3. 招聘、培训和管理员工- 根据组织的需求,制定招聘计划,招聘合适的员工;- 制定培训计划,提升员工的专业能力和素质;- 设定绩效目标,定期评估员工的工作表现。
4. 遵守公司政策和规定- 熟悉公司的政策和规定,确保员工遵守;- 处理员工违反规定的行为,维护组织的利益。
5. 分析和解决问题- 分析组织中的问题,找出原因并提出解决方案;- 与相关部门和员工沟通,协调解决问题的过程;- 监督解决方案的执行情况,确保问题得到解决。
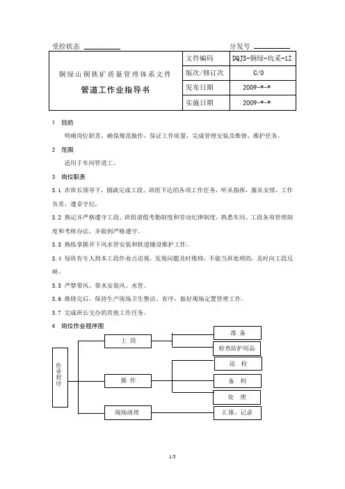
1 目的明确岗位职责,确保规范操作,保证工作质量,完成管理安装及维修、维护任务。
2 范围适用于车间管道工。
3 岗位职责3.1 在班长领导下,圆满完成工段、班组下达的各项工作任务,听从指挥,服从安排,工作负责,遵章守纪。
3.2 熟记并严格遵守工段、班组请假考勤制度和劳动纪律制度,熟悉车间、工段各项管理制度和考核办法,并做到严格遵守。
3.3 熟练掌握井下风水管安装和铁道铺设维护工作。
3.4 每班有专人到本工段作业点巡视,发现问题及时维修,不能当班处理的,及时向工段反映。
3.5 严禁带风、带水安装风、水管。
3.6 维修完后,保持生产现场卫生整洁、有序,做好现场定置管理工作。
3.7 完成班长交办的其他工作任务。
5作业程序5.1 上岗前5.1.1 按时上班参加班前会,听取当班班长工作安排。
5.1.2 查看交接班记录,了解当班管路及铁道待修作业点。
5.1.3 携带好照明,穿戴好劳保用品,按时有序乘罐下井。
5.2 作业前准备5.2.1 根据派班要求对作业区范围内风水管路及铁道进行巡检,发现故障及存在问题。
5.2.2 检查作业地点顶板是否稳固,确认作业现场是否有不安全因素,检查照明状况。
5.3 作业标准要求5.3.1 安装拆卸、维修风水管路时,应先停风水,安装好的管子应可靠固定,并不准接触电力线路,还应满足以下安装要求:直径小于250mm的管子应悬挂在巷道壁上,悬挂高度不低于1.8m,管子与电力线路平行敷设时,管子应在下方,并距电力线路不小于0.3m;直径大于250mm的管子应搁在巷道底板上,应方便人员和车辆的通行,并不得填塞沟道,保证水流畅通。
5.3.2 铺设、拆卸轨道操作时,应遵守以下规定5.3.2.1 铺轨前,应检查工作地点安全状况,准备好工具材料,钉道钉时手锤把应牢固,手锤应打平,打准,对面不准站人。
5.3.2.2 拆装鱼尾板时,禁止试探螺栓孔,紧固鱼尾板螺栓时,扳手应内怀向搬,不准向外。
5.3.2.3 调整轨道时,应用撬棍拨动,禁止用道钉挤移轨道。
第二节管工一、岗位风险及控制措施(1)物体打击。
管阀、材料搬运、安装过程中,因动作或配合不好易对人体造成物体打击伤害。
控制措施:用车辆运输管阀、材料时要绑扎牢固;通过沟、坑、井时要搭好马道;用滚杠运输要防止压脚,不准用手直接调整滚杠,管子滚动前方不准站人;两人以上搬抬管子、阀门配件时,用力和动作要一致,相互照应。
不得超负荷搬运。
(2)电动工具伤害、触电。
使用电钻、砂轮机、切割机等机械工具时,若方法不当易对人体造成伤害,严重时会致人死亡。
控制措施:各种施工机具使用前,应认真检查、维护,确保各种机械、工具安全、性能良好可靠。
手持电动工具须按规定安装漏电保护装置。
(3)起重伤害。
使用吊车、吊管机、三脚架等吊装设备中,由于违章原因造成物件滚翻、钢丝绳或吊带断裂、重物滑脱、设备倾覆等导致人员伤害。
控制措施:①吊装作业时必须设专人指挥。
指挥及操作人员须持证上岗。
②起重设备使用前须严格检查各个部位及机械性能是否完整可靠,手续是否齐全。
③选用吊具、吊索符合起重要求。
起吊物捆扎可靠。
④起吊前应进行试吊,试吊高度以离开地面最小距离为宜,在确定安全可靠后方可正式操作。
起重物下及起重设备旋转半径内严禁站人。
(4)高处坠落。
高处作业时若不慎易造成人员坠落伤害。
控制措施:在距地面2m以上作业必须系好安全带;正确使用、搭设登高作业设施;严格执行高空作业安全操作规程。
凡经医生诊断,患有高血压、心脏病、癫痫、精神病或患有其他不适于高处作业病症的人员,以及酒后人员不得从事高处作业。
(5)爆炸。
管道、容器试压,油气区动火等作业过程中可能发生爆炸事故。
控制措施:试压时压力不得超过规定值;严禁在管道、容器上带压作业;严格执行油气区动火安全管理规定。
(6)火灾。
指在作业过程发生的火灾事故。
控制措施:严格执行防火规程;作业人员经过消防器材使用培训或经过消防演练;施工现场配备足够的消防设施;收工时必须确认施工现场无火源。
(7)坍塌。
在管沟内,山体、护坡下作业时发生滑坡掩埋事故。
1 上岗前人员资质要求1.1 没有接受过安全生产技术教育和训练的人员不能进行施工作业。
1.2 施工作业时应持证进入现场作业。
1.3 严格执行各项规章制度,不违纪,不违章;对本岗位的安全生产工作负直接责任。
1.4 严格执行本工种安全操作规程,妥善保管和使用各种机具。
1.5 严格执行施工方案、安全技术措施及各种票证制度,并接受安全监督部门的检查。
2 作业人员安全防护2.1 穿戴好劳动保护用品。
进入现场时,一定要正确佩戴合格的安全帽、安全鞋及防护服、防护手套等;高空作业要系上安全带;使用磨光机打磨时,要戴好防护面罩;配合电气焊作业时,要戴好黑色护目镜。
2.2 在有毒气、窒息性、刺激性或腐蚀性的气体、液体和粉尘管道的现场作业或抢修时,首先要进行取样化验分析,合格后方能进入现场,同时必须戴上口罩、护镜或防毒面具。
2.3 在进入阴暗、潮湿的场所及有水的金属容器内施工和检修时,除了采用电压为12V的安全照明灯外,还应穿绝缘胶鞋,戴绝缘手套。
3 施工作业过程安全控制3.1 工作程序3.1.1 准备工作:分为技术准备、材料准备、工机具准备;1) 技术准备。
施工图纸经过有关部门会审,施工方案已经批准,技术交底和必要的技术培训完成后,施工图纸交至施工人员。
施工人员应按设计图纸进行施工,修改设计和材料代用应经设计部门审批。
施工前施工人员应认真熟悉图纸和有关技术资料,对施工工程的工艺流程、工作介质、压力、温度等工艺条件和所使用的材料及管件、设备的型号、材质、规格都要了解清楚,做到心中有数。
同时,施工前要与土建单位详细核对图纸,密切配合,对设备配管位置、土建尺寸及材料配件尺寸进行检查核对,发现问题及时提请有关部门解决。
在施工程序、施工方法、质量标准和操作规程等要求在施工中要严格执行;2) 材料准备。
材料准备即施工中用的管道、管件、阀门以及其它辅助材料的准备。
材料到货后,合金钢管道应分类堆放,不锈钢管道应有与碳钢材料的隔离措施;所有材料应符合图纸和技术要求。
管理岗位作业指导书【管理岗位作业指导书】一、引言管理岗位作业指导书是为了规范管理岗位工作流程和标准,提高管理工作效率和质量而编写的。
本指导书旨在帮助管理岗位的员工了解工作职责和要求,掌握正确的工作方法和流程,提升工作能力和水平。
二、适用范围本指导书适用于公司所有管理岗位的员工,包括但不限于部门经理、项目经理、团队主管等。
三、工作职责1. 部门经理- 负责制定部门的发展战略和目标,并制定相应的工作计划。
- 组织、协调和指导部门成员的工作,确保工作的顺利进行。
- 监督部门成员的工作表现,及时给予指导和反馈,提高团队绩效。
- 协调各部门之间的合作,解决工作中的问题和矛盾。
2. 项目经理- 负责项目的规划、组织、实施和控制,确保项目按时、按质完成。
- 制定项目计划和进度安排,合理分配资源,协调各方合作。
- 监督项目进展情况,及时调整计划,解决项目中的问题。
- 报告项目进展和成果,与相关部门进行沟通和协调。
3. 团队主管- 确定团队的工作目标和任务,并制定相应的工作计划。
- 分配工作任务,指导团队成员的工作,确保工作按时完成。
- 监督团队成员的工作表现,提供必要的培训和指导,提高团队绩效。
- 协调团队内部的合作,解决工作中的问题和冲突。
四、工作流程1. 部门经理工作流程1.1 制定部门发展战略和目标- 分析市场和行业情况,确定部门的发展方向和目标。
- 制定相应的发展战略和计划,明确工作重点和时间节点。
1.2 制定部门工作计划- 根据部门发展目标,制定年度、季度和月度的工作计划。
- 确定工作内容、工作量和工作时间,并分配给部门成员。
1.3 组织、协调和指导部门工作- 组织部门成员开展工作,协调各项工作的进展和安排。
- 给予部门成员必要的指导和支持,解决工作中的问题。
1.4 监督部门成员的工作表现- 定期对部门成员进行工作考核和评估,给予及时的反馈和奖惩。
- 提供培训和发展机会,提高部门成员的工作能力和水平。
管理人员岗位作业指导书一、岗位背景和职责概述作为管理人员,您将承担着重要的职责,负责协调和管理团队的日常运营。
您的工作将涉及到组织、计划、协调和监督各项工作任务,以确保公司的顺利运行和实现预期目标。
以下是您在管理人员岗位上的主要职责和要求:1. 领导和管理团队:您将负责领导和管理团队成员,激发他们的工作热情和创造力,以达到公司设定的目标。
您需要建立积极的工作氛围,促进团队合作和沟通,并提供必要的培训和指导。
2. 制定和执行战略计划:作为管理人员,您将参与制定公司的战略计划,并负责将其转化为可行的行动计划。
您需要具备良好的战略思维能力和执行能力,以确保公司的长期发展和竞争优势。
3. 监督和评估工作进展:您将负责监督团队成员的工作进展,并定期评估他们的绩效。
您需要建立有效的绩效评估机制,及时发现和解决问题,并提供必要的支持和反馈。
4. 管理资源和预算:您将负责管理团队所需的资源和预算,包括人力资源、物资和财务资源。
您需要合理分配资源,确保其有效利用,并根据需要进行调整和优化。
5. 维护良好的内外部关系:作为管理人员,您将代表公司与内外部利益相关者进行沟通和协调。
您需要建立并维护良好的合作关系,以促进信息共享和资源共享。
6. 解决问题和决策:您将面临各种问题和挑战,需要具备良好的问题解决和决策能力。
您需要分析问题的根本原因,制定解决方案,并在需要时做出明智的决策。
二、工作流程和操作指南为了帮助您更好地履行管理人员的职责,以下是一些工作流程和操作指南:1. 团队管理:a. 建立明确的工作目标和绩效指标,与团队成员共享,并定期进行跟踪和评估。
b. 促进团队合作和沟通,鼓励成员之间的互相支持和协作。
c. 提供必要的培训和发展机会,以提高团队成员的能力和技能。
d. 解决团队内部冲突和问题,确保团队的和谐和稳定。
2. 战略规划和执行:a. 参与公司的战略规划过程,理解公司的长期发展目标和战略方向。
b. 将战略目标转化为具体的行动计划,并分解到各个部门和团队。
管工岗位操作指导书
1、套丝工件要支平夹牢,工作台要平稳,两人以上操作,动作应协调,防止柄把打人。
2、管子串动和对口,动作要协调,手不得放在管口和法兰接合处。
3、手提式砂轮机应有防护罩,操作时,站在砂轮片径向侧面,并戴绝缘手
套或站在绝缘板上。
4、沟内施工,遇有土方松动、裂纹、渗水等,应及时加设固壁支撑。
禁止
用固壁支撑代替上、下扶梯和吊装支架。
5、人工往沟内下管,所用索具、地桩必须牢固,沟槽内不得有人。
6、用风枪、电锤或錾子打透眼时,板下,墙后应有人监护。
7、管道吊装时,倒链应完好可靠,吊件下方禁止站人,管子就位卡牢后,方可松倒链。
8、管道试压,应使用经校验合格的压力表,操作时,要分级缓慢升压,停稳后方可进行检查。
非操作人员不得在盲板、法兰、焊口、丝口处停留。
9、管道吹扫口应固定,与气源之间须装置联络信号。
吹扫口、试压排放口严禁对准电线、基坑和有人操作的场地。
10、管道吹扫、冲洗的应缓慢开启阀门,以免管内物料冲击,产生水锤、汽锤。
管理岗位作业指导书作业指导书:管理岗位作业指导书一、背景介绍管理岗位是组织中的关键职位之一,负责协调和指导团队成员的工作,确保组织的目标得以实现。
为了提高管理岗位的工作效率和质量,制定一份详细的作业指导书是必要的。
二、目的和范围本作业指导书的目的是为管理岗位员工提供明确的工作指导,确保工作按照标准化和规范化的要求进行。
本指导书适合于所有管理岗位员工。
三、职责和职能1. 管理团队:负责组织和协调团队成员的工作,确保团队的目标得以实现。
2. 制定计划:根据组织的战略目标,制定具体的工作计划,并确保计划的执行。
3. 分配任务:根据团队成员的能力和工作负荷,合理分配任务,并监督任务的完成情况。
4. 监督工作:监督团队成员的工作发展,及时发现问题并解决,确保工作按时完成。
5. 沟通协调:与其他部门和团队进行有效的沟通和协调,解决工作中的冲突和问题。
6. 培训和发展:根据团队成员的需求,提供培训和发展机会,提升团队的绩效和能力。
四、工作流程1. 制定工作计划:a. 了解组织的战略目标和任务要求。
b. 分析团队成员的能力和工作负荷。
c. 制定具体的工作计划,包括时间安排和任务分配。
2. 分配任务:a. 根据工作计划,将任务分配给团队成员。
b. 确保任务的分配合理,避免负荷过重或者过轻。
c. 向团队成员明确任务目标和要求。
3. 监督工作:a. 与团队成员保持良好的沟通,了解工作发展。
b. 监督任务的执行情况,确保按时完成。
c. 及时发现问题和障碍,提供支持和解决方案。
4. 沟通协调:a. 与其他部门和团队进行有效的沟通和协调。
b. 解决工作中的冲突和问题,确保工作顺利进行。
c. 及时向上级汇报工作发展和问题。
5. 培训和发展:a. 根据团队成员的需求,提供培训和发展机会。
b. 定期评估团队成员的绩效,提供反馈和改进建议。
c. 鼓励团队成员参预专业培训和学习,提升能力和知识水平。
五、工作标准1. 高效执行工作计划,确保任务按时完成。
管理人员岗位作业指导书一、引言管理人员是组织中的关键角色,他们负责指导和协调各项工作,确保组织的目标顺利实现。
为了帮助管理人员更好地履行职责,本指导书旨在提供详细的操作指南和工作要求,以确保管理人员能够高效、准确地完成各项工作。
二、岗位职责1. 领导和管理团队:管理人员应负责领导和管理下属团队,包括制定工作计划、分配任务、监督工作进展等。
2. 制定和执行战略计划:管理人员应参与制定组织的战略计划,并负责将其转化为具体的行动方案,并监督执行过程。
3. 沟通和协调:管理人员应与上级、下级以及其他部门进行有效的沟通和协调,确保信息畅通和工作协同。
4. 资源管理:管理人员应合理规划和管理组织的资源,包括人力、物力和财务等,以支持组织的正常运转。
5. 绩效管理:管理人员应设定明确的绩效目标,并对下属进行绩效评估和激励,以提高团队的工作效率和质量。
6. 风险管理:管理人员应识别和评估潜在的风险,并采取相应的措施进行风险管理,以确保组织的稳定发展。
三、工作要求1. 有效的沟通能力:管理人员应具备良好的口头和书面沟通能力,能够清晰、准确地表达自己的意见和要求,并能够倾听和理解他人的观点。
2. 领导能力:管理人员应具备良好的领导能力,能够激励和激发团队成员的工作热情和创造力,并能够有效地解决团队内部的冲突和问题。
3. 分析和决策能力:管理人员应具备良好的分析和决策能力,能够准确地分析问题、评估选项,并做出明智的决策。
4. 时间管理能力:管理人员应具备良好的时间管理能力,能够合理安排工作时间,高效地处理各项任务,确保工作的及时完成。
5. 团队合作能力:管理人员应具备良好的团队合作能力,能够与团队成员密切合作,共同完成团队目标,并能够处理团队内部的冲突和问题。
6. 学习和创新能力:管理人员应具备良好的学习和创新能力,能够不断学习和更新知识,不断改进工作方法和流程,以适应不断变化的环境和需求。
四、操作指南1. 工作计划制定:管理人员应制定周、月、季度和年度的工作计划,明确工作目标和重点,合理安排工作时间和资源,并与团队成员进行沟通和确认。
管理人员岗位作业指导书一、岗位背景和职责概述管理人员是组织中的核心力量,负责协调和管理各项工作,确保组织的顺利运行和实现目标。
本作业指导书旨在为管理人员提供明确的工作指引和规范,帮助他们更好地履行职责,提高工作效率和管理水平。
二、岗位职责1. 制定和实施组织的战略规划和发展目标,确保组织的长期可持续发展。
2. 负责制定和实施组织的管理政策、制度和流程,确保各项工作按照规范和标准进行。
3. 组织和协调各部门的工作,确保各项工作的协调性和高效性。
4. 领导和管理团队,激发团队成员的工作激情和创造力,提高团队的凝聚力和执行力。
5. 负责人力资源管理,包括招聘、培训、绩效评估和员工关系管理等。
6. 监督和评估各项工作的执行情况,及时发现问题并采取有效措施进行改进。
7. 负责与内外部利益相关者的沟通和协调,维护良好的合作关系。
8. 负责预算的制定和执行,确保组织的财务状况和资金使用的合理性。
9. 积极参与组织的业务拓展和市场营销活动,提高组织的品牌影响力和市场竞争力。
三、工作流程和方法1. 了解组织的战略规划和发展目标,制定相应的管理策略和计划。
2. 制定和完善组织的管理制度、流程和操作规范,确保各项工作有序进行。
3. 组织和协调各部门的工作,定期召开会议,了解工作进展和存在的问题。
4. 建立和完善团队管理机制,包括目标设定、任务分配、绩效评估等。
5. 建立有效的沟通渠道,与团队成员和其他部门保持良好的沟通和协作。
6. 定期对团队成员进行培训和激励,提高他们的业务能力和工作动力。
7. 建立绩效评估体系,及时发现和解决工作中的问题,提高工作效率和质量。
8. 与内外部利益相关者保持密切联系,了解他们的需求和反馈,及时作出调整。
9. 定期进行财务分析和预算执行情况的评估,确保资金的合理使用和财务的稳定性。
10. 积极参与市场营销活动,了解市场动态和竞争对手,制定相应的营销策略。
四、工作要求和能力素质1. 具备较强的组织和协调能力,能够有效地管理和调配资源。
管工岗位作业指导书1 .岗位目标1.触电事故为零;2.火灾事故为零;3.100%正确穿戴劳保防护用品;4、100%执行操作规程;5、设备的完整性95%。
2 .风险预测a) 砸伤b) 机械伤害c) 触电d) 噪声,听力受损3 .岗位条件1 受过本专业培训并持有有效操作证,HSE知识培训合格,熟知本岗设备性能及使用方法,掌握本岗各项操作。
2 熟悉本岗位职责,掌握本岗位作业规程。
3 上岗时,必须头脑清醒、注意力集中,有病、神智不清等身体不适者不应上岗工作。
4 每次工作时必须穿戴好劳动保护用品,使用合格的工具。
5 遵章守纪、执行工程处的HSE方针、规定,为实现工程处的HSE目标和本组织的控制目标,完成好管工岗位工作;6 在班组长的指挥下,认真履行管工工作职责;7 参加组织的HSE活动,接受HSE培训;8 拒绝违章指挥、不违章作业,发现不符合或发生事故及时报告;9 当有疑问或情况不明时,要进行询问,切忌自惴变动;10 熟悉本岗位存在的风险和应急保护知识,在紧急情况发生时,能够按应急计划要求进行迅速撤离或是投入救急工作;11对HSE管理提出合理建议,对违章指挥、违章作业的举报享有保护。
12详细检查手拉葫芦制定器是否可靠,传动部分必要灵活,不能有卡链现象。
链条不得有断节和裂纹,上下吊钩不得有脱扣和变形,棘轮必须好使,销子必须牢固,确实可靠后方可操作。
13 详细检查使用的手锤头与锤柄的连接是否牢固。
有裂纹的锤柄不准使用。
14 倒链架的水平角度不大于300。
倒链架脚与点面应垫牢固并有防滑装置。
15正确穿戴和使用个人劳动防护用品、用具。
16 使用手拉葫芦起吊时,无论是提升或下降,拽动手拉链条应均匀和缓,不可用力过猛,不得多人操作。
18 管口组对时,无论采用什么工具,都严禁把手指放在管口处。
19 使用手持电动工具必须安装漏电保护器。
使用砂轮机打磨修管口时要戴护目镜。
20 严禁用硬土块、冻土块或不规则的石块垒管道支撑堆。
管理人员岗位作业指导书
标题:管理人员岗位作业指导书
引言概述:
管理人员在企业中扮演着重要的角色,他们需要具备一定的管理技能和知识来有效地组织和指导团队工作。
为了帮助管理人员更好地履行职责,制定一份详细的岗位作业指导书是非常必要的。
本文将从管理人员岗位作业指导书的制定目的、内容、格式、更新与维护、实施等方面进行详细阐述。
一、制定目的
1.1明确管理人员的职责和权利
1.2规范管理人员的工作流程
1.3提高管理人员的工作效率和工作质量
二、内容
2.1管理人员的基本信息
2.2管理人员的职责和权利
2.3管理人员的工作流程和操作指南
三、格式
3.1清晰明了的标题和目录
3.2简洁明了的文字和排版
3.3合理的结构和分级
四、更新与维护
4.1定期检查和更新指导书内容
4.2及时修订和完善指导书内容
4.3保证指导书的准确性和及时性
五、实施
5.1培训管理人员使用指导书
5.2监督管理人员按照指导书执行工作
5.3反馈管理人员对指导书的使用情况和建议
结论:
通过制定管理人员岗位作业指导书,可以帮助管理人员更好地履行职责,提高工作效率和工作质量,规范管理流程,确保企业管理工作的顺利进行。
因此,企业应该重视管理人员岗位作业指导书的制定和实施,不断完善和更新指导书内容,以适应企业管理工作的需求和变化。
管理人员岗位作业指导书一、岗位背景和职责作为管理人员,您将负责领导和管理团队,确保组织的顺利运行和实现目标。
您的职责包括但不限于以下几个方面:1. 制定和执行组织的战略规划,确保公司的长期发展;2. 招聘、培训和管理团队成员,激励员工并提高团队绩效;3. 监督和评估团队成员的工作表现,提供必要的指导和反馈;4. 管理公司的资源和预算,确保资源的合理分配和利用;5. 协调不同部门之间的合作,促进信息共享和沟通;6. 处理和解决与员工和客户相关的问题和纠纷;7. 监督和遵守公司的规章制度和政策,确保公司的合法合规运营。
二、工作流程和规范为了确保您的工作高效有序,我们制定了以下工作流程和规范:1. 每周例会:每周召开一次团队例会,讨论工作发展、问题和解决方案。
会议记录应详细记录并及时分发给预会人员。
2. 目标设定:根据公司的战略规划和部门的目标,制定明确的工作目标和指标。
目标应具体、可衡量、可达成,并与员工进行有效沟通和确认。
3. 工作计划:根据目标设定,制定每日、每周和每月的工作计划。
计划应包括具体的任务、时间安排和优先级,并及时调整和更新。
4. 任务分配:根据团队成员的能力和工作负荷,合理分配任务并确保任务的及时完成。
任务分配应明确任务的要求、截止日期和反馈方式。
5. 绩效评估:定期对团队成员进行绩效评估,包括工作成果、工作态度和团队合作等方面。
评估结果应公正、客观,并及时反馈给团队成员。
6. 问题处理:对于工作中遇到的问题和纠纷,应及时采取适当的措施进行处理。
在处理过程中,应保持公正、客观和有效的沟通。
7. 知识共享:鼓励团队成员之间的知识共享和学习。
定期组织培训和分享会议,提高团队整体素质和能力。
三、沟通和协作作为管理人员,良好的沟通和协作能力是非常重要的。
以下是一些提高沟通和协作效果的建议:1. 倾听和理解:在与团队成员和其他部门的沟通中,要保持积极的倾听和理解态度。
尊重他人的意见和观点,并及时赋予反馈。
管理人员岗位作业指导书一、引言本作业指导书旨在为管理人员提供明确的工作指导,帮助其高效地履行岗位职责,提升工作效率和团队绩效。
本指导书涵盖了管理人员的职责、工作流程、工作方法和注意事项等方面的内容。
二、职责描述1. 制定和执行组织的战略目标和发展计划,确保其与公司整体战略一致。
2. 管理团队,包括招聘、培训、激励和绩效管理等工作,确保团队成员的工作目标的达成。
3. 监督和协调部门间的合作,促进信息共享和协同工作,确保各部门间的协调一致。
4. 确保公司的运营流程和制度得到有效执行,及时发现问题并采取相应措施解决。
5. 提供决策支持和咨询服务,为公司的战略决策和业务发展提供可行性建议。
6. 审核和监督工作计划的执行情况,及时调整和优化工作流程,提高工作效率和质量。
三、工作流程1. 制定年度工作计划:根据公司的战略目标和发展计划,制定年度工作计划,明确目标和任务,并与团队成员进行沟通和协商。
2. 分解工作计划:将年度工作计划分解为月度、周度和日常的具体工作任务,明确责任人和时间节点。
3. 分配任务和资源:根据工作计划和团队成员的能力和专长,合理分配任务和资源,确保任务的顺利完成。
4. 监督工作进展:定期与团队成员进行工作进展的沟通和汇报,及时发现问题并采取措施解决,确保任务按时完成。
5. 审核工作成果:对团队成员的工作成果进行审核和评估,提供及时的反馈和建议,帮助其改进工作质量。
6. 总结和反馈:定期总结工作经验和教训,提供反馈和建议,为下一阶段的工作提供参考和指导。
四、工作方法1. 沟通与协作:建立良好的沟通渠道,与团队成员和其他部门保持密切的沟通和协作,促进信息共享和团队合作。
2. 创新与改进:鼓励团队成员提出创新的想法和改进的建议,持续优化工作流程和工作方法,提高工作效率和质量。
3. 学习与发展:关注行业的最新动态和趋势,不断学习和提升自己的专业知识和技能,为公司的发展提供支持和建议。
4. 领导与激励:以身作则,树立榜样,激励团队成员积极主动地工作,提供必要的培训和发展机会,帮助其实现个人和团队的目标。
管工岗位作业指导书1总则充分识别管工岗位的危急源和环境因素,并进行风险评价和重要环境因素评价,实行相应的掌握措施,保证从事管工岗位作业人员在施工生产过程中职业健康与平安,防止环境污染,防止意外事故发生。
1.2适用范围本指导书适用于公司内从事管工岗位人员。
当上述人员从事高处作业或有限空间作业时,应遵守相关规定。
1.3编制依据[80]建工劳字第24号建筑安装工人平安技术操作规程2岗位要求2.1素养要求具备学校以上学历;身体健康,无癫痫病史和障碍性残疾。
2.2技能资质经过培训、考试合格,并持有劳动部门颁发的“特种作业人员操作证”。
2.3工作经受有半年以上工作经受。
3岗位职责3.1主管领导在所在班组的班组长的领导下工作,接受工号技术负责人的技术交底和平安员的平安管理。
3.2对下负责什么负责带好徒工,为下道工序制造条件。
3.3权利和义务严格执行平安技术操作规程,不违章作业;施工作业中正确佩戴劳动爱护用品和用具,听从领导和平安员的指挥;乐观参与平安活动和班前会,仔细执行平安技术交底和危急度猜测;努力完成施工任务,搞好相互协作;有权拒绝违章指挥的作业;发生事故时要爱护好现场,乐观参与抢救,照实报告事故发生经过。
4操作指南4.1工作程序班前平安活动—岗位工作预备—施工作业—班后现场清理—收回工具4.2工作要求4.2.1管工工具4.2.1.1作业前必需对管工工具进行检查。
4.2.1.2管工工具必需是完好设备。
4.2.2管工作业一般要求 4.2.2.1严格执行公司岗位作业指导书。
4.2.2.2进入施工现场严格根据劳动爱护着装标准着装,衣帽干净。
4.2.2.3进入施工现场必需按规定正确戴好平安帽,高处作业挂好平安带。
4.2.2.4施工动火必需按规定办理动火手续,分析合格后方能动火。
4.2.2.5管子串动和对口时,应有人指挥,动作要协调,手不能放在管口和法兰接合处。
4.2.2.6管线对口调直焊接前,应将管子垫稳固定,并有专人监护。
管理人员岗位作业指导书一、岗位概述管理人员是组织中负责规划、组织、指导和控制工作的重要角色。
管理人员岗位作业指导书旨在为管理人员提供规范的工作流程和操作指南,以确保他们能够有效地履行职责,提高工作效率和组织绩效。
二、职责和权限1. 制定和执行组织的战略计划,确保组织目标的达成。
2. 管理和协调部门之间的沟通和合作,促进信息流动和知识共享。
3. 监督和评估部门的绩效,提出改进措施,确保工作按时完成。
4. 招聘、培训和发展员工,建立高效的团队。
5. 管理预算和资源,确保资源的合理分配和利用。
6. 确保遵守法律法规和组织规章制度,维护组织的声誉和形象。
三、工作流程1. 战略规划a. 分析组织内外环境,确定组织战略目标。
b. 制定战略计划,明确目标、策略和行动计划。
c. 与高层管理层协商,确保战略计划的一致性和可行性。
2. 组织协调a. 定期召开部门会议,沟通工作进展和问题。
b. 协调各部门之间的工作,促进协作和资源共享。
c. 确保信息的畅通流动,及时传达重要信息。
3. 绩效管理a. 设定目标和绩效指标,与团队成员共同制定个人绩效目标。
b. 定期进行绩效评估,与团队成员进行绩效面谈。
c. 根据绩效评估结果,制定奖惩措施和改进计划。
4. 人力资源管理a. 制定招聘计划,发布招聘需求,筛选和面试候选人。
b. 制定培训计划,组织培训活动,提升员工的能力和技能。
c. 进行绩效评估,制定晋升和奖励计划,提高员工的工作动力。
5. 资源管理a. 制定预算计划,协调各部门的预算需求,确保资源的合理分配。
b. 监督和控制预算执行,及时调整预算分配,确保资源的有效利用。
c. 定期进行成本分析,提出降低成本和提高效益的建议。
6. 法律合规a. 关注法律法规的变化,及时更新组织的规章制度。
b. 组织培训活动,提高员工的法律法规意识和合规意识。
c. 监督和检查工作的合规性,及时纠正违规行为。
四、操作指南1. 熟悉组织的战略目标和计划,确保工作与战略目标的一致性。
编订:__________________
单位:__________________
时间:__________________
管工岗位作业指导书(正
式)
Standardize The Management Mechanism To Make The Personnel In The Organization Operate According To The Established Standards And Reach The Expected Level.
Word格式 / 完整 / 可编辑
文件编号:KG-AO-7590-61 管工岗位作业指导书(正式)
使用备注:本文档可用在日常工作场景,通过对管理机制、管理原则、管理方法以及管理机构进行设置固定的规范,从而使得组织内人员按照既定标准、规范的要求进行操作,使日常工作或活动达到预期的水平。
下载后就可自由编辑。
1总则
充分识别管工岗位的危险源和环境因素,并进行风险评价和重要环境因素评价,采取相应的控制措施,保证从事管工岗位作业人员在施工生产过程中职业健康与安全,防止环境污染,防止意外事故发生。
1.2适用范围
本指导书适用于公司内从事管工岗位人员。
当上述人员从事高处作业或有限空间作业时,应遵守相关规定。
1.3编制依据
[80]建工劳字第24号建筑安装工人安全技术操作规程
2岗位要求
2.1素质要求
具备初中以上学历;
身体健康,无癫痫病史和障碍性残疾。
2.2技能资质
经过培训、考试合格,并持有劳动部门颁发的“特种作业人员操作证”。
2.3工作经历
有半年以上工作经历。
3岗位职责
3.1主管领导
在所在班组的班组长的领导下工作,接受工号技术负责人的技术交底和安全员的安全管理。
3.2对下负责什么
负责带好徒工,为下道工序创造条件。
3.3权利和义务
严格执行安全技术操作规程,不违章作业;
施工作业中正确佩戴劳动保护用品和用具,服从领导和安全员的指挥;
积极参加安全活动和班前会,认真执行安全技术
交底和危险度预测;
努力完成施工任务,搞好相互协作;
有权拒绝违章指挥的作业;
发生事故时要保护好现场,积极参加抢救,如实报告事故发生经过。
4操作指南
4.1工作程序
班前安全活动—岗位工作准备—施工作业—班后现场清理—收回工具
4.2工作要求
4.2.1管工工具
4.2.1.1作业前必须对管工工具进行检查。
4.2.1.2管工工具必须是完好设备。
4.2.2管工作业一般要求
4.2.2.1严格执行公司岗位作业指导书。
4.2.2.2进入施工现场严格按照劳动保护着装标准着装,衣帽整洁。
4.2.2.3进入施工现场必须按规定正确戴好安全
帽,高处作业挂好安全带。
4.2.2.4施工动火必须按规定办理动火手续,分析合格后方能动火。
4.2.2.5管子串动和对口时,应有人指挥,动作要协调,手不能放在管口和法兰接合处。
4.2.2.6管线对口调直焊接前,应将管子垫稳固定,并有专人监护。
4.2.2.7用手砂轮磨坡口时,电源线绝缘要良好,安装漏电保护器,头部躲开砂轮机。
4.2.2.8高处作业时,要挂好安全带,使用工具如搬子、手锤、弯尺等要拴好安全绳,用后放在工具袋内,不准乱放。
作业前要检查脚手架是否符合标准,紧固螺栓时不得用力过猛,不准在活搬子上加套管。
4.2.2.9管内作业时,所使用的电动工具必须安装漏电保护器,照明电压不超过12伏。
4.2.2.10管线安装前应检查管线内是否干净,吊装绳索要绑扎牢固,专人指挥。
4.2.2.11利用旧管材施工时,首先要进行检查,
分析管内有无有毒物质或爆炸物质。
4.2.2.12凡在厂内安装、碰头、拆除旧管线,必须泄压,经置换、分析后,办理动火手续方能进行下一道工序。
4.2.2.13地下管道施工时,管沟边沿应设围栏,夜间设警示灯,工程结束及时回填。
4.2.2.14酸、碱液清洗管线时,戴好防护用品,酸、碱液槽必须加盖,并设有明显标志。
4.2.2.15管线试压时,必须按技术交底的压力参数进行,不准自行改变。
4.2.3金属容器内作业
4.2.3.1容器通风良好,内部温度不应超过40℃,严禁向容器内输氧。
4.2.3.2管工作业应穿干燥的工作服和绝缘鞋,身体不得与金属直接接触,脚下应垫有道木,木板或橡胶垫。
4.2.3.3工作间歇时,应检查是否有隐患。
4.3注意事项
a. 工作前应认真检查所需的一切工具、设备是否良好,穿戴好防护用品。
b. 高处作业时,使用的工具应放在工具袋内,小型构件及边角余料应放在平台里侧安全地方。
c. 用砂轮磨坡口时,电源线绝缘要良好,安装漏电保护器。
头部躲开砂轮机。
5风险应急
5.1岗位风险
砸伤;
碰伤;
意外伤害。
5.2应急责任
配备防护工具;
发生事故时应立即采取可靠方法开展自救和抢救人员;
实施相关应急预案。
6环境因素
6.1岗位环境因素
施工废料污染环境。
6.2控制措施
停止工作和休息时及时检查施工地点,消除安全隐患;
下班前清理现场。
7考核
7.1公司按安全检查管理规定的要求进行检查和考核。
7.2安全生产的奖罚执行安全生产奖罚管理规定。
请在这里输入公司或组织的名字
Enter The Name Of The Company Or Organization Here。