电液转换器原理与调试
- 格式:doc
- 大小:25.50 KB
- 文档页数:2
电液转换器工作原理
电液转换器是一种将电能转换为液压能,并实现机械动作的装置。
它由电动机、泵、阀门等组成,其工作原理如下:
1. 电动机:电动机通过电能将电能转换为机械能,驱动泵的运转。
2. 泵:泵是电液转换器中的核心组件,负责将液体从低压区域抽送到高压区域。
当电动机驱动泵旋转时,泵将液体吸入并通过出口压力流向系统。
3. 阀门:阀门用于控制液体的流动和转换流向。
通过控制阀门的开启和关闭,可以实现液体的流向控制和压力调节。
4. 液压缸:液压缸是电液转换器的输出机构,负责将液压能转换为机械运动。
当液体通过阀门进入液压缸,液压缸内的活塞受到液压力的作用而产生线性运动。
总体而言,电液转换器通过控制电动机的运转,驱动泵将液体抽送到液压缸中,通过阀门的开闭控制液体的流向和压力,从而实现机械运动的控制。
电液转换器原理与调试电液转换器(Electro-Hydraulic Converter)是一种将电能转换为液压能的装置,广泛应用于工业控制系统中。
它的工作原理是通过电信号控制阀门的开关,从而改变液压系统中液压元件的工作状态,实现对液压系统的控制和调节。
液压系统中的元件包括液压缸、液压马达、液压阀等。
通过控制电动机的启动和停止,可以实现对液压泵的启动和停止。
而通过控制液压泵的工作状态和输出压力,可以实现对液压缸等液压元件的运行速度、位置和力度的调节。
为了能够更好地控制液压系统,通常还需要使用电子控制器。
电子控制器通过接收电信号,并进行处理、转换和放大等操作,将电信号转换为适合液压系统的控制信号。
控制信号通过控制液压阀的开关,从而实现对液压系统的精确控制。
调试电液转换器需要根据具体的应用需求和设计要求进行。
首先,需要检查液压系统中液压油的质量和量,确保系统正常工作。
同时,还需要检查液压泵的工作状态和压力参数,确保其输出符合要求。
在调试过程中,还需要对液压系统中的液压元件进行校准。
校准包括对液压阀的开关状态进行调节,以及对液压泵的输出压力和流量进行调节。
调节液压元件的工作参数可以通过改变电子控制器的工作状态和参数实现。
在进行调试时,还需要密切关注液压系统中的压力和流量参数。
通过检测压力和流量的变化情况,可以判断液压系统的工作状态是否正常,以及控制效果是否达到预期。
此外,在调试过程中还需要注意安全问题。
液压系统中会产生高压和高温的工作环境,需要采取相应的安全措施,防止事故发生。
总结起来,电液转换器通过电能转换为液压能,实现对液压系统的控制和调节。
在调试过程中,需要检查液压系统的各项参数,校准液压元件的工作状态,并关注压力和流量的变化情况。
同时,还需要注意安全问题,确保调试过程的顺利进行。
SVA9型电液转换器工作原理如下:
钢磁在气隙中形成固定磁场,当动圈绕组中有控制电流通过时,动圈在气隙磁场中受电磁力的作用,此电磁力克服弹簧力使动圈及控制滑阀产生与控制电流成比例的位移。
电液压力油从P口进入,流经控制滑阀与随动活塞的上下可变节流口,由T口回油。
油源压力直接作用在随动活塞下腔,使之始终有一个向上的恒力,而上下节流口间的控制油压则作用在随动活塞上腔(被控腔),使之产生一个向下的推力。
随动活塞上腔面积设计成是下腔面积的两倍,因此当控制滑阀静止时,随动活塞自动地稳定在一个平衡位置,在这个位置上,上、下节流口的过流面积相等,上腔控制油压刚好等于下腔油源压力的一半,使作用在随动活塞两端的液压推力相等。
输入正向电流时,动圈带动控制滑阀向下移动,上节流口关小,下节流口开大,从而使上腔油压升高,推力加大,推动随动活塞下移,直至随动活塞位移等于动圈与控制滑阀位移量时,上、下节流口过流面积相等,随动活塞两端的推力恢复相等,随动活塞两端推力在新的位置恢复平衡。
输入负向电流时,动圈带动控制滑阀向上移动,下节流口关小,上节流口开大,从而使上腔油压降低,推力减小,随动活塞在下腔恒力的作用下上移,直至再度达到新的平衡。
与505/505E配套使用的电液转换器为两种:VOITH和CPC 1、VOITH1 - 控制磁性调节阀体P in -进口油压2 –动力传输杆P A -输出信号油压3 - ×0和×1电位计4 - 手动操作旋钮T1-回油5 - 电气接线T2 -回油6 - 控制壳体F Mag -磁力7 - 带阻尼活塞的控制活塞F Hyd-液压力8 –端盖F Fed-弹簧力9 –控制弹簧手动操作旋钮的功能:通过手动操作旋钮来控制电液转换器的磁铁,依靠这个旋钮,能设定一个可调的弹簧力以替代磁力F Mag。
弹簧力通过电枢和传输杆控制活塞,液压力F Hyd与输出信号压力P A成正比,但作用力方向与弹簧力相反,这样输出压力的调节不需要电气就可实现。
用手动旋钮操作时,由电液转换器控制的液压元件的行程位移不受控制,其输出发生变化是由于输出信号压力的增加。
只有把弹性挡圈从手动操作旋钮上移开时才能手动操作。
完成手动操作以后,顺时针转动计数器,使手动操作旋钮回到原来位置,再把弹性档圈推到原来位置。
作用方向:顺时针旋转输出压力增加。
电位计的作用:×0-在电位计×0 的帮助下,可以调节最小的输出压力P A min ,当设定值为4mA时。
电位计顺时针旋转,压力增加。
×1-在电位计×1 的帮助下,可以调节最大的输出压力P A max ,当设定值为20mA时。
电位计顺时针旋转,压力增加。
电位计×1先于×0 调整。
电位计×1的调节将影响×0的调整。
4~20mA对应油压为0.15MPa~0.45MPaVOITH接线CPC压力输出大小(LEVEL) 此调整量改变压力的输出大小,调整它对各个点都起作用,顺时针调整将增大压力输出。
压力范围(RANGE) 此调整量改变压力输出的范围,即压力曲线的斜率,顺时针调整将增大压力输出曲线的斜率。
标定一、输入电流和输出压力1. 将输入电流置于12mA 测量输出压力2. 调整压力Level电位器将输出压力调整到所需值3. 将输入电流置于20mA 测量输出压力4. 调整压力范围Range 电位器将输出压力调整到所需值5. 再次将输入电流置于12mA 调整压力Level电位器6. 将输入电流置于4mA 调整压力 Range 电位器注意顺时针调整Range 电位器将减小输出压力7. 重复1-6 步操作直至输出压力在极限值的公差范围内注意压力Level电位器和压力 Range 电位器为多圈电位器, 25转二、动态调整1. 将输入电流置于12mA2. 顺时针慢慢将增益Gain 电位器至中间位置如果输出压力不稳定则逆时针调整电位器通常50%的增益将适用于各种类型的负载3. 对于小型或闭锁的伺服机构稳定电位器Stability 通常设定为10%-20% 对于大型的伺服机构通常设定为50%-60% 如果油温比较低或油的粘质比较大请适当增加稳定值的调整如果发现输出压力有高频抖动现象, 则应减小稳定值同时可适当增大增益4. 从4 mA 到20mA 逐步增大电流检查输出压力是否稳定4~20mA对应油压为0.25MPa~0.6MpaCPC与VOITH相比的优缺点:优点:反应灵敏,有超限报警缺点:调节麻烦,对油质要求高(5um滤网),无法脱机试验针对这一问题,woodward公司新研发了CPCII产品CPCII改进:1、去掉滤网2、提高功率,提高动作的灵敏性和可靠性。
汽轮机电液调节原理汽轮机是一种通过蒸汽驱动涡轮旋转产生功(机械能)的热能机。
在汽轮机的运行过程中,需要不断调节蒸汽进入涡轮的流量和温度,以保证汽轮机的运行稳定性和可靠性。
为了实现这一目标,需要使用电液调节系统来控制蒸汽流量和温度。
汽轮机电液调节系统主要包括:调节阀、油泵、电液转换器、传感器、控制器等组成的闭环控制系统。
下面将详细介绍这些组成部分的原理和作用。
调节阀是汽轮机电液调节系统中最核心的部分之一。
它通过调整蒸汽进入涡轮的流量来控制涡轮的转速。
调节阀由电动执行器和阀芯组成。
电动执行器可根据控制信号调整阀芯的开度,控制蒸汽流量。
阀芯的开度与蒸汽流量呈正相关关系,即开度越大,流量越大。
油泵是提供润滑和冷却油的设备。
汽轮机的转子和轴承在高速旋转时会产生摩擦和冲击,油泵通过向转子和轴承提供润滑和冷却油来减少摩擦和冲击,确保汽轮机的正常运行。
油泵通常由电动机带动,通过压缩机件将润滑油推送到所需的位置。
电液转换器是汽轮机电液调节系统中将控制信号(通常为电信号)转换为液压信号的设备。
它能够将控制信号转换为特定的液压压力,以控制调节阀的开度。
电液转换器通常由电动机、泵和液压缸组成,通过泵将液体压力提升,然后通过液压缸传递给调节阀。
传感器是用于测量汽轮机运行参数的设备。
它们可以测量蒸汽流量、温度、压力等参数,并将这些参数转换为电信号,通过电缆传输给控制器。
传感器广泛应用于汽轮机的不同部位,如蒸汽进口处安装蒸汽流量传感器,用于测量蒸汽流量;在蒸汽出口处安装温度传感器,用于测量蒸汽温度等。
控制器是汽轮机电液调节系统中的核心部分,它接收来自传感器的信号,并根据事先设定的控制策略计算出控制信号,然后通过电缆传输给电液转换器,进而控制调节阀的开度。
控制器通常由计算机或微处理器组成,可以根据事先设定的算法和逻辑进行自动控制,以达到稳定和可靠的汽轮机运行。
总结而言,汽轮机电液调节系统是通过调节阀、油泵、电液转换器、传感器和控制器等组成的闭环控制系统,用于控制蒸汽流量和温度,保证汽轮机的运行稳定性和可靠性。
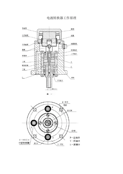
电液转换器工作原理:(见图)
当信号电流为零时, 芯棒与滑阀处于左端极限位置, 压力油腔与控制油压之间节流口关闭.腔经阀芯中地内孔与回油腔相通,所以腔处于卸压状态.资料个人收集整理,勿做商业用途
当信号电流()增加时,芯棒在磁场作用力下,或比例地产生一个向右作用力,推动滑阀向右移动,使控制油腔与回油腔地流通面积减小,与压力油腔地流通面积增大,根据流量平衡原理,控制油压升高,随着油压地升高,与油腔相通地腔压力也升高.当产生地油压力与相抵消时,滑阀达到平衡,控制油压稳定.腔油压值即是成比例地对应输入信号地相应值. 资料个人收集整理,勿做商业用途
当信号电流减小时,芯棒在磁场作用力下,产生一个向左作用力.这时,由于与油腔相通地腔油压力大于芯棒作用力,滑阀向左移动,使得控制油腔与回油腔地流通面积增大,与压力油腔地流通面积减小,控制油压降低.同时,腔油压亦降低,芯棒上地磁场力与油压力相等,滑阀达到平衡,控制油压稳定.资料个人收集整理,勿做商业用途
在手动工作状态,旋动手轮,经传动杆推动芯棒移动,即能调到所要求地控制油压.
一般对应-控制电流输出地二次脉冲油压为,在这一段范围内控制特性地线形度较高. 资料个人收集整理,勿做商业用途
电液转换器调试过程:。
电液转换器工作原理一、工作原理:CSV9,CSV9H电液转换器的电流-位移转换部分是由磁钢、导磁罩、内外导磁板、动圈及弹簧所组成的动圈式力马达,液压伺服放大部分是由控制阀芯、随动活塞所组成的具有直接位置反馈的三通道滑阀控制差动缸(详见图一)。
动圈与控制阀芯为刚性连接。
安装方式为板式连接。
当控制电流流过处在磁隙固定磁场中的动圈绕组时产生电磁力,此电磁力克服弹簧力后推动动圈与控制阀芯产生与控制电流成比例的位移。
当压力油自P口进入电液转换器,并经过控制阀芯与随动活塞间的上下可变节流口,再经过T口回油。
此时油压直接作用于随动活塞下腔,使之产生一个始终向上的推力。
而上下节流口间的控制油压,则作用在随动活塞的上腔,使之产生一个向下的推力。
此时如果无控制电流流过动圈,即控制阀芯静止不动。
由于此时上下节流口的过流面积设计成相等,因而上腔的控制油压刚好等于下腔油压的一半。
又由于随动活塞上腔面积设计是下腔面积的两倍,因此作用在随动活塞两端的液压推力相等,所以随动活塞自动稳定在这一平衡位置。
当向动圈输入正向控制电流时,电磁力使动圈与控制阀芯向下移动,此时上节流口关小,下节流口开大,随动活塞上腔的压力升高,从而推动活塞下移。
当活塞位移达到控制阀芯的位移量时,上、下节流口过流面积重又恢复相等,随动活塞两端的液压推力恢复相等,随动活塞便自动稳定在这一新的平衡位置。
当向动圈输入反向电流时,动圈与控制阀芯向上移动,下节流口关小,上节流口开大,压力油经T 口回油,从而使随动活塞上腔油压降低,活塞随之向上运动,直至达到新的平衡位置。
由于控制阀芯与随动活塞间的节流口精确配合,因此CSV9电液转换器的零耗流量与压力漂移都很小,负载刚度则很大。
又由于是差动缸结构,CSV9电液转换器还具有液压应急功能。
在紧急情况下,只要通过二位四通换向阀把P、T两口换向,或在P、T口同时通入压力油,随动活塞就会立即下推到低。
电液调节系统原理及应用葸国隆本文就汽轮机数字电液控制系统的组成、控制功能及其实现做了说明,并介绍常见项目实施过程出现的部分故障及处理方法;同时对EH油系统、电液伺服阀、ETS系统也做了介绍。
关键词:数字电液汽轮机转速电液伺服阀汽轮机保护AbstractThis text did the introduction to the Digital Electric Hydraulic steam turbine Control System, control function and implementation, and introduced the error and fault appears in the common item implementation process and the method;Also did introduction to the EH oil system, the electricity liquid servovalve and ETS system at the same time.Keywords: DEH STEAM TURBINE SPEED SERVOV ALVE ETS前言...................................................................................................................................................... 3第一章DEH概述........................................................................................................................... 41.1 DEH的发展经历 .................................................................................................................. 41.1.1 MHC .................................................................................................................................................. 41.1.2 EHC ................................................................................................................................................... 41.1.3 DEH ................................................................................................................................................... 51.2 DEH系统的组成 .................................................................................................................. 61.3 DEH的控制方案 .................................................................................................................. 81.4 ETS ........................................................................................................................................ 91.5 TSI ...................................................................................................................................... 12第二章液压执行机构 ................................................................................................................ 132.1 DEH的硬件组成各部分功能 .......................................................................................... 132.1.1 DEH常用的电液转换器 .............................................................................................................. 142.1.2 LVDT ............................................................................................................................................. 15第三章油系统 ............................................................................................................................ 163.1 低压透平油系统................................................................................................................ 163.2 供油装置的主要部件........................................................................................................ 173.3 自容式电液执行器............................................................................................................ 183.4 汽轮机的自动保护系统.................................................................................................... 19第四章DEH调试....................................................................................................................... 204.1 LVDT ................................................................................................................................. 204.1.1 LVDT的安装调试 ........................................................................................................................ 204.2 拉阀试验............................................................................................................................ 224.3 汽轮机冲转........................................................................................................................ 24总结.................................................................................................................................................. 26前言汽轮机是电厂中的重要设备,其作用是在高温高压蒸汽的推动下稳定在一定转速下旋转, 完成热能到机械能的转换。
-N型电液转换器型号:SVA9--N 价格:18000.00使用说明书SVA9-N 型电液转换器是专为汽轮机电液调速器开发的关键电-位移转换元件,它能把微弱的电气信号通过液压放大转换为具有相当大作用力的位移输出。
SVA9-N型电液转换器主要由动圈式力马达、控制滑阀及随动活塞三大部分组成,控制滑阀与随动活塞之间采用直接位置反馈,安装方式采用板式连接。
SVA9-N型电液转换器是SV9型电液转换器的改进型,是我公司应用户要求改制的抗污染型电液转换器,它针对电站行业对电液转换器工作须绝对可靠的要求,在SV9型基础上改进零部件材质、提高加工精度,加大动圈出力,并在进油口处增设可反吹冲洗、反复使用的高效过滤器。
与SV9相比,抗污染能力更强,工作更可靠,是更适合于电站行业应用的新一代电液转换器。
除电气参数不同外,在连接尺寸上它与SV9完全一致,可以方便地替代SV9而不需对调速器作任何改动。
SVA9-N型电液转换器结构精密,工作可靠,灵敏度高,动特性好,对油液洁净度要求较低,在NAS8级的油液中能长期稳定地工作,除此之外,还具有液压应急控制功能,只要通过一个二位四通阀把进出油口(P、T)换向或在进出油口(P、T)同时通入压力油,随动活塞就能立即下推到底。
一、工作原理SVA9-N型电液转换器的电气――位移转换部分采用了动圈力马达结构,液压放大部分采用了具有直接位置反馈的三通控制滑阀控制差动缸(随动活塞)的典型结构。
其工作原理如下:磁钢在气隙中造成固定磁场,当动圈绕组中有控制电流通过时,动圈在气隙磁场中受电磁力的作用,此电磁力克服弹簧力使动圈及控制滑阀产生与控制电流成正比例的位移。
压力油从P口进入,流经控制滑阀与随动活塞的上下可变节流口,由T口回油。
油源压力直接作用在随动活塞下腔,使之始终有一个向上的恒力,而上下节流口间的控制油压则作用在随动活塞上腔(被控腔),使之产生一个向下的推力。
随动活塞上腔面积设计成是下腔面积的两倍,因此当控制滑阀静止时,随动活塞自动地稳定在一个平衡位置,在这个位置上,上、下节流口的过流面积相等上腔控制油压刚好等于下腔油源压力的一半,使作用在随动活塞两端的液压推力相等。
电液转换器使用说明
一、基本原理
二、使用前的准备
1.检查电源供电是否正常,确保电压和频率符合电液转换器设备的要求。
2.检查液压泵和液压执行器的连接是否牢固,并确保密封件完好。
3.检查液压油的油位和质量,必要时进行添加或更换。
三、操作步骤
1.打开电液转换器的电源开关。
2.按下启动按钮,电动机开始驱动液压泵运转,液压油开始流动。
3.观察液压设备的工作情况,如果需要调整液压设备的工作状态,可
以通过液压阀门实现调节。
4.当不需要使用电液转换器时,按下停止按钮,电动机停止运转。
四、注意事项
1.在正常使用电液转换器时,应保持设备清洁,定期检查和清洗液压
泵和液压执行器。
2.在长时间不使用电液转换器时,应关闭电源,并保持设备在干燥通
风的环境中。
3.运行中出现异常情况(如异响、温度过高等)时,应立即停止使用,并查明原因后再进行维修或更换部件。
4.在检查和维修电液转换器时,务必断开电源,以免发生电击或安全事故。
五、维护保养
1.定期检查液压油的油位和质量,根据使用情况及时添加或更换液压油。
2.定期检查液压泵和液压执行器的密封件、阀门等部件的磨损情况,并进行必要的维修或更换。
3.定期清洗液压管路,防止堵塞和泄漏。
六、常见故障排除
1.电动机无法启动:检查电源供电是否正常,电动机是否存在故障。
2.液压泵不工作:检查电动机和液压泵之间的连接是否牢固,以及电动机是否正常运行。
3.液压设备工作不正常:检查液压阀门的调节是否正确,液压油是否正常流动。
5科技资讯科技资讯S I N &T NOLOGY I NFORM TI ON 2008N O .24SC I ENC E &TEC HN OLO GY I NFO RM ATI O N 工业技术电液转换器是汽轮机调节系统的一部分,也是实现热工指令的重要环节,该装置既是电液转换元件,又是功率放大元件,它能把微小的热工信号转换成大功率的液压能输出,其性能的优劣对电液调节系统有很大影响。
1系统简介我厂七号135M W 中间再热、凝汽式汽轮机,采用电液调节系统,共有四只高压调门两只中压调门,作为D EH 控制器的执行机构,设置六个可控制调门的油动机,六只调门及油动机,结构动作原理完全相同。
每一个油动机配置一个电液转换器,将电调装置输出的电信号转换成控制油压的装置,其主要部件由力矩马达、杠杆组、碟阀、弹簧和阻尼器等组成。
2存在的问题在2006年大修以后,反复多次出现左侧中联门和高压调门开不足甚至开不出来的现象,几乎每次机组停役后即会出现此种情况,从运行方面讲其危害很大。
在开机过程中会导致机组左右侧进汽不均衡,左右侧汽缸法兰受汽量不平衡,引起左右温差增大、膨胀不均。
尤其是在机组热态快速启动中,危害更大,严重时可使滑销系统发生卡煞现象,加剧机组振动。
在带负荷的过程中,由于主调门单侧不能正常开启,会使负荷不能带满,或在高负荷下,圆周状态进汽不均衡,调节阀产生一种节流损失,较大程度的降低了机组的效率。
从检修角度来看,调门长时间节流,使得调门阀芯线因气流冲刷磨损,导致不能关闭严密,不但损坏了设备,而且增加新的安全隐患。
在没有根本处理此缺陷以前,采取了松反馈弹簧的临时处理方案,虽然能使调门正常开足,但安全系数在一定程度上降低了,因为由于调门开启受油动机控制,油动机的动作受继动器活塞动作控制,继动器的活塞又受作用在活塞上部控制油压向下的作用力与活塞顶部弹簧向上的作用力是否平衡所决定,由于顶部弹簧已放松了部份拉力,这对调门向上开启方向上是有利的,能保证调门能顺利开启,但在调门关闭方向上存在着一定的迟缓,当机组运行中突然甩负荷或发电机油开关突然跳闸,OPC 电磁阀动作后,通往继动器顶部控制油压下降时,该两只调门肯定存在着延时关闭。
【电液转换器原理介绍】目前,我国大型火电机组装机容量日渐饱和,但随着现代工业生产的不断发展、老电厂的改造和海外市场的持续扩展,工业汽轮机的需求量在增加。
为满足环保用油及系统简化的需要,我们已在多个中、小型汽轮机项目中使用低压透平油作为控制油,低压透平油具有对环境污染小(油源不需特殊处理)、系统简化(与润滑油共用油箱),系统简单,同时运行和维护工作也相对简洁等优点。
而电液转换器则是透平油液压系统的核心部套之一。
因此电液转换器的选用对于此类机组的设计、调试、运行等具有重大的意义。
由于透平油作为控制油已经成为小型汽轮机的趋势之一,因此有越来越多的机组将会使用电液转换器。
我厂力矩马达碟阀式电液转换器是一个将电调装置输出的电信号转换成控制油压的装置。
它主要由力矩马达,杠杆组,碟阀,弹簧,阻尼器、单向节流阀及快关电磁阀等组成。
电液转换器可按不同的原理进行结构设计,以适应不同的控制要求,图1是去除上罩壳,配置2个快关电磁阀的电液转换器外形图。
图1 电液转换器外形图(去罩壳)杠杆组上作用着力矩马达的向下力及控制油压P2作用于碟阀上的向上力。
电调控制油压P2是由压力油经节流孔流入,后经碟阀间隙排油而形成,力矩马达是受电调装置的电流信号作角度变换,通过顶杆把力施加到杠杆组上,从而改变了碟阀的间隙而使控制油压P2发生变化,力矩马达的力增加,使P2增大,反之力矩马达的力若减小,则电调控制油压P2便减小,从而控制调节汽阀的开度,相应开大或关小。
DEH阀门控制模件输出到力矩马达的信号为0-350mA,电液转换器通常输出对应于油动机的控制油压为0.15-0.35Mpa,控制油动机相应的0-100%开度。
阻尼器起油压稳定作用,通过调整螺杆改变弹簧力可以改变控制油压P2的初始值。
另外,在电液转换器上还装有快关电磁阀(可根据控制系统需求设置)和一个单向节流阀。
当汽机遮断或OPC时,快关电磁阀失电的同时使电液转换器输出的控制油压快速泄去,使调门迅速关闭。
S V A9-N型电液转换器
型号:SVA9--N
价格:18000.00
使用说明书
SVA9-N型电液转换器是专为汽轮机电液调速器开发的关键电-位移转换元件,它能把微弱的电气信号通过液压放大转换为具有相当大作用力的位移输出。
SVA9-N型电液转换器主要由动圈式力马达、控制滑阀及随动活塞三大部分组成,控制滑阀与随动活塞之间采用直接位置反馈,安装方式采用板式连接。
SVA9-N型电液转换器是SV9型电液转换器的改进型,是我公司应用户要求改制的抗污染型电液转换器,它针对电站行业对电液转换器工作须绝对可靠的要求,在SV9型基础上改进零部件材质、提高加工精度,加大动圈出力,并在进油口处增设可反吹冲洗、反复使用的高效过滤器。
与SV9相比,抗污染能力更强,工作更可靠,是更适合于电站行业应用的新一代电液转换器。
除电气参数不同外,在连接尺寸上它与SV9完全一致,可以方便地替代SV9而不需对调速器作任何改动。
SVA9-N型电液转换器结构精密,工作可靠,灵敏度高,动特性好,对油液洁净度要求较低,在NAS8级的油液中能长期稳定地工作,除此之外,还具有液压应急控制功能,只要通过一个二位四通阀把进出油口(P、T)换向或在进出油口(P、T)同时通入压力油,随动活塞就能立即下推到底。
一、工作原理
SVA9-N型电液转换器的电气――位移转换部分采用了动圈力马达结构,液压放大部分采用了具有直接位置反馈的三通控制滑阀控制差动缸(随动活塞)的典型结构。
其工作原理如下:
磁钢在气隙中造成固定磁场,当动圈绕组中有控制电流通过时,动圈在气隙磁场中受电磁力的作用,此电磁力克服弹簧力。
电液转换器就是把汽轮机的电压信号转换位油动机的液压信号控制油动机的行程,从而调整调节气门的开度改变汽轮机的进气量从而调节汽轮机的转速。
当输入开调门的信号时,阀位指令大于反馈指令,输入为正方向电流,则力矩马达衔铁上的线圈中有电流通过,在外磁场的作用下,铁芯将顺时针偏转,使弹簧片发生偏移;对于喷嘴而言,其左右两边的面积发生变化,右边的泄油量增大,左边的泄油量减小,P左>P右,滑阀向右移动,使油动机与HP油口接通,油动机进油,阀门开启。
当阀位指令等于反馈指令时,线圈无电流通过,铁芯回至水平位,滑阀左移回中。
这时油动机下即不进油也不泄油,这也就是为什么要在带负荷的情况下要活动调门和自动主汽门的原因。
反之,当输入关小调门信号时,其动作过程与此相反。
伺服式液位计基于浮力平衡的原理,由微伺服电动机驱动体积较小的浮子,能精确地测出液位等参数。
浮子用测量钢丝悬挂在仪表外壳内,而测量钢丝缠绕在精密加工过的外轮鼓上;外磁铁被固定在外轮鼓内,并与固定在内轮鼓的内磁铁耦合在一起。
当液位计工作时,浮子作用于细钢丝上的重力在外轮鼓的磁铁上产生力矩,从而引起磁通量的变化。
轮鼓组件间的磁通量变化导致内磁铁上的电磁传感器(霍尔元件)的输出电压信号发生变化。
其电压值与储存于CPU中的参考电压相比较。
当浮子的位置平衡时,其差值为零。
当被测介质液位变化时,使得浮子浮力发生改变。
其结果是磁耦力矩被改变,使得带有温度补偿的霍尔元件的输出电压发生变化。
该电压值与CPU中的参考电压的差值驱动伺服电动机转动,调整浮子上下移动重新达到平衡点。
整个系统构成了一个闭环反馈回路,其精确度可达±0.7mm,而且,其自身带有的挂料补偿功能,能够补偿由于钢丝或浮子上附着被测介质导致的钢丝张力的改变。
主要应用在轻油品的高精度测量中。
使用于平静的轻质无腐蚀性液体。
安装调试比较麻烦,同样有接触式液位计的各种不利因素[此文档可自行编辑修改,如有侵权请告知删除,感谢您的支持,我们会努力把内容做得更好]。
一、如何将电子调节器输出的“电”信号,转换成能被液压执行器接受的“液”信号,让液压执行器按照电子调节器的要求调节进汽调节阀开度,改变汽轮机进汽流量?答案就是电液转换器,它是将“电”信号转换成“液”信号的中间媒介,是整个电液系统中的关键部件。
二、电液转换器的工作原理及分类按照电液转换器的工作原理,它由力矩马达和液压放大两部分组成。
力矩马达的作用是将“电”信号转换成机械力或机械位移信号,而液压放大部分则将机械信号进一步放大并以“油压”或“流量”的“液”信号形式输出。
力矩马达利用电动机原理,将磁场中通电线圈的电流转换成机械力,并以通电线圈或磁铁产生的机械位移输出。
从线圈位移输出还是磁铁位移输出来分,力矩马达有动圈式和动铁式两种基本类型。
电液转换器的液压放大部分,从“液”信号输出的形式来分又有“油压”输出和“流量”输出两种形式。
从电液转换器供油压力等级来分,又有高压电液转换器和低压电液转换器两种。
目前,高压电液转换器的供油压力为13~14Mpa;低压电液转换器的供油压力为1Mpa左右。
三、电液转换器目前有多种结构形式动圈式力矩马达用十字片弹簧平衡的电液转换器;动铁式力矩马达带二级液压放大的电液伺服阀;动铁式力矩马达直接动作的直动式电液伺服阀;动铁式力矩马达采用碟阀控制的电液转换器。
这里介绍的是上海汽轮机厂采用比较多的动铁式力矩马达带二级液压放大的电液伺服阀和动铁式力矩马达采用碟阀控制的电液转换器。
习惯上,我们把“油压”输出的称为电液转换器;把“流量”输出的称为电液伺服阀。
1、动铁式力矩马达带二级液压放大的电液伺服阀:电液伺服阀是二战期间由于飞行器等军事装备对控制系统提出快速响应以及更高的动态精度要求而发展起来的,并在战后逐渐用于民用和工业设备。
它是一种能接受模拟量的“电”信号输入,并随电控信号大小和极性的变化,以“流量”或“压力”作为输出的液压控制阀。
常用的电液伺服阀带有两级液压放大器。
第一级液压前置放大器有滑阀、喷嘴挡板阀和射流管阀三种形式,喷嘴挡板型是常用的选择,而第二级液压功率放大器则无一例外地都采用断流式四通滑阀。
1 电液转换器原理与调试
电液转换器工作原理:(见图)
当信号电流I 为零时, 芯棒M 与滑阀O 处于左端极限位置, 压力油腔P 与控制油压A 之间节流口关闭。
A 腔经阀芯中的内孔与回油腔相通,所以A 腔处于卸压状态。
当信号电流(I=4~20mA )增加时,芯棒M 在磁场作用力下,或比例地产生一个向右作用力F ,推动滑阀O 向右移动,使控制油腔A 与回油腔T 的流通面积减小,与压力油腔P 的流通面积增大,根据流量平衡原理,控制油压A 升高,随着油压A 的升高,与A 油腔相通的N 腔压力也升高。
当产生的油压力f 与F 相抵消时,滑阀O 达到平衡,控制油压A 稳定。
A 腔油压值即是成比例地对应输入信号的相应值。
当信号电流减小时,芯棒M 在磁场作用力下,产生一个向左作用力F 。
这时,由于与A 油腔相通的N 腔油压力大于芯棒作用力,滑阀O 向左移动,使得控制油腔A 与回油腔T 的流通面积增大,与压力油腔P 的流通面积减小,控制油压A 降低。
同时,N 腔油压亦降低,芯棒上的磁场力与油压力相等,滑阀达到平衡,控制油压A 稳定。
在手动工作状态,旋动手轮,经传动杆K 推动芯棒M 移动,即能调到所要求的控制油压A 。
一般对应4-20MA 控制电流输出的二次脉冲油压A 为0.15-0.45Mpa ,在这一段范围内控制特性的线形度较高。
电液转换器调试过程:
开 始
期
(允许范围20~30VDC)
电液转换器油温 和油压达到要求 带手轮形式的,将手轮转到最左面 根据设计检查电 和油压的连接 将空气从电磁阀 和液压件中排出 提供和测量进油压力(最大40bar) 供 电 源
2 否在最小和最大信号变化
时,输出电压是否改变 增加信号输出压力是否增加
是 否 是
提供系统最低的
模拟信号
测量输出压力 提 供 电 源 提供系统最高的模拟信号
利用电液转换器上电位器X1调整所需要的最高压力
提供系统最低 的模拟信号 利用电液转换器上电位器 X0调整所需要的最低压力 结 束。