电子称重量校正方法
- 格式:docx
- 大小:36.97 KB
- 文档页数:2
电子秤校准方法与步骤
1、打开电子秤开关,按住右侧面面板中的小数点。
2、出现CENTER时在面板中按8键,单重栏会出现150000,可以忽略这一步,按面板中累计键进入下一个步骤。
3、电子秤屏幕重量栏上会显示:d1,单重栏显示5;显示5代表我们的精度是0.5g,按面板中的累计'键'进行下一个步骤。
4、这个时候会出现砝码值,你看看你手里的砝码多少克,你就输入多少重量,举例,有2000g 砝码,我就要输入20000,多输入一个0是给小数点的,没有小数点的;按累计键,进入下一个步骤。
5、此时电子秤屏幕重量栏中会出现LCP,单重栏出现on。
6、按面板中'累积'键进入下一个步骤,忽略出现的代码,按累积键。
7、重量栏会出现CAL,单重栏出现0总数栏出现砝码的值,准备好砝码,按累积键进入下一个步骤。
8、放上砝码,等待几秒钟,电子秤会自动校正,重量栏出现砝码重量时,代表重量校正完成。
常用电子称/电子天平校正方法1.ACS系列电子称(厦门巨林仪器有限公司):按下ON/TARE(开机键)并即时松开,再同时按下ON/TARE并保持不松开,直到显示“TEST”格不同显示数值不同)放上与显示值相同的砝码,然后在MODE功能键,显示“400”和“—”再加上相应砝码按MODE完成四次标定记录后,自动进入称重状态。
2.UCA电子计数称:按任意键不放开机,按4键,放入砝码,输入砝码值,如5kg输入5,按住“单重设定”不放再按住“数量设定”同时松开即可。
3.ACS-1A1型(爱华计数称):按住“置零/去皮”开机,显示“CAL0”再显示砝码值,放上相应砝码自动完成。
4.HF-3000N(日本电子天平):按住“风带行”不放,直到显示“CAL0”再按“印字”“风带行”“g /pcs/90”显示CAL2000,放上2kg砝码。
按住“风带行”显示END结束。
5.MB-4100S(setra 电子天平):按住“CAL”显示“4000.00”放上4kg砝码再CAL自动完成(按TARE/POWER可转换砝码值)。
6.100×0.01g(东莞宇衡电子称,电子天平):在空载状态下SET键,同时按下ON/OFF键,开机显示内码值,待稳定“0”出现,按住SET 键直至显示“OOSAVE”放上砝码稳定后再按SET,显示“OOSAVE”按ON/OFF关机,开机即可。
7.电子天平DJ-600J亚太电子:按<↓>校正显示“CAL”放上500g砝码,自动完成。
8.厦门联贸电子UCA-型:按住任意键不放开机,然后按4,再按归零键后放上砝码,输入砝码值,按住单重设定不放,再按“数量设定”同时放开即可。
9.SUC型按单重设定3秒,按“.”2次,放砝码,按数字倍数两次,自检完成.(如12kg放砝码6kg按2次即可)10.BB-300型300g×0.01g电子天平:按住“u”键开机,显示CAL按键显示内码,按“→0←”键,显示“0”加砝码200g,按“90/A”记数键,显示“100、200、300”在200时按记数键即可。
电子行业电子称校正程序简介电子行业中的电子称是一种常见的测量设备,用于测量物体的重量。
在生产过程中,为确保称重结果的准确性,需要进行称重设备的校正。
本文档将介绍电子行业中常用的电子称校正程序。
目录1.介绍电子称校正的重要性2.校正仪器和工具3.准备校正环境4.进行电子称校正的步骤1.零位校正2.线性度校正3.稳定性校正5.校正结果的记录和分析6.常见问题和解决方法7.结论1. 介绍电子称校正的重要性电子称在电子行业中起着重要的作用,它们常常被用于生产过程中的重量测量。
在进行产品的加工、包装、配料等环节中,准确的重量测量是确保产品质量和工艺稳定的关键因素。
因此,电子称的准确性和可靠性是至关重要的。
随着时间的推移,电子称可能会出现漂移、失灵或受到外部干扰而导致不准确的测量结果。
为了保持电子称的准确性,必须定期进行校正。
电子称校正的目的是校准设备,以使其测量结果与实际重量一致。
2. 校正仪器和工具进行电子称校正需要使用一些特定的仪器和工具。
以下是常见的校正仪器和工具列表:•校正分析仪•校正块或校正砝码•手持式温湿度计•校正记录表格•清洁用具(清洁剂、软刷等)校正分析仪是一种高精度的仪器,用于评估电子称的准确性和稳定性。
校正块或校正砝码用于校准电子称,并提供已知的标准重量。
手持式温湿度计用于测量校正环境的温度和湿度。
校正记录表格用于记录校正过程中的数据和结果。
清洁用具用于确保电子称的清洁和无尘。
3. 准备校正环境在进行电子称校正之前,必须准备适当的环境来确保校正的准确性。
以下是准备校正环境的步骤:1.确保校正环境相对稳定,远离振动源和强磁场。
2.测量并记录校正环境的温度和湿度。
3.清洁电子称和周围环境,确保无灰尘和杂质。
4.将校正分析仪放置在适当的位置,并连接所需的电源和通信线路。
准备好合适的校正环境可以最大程度地消除干扰因素,确保校正过程的准确性和可重复性。
4. 进行电子称校正的步骤进行电子称校正的过程通常包括以下几个步骤:4.1 零位校正零位校正是校正电子称的起始步骤,用于消除系统的初始零偏。
电子称校准规范1.目的:通过对电子称的内部校准,确保测量结果的准确可靠。
2.范围:适用于公司电子称的内部校准。
3.职责:由品管员进行校准,并填写相关记录。
4.校准频率:(1)新购回首次适用前;(2)长时间未使用重新使用前;(3)正常使用时,每次班前校准。
5.校准项目及技术要求:(1)校准电子秤示值误差:其最大允许误差1个分度值。
(2)重复性校准:其最大允许误差1个分度值。
(3)电子秤四角误差校准:其最大允许误差≤1个分度值。
(4)正常温,湿度中进行校准。
6.校准方法:在使用前首先按以下方法进行校准:(1)检查内校电子秤,外观是否清洁,电子秤开关是否完好,电力是否充足,显示是否明亮、完整、清晰;。
(2)电子秤零位是否正确。
(3)取电子秤标准砝码,在电子秤的四角,及中心点进行校准,记录每次稳定后的读数。
(4)电子秤重复性误差校准:取电子秤最大载荷(满量程)的砝码,先后4次放置于电子秤台的中心位置,记录每次稳定后的读数。
如果使用上述方法校验,发现电子称读数不准,则采用下面方法进行校准。
METTLER TOLEDO 牌cub 系列电子天平的校准方法:(1)将称“短路”,显示“51 0”;(2)按“清零”键,显示“52 0”;(3)按“清零”键,显示“53 0”;(4)按“去皮”键,显示“53 1”;(5)按“清零”键,显示“5p.3. 0”;(6)按“清零”键,显示“L-------”;(7)按“清零”键,显示“L------1”;(8)放置相应砝码,按“清零”键,显示“54.1”;(9)取下砝码,连续按“清零”键3次,显示“E 0”;(10)再次按“去皮”键,显示“E 1”;(11)再次按“清零”键,完成校验。
METTLER TOLEDO 牌IND211系列电子天平的校准方法:(1)同时按住“0”与“F”键,显示“nASEEF”;(2)按“0”键,再按“T”键,接着按“0”键,再按“T”键,之后按“○1”键,显示“F1.2.3”;(3)再按“○1”键,显示“E5 EL”;(4)再按“○1”键,显示从“10”校正至“1”后,按“○1”键,显示“000025kg”;(5)放置砝码,按“○1”键,显示从“10”校正至“1”后,取下砝码,到“F6”后,按“○1”键,完成校验。
电子称校正指导书1. 引言电子称广泛应用于各行各业,准确的称重结果对于生产和质量控制过程至关重要。
为了确保电子称的准确性和稳定性,定期进行校正是必不可少的。
本指导书将向您介绍电子称的校正过程和技巧,以确保您获得最准确的称重结果。
2. 校正前的准备工作在进行电子称校正之前,有一些准备工作是必要的,以确保校正的顺利进行:a) 确认校正的目的和频率:根据您所使用的电子称的品牌和型号,查阅相关的用户手册或联系制造商,了解校正的目的和频率。
b) 准备必要的工具和仪器:根据您所使用的电子称和校正方法,准备正确的校正工具和仪器。
这可能包括标准质量物体(校正块)、称重纸、调整螺丝刀等。
c) 清洁电子称的工作区域:确保工作区域清洁,并移除可能干扰校正过程的任何杂物。
3. 校正步骤以下是一般电子称校正的步骤:a) 关闭电子称并断开电源:在进行校正之前,务必将电子称关闭,并拔掉电源插头,以确保安全。
b) 将校正块放置在电子称的测量平台上:根据校正块的重量和规格,在电子称的测量平台上放置一个校正块。
c) 调整零点:根据电子称的用户手册,使用调整螺丝刀调整电子称的零点,以确保测量结果与校正块的重量一致。
d) 进行多点校正(如果适用):某些电子称可能需要进行多点校正。
此过程涉及将校正块在不同位置放置在电子称的测量平台上,并根据用户手册进行相应的校正调整。
e) 测试和验证:校正后,重新打开电子称并进行测试,确保测量结果准确无误。
如果结果不准确,可能需要重新校正或进行进一步的调整。
4. 注意事项在进行电子称校正时,以下注意事项需要特别关注:a) 选择合适的校正块:根据电子称的测量范围和精度要求,选择合适的校正块进行校正。
确保校正块的质量准确且符合标准要求。
b) 遵循校正方法:根据电子称的用户手册或制造商提供的校正方法,严格遵循正确的校正步骤和顺序。
c) 定期校正:根据电子称的使用频率和环境条件,制定定期校正计划,并按计划进行校正。
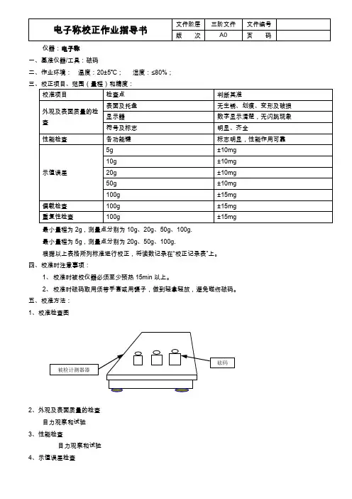
仪器:电子称
一、基准仪器/工具:砝码
二、作业环境:温度:20±5℃;湿度:≤80%;
最小量程为2g,测量点分别为10g、20g、50g、100g.
最小量程为5g,测量点分别为20g、50g、100g.
根据以上表格所列标准进行校正,将读数记录在“校正记录表”上。
四、校准时注意事项:
1、校准时被校仪器必须至少预热15min以上。
2、校准时砝码取用须带手套或用镊子,做到轻拿轻放,避免碰伤砝码。
五、校准方法:
1、校准检查图
2、外观及表面质量的检查
目力观察和试验
3、性能检查
目力观察和试验
4、示值误差检查
分别将砝码放入电子称的托盘中,其示值误差不应大于规定允许误差的绝对值,操作应重复三次,且每次缺载后的示值为零。
5、偏载检查
或
检定时将100g 砝码依次放置在上图所示的近似四个位置上,其示值误差不应大于规定允许误差的绝
对值。
6、重复性检查
将100g 砝码以相同的方式测量三次,其示值误差不应大于规定允许误差的绝对值。
六、判断标准
如果检定数据在判定基准范围内,则被校准的计测器为PASS ,在计测器上贴上合格标贴,否则为
FALL ,贴上不合格标贴。
七、校准记录的核验
检定员整理检定原始记录确认无误后,校准工作完成。
凯丰ACS-H1计重桌秤校正法凯丰ACS-H1计重桌秤校正法.手压秤盘开机,出现------时输入“置零、去皮、置零”放手,显示如06-03,按去皮,上要校正砝码(/1/2称量),按“置零”修正内值,再按“去皮”即完成校正。
海亿达防水秤标定方法开机的同时按7819---放砝码---输入码值---累计鑫鸟新版标定密码;989.68调校设置;989.78[四舍五入。
市斤]三峰4V标定208绿壳;228去皮--228218白壳;20218--去皮---20218红金龙,592.56--去皮--1--去皮按1改量程按2 改分度按3--放砝码输码值---置零--去皮密码输错后死机;短路开机---去路----输入592.56或59256----去皮---按一下小数点如100KG的要显示[10---.。
02]后按累计---按0---去皮金凤凰密码97.36--去皮--累计--放砝码--累计918型;密码97.36--去皮--显示CAL后---储存---显示DC[分度值]---显示POE3[位显示]---显示30000[最大称量}----金额显示F5-----储存----显示提示所加砝码值----此时输入10000---放10KG砝码---储存---此时显示UEND---重量显示砝码值---ok注;由于24C02的记忆功能,调市斤时,输入97.36--去皮---储存----储存---显示提示砝码值时输入20000---置零位显示POE3不可更改,改后或成以G为单位,或无小数点字体全部显示暗;主板上7153三级管坏,4530坏;开机不显示单价窗小数点移位;开机后按住0不放3秒钟台秤标定;开机--9736---去皮-----放提示砝码值----去皮----显示砝码重量后关机新款参数设定:开机----597.38------去皮按2----公转市按4---四舍五入按7----分度值修改按储存记忆-----按置零确定并返回称重状态风华液晶标定2011-5-22开机同时哪91.37--放砝码--输码值--累计风华干电池标定开机---储存---42.15----储存---30000---储存---5----储存---储存---放15KG砝码--储存---输入砝码值---储存风华正恒台秤标定2011-5-22开机---8026---储存---找钱---放砝码---清除---输入码值---去皮衡新电子计价秤校秤说明电子计价秤校秤说明1。
电子秤标定方法2010-3-23一、上海耀华(1)XK3190-A12 XK3190-A10开机初始过程中按(#)进入标定状态(去皮)选择(#)确认1.(d xx)选择分度值2. (p xx)小数点3. (full )最大称量4. (noload )空秤确认5.(ad load)放砝码(000000)输入砝码值(置零)增加1,去皮右移光标(#)确认6.(end)(2.)xk3190-A1+将大屏幕接口指针少的一端朝上,右手两端短接,屏幕出现提示,按输入直到出现 noload 空秤确认,adload 加砝码输砝码值,确认。
(3)XK3190-A71. 正常称重状态,仪表后端打开标定开关,显示(n xxxx)清除进入下一步切换选择去皮确认2.(e xx )设分度值3. (d 0.0)设小数点4. 按去皮,直到显示(CAL)空秤确认5. (000.000)加码,(累计)右循环,(切换)加1 去皮确认。
6. 关开关。
(4)XK3190-C2将大屏幕接口短接(14 15脚) (输入) 确认1.称重状态下,按功能显示 PASS2.输密码 920728 按输入3. (DC ) 小数点位数4. (E )分度值5.(F )最大称量6. (r )保存原有零位7. (NO LAOD)零位确认8. (AD LOAD)加码,(00000)输码值,按输入(5)耀华YH-T3校正资料开机归零后同时按一次“清除”和“F”键进入参数设置“保持“键为确认键,“回零”键是输入键,“扣皮”键是移位键菜单一为分度值设置菜单二为小数点设置菜单三为满量程设置:注,每次校正都必须重新输入满量程,输入后按“保持”键屏幕显示零点校正,按“保持”键,此时屏幕显示空载内码,稳定后会自动跳到“LOAD”上此时放上要校正的砝码,按“回零”及“扣皮”输入砝码重量后按“保持”键确认,校正OK(6)XK3190-A91. 15芯插头 14、15脚短接2.按功能显示 E XX 选择分度值,按输入3.按输入直到显示 noload ,零位确认4. aload 输入砝码值,加砝码按输入5.” H XXX”“C XXX”“CH XXX”记录数值,以后备用6. 按称重退出标定二、上海友声(1) XK3100-B2+1.打开仪表盖,将短路环短接↑修改值,按确认输入2.按标定+确认开机,屏幕出现 PASS 输密码 010201 按确认3.(d=xx)选择分度值4.(dot x )小数位数确认5.(Zeroxx)选择零位跟踪范围6.(FULL)满量程设置7.(LOAD)进行称量标定,放好砝码,按↑和确认输入重量值再按确认结束标定。
各类电子天平校正方法汇总电子天平是现代实验室常用的一种精密测量工具,使用非常广泛。
然而,由于各种原因,电子天平的测量结果可能会存在误差。
为了保证测量的准确性,定期对电子天平进行校正是必要的。
本文将介绍一些常见的电子天平的校正方法,包括线性校正、斜率校正、零点校正和温度校正等。
首先是线性校正。
电子天平在使用过程中,可能会出现非线性测量误差。
为了解决这个问题,可以使用已知质量的标准物质对天平进行线性校正。
具体操作步骤如下:1.将已知质量的标准物质放在天平上,记录测量结果。
2.将标准物质取下,再次记录测量结果。
3.使用线性回归分析方法,根据上述两次测量结果计算出天平的线性校正系数,并应用于实际测量。
接下来是斜率校正。
在使用电子天平时,天平可能会出现斜率误差。
为了解决这个问题,可以使用多组已知质量的标准物质对天平进行斜率校正。
具体操作步骤如下:1.选取不同质量的标准物质组成多组,每组至少3个标准物质。
2.将每组标准物质放在天平上,记录测量结果。
3.对每组测量结果进行平均,得到每组的平均质量值和实际质量值。
4.使用线性回归分析方法,根据每组的平均质量值和实际质量值计算出天平的斜率校正系数,并应用于实际测量。
接下来是零点校正。
电子天平在长时间使用后,可能会出现零点漂移。
为了解决这个问题,可以对天平进行零点校正。
具体操作步骤如下:1.将天平置于空载状态,记为原始零点。
2.观察一段时间后,记录天平上的测量结果。
3.计算原始零点与测量结果之间的误差,并进行校正。
最后是温度校正。
电子天平在不同温度下,可能会出现温度影响的测量误差。
为了解决这个问题,可以对天平进行温度校正。
具体操作步骤如下:1.在不同温度下使用标准温度计测量室温,并记录下来。
2.将天平放置在不同温度环境中,记录天平上的测量结果。
3.比较不同温度下的测量结果和标准温度计的测量结果,计算出温度对测量结果的影响,进行相应的校正。
需要注意的是,电子天平的校正方法应该根据具体的天平型号和使用环境来选择,并按照厂家提供的操作说明进行操作。
如何正确校正数字电子秤的准确性数字电子秤在我们生活和工作中经常使用,它可以快速、准确地测量物品的重量。
然而,随着时间的推移,数字电子秤的准确性可能会出现偏差。
为了确保数字电子秤测量结果的准确性,我们需要进行定期的校正。
本文将介绍如何正确校正数字电子秤的准确性。
一、了解数字电子秤的校正方法在进行校正之前,首先需要了解数字电子秤的校正方法。
不同型号的数字电子秤可能存在一些差异,因此我们需要查看数字电子秤的使用说明书或者联系生产厂家获取准确的校正方法。
二、准备校正所需的工具校正数字电子秤需要一些特定的工具:1. 校正用的标准物品:通常是知重的物品,例如标准砝码或校正器具。
2. 清洁工具:例如软布和清洁剂,用于清洁数字电子秤的称台和传感器。
三、进行零点校正数字电子秤的零点校正是最基本、最常见的校正方法。
通过进行零点校正,可以确保在没有任何物品放在秤上时,称台的读数为零。
1. 清洁秤台:使用软布和清洁剂仔细清洁数字电子秤的称台,确保上面没有任何杂物。
2. 将数字电子秤置于平稳的表面上,并确保它处于稳定状态。
3. 将校正用的标准物品放在称台上。
根据使用说明书或生产厂家提供的校正方法,选择适当的标准物品并将其放在秤上。
4. 读取并记录数字电子秤的示数。
如果示数不为零,那么说明数字电子秤存在零点偏差。
5. 使用校正方法进行零点校正,直到数字电子秤的示数为零。
四、进行线性校正除了零点校正之外,线性校正也是一种常用的数字电子秤校正方法。
线性校正可以确保数字电子秤的读数在不同重量下的准确性。
1. 清洁秤台:同样地,清洁数字电子秤的称台,确保上面没有任何杂物。
2. 将数字电子秤置于平稳的表面上,并确保它处于稳定状态。
3. 取两个或更多已知重量的标准物品,并将它们依次放在称台上。
4. 读取并记录数字电子秤的示数。
5. 使用校正方法进行线性校正,直到数字电子秤的示数与标准物品的重量一致。
养成良好的使用习惯和维护保养正确校正数字电子秤的准确性之后,我们还需要养成良好的使用习惯和进行定期的维护保养,以保持数字电子秤的准确性:1. 避免过重:不要将超过数字电子秤称量范围的物品放在秤上,以免损坏传感器或影响准确性。
电子台秤的标定方法电子台秤是一种常见的电子称重设备,广泛应用于各种场合,如实验室、工业生产、商业贸易、家庭厨房等。
为了确保电子台秤的准确度和稳定性,定期进行标定非常重要。
以下是电子台秤的标定方法。
1.准备工作在进行标定之前,需要准备一些工具和材料,包括标准质量物体、准确的计量器具、安全手套和防静电措施。
2.外部检查首先,对电子台秤的外部进行检查,确保没有损坏或松动的零件。
检查电源线和连接线是否插紧,确保电源正常。
3.零点调整将电子台秤置于水平且稳固的工作台面上,不要存在晃动或震动。
按下零点调整按钮,使秤显示为“0”。
等待片刻,确保指示器稳定在零点。
4.线性调整取一个已知质量的标准物体,将其放在台秤上,并记录下其显示的重量值。
根据实际需要,可以选择多个质量级别的标准物体进行测试。
将标准物体的重量值与台秤显示的值进行比较,如果存在偏差,可以通过调整线性校准器来修正。
5.标定确定标定点数,即选择几个标准重量值来进行标定。
取一个已知重量的标准物体,将其放在台秤上,并记录下其显示的重量值。
根据需要,可以选择多个标准重量值进行测试。
6.计算标定系数根据标定点的实际重量值和台秤显示的重量值,计算标定系数。
例如,如果标准重量是10千克,而台秤显示的重量是9.8千克,则标定系数为10/9.8=1.027.校正标定系数根据计算得到的标定系数,调整电子台秤的校正系数。
有些电子台秤可以在菜单中直接输入校正系数,而其他台秤则需要通过旋钮或按钮进行手动调整。
8.重复标定重复上述步骤,使用不同的标准重量值进行标定,确保准确度和稳定性。
9.校验和记录通过使用其他标准计量器具或校验仪器,确认电子台秤的标定结果。
记录标定结果和校正系数,并确保及时更新。
10.定期校验根据实际需要和使用频率,定期进行校验和标定。
一般建议每三个月或半年进行一次校验。
总之,电子台秤的标定方法需要一定的仪器和技术支持,以确保其准确性和稳定性。
通过按照以上步骤进行标定,可以有效提高电子台秤的工作质量和可靠性。
电⼦天平电⼦秤校准作业指导书pdf1.0 ⽬的:保证计量仪器的有效使⽤,确保产品实现过程的质量2.0 适⽤范围;本公司以下的电⼦天平及电⼦秤:2.1 JW-300 电⼦计重秤(北京宇权,300g/0.001g)2.2 T-500 电⼦天平(常熟双杰,500g/0.01g)2.3 JY-1001 电⼦天平(上海民桥,1000g/0.1g)2.4 JZC-3S 电⼦秤(福州科迪,3000g/0.5g)3.0 校准依据:3.1 CSB/QP-13《检测设备管理程序》3.2 JJG98-1990《⾮⾃动天平试⾏检定规程》3.3 JJF105《测量不确定度评定与表⽰》4.0 职责:4.1 品管部计量管理⼈员负责计量仪器的校准⼯作。
4.2 相关使⽤部门配合计量管理⼈员进⾏校准⼯作。
5.0 校准⽅法:5.1 校准项⽬:5.2 校准条件与设备:5.2.1 室内温度:18-28℃,湿度≤75%RH5.2.2 所⽤设备:已检定5~1000g ⼀组砝码(9 个).5.3 校准过程:5.3.1 外观:a. 天平上应有型号,名称,出⼚⼚名,最⼤秤量,分度值,准确度级别(⽤⼀个椭圆和椭圆⾥⾯的罗马数字,外加数字外脚标表⽰).b. 天平表⾯镀层应⾊泽均匀,不得有明显的划痕和擦伤.5.3.2 ⾃动校准:5.3.2.1 JW-300 电⼦计重秤(北京宇权,300g/0.001g)a. 按住功能转换键,同时按开/置零键开机,待显⽰” CAL-.1”时放⼿;b. 再按功能转换键,显⽰” YES-CAL.0-LOAD ”→” XXX.XX或”” XXX.XX”两种重量循环显⽰;c. 加⼊已检定的200g 砝码;d. 稳定后显⽰”CAL.2”并发出”嘟”声,按百分⽐/重量键退出.e. 校准结束.5.3.2.2 T-500 电⼦天平(常熟双杰,500g/0.01g) :a. 按”校正” (CAL键) ,显⽰窗显⽰”C-XXX- “进⼊⾃动校正状态(XXX 为校准砝码的重量).b. 将砝码放于秤台上,待稳定后天平显⽰砝码重量值.c. 显⽰值与标准砝码值不符合时(e≠ d,)重新进⾏校准.d. 校准完毕.5.3.2.3: JY-1001 电⼦天平(上海民桥,1000g/0.1g)a. 按⼀下键,天平显⽰全”0”再,长按10 秒打开,显⽰窗出现”CAL”符号;.b. 松开键,显⽰窗出现C-XXX(校正砝码值),将相应的校正砝码放于天平秤上;.c. 过⼗⼏秒后,天平⾃动校正完成.d. 若不准确,可按上法再进⾏⼀次校正.5.3.2.4 JZC-3S 电⼦秤(福州科迪,3000g/0.5g)a. 在秤盘上不加载任何物体,按住”清零”键开机.b. 此时显⽰”CAL”字样,待显⽰稳定后,按”清零”键⼀次,显⽰” 0KG”字样.c. 按”单位”键选择相适宜的砝码重量值(1000g),放上校准砝码,按”清零”键认,即刻显⽰校准砝码的重量值.d. 校准操作最好在开机预热1 ⼩时后进⾏,当误差超过±10%时,校准⽆效,重新校正.: 量⽖两外测量⾯接触后,游标上的”零”刻线和”尾”刻线与尺⾝相应刻线应相互重合.5.3.3 载荷点最⼤允许误差a. 载荷点确定:使⽤⾃动校准,各电⼦天平型号不同,选择的载荷点也不同:JW-300 电⼦计重秤(北京宇权,300g/0.001g): 0, 10g, 20g, 50g, 100 g, 100g共 6个点. T-500 电⼦天平(常熟双杰,500g/0.01g): 0, 20g, 50g, 100 g, 100g, 200g共6 个点. JY-1001 电⼦天平(上海民桥,1000g/0.1g): 0, 50g, 100g, 100 g, 200g, 500g共 6 个点. JZC-3S 电⼦秤(福州科迪,3000g/0.5g): 0.100g,200g,500g,500g,1000g共 6 个点.b. ⽅法: 从零载开始,逐渐加到天平的最⼤加法配衡(能达到天平最⼤载荷最好),再逐渐地卸下载荷,直⾄零载荷为⽌,记录相关的数据...c. 误差计算: 各载点的⽰值误差: E=I+1/2e-L.式中;E - 载点的⽰值误差I ---- 天平加载或卸载时的显⽰值.e --- 天平的分度值L --- 载荷量,即加⼊砝码的总重量.d. 测定结果判定: ⽐较各载点的⽰值值误差 E 是否超过该天平相应载荷时的最⼤允许误差绝对值MPE.(参阅电⼦天平的使⽤说明书及标⽰).e. 举例说明:以JZC-3S 电⼦秤为例5.3.4 ⽰值重复性:a. 载荷点确定:JW-300 电⼦计重秤(北京宇权,300g/0.001g): 载荷点200 g.T-500 电⼦天平(常熟双杰,500g/0.01g): 载荷点200g.JY-1001 电⼦天平(上海民桥,1000g/0.1g): 载荷点500gJZC-3S 电⼦秤(福州科迪,3000g/0.5g): 载荷点1000g.b. ⽅法: 在电⼦天平中央,加⼊载荷点要求的砝码重量,记录天平显⽰值和零位值,重复进⾏ 3 次, 每次载荷应返零⼀次..c. 结果计算与判定:测定结果的最⼤值与最⼩值之差为⽰值重复误差.⽰值重复性误差应不⼤于最⼤允许误差绝对值MPE.(参阅电⼦天平的使⽤说明书及标⽰).e. 举例说明:以JZC-3S 电⼦秤为例5.3.5 偏载(四⾓误差):XXXXXXXX有限公司标题:计量仪器校准作业指导书电⼦天平/电⼦秤编号:CSB/WI-QC-05-03版次:A修订号:0第4页共5 页发布⽇期实施⽇期JW-300 电⼦计重秤(北京宇权,300g/0.001g): 载荷点200 g.T-500 电⼦天平(常熟双杰,500g/0.01g): 载荷点200g.JY-1001 电⼦天平(上海民桥,1000g/0.1g): 载荷点500gJZC-3S 电⼦秤(福州科迪,3000g/0.5g): 载荷点1000g. b.⽅法:在秤盘上,按上图的1,2,3,4,5 位置依次放⼊规定砝码,记录天平显⽰值...c. 结果计算与判定:测试结果中的最⼤值与最⼩值之差即为偏载误差(四⾓误差). 偏载误差应不⼤于最⼤允许误差绝对值MPE.(参阅电⼦天平的使⽤说明书及标⽰).e. 举例说明:以JZC-3S 电⼦秤为例序号位置添加载荷砝码真实值载荷显⽰值偏载误差最⼤允许误差MPE结果判定11100010001000.00.3±0.5合格22100010001000.23310001000999.944100010001000.055100010001000.15.65.6.1 A 类不确定度(测量分散性):U A=式中: Xi --- 各测试点测试温度,℃X0 -- 各测试点测试温度的平均匀埴, ℃n --- 测试的次数5.6.2 B 类不确定度(砝码不确定度):U B(砝码检定时给出,详见检定证书)2 25.6.3 合成不确定度U C= U A+ U B5.6.4 扩展不确定度:U=k U C(k=2)5.7 校准周期:第1,2 项每⽉1 次,其它为6 个⽉校准⼀次5.6 量值溯源图6.0 记录及表格6.1《计量仪器校准报告》编制:审核:批准:⽇期:⽇期:⽇期:编号:CSB/WI-QC-05-03版次: A 第5页发布⽇期修订号:0 共5 页实施⽇期。
电子天平校准方法(一)沈阳龙腾LD10K—1校正及线性校准方法:一.LD10K--1线性校准方法:1. 预热并稳定地显示零位。
2. 按校正健,显示“5000.0g”并闪烁时松手。
3. 长按计数健,显示“10000.0g”并闪烁时松手,放上10000g校准砝码。
4. 待显示“10000.0g”时,取下10000g校准砝码。
5. 待显示“7000.0g”并闪烁时,放上7000g校准砝码。
6. 待显示“7000.0g”时,取下7000g校准砝码。
7. 待显示“5000.0g”并闪烁时,放上5000g校准砝码。
8. 待显示“5000.0g”时,取下5000g校准砝码。
9. 待显示“3000.0g”并闪烁时,放上3000g校准砝码。
10.待显示“3000.0g”时,取下3000g校准砝码。
11.待显示“0.0g”时,表示线性校准完成。
二.LD10K--1校准方法:1. 预热并稳定地显示零位。
2. 按校正健,显示“5000g”。
并闪烁时松手3. 放上5000g校准砝码。
4. 待显示“5000g”时,取下5000g校准砝码。
5. 稍后显示“0.0g”时,表示校准完成。
三.沈阳龙腾校正及线性校准方法:1. 预热并稳定地显示零位。
2. 按“CAL”校正健,显示“CAL--0”。
3. 按“TARE”去皮健,显示“CAL--F”。
4. 放上100g外校准砝码,再按“TARE”去皮健。
5. 先显示“CAL End”,再显示“100.000g”。
6. 表示校准完成,取下100g外校准砝码。
(二)深圳安普特电子天平校正及线性校准方法:一.口袋秤线性校准方法:1. 按“ON/OFF”触摸健开机并稳定地显示零位。
2. 长按“MODE”功能健,至显示CAL时松手。
3.当显示“300.00g”并闪烁时,再放上300g校准砝码。
4. 待稳定显示“300.00g”时,取下300g校准砝码。
5. 待显示“0.00g”时,表示校准完成另外,“Z/T”健是回零和去皮健,关机再按一下“ON/OFF”健。
电子秤标定方法2010-3-23一、上海耀华(1)XK3190-A12 XK3190-A10开机初始过程中按(#)进入标定状态(去皮)选择(#)确认1.(d xx)选择分度值2. (p xx)小数点3. (full )最大称量4. (noload )空秤确认5.(ad load)放砝码(000000)输入砝码值(置零)增加1,去皮右移光标(#)确认6.(end)(2.)xk3190-A1+将大屏幕接口指针少的一端朝上,右手两端短接,屏幕出现提示,按输入直到出现 noload 空秤确认,adload 加砝码输砝码值,确认。
(3)XK3190-A71. 正常称重状态,仪表后端打开标定开关,显示(n xxxx)清除进入下一步切换选择去皮确认2.(e xx )设分度值3. (d 0.0)设小数点4. 按去皮,直到显示(CAL)空秤确认5. (000.000)加码,(累计)右循环,(切换)加1 去皮确认。
6. 关开关。
(4)XK3190-C2将大屏幕接口短接(14 15脚) (输入) 确认1.称重状态下,按功能显示 PASS2.输密码 920728 按输入3. (DC ) 小数点位数4. (E )分度值5.(F )最大称量6. (r )保存原有零位7. (NO LAOD)零位确认8. (AD LOAD)加码,(00000)输码值,按输入(5)耀华YH-T3校正资料开机归零后同时按一次“清除”和“F”键进入参数设置“保持“键为确认键,“回零”键是输入键,“扣皮”键是移位键菜单一为分度值设置菜单二为小数点设置菜单三为满量程设置:注,每次校正都必须重新输入满量程,输入后按“保持”键屏幕显示零点校正,按“保持”键,此时屏幕显示空载内码,稳定后会自动跳到“LOAD”上此时放上要校正的砝码,按“回零”及“扣皮”输入砝码重量后按“保持”键确认,校正OK(6)XK3190-A91. 15芯插头 14、15脚短接2.按功能显示 E XX 选择分度值,按输入3.按输入直到显示 noload ,零位确认4. aload 输入砝码值,加砝码按输入5.” H XXX”“C XXX”“CH XXX”记录数值,以后备用6. 按称重退出标定二、上海友声(1) XK3100-B2+1.打开仪表盖,将短路环短接↑修改值,按确认输入2.按标定+确认开机,屏幕出现 PASS 输密码 010201 按确认3.(d=xx)选择分度值4.(dot x )小数位数确认5.(Zeroxx)选择零位跟踪范围6.(FULL)满量程设置7.(LOAD)进行称量标定,放好砝码,按↑和确认输入重量值再按确认结束标定。
联贸电子称校准方法(1)UWA-15kg1.按扣重+开机,出现CAL2.按扣重,出现d12000—按扣重,出现C15—按扣重,出现数字—按零点校正,屏幕回零,放砝码(10kg),按扣重,出现5,10,15 依次闪烁,出现10时,按扣重,完成。
(2.)UWA-H按零点校正+开机,直到屏幕出现F0—-按零点校正,直到屏幕出现FC(12次)—按累计(2次),出现164FF (可能出现数值不一样)—按单位选择,出现内码—必须放最大称量砝码,按累计,出现FC—按设定清除,完成(3)UD6188 仪表按累加+开机,出现EP—4,倒计时,出现0000.00—按记忆消除移位,―记忆‖输值—加码,按累加确认,倒计时,完成。
(4)BSWE BWSI仪表归零+开机,自检后屏幕归0—按※,出现CAL.5P—按→,出现‖CAL.00‖–按※,出现该秤最大称量,–按→,出现‖000.00―—按→移位,按↑输入数字,加砝码按※确认,完成。
(2)TCS-150 电子台秤开机自检时,按归零→扣重→归零,按列印,按↑选F4,按列印,先砝码重量,按列印,放砝码,按列印→归零,返回称量状态。
(4)老式UAC校正方法(联贸)1.开机归零按住‖记忆清除‖不放当字幕显示SETUP为止.2.按‖清除‖显示‖1‖3.按‖.‖显示‖CAL-―4.按‖清除‖显示‖1‖5.按‖记忆清除‖显示CAL-1,再按记忆清除6.再按‖记忆清除‖显示‖0‖7.放上全称量砝码8.待稳定后,连续按两次‖记忆清除‖9.秤子倒数归零,拿下砝码,校正结束。
(5)联贸UCA计数称按住4开机,出现CAL,再按4,总重栏显示增益值,再按零点/校正,总重栏归零,输入要校正砝码重量,放码,稳定后,先按单重设定不放,再按数量设定,然后先放单重设定,再放数量设定。
OK。
(6)联贸UNA电子秤,厦门联贸:按住―扣重‖开机显示―CAL‖按―扣重‖显示―cL3000‖CAP.30kg按―扣重‖显示―C30‖按―扣重‖显示内码值按―零点校正‖显示―0‖放上砝码按―扣重‖显示10、20、30在相应的砝码值上按―扣重‖即可。
电⼦秤⽤砝码校准规程教您如何选择砝码:如您的天平最⼤称量是205g,可读性为0.001g(1mg)。
此天平的分辨率为205g/0.001g=205,000d。
依据此分辨率您应该从E2中选择⼀个相应的校验砝码计算公式为:分辨率=最⼤称量/可读性原则上,天平的校准砝码应当⾼于天平的准确度等级。
⼗万分之⼀的,最⼩刻度是0.01mg,属于⼀等天平(特种准确度级),⽤⾼等E1、E2砝码校准。
万分之⼀的,最⼩刻度是0.1mg,属于⼀等天平,⽤标准E2砝码校准。
千分之⼀的,最⼩刻度是1mg,属于⼆等天平,⽤E2或F1砝码校准。
百分之⼀的,最⼩刻度是0.01g,属于三等天平,M1或F2砝码校准。
⼗分之⼀的,最⼩刻度是0.1g,属于三级电⼦秤,M1砝码校准。
对于相同量程的天平在同⼀个实验室使⽤的,⼏台可以共⽤⼀套砝码,如您所买的砝码是E2等级的套装,那么相同量程的⼗万分位、万分位、千分位、百分位\⼗分位的天平都可以⽤此套装来校准。
对于国标三级电⼦秤、电⼦地磅、汽车衡砝码的选择:原则上,是满量程校准,就是说300kg电⼦秤就⽤300kg的砝码校准,通常情况下如果条件不允许,就⽤三分之⼀量程校准(即30kg电⼦秤⽤10kg砝码校验,300kg电⼦秤⽤100kg砝码校准,100吨地磅⽤30吨砝码校准,具体情况如有不明⽩或校验⽅法可咨询⼩秦)。
电⼦秤⽤砝码校准规程1.⽬的通过对电⼦秤的内部校准,确保测量结果准确可靠。
2.范围适⽤于公司内所有在⽤电⼦秤。
3.职责3.1品控部:负责内部校准规程的制定及校准⼯作监督管理,负责按照相关规定对电⼦秤进⾏第三⽅鉴定并负责鉴定记录的归档、保管,并负责本部门所⽤电⼦秤⽇常⾃校并做好记录。
3.2⽣产部:负责按规程规定要求对所⽤电⼦秤⽇常⾃校并做好记录。
4.校准程序4.1⾓差校准和线性校准4.1.1校准频率:a)新购回⾸次使⽤前b)长时间未⽤重新使⽤前c)正常使⽤时每三个⽉4.1.2校准前准备:秤体稳定地放置在⽔平台⾯上,调节电⼦秤砝码⽔平⽓泡⾄中⼼位置,四周⽆物体相碰,秤台上⽆杂物,观察其显⽰器是否为零,若不为零,按“置零”键置零,若不能置零,按不合格测量设备处理。
电子称重量校正方法
电子称重是一种通过电子装置测量物体重量的方法。
随着时间的推移,电子称重的测量准确度可能会受到一些因素的影响,如使用频率、环境温
度变化、定位不当等。
因此,定期对电子秤进行校正是非常必要的。
下面
将介绍一些常用的电子称重校正方法。
1.零位校正
零位校正是调整电子秤显示零重量的过程。
首先,将电子秤上的任何
物体都取下,确保秤盘是空的。
然后按下“零位校正”按钮或者将指示器
设置为零。
等待一段时间,直到显示器上的数字稳定,并且显示为零。
这
样就完成了电子秤的零位校正。
2.线性校准
线性校准是校正电子秤显示数值的方法。
通过此方法,可以保证电子
秤在整个测量范围内的准确性。
首先,准备一组已知重量的物体,最好是
在电子秤的承重范围内并能够均匀覆盖整个范围。
依次将这些物体放在电
子秤上,并记录每个重量对应的显示数字。
然后,绘制一条曲线,将已知
的重量值与电子秤显示的数字进行对比。
如果观察到这条曲线有偏移或者
非线性的趋势,就要对电子秤进行调整,使得它能够更准确地显示实际重量。
3.温度校正
温度校正是校正由于不同环境温度引起的电子称重不准确的方法。
温
度变化会引起电子元件的膨胀或收缩,从而影响到电子秤的测量准确度。
为了进行温度校正,首先需要确定电子秤使用的温度范围,然后调整电子
秤的温度校正系数,使得读数能够与实际重量相匹配。
通常,可以通过电子秤自带的温度补偿装置来进行此项校正。
4.全校正
全校正是一种综合了以上几种校正方法的综合校正方式。
它包括对零位漂移、线性误差和温度变化进行校正。
全校正通常由专业机构或者配有特殊仪器的人员进行。