fx5u十进制浮点数除法指令
- 格式:docx
- 大小:16.53 KB
- 文档页数:2
vfp浮点运算VFP(Vector Floating-Point)是一种用于处理浮点运算的技术,广泛应用于现代计算机系统中。
它的出现极大地提高了计算机的运算速度和精度,使得复杂的数学运算变得更加高效和准确。
VFP浮点运算是指在计算机中进行浮点数的加减乘除等运算。
浮点数是一种用于表示实数的数值类型,它由两部分组成:尾数和指数。
尾数表示实数的有效数字部分,而指数表示实数的数量级。
浮点数的运算需要考虑尾数和指数的相互影响,因此相对于整数运算来说更加复杂。
VFP浮点运算的核心是浮点单元,它是计算机中专门用于执行浮点运算的硬件模块。
浮点单元内部包含了一系列的浮点寄存器和浮点运算器,可以实现浮点数的加减乘除等运算。
VFP浮点单元的设计和实现需要考虑多个因素,如运算速度、精度和功耗等。
VFP浮点运算在科学计算、图形处理、人工智能等领域有着广泛的应用。
在科学计算中,VFP浮点运算可以用于求解复杂的数学方程、模拟物理过程等。
在图形处理中,VFP浮点运算可以用于实现三维图形的变换、光照计算等。
在人工智能中,VFP浮点运算可以用于神经网络的训练和推理等。
VFP浮点运算的性能主要取决于浮点单元的设计和实现。
现代计算机系统中的浮点单元通常采用了多级流水线、乘法累加器、指令级并行等技术,以提高运算速度和效率。
此外,还可以通过优化算法和数据结构等方法,进一步提高浮点运算的性能。
然而,VFP浮点运算也存在一些问题和挑战。
首先,浮点数的精度有限,可能会导致运算结果的误差。
其次,浮点运算的速度相对于整数运算来说较慢,需要消耗更多的计算资源。
此外,浮点运算的功耗较高,可能会对计算机系统的能耗和散热产生影响。
为了克服这些问题,研究人员一直在不断改进和优化VFP浮点运算。
他们提出了一系列的浮点数表示方法、浮点数运算算法和浮点数优化技术,以提高浮点运算的精度、速度和效率。
同时,还提出了一些浮点数的误差分析和校正方法,以减小运算结果的误差。
FX5U 十进制转换 ASCII 码1. 概述2. ASCII 码的定义和作用3. FX5U 控制器中的十进制转 ASCII 码功能4. 实例演示5. 结论1. 概述FX5U 控制器是三菱电机公司推出的一款先进的工业控制器,广泛应用于各种自动化设备和生产线中。
在工业自动化控制中,经常需要将数字信号转换为 ASCII 码进行传输和显示。
FX5U 控制器具有强大的功能,可以实现对十进制数值快速转换成 ASCII 码的处理。
本文将围绕FX5U 控制器中的十进制转换 ASCII 码功能展开详细的介绍和实例演示。
2. ASCII 码的定义和作用ASCII 码是美国标准信息交换码,它包括了常用的数字、字母、标点符号以及一些控制字符,总共有128个字符。
在计算机领域,ASCII 码被广泛应用于字符编码和数据传输中,可以将各种字符转换成数字形式进行传输和存储。
在工业自动化领域中,ASCII 码常用于传感器信号的处理、显示设备的控制以及与外部设备的数据通信中。
3. FX5U 控制器中的十进制转 ASCII 码功能FX5U 控制器具有丰富的数据处理功能,其中包括了将十进制数值转换成 ASCII 码的功能。
用户可以通过简单的配置和编程,实现对输入的数字信号进行即时转换,并输出对应的 ASCII 码。
这一功能在工业自动化控制系统中具有重要的应用意义,可以方便地与其他设备进行数据交互和通信。
4. 实例演示为了更好地说明 FX5U 控制器中的十进制转换 ASCII 码功能,我们将通过一个实例来演示其具体的应用步骤和效果。
假设我们需要将一个传感器采集到的十进制数值 65 转换成对应的ASCII 码,然后输出到显示设备上。
我们可以通过以下步骤来实现:步骤一:编写程序在 FX5U 控制器的编程软件中,我们需要编写一段简单的程序,对输入的十进制数值进行转换并输出对应的 ASCII 码。
具体的编程语言和指令可根据不同的控制器版本和项目需求进行调整。
台达plc浮点数运算台达PLC浮点数运算是指在台达PLC(Programmable Logic Controller,可编程逻辑控制器)中进行浮点数运算的过程。
PLC 是一种可编程的自动化控制器,广泛应用于工业自动化领域。
浮点数运算是指在计算机中进行浮点数的加减乘除等运算。
在台达PLC中,浮点数运算是通过使用浮点数数据类型和相应的运算指令来实现的。
浮点数是一种表示实数的数据类型,它可以表示整数部分和小数部分的数值,并具有一定的精度。
在PLC中,浮点数通常用于表示传感器测量值、控制器输出值等实际物理量。
台达PLC提供了丰富的浮点数运算指令,包括加法、减法、乘法、除法等基本运算,以及取整、开方、取余等其他常用运算。
这些运算指令可以直接在PLC程序中使用,通过输入相应的操作数和运算指令,PLC可以自动完成浮点数运算,并将结果存储到指定的变量中。
在进行浮点数运算时,需要注意一些常见的问题。
首先,由于浮点数具有一定的精度,因此在进行比较运算时可能会出现误差。
为了避免这种问题,可以使用适当的方法进行比较,例如使用一个小的误差范围来判断两个浮点数是否相等。
其次,在进行除法运算时需要注意被除数是否为0的情况,避免除以0导致程序错误。
除了基本的浮点数运算指令,台达PLC还提供了一些高级的浮点数运算功能,如PID控制、曲线拟合等。
PID控制是一种常用的控制算法,可以根据系统的实际状态来调整输出值,以实现对系统的精确控制。
曲线拟合是一种将实际测量数据与理论曲线进行比较和优化的方法,可以用于分析和改进系统的性能。
总结一下,台达PLC浮点数运算是一种在台达PLC中进行浮点数运算的过程,通过使用浮点数数据类型和相应的运算指令,可以实现对实际物理量的精确计算和控制。
在进行浮点数运算时,需要注意精度问题和除以0的情况,同时还可以利用高级的浮点数运算功能来实现更复杂的控制和优化算法。
台达PLC的浮点数运算功能为工业自动化系统提供了强大的计算和控制能力,为用户提供了更高效、更精确的自动化控制解决方案。
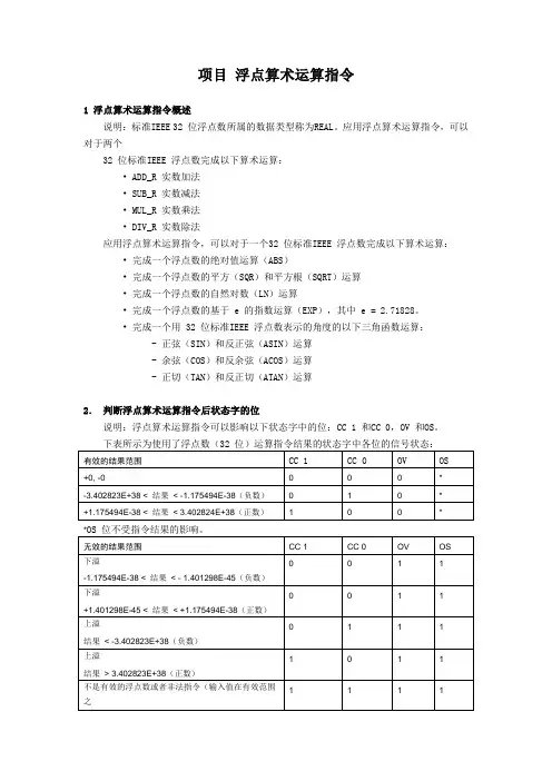
项目浮点算术运算指令1 浮点算术运算指令概述说明:标准IEEE 32 位浮点数所属的数据类型称为REAL。
应用浮点算术运算指令,可以对于两个32 位标准IEEE 浮点数完成以下算术运算:• ADD_R 实数加法• SUB_R 实数减法• MUL_R 实数乘法• DIV_R 实数除法应用浮点算术运算指令,可以对于一个32 位标准IEEE 浮点数完成以下算术运算:• 完成一个浮点数的绝对值运算(ABS)• 完成一个浮点数的平方(SQR)和平方根(SQRT)运算• 完成一个浮点数的自然对数(LN)运算• 完成一个浮点数的基于 e 的指数运算(EXP),其中 e = 2.71828。
• 完成一个用 32 位标准IEEE 浮点数表示的角度的以下三角函数运算:- 正弦(SIN)和反正弦(ASIN)运算- 余弦(COS)和反余弦(ACOS)运算- 正切(TAN)和反正切(ATAN)运算2.判断浮点算术运算指令后状态字的位说明:浮点算术运算指令可以影响以下状态字中的位:CC 1 和CC 0,OV 和OS。
3. ADD_R 实数加法符号:说明:ADD_R(实数加法指令)可以由使能(EN)输入端的逻辑“1”信号激活。
该指令可以使输入IN1 和IN2 相加,并在OUT 扫描运算结果。
如果结果在浮点数的允许范围之外(上溢或下溢),则OV 位和OS 位为“1”,并且ENO 为逻辑“0”,以防止执行通过ENO相连(级联布置)的该算术运算方块之后的其它功能。
举例:如果I0.0 = “1”,则ADD_R 方块激活。
MD0 + MD4 相加的结果放入MD10 中。
如果结果在浮点数的允许范围之外或程序语句没有执行(I0.0 =“0”),则输出Q4.0 置位。
4. SUB_R 实数减法符号:说明:SUB_R(实数减法指令)可以由使能(EN)输入端的逻辑“1”信号激活。
该指令可以使输入IN1 减去IN2,并在OUT 扫描运算结果。
如果结果在浮点数的允许范围之外(上溢或下溢),则OV 位和OS 位为“1”,并且ENO 为逻辑“0”,以防止执行通过ENO 相连(级联布置)的该算术运算方块之后的其它功能。
浮点指令数据格式符号(Sign):表示数据正负,在最高数据位,正0负1指数(Exponent):也称阶码,以2为底的幂,采用偏移码表示,恒为整数有效数字(Significand):表示数据的有效位数,反应数据的精度单精度浮点数- 32位符号(1位)指数(8位)有效数字(23位)单精度格式8位指数的偏移基数为127阶码数值范围:-126 ~ 127双精度浮点数- 64位S - 1E - 11M - 52//===================================================== 浮点数据转实数表达式:(-1)^S × (1+M) ×2^E例:0x4996B438 - 1234567二进制数据:01001001100101101011010000111000符号- 0阶码- 147有效数字- 0.00101101011010000111000 b (0.177374839782715)浮点寄存器主要有通用数据寄存器、状态寄存器、控制寄存器、标记寄存器数据寄存器OD的浮点寄存器状态寄存器15 B 14C313-11TOP10C29C18C07ES6SF5PE4UE3OE2ZE1DEIEOD中的状态寄存器浮点指令取数指令取数值令从存储器或浮点数据寄存器中区的数据,压入寄存器栈顶st(0)。
FLD - 取存储器或st(i)中的浮点数,压入st(0)FILD - 取存储器的整数,压入st(0)存数指令存数,出栈FSTP - st(0)按浮点格式存入存储器或st(i),然后出栈FISTP - st(0)按整数格式存入存储器,然后出栈比较指令浮点比较指令比较栈顶数据与源操作数,结果通过状态寄存器反映。
状态寄存器中的C3 C2 C0用来反映比较结果,C1表示数据寄存器出现上溢或下溢。
比较指令的结果比较结果C3 C2 C0 st(0)>源操作数0 0 0st(0)<源操作数0 0 1st(0)=源操作数 1 0 0不可排序 1 1 1FCOM - 浮点数比较,st(0)和st(1)比较FCOMP - 浮点数比较,st(0)和st(1)比较并出栈运算指令FADD - st(0) += st(1)FSUB - st(0) -= st(1)FMUL - st(0) *= st(1)FDIV - st(0) /= st(1)FABS - st(0) = |st(0)|。
将PC与PLC通讯上,或者直接在编程界面中点选在线模拟,进入仿真状态。
进入状态后,在工程工作区中点选内存,出来内存对话框如下,进入D区。
点选D0,在右键菜单下选择显示类型为浮点数,就可以直接在D0中写入小数值。
而后再点选显示类型为十六进制,那么D0 和D1的值就会自动变成十六进制格式。
如下面两个对话框的显示。
注意浮点小数的输入寄存器起始地址只能够是偶数编号,0、2、4、6、8 。
抄下转为十六进制的数据后,在程序中把3DFC送入D0中,4427送入D1中。
而后直接在程序中调用D0值参与浮点运算,浮点运算指令会默认D0值为浮点数668.968的,同时D1值也参与计算。
例:计算(1.179*6.68+8.686)*1000 / 268.68
1.179D1 #3F96 , D0 #E979
6.68 D7 #40D5 , D8 #C28F
8.686 D17 #410A , D16 #F9DB
268.68 D37 #4386 , D36 #570A
注意,此处&1000虽然不是小数,但是在计算的时候也应该转为浮点数再参与运算。
实际中发现,直接修改十六进制数,可以略微改变浮点数值11.6 D1 D0
#4139 #999A
11.53 D1 D0
#4138 #999A
11.475 D1 D0
#4137 #999A。
四位十进制浮点数运算
在计算机科学中,浮点数运算是一项基本操作。
通过使用十进制浮点数,我们可以进行各种复杂的计算,包括数值积分、统计分析和三维图形处理等。
下面将介绍四种常见的十进制浮点数运算。
第一种浮点数运算是加法。
在这种运算中,我们将两个十进制浮点数相加,得到一个新的数字。
例如,将0.1和0.2相加,结果应该是0.3。
然而,在计算机中,由于十进制浮点数的精度限制,结果可能不是完全准确的。
第二种浮点数运算是减法。
与加法类似,减法是将一个数字从另一个数字中减去,得到一个新的数字。
例如,将0.3减去0.2,结果应该是0.1。
但同样地,由于精度的限制,结果可能不完全准确。
第三种浮点数运算是乘法。
在这种运算中,我们将两个十进制浮点数相乘,得到一个新的数字。
例如,将0.1和0.2相乘,结果应该是0.02。
同样地,精度的限制可能会导致结果不完全准确。
最后一种浮点数运算是除法。
在这种运算中,我们将一个数字除以另一个数字,得到一个新的数字。
例如,将0.3除以0.1,结果应该是3。
同样地,精度的限制可能会导致结果不完全准确。
总的来说,十进制浮点数运算在计算机科学中非常重要,但是由于精度限制,我们必须小心处理浮点数计算,以确保得到正确的结果。
- 1 -。
浮点乘法与除法的运算1.浮点乘法、除法运算规则设有两个浮点数x和y:x=2Ex·Mxy=2Ey·My浮点乘法运算的规则是x×y=2(Ex+Ey)·(M×My)(2.40)x即乘积的尾数是相乘两数的尾数之积,乘积的阶码是相乘两数的阶码之和。
当然,这里也有规格化与舍入等步骤。
浮点除法运算的规则是x÷y=2(Ex-Ey)·(M÷My)(2.41)x商的尾数是相除两数的尾数之商,商的阶码是相除两数的阶码之差。
也有规格化和舍入等步骤。
2.浮点乘、除法运算步骤浮点数的乘除运算大体分为四步:第一步,0 操作数检查;第二步,阶码加/减操作;第三步,尾数乘/除操作;第四步,结果规格化及舍入处理。
(1) 浮点数的阶码运算对阶码的运算有+1、-1、两阶码求和、两阶码求差四种,运算时还必须检查结果是否溢出。
在计算机中,阶码通常用补码或移码形式表示。
补码运算规则和判定溢出的方法,前面已经讲过。
这里只对移码的运算规则和判定溢出的方法进行讲解。
移码的定义为[x]移=2n+x2n>x≥-2n按此定义,则有[x]移+[y]移=2n+x+2n+y=2n+(2n+(x+y))=2n+[x+y]移即直接用移码实现求阶码之和时,结果的最高位多加了个1,要得到正确的移码形式结果,必须对结果的符号再执行一次求反。
当混合使用移码和补码时,考虑到移码和补码的关系:对同一个数值,其数值位完全相同,而符号位正好完全相反。
而[y]补的定义为[y]补=2n+1+y则求阶码和用如下方式完成:[x]移+[y]补=2n+x+2n+1+y=2n+1+(2n+(x+y))即[x+y]移=[x]移+[y]补(mod 2n+1)(2.42)同理[x-y]移=[x]移+[-y]补(2.43)上二式表明执行阶码加减时,对加数或减数y来说,应送移码符号位正常值的反码。
如果阶码运算的结果溢出,上述条件则不成立。
整数指令和浮点数指令一、介绍计算机通过执行指令来完成各种任务,指令可以分为多种类型,其中包括整数指令和浮点数指令。
整数指令用于处理整数数据,而浮点数指令则用于处理浮点数数据。
本文将对这两类指令进行详细的探讨。
二、整数指令整数指令是计算机中最基本和最常用的指令类型之一,它主要用于执行对整数数据进行运算的操作。
整数指令可以完成加减乘除等基本运算,还可以实现位操作、移位操作等。
1. 加法指令加法指令用于执行整数加法运算,它通常使用ADD指令实现。
ADD指令可以将两个整数相加,然后将结果存储到指定的目标寄存器中。
2. 减法指令减法指令用于执行整数减法运算,它通常使用SUB指令实现。
SUB指令可以将一个整数减去另一个整数,然后将结果存储到指定的目标寄存器中。
3. 乘法指令乘法指令用于执行整数乘法运算,它通常使用MUL指令实现。
MUL指令可以将两个整数相乘,然后将结果存储到指定的目标寄存器中。
4. 除法指令除法指令用于执行整数除法运算,它通常使用DIV指令实现。
DIV指令可以将一个整数除以另一个整数,然后将商存储到指定的目标寄存器中。
位操作指令用于对整数的位进行操作,它可以实现与、或、异或等位运算。
常见的位操作指令包括AND、OR、XOR等。
6. 移位操作指令移位操作指令用于对整数的位进行移位操作,它可以将整数的位左移或右移一定位数。
常见的移位操作指令有SHL、SHR等。
三、浮点数指令浮点数指令是用于执行浮点数运算的指令类型。
浮点数指令可以对浮点数进行加减乘除等基本运算,还可以进行取整、四舍五入等操作。
1. 加法指令浮点数加法指令用于执行浮点数的加法运算,通常使用FADD指令实现。
FADD指令可以将两个浮点数相加,然后将结果存储到指定的目标寄存器中。
2. 减法指令浮点数减法指令用于执行浮点数的减法运算,通常使用FSUB指令实现。
FSUB指令可以将一个浮点数减去另一个浮点数,然后将结果存储到指定的目标寄存器中。
fx5u 高速计数器指令FX5U 高速计数器指令是指在三菱PLC FX5U 系列控制器中使用的一种指令。
这个指令可以用来实现高速计数的功能,可以广泛应用于工业自动化领域。
本文将会一步一步地回答有关FX5U 高速计数器指令的主题,并介绍其使用方法和实际应用。
第一部分:引言在工业自动化领域中,计数是一种常见的操作需求。
通过计数,我们可以追踪工件数量、速度、周期和周期之间的时间等信息。
然而,对于某些高速运动场景,常规的计数方法可能无法满足需求。
幸运的是,三菱PLC FX5U 系列控制器提供了高速计数器指令,可以满足这些更高要求的计数需求。
第二部分:FX5U 高速计数器指令的基本概念FX5U 高速计数器指令是一种在三菱PLC FX5U 系列控制器中使用的特殊指令。
它可以通过读取和操作高速计数器的值来实现高速计数的功能。
FX5U 控制器具有多个高速计数器,可以根据实际需求灵活配置。
第三部分:FX5U 高速计数器指令的使用方法1. 配置高速计数器在使用FX5U 高速计数器指令之前,我们首先需要配置高速计数器。
可以通过GX Works3 软件或GX Developer 软件进行配置。
在配置过程中,我们需要指定高速计数器的参数,如计数模式(上升沿计数或下降沿计数)、计数方向(正向或反向)、计数脉冲源以及计数器的初始值等。
2. 编写程序一旦完成了高速计数器的配置,我们就可以开始编写PLC 程序。
可以使用GX Works3 软件或GX Developer 软件来编辑程序。
在程序中,我们需要使用FX5U 高速计数器指令来读取和操作高速计数器的值。
3. 使用FX5U 高速计数器指令FX5U 高速计数器指令的语法一般如下:C 高速计数器编号, 变量编号其中,“C”是指定高速计数器的指令前缀,高速计数器编号是指要操作的高速计数器的编号,变量编号是用来存储高速计数器值的变量的编号。
通过使用FX5U 高速计数器指令,我们可以实现多种功能,比如读取高速计数器的值、设置高速计数器的值、重置高速计数器的值等。
fx5u十进制浮点数除法指令
(原创版)
目录
1.FX5U 芯片
2.十进制浮点数
3.除法指令
4.应用领域
正文
FX5U 是一款高性能的数字信号处理器(DSP)芯片,广泛应用于各种数字信号处理领域,如音频、视频、图像处理等。
在处理数字信号时,常常需要进行各种运算,其中除法运算尤为重要。
本文将介绍 FX5U 芯片中的十进制浮点数除法指令。
十进制浮点数是一种数字表示方法,可以表示实数范围内的任意数值。
与传统的整数表示方法相比,浮点数表示法可以更高精度地表示数字,因此在数字信号处理领域得到广泛应用。
在 FX5U 芯片中,除法指令是用于完成两个十进制浮点数相除的运算。
其指令格式为:
```
result = a / b
```
其中,result 表示结果,a 和 b 分别为两个十进制浮点数。
在执行除法指令时,FX5U 芯片会自动完成除法运算,并将结果存储在 result 寄存器中。
除了十进制浮点数除法指令外,FX5U 芯片还支持其他各种运算指令,
如加法、减法、乘法等。
这些指令可以组合使用,实现各种复杂的数字信号处理算法。
FX5U 芯片广泛应用于各种领域,如音频处理、图像处理、通信等。
例如,在音频处理领域,FX5U 芯片可以用于实现音频信号的滤波、降噪、混响消除等功能。
在图像处理领域,FX5U 芯片可以用于实现图像的缩放、旋转、裁剪等功能。
在通信领域,FX5U 芯片可以用于实现信号的调制、解调、编解码等功能。
总之,FX5U 芯片中的十进制浮点数除法指令为数字信号处理提供了强大的运算能力,使得各种数字信号处理算法得以实现。