民用建筑加固改造不同后续使用年限下地震作用的取值
- 格式:pdf
- 大小:238.90 KB
- 文档页数:2
试谈抗震设计的地震动参数我国属于地震的高发地区,地震灾害严重威胁人们的生命财产安全,因此对建筑物进行抗震设计显得尤为重要,《建筑抗震设计规范》(GB50011-2010)也明确规定,对抗震设防烈度为6度及以上地区的建筑,必须进行抗震设计。
现行规范中对不同设计年限的建筑物通过调整结构重要性系数来调整结构的荷载效应,对于一般常规建筑的设计可以参照此规范进行,但是对于某些大跨度结构、悬索桥等重要性结构,从结构的安全性出发,往往需要详细研究结构在地震作用下的影响。
另一方面,在对现有结构进行加固改造时,现有结构的剩余寿命已经小于当初的设计年限,此结构在剩余年限内只需满足原设计年限内的抗震概率标准即可;如果仍按照原来的设计年限对结构进行加固,加固的费用将会大大增加。
因此确定地震动参数的取值是进行抗震设计的前提条件,直接影响建筑物的安全性和经济性。
1 建筑抗震设计概述《建筑结构可靠度设计统一标准》(GB50068-2001)将建筑物的设计年限分成5年、25年、50年和100年四个类别,但是随着经济水平的发展,建筑的类型逐渐多样化,人们对住房、桥梁的使用年限以及抗震等级等方面的要求逐渐增多,要求建筑物更新设计基准期,同时提高建筑物的抗震等级。
现行的《建筑抗震设计规范》只规定了设计基准期为50年超越概率下的地震烈度及地震动参数,因此设计使用年限为50年的结构可以直接参考《建筑抗震设计规范》中计基准期为50年的地震动参数取值。
对于一些特别重要的结构、纪念性建筑,设计使用使用年限往往大于50年甚至更長,其地震动参数的取值需要转换为设计基准期为50年相应超越概率下的地震动参数,其转换时用到的公式主要如下:(1)式中,为与设计基准期相对应的地震烈度重现期。
(2)式中,是指重现期为年的地震烈度在年内超越概率。
(3)式中,为50年内发生地震烈度的概率分布值。
(4)式中,为50年内概率分布为的地震烈度;为地震烈度的上限值,;为概率密度的分布众值,比50年超越概率为10%的地震烈度低1.55度;为分布形状系数,可以从表1查出其对应的数值。
水平地震作用标准值fek水平地震作用标准值fek是指建筑物在地震作用下产生的水平加速度与重力加速度的比值。
它是评估建筑物地震安全性能的重要参数之一。
根据我国当前的建筑抗震设计规范(GB 50011-2010),在计算建筑物受到水平地震作用时的结构响应时,要根据建筑物的重要性等级、场地分类、地震烈度等因素确定相应的地震作用标准值fek,以保证建筑物在地震中不发生崩塌和倒塌。
根据GB 50011-2010规范的要求,建筑物的重要性等级分为一般性建筑、重要性较大建筑和特殊用途建筑三个等级,分别对应fek的不同取值。
一般性建筑的fek取值为0.10,重要性较大建筑为0.15,特殊用途建筑为0.20。
这是因为不同建筑物在地震作用下所承受的荷载大小是不同的,重要性较大的建筑物需要承受更大的水平地震作用荷载,以确保其在地震中的安全性能。
此外,建筑物所处的场地分类也是确定fek值的重要因素。
根据GB 50011-2010规范,场地的分类可分为I类(岩石或硬质土壤)、II 类(一般土壤)和III类(软弱土地),对应fek的取值分别为0.15、0.20和0.25。
场地的分类不同,地震作用的荷载大小也会有所不同,因此相应的fek值也有所差异。
另外,在地震烈度的选择上也会对fek的取值产生影响。
GB50011-2010规范要求,在设计过程中要按照规范所规定的烈度地震波加速度时间历程进行分析计算,从而确定fek值。
对于不同的烈度地震,其对应的fek值也会有所区别。
总之,水平地震作用标准值fek是建筑物抗震设计中的重要参数,其取值受到建筑物的重要性等级、场地分类、地震烈度等因素的影响。
合理的选择fek值可以保证建筑物在地震中的安全性能,从而降低地震灾害的风险。
文章编号:1009-6825(2008)13-0074-02建筑抗震设计中地震作用取值问题初探收稿日期:2008-01-16作者简介:孟晓鹏(1971-),男,工程师,阳泉市经济开发区管委会,山西阳泉 045000孟晓鹏摘 要:针对抗震设防的目的,分析介绍了几个有关建筑抗震设计的公式,并探讨了不同设计基准期条件下,多遇地震和罕遇地震的地震作用取值的变化情况,指出在其他条件相同时,罕遇地震的破坏作用比多遇地震的破坏作用大。
关键词:建筑抗震设计,地震,设计基准期,加速度,超越概率中图分类号:T U352文献标识码:A 地震是严重威胁人民生命财产安全、破坏国家经济发展、影响社会活动和安定的凶手,它的发生会给人类带来巨大的生命和财产损失。
为了抗御和减轻地震灾害,对建筑结构进行抗震分析与设计是十分必要的。
抗震设防的目的是在一定的经济条件下,最大限度地限制和减轻建筑物的地震破坏,保障人民生命财产的安全。
抗震设防的依据是抗震设防烈度或地震动参数,准确确定地震烈度或动参数是抗震、减震设计的前提,它直接影响抗震设防的经济性和安全性。
抗震设防时,按分类不同设防标准也不同。
现行的GB 50011-2001建筑抗震设计规范提供的建筑地震作用取值是按设计基准期为50年给出的。
而按建筑的重要性不同以及用户的要求不同应有不同的合理使用年限和相应的设计基准期。
例如阳泉市政府办公大楼、城市广场的钟塔碑牌、狮脑山的百团大战纪念碑等城市重要建筑及有重大纪念意义的建筑,它们的设计使用年限就比50年更长,甚至有的还应考虑罕遇地震的作用。
随着经济水平的迅速提高,别墅、洋房等高级住宅不断涌现,业主很可能会对今后的高档住房提出使用年限更长的要求。
这就促使开发商和设计人员在建筑设计时采用比《规范》规定的使用年限更长的基准期,并在规范规定的设计基准期的基础上对地震烈度进行调整,以便获得相应的设计地震作用。
这样一来,如何确定地震取值就成为设计时首先要解决的问题,在讨论此问题前,先了解以下几个公式的意义:P (I ≥i │T )=1-exp (-T /T j )(1)代表的意义:重现期为T j 年的地震烈度在T =50年内的超越概率。
100年设计使用年限地震作用的确定方法【摘要】本文针对不同于设计使用年限为50年,设计使用年限为100年具有相同概率保证的建筑,其地震作用的确定方法作出探讨。
【关键词】设计使年限概率保证地震作用Determination method of seismic action for 100 year design service lifeLi QiongAbstract:In this paper, the determination method of seismic action of buildings with the same probability guarantee, which are different from those with a design service life of 50 years and a design service life of 100 years, is discussed.Keywords:Design service life Probability assurance Earthquake action1、问题提出背景中山市某博物馆群项目为市重点项目,建筑面各约为22000m2,依据《博物馆建筑设计规范》JGJ 66-2015,该博物馆为大型博物馆建筑,其主体结构使用年限为100年,安全等级为一级,抗震设防类别为乙类;依据《广东省建筑结构荷载规范》DBJ 15-101-2014,中山市使用年限为100年的基本风压ω0为0.8kN/m2,楼面和屋面活荷载设计使用年限为100年的调整系数γL为1.1,然而《建筑抗震设计规范》GB 50011-2010只给出设计使用年限为50年(超越概率为63.2%的小震)地震作用的确定方法,对于设计使用年限为100年地震作用如何确定?项目效果图2、如何确定设计使用为100年地震作用方法在现行的建筑抗震设计规范中,是以“三水准”来表达抗震设防目标,即“小震不坏,中震可修,大震不倒”。
抗震鉴定后续使用年限的确定原则 下载提示:该文档是本店铺精心编制而成的,希望大家下载后,能够帮助大家解决实际问题。文档下载后可定制修改,请根据实际需要进行调整和使用,谢谢!本店铺为大家提供各种类型的实用资料,如教育随笔、日记赏析、句子摘抄、古诗大全、经典美文、话题作文、工作总结、词语解析、文案摘录、其他资料等等,想了解不同资料格式和写法,敬请关注! Download tips: This document is carefully compiled by this editor. I hope that after you download it, it can help you solve practical problems. The document can be customized and modified after downloading, please adjust and use it according to actual needs, thank you! In addition, this shop provides you with various types of practical materials, such as educational essays, diary appreciation, sentence excerpts, ancient poems, classic articles, topic composition, work summary, word parsing, copy excerpts, other materials and so on, want to know different data formats and writing methods, please pay attention! 在建筑领域中,抗震鉴定后续使用年限的确定至关重要。这不仅关系到建筑物的安全性,也涉及到公众的生命财产安全。本文将介绍抗震鉴定后续使用年限确定的原则,以确保建筑物在经历地震后的使用安全性。 1. 按照国家标准。 1.1 遵循相关法规。 抗震鉴定后续使用年限的确定应遵循国家相关法规,如《建筑抗震设计规范》等标准,确保建筑物的设计、施工和使用符合国家标准要求。 1.2 依据地震烈度。 考虑建筑物所处地区的地震烈度,结合抗震鉴定结果,确定后续使用年限。地震烈度越高,建筑物的后续使用年限可能越短。 2. 根据建筑结构。 2.1 结构材料和设计。 考虑建筑物的结构材料和设计方案,评估其抗震性能。结构材料和设计越优良,建筑物的后续使用年限可能越长。 2.2 维护和加固措施。 定期对建筑物进行维护和加固,提高其抗震性能,延长后续使用年限。及时发现并修复结构缺陷、裂缝等问题,是确保建筑物安全使用的关键。 3. 考虑建筑用途。 3.1 公共建筑和住宅。 针对不同类型的建筑用途,制定相应的后续使用年限确定原则。对于公共建筑,如医院、学校等,应特别重视其后续使用年限的确定,以保障公众的安全。 3.2 工业建筑和特殊建筑。 对于工业建筑和特殊建筑,如化工厂、核电站等,应严格按照相关标准确定后续使用年限,确保在地震等突发情况下的安全性。 4. 进行定期检测和评估。 4.1 定期抗震检测。 建立定期抗震检测机制,对建筑物的抗震性能进行评估。根据检测结果,调整后续使用年限,确保建筑物始终处于安全可靠的状态。 4.2 鉴定报告更新。 随着时间的推移和建筑物的使用情况变化,定期更新抗震鉴定报告,反映建筑物的实际抗震情况,为后续使用年限的确定提供科学依据。 抗震鉴定后续使用年限的确定是保障建筑物安全使用的重要环节。通过遵循国家标准、考虑建筑结构、建筑用途和定期检测评估等原则,可以有效延长建筑物的使用年限,确保公众的生命财产安全。
加固改造规范历次版本及活荷载取值加固改造规范一般指《混凝土结构加固设计规范》,其历次版本及活荷载取值如下:1.《混凝土结构加固设计规范》GB50367-2006,其中规定如下:2. 1.1 本规范适用于钢筋混凝土、预应力混凝土、混凝土结构及复合材料的结构补强加固工程。
3. 1.2 本规范适用于房屋、构筑物的结构补强加固工程。
4. 1.3 本规范适用于结构补强加固工程的设计、施工及验收。
5. 1.4 本规范适用于房屋建筑和构筑物的结构补强加固工程,不适用于因灾害引起的结构补强加固工程。
6. 1.5 本规范适用于混凝土结构的正常使用极限状态和承载能力极限状态的计算和构造设计,以及地震烈度6~9度的地区。
7. 1.6 本规范不适用于混凝土结构的耐久性设计。
8. 1.7 本规范不适用于结构耐火设计。
9. 1.8 本规范适用于环境条件为无侵蚀性介质和无振动作用的结构补强加固工程。
有侵蚀性介质作用的结构补强加固工程,应按有关标准专门研究。
有振动作用的结构补强加固工程,应按有关标准专门研究或采用可靠有效的构造措施。
10.1.9 本规范不适用于既有建筑结构的抗震加固工程。
11.2 结构设计所采用的荷载,应包括恒载、活载和其他有关作用。
12.《混凝土结构加固设计规范》GB50367-2006的修订版:《混凝土结构加固设计规范》GB55033-2020,其规定如下:13.1 本规范适用于钢筋混凝土、预应力混凝土和混合结构的房屋、桥梁、塔架等的鉴定、检测、修复、改造及监测工程;可作市政基础设施工程混凝土结构的鉴定、检测、修复、改造及监测工程的参考。
14.2 本规范适用于房屋建筑和市政基础设施工程的鉴定、检测、修复、改造及监测工程,不适用于因灾害引起的鉴定、检测、修复、改造及监测工程。
15.3 本规范适用于环境条件为无侵蚀性介质和无振动作用的结构鉴定、检测、修复、改造及监测工程,有侵蚀性介质作用的结构鉴定、检测、修复、改造及监测工程,应按有关标准专门研究;有振动作用的结构鉴定、检测、修复、改造及监测工程,应按有关标准专门研究或采用可靠有效的构造措施。
加固 b类抗震计算参数
"加固B类抗震计算参数" 是指在建筑结构的抗震加固中,将结构分为A、B、C、D四类,其中B类指主体结构抗侧力构件承载力满足抗震鉴定要求,但部分非承重结构或围护结构不满足抗震鉴定要求的情况。
对于加固B类抗震计算参数,具体包括以下几个方面:
1.地震作用:需要考虑地震的加速度、持续时间、频谱特性等参数,以计算
结构的响应和受力。
2.结构类型和材料:加固B类抗震计算需要考虑原结构的类型、材料特性、
使用年限等因素,以确保计算结果的准确性。
3.构造措施:在抗震加固中,还需要考虑原结构的构造措施,如连接方式、
节点构造等,以确保结构的整体性和稳定性。
4.场地条件:地震发生在不同的场地条件下,其影响程度和范围也有所不同。
因此,加固B类抗震计算需要考虑建筑物的场地条件,如地质构造、地下水位等。
5.施工方法和工艺:在抗震加固中,施工方法和工艺对结构的安全性和稳定
性也有重要影响。
因此,需要考虑施工条件、施工技术和质量保证等因素。
总之,"加固B类抗震计算参数"是指在进行建筑结构的抗震加固时,需要考虑的一系列参数和因素。
这些参数和因素需要综合考虑,以确保结构的安全性和稳定性。
第42卷第6期2020年12月工程抗震与加固改造Earthquake Resistant Engineering and RetrofittingVol.42,No.6Dec.2020[文章编号]1002-8412(2020)06-0030-11DOI:10.16226/j.issn.1002-8412.2020.06.004建筑消能减震加固技术规程介绍薛彦涛,程小燕(中国建筑科学研究院有限公司,北京100013)[提要]建筑消能减震加固是建筑抗震加固的重要组成部分,本文介绍了《建筑消能减震加固技术规程》(CECS547-2018)的编制背景、指导思想、编制过程,并对规范的主要设计内容和技术要点进行了详细阐述,包括规程的适用范围、不同后续使用年限三水准地震动参数、加固的设防目标、计算分析方法、混凝土结构加固、钢结构加固、性能化加固设计、消能器技术要求和消能部件及连接要求等。
[关键词]消能减震;消能器;性能化设计;后续使用年限;抗震加固[中图分类号]TU746.3[文献标识码]AIntroduction of technical speciflcation for seismic energy dissipation of strengthening structureXue Yan-tao,Cheng Xiao-yan^China Academy of Building Research Co.Ltd.Beijing100013,China)Abstract:Energy dissipation technology is an important part of building seismic strengthening.This paper introduces the compilation background,guiding ideology and compilation process of Technical Specification for Seismic Energy Dissipation of Strengthening Structure (CECS547-2018).The technical points are elaborated in detail,including the scope of application,three-level ground motion parameters with different subsequent service life,strengthening fortification targets,calculation methods,concrete structure strengthening,steel structure strengthening,performance-based strengthening design,technical requirements for damper and energy dissipation components and connection requirements,etc.It plays an important role in the design of building energy dissipation strengthening.Keywords:seismic energy dissipation,damper,performance-based design,subsequent service life,seismic strengtheningE-mail:yantaoxue@由于使用功能变更、规范修订、区域抗震设防烈度变化等因素,我国大量既用建筑在改造时往往难以满足现行抗震规范或抗震鉴定标准的要求,需要进行抗震加固。
提高地震荷载分项系数,抗震安全性提高了多少?(1) 将水平地震作用效应的分项系数由1.3改为1.4;(2) 地震动力放大系数由2.25提高至2.50;(3) 永久荷载的分项系数从1.2调整至1.3,可变荷载从1.4调整至1.5;(4) 住宅和办公楼楼面荷载从2.0提高到2.5;(5) 风荷载等也有相应调整。
如此重要的调整,自然一石激起千层浪。
很多人士从不同的角度,对这一问题表达了自己的观点。
从我们课题组以往的研究及震害调查结论来说,一直是大力支持提升建筑抗震安全水平的。
一些研究论文包括:(1) 框架结构抗地震倒塌能力的研究——汶川地震极震区几个框架结构震害案例的分析, 建筑结构学报, 2009(2) 不同抗震设防RC框架结构抗倒塌能力研究, 工程力学, 2011(3) 丙类与乙类设防RC 框架结构抗地震倒塌能力对比, 建筑结构学报, 2011(4) 基于一致倒塌风险的建筑抗震评价方法研究, 建筑结构学报,2012(5) 我国7 度设防等跨RC 框架抗地震倒塌能力研究, 地震工程与工程振动, 2011其基本结论是:对于我国低烈度区框架结构,其抗地震倒塌能力偏弱;框架柱的变形能力不足;由于低烈度区框架柱纵筋往往受构造控制,因此提升构造和延性(提升抗震等级、增加体积配箍率、减小轴压比)的效果要比提升地震作用来的效果更明显。
所以,规范修订的消息发布后,我们课题组就希望能够通过定量分析的手段,研究一下这一修订对框架结构抗震安全的实际影响。
具体研究工作由我们课题组之前的两位毕业生:卢啸和李梦珂负责。
具体研究内容包括:首先我们基于课题组毕业的施炜博士的研究工作,建立了一系列混凝土框架模型。
框架为3跨,每跨6m,层数分别为4层、6层、8层、10层。
分别按照7度、8度设防进行了截面和配筋设计。
首先我们看一下设计参数调整对结构设计结果的影响。
由于分项系数增加,导致柱子轴力增加,所以柱子的轴压比都有一定程度的提高。
部分算例因为轴压比超限,需要对柱子截面尺寸进行重新设计。
混凝土设计中考虑地震作用的参数及计算方法随着城市化的不断发展,城市建筑的重要性日益增加。
特别是在地震频繁发生的地区,建筑结构的抗震能力就显得尤为关键。
因此,在建筑结构设计过程中,必须充分考虑地震作用对建筑结构的影响。
本文将从混凝土设计角度出发,探讨在地震作用下混凝土结构所需考虑的参数及计算方法。
1. 地震的分类在进行混凝土结构设计之前,首先需要了解地震的分类。
地震可分为静力地震和动力地震两种。
静力地震指的是地震时建筑结构所承受的固定振动,其作用力也被称为地震重力力。
动力地震则是针对建筑结构所造成的周期性振动,其作用力被称为动态效应。
动力地震数值计算通常采用地震波时程分析和反应谱分析两种方法。
2. 混凝土结构设计中的地震参数在混凝土结构设计中,应根据所处地区的地震级别和建筑物类型合理配置地震参数。
下面简单介绍常见的几种地震参数:(1)设计地震加速度设计地震加速度指的是某一概率等级下地震波对应的峰值加速度。
此处需注意,设计地震加速度和地震烈度不是同一概念。
地震烈度是指地震震感的大小程度,是一种描述地震破坏性能的定性指标,而设计地震加速度则是地震力学分析中的定量指标。
(2)结构重要性系数结构重要性系数通常用于衡量建筑物所处地位的重要性程度,不同程度的建筑物会有不同的结构重要性系数。
(3)阻尼比阻尼比是描述混凝土结构在地震作用下能量损失的一种参数。
通常情况下,阻尼比取值在2%-10%之间较为常见。
(4)滞回曲线滞回曲线可用于描述混凝土结构在地震作用下的耗能能力。
通常情况下,滞回曲线需采用简化双线模型或双曲线模型等。
3. 混凝土结构的抗震设计方法对于混凝土结构抗震设计,目前国内较为常见的方法有强度抗震设计法、位移抗震设计法和性能抗震设计法。
其中,强度抗震设计法侧重于通过结构强度来保证结构在地震作用下的安全性;位移抗震设计法则侧重于通过最大滞回位移来保证结构在地震作用下的安全性;性能抗震设计法则侧重于通过控制结构的变形来保证结构在地震作用下的安全性。
建筑结构地震作用计算方法及地震设计参数的选取发表时间:2020-05-15T09:44:51.097Z 来源:《基层建设》2020年第3期作者:白德钦[导读] 摘要:建筑结构抗震设计在整个结构设计过程中至关重要、贯穿始终。
北京东方华脉工程设计有限公司北京 100044摘要:建筑结构抗震设计在整个结构设计过程中至关重要、贯穿始终。
本文结合现行规范对设计过程中常用的抗震设计方法(如振型分解反应谱法、时程分析法等)进行分类、总结,并对重要的、易混淆难理解的抗震参数(如偶然偏心、双向地震等)加以区分,方便结构设计时合理的选取。
关键词:地震作用计算;振型分解反应谱法;偶然偏心;双向地震《建筑抗震设计规范GB50011》(以下简称《抗规》)规定:6度时不规则建筑、建造于Ⅳ类场地上较高的高层建筑以及7,8,9度的多层建筑均需进行地震作用计算。
《高层建筑混凝土结构技术规程(JGJ3)》(以下简称《高规》)规定:各抗震设防类别的高层建筑均需进行地震作用计算。
可以说除规则的6度区多层建筑外,均应进行地震作用计算。
由于抗震计算软件基本能完成这部分的计算,但在实际项目中,我们应该弄清楚不同结构对应的抗震计算方法以及相应的计算参数的选取,这样才能正确高效的完成结构抗震设计。
本文结合现行规范对设计过程中常用的抗震设计方法进行分类、总结,并对重要的抗震设计参数加以区分,方便设计时合理应用。
一、地震作用计算方法1、底部剪力法《抗规》《高规》中均已明确:高度不超40m、以及剪切变形为主且质量和刚度沿高度分布比较均匀的结构,以及近似于单质点体系的结构,可采用底部剪力法等简化方法计算地震作用。
底部剪力法为简化的计算方法,它与振型分解反应谱法均属于反应谱法范畴,此方法主要适用于手算或单层厂房等单质点体系的计算,目前多高层结构软件计算均不采用,而使用更为准确的振型分解反应谱法。
2、振型分解反应谱法除了需要时程分析法进行设防地震(中震)、罕遇(大震)计算的建筑结构外,此方法为大部分多高层在多遇地震作用下进行地震作用计算的主流计算方法,是目前结构计算软件普遍采用的方法,主要应用于多遇地震(小震)的计算。
民用建筑加固改造不同后续使用年限下地震作用的取值
发表时间:
2018-06-12T15:25:05.187Z 来源:《建筑学研究前沿》2018年第4期 作者: 丘兴凯 蔡文意
[导读] 对于重要的加固改造工程或业主有要求时,其抗震性能目标还应加强,可按“2010版抗震设计规范”的要求进行抗震性能化设计。
中国核电工程有限公司郑州分公司
河南郑州 450000
摘要:对于加固改造工程,地震作用的取值关系到结构在后续使用年限内的可靠性。为使加固改造工程在不同后续使用年限内与原设
计的可靠度一致,不同后续使用年限内地震作用的取值应具有相等的超越概率。文章按照
“等超越概率”原则,论述了加固改造工程不同后续
使用年限地震作用的取值方法。按照
“等超越概率”理论导出了不同后续使用年限地震作用计算的参数,并形成表格,可直接应用.
关键词:加固改造;后续使用年限;等超越概率;地震作用
1.引言
在民用建筑特别是商业建筑的设计任务中,我们经常遇到改造的项目,主要是改变用途,如在阳台增加水箱、商业改影院,或需要在
结构墙体开洞、抽梁抽柱等增加空间、改善使用功能。新建建筑的设计使用年限为
50年,地震作用取值均以设计基准期50年为基准。加固
改造工程的后续使用年限一般不同于新建建筑。如果按照不同使用年限可靠性指标相同来确定,实际工程中难以实现。如何在科学可靠的
检测鉴定、合理的加固改造设计前,确定
“规定的时间”和不同“规定时间”内地震作用的取值成为难题。本文采用等超越概率原则来确定。
2.不同后续使用年限地震作用的取值
按照等超越概率原则,借鉴地震危险性分析的研究成果,探讨现有建筑结构鉴定加固时地震作用的确定方法。地震作用标准值与水平
地震影响系数最大值
相关。
2.1地震烈度
高小旺等[1]通过对3个地区45个城镇和新疆地区20个城镇地震危险性分析的结果进行了统计和检验,结果表明50年地震烈度的概率分
布符合极值
Ⅲ型,即:
(1)
式中 —50年内发生的地震烈度I的概率分布;
ω—地震烈度上限值,取ω=12; —分布形状参数
—烈度概率分布的众值,比设防烈度低1.55度;
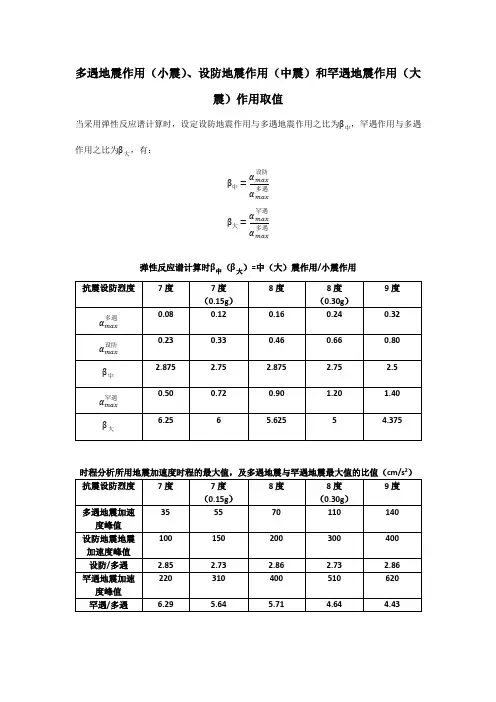
房屋建筑结构取设计基准期为50年,小震(多遇地震)、中震(设防地震)和大震(罕遇地震)50年的超越概率分别为63%、10%和
3%~2%
,对应的重现期分别为50年、475年和1600~2400年。改造工程的抗震设防目标:不同后续使用年限的三个水准地震烈度,应该为
各后续使用年限内超越概率
63%、10%、3%~2%时的地震烈度。
地震作用的标准值是根据地震作用的重现期来确定。当已知超越概率PT(I≥i)和设计使用年限T时,重现期按照《建筑抗震设计手
册》
[2]里公式可以求得已知后续使用年限内,超越概率为10%的地震烈度的重现期RP值,后再算出其在50年内的超越概率。计算结果见表
1
。
表1 不同后续使用年限超越概率为10%相应于50年内的超越概率
2.2水平地震影响系数最大值
给定了不同设计使用年限内各超越概率的地震烈度之后,需要将地震烈度转为地面运动加速度A,采用《建筑抗震设计手册(第二
版)》
[2]公式计算。表5列出了不同后续使用年限超越概率为63%的地震烈度下的地面运动加速度。
表5 不同后续使用年限多遇地震
以设防烈度7度(0.15g)地区为例,对于后续使用年限为30年的加固改造工程(丙类),可直接利用本文表3查得,超越概率为10%的
地震烈度为
7.19度;利用本文表6查得,计算时所采用的水平地震影响系数最大值为0.081。
3.结语
(1)改造工程在鉴定和加固之前,应首先合理地确定后续使用年限。后续使用年限是加固改造工程的设计基准,它决定了各种荷载的
取值和工程投资的大小。
(2)按照等超越概率原则,确定地震作用取值,使改造后的结构在预期的后续使用年限内,可靠性仍可达到新建工程要求的概率水
准,而且改造的投资可以相对比较经济。
(3)《抗震鉴定标准》中给出的后续使用年限是一个最低要求,对于重要的加固改造工程或业主有要求时,其抗震性能目标还应加
强,可按
“2010版抗震设计规范”的要求进行抗震性能化设计。
参考文献
[1] 高小旺等 地震作用的概率模型及其统计参数[J].地震工程与工程震动 1985,5
[2] 龚思礼 建筑抗震设计手册[M],北京,中国建筑工业出版社,第二版,2002
[3] 史铁花 《建筑抗震鉴定标准》(GB50023-2009)与《建筑加固技术规程》(JGJ116-2009)疑问解答[M] 北京,中国建筑工业出
版社,
2011年6月