钢纤维混凝土抗拉强度实验设计
- 格式:docx
- 大小:770.57 KB
- 文档页数:5
c30钢纤维混凝土配合比摘要:一、c30钢纤维混凝土概述1.c30钢纤维混凝土定义2.c30钢纤维混凝土特点二、c30钢纤维混凝土配合比设计1.原材料选择2.配合比设计原则3.配合比设计方法三、c30钢纤维混凝土性能与应用1.力学性能2.耐久性能3.应用领域四、c30钢纤维混凝土施工技术1.施工准备2.施工方法3.质量控制五、c30钢纤维混凝土发展前景1.我国发展现状2.市场需求3.发展趋势正文:一、c30钢纤维混凝土概述c30钢纤维混凝土是一种以钢纤维为增强材料,以普通混凝土为基体材料,通过合理的配合比设计,使其具有较高抗压强度和抗拉强度的新型混凝土。
钢纤维的加入显著提高了混凝土的抗裂性能和抗冲击性能,广泛应用于桥梁、建筑、道路等工程领域。
二、c30钢纤维混凝土配合比设计1.原材料选择:选用优质钢纤维、水泥、砂、石子等原材料。
钢纤维的规格、长度、抗拉强度等指标应符合设计要求。
2.配合比设计原则:确保钢纤维混凝土的抗压强度、抗拉强度、抗弯强度等性能满足设计要求;提高钢纤维混凝土的耐久性、抗裂性、抗冲击性等性能;充分发挥钢纤维的增强效果,降低成本。
3.配合比设计方法:依据设计原则,通过实验研究,确定合理的钢纤维掺量、钢纤维长度、水泥用量等参数,形成满足性能要求的配合比。
三、c30钢纤维混凝土性能与应用1.力学性能:c30钢纤维混凝土具有较高的抗压强度、抗拉强度、抗弯强度等力学性能,能有效提高结构的承载能力和抗裂性能。
2.耐久性能:通过合适的配合比设计,c30钢纤维混凝土具有良好的抗渗性、抗碳化性、抗冻融性等耐久性能,能有效延长结构的使用寿命。
3.应用领域:c30钢纤维混凝土广泛应用于桥梁、建筑、道路、机场等工程领域,特别是在对抗裂性能、抗冲击性能要求较高的场合。
四、c30钢纤维混凝土施工技术1.施工准备:合理组织施工队伍,对施工人员进行技术培训;按照设计要求准备原材料,并对原材料进行质量检查;制定施工方案,明确施工步骤、施工方法等。
混凝土抗拉强度标准测试方法一、前言混凝土抗拉强度是指混凝土在受拉应力作用下的抵抗能力,通常用于混凝土结构的设计、施工和质量检验。
因此,制定一套可靠、实用的混凝土抗拉强度标准测试方法非常重要。
二、标准1. 标准的适用范围本标准适用于混凝土抗拉强度的测试和评定。
2. 测试设备(1)试验机:能够控制加载速率,测量加载力和位移的电液伺服试验机。
(2)夹具:用于夹持混凝土试件的万能夹具。
(3)测量工具:用于测量试件尺寸和位移的测量工具。
3. 试件制备(1)试件形状:标准试件为直径为150mm,高度为300mm的圆柱形试件。
(2)试件制备:按照《混凝土试件制备规范》(GB/T 50080)的要求,制备试件,并在试件表面涂刷一层细砂浆。
(3)试件养护:试件应在模具拆卸后尽快养护,养护温度不低于20℃,相对湿度不低于80%,养护时间为28天。
4. 试验过程(1)试件加荷:试件应沿试件轴心线受力,加载速率应控制在0.02~0.04MPa/s范围内。
(2)试验数据:测量加载力和位移,直至试件破坏,记录试验数据。
(3)试验次数:每种混凝土应进行5次试验,取平均值作为其抗拉强度。
5. 抗拉强度计算(1)试件抗拉强度的计算公式:f_t=kP/A,其中,f_t为试件的抗拉强度,k为修正系数,P为试件破坏时的最大负荷,A为试件的横截面积。
(2)修正系数k的计算:k=1+2α/3β,其中,α为试件的长度和直径之比,β为钢筋的弹性模量和混凝土的弹性模量之比。
(3)试件抗拉强度的单位:MPa。
6. 结果分析(1)试验结果的可靠性:应计算试验结果的标准偏差,标准偏差不应超过试验结果的10%。
(2)试验结果的评定:试件抗拉强度应符合设计要求或规范要求。
三、总结混凝土抗拉强度的测试是混凝土结构设计和质量检验的重要环节,本标准的制定有助于提高混凝土结构的安全性和可靠性。
在试验过程中,应严格按照标准的要求进行试验,确保试验结果的可靠性和准确性。
混凝土抗拉强度试验规程一、试验目的本试验旨在测定混凝土抗拉强度,为工程设计、材料选用和施工质量控制提供可靠数据。
二、试验设备1.拉力试验机:能够提供足够大小的载荷和位移,能够稳定施加载荷,保证试件不发生侧向位移,满足试验要求。
2.制样模具:内壁光滑,四边、底部无缝隙,尺寸符合试验标准。
3.振动浆砂机:能够将混凝土充分振实,排除气泡,提高混凝土密实度。
4.称重装置:能够精确测量混凝土配合比中各组成部分的质量。
5.水泥容量计:能够准确计量水泥的用量。
6.砂筛:筛孔尺寸符合试验标准,能够过滤出符合要求的砂子。
三、试验材料1.水泥:按照试验标准要求,选用普通硅酸盐水泥。
2.砂子:按照试验标准要求,选用细度模数在2.4~3.2之间的石英砂。
3.水:选用清洁、无色、透明的自来水。
4.混凝土试件:按照试验标准要求,选用直径为150mm,高度为300mm的圆柱形混凝土试件。
四、试验程序1.混凝土配合比的确定按照试验标准要求,确定混凝土的配合比,包括水泥、砂子、水的比例。
2.试件制备(1)在制样模具内部涂上一层润滑油,防止混凝土黏附在模具上。
(2)将混凝土配合比按照要求称量,加入混凝土搅拌机中,搅拌2~3min。
(3)将混凝土倒入制样模具中,每层高度不超过100mm,每层振实3~5次,以排除气泡。
(4)在混凝土表面留有一定高度,用铁锤轻敲模具四周,使混凝土表面平整。
(5)在混凝土表面覆盖一层湿布,保持湿润,避免混凝土过早开裂。
3.试件养护(1)试件养护时间为24h,养护室内温度不低于20℃,相对湿度不低于80%。
(2)24h后,将试件取出,清除表面杂质,标明试件编号。
4.试件试验(1)试件试验时,将试件放在试验机上,调整试件与试验机的位置,使试件中心线与试验机的轴线重合。
(2)根据试验标准要求,施加载荷,以一定速率施加载荷,直至试件断裂。
(3)记录载荷-位移曲线,计算试件的抗拉强度。
五、试验结果的计算与分析1.试件的抗拉强度计算公式为:f_t = P / (πd^2/4)式中,f_t为试件的抗拉强度,单位为MPa;P为试验机所施加的最大载荷,单位为N;d为试件的直径,单位为mm。
钢纤维喷射混凝土试验方案一.试验任务1.对钢纤维和与相应外加剂进行喷射混凝土试验,通过对材料特性的比较,选定钢纤维品种和外加剂。
2.检验施工工艺水平及喷射效果(钢纤维喷射混凝土的回弹量、已喷射混凝土中钢纤维的含量、分布均匀性、钢纤维变形情况等)。
3.检验喷射钢纤维混凝土的强度(抗压强度、劈拉强度、粘结强度、弯折强度)、厚度及弯曲韧性等性能。
4.分析和确定钢纤维喷射混凝土中钢纤维的含量、混凝土配合比是否合适,即确定钢纤维喷射混凝土的最优配合比。
二.试验依据试验依据包括:1.《钢纤维混凝土试验方法》CECS 38:89—中国工程建设标准化协会标准2.《钢纤维混凝土结构设计与施工规程》CECS 38:2004—中国工程建设标准化协会3.《水工混凝土试验规程》JGJ/T55-96—水利部4.《锚杆喷射混凝土支护技术规范》GB50086-2001—5.《喷射混凝土施工技术规程》YBJ226-91—6.《混凝土外加剂》GB8076-1997—7.《水工混凝土外加剂技术规程》DL/T5100-1999—水利部8.《水利水电地下工程锚喷支护施工技术规范》SDJ57-85—水利部9.《钢纤维混凝土实验方法》JSCE-SF4—日本土木协会三.试验方案1.首先根据主要试验材料——钢纤维本身的基本性能要求(钢纤维材质为普通碳素钢,抗拉强度≥1000MPa,长径比≥55,长度为25~40mm)确定拟试验的钢纤维厂家。
2.上述方案在做现场喷射试验的同时,需要做大板取样试验,用以测定抗压强度、抗拉强度、弯折强度、韧度系数等指标;对喷射到岩面上的钢纤维混凝土,要检测其粘结强度,测试喷射出的混凝土中钢纤维的含量,钢纤维混凝土的回弹量,并检验施工工艺水平。
经检验和对试验成果认真分析后,优选各项性能指标较好的其中一个厂家的产品,作为喷射混凝土用钢纤维产品。
四.试验部位试验部位在现场由设计单位会同监理和施工单位共同确定。
每个方案试验面积为5m2。
钢纤维混凝土劈拉与弯曲性能的试验研究的开题报告
概述:
钢纤维混凝土作为一种新型材料,具有在大幅度振动、撞击和抗裂性能方面的优越性能。
本文将就钢纤维混凝土的劈拉与弯曲性进行试验研究,探究其力学特性及其
应用性能。
具体研究内容如下:
1. 研究目的
钢纤维混凝土在工业、土木和建筑工程等领域得到广泛应用。
本文旨在通过试验研究钢纤维混凝土的劈拉与弯曲性能,探究其力学特性和应用性能,为其在工程中的
应用提供理论依据及实用经验。
2. 研究内容
2.1 劈拉试验
采用拉伸试验机对不同钢纤维混凝土配合比样品进行拉伸试验,测量其极限拉应力、极限拉伸应变、断裂强度等参数,并绘制应力-应变曲线。
2.2 弯曲试验
采用万能材料试验机进行钢纤维混凝土梁的弯曲试验,测量其最大承载力、弯曲刚度等参数,并绘制荷载-挠度曲线。
同时还将分析破坏形态和破坏机理。
3. 研究意义
通过对钢纤维混凝土劈拉与弯曲性能的试验研究,可以更全面地了解该新型材料的力学特性。
同时,可以为该材料在工业、土木和建筑工程等领域的应用提供理论依
据和实用经验,丰富其应用领域。
4. 研究方法
本文主要采用试验法研究钢纤维混凝土的劈拉与弯曲性能。
通过拉伸试验机和万能材料试验机对不同配合比样品进行拉伸试验和弯曲试验,测量其相应参数,并绘制
应力应变曲线和荷载挠度曲线。
5. 预期结果
通过钢纤维混凝土劈拉与弯曲性能试验分析,预计发现其具有良好的抗裂性能和抗拉、抗弯强度。
同时,还将探究破坏形态和机理,为其更广泛的应用提供理论依据。
c25钢纤维混凝土配合比全文共四篇示例,供读者参考第一篇示例:C25钢纤维混凝土配合比是指在混凝土中加入钢纤维以改善其力学性能和耐久性的配合比。
钢纤维混凝土是一种新型复合材料,具有高强度、耐久性好、抗裂性能高等优点,在工程实践中得到了广泛应用。
C25钢纤维混凝土配合比的设计是十分重要的,它直接影响着混凝土的性能和工程质量。
合理的配合比可以使混凝土达到最佳的力学性能和耐久性,同时能够在施工中获得更好的施工性能。
C25钢纤维混凝土的配合比设计一般包括水灰比、水泥用量、砂浆用量、骨料用量、钢纤维用量等几个方面。
其中水灰比是一个重要的参数,直接影响混凝土的工作性能和强度。
通常情况下,水灰比越小,混凝土的抗压强度和耐磨性就越高。
砂浆的配合比也是影响混凝土性能的关键因素。
砂浆中的水泥、砂子和混合材料的配比不当会导致混凝土强度低,易开裂等问题。
在设计C25钢纤维混凝土的配合比时,一定要根据具体的工程要求和材料性能来确定。
钢纤维的使用是C25钢纤维混凝土区别于普通混凝土的重要特点之一。
钢纤维能够有效地控制混凝土的开裂,提高其抗拉强度和韧性,从而提高混凝土的耐久性。
在设计C25钢纤维混凝土的配合比时,要根据具体的工程要求和使用环境确定钢纤维的用量和种类。
C25钢纤维混凝土配合比的设计是一个复杂的过程,需要考虑多个因素的影响。
合理的配合比设计能够保证混凝土的力学性能和耐久性达到最佳,满足工程需求。
在设计C25钢纤维混凝土的配合比时,要综合考虑水灰比、砂浆配比、骨料选用和钢纤维使用等因素,以实现混凝土的优化性能。
【2000字】第二篇示例:C25钢纤维混凝土是一种高性能混凝土,其主要特点是在混凝土中添加了适量的钢纤维,以提高混凝土的抗拉强度和抗冲击性能。
钢纤维混凝土的配合比对混凝土的性能起着至关重要的作用,恰当的配合比能够确保混凝土具有良好的工程性能。
C25钢纤维混凝土的配合比应根据工程要求和具体情况进行设计,一般包括水泥、骨料、水、钢纤维等几种主要材料。
混凝土中钢纤维含量对抗震性能的影响研究
引言
地震是一种常见的自然灾害,对人类的生命财产造成了巨大的威胁。
因此,提高建筑物的抗震能力成为了一个重要的问题。
而混凝土作为
建筑材料中的重要组成部分,对建筑物的抗震性能起着至关重要的作用。
在混凝土中添加钢纤维是一种提高其抗震性能的有效方法。
本文
将探讨混凝土中钢纤维含量对抗震性能的影响。
混凝土中钢纤维的作用
混凝土中添加钢纤维可以显著提高混凝土的抗震性能。
钢纤维可以增
强混凝土的抗拉强度和抗冲击性能,从而提高混凝土的整体抗震能力。
此外,钢纤维还可以增加混凝土的韧性和延性,使其在地震中更加耐久。
研究方法
本文选取了两种不同钢纤维含量的混凝土进行了对比实验,分析了钢
纤维含量对混凝土抗震性能的影响。
实验结果
实验结果表明,随着钢纤维含量的增加,混凝土的抗震性能逐渐提高。
具体来说,增加钢纤维含量可以显著提高混凝土的抗拉强度和抗冲击
能力,从而提高其整体抗震性能。
此外,随着钢纤维含量的增加,混
凝土的韧性和延性也得到了显著的提高,使其在地震中更加耐久。
结论
本文的实验结果表明,混凝土中添加钢纤维可以显著提高其抗震性能。
因此,在设计和施工建筑物时,应该考虑加入适量的钢纤维,以提高
建筑物的抗震能力。
但是,需要注意的是,在添加钢纤维时,应该控
制好钢纤维含量,过高或过低的钢纤维含量都可能对混凝土的抗震性
能产生负面影响。
此外,在实际施工中,还应该注意钢纤维的分散均
匀性,以确保混凝土的整体性能。
钢纤维混凝土轴拉应力-应变特性的试验研究在混凝土基体未开裂前,纤维与混凝土共同处于弹性状态,对材料的变形性能影响很小,但在基体开裂后处于裂纹面的纤维便发挥出其桥联阻裂性能,使材料具有较高的裂后强度、抗拉韧性等。
传统的混凝土拉伸试验方法有3种:劈拉试验,轴拉试验和弯拉试验(抗折试验)。
劈拉试验因其操作简便,数据稳定的特性,而成为工程人员最易接受的一种方法,但由于复杂的加载条件[2],破坏断面上材料处于复杂的应力状态(包括拉、压、剪等作用),不利于对其力学行为进行分析。
弯拉试验虽然操作同样简单方便,但只适用于以抗折强度为依据的混凝土结构,同样无法用来测量钢纤维混凝土的应力~应变全曲线。
轴拉试验作为最基本的试验方法,其核心是对棱柱体试件进行均匀的轴向拉伸,在整个加载过程中,由于试件断面应力应变分布相对均匀,所测得应力、应变值对应关系明确,故能够直接、准确地测量材料的本构行为。
另一方面,由于试件破坏形式简单,破坏准则易于掌握,便于进行钢纤维混凝土机理分析。
但该试验的缺点是对试验设备要求较高,操作复杂。
对于钢纤维混凝土(SFRC)来说,目前还没有统一的轴拉试验标准可循,国外学者在这方面涉及较早 [3~6],其采用的加载方式主要有两种:一是采用楔形夹具通过摩擦作用于试件两端加载;另一种是采用环氧树脂粘结试件端面加载,其试验对象包括素混凝土以及低、中、高各种纤维体积含率的纤维增强砂浆或混凝土材料。
进入90年代后期,国内有相关的文献报道[7~9].其中,文献[7]采用大头试件对高掺量(体积含率6%~12%)的纤维砂浆进行了轴向拉伸全过程试验。
而文献[8,9]则从另一个角度出发,设计出了环状试件加内水压加载的形式来模拟轴拉试验,并得到了材料的拉伸全曲线。
但是,以此方法能否替代轴拉试验还需要进一步的论证。
综合上述分析,对纤维混凝土增强机理进行研究,要获得钢纤维混凝土的受拉全过程曲线,采用轴拉方法最为适宜,但是要在试验方法上作一定改进,并且试验机要有足够的刚度,来保证试验过程的稳定。
混凝土劈裂抗拉强度试验(一)目的和适用范围本试验规定了测定混凝土立方体试件的劈裂抗拉强度方法,本试验适用于各类混凝土的立方体试件。
(二)试件制备1.采用边长150mm方块作为标准试件,其最大集料粒径应为40mm。
2.本试件应同龄期者为一组,每组为3个同条件制作和养护的混凝土试块。
(三)仪器设备劈裂钢垫条和三合板垫层(或纤维板垫层),如图3-2所示。
图3-2 劈裂试验用钢垫条(单位:mm)1-上压板;2-下压板;3-垫层;4-垫条钢垫条顶面为直径l50mm弧形,长度不短于试件边长。
木质三合板或硬质纤维板垫层的宽度为15~20mm,厚为3~4mm,垫层不得重复使用。
(四)试验步骤1.试件从养护地点取出后,擦拭干净,测量尺寸,检查外观,在试件中部划出劈裂面位置线。
劈裂面与试件成型时的顶面垂直,尺寸测量精确至lmm 。
2.试件放在球座上,几何对中,放妥垫层垫条,其方向与试件成型时顶面垂直。
3.当混凝土强度等级低于C30时,以0.02~0.05MPa/s 的速度连续而均匀地加荷;当混凝土强度等级不低于C30时,以0.05~0.08MPa/s 的速度连续而均匀地加荷,当上压板与试件接近时,调整球座使接触均衡,当试件接近破坏时,应停止调整油门,直至试件破坏,记下破坏荷载,准确至0.01kN ;(五)试验结果计算1.混凝土劈裂抗拉强度R t ,按下式(3-4)计算:AP R t π2= (3-4) 式中 R t —混凝土劈裂抗拉强度(MPa);P —极根荷载(N);P —试件劈裂面面积(mm 2)2.劈裂抗拉强度测定值的计算及异常数据的取舍原则,同混凝土抗压强度测定值的取舍原则相同。
3.采用本试验法测得的劈裂抗拉强度值,如需换算为轴心抗拉强度,应乘以换算系数0.9。
采用100mm ×100mm ×100mm 非标准试件时,取得的劈裂抗拉强度值应乘以换算系数0.85。
(六)试验记录水泥混凝土劈裂抗拉强度试验记录见试验报告册。
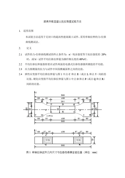
超高性能混凝土抗拉强度试验方法1. 适用范围本试验方法适用于无切口的超高性能混凝土试件,采用单轴拉伸的力-位移曲线测试法。
2. 定义2.1 试件的力-位移曲线测试的终止条件为:a )残余强度等于抗拉强度的20%时;或b )试件平均位移拉伸量为钢纤维长度的60%时。
2.2 平均位移拉伸量指附着在试件两面的电感式位移传感器所测值的平均值。
2.3 应力指测量的拉力与试件中间段横截面积之间的比值。
2.4 弹性应变指平均位移拉伸量与图1中点C 和点E (或点L 和点J )间距的比值;硬化应变指平均位移拉伸量与图1中点O 和点P (或点Q 和点R )间距的比值。
图1 单轴拉伸试件几何尺寸与位移传感器安装位置(单位:mm )....Q R 铝板铝板3.原则规定3.1拉伸机的荷载量程应在50~200kN;应采用夹头的位移来控制加载或采用外装位移传感器的位移来控制加载。
3.2为了确保试件在不同位置断裂时均可测得其的变形,将两个位移传感器应对称安装于试件两侧面,即试件点C和点E之间,以及点L和点J之间;另外两个位移传感器应对称安装于试件两平面,即试件点O和点P之间,以及点Q和点R之间。
3.3试件拉伸的方向是沿着图1所示的X轴方向。
在试件的两端变截面曲面处粘贴1.5mm厚的铝板,以便于固定于拉伸机的夹头。
3.4试件两端的约束条件必须是固结,不得发生任何扭转。
4.试验设备拉伸机的加载及测试精度应在±0.2kN之内;位移传感器的量程应在5~30mm,线性测量误差不得大于±0.2%;试件长度和厚度的测量仪器精度应在±0.05mm之内。
5.试件制备5.1每次浇筑,需制备如图1所示尺寸的试件,共6块。
试件浇筑时的厚度可控制在50±2mm,测试前需将试件厚度打磨至50±1mm。
5.2在试件模具的两端变截面曲面处放置铝片或者细钢丝网片,以便强化变截面区抵消外夹具带来的应力集中影响。
钢纤维混凝土残余抗弯拉强度
钢纤维混凝土的残余抗弯拉强度是指混凝土在经历弯曲加载直至达到极限状态后,所能承受的剩余弯曲拉应力。
这个指标是衡量混凝土结构在遭受弯曲破坏后仍能维持一定承载能力的重要参数,对于评估结构的耐久性和可靠性具有重要意义。
在钢纤维混凝土中,钢纤维的加入显著提高了混凝土的韧性和延展性,使其在遭受弯曲破坏时能够吸收更多的能量,从而在达到极限状态后仍保持一定的承载能力。
这种性能在混凝土结构设计中被称为“延性破坏”,与普通混凝土的“脆性破坏”相对。
残余抗弯拉强度的测试通常采用标准试验方法,如美国混凝土学会(ACI)或欧洲标准(EN)中规定的方法。
测试过程中,将混凝土试件(通常是梁形试件)加载至极限状态,然后卸载至一定的残余应力水平,测量此时试件所能承受的弯曲拉力。
这个力值与试件的截面积和跨度的比值即为残余抗弯拉强度。
钢纤维混凝土的残余抗弯拉强度受多种因素影响,包括钢纤维的类型、掺量、长度、直径、长径比,以及混凝土的基体强度等。
这些参数共同决定了混凝土的韧性和残余承载能力。
在实际工程应用中,钢纤维混凝土的残余抗弯拉强度对于桥梁、高层建筑、核电站等结构的安全性评估和设计至关重要。
通过合理设计和施工,可以提高这些结构在极端条件下的安全性和可靠性。
钢筋抗拉强度试验摘要:一、钢筋抗拉强度试验的背景和意义二、钢筋抗拉强度试验的测定方法三、钢筋抗拉强度试验的结果分析与运用四、钢筋抗拉强度试验的注意事项五、总结正文:钢筋抗拉强度试验是一种对钢筋抗拉强度进行测定的试验方法,对于评估钢筋的质量和性能具有重要意义。
本文将详细介绍钢筋抗拉强度试验的背景和意义、测定方法、结果分析与运用、注意事项等方面的内容。
一、钢筋抗拉强度试验的背景和意义钢筋是建筑工程中不可或缺的重要材料,其抗拉强度是衡量钢筋质量的重要指标。
钢筋抗拉强度试验是一种评估钢筋抗拉性能的试验方法,对于保证建筑工程的安全性和耐久性具有重要意义。
二、钢筋抗拉强度试验的测定方法钢筋抗拉强度试验主要采用万能材料试验机进行。
试验前,需要将钢筋试样加工成标准试样,并保持试样表面光滑。
试验时,将试样装夹在万能材料试验机的夹具上,调整试验机的拉伸速度和拉伸距离,然后进行拉伸试验。
试验过程中,需要记录钢筋试样的拉伸强度、伸长率和断面收缩率等指标。
三、钢筋抗拉强度试验的结果分析与运用钢筋抗拉强度试验的结果可以用于评估钢筋的质量和性能,指导建筑工程的设计和施工。
通常情况下,钢筋的抗拉强度越高,其质量和性能越好。
但是,在实际工程中,钢筋的抗拉强度不能过高,否则容易导致钢筋脆断,影响工程的安全性和耐久性。
因此,在评估钢筋的质量和性能时,需要综合考虑钢筋的抗拉强度和其他指标。
四、钢筋抗拉强度试验的注意事项在进行钢筋抗拉强度试验时,需要注意以下几点:1.试验前,需要对万能材料试验机进行校准,确保试验机的精度和可靠性。
2.试验过程中,需要保持试验环境的稳定,避免温度、湿度和气压等因素对试验结果产生影响。
3.试验后,需要对试验数据进行合理的分析和处理,确保试验结果的准确性和可靠性。
总结钢筋抗拉强度试验是评估钢筋质量和性能的重要方法,对于保证建筑工程的安全性和耐久性具有重要意义。
混凝土抗拉强度试验方法标准一、前言混凝土作为一种重要的建筑材料,在工程中的应用十分广泛。
混凝土的强度是评价其质量的重要指标之一,其中抗拉强度是衡量混凝土耐久性的重要指标之一。
因此,混凝土抗拉强度试验方法标准的制定是保障混凝土工程质量和促进混凝土行业发展的重要保障之一。
二、试验方法1.试验设备混凝土抗拉试验需要用到试验机、拉力传感器、压力传感器、应变计、数据采集仪等设备。
2.试验原理混凝土抗拉试验是将混凝土试样放入试验机中,通过拉力传感器施加拉力,使试样发生拉伸变形,测量试样的最大拉力和伸长量,计算出混凝土的抗拉强度。
3.试验步骤(1)试样制备:按照规定标准制备试样。
(2)试验设备检查:检查试验机、传感器、应变计等设备是否正常。
(3)试样安装:将试样放入试验机中,保证试样的自由伸长。
(4)试验参数设置:设置试验机的速度、试验方式等参数。
(5)试验开始:启动试验机,开始试验。
(6)试验结束:试验结束后,记录试验结果。
三、试验标准1.试验样品(1)试样的形状:试样采用标准棒形试样。
(2)试样的尺寸:试样的尺寸应符合国家标准。
(3)试样的数量:每组试验至少应做3个试样,取其平均值作为试验结果。
2.试验环境试验室应符合国家标准要求,试样应放置在试验室内至少24小时。
3.试验过程(1)试验速度:试验速度应符合国家标准,一般为每秒0.5mm。
(2)试验方式:试验方式应符合国家标准,一般为静载试验。
(3)试验结果:应记录试验过程中试样的最大拉力和伸长量,计算出混凝土的抗拉强度。
4.试验结果处理(1)试验结果应按照国家标准进行计算。
(2)试验结果应取平均值,并保留两位小数。
(3)试验结果应及时记录并妥善保存。
四、试验结果分析通过混凝土抗拉强度试验可以评估混凝土的耐久性和工程质量。
试验结果可以用于评估混凝土的耐久性和工程质量,为工程设计和施工提供依据。
五、试验注意事项(1)试验前应检查试验设备是否正常。
(2)试样应按照标准规定制备,严格按照标准进行试验。
钢纤维混凝土抗裂性能评价方法5篇第1篇示例:钢纤维混凝土是一种新型的混凝土材料,添加适量的钢纤维可以提高混凝土的抗裂性能。
在施工和使用过程中,混凝土结构往往会受到外部荷载和温度变化等因素的影响,容易出现裂缝。
评价钢纤维混凝土的抗裂性能非常重要。
本文将介绍钢纤维混凝土抗裂性能评价方法。
1. 裂缝形成机理在混凝土中添加钢纤维可以有效控制裂缝的产生和扩展。
钢纤维可以改善混凝土的韧性和抗拉性能,阻止裂缝的扩展。
钢纤维混凝土中的裂缝形成机理主要包括两种:拉伸裂缝和弯曲裂缝。
拉伸裂缝是混凝土受拉应力作用下产生的裂缝,而弯曲裂缝是在混凝土受到弯曲应力作用下产生的裂缝。
2. 抗裂性能评价方法钢纤维混凝土的抗裂性能可以通过以下几种方法进行评价:(1)抗裂性能试验:可以采用拉伸试验、弯曲试验等方法来评价钢纤维混凝土的抗拉强度和抗弯强度。
通过试验可以得到混凝土的抗拉强度和抗弯强度值,评价混凝土的抗裂性能。
(2)裂缝宽度监测:在混凝土结构中设置裂缝检测仪器,监测裂缝的宽度变化,可以定量评价混凝土的抗裂性能。
裂缝宽度监测是一种直观且有效的评价方法。
(3)有限元模拟分析:采用有限元方法对钢纤维混凝土结构进行数值模拟分析,可以在计算机上模拟混凝土结构在各种载荷下的应力应变情况,评价混凝土的抗裂性能。
3. 影响抗裂性能的因素钢纤维混凝土的抗裂性能受到多种因素的影响,主要包括钢纤维的类型、掺量、长度和形状等因素。
混凝土的配合比、工艺参数、养护条件等也会影响其抗裂性能。
在设计和施工过程中需要充分考虑这些因素,以提高钢纤维混凝土的抗裂性能。
4. 结论第2篇示例:钢纤维混凝土是一种利用钢纤维作为增强材料,混入混凝土中以提高其抗裂性能的材料。
在建筑工程中,钢纤维混凝土被广泛应用于桥梁、隧道、地铁等重要工程中,以增加混凝土的弯曲和抗拉强度,减少裂缝的产生,延长结构的使用寿命。
对钢纤维混凝土抗裂性能的评价至关重要。
钢纤维混凝土的抗裂性能评价方法主要包括以下几种:1. 抗折试验:抗折试验是评价钢纤维混凝土抗裂性能的常用方法之一。
钢纤维混凝土层裂的实验研究在实际施工工程中,钢纤维混凝土层裂问题的出现,影响到混凝土结构的稳定性和使用寿命,研究钢纤维混凝土层裂的实验成为了当前工程领域的一个重要课题。
实验步骤:第一步,将钢纤维混凝土按照要求的配比进行拌制。
注意拌制过程中,需要将钢纤维均匀地分散在混凝土中。
同时,混凝土拌和物应均匀,无结块。
第二步,将拌和均匀的混凝土按照需要的厚度进行分层浇筑。
浇筑过程中,要保证混凝土的流动性良好,并且要及时振捣,使混凝土更加密实。
第三步,对于每层混凝土,需要在浇筑后及时进行养护。
养护条件的控制直接影响到混凝土的强度。
因此,在养护过程中要保证混凝土表面的湿润,防止混凝土干裂。
第四步,待混凝土达到设计强度后,进行试验段的检测。
检测项目包括混凝土的抗压强度、抗拉强度等。
实验结果:通过实验研究,我们发现钢纤维混凝土的抗裂性能明显优于普通混凝土。
在相同的施工条件下,钢纤维混凝土的抗压强度和抗拉强度均高于普通混凝土。
而且,钢纤维混凝土的抗裂性能也优于普通混凝土。
结论:钢纤维混凝土层裂的实验研究结果表明,钢纤维混凝土具有较好的抗裂性能。
其原因主要是钢纤维的加入,能够有效地提高混凝土的抗拉性能,从而降低了混凝土结构在受到外力作用时出现裂纹的风险。
在实际工程中,钢纤维混凝土具有良好的使用效果。
不过,我们还需要对钢纤维混凝土的使用条件和设计参数进行进一步研究和优化,以充分发挥钢纤维混凝土的优势。
此外,还应关注钢纤维混凝土在施工过程中的质量控制。
钢纤维混凝土的拌和和浇筑质量将直接影响到混凝土的性能。
因此,在施工过程中要严格按照设计要求进行操作,确保钢纤维混凝土的质量。
综上所述,钢纤维混凝土层裂的实验研究为我们提供了一个有力的理论依据,有助于我们更好地理解钢纤维混凝土的性能和应用。
在今后的工程实践中,我们可以继续深入研究钢纤维混凝土的性能和应用,以提高混凝土结构的稳定性和使用寿命。
纤维混凝土抗拉强度实验设计
1.实验概况
本实验的主要研究内容为使用A、B两种钢纤维的钢纤维混凝土的抗拉强度及其单轴单调抗拉时的本构关系。
研究钢纤维种类,钢纤维掺量,水灰比,掺合料种类及掺量对钢纤维混凝土抗拉强度及本构关系的影响。
本实验所有水泥均选用42.5级普通硅酸盐水泥[1],并依照减水剂厂家提供的资料使用减水剂。
所有试块使用同一批次的连续级配的砂和碎石。
钢纤维混凝土一般用于高层建筑梁柱节点等重要区域,所用的混凝土强度等级一般较高。
加之钢纤维的加入使得混凝土的和易性急剧变差,必然需要加入较多的掺和料。
因此本实验设计了粉煤灰和硅粉对纤维混凝土性能影响的相关实验。
2.考虑因素
2.1.纤维种类
本实验选用A、B两种钢纤维。
2.2.水灰比
本实验采用0.5、0.45、0.4、0.35、0.3共五种水灰比[2-3]。
2.3.钢纤维体积掺量
本实验采用钢纤维从0到2%,以5%递增。
共计五种纤维体积掺量[2-3]。
2.4.掺合料类型
本实验采用粉煤灰和硅粉两种掺合料。
分别采用等量取代水泥和150%超量取代两种配制方式。
粉煤灰取10%和20%两种取代量。
硅粉取5%和10%两种取代量。
[4]
3.试验方法
采用IBM SPSS 19.0.0 进行正交试验设计[5]。
具体实验设计参数见表1.
表1 实验因素和水平
纤维类
型水灰比纤维掺
量
粉煤灰掺
量
硅粉掺
量
1 A 0.50 0.00% 0 0
2 B 0.45 0.50% 10%等量5%等量
3 0.40 1.00% 10%超量5%超量
4 0.3
5 1.50% 20%等量10%等量
5 0.30 2.00% 20%超量10%超量
SPSS 输出的正交试验表的截图及图表见图1 及表2.
图1 正交试验设计结果
表2 正交试验设计
实验组 纤维类型 水灰比 钢纤维体积掺量 硅粉掺量 粉煤灰掺量 1 2 2 5 1 2 2 1 5 2 1 5 3 1 4 5 2 1 4 1 2 4 3 1 5 1 5 5 5 3 6 1 3 5 4 4 7 2 1 4 5 4 8 1 2 3 5 5 9 1 1 2 4 2 10 1 1 1 1 1 11 2 1 5 3 5 12 2 2 1 4 3 13 2 5 3 4 1 14 1 4 4 4 5 15 1 1 3 2 3 16 1 3 4 1 3 17 2 4 3 1 4 18 1 3 3 3 2 19 1 5 1 3 4 20 1 2 2 2 4 21 2 4 2 3 3 22 2 3 2 5 1 23
2
3
1
2
5
24 1 4 1 5 2
25 2 5 4 2 2
4.测试方法
本实验的研究目的主要在于获取钢纤维混凝土的全抗拉曲线并获得其与立方体抗压强度之间的关系。
为获取钢纤维混凝土的抗拉本构关系,需进行刚性轴拉试验[6]。
轴心抗拉强度试验采用简单易行的端部埋设钢筋的方法, 精确加工试模, 保证试件几何对中, 每组浇筑试件3个。
设计的试件形状和尺寸如图2所示, 试件在端部加大, 中间受拉区截面尺寸为100 mm×100mm。
为防止变截面应力集中, 减小缺陷的影响, 中间受拉区向端部缓慢过渡, 连接段为圆弧形。
试件用钢模在振动台上浇筑成型, 1d后拆模, 标准养护28 d后试验。
图2试件尺寸
为了获取混凝土抗拉全过程曲线,需要采用刚性实验装置,其原理如图3所示。
每组实验在浇筑时均需同时浇筑3个150mm*150mm*150mm的标准抗压试块。
并与抗拉试块同条件养护。
同龄期进行实验。
5.测试内容
测试各组试件受拉的应力-应变曲线及对应的立方体抗拉试块的抗压强度。
6.数据处理
6.1.上升段
对于普通混凝土的受拉应力-变形曲线上升段,过镇海等建议采用如下公式[7]:
y=1.2x−0.2x6
其中1.2位割线弹性模量与切线弹性模量之比。
考虑到纤维混凝土材料的特殊性,宜对其切线模量与割线模量之比重新计算。
上述比值可以由实验结果直接读出,记为a,则上述公式可以化成:
y=ax−bx c
经恒等变形,可以化为如下的线性形式:
y−ax=ln(b)+cln(x)
在已知a的前提下,对上述等式进行最小二乘拟合,可以求出参数b、c。
6.2.下降段
对于普通混凝土的受拉应力-变形曲线下降段,过镇海等建议采用如下公式[7]:
y=
x
αt(x−1)d+x
经恒等变形,可以化为如下的线性形式:
x
y
−x=ln(αt)+dln(x−1)
根据实验结果,对上述等式进行最小二乘拟合,求出参数αt、d。
即可得到纤维混凝土的下降段本构关系。
参考文献
[1] 张廷毅,汪自力,朱海堂,等. 多因素影响下铣削型钢纤维混凝土劈裂抗拉强度[J]. 建筑材料学报, 2014, 卷缺失(3): 383-388.
[2] 吴晓龙. 钢纤维混合骨料混凝土抗折性能试验研究[D]. [出版地不详]: 北方工业大学, 2015.
[3] 李晓虎. 钢纤维缓和骨料混凝土抗拉性能试验研究[D]. [出版地不详]: 北方工业大学, 2012.
[4] 管勤,曹进,储可华. 矿物掺合料对塑钢纤维增强水泥混凝土力学性能的影响[J]. 青海交通科技, 2015, 卷缺失(4): 32-34.
[5] 刘瑞江,张业旺,闻崇炜,等. 正交试验设计和分析方法研究[J]. 实验技术与管理, 2010, 卷缺失(9): 52-55.
[6] 韩嵘,赵顺波,曲福来. 钢纤维混凝土抗拉性能试验研究[J]. 土木工程学报, 2006, 卷缺失(11): 63-67.
[7] 过镇海,张秀琴. 砼受拉应力-变形全曲线的试验研究[J]. 建筑结构学报, 1988, 卷缺失(4): 45-53.。