快冷装置说明书1讲解
- 格式:doc
- 大小:48.48 KB
- 文档页数:22
·使用前请仔细阅读本说明书·本公司保留说明书解释权·产品外观请以实物为准·阅后请与发票一并妥善保存·如遇产品技术或软件升级,恕不另行通知·本产品只适合在中国大陆销售和使用·该系列家用燃气热水器执行国家标准:GB 6932-2015地址:山东省青岛市黄岛区海尔工业园青岛经济技术开发区海尔热水器有限公司版次:2023年 第1 版专用号:0040511316检验印章:产品合格证产品名称:见铭牌/条码产品型号:见铭牌/条码出厂编号:见铭牌/条码检验日期:见铭牌/条码检验结论: 检验合格准予出厂使用说明书家用燃气快速热水器JSQ25-13S1(12T)U1JSQ25-13DKS(12T)U1JSQ30-16DKS(12T)U1JSQ25-13WG3(12T)U1JSQ30-16WG3(12T)U1JSQ22-12WG3MWCU1JSQ22-12MODEL(12T)U1JSQ25-13MODEL(12T)U1JSQ30-16MODEL(12T)U1型号:智能家电操控智慧场景定制智家商城购物家电报装报修“1+5”成套服务尊敬的用户:感谢您选择和使用我们的产品。
我们承诺:您的产品需要安装或维修等服务时,我们将为您提供:“1+5″的成套服务:1:一次就好服务。
5:五项增值服务:(1)安全测电服务:为您提供安全测电并提醒讲解到位服务;(2)讲解指导服务:向您讲解产品使用、保养常识,指导用户正确使用服务;(3)一站通检服务:服务好本产品,对家中其他本企业产品进行通检服务;(4)全程无忧服务:为您提供设计、送货、安装、清洗、延保、以旧换新等服务;(5)现场清理服务:服务完成后将服务现场清理干净。
为体现真诚、贴心,我们友情提醒:产品的安装服务,因用户的安装环境、个性需求不同,安装过程中如需辅加材料或有特殊服务项目需要支付材料等费用,您可以通过“海尔智家”APP-“智家服务”-“收费标准”进行查看,并给予监督。
医用冷藏箱说明书1产品定位医用冷藏箱是专为运送疫苗、血液、血清等而设计的移动便携的冷藏装置。
由于具有多种供电方式,包括家用交流电、车载电源、大容量锂电池等,可以实现冷藏物品在医院或家里、路途、目的地等之间实现全程的不间断冷藏保护,尤其适用于紧急救援等特殊任务。
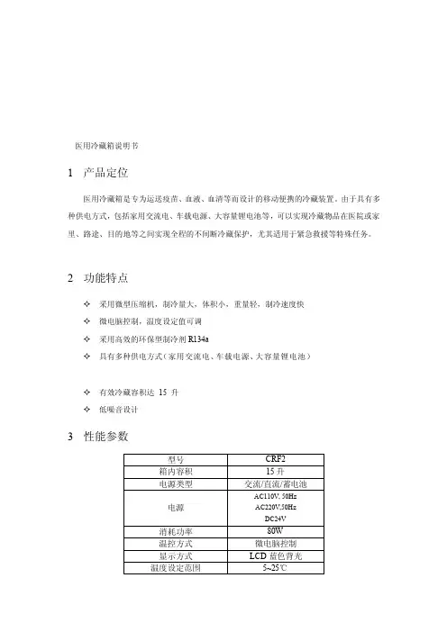
2功能特点✧采用微型压缩机,制冷量大,体积小,重量轻,制冷速度快✧微电脑控制,温度设定值可调✧采用高效的环保型制冷剂R134a✧具有多种供电方式(家用交流电、车载电源、大容量锂电池)✧有效冷藏容积达15 升✧低噪音设计3性能参数1 产品定位医用冷藏箱是专为运送疫苗、血液、血清等而设计的移动便携的冷藏装置。
由于具有多种供电方式,包括家用交流电、车载电源、大容量锂电池等,可以实现冷藏物品在医院或家里、路途、目的地等之间实现全程的不间断冷藏保护,尤其适用于紧急救援等特殊任务。
2 功能特点(1)采用微型压缩机,制冷量大,体积小,重量轻,制冷速度快(2)微电脑控制,温度设定值可调(3)采用高效的环保型制冷剂R134a(4)具有多种供电方式(家用交流电、车载电源、大容量锂电池)(5)有效冷藏容积达15 升(6)低噪音设计3 性能参数型号:CRF2箱内容积:15升电源类型:交流/直流/蓄电池电源:AC110V, 50Hz / AC220V,50Hz / DC24V 消耗功率:80W温控方式:微电脑控制显示方式:LCD蓝色背光温度设定范围:5~25℃节流方式:毛细管压缩机类型:可变速转子式压缩机排量:1.4cc压缩机转速:1000~4500rpm冷媒类型:R134a冷媒充注量:45g冷冻油类型:POE RL 68H冷冻油充入量:21cc电池容量:24V/10Ah电池续航时间:8h外形尺寸:(长×宽×高)460x248x478mm 重量:18 kg保温材料:聚氨酯工作温度:0-43℃工作湿度:<65%RH。
KCE技术手册风冷冷凝器和干式冷却器目 录--重用事项 (3)--KCE – 应用 (3)--KCE W – 应用 (3)--标识 (3)--检验 – 存储 (3)--安装情况 (3)--其他风险 (3)--尺寸特征Ø 500 mm (4)Ø 500 mm “E”;Ø 630 mm (5)Ø 710 mm (6)Ø800 mm (7)Ø800 mm “A”;Ø 910“A” mm (10)Ø910 mm “E”;Ø 910 “E A”;Ø1000 mm; Ø 1000 mm “A” (14)--安装 (16)--电路连接 (18)--所使用风机的技术参数 (19)--与热交换器的连接 (20)--启动前检查 (20)--启动后检查 (20)--正确安装 (20)--拆除可移动部件 (21)--维护 (23)--结束语 (23)重用事项1.该手册作为产品的一部分,在产品的使用期限内,必须妥善保管。
2.在安装和使用产品前,请仔细阅读说明,如有疑问,请联系制造商。
3.由于手册描述的产品是制冷系统的一部分,因此收到产品后不能立即使用,必须先由专业人员安装(请参见“安装和启动”)。
4.不可随意更换产品的零部件。
5.必须按照相关本地法律和特定的项目情况进行安装。
6.如因未遵守该手册的相关指示而导致不便、故障或事故,制造商不承担相关责任。
7.该手册反映的是销售本产品时的技术状态,由于改进设计和制造方法等原因导致手册更新,不再另行通知。
KCE - 应用1.该产品只能被用在专业设计的制冷系统中,错误或不恰当使用造成的后果,制造商不承担任何责任。
2.不可在未指定的情况下使用,否则被视为错误或不当使用。
3.产品描述:该风冷冷凝器配备轴流风机,适用于冷凝被压缩机压缩后的制冷剂。
4.产品的最低保护等级为IP54。
快速收球装置说明书沈阳永业实业有限公司前言快速收球装置为一款自动收纳清管球的油田用产品。
本产品设计合理、安全可靠、功能紧凑且安装方便。
实现了无人值守、定期、自动、连续多次收纳清管球,此装置的应用可以降低员工的劳动强度,节约清管作业成本,提高油田经济效益。
快速收球装置功能简介。
投球清蜡,是冷输采油作业中的内容之一,投球的目的是利用清管球在管路中的移动来清除输油管壁上凝聚的蜡质,达到疏通管路的目的。
在投球清蜡作业是将适合本装置的清管球,通过发球装置投进管路,清管球在油压的作用下向集油站运动,在此运动过程中刮除管壁上凝聚的蜡质,最后在集油站或管道末端再通过快速收球装置收取清管球。
这种发球-收球工作的重复运行即可有效的达到清蜡、疏通管路效果,有效的保证管路正常输油。
一、结构和工作原理1.结构、配置快速收球装置主要由收球筒、放空/排污管路、旁通管路(订货备选)、电气控制系统、保护箱(订货备选)等组成。
2.工作原理快速收球装置中的收球筒筒体内配置了盛装清管球的收球篮,用于收纳来自管道的清管球。
装置正常运行时,此收球篮会收纳来自管道的清管球,且此过程不影响管线的正常输油工作。
当收球篮内清管球达到额定数量时,通过收球筒的快开盲板口,取出收球篮,清空收球篮内清管球后,重新装入收球篮,装置再次进入自动收纳清管球状态。
取球、装篮过程的输油工作由旁通管路代为执行,整个取球、装蓝过程不影响管线的正常运行。
冬季使用时,装置配有加热、保温系统,利用加热系统对装置进行加热保温。
本装置的优点是利用收球筒自动收集多个清管球,且无需人员值守。
实现了一次清蓝后连续多天无需人员到场收球。
大大减少了操作员工到井场收球的次数,操作员工在设定的时间内到现场重新清蓝操作即可。
二、技术参数以随机配带出厂资料为准。
三、执行标准1.设计制造标准:GB50350-20052.法兰标准:HG/T20592-2009、HG/T20615-2009等四.发球装置自动控制系统(邢工编制)五.安装与运行1.安装快速收球装置为成套设备,底座有四个地脚螺栓孔,用地脚螺栓把装置固定在地面的基础上后,根据进出口管径规格将快速收球装置与输油管线连接。
FJR—IIA型发电机绝缘过热监测装置说明书华北电力科学研究院有限责任公司北京华科兴盛电力工程技术有限公司二○○六年再版华北电力科学研究院有限责任公司北京华科兴盛电力工程技术有限公司地址:北京市西城区复外大街地藏庵南巷1号邮编:100045电话:(010)68033998(010)88072032传真:(010)68033232FJR-ⅡA型发电机绝缘过热监测装置说明书FJR-ⅡA型发电机绝缘过热监测装置一、前言FJR―ⅡA型发电机绝缘过热监测装置,是应用九十年代高新技术对FJR-Ⅱ型装置进行技术改进研制的智能型装置。
它是国内领先水平的发电机在线监测装置,也是华北电力科学研究院有限责任公司的高新技术专利产品。
该装置适用于不同容量的空冷、氢冷和水冷发电机组,在线监测发电机内部绝缘过热事故隐患,它是早期诊断发电机绝缘过热故障的一种较灵敏装置。
通过故障采样,经过质谱分析,能够区分发电机定子线棒、铁芯和转子绕组等不同部位的绝缘过热故障。
FJR-ⅡA型装置是智能型仪器,灵敏度高,抗干扰能力强,能自动故障判别、自动报警、自动追踪、自动打印和智能储存。
在现场调试简单,维护方便,运行安全。
FJR-ⅡA型同FJR-Ⅱ型的区别在于FJR-ⅡA型装置为同功能一体化,不设小机箱,减少安装工作量。
二、主要技术性能1.工作条件环境温度:0~50℃相对湿度:≤85%电源:AC 220V 50Hz容量:100VA使用方式:连续运行安装位置:在6米平台发电机下部2.主要技术指标工作压力:满足5.3×105 Pa为额定氢压及以下的汽轮发电机组检测流量:2~6L/min取样流量:5~10 L/min取样容积:100L以上零点漂移:正常运行24小时,零点漂移不大于表计全量程的±3%电流指示:正常运行时100~110%报警整定值:75%±1%检测灵敏度:机内绝缘局部过热面积(包括绝缘漆退色)为12㎝2时,电流下降百分率不小于30%绝缘水平:电源输入回路对外壳的绝缘电阻>500MΩ交流耐压:1500V记录纸更换周期:每年1~2次3.性能及特点该装置具有适应性强,液晶显示,智能化程度高的特色。
SC系列除盐水闭式循环冷却装置使用说明书SC Series Desalted Water and Closed Cycle Cooling EquipmentOperation Manual版号: 02Edition No. 02文件编号: ZG/WH001-2008Document No. ZG/WH001-2008苏州赛华仪控有限公司SINO-US SUZHOU SAIHUA APPARATUS MONITORING CO.,LTD二○○八年八月目录1、系统概述 (2)2、装置主要技术参数及引用标准 (2)3、原理介绍及装置各主要部件介绍 (2)4、装置的安装 (5)5、装置的使用 (5)6、装置的保养维护 (6)7、常见故障及排除方法 (7)8、安全注意事项 (7)9、售后服务 (7)感谢您使用本公司产品!在使用本产品时,请仔细阅读本使用说明。
本说明书主要介绍了装置的安装使用和出现故障时应采取的措施。
1、系统概述SC系列除盐水闭式循环冷却装置是火力发电厂“水汽取样装置”的配套产品,也可用在其它需要水-水,汽-汽热交换的场合。
该装置提供稳定流量的低温除盐水,构成完成独立的闭式循环,保证设备安全运行。
2、装置主要技术参数及引用标准2.1技术性能参数表(1)DL/T665-1999《水汽集中取样分析装置验收标准》(2)火力发电厂电力建设施工及验收技术规范《焊接篇》(3)87GD《火力发电厂汽水管道零件及部件典型设计手册》(4)DL5000-2000《火力发电厂设计技术规程》(5)GBJ87—85《工业企业噪声控制设计规范》(6)DL/T805.1—2002《火电厂汽水化学导则》(7)DL/T457—91《水汽取样装置》(8)GB4720《低压电器电控设备》3、原理介绍及装置各主要部件介绍3.1、工作原理在系统中作为冷却水使用的除盐水,因其工作时吸收了样品水的热量而被加热,为重复使用首先将其通入除盐水箱,以水泵打压以后,由换热器完成冷水(工业水冷却受热除盐水)的热交换工作,降温后的除盐水再次作为冷却水使用,周而复始闭式自循环。
0c机器外观以实物为准本产品只适合在中国大陆销售和使用GAC系列我们承诺,您任何海尔产品需要安装或维护服务时,我们将提安全测电服务:服务前为您安全测电并提醒讲解到位。
讲解指导使用:指导您正确使用、讲解保养常识,以延长产品维护保养:产品安装或维修后,对产品维护保养,以一站式服务营销:如您有新的购买需求,将向您提供上门现场清理服务:服务完毕将服务现场清理干净。
欢迎您对我们的服务进行监督,一旦我们的服务承诺未执行到位,请拨打24小时全国统一客服电话4006 999 999进行投诉。
经核实无误,您将获得100元监督奖金!海尔,期待您的参与!更便捷 更)如果您的产品有服务需求,欢迎体验海尔自助服务专区切勿向内外机淋水或用水冲洗空调器;不要让油漆、杀虫剂、啫喱水等可燃性物质靠近或喷涂在机器表面。
否则易造成龟裂、触电、火灾。
绝不允许将电源线中途连接或使用接长的电线。
不要破坏、加工电源线。
否则易造成触电、火灾等事故。
必须可靠接地!接地线应接在建筑物的专用接地装置上。
切勿把接地线接在煤气管、自来水管等不可靠的地方。
接地不可靠会导致触电、火灾。
电源安装后应通电进行漏电使用规定容量的保险丝,绝对不要用钢丝或铜丝代替保险丝凡带有该“警示”标志的内容,有关产品安全和使用者的人身安全,必须严格按警示的内容操作。
尊敬的海尔用户:您好!感谢您使用海尔空调。
为了您能更好的阅读本说明书和使用空调,以下是我们对说明书中出现标志符号的解释说明:1.必须使用有可靠接地的电源,电源的地线要埋入大地,不能和自来水管等公用设施连接;分清电源的地线和零线,不能将这两种导线连接在一起。
由于柜式空调电流较大,用户空调线路必须为专用线路,电路容量必须足够,线径要等于或大于说明书中对电源线的要求,当负载能力不够时,用户应该更改家为了您和家人的安全,如果您家中用电有不符合上述要求的地方,请您尽快改进。
感谢您使用海尔空调,我公司将按照《中华人民共和国消费者权益保护法》的有关规定及我公司对用户的真诚承诺,凭2. 本机在规定包修期内,凡属于制造问题发生的故障,均可免费维修。
型号:“1+5”成套服务尊敬的用户:感谢您选择和使用我们的产品。
我们承诺:您的产品需要安装或维修等服务时,我们将为您提供:“1+5″的成套服务: 1:一次就好服务。
5:五项增值服务:(1)安全测电服务:为您提供安全测电并提醒讲解到位服务;(2)讲解指导服务:向您讲解产品使用、保养常识,指导用户正确使用服务; (3)一站通检服务:服务好本产品,对家中其他本企业产品进行通检服务; (4)全程无忧服务:为您提供设计、送货、安装、清洗、延保、以旧换新等服务; (5)现场清理服务:服务完成后将服务现场清理干净。
为体现真诚、贴心,我们友情提醒:产品的安装服务,因用户的安装环境、个性需求不同,安装过程中如需辅加材料或有特殊服务项目需要支付材料等费用,您可以通过“海尔智家”APP-“智家服务”-“收费标准”进行查看,并给予监督。
如未按标准收费或服务规范执行不到位,可拨打服务监督电话400 699 9999,或通过“海尔智家”APP-“智家服务”-“在线客服”进行监督、评价。
如果您的产品有服务需求,欢迎体验海尔智家自助服务专区(预约服务、一键安装、一键维修):手机搜索安装“海尔智家”APP,您可通过“智家服务”版块选择安装、维修等服务。
如您需要选购更多产品,可在“海尔智家”APP-“商城”进行选购。
(更便捷、更快速、更省钱) 期待您的参与!使用说明书家用燃气快速热水器地址:山东省青岛市黄岛区海尔工业园青岛经济技术开发区海尔热水器有限公司版次:2023年 第3版专用号:0040511318JSQ31-16FR3BDU1(LPJ)JSQ31-16WRS星蕴U1JSQ31-16KN3致逸U1JSQ31-16KN5致远U1JSQ31-16FR3BDU1JSQ31-16FR5BDU1JSQ31-16FR6BPU1JSQ31-16FV5BDU1JSQ31-16FNT5U1JSQ31-16FX7U1JSQ31-16FA5U1(以FX7为例)·使用前请仔细阅读本说明书·本公司保留说明书解释权·产品外观请以实物为准·阅后请与发票一并妥善保存·如遇产品技术或软件升级,恕不另行通知·本产品只适合在中国大陆销售和使用·该系列家用燃气热水器执行国家标准: GB 6932-201520mm厚度的绝热材料;7.排烟管出口应有向下3°-5°的倾斜,以利于冷凝水流出,并防止雨水倒灌。
目录产品介绍安全与警告提示 (2)产品特点 (3)处理旧冰箱的注意事项 (4)搬运和放置 (4)电器联接 (5)产品标准 (5)安装尺寸 (6)各部件名称 (7)使用使用前的准备 (8)温控器和灯装置 (8)开机和温度调节 (8)速冻 (9)冷藏室 (9)冷却能力 (9)冻鲜室 (9)冷冻室..........................10冷冻能力 (10)冷冻食品的储存期 (10)清洁与维护除霜 (11)清洁 (12)节能 (12)其他事项 (12)非故障现象及特殊现象的分析与排除非故障现象 (13)特殊现象的分析与排除 (14)客户服务保修指南 (15)务必使用单独的、带可靠接地线的三芯电源插座。
避免挤压、折叠、打结或损坏电源软线。
如果电源软线损坏,为避免危险,必须由制造厂或其维修部或类似的专职人员来更换。
更换电源线后冰箱才可通电使用,否则易造成触电甚至引发火灾。
拔电源插头时,不要直接拉拔电源软线,以防拉断。
应看管好幼儿,确保其不要玩耍和攀爬冰箱,另外不要让任何人爬、坐、站或依在冰箱的门上,以防造成人身伤害及冰箱损坏。
维修或清洁冰箱时,必须拔下电源插头。
本冰箱为家用冷藏冷冻箱,主要用于食物的储存和冷冻,不适用于对温度有严格要求的物品(如疫苗、菌种及化学试剂等)。
危险-冰箱附近切勿存放或使用易燃性物品,如煤气,涂料,汽油等,并且禁止将易燃、易爆物品如酒精、汽油等放在冰箱中,以防爆炸及火灾的发生。
危险-盛液体的玻璃瓶或罐不可放在冷冻室,因为完全冰冻后有爆炸的危险。
使用本机器前请仔细阅读使用说明书!它包含有冰箱放置、使用和保养的重要信息。
请为以后的使用保存好所有资料。
安全与警告提示危险-不要将冰箱安放在潮湿和容易溅到水的地方。
危险-勿用湿手触摸冷冻室的食品或金属容器,否则,易因低温而造成冻伤。
警告-本产品为家用电冰箱,只适用于储藏食品,不能用于其它用途,如储藏血液及制品,药品,生物制品,化学物品和技术资料等。
操作按键及状态显示面板将电源插头正确插入220V~/50Hz的独立电源插座。
1.2.3.按【开关键】启动热水器,设定温度。
打开洗浴水阀,显示器显示工作状态,热水器点火工作,水温快速上升到用户设定温度。
第一次使用或长时间未使用热水器,因燃气管道内有空气,需多次开关洗浴水阀才能点火。
刚开始使用时,要排完水管内的冷水,热水才能出来。
水流量过小时,热水器可能无法点燃,即使勉强点燃也可能中途熄火。
启动热水器建议燃气热水器不要安装混水阀,如已安装了混水阀,请在使用燃气热水器时,将混水阀旋至全热水状态。
结构图通过控制面板的【+】/【-】进行温度设定,温度可调范围为35℃-50℃;温度显示为当前设置温度。
热水器启动后,在不出水的条件下,可进行高温水设定,(最高可逐度设定为60℃)。
若使用冷水,请按【开关键】,关闭热水器。
温度调节热水器使用一段时间后,请用湿巾轻轻地擦拭外壳,不要使用化学清洁剂,以防外壳褪色。
卸下滤水网,用水冲洗其中污垢后重新装入。
(清洗方式详见冷水管安装部分)清洁保养关闭洗浴水阀,热水器自动停止工作。
风机会在进行热水器清扫后再停止。
若较长时间不使用热水器,请拔下电源插头,关闭燃气阀门,关闭冷水阀,旋下过滤网和泄压阀,将机器内残留的水排尽,以减少水垢和防冻。
停止使用Wi-Fi功能通过Wi-Fi网络实现远程控制、运行监测等功能,尊享便捷优质服务。
标配机型,需自备设备:智能手机,无线路由器(需连接互联网)。
使用说明:首先下载相应的APP软件,安装后请参照通用版说明书进行注册和机器绑定。
上电安全监测功能整机通电后显示屏全显2s,接着显示当前对应的升数值,显示1s,然后进入自检模式,自检结束后进入上次断电之前的状态。
如自检过程没有故障,则跑马灯跑完后,自检完成;如果有故障,则显示完升数后代码显示故障。
其它功能断电记忆:热水器断电后,再次通电会记忆断电前设定的水温。
如果设定温度高于50℃,再次通电时系统将自动将温度设定到出厂温度42℃ 。
汽轮机快速冷却装置说明书一、用途:汽轮机快速冷却装置是大容量汽轮机停机后,用压缩空气加速冷却的配套设备,利用压缩空气加速汽轮机停机后的冷却,系统中配装了本装置后,冷却介质—空气的初始温度,可根据停机时金属的温度水平及整个冷却过程中不同冷却阶段,按要求换热温差和降温速率,较方便地进行调整。
在冷却系统中配置了本装置以后,使冷却过程中的空气流量和空气初始温度具有两个可调手段,达到完全可靠和温度速率均匀,获得较理想的加速冷却效果,而且可以将冷却空气预先加热到所需的初始温度,换热温差可根据要求调整,所以在选择汽轮机冷却空气入口位置时具有很大的灵活性,从汽轮机各项控制指标的监视、操作调整方便上考虑,可制定出适合具体机组冷却系统。
本装置还专门配备高效除油过滤器(气液分离器),使冷却空气获得较好的品质,在汽轮机较低温度冷却阶段其容量能满足汽轮机最佳冷却速率所需气量要求。
配有本装置的压缩空气冷却系统,也可以对汽轮机启动时预热汽缸,缩短或甚至取消低速暖机阶段;机组热态启动时可用于降低停机后汽缸温度水平至升炉开机时的气温相匹配,锅炉升火后及时开机带负荷,并减少升炉过程中向凝汽器的排放量;机组停机备用时,可用热空气加热干燥,防止湿气腐蚀进行保养备用。
二、结构和工作原理1、结构汽轮机快速冷却装置,主要由下列各部分组成:电磁阀、高效除油过滤器(气液分离器)、电加热器、分气箱等(见汽轮机快速冷却装置系统图,附图 1)。
2、工作原理汽轮机快速冷却装置将压缩空气母管或专用空气压缩机来的压缩空气,经电磁阀后送入高效除油过滤器除去油水,并经过滤器内的不锈钢网滤掉杂物,经空气电加热器加热到所需温度,通过分气箱输出气阀将空气分别送往汽轮机冷却空气入口部位。
高效除油过滤器和电加热器均可串联或并联运行。
本装置采用的高效除油过滤器先经离心分离,再经不锈钢丝网为主体滤料的过滤器,是一种以气溶力学及凝聚式过滤机理为理论依据的新型空气净化装置,对过滤压缩空气中的灰尘,油雾、降低含湿量具有显著效果。
当与有油压缩机配套使用时,可获得含油量低- 1 -于无油润滑压缩机的成品气体,故可使汽轮机快冷时获得干燥、洁净的空气品质。
空气电加热器是由多支电热元件、筒体、导流隔板组成。
用不锈钢为套管的直杆式管状电热元件。
具有耐热、耐磨、高绝缘机械性能好、传热效果高等特点,采用螺纹连接且检修更换方便。
压缩空气预热温度由电器控制柜控制。
电器控制柜有分段调节数字显示温控仪组成。
可根据汽轮机的降温曲线方便的调节出每段曲线内时间温度速度并能自动进入下段功作。
分气箱检测送出空气预热后的温度信号,在数字温度表上直接显示;自动调节则由分气缸所监测的温度信号,输出适当功率调节空气预热温度,按要求实现自动降温。
本控制柜具有较高的控制精度和良好的调节性能,工作可靠,操作方便。
本装置还附有空气流量测量装置一套,故流量、温度显示均很直观。
本装置进口处安装的电磁阀,在加热器如突然发生故障时能自动关闭冷汽源,防止冷空气在进入汽轮机起到很好的保护作用。
三、型号、规格、技术参数1、过滤器2、冷却装置(电加热器型号、功率)最高价热温度/流量最大流量入口总管- 2 -:型接法,如图 13、电热元件在电加热器中安装后采用 Y U相中线W相V相电热管电热管引线1图4、分气箱(1) 设计工作温度≦350℃;(2) 设计压力 0.8Mpa;5、快冷装置外型尺寸及重量(3)长×\u23485X×\u39640X=2600×1800×1650(4) 重量:2800kg。
6、控制柜仪表安装、外形图 (见附图 2)四、温度控制柜1、技术参数(1)输入电压:380V (三相四线)(2)输出电压:0~380V (三相)(3)最大负载功率:240KW (三相)(4)最大负载电流 360A (每相)(5)控制范围:0~400℃(6)温控精度:±0.5% ±1 个字- 3 -2、控制原理汽轮机快速冷却装置,电热温度控制柜由 PT100 热电阻和目前我厂开发的新颖科技产品 XMT-3000 型数字显示温控仪组成。
通过手动温控仪方便的手动调节出气温度,并在分气箱监测送出空气预热后的温度信号,在数字温度表上直接显示;自动调节则由汽缸所监测的温度信号,转换为 4~20mA 的电流信号,送至 ZK3 可控硅电压调整器,随着 4~20mA 信号的变化,自动输出适当功率调节空气预热温度,按要求实现自动分段降温。
XMT-3000 采用先进的微电脑芯片及技术,减小了体积,并提高了可靠性及抗干扰性能。
输入采用数字校正系统及自校准技术,测量精确稳定,消除了温漂和时漂引起的测量误差。
具备 WATCHDOG 及数字滤波功能。
在强干扰环境下也能保持精确的测量及稳定的工作。
采用先进的专家 PID 控制算法,具备高准确度的自整定功能。
并可以设置出多种报警方式。
五、安装和接线i. 汽轮机快速冷却装置为移动式结构,除控制柜外,均装在一个可移动的底盘上。
安装地点宜选在干燥通风、便于操作的地方,整个装置应水平安置。
ii. 控制柜和电加热器外壳应可靠接地。
iii. 电源拇、温度计接线均应联结正确,牢固。
iv. 装置的个法兰、阀门、联接螺栓及控制柜元件均不应有松动或损坏,如果有异常应及时拧紧或更换。
v. 冷却系统与汽轮机原系统相联接处的阀门、管件,应符合相应的参数要求。
为防止汽轮机运行中阀门泄漏,最好在阀门出加装盲板法兰,当快速冷却时再拆除。
六、使用与操作i. 检查快速冷却装置自身所有阀门均在关闭状态。
ii. 控制柜接通电源,合上温控仪,流量计电源开关 KK(见控制原理图),开启气总控电磁阀(见快冷装置系统图 1)。
iii. 打开旋风过滤器排污阀,利用压缩空气冲洗母管并排尽油水,然后关闭旋风过滤器排污阀。
iv. 控制柜操作:合上加热器电源空气开关,按下加热器控制电源按扭,将加热器手动/自动开关置“手动”位,逆时针调整温控仪手动控制电位器至最小值,启动加热器。
首先在 80℃温度下进行自身烘大约 30~40 分钟,然后才能连续投运。
- 4 -v. 利用 1-6 号阀和排空阀、排污阀依次将装置系统内部吹扫并将污物排放干净。
同时打开排空阀对空排放,用白纸捡验排空管的空气品质待排放空气完全清洁后再投入汽轮机冷却工作。
vi. 打开 1 号阀关闭 2,3,4 号阀将空气过滤器的出口和电加热器的进口成串联状态。
手动控制:将加热器手动/自动开关置“手动”位,顺时针调整温控仪手动控制电位器,装置输出电流电压逐渐增大,电加热器开始加热,加热器温度随之上升,直至达到分气缸显示温度值。
自动控制:将加热器手动/自动开关置“自动”位,装置自动跟踪所设定的温度反馈信号,输出相应的电压、电流,使加热器温度随分气缸温度的设定值下降或上升,使加热器的加热和下降温度始终控制在所设定的温度曲线内运行。
8、操作结束,停加热器,切断电源开关,关闭所有阀门。
长期微开 14,15 号排污阀,排除可能由进气阀门漏气给设备造成腹中水。
七、常见故障的维修和注意事项i. 电源指示灯不亮,电压表无指示,温度不上升。
检查输入电压是否正常,熔丝是否完好。
ii. 三相电源不平衡。
用万用表检查单只电热元件是否损坏,更换。
iii. 温度显示紊乱,不规则。
检查测温接点是否完好。
iv. 安全阀应定期校验,保证起座压力符合规定。
v. 停用期间疏水阀应保持微开,以防汽轮机系统阀门泄漏,出现意外。
vi. 该装置特别是控制部分为精密仪器,运输时小心轻放,严禁冲击撞打,装置应合理吊装,以免变形或损坏零件。
vii. 控制柜和电热器的外壳应可靠接地- 5 -QAFF 阿牛巴流量计阿牛巴空气流量计的一次部分装于管道上,二次仪表装于控制柜面板上,是一个独立的空气流量测量系统。
1、工作原理一次检测元件包括阿牛巴浮子传感器和远传压力表。
二次仪表包括转换器压力补偿运算器和比例积算器等,它们同装于一个表壳内。
(1) 原理框图(图7)U1 0-10mA 运算器一次部分0-10mA二次部分图3 空气流量计工作原理框图- 6 -(2)检测元件——阿牛巴阿牛巴管又称均速管,它的十侧开有四个小孔,在主管道中迎着气体流向,它们与全压管相连通,,另一侧中心处开的小孔,与静P10引出平均全压压管相接,背着汽流方向,故阿牛巴流最计是差压式流量计,安装时注意方向。
图4 阿牛巴结构示意图(3)浮子传感器。
金属浮子浮子传感器的原理如图9 1 位于2 内,浮子腔的上下口分别与阿喇叭形的浮子腔的作用P 牛巴的静压管和全压管相连通。
在厶下,空气在腔内自下向上流动,将浮子推起并维就产持在相应高度,由吊丝与浮子相连的铁芯 3生与浮子相同的位移,于是,有差动讯号输U2出,的数值反映了厶U2 P 的大小,因此也就反映了流的大小。
传感器的腔内因有空气流动,当空气5 图浮子传感器原理图不洁净特别带有油汽时,易将浮子粘住,遇此情况时,使用前应先进行清理。
- 7 -2、技术规范:1.工作压力:≤1.6MPa;2.5 MPa2.介质:蒸汽、空气、非腐蚀性气体3.测量精度:2.5 级4.管道直径:25、32、40、50、65、80、100、125、150、200、250mm 5.流速范围:10-30m/s6.介质温度:≥225℃环境温度:0,d45℃7,显示方式:瞬时流量:DC0~10mA、指示,累计流量:六位计数器。
8.电源电压:AC 220V±10%50HZ9.输出讯号:瞬时流量讯号:DC 0~10mV10 外型尺寸:一次表:108X65X280mm(长X 宽X 高)二次表:380X160X80mm(长X 宽X 高)11.重量:7.5~9kg3、使用方法(1)接线方法如图10 所示。
图6 接线示意图(2)仪表零点调整开始使用未通气体以前,必须进行零点调整,其方法如下:接通电源,断开压力讯号,卸下传感器套壳上的标牌,从套壳上的窗口调节调零螺母,使流量讯号刚有指示,然后再从二次表壳S 的“调零”电位器进行微调,使其指示值约为o.25/uo.3mA 左右接回压力讯号、指示会下降为零,此即“零点”。
(3)开始使用时,开通管道气体,仪表便有流量指示,约经5 分钟加热后,指示会渐趋稳定,此时便可正常计量。
(4)仪表的累积速度分块、慢两档,短接D1、D2 为慢档,计数器每字代表的空气容积为直读式数字显示。
共有两个显示窗口,上显示窗口为瞬时流量显示,下显示窗口为累积流量显示。
- 8 -附录压缩空气强制通风冷却简介及应用效果介绍1.汽轮机停机后快速冷却的必要性。
现代大型汽轮机组的蒸汽初参数高、汽缸及转子等热容量大、保温材料性能好、保温工艺得到了改进,使机组在停机检修时须要很长的等待冷却时间,突出了与检修工期的矛盾,降低了机组的可用率。