带式输送机设计及选型
- 格式:doc
- 大小:1.66 MB
- 文档页数:80
第3章 带式输送机的设计计算设计胶带输送机时,要知道输送机的工作条件(如使用地点、运距、倾角及被运货载的性质,如散集容重、快度等),以及装载和卸载方式等,根据工作条件的要求合理地确定输送机的传动系统和结构方案。
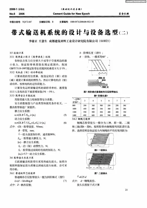
第3.1节 原始数据(1) 输送机长度:1000m(2) 带速:v=2.5m/s(3) 选择带宽B=1.2m 的GX2000型钢丝绳芯胶带3.2输送机输送量的计算取v 表示胶带运动速度(m/s ),q 表示单位长度胶带内货载的重量(kg/m ),则胶带输送机的输送能力为3.6(/)Q v t h = (3-1)单位长度的载荷q 值决定于被运货载的断面积F (m 2)及其容重γ(t/m 3),对于连续货流的胶带输送机单位长度重量为1000(/)q F kg m γ= (3-2)将式(3-2)代入(3-1)式,则得3600(/Q F v t h γ= (3-3)货载断面积F 的大小主要取决于胶带的宽度。
如图3—1所示为槽形胶带上货载的断面。
图3—1 槽形胶带上货载断面货载断面由梯形断面F 1和圆弧面积F 2组成。
在胶带宽度B 上,货载的总宽度为0.8B ,中间托辊长为0.4B ,货载在带面上的堆积角为ρ,并堆积成一个圆弧面,其半径为r ,中心角为2ρ。
则梯形面积为12(0.40.8)0.2tan 3020.0693B B B F B +⨯== 圆弧面积为222(2sin 2)20.4()(2sin 2)/2sin r F B ρρρρρ⨯-==⨯- 总面积为12220.40.063()(2sin 2)/2sin F F F B B ρρρ=+=+⨯- 即 220.4[0.063()(2sin 2)/2]sin F B ρρρ=+⨯- (3-4) 式中 ρ——货载的堆积角,(弧度);将式(3-4)代入(3-3),化简后,可得胶带输送机的输送能力2(/)Q KB v C t h γ=式中 B ——胶带的宽度(m );Q ——输送量(t/h );v ——带速(m/s );γ——货载散集容重(t/m 3);K ——货载断面系数,K 值与货载的堆积角ρ值有关, C ——输送机倾角系数。
带式输送机的毕业设计带式输送机的毕业设计随着工业化的进程,带式输送机作为一种重要的物料输送设备,被广泛应用于各个领域。
在工厂、矿山、码头等场所,带式输送机可以高效地将物料从一个地方输送到另一个地方,大大提高了生产效率和工作效益。
在我即将毕业的大学阶段,我选择了带式输送机作为我的毕业设计项目,旨在深入研究其原理和优化设计,为实际应用提供更好的解决方案。
首先,我将对带式输送机的原理和结构进行详细的研究。
带式输送机主要由输送带、驱动装置、支撑装置、张紧装置和清理装置等组成。
通过驱动装置的带动,输送带将物料从起点输送到终点。
而支撑装置和张紧装置则起到稳定输送带和调整张力的作用,清理装置则用于清除输送带上的杂物。
通过对这些部件的深入研究,我将能够更好地理解带式输送机的工作原理,为后续的设计和优化提供基础。
接下来,我将进行带式输送机的设计和优化。
在设计过程中,我将充分考虑物料的特性、输送距离、输送量等因素,选择合适的带式输送机型号和参数。
同时,我还将对驱动装置、支撑装置、张紧装置和清理装置等进行优化设计,以提高带式输送机的效率和可靠性。
通过应用现代设计软件和仿真技术,我将能够更加准确地评估设计方案的可行性和优劣,并提出改进意见。
除了设计和优化,我还将进行带式输送机的实验研究。
通过搭建实验平台和采集数据,我将对带式输送机的工作性能进行测试和分析。
通过对实验结果的统计和对比,我将能够验证设计方案的可行性和有效性,并进一步改进和优化。
同时,我还将对带式输送机的运行状态、维护保养等方面进行研究,以提出相应的操作指南和维修方法,确保带式输送机的长期稳定运行。
最后,我将撰写一份完整的毕业设计报告。
在报告中,我将详细介绍带式输送机的原理、结构、设计和优化过程,以及实验研究的结果和分析。
同时,我还将总结研究中遇到的问题和挑战,并提出未来的研究方向和改进方案。
通过这份报告,我将能够全面展示我的毕业设计成果,并为相关领域的研究和实践提供有价值的参考。
带式输送机基本参数与尺寸一、引言带式输送机是一种常见的物料输送设备,广泛应用于矿山、冶金、化工、建筑材料等行业。
在工业生产中,带式输送机起到了起重、运输和装卸物料的重要作用。
本文将就带式输送机的基本参数与尺寸进行全面、详细、完整地探讨,帮助读者更好地了解和应用带式输送机。
二、带式输送机的基本参数带式输送机的基本参数是指影响带式输送机性能和输送效果的一些重要参数。
下面是带式输送机的几个基本参数:1. 带宽带宽是指带式输送机的工作面宽度,一般根据物料的输送量和带式输送机的尺寸来确定。
带宽过大会增加设备的重量和功耗,而带宽过小则会限制物料的输送量。
因此,在选择带宽时需要综合考虑物料性质、输送量和输送距离等因素。
2. 传输能力传输能力是指带式输送机每小时输送物料的能力,通常以吨/小时为单位。
传输能力与带宽、带速和物料的密度有关。
一般情况下,传输能力越大,带式输送机的输送效率越高。
3. 带速带速是指带式输送机上输送带的线速度,通常以米/秒为单位。
带速过大会增加物料的冲击和磨损,而带速过小则会降低输送能力。
选择合适的带速需要根据物料性质和输送距离等因素来确定。
4. 传动形式带式输送机的传动形式有多种,常见的有机械传动和电动传动两种。
机械传动主要通过减速机、皮带轮和输送带的摩擦来传递动力,而电动传动则通过电动机和减速机来传递动力。
选择合适的传动形式需要考虑设备的特点、工作环境和经济效益等因素。
三、带式输送机的尺寸设计带式输送机的尺寸设计是保证设备正常运行和输送效果的重要环节。
下面是带式输送机的几个尺寸设计要点:1. 输送带宽度输送带宽度应根据物料的输送量和带式输送机的工作面积来确定。
一般情况下,输送带宽度大于带式输送机的带宽,可以避免物料泄漏和堆积现象的发生。
2. 输送距离输送距离是指物料从进料端到出料端的距离,决定了带式输送机的尺寸和功耗。
一般情况下,输送距离越长,带式输送机的功耗越大。
3. 输送角度输送角度是指带式输送机的工作面与水平面之间的夹角,对带式输送机的输送效果和动力消耗有一定影响。
带式输送机的方案引言带式输送机是一种常用的物料输送设备,广泛应用于许多行业,如矿山、冶金、建材、化工等。
它以其简单的结构、高效的输送能力和灵活的布置方式而受到广泛赞誉。
本文将介绍带式输送机的方案,包括其工作原理、主要部件以及常见的应用场景。
一、工作原理带式输送机的工作原理是利用带式皮带运输物料。
它主要由驱动装置、滚筒、张紧装置、托辊、支撑装置、中间架等组成。
当驱动装置启动时,皮带开始运行,将物料从一个位置输送到另一个位置。
带式输送机的运行速度可以根据物料输送的需求进行调整,从而实现精确的输送控制。
二、主要部件1. 驱动装置:驱动装置通常采用电机,通过带动皮带的运动来实现物料的输送。
电机的功率和转速决定了输送机的负荷能力和速度。
2. 滚筒:滚筒是带式输送机的核心部件之一,它支撑和传递皮带的运动。
滚筒通常由金属制成,其内部设有轴承,以降低摩擦力并保证带式输送机的正常运行。
3. 张紧装置:张紧装置的作用是保持皮带的张紧度,从而确保皮带的正常运转。
常见的张紧装置包括手动张紧装置和自动张紧装置。
4. 托辊:托辊位于输送机的侧边,用于支撑和引导皮带的运动。
托辊通常由金属或塑料制成,其设计和制造质量对输送机的正常运行起到关键作用。
5. 支撑装置:支撑装置用于支撑输送机的整体结构。
它通常由钢架或钢板构成,提供了稳定和坚固的支撑。
6. 中间架:中间架用于加强输送机的结构,以增加输送机的承载能力。
中间架通常由横梁和立柱构成,可以根据实际需要进行调整和布置。
三、常见应用场景1. 矿山行业:带式输送机在矿山行业中被广泛应用于矿石的运输和卸载。
它可以实现长距离、大量物料的连续输送,提高生产效率。
2. 建材行业:带式输送机在建材行业中主要用于水泥、石灰、砂石等物料的输送。
它可以将原材料从仓库输送到生产线,实现自动化生产。
3. 冶金行业:带式输送机在冶金行业中主要用于矿石的输送和筛选。
它可以将矿石从采矿区输送到选矿厂,提高矿石的利用率。
毕业设计课题名称:DT-(Ⅰ)皮带输送机设计(输送带部分)目录摘要及关键词................................................. .. (3)前言......................................................... .. (3)一、传动系统的方案设计.......................................... .. (4)1)、对传动方案的要求..................................... . . (4)2)、拟定传动方案..................................... ...... .. 4二、带式输送机的设计............................................... (4)1)、确定带速V.............................................. . .. .. 42)、确定带宽B............................................... . (4)3)求圆周力 (5)4)求各个点的张力 (6)5)校核重度 (7)6.校核胶带安全系数 (7)7)拉紧装置设计 (7)三、电动机的选用 (7)1)电动机容量的选择................................................ .7 *2)传动比的分配 (8)*3)各轴转速、功率和转矩的计算 (9)*4)带的设计 (10)*四、齿轮的设计..................................................... .13 *五、减速器中轴的设计.................................................. . 20六、传动滚筒内轴的设计................................................. . 201)选择轴的材料确定许用应力 (20)2)按扭转强度估算轴径 (20)3)设计轴的结构并绘制草图 (20)4)按弯扭合成强度校核轴径 (21)5)轴的刚度校核 22七、改向滚筒内轴的设计 (22)1)选择轴的材料确定许用应力 (23)2)确定各轴段的长度 (23)3)按强度设计轴径 (23)4)设计轴的结构并绘制草图 (24)5)轴的刚度校核 24八、滚动轴承的选择(传动滚筒)......................................... .25九、滚动轴承的选择(改向滚筒) (25)十、键和联轴器的选择 (25)1)传动滚筒上联轴器的选择 (26)2)传动滚筒上键的选择 (26)3)传动滚筒轴内键联接的选择........................................ . 264)改向滚筒轴内键联接的选择 (26)*十一、滚动轴承的润滑 (27)结论 (27)结束语 (27)附:主要参考文献 (28)带*号的是同组王勇同学所做,不带的是本人所做DT-(Ⅳ)胶带输送机设计(输送机部分)摘要:本课题针对杨府山煤用码头胶带输送机进行了设计计算,根据设计任务书拟定传动系统的方案,对传动系统进行了总体设计。
电子科技大学毕业设计(论文)皮带运输机设计专学生姓名:**完成时间:2022年4月26日皮带输送机的设计目录1. 摘要 (2)2. 关键词 (2)3. 输送机概述 (3)4. 设计与计算 (5)4.1皮带输送机配置示意图 (5)4.2 皮带输送机主要设计要求 (5)4.3 设计基本资料 (7)4.4 设计皮带输送机时首先要考虑的因素 (7)4.5 设计步骤 (9)4.6具体计算 (10)4.7. 拉紧装置的设计 (39)4.8.刮料器的设计 (40)4.9. 入料槽及裙板的设计 (40)4.10. 头部漏斗的设计 (40)4.11. 机架和空中通廊的设计 (41)4.12. 电气及安全保护装置 (41)5. 带式输送机的安装、维护与保养 (42)5.1输送机的安装程序 (42)5.2. 输送机试车 (43)5.3. 输送机的保养 (44)6. 结束语 (45)皮带输送机的设计1.摘要此次设计选用传统皮带输送机来设计。
传统皮带输送机在工农业上应用是非常广泛的﹐皮带输送机有其许多优点﹐如其速度快﹐输送量大﹐可远距离输送(单机)﹐马力大﹐规格标准化﹐成本低维修保养方便等等。
此次设计的皮带输送机主要用途是用来输煤和纸渣﹐其进料由与它衔接的另外的皮带输送机入料﹐经过此皮带输送机将煤送入贮槽堆放以备使用。
根据业主提供的原始资料及设计要求等﹐首先经过理论计算﹐得到设计皮带输送机的基本设计数据﹐再计算其它相关重要数据如功率﹐内马达传动比﹐张力计算等。
再设计轴﹐由经验公式等校核轴﹐进而设计皮带轮等驱动设备及其附属设备。
然后可以开始绘图来逐步完善各个部分的设计。
此次设计﹐要求皮带输送机具环保功能﹐故要设计密闭的空中通廊﹐因为输送煤﹐有粉体产生﹐因而贮槽必须有防爆等安全设备﹐皮带输送机的设计要考虑到集尘机等众多设备﹐以免产生干涉﹐因而绘图设计要考虑周全。
逐步完善设计后﹐编制设计说明书﹐如皮带输送机的安装及维修与保养等等。
新型带式输送机设计手册第一章:引言1.1本手册的背景与意义带式输送机是一种常用的物料输送设备,广泛应用于矿山、港口、建材、化工等领域。
随着科技的发展,对带式输送机的设计和性能要求也越来越高。
本手册旨在总结带式输送机的设计原理和方法,提供设计师参考和借鉴,促进带式输送机技术的进步和提高。
1.2本手册的结构本手册共分为五个章节,包括带式输送机的概述、设计原理、结构设计、传动系统设计和安全保护等内容。
每个章节都分为几个小节,便于读者查阅和学习。
第二章:带式输送机的概述2.1带式输送机的定义和分类带式输送机是一种利用运载带作为牵引和支撑的设备,用于水平、倾斜和曲线输送物料的连续输送机械。
根据带式输送机的用途和结构特点,可分为不同类型,如普通型、高速型、重型、轻型等。
2.2带式输送机的工作原理带式输送机的工作原理是利用驱动装置驱动输送带转动,通过输送带将物料从出料端输送到收料端。
输送带由输送带、输送辊、支撑轮、张紧装置和传动装置等部分组成,能够顺利完成物料的输送过程。
第三章:带式输送机的设计原理3.1输送能力的计算带式输送机的设计首先要确定其输送能力,即单位时间内输送物料的量。
输送能力的计算涉及到物料的密度、相对速度、带式输送机设备的参数等多个方面。
3.2输送带的选型选择合适的输送带对于带式输送机的设计和运行至关重要。
需考虑物料的性质、输送距离、工作环境、传动方式等因素,选用适合的输送带材质和类型。
3.3支持结构的设计带式输送机在运行中需受到物料的冲击和重力的作用,故支持结构的设计应考虑到机械强度、刚度和稳定性等因素,确保带式输送机能够稳定运行。
第四章:带式输送机的结构设计4.1输送带的布置方式输送带的布置方式决定着带式输送机的输送线路和输送物料的方向,需根据具体的工艺要求和场地条件进行合理的规划和设计。
4.2支撑结构的设计支撑结构的设计应满足带式输送机的机械强度和稳定性要求,避免出现变形、漏料、偏移等现象,降低运行事故的发生概率。
带式输送机传动装置设计摘要本设计根据课程设计任务,对带式输送机传送装置的传动机构进行了选择电机进行了选择,然后拟定了总体传动方案。
该传动系统通过三级减速达到要求转速,分别为带传动和两级展开式圆柱斜齿轮减速器的减速,其中带传动有过载保护的作用,减速器能够保证精确的传动比。
接着依次对减速比进行了分配、对带轮、齿轮和轴进行了设计和校核、对轴承和键进行了选择和校核,均能满足工作要求。
最后对润滑和密封装置进行了设计,本说明书对箱体和其它零件的设计没有再做介绍。
关键词:带式输送机,设计,校核目录前言 (1)第1章产品简介与设计任务 (2)1.1 带式输送机传动装置简介 (2)1.2课程设计任务 (2)第2章机械系统总体设计 (4)2.1 机械系统运动方案拟定 (4)2.2 电动机选择 (4)2.2.1 选择电动机的类型 (4)2.2.2选择电动机功率 (4)2.3减速器设计方案拟定 (5)第3章传动装置总体设计 (6)3.1 总传动比及各级传动比分配 (6)3.2 传动装置的运动和动力参数 (6)第4章带轮设计计算 (8)4.1 带轮设计要求 (8)4.2 带轮设计计算 (8)4.3带轮设计参数汇总 (9)第5章齿轮设计 (11)5.1齿轮组1设计要求 (11)5.2 齿轮组1设计 (11)5.3齿轮组2设计 (15)5.4 齿轮参数汇总 (16)第六章轴设计与校核 (17)6.1轴的设计 (17)6.1.1初步确定各轴的最小直径 (17)6.1.2轴的尺寸设计 (18)6.2轴的校核 (21)6.2.1输入轴校核 (21)6.2.2中间轴校核 (23)6.2.3输出轴校核 (26)第七章轴上零件设计与校核 (30)7.1轴承校核 (30)7.2键设计校核 (31)第八章齿轮轴承的润滑与轴承密封 (33)8.1齿轮轴承润滑 (33)8.2轴承的密封 (33)结论 (34)谢辞 (35)参考文献 (36)前言通过本次设计意在加强自己对机械设计的总体认识和计算、绘图、设计能力。
目录摘要 ................................................................................................................... 错误!未定义书签。
Abstract............................................................................................................. 错误!未定义书签。
1绪论 .. (2)2带式输送机概述 (3)2.1 带式输送机的应用 (3)2.2 带式输送机的分类 (3)2.4 带式输送机的工作原理 (4)2.5 带式输送机的结构和布置形式 (6)2.5.1 带式输送机的结构 (6)2.5.2 布置方式 (6)3 带式输送机的设计计算 (7)3.1 已知原始数据及工作条件 (7)3.2 计算步骤 (8)3.3传动功率计算 (10)3.4.1 传动轴功率计算 (10)3.5 输送带张力计算 (12)3.5.1 最大张力计算及输送带材料选择 (12)3.5.2 输送带不打滑条件校核 (13)3.5.2 输送带下垂度校核 (14)3.5.3 各特性点张力计算 (14)3.8 拉紧力计算 (16)4 驱动装置的选用与设计 (16)4.1 电机的选用 (17)4.2.1 传动装置的总传动比 (17)4.2.3 联轴器 (17)5 带式输送机部件的选用 (20)5.1 输送带 (20)5.1.1 输送带的分类: (21)5.1.2 输送带的连接 (22)5.2 传动滚筒 (23)5.2.1 传动滚筒的作用及类型 (23)5.2.2 传动滚筒的选型及设计 (23)5.3 托辊 (24)5.3.1 托辊的作用与类型 (24)5.3.2 托辊的选型 (26)5.6拉紧装置 (27)5.6.1 拉紧装置的作用 (27)5.6.2 张紧装置在使用中应满足的要求 (27)5.6.3 拉紧装置在过渡工况下的工作特点 (28)5.6.4 拉紧装置布置时应遵循的原则 (28)5.6.5 拉紧装置的种类及特点 (28)6其他装置 (31)6.1 给料装置 (31)6.2 卸料装置 (31)6.3清扫装置 (32)7 电气及安全保护装置 (33)结论 (34)参考文献 (36)摘要本次毕业设计是关于矿用固定式带式输送机的设计。
带式输送机选型第一部分原始资料带式输送机参数:已知条件(1)设计运输生产率,t/h;-----按每个学生的实际情况来选择(2)运输距离L, m ;1000米、1200米、1300米、1500米、1600米、1100米1800米(3)输送机安装倾角β:3-5度,7-9度;10-12度,12-14度,-3-8度,-水平、-6-8度;(4)货载松散密度γ,对于γ=0.8 ~1.0t/m3;(5)货载在输送带上的堆积角α,对煤α=30°;(6)货载的块度 a 。
选择结果(1)设计运输生产率:794t/h(2)运输距离L, :1500 m(3)输送机安装倾角β:5°(4)货载松散密度γ,对于γ= 1 t/m3;(5)货载在输送带上的堆积角α,对煤α=30°(6)货载的块度 a =0---300mm, 取200 mm。
第二部分皮带选型根据综采面最低生产率要求:Q>Q-min=794t/h安装倾角5度运输长度1500M可初选皮带运输机型号为: DSJ100/100/2*125考虑到运输量大距离长等因素,选用钢丝绳芯胶带ST1250,双电机驱动1、对运输带宽度进行校核:对于未过筛的松散原煤B≥2α-max +200 mm其中α-max:货物最大块度的横向尺寸mm ,按表2-5可取α-max=400mm B=1000≥2*400 +200 mm所以所选皮带带宽满足要求2、运行阻力的计算:参考图2-2(1)直线段运行阻力重载段W-重=(q+q d+q g1)Lgω1cosβ±(q+q d)Lgsinβ N空载段W-空=(q d+q g11)Lgω11cosβ±q d Lgsinβ Nq :单位输送带的载货重量kg/m根据如图所示图形粗略计算ρ= 30° 那么h= 0.2B√3=115mmA-2 =(B+0.4B)*0.115÷2=0.5*1*0.115÷2=0.0287M2A-1 = 0.5*b*2h=0.5*1*0.23= 0.115M2A=A-1+A-2=0.0287+0.115=0.1437M2q= 1m*A*γ = 1*0.1437*1000=144kgq d:单位输送带重量估算为23 kg/m (钢丝绳芯提升带强度规格(N/mm)有:St630、St800、St1000、St1250、St1600、St2000、St2500;(宽度规格(mm)有:200、250、300、350、400、450、550、600、680、800、850、1000、1050、1200、1300、1400。
一.带式输送机的历史及应用带式输送机的发展历史己有150余年。
早在20世纪70年代,就已经出现了运输距离达到100km的带式输送机输送线路。
带式输送机的发展主要体现在输送带上。
早期的输送带是用皮革之类的材料制成,或用皮革加纤维织物制造。
1858年,S.T.Parmalee取得了织物增强的橡胶输送带的专利。
1863年,0.C.Dodge 取得了处理谷物的输送带的美国专利。
1892年,Thomas Robins发明的槽型结构的带式输送机在矿物工程中应用,确定了当代输送机的基本型式。
此后,随着物料运输量的增大,带式输送机取得了巨大的发展,出现了多种的新型结构的带式输送机。
其中具有代表性的主要有:大倾角带式输送机、深槽带式输送机、花纹带输送机、波纹挡边以及压带式输送机等、管状带式输送机、气垫式输送机、平面转弯带式输送机、线摩擦带式输送机等。
近年来,带式输送机在矿山运输中已经逐渐开始取代汽车和机车运输,成为散状物料输送的主要装备,不断出现的新型带式输送机,扩宽了带式输送机的应用领域:电力、冶金、化工、煤炭、矿山、港口、建材、粮食等领域。
带式输送机的特点:1.结构简单. 2.输送物料范围广泛。
3.输送量大。
4.运距长。
5.对线路适应性强。
6.装卸料方便。
7.可靠性高。
8.营运费低廉。
9.基建投资省。
10.能耗低,效率高。
11维修费少。
12.应用领域广阔,市场巨大。
二.带式输送机分类按使用方式带式输送机分类固定带式输送机和伸缩带式输送机两大类固定带式输送机中分为通用带式输送机,我国现行标准为DTII和TD75、DX 强力皮带机。
气垫带式输送机、波装挡边带式输送机,圆管带式输送机。
通用带式输送机命名例如为DTL100/20/90,D带式,T通用,L落地式;100是指输送带带宽为1000mm;20指输送量Q=200T/H;90指带式输送机的功率为90KW。
主要用于煤场,主机,大巷。
其中固定带式输送机中有一种SPJ型吊挂皮带机,标准SPJ80,电机使用2x30kw,减速器为JS30,拉紧为手动涡轮拉紧机构,拉紧行程大,使用方便;计算使用管架结构,安装方便(我厂根据用户要求开发出一种全新伸缩吊挂机SSPJ65 、SSPJ80、 SSPJ100除了和标准吊挂机部件可互换为,机头卸煤架可以自由伸缩0~4m)。
关于带式输送机的设计一,圆周驱动力:F uFu=CF H+Fs1+Fs2+Fst式中:C—与机长有关的系数,一般C≮1.02.F H=0.2943L〔q′+q″+(2q。
+q)Cosβ〕(下运时为0.11772L)Fs1=Fε+Fgl对于等长前倾上托辊: Fε=0.08988CεL(q。
+q)Cosβ对于等长前倾下托辊: Fε=0.08851Lq。
CosβCε-槽形系数δ=30° Cε=0.40 δ=35°Cε=0.43δ=45° Cε=0.50导料阻力Fgl=6.867Iv²ρl/v²b² ( Iv=Q/3600*ρ) Fs2=n*Fr+Fa (n为清扫器数量,一个空段≈1.5个头部清扫) 清扫阻力Fr=60000A 卸料阻力 Fa=1500BFst=qgH=qgLSinβ二,输送带张力1,不打滑条件:Fmin≥1.5Fu/eμα-12,垂度条件:GB/T17119-1997(ISO5048:1989)承载段:Smin≥147.15(q+q。
)回程段:Smin≥367.975q。
MT/T467-1996承载段:Smin≥91.97(q+q。
)Cosβ回程段:Smin≥183.94q。
Cosβ3, 传动滚筒(单传动)合力:Fn=Fumax+2Fmin三,功率1,传动滚筒轴功率:P A=F U*V/1000 kw2,电动机功率: GB/T17119-1997 ISO5048:1989⑴电动工况:P M=1.23P A(单电机驱动)P M=1.368P A(多电机驱动)⑵发电工况:P M=P A(单电机驱动) P M=1.14P A (多电机驱动) 3,电动机功率: MT/T467-1996⑴电动工况:P M=1.4145P A(单机驱动) P M=1.5732P A(多机驱动)⑵发电工况:P M=1.15P A ( 单机驱动) P M=1.311P A(多机驱动)四,输送带选择 m≥〔m〕m=Sn/Smax 〔m〕=m。
摘要带式输送机是煤矿最理想的高效连续运输设备,与其他运输设备相比,不仅具有长距离、大运量、连续输送等优点,而且运行可靠,易于实现自动化、集中化控制,特别是对高产高效矿井,带式输送机已成为煤炭高效开采机电一体化技术与装备的关键设备。
皮带输送机由六个主要部件组成:传动装置,机尾和导向装置,中部机架,拉紧装置以及胶带。
最后简单的说明了输送机的安装与维护。
论文分析了带式输送机的选型原则及计算方法、驱动滚筒,改向滚筒的设计及减速器电机的选型。
然后根据这些设计准则与计算选型方法按照给定参数要求进行选型设计;接着对所选择的输送机各主要零部件进行了校核。
目前,胶带输送机正朝着长距离,高速度,低摩擦的方向发展,近年来出现的气垫式胶带输送机就是其中的一个。
在胶带输送机的设计、制造以及应用方面,目前我国与国外先进水平相比仍有较大差距。
本次带式输送机设计体现了设计的一般过程, 对今后的选型设计工作有一定的指导作用。
关键词:带式输送机;选型设计AbstractThe design is a graduation project about the belt conveyor used in coal mine. At first, it is introduction about the belt conveyor. Coal belt conveyor is the ideal transport equipment in succession, as compared to other transport equipment not only has the long-distance, large volume, continuous transport, etc., but also reliable, easy to implement automated, centralized control, especially Productive and Efficient Mine, efficient coal mining belt has become mechanical and electrical integration technologies and equipment, key equipment.·The ordinary belt conveyor consists of six main parts: Drive Unit, Jib or Delivery End, Tail Ender Return End, Intermediate Structure, Loop Take-Up and Belt.Next, it is the principles about choose component parts of belt conveyor., drive roller, bend pulley design and selection of gear motors.After that the belt conveyor abase on the principle is designed. Then, it is checking computations about main component parts. At last, it is explanation about fix and safeguard of the belt conveyor. Today, long distance, high speed, low friction is the direction of belt conveyor’s development. Air cushion belt conveyor is one of them. At present, we still fall far short of abroad advanced technology in design, manufacture and using. There are a lot of wastes in the design of belt conveyor.Keywords: belt conveyor; Electrotype Design目录摘要 (I)1绪论 (1)2带式输送机的概述 (2)2.1 带式输送机的应用 (2)2.2 带式输送机的分类 (2)2.3 带式输送机的发展状况 (4)2.4 带式输送机的工作原理及布置情况 (5)3 带式输送机的设计计算 (7)3.1 带式输送机的原始数据 (7)3.2 带式输送机的计算 (7)F (10)3.3 带式输送机总阻力u3.4 胶带校核 (15)3.5 允许垂直核算 (15)3.6 车式拉紧装置计算 (16)3.7 电动机功率计算 (16)4 减速器的选型 (18)4.1 确定传动比 (18)5 输送带部件的选用 (19)5.1 输送带的选用 (19)5.2 传动滚筒的选用 (23)5.3 托辊的选用 (26)5.4 制动装置的选用 (33)5.5 改向装置的选用 (34)5.6 拉紧装置的选用 (36)6 其他部件的选用 (37)6.1 机架与中间架的选用 (37)6.2 卸料装置的选用 (38)6.3 清扫装置的选用 (38)6.4 头部漏斗的选用 (40)6.5 电气及安全装置的选用 (40)7 带式输送机的技术经济分析 (42)8 总结 (44)致谢 (45)参考文献 (46)附录一 (47)附录二 (68)1 绪论带式输送机是连续运行的运输设备,在冶金、采矿、动力、建材等重工业部门及交通运输部门中主要用来运送大量散状货物,如矿石、煤、砂等粉、块状物和包装好的成件物品。
带式输送机是煤矿最理想的高效连续运输设备,与其他运输设备相比,不仅具有长距离、大运量、连续输送等优点,而且运行可靠,易于实现自动化、集中化控制,特别是对高产高效矿井,带式输送机已成为煤炭高效开采机电一体化技术与装备的关键设备。
特别是近10年,长距离、大运量、高速度的带式输送机的出现,使其在矿山建设的井下巷道、矿井地表运输系统及露天采矿场、选矿厂中的应用又得到进一步推广。
选择带式输送机这种通用机械的设计作为毕业设计的选题,能培养我们独立解决工程实际问题的能力,通过这次毕业设计是对所学基本理论和专业知识的一次综合运用,也使我们的设计、计算和绘图能力都得到了全面的训练。
已知原始数据和工作条件:1.带式输送机 L=200m ;2输送物料:石灰石,粒度0-100毫米,30.8/t m γ=,动堆积角12ρ=; 3输送量:Q=600吨/时;4 工作环境:露天;5 尾部给料,导料槽长3米。
头部有弹簧清扫器,尾部有空段清扫器。
2 带式输送机的概述2.1 带式输送机的应用带式输送机是连续运输机的一种,连续运输机是固定式或运移式起重运输机中主要类型之一,其运输特点是形成装载点到装载点之间的连续物料流,靠连续物料流的整体运动来完成物流从装载点到卸载点的输送。
在工业、农业、交通等各企业中,连续运输机是生产过程中组成有节奏的流水作业运输线不可缺少的组成部分。
连续运输机可分为:(1)具有挠性牵引物件的输送机,如带式输送机,板式输送机,刮板输送机,斗式输送机、自动扶梯及架空索道等;(2)不具有挠性牵引物件的输送机,如螺旋输送机、振动输送机等;(3)管道输送机(流体输送),如气力输送装置和液力输送管道。
其中带输送机是连续运输机中是使用最广泛的,带式输送机运行可靠,输送量大,输送距离长,维护简便,适应于冶金煤炭,机械电力,轻工,建材,粮食等各个部门。
2.2 带式输送机的分类带式输送机分类方法有多种,按运输物料的输送带结构可分成两类,一类是普通型带式输送机,这类带式输送机在输送带运输物料的过程中,上带呈槽形,下带呈平形,输送带有托辊托起,输送带外表几何形状均为平面;另外一类是特种结构的带式输送机,各有各的输送特点。
其简介如下:TD75型带式输送机是一般用途的带式输送机,用于冶金、煤炭、水电等部门,输送堆积比重为0.5~2.5吨/米3的各种块状,粒状等散状物料,也可用来输送成件物品。
TD75型带式输送机的带宽有六种:500、650、800、1000、1200和1400毫米。
TD75型带式输送机所选用的输送带有普通橡胶带和塑料带两种。
适用工作环境温度在-15℃~+40℃之间,输送具有酸性、硷性、油类物质和有机溶剂等部分的物料时,需采用耐油、耐酸硷的橡胶带或塑料带。
可用于水平或倾斜输送。
倾斜向上输送时,不同物料所允许的最大倾角β见表2-2;倾斜向下输送时允许最大倾角为表2-2所列值的80%。
若需要采用大于表2-2的倾角输送时,可选用花纹带式输送机。
下运输送机可选用系列部件,详细计算需另行考虑。
7580TD QD DX U ⎧⎧⎪⎪⎪⎪⎨⎪⎪⎪⎪⎪⎩⎪⎧⎪⎨⎪⎪⎪⎪⎪⎪⎪⎨⎪⎪⎪⎪⎪⎪⎪⎪⎩⎩型固定式带式输送机轻型固定式带式输送机普通型型钢绳芯带式输送机型带式输送机管形带式输送机带式输送机气垫带式输送机波状挡边带式输送机特种结构型钢绳牵引带式输送机压带式带式输送机其他类型表2-2 输送机输送不同物料允许的最大倾角括精煤、中煤、尾煤。
包括黑色金属、有色金属、岩石、石灰石等矿石。
2.3 带式输送机的发展状况目前带式输送机已广泛应用于国民经济各个部门,近年来在露天矿和地下矿的联合运输系统中带式输送机又成为重要的组成部分。
主要有:钢绳芯带式输送机、钢绳牵引胶带输送机和排弃场的连续输送设施等。
这些输送机的特点是输送能力大(可达30000t/h),适用范围广(可运送矿石,煤炭,岩石和各种粉状物料,特定条件下也可以运人),安全可靠,自动化程度高,设备维护检修容易,爬坡能力大(可达16°),经营费用低,由于缩短运输距离可节省基建投资。
目前,带式输送机的发展趋势是:大运输能力、大带宽、大倾角、增加单机长度和水平转弯,合理使用胶带张力,降低物料输送能耗,清理胶带的最佳方法等。
2.4 带式输送机的工作原理及布置情况带式输送机又称胶带运输机,其主要部件是输送带,亦称为胶带,输送带兼作牵引机构和承载机构。
带式输送机组成及工作原理如图2-4所示,它主要包括一下几个部分:输送带(通常称为胶带)、托辊及中间架、滚筒拉紧装置、制动装置、清扫装置和卸料装置等。
图2-4 带式输送机简图1-头部漏斗 2-观察窗 3-驱动滚筒 4-头部机架5-输送带 6-上托辊 7-卸料小车 8-缓冲托辊9-导料槽 10-改向滚筒 11-尾部机架 12-清扫器 13-拉紧装置输送带5经传动滚筒3机尾换向滚筒10形成一个无极的环形带。