铜生产工艺流程
- 格式:doc
- 大小:87.50 KB
- 文档页数:4
转炉炼铜生产1. 引言转炉炼铜是一种重要的冶炼工艺,用于将铜矿石转化为高纯度的铜金属。
在转炉炼铜生产过程中,铜矿石首先经过破碎、磨矿和浮选等预处理工序,然后进入转炉冶炼装置进行冶炼。
本文将详细介绍转炉炼铜的生产过程、工艺参数以及相关设备。
2. 转炉炼铜工艺流程转炉炼铜的工艺流程主要包括矿石破碎、磨矿、浮选、转炉冶炼等步骤。
以下是典型的转炉炼铜工艺流程:2.1 矿石破碎铜矿石经过采矿后,首先需要进行破碎工序。
破碎的目的是将较大的矿石块破碎成较小的颗粒,以便于后续的磨矿和浮选工艺。
常用的破碎设备包括颚式破碎机、冲击式破碎机等。
2.2 磨矿磨矿是将破碎后的铜矿石进一步细化,以提高其表面积,方便浸出和浮选。
常用的磨矿设备包括球磨机、研磨机等,通过不断地碾磨铜矿石,使其达到所需的细度要求。
浮选是将磨矿后的铜矿石浸出铜矿石中的铜和其他有价值的金属。
在浮选过程中,通过加入药剂和气泡,使铜矿石中的铜矿和副矿分离出来,并且获得所需的铜精矿。
浮选过程需要考虑浮选剂的选择、药剂浓度、气泡的生成等参数。
2.4 转炉冶炼在转炉炼铜的冶炼阶段,将铜精矿放入转炉中,通过高温加热使其熔化。
在冶炼过程中,铜精矿中的铜被还原为纯铜,并通过炉底的出口排出。
转炉冶炼的参数包括冶炼温度、矿石的加入量、冶炼时间等。
3. 转炉炼铜设备转炉炼铜生产中需要使用一系列的设备,包括破碎机、磨矿机、浮选机、转炉等。
以下是常用的转炉炼铜设备:3.1 破碎机破碎机主要用于将铜矿石破碎成适合后续工艺处理的颗粒。
常用的破碎机有颚式破碎机、冲击式破碎机等。
3.2 磨矿机磨矿机用于将破碎后的铜矿石细化,以提高其表面积,便于浸出和浮选。
常用的磨矿机有球磨机、研磨机等。
浮选机用于将磨矿后的铜矿石进行浮选分离,获得铜精矿。
常用的浮选机有机械式浮选机、气浮选机等。
3.4 转炉转炉是将铜精矿进行冶炼的关键设备。
转炉冶炼的过程通过加热和还原使铜精矿中的铜被还原成纯铜,并通过炉底的出口排出。
铜灯生产工艺流程
铜灯是一种非常受欢迎的照明装饰品,其制作工艺流程非常复杂。
下面将介绍一下铜灯的生产工艺流程。
首先,铜灯的制作需要选择合适的材料。
一般来说,使用纯铜或合金铜作为主要材料,因为这些材料具有良好的韧性和可塑性,适合制作复杂的灯体。
根据设计要求,需要有相应的铜板、铜管等材料。
接下来,需要对材料进行加工。
首先,将铜板放入剪板机中,按照设计要求剪成需要的形状和尺寸。
然后,通过焊接技术将铜板连接成灯体的基本形状。
此外,还需要对铜管进行弯曲和切割,制作出灯具的支架和连接部件。
然后,对灯体进行表面处理。
将灯体放入酸洗槽中,去除表面的氧化铜层和杂质。
然后,将灯体进行抛光处理,使其表面光滑亮丽。
这一步骤对于铜灯的外观质量至关重要。
接下来,需要进行灯光部分的组装。
根据设计要求,安装灯座、灯泡和灯罩等部件。
这需要一定的电气知识和技术,确保灯具的正常使用。
最后,进行灯饰部分的装饰。
根据设计要求,使用刻花、打孔等工艺,对灯罩和灯体进行装饰。
这一步骤的主要目的是增加灯具的艺术价值和观赏性。
完成以上工艺后,制作出来的铜灯就已经基本成型了。
需要注
意的是,在整个生产过程中,需要严格控制各个环节的质量和流程,以确保制作出来的铜灯符合设计要求,并具有良好的质量和功能。
以上就是铜灯的生产工艺流程的介绍。
铜灯的制作需要经过多道工序和繁杂的操作,但只有经过精雕细琢才能制作出具有高观赏性和艺术价值的铜灯。
铜管生产流程铜管是一种常见的金属制品,广泛应用于建筑、化工、电力、冶金等领域。
铜管的生产流程经过多个步骤,包括铜材加工、制管、退火和表面处理等环节。
本文将介绍铜管的生产流程,并详细阐述每个环节的工艺和操作。
一、铜材加工铜管的生产始于铜材的加工。
首先,需要选择高质量的铜材作为原料,常见的有纯铜、黄铜和铜镍合金等。
然后,将铜材进行切割和修整,以便下一步的制管工艺。
二、制管1. 制管材料准备:将经过加工的铜材切割成合适的长度,并进行清洁处理,去除杂质和氧化物。
2. 制管机械加工:将铜材送入制管机械设备中,通过旋转和压力使其成型。
常见的制管设备有冷拔机、热轧机和挤压机等。
制管机械加工的过程中需要控制好温度和压力,以确保铜管的质量和尺寸符合要求。
3. 制管成型:通过制管机械加工,原料铜材逐渐成型为铜管。
制管成型的过程中需要注意控制铜管的壁厚和直径,并进行质量检测,以确保铜管的加工质量。
三、退火制管过程中,铜管会受到较大的应力和变形,为了消除内部应力,提高铜管的塑性和韧性,需要进行退火处理。
退火过程包括加热、保温和冷却三个阶段。
加热时需要控制好温度,保温时间根据铜管的厚度和尺寸而定,冷却时需要缓慢进行,以避免铜管的变形和裂纹。
四、表面处理铜管的表面处理是为了提高其耐腐蚀性和美观度。
常见的表面处理方法有镀锌、镀镍、喷漆和抛光等。
其中,镀锌是将铜管浸入锌溶液中,形成锌层,起到防腐蚀的作用;镀镍是在铜管表面形成一层镍层,提高铜管的耐腐蚀性和装饰效果;喷漆是将铜管喷涂上一层涂料,起到防锈和美化的作用;抛光是通过机械研磨,使铜管表面光滑和亮丽。
五、质量检测铜管生产完成后,需要进行质量检测以确保产品符合标准和要求。
常见的质量检测方法有外观检查、尺寸检测、化学成分分析和力学性能测试等。
外观检查主要检查铜管的表面是否有缺陷和损伤;尺寸检测主要检查铜管的直径、壁厚和长度是否满足要求;化学成分分析主要检测铜管的成分是否符合标准;力学性能测试主要检测铜管的拉伸强度、屈服强度和延伸率等力学性能。
铜的冶炼工艺流程
铜的冶炼工艺流程可以分为矿石选矿、矿石破碎、焙烧、浸出、萃取、电积等几个步骤。
首先是矿石选矿。
铜的矿石主要有辉铜矿、黄铜矿、闪锌矿等,通过对矿石进行分选和筛分,将矿石中的铜矿石与其他无用矿物分离。
然后是矿石破碎。
矿石用爆破或机械破碎设备进行破碎,将矿石粉碎成适合后续处理的颗粒。
焙烧是接下来的步骤。
将矿石放入高温炉中进行焙烧,目的是将矿石中的硫化物、碳酸盐等物质分解,使铜矿石的硫化物转化为氧化物。
完成焙烧后,接下来是浸出。
将焙烧后的矿石放入大型浸出槽中,加入稀硫酸等酸性溶液。
在高温高压下,酸性溶液与矿石中的铜氧化物反应,将铜溶解于溶液中,形成含铜的溶液。
萃取是提取溶液中的铜的步骤,一般采用有机溶剂萃取技术。
通过将有机溶剂与含铜溶液接触,有机溶剂中的抽提剂与铜离子进行配位反应,形成有机相中的可萃取的铜络合物。
然后将有机相与稀硫酸再次接触,将铜络合物转化为铜阳离子,得到富含铜的有机相。
最后的一步是电积。
将富含铜的有机相与电解槽中的阴阳极分开,并通过施加电流的方式,使铜离子还原成纯铜,沉积在阴
极上。
这一步得到的铜即为纯铜。
以上就是铜的冶炼工艺流程的主要步骤。
当然,在实际生产中,还会有一些辅助工艺和控制环节,以确保铜的质量和纯度。
铜的冶炼工艺流程可以根据实际情况进行调整和改进,以适应不同的矿石类型和冶炼条件。
铜的冶炼工艺在不断进步和创新中,以提高铜的冶炼效率和降低能源消耗,达到资源循环利用和环境友好的目标。
铜棒生产工艺流程
铜棒是一种常用的金属材料,广泛应用于机械制造、电气设备、建筑工程等领域。
下面就为大家介绍一下铜棒的生产工艺流程。
首先,铜棒的原材料是纯度高的铜锭,一般采用电解铜作为原料。
电解铜的纯度高达99.99%,符合生产高质量铜棒的要求。
第一步是将电解铜锭放入电炉中进行熔炼。
电炉通常采用电阻加热的方式,将电解铜加热到高温,使其溶解成液态铜。
为了保证熔炼过程的稳定性和纯度,还需要添加一定比例的脱氧剂和除杂剂。
第二步是将熔化的铜液倒入连铸机中,进行连铸。
连铸机是一种专门用于铜棒生产的设备,其工作原理是将熔化的铜液注入连续流动的铜模中,然后通过冷却水循环使铜液快速凝固成形。
第三步是将连铸得到的粗棒经过轧制,减小其直径。
轧制是通过一系列的轧制机组将粗棒经过反复的挤压、拉伸和整形,逐渐减小其直径,并使其表面光滑。
第四步是将轧制得到的细棒进行退火。
退火是为了消除轧制过程中的应力,改善铜棒的机械性能。
退火时将铜棒放入特定的炉子中进行加热,然后缓慢冷却至室温。
最后一步是将退火后的铜棒进行表面处理。
通常采用抛光、酸洗和涂油等方式,使铜棒的表面光亮光滑,并防止表面氧化。
以上就是铜棒的生产工艺流程。
通过上述步骤,我们可以生产出高质量的铜棒,以满足不同领域的需求。
当然,随着科技的不断进步,铜棒的生产工艺也在不断改进和优化,以提高生产效率和产品质量。
铜电解精炼的工艺流程
铜电解精炼是一种常用的冶金工艺,用于提取纯度较高的铜,以满足工业和冶金领域的需求。
下面将详细介绍铜电解精炼的工艺流程。
原料铜被加工成电解铜坯,铜坯的纯度通常在90%以上。
然后,将铜坯放入电解槽中,槽内充满了含有铜离子的电解液。
电解液通常是硫酸铜溶液,其中含有一定比例的硫酸和铜离子。
接下来,通过外加电流的作用,铜离子在电解槽中发生氧化还原反应。
正极(阳极)上的铜坯逐渐溶解,并释放出电子,形成离子态的铜。
这些铜离子随着电流的引导,向负极(阴极)移动。
在电解过程中,铜离子在负极上还原成纯铜,逐渐沉积在阴极上。
这个过程被称为电解析铜。
随着时间的推移,铜离子的浓度逐渐减少,直到最后全部被还原成纯铜。
经过一段时间的电解,阴极上逐渐形成一层纯铜薄片。
然后,将这层纯铜薄片从阴极上取下,这就是最终的电解铜产品。
该产品通常具有较高的纯度,可以达到99.99%以上。
铜电解精炼还会产生一些副产品,如铜泥和硫酸。
铜泥是在阳极上形成的,它含有一定量的铜和其他杂质。
铜泥经过进一步处理,可以提取出其中的铜和其他有价值的金属。
而硫酸则可以回收再利用。
总的来说,铜电解精炼是一种高效、经济的方法,用于提取高纯度
的铜。
它广泛应用于电子、建筑、交通等领域,满足了现代工业对铜的需求。
通过不断改进工艺流程,铜电解精炼技术也在不断提高,以适应不同规模和要求的生产。
阳极铜板生产工艺流程下载温馨提示:该文档是我店铺精心编制而成,希望大家下载以后,能够帮助大家解决实际的问题。
文档下载后可定制随意修改,请根据实际需要进行相应的调整和使用,谢谢!并且,本店铺为大家提供各种各样类型的实用资料,如教育随笔、日记赏析、句子摘抄、古诗大全、经典美文、话题作文、工作总结、词语解析、文案摘录、其他资料等等,如想了解不同资料格式和写法,敬请关注!Download tips: This document is carefully compiled by theeditor. I hope that after you download them,they can help yousolve practical problems. The document can be customized andmodified after downloading,please adjust and use it according toactual needs, thank you!In addition, our shop provides you with various types ofpractical materials,such as educational essays, diaryappreciation,sentence excerpts,ancient poems,classic articles,topic composition,work summary,word parsing,copy excerpts,other materials and so on,want to know different data formats andwriting methods,please pay attention!阳极铜板生产工艺流程一、原料准备阶段。
要生产出高质量的阳极铜板,首先需要做好充分的原料准备工作。
打铜工艺流程详解下载温馨提示:该文档是我店铺精心编制而成,希望大家下载以后,能够帮助大家解决实际的问题。
文档下载后可定制随意修改,请根据实际需要进行相应的调整和使用,谢谢!并且,本店铺为大家提供各种各样类型的实用资料,如教育随笔、日记赏析、句子摘抄、古诗大全、经典美文、话题作文、工作总结、词语解析、文案摘录、其他资料等等,如想了解不同资料格式和写法,敬请关注!Download tips: This document is carefully compiled by theeditor.I hope that after you download them,they can help yousolve practical problems. The document can be customized andmodified after downloading,please adjust and use it according toactual needs, thank you!In addition, our shop provides you with various types ofpractical materials,such as educational essays, diaryappreciation,sentence excerpts,ancient poems,classic articles,topic composition,work summary,word parsing,copy excerpts,other materials and so on,want to know different data formats andwriting methods,please pay attention!打铜工艺流程详解:传统艺术的精致演绎打铜工艺,一种源远流长的传统技艺,以其独特的艺术魅力和精湛的工艺技术,深受人们的喜爱。
炼铜的工艺流程
炼铜是从铜矿石中提取铜金属的工艺过程。
以下是常见的炼铜工艺流程:
首先,将开采的铜矿石送往矿石破碎设备进行粉碎,使其成为粒径较小的细矿。
然后,通过磁选或浮选等技术将铜矿石中的有用矿物与废石分离。
在经过初步破碎和选矿处理后,得到的铜矿石进行矿石搅拌磨浆,形成矿浆状物料。
随后,将矿浆送入浮选机械中,利用浮力原理分离出含铜矿物。
之后,通过脱水和过滤工艺处理浮选浓缩物,将其形成湿泥状物料。
然后,将湿泥送至火法炉进行烧结,使其成为球状烧结矿。
在高温下,矿石中的其他杂质被氧化或还原,从而进一步提高铜品位。
接下来,将球状烧结矿送入精炼熔炉进行高温熔炼。
在加入熔剂的同时,通过吹气机进行冶炼过程中的氧化反应,将铜矿石中的铁、硫等杂质氧化,得到铁、硫酸、二氧化硫等副产品。
在熔炼过程中,铜矿石中的铜被还原出来,并与熔剂和其他金属元素一起进入熔体。
然后,通过火法和电解炉等装置,将熔体进行精铜分离和电解纯化。
这一步骤对产生高纯度铜非常重要。
最后,经过铜的精炼和纯化,得到高纯度铜的阴极。
阴极铜可
用于制造铜制品,如电线、电缆、铜器等。
同时,副产物如硫酸和二氧化硫可以通过进一步的化学处理和回收利用,以实现资源循环利用。
总之,炼铜的工艺流程包括矿石破碎、矿石搅拌磨浆、浮选分离、脱水过滤、烧结、高温熔炼、精铜分离和电解纯化等步骤。
通过多个步骤的处理,从铜矿石中提取出高纯度的铜金属。
炼铜工艺流程的持续改进和优化对于提高炼铜效率和减少对环境的影响具有重要意义。
火法炼铜工艺流程(一)火法炼铜工艺详解简介火法炼铜工艺是一种传统的铜冶炼技术,通过高温下的熔炼和冶炼,将铜矿石中的铜元素提取出来,得到纯度较高的铜金属。
该工艺流程复杂,包括多个步骤和环节,下面将详细介绍。
工艺流程1.原料准备:将铜矿石从矿山中采集出来,经过破碎、研磨等处理,使其达到适合冶炼的粒度。
2.矿石焙烧:将经过处理的铜矿石放入焙烧炉中进行加热,使铜矿石中的硫化物转化为氧化物,方便后续冶炼步骤。
3.浸出:将焙烧后的矿石放入溶浸池中,与硫酸等溶液接触,使铜元素溶解出来,生成含铜溶液。
4.过滤:将含铜溶液通过过滤设备进行过滤,去除其中的杂质和固体颗粒。
5.萃取:利用有机萃取剂将含铜溶液中的铜离子提取出来,与有机相中的提取剂反应,形成含铜的有机相。
6.萃取回收:将含铜的有机相与过程中产生的有机废液进行分离,回收有机相中的铜离子。
7.萃取后处理:对萃取回收的有机相进行净化和浓缩处理,得到高纯度的铜溶液。
8.电积:将铜溶液经过电解槽进行电积,铜离子在电流作用下还原为固态的铜金属,沉积在阴极上。
9.精炼:对电积得到的铜金属进行进一步的精炼,去除其中的杂质和其他金属成分,提高铜的纯度。
10.成品铜:经过精炼后得到的铜金属即为成品铜,可进行各种铜加工和应用。
结论火法炼铜工艺是一种较为传统和常用的铜冶炼技术,通过多个步骤和环节,将铜矿石中的铜元素提取出来,得到高纯度的成品铜。
该工艺流程经过长期的实践和改进,具有一定的稳定性和可靠性,是铜冶炼行业中的重要工艺之一。
工艺优势•高效性:火法炼铜工艺运用的设备和工艺流程经过多年的改进和优化,具有较高的生产效率,能够快速、有效地提取铜元素。
•灵活性:火法炼铜工艺适用于多种不同类型的铜矿石,能够应对不同的矿石成分和性质,具有较强的适应性。
•资源利用率高:火法炼铜工艺能够将铜矿石中的铜元素充分提取出来,最大限度地利用资源,减少浪费。
•产品质量稳定:火法炼铜工艺通过精炼和净化步骤,能够去除其中的杂质和其他金属成分,得到高纯度的铜金属,产品质量稳定可靠。
铜冶炼的工艺流程及原理嘿,朋友们,今儿咱们来聊聊个硬核话题——铜冶炼的那些事儿。
这不仅仅是工程师们的事儿,也是我们日常生活中那些闪亮铜器的幕后英雄故事。
想象一下,从土里挖出来的矿石,到最后变成咱们家里水龙头、电线里的铜丝,这过程简直就像变魔术一样,既神奇又充满智慧。
一、初探铜的炼造之旅1.1 开场白:矿石的呼唤咱们得从那深埋地下的铜矿石说起。
这些石头啊,就像是大地母亲藏着的宝藏,里面藏着铜元素,等着我们去发掘。
开采出来的矿石,颜色各异,有的黑黢黢,有的黄澄澄,但无一不透露着“我很有料”的气息。
1.2 粗碎与磨碎:矿石的变形记拿到矿石,第一步就是给它来个“整容”。
大块头矿石经过破碎机一顿猛操作,变成了小块;接着,再送进磨机里细细研磨,直到变成像面粉一样的矿粉。
这个过程,就像咱们做饭前切菜一样,都是为了后续更好的加工。
二、冶炼的核心篇章2.1 浮选与浓缩:智取铜元素矿粉进了浮选机,就像进了魔术师的箱子。
通过加入药剂,铜元素就像被施了魔法一样,和其他杂质分离开来,浮到水面上。
这就像是咱们在厨房里用筛子过滤杂质,只不过这里的“筛子”更高级,能精准识别铜元素。
2.2 熔炼:火的艺术得到富含铜的精矿后,就该上真火了。
高炉里,火焰熊熊,精矿在高温下逐渐融化,铜元素和其他金属元素开始“抱团取暖”,形成铜锍。
这就像是咱们煮汤,各种食材在锅里翻滚,最后融合成一道美味。
2.3 吹炼与精炼:纯净的追求接下来,铜锍要经历吹炼,氧气像一把无形的刀,将铜锍中的杂质一一剔除,留下纯净的粗铜。
再经过电解精炼,铜离子在电场作用下乖乖排队,最终在阴极板上形成一块块光洁的电解铜。
这就像是咱们喝茶,经过多道工序,最终品到的是那口最纯粹的茶香。
三、尾声:铜的华丽转身3.1 铜的广泛应用经过这一番折腾,铜终于以它最完美的姿态出现在我们面前。
无论是高楼大厦里的电线电缆,还是咱们家里的水龙头、锅碗瓢盆,甚至是艺术家手中的雕塑作品,都离不开铜的贡献。
铜的结晶工艺流程
铜的结晶工艺流程如下:
1. 铜的提纯:将铜矿石经过破碎、浸泡、浮选、磁选等工艺处理后,得到较纯的铜精矿。
2. 炼化:将铜精矿放入高温炉中进行熔炼,利用不同的物理和化学性质,使杂质被氧化、蒸发、吹除或溶解,从而得到纯度更高的熔融铜液。
3. 结晶种植:将熔融的铜液倒入结晶容器,然后在容器底部放置一个小片的纯净铜,作为结晶的种子。
温度和条件控制的好,就可以使铜液从种子上匀速结晶而形成单晶。
4. 结晶生长:在结晶容器中,通过温度和其他条件的控制,使铜液在结晶种子的基础上逐渐生长,形成一个大的铜结晶。
5. 条带拉伸:通过拉伸杆将铜结晶逐渐拉伸,使其变得更长更细。
6. 冷却:铜结晶经过拉伸后,需要进行冷却处理,使其固化并保持结晶的形状。
7. 加工和加热处理:对冷却后的铜材进行切割、成型、加热处理等工序,以获得所需的形状和性能。
8. 检验和包装:对最终产出的铜材进行质量检验,根据要求进行包装和标记,以便储运和使用。
铜冶炼工艺流程图铜是一种重要的金属材料,广泛应用于工业生产和日常生活中。
铜冶炼工艺是将含铜矿石经过一系列的物理和化学处理,最终提取出纯铜的过程。
下面将详细介绍铜冶炼的工艺流程。
1. 矿石选矿。
铜矿石通常含有其他杂质,首先需要进行选矿,将矿石中的铜矿石和其他杂质分离开来。
这一步通常通过破碎、磨矿和浮选等物理方法进行。
2. 精炼矿石。
经过选矿后的铜矿石需要进一步精炼,以提高铜的纯度。
精炼方法包括火法精炼和湿法精炼两种。
火法精炼是将矿石在高温下加热,使铜矿石中的铜分离出来。
湿法精炼则是通过化学溶解和沉淀的方式进行。
3. 熔炼。
精炼后的铜需要进行熔炼,将铜矿石中的铜和其他金属分离开来。
熔炼通常在高温下进行,通过熔炼炉将铜矿石中的铜和其他金属分离出来,得到纯铜。
4. 电解。
熔炼后的铜还需要进行电解,以进一步提高铜的纯度。
电解是利用电解槽将铜熔体中的杂质分离出来,得到纯净的铜。
5. 铜的成品。
经过以上工艺流程,最终得到的是纯净的铜成品。
这些铜成品可以用于制造各种铜制品,如电线、管材、合金等。
铜冶炼工艺流程图中所示的每一个步骤都是铜冶炼过程中不可或缺的环节,每一个步骤都需要精密的操作和严格的控制,以确保最终得到高质量的铜产品。
铜冶炼工艺的不断发展和改进,也为提高铜的冶炼效率和降低成本提供了重要的技术支持。
总之,铜冶炼工艺流程图所展示的铜冶炼工艺是一个复杂而精密的过程,需要各种物理、化学和工艺手段的综合运用。
只有严格按照工艺流程进行操作,才能确保最终得到高质量的铜产品。
希望本文对铜冶炼工艺有所帮助,谢谢阅读。
铜管的制造工艺流程通常包括以下几个主要步骤:
1. 原料准备:首先需要准备优质的铜坯作为原料。
铜坯通常是通过电解铜、再生铜等方式生产,保证铜的纯度和质量。
2. 熔炼:将铜坯放入熔炼炉中进行高温熔化,使铜坯变成液态铜。
在这一步骤中需要控制合金成分,以确保铜的纯度和合金化程度符合要求。
3. 浇铸:将熔化的铜液倒入铜管浇铸模具中,经过冷却后形成铜管坯料。
4. 热轧:铜管坯料经过多次热轧压制,逐渐减小直径和壁厚,使得铜管达到所需的规格和尺寸。
5. 拉拔:通过拉拔机将热轧后的铜管进一步拉伸,使其壁厚更加均匀,表面更加光滑,并且达到更高的强度和硬度。
6. 淬火:对拉拔后的铜管进行淬火处理,以消除内部应力,提高铜管的机械性能和稳定性。
7. 切割和整形:根据客户需求,将铜管进行切割和整形,使其达到
要求的长度和形状。
8. 表面处理:对铜管进行清洗、抛光、镀层等表面处理,提高外观光泽度和耐腐蚀性能。
9. 检测和质量控制:对成品铜管进行各项检测,如尺寸检测、化学成分分析、力学性能测试等,确保产品质量符合标准要求。
总的来说,铜管制造工艺流程包括原料准备、熔炼、浇铸、热轧、拉拔、淬火、切割和整形、表面处理、检测和质量控制等多个环节,每个环节都至关重要,影响着铜管的质量和性能。
阳极铜板生产工艺流程下载温馨提示:该文档是我店铺精心编制而成,希望大家下载以后,能够帮助大家解决实际的问题。
文档下载后可定制随意修改,请根据实际需要进行相应的调整和使用,谢谢!并且,本店铺为大家提供各种各样类型的实用资料,如教育随笔、日记赏析、句子摘抄、古诗大全、经典美文、话题作文、工作总结、词语解析、文案摘录、其他资料等等,如想了解不同资料格式和写法,敬请关注!Download tips: This document is carefully compiled by theeditor. I hope that after you download them,they can help yousolve practical problems. The document can be customized andmodified after downloading,please adjust and use it according toactual needs, thank you!In addition, our shop provides you with various types ofpractical materials,such as educational essays, diaryappreciation,sentence excerpts,ancient poems,classic articles,topic composition,work summary,word parsing,copy excerpts,other materials and so on,want to know different data formats andwriting methods,please pay attention!1. 原料准备。
铜精矿,选择高品位的铜精矿作为原料,确保铜含量较高。
铜线制造的流程
铜线制造流程主要包括以下步骤:
1. 铜矿石开采与提炼:从矿山采集铜矿石,通过破碎、研磨、浮选等工序提取纯铜。
2. 熔炼铸棒:将精炼得到的高纯度铜在上引炉中熔化成铜水,铸造为直径适中的铜棒(如8mm)。
3. 拉丝工艺:使用大型拉丝机对铜棒进行多级连续拉伸,每次都将铜棒直径减小,形成不同规格的细铜线。
4. 热处理与质量检验:拉丝过程中或结束后进行退火处理,确保铜线性能稳定,并对成品铜线进行严格的质量检测和尺寸校核。
5. 包装入库:合格的铜线进行盘绕、包装并标记规格型号,存入仓库等待销售或进一步加工。
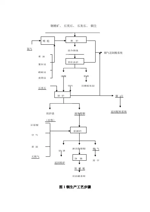
图1铜生产工艺流程
奥 炉
混合熔体
贫化电炉
喷 枪
重 油
雾化风
喷枪风
套筒风
氧气
烟气送制酸系统
冰铜 炉渣
送磨料车间 转 炉 石英石 空气
转炉渣 (出售) 液体粗铜
阳极炉
液态阳极铜 浇 铸 阳 极 板 送电解系统 还原煤 空 气 重 油 炉 渣 返回转炉 烟 气
放 空
烟 尘
返回配料系统
天然气
铜精矿、石英石、石灰石、烟尘
图2制酸工艺流程
奥 炉 烟 气 贫化电炉烟气 转 炉 烟 气
电收尘 电收尘
2# 混 气 塔 1# 混 气 塔
Ⅰ系统净化 Ⅱ系统净化 Ⅲ系统净化
二 转 二 吸 一 转 一 吸 二 转 二 吸
成品酸 成品酸 成品酸 尾 气 尾 气 尾 气
尾气处理
尾气烟囱放空 成品酸酸库
图3电解工艺流程
阳极板
电 解 槽
电解铜 阳极泥 残极 废电解液
成品电解铜 送贵金属车间处理 回转炉 净化
电解液
图4 污酸污水处理及尾气处理系统工艺流程图
污酸处理
硫酸净化来的污酸 铅渣 滤液 硫化渣 石膏渣 污水处理 全厂生产污水 清水排放 中和渣 硫酸尾气
一级泡沬吸收
二级泡沬吸收
循环槽 液氨
亚硫酸氢铵储罐
中和结晶
一水亚硫酸铵
结晶母液返回吸收