电机耐久对拖台架技术要求---2018word版本
- 格式:pdf
- 大小:76.49 KB
- 文档页数:14
电机试验铸铁平台技术要求铸铁平台的用途:用于安装对拖试验的电机。
(一)主要技术参数及结构1.铸铁平台的规格为:10000×4500×300(长×宽×高),可拼接而成,最多不超过4块;2.表面带有T型槽,可以用来固定设备,槽的方向:垂直于1000米长度方向(只沿一个方向有槽),工作面厚100mm,筋厚30mm;槽间距200mm;3.材质:HT250,工作台硬度为HB190以上,具有较好的平面稳定性、韧性和耐磨性。
4.精度等级:3级(二)技术要求1.执行行业制造标准:JB/T7974-1999,按以下工艺流程进行生产:图纸→造型→铸造→首次时效处理(消除内应力)→粗加工→二次时效处理(去磁稳定性处理)→精加工→刮研→检验→包装→出厂。
原材料要求全部采用邯钢、首钢、本钢等厂家供应的优质生铁。
焦碳选用优质焦碳,原材料进厂严格进行复检并出具原材料采购产地证明,确保铸件质量,经过两次人工时效处理,保证产品内在质量。
2. 必须进行严格的热处理工艺,确保产品质量,出具热处理过程的控制曲线图。
必须提供所有有关产品质量控制的表格和曲线。
例如下表:三、铸铁平台说明:1. 平台型式:筋板式,工作面长方形。
工作面采用加工后刮研工艺,工作面上加工单向T形槽和圆孔以便于安装M24螺栓。
2. 精度为:每块平台平面度不超过0.10,整体平台平面度不超过0.50mm。
装配平台工作面中央每施加250N(1N=0.102kgf)载荷,平板挠度应不超过1mm。
3. 铺设规格及面积:T型槽内使用M30螺栓固定工件,T型槽加工尺寸执行国家标准GB158-59(上开口a=36mm,h=37mm;下开口b=60mm,c=25mm)。
(T型滑块置于T型槽内时,滑块不得高于平台平面,滑块中心带有标准的M24螺纹通孔。
)4. 总体技术要求:1)采用树脂砂工艺进行铸造,平板工作面不得有严重影响外观和使用性能的砂孔、气孔、裂纹、夹渣、缩松、划痕、碰伤、凹陷、杂质、绣点等缺陷。
耐氟电机型式对拖试验站技术要求一、 概述1、设计原则本试验站的设计和制造须以甲方的三相异步交流电机、三相永磁同步电机及变频控制器的测试要求为基本依据,结合《GB/T_1032-2005 三相异步电动机试验方法》、《GB/T 13958-92 无直流励磁绕组同步电动机试验方法》、《GB/T 1029-2005 三相同步电机试验方法》,《GB/T 13422-1992 半导体电力变流器--电气试验方法》等相关标准中对电机、变频器试验的具体要求进行设计与制造。
试验站需实现自动化,以降低试验人员在试验过程中的繁琐操作,降低劳动强度。
2、设计依据GB/T 13958-92 无直流励磁绕组同步电动机试验方法GB/T 1029-2005 三相同步电机试验方法GB/T 1032-2005 三相异步电动机试验方法GB/T 22670-2008 变频器供电三相笼型感应电动机试验方法GB/T 13422-1992 半导体电力变流器--电气试验方法GB/T 14549-93 电能质量 共用电网谐波GB 10236-1988 半导体电力变流器与电网互相干扰及其防护方法导则GB/T 3859.1-93 半导体变流器 基本要求的规定GB/T 3859.2-1993 半导体变流器 应用导则GB/T 12668.3-2003 调速电气传动系统 第3部分:产品的电磁兼容性标准及其特定的试验方法GB/T 4793.1-2007 测量、控制和实验室用电气设备的安全要求 第一部分:通用要求GB 50054-95 低压配电设计规范GB/T 24001-2004 环境管理体系GB/T 28001-2001 职业安全健康管理体系3、试验装置技术参数、配置的具体要求3.1实验站具体功能描述和要求z试验站设置两个测试工位,满足一测一备的要求;z实验室高度自动化,可实现在操作间根据实验要求对测试对象进行开停、调速,加减负载、提高(降低)电机端电压、切换实验线路(动力线路、不同量程互感器)等操作,同时可实现对冷却水水温,润滑油温度的监视和调节,并根据试验要求调节冷却水水压、润滑油油压差;(增加功率、电压、电流、功率因数、效率等电参数的显示,能够实现系统稳定后平均值的计算(已在软件处要求))z本试验站必须能实现电能的直流回馈和交流回馈,满足电机、变频器的测试,同时要求被试电机和被试变频器既可以分开进行单独测试,也可进行联合测试,具体的要求为:a.被试电机由乙方提供的通用变频器进行测试,这时采用直流回馈;b.被试变频器驱动由甲方提供的电机进行测试,这时可根据需要交流或直流回馈;c.被试电机由被试驱动器驱动进行测试,这时采用交流回馈。
牵引电机翻转架技术要求第一节设备使用条件周围环境温度:-30℃~+45℃,相对湿度:15%—90%海拔高度:900~1300m第二节设备结构性能及技术要求3.1结构性能及技术要求3.1.1请卖方对牵引电机翻转架的结构及性能按下列组成部分(但不限于此)进行详细描述。
(1)总体构造(2)外界条件3.1.2※在上述结构性能描述中,要说明各组成部分的构成、规格、数量、功能、重量及工作原理。
在说明各组成部分的构造功能时,要说明与竞争对手的产品相比有何特点或优点,与卖方过去的旧型设备相比有何改进;说明在制造过程中应用了什么新技术;说明重要零部件的材质。
进行详细描述不限于此。
3.1.3※技术要求(1) ZD114型牵引电机翻转架,用于牵引电机沿轴线方向往复翻转90度,使牵引电机便于拆装、清洗、检修等工序所需的工作状态。
(2)牵引电机翻转架由底座、驱动机构、液压系统、辅助机构和控制机构组成。
(3)翻转机构以动力源驱动主板和从板翻转,使牵引电机处于不同的工作位置。
(4)液压系统提供液压动力,控制油缸动作并自锁在任何工作位置。
(5)负荷重量不小于4000Kg。
(6)输入电源:AC380V(+10%),50HZ。
(7)附带符合现场要求的电源线及插头。
(8)设备外观颜色在技术协议中明确。
(9)卖方负责设备安装调试(包括安装调试所需的电路连接材料和配件等);涉及到基础安装的由卖方负责出具基础安装图并施工。
(10)卖方提供设备组成清单明细(包括名称、型号、数量、生产厂家等);卖方按设备组成分项报价。
3.2 一般技术要求3.2.1 标准:设备必须满足国家及行业安全标准;3.2.2 设计和制造要求在设计制造中,零部件尽量采用同一标准,尽可能提高零部件之间的互换性。
零部件便于维修,脏物易聚集的地方必须易于清理。
3.2.3 标牌所有总成部件必须装有铭牌,铭牌应标有该总成件主要技术规格参数。
配套的总成件铭牌要完好保留,便于察看。
第三节供货范围4.1 完整的、全新的、符合制造标准的、满足本招标技术附件第1-3节各项条件及技术要求的标准配置。
基于Vehicle Spy3的永磁同步电机对拖实验平台谢斌;张楠;武仲斌;杨如丹【摘要】基于Vehicle Spy 3搭建了永磁同步电机对拖实验平台.该平台可以实现数据采集、数据分析和回放仿真等功能,通过CAN总线实现与电机控制器通信.在进行转矩控制精度实验时,通过上位机增加目标转矩后,电机实际转矩的变化稳定在±30 N·m范围内;在电机系统效率实验时,在电动情况下80%以上效率区间占69.7%,发电情况下80%以上效率区间占65%.实验平台采用软硬件结合的方式,有助于学生掌握CAN总线技术,增强动手操作能力,具有较高的实用性.【期刊名称】《实验技术与管理》【年(卷),期】2019(036)003【总页数】5页(P251-254,260)【关键词】永磁同步电机;VehicleSpy3;CAN总线;对拖实验【作者】谢斌;张楠;武仲斌;杨如丹【作者单位】中国农业大学现代农业装备优化设计北京重点实验室 ,北京 100083;中国农业大学现代农业装备优化设计北京重点实验室 ,北京 100083;中国农业大学现代农业装备优化设计北京重点实验室 ,北京 100083;中国农业大学现代农业装备优化设计北京重点实验室 ,北京 100083【正文语种】中文【中图分类】TM341;G484随着电动车辆的不断发展,该领域的研究热点电机受到广泛关注[1]。
电动车辆课程广泛涉及电机相关内容,仅对电机理论知识进行讲解是不够的,将理论知识与实验相结合可以加深学生对知识的理解。
电机测试平台通过虚拟仪器技术,可对各个参数实现实时采集、监控、分析和记录,完成电机动态和静态性能测试实验[2],有助于学生了解电机的工作特性,大大丰富了实验内容。
文献[3]基于AVL电机测试台架,搭建了驱动电机测试平台,并进行了电机温度对效率的影响实验和电机功率实验等,文献[4]基于LabVIEW建立永磁直流电动机综合测试平台,并分析了振动与噪声波形,对本文具有参考意义。
电机对拖耐久试验台架技术要求1. 名称及数量1.1项目名称:电机对拖耐久试验台架1.2数量:壹套2. 设备用途2.1此规格设备包括一套全新的、完整的电机对拖耐久试验台架,设备包含机械测试平台、电机系统工装、传开工装、直流电源、转矩转速传感器、测控系统、电机恒温水冷系统、功率分析仪等部分。
本设备主要用于5吨以上的混合动力及纯电动汽车电机系统的性能测试、工况可靠性、电机传动轴交变应力下的耐久度、电机控制系统的控制稳定性评价研究,并提供可靠的试验数据。
2.2 试验设备应具有优良的功能和结构设计,操作简便,测量和控制精度高,试验结果重复性好,可靠性高,工作寿命长,到达国内同行业先进水平。
3. 适用标准国家标准《GB/T 18488.1-2015 电动汽车用电机及其控制器第1部分:技术条件》国家标准《GB/T 18488.2-2015 电动汽车用电机及其控制器第2部分:试验方法》国家标准《GB/T 29307-2012 电动汽车用驱动电机系统可靠性试验方法》用户自定义循环工况。
试验设备的设计、制造、安装应以ISO标准为依据。
测量单位使用SI单位制。
4. 工作环境✧试验区域温度:-5℃~40℃;✧试验区相对湿度:10%~98%RH✧大气压力:86kPa~106kPa✧试验区域海拔高度:≤500m✧控制室温度:-5℃~30℃无冷凝✧控制室相对湿度:10%~98%✧电源电压:380V±10%三相五线制;220V±10%单相;频率:50Hz±2%✧水:普通工业自来水,压力:0.2~0.4 MPa✧气源:压缩空气,压力:0.5~1 MPa✧试验区域规划面积:约60㎡〔8m×8m,不含墙体,不含控制间〕,控制间与试验区域隔断5. 交货日期合同签字后,3个月内到达厦门金龙联合汽车工业。
6.设备需求一览表下面列出的供货范围和数量是必需的,但是,为了满足用户的实际使用要求,又不能仅局限于下面的供货范围;7. 设备详细技术要求7.1总体要求电机对拖耐久台架试验室主旨在于研究新能源商用车辆电机系统,建立一个进行电机可靠性试验,同时兼顾电机常规性能测试的综合台架试验室。
旋转电机基本技术要求管理优秀文档(可以直接使用,可编辑优秀文档,欢迎下载)旋转电机基本技术要求GB 755-87中华人民共和国国家标准UDC 621.313 旋转电机基本技术要求GB 755-87General requirementsfor rotating electrical machines代替GB 755-811——负载;2——电损耗;3——温度时间图1连续工作制S1N——在恒定负载下运行;θmax——达到的最高温度1——负载;2——电损耗;3——温度时间图2短时工作制S2N——在恒定负载下运行;θma x——在工作周期中达到的最高温度图3断续周期工作制S3N——在恒定负载下运行;R——断能停转;θmax——在工作周期中达到的最高温度负载持续率:N/N+R·100%时间图4包括起动的断续周期工作制S4D——起动;N——在恒定负载下运行;R——断能停转;θmax——在工作周期中达到的最高温度负载持续率:D+N/D+N+R·100%图5包括起动的断续周期工作制S5D——起动;N——在恒定负载下运行;F——电制动;R——断能停转;θmax——在工作周期中达到的最高温度负载持续率:D+N+F/D+N+F+R·100%图6连续周期工作制S6N——在恒定负载下运行;V——空载运行;θmax——在工作周期中达到的最高温度负载持续率:N/N+V·100%时间图7包括电制动的连续周期工作制S7D——起动;N——在恒定负载下运行;F——电制动;θmax——在工作周期中达到的最高温度负载持续率:1时间图8包括变速变负载的连续周期工作制S8D——加速;N1、N2、N3——在恒定负载下运行;F1F2——电制动;θmax——在工作周期中达到的最高温度负载持续率:D+N1/D+N1+F1+N2+F2+N3·100%F1+N2/D+N1+F1+N2+F2+N3·100%F2+N3/D+N1+F1+N2+F2+N3·100%△△t(K)由式(1)确定:△电机的额定功率(p)kW(或kV A)断能后间隔的时间S小功率电机P≤5050<P≤200 200<P≤5000 5000<P 153090120按专门协议轴承类别测点测点位置球轴承或滚子轴承A 位于轴承室内,离轴承外圈1)不超过10mm处2)B 位于轴承室外表面,尽可能接近轴承外圈滑动轴承A 位于轴瓦3)的压力区,离油膜间隙1)不超过10mm处2)B 位于轴瓦的其他位置项号电机的部件绝缘等级A级E级B级F级H级T R E T R E T R E T R E T R E1 a.功率为5000kW(或kV A)及以上电机的交流绕组b.功率为200kW(或kV A)但小于5000kW(或kV A)电机的交流绕组c.功率为200kW(或kV A)及以下电机的交流绕组,但本项的d和e除外2)d.功率小于600/W(或V A)电机的交流绕组2)e.不带风扇自冷式(IC40)电机的交流绕组或囊封式绕组2)-----6060606565651)651)---------75757575----------8080808585851)901)--------1001051051101101051)1101)--------1251251251301301301)1301)---2 带换向器的电枢绕组50 60 - 65 75 - 70 80 - 85 105 - 105 125 -3 用直流励磁的交流和直流电机的磁场绕组,但项4项除外50 60 - 65 75 - 70 80 - 85 105 - 105 125 -注:①对该类电机,I2/In按下式计算:I2/In=0.08-Sn-350/3×104表95交流电机的转速或转差率(在额定负载及工作温度时)a.异步电动机的转差率1kW(或kV A)及以上1kW(或kV A)以下b.有并励特性的交流电动机的转速保证值的±20%保证值的±30%在最高转速时为同步转速的-3%在最低转速时为同步转速的+3%6并励或他励直流发电机在特性曲线上任一点的固有电压调整率该点保证值的±20%7复励发电机的固有电压调整率(对交流发电机应在额定功率因数下)保证值的±20%,最小为额定电压的3%(在空载和满载电压保证值的两点间作一直线,在任何负载下测得的电压与此直线上同一负载下电压相比的最大偏差应在此容差范围内)8具有短路转子和用规定设备起动的笼型异步电动机的堵转电流保证值的±20%9 在规定条件下,交流发电机的短路电流峰值保证值的±30%10在规定的励磁下,交流发电机的稳态短路电流保证值的±15%11交励和复励直流电动机的转速调整率(从空载到额定负载)保证值的±20%,最小为额定转速的±2%12 异步电动机的堵转转矩保证值的-15%,+25%(正容差仅在用户有需要时才作规定)13 异步电动机的最大转矩保证值的-10%,但计及容差后应不小于第7.2条的规定14 转动惯量保证值的+10或-10%15 同步电动机的堵转转矩保证值的-15%,+25%(正容差仅在用户有需要时才作规定)16 同步电动机的失步转矩保证值的-10%,但计及容差后应不小于第7.2条的规定17 同步电动机的堵转电流保证值的+20%18 异步电动机的最小转矩保证值的-15%19 同步电动机的标称牵入转矩保证值的-15%(4)式中:u——线电压的有效值;un——n次谐波电压的有效值;λn——相应于n次谐波频率的加权系数,不同频率的加权系数应从表10查出,图11的曲线供查取插入值用。
采煤机用拖曳式电缆夹技术条件1、范围本标准规定了采煤机用拖曳式电缆夹的主要技术要求与试验方法、检验规则和标志、包装、运输、贮存。
本标准适用于煤矿综采、普采机组上使用的以聚合塑料和碳素钢板为原料的采煤机用拖曳式电缆夹。
2、引用标准下列标准所包含的条文,通过在本标准中引用而构成为本标准的条文。
本标准出版时,所示版本均为有效。
所有标准都会被修订,使用本标准的各方应探讨使用下列标准最新版本的可能性。
GB/T 710—1991 优质碳素结构钢热轧薄钢板和钢带GB/T 2828--1987 逐批检查计数抽样程序及抽样表(适用于连续批的检查)GB/T 2829--1987 周期检查计数抽样程序及抽样表(适用于生产过程稳定性的检查) GB,T 31 77~1982 光滑工件尺寸的检验GB/T 13237 1991 优质碳素结构钢热轧薄钢板和钢带GB/T 14486—1993 工程塑料模塑塑料件尺寸公差MT 113—1995 矿井下用聚合物物品阻燃抗静电性通用试验方法和判定规则3、技术要求3.1 采煤机用拖曳式电缆夹技术条件应符合本标准的规定,并按经规定程序批准的图样及技术文件制造。
3.2 采煤机用拖曳式电缆夹应采用冲压的钢板做骨架,所采用的钢板性能应不低于GB/T 710和GB/T 13237中的20薄钢板性能。
3.3 采煤机用拖曳式电缆夹非金属原材料的安全性能应符合MT 113的规定。
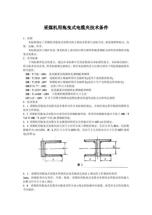
3.4 采煤机用拖曳式电缆夹的几何尺寸应符合加工图纸的规定,孔径公差为H13,孔距极限偏差为±0.51Tl2,H、L的尺寸公差为MT4级,其余尺寸公差按未注尺寸公差MT5级制造(见图1)。
3.5 采煤机用拖曳式电缆夹串联状态承受载荷达到表1规定的工作载荷时保持2min,卸载检查应无变形、开裂、脱落。
采煤机用拖曳式电缆夹串联状态所能承受的最大拉断力应不小于表1规定。
3.6 采煤机用拖曳式电缆夹应能承受符合表l规定的抗砸冲击能量,承受冲击后的电缆夹不应破碎。
包轴1.塑层应饱满光洁,色泽纯正,无裂纹,气孔,破损,焦糊,夹生现象;2.塑层应能承受50Hz正弦波形,整定电流为100mA,%c 挡3750V,其余2500V冲击电压时1min不击穿或闪络;3.未注形位公差按GB/T1184-1996-H;4.未注公差尺寸的极限偏差按GB/T1804-1992-m.冲件1.表面應平整,不得有裂紋,折皺及凹陷等缺陷.2.各焊縫需焊透,不得燒穿及有裂紋等缺陷.焊縫必需清理.冲片1.冲片应表面平坦,毛刺不大于0.05;2.未注形位公差按GB/T1184-1996-H;3.未注公差尺寸的极限偏差按GB/T1804-1992-m.弹簧1.总圈数=2.有效圈数=3.展开长度=4.热处理HRC42-45;5.表面镀锌处理.刀轴1.未注倒角均为0.5×45%d,未注越程槽为1.2×0.5;2.刀轴体制作刨刀部件时,配件刨刀、垫刀片、刀片螺钉和刨刀盖须用0.5托盘天平秤重,两边偏差不得大于0.3克,制作的刨刀部件的平衡精度为G6.3.去重部位为刀轴体的铝体端部,不能破坏周边,去净铝末;3.未注公差尺寸的极限偏差按GB/T1804-1992-m;4.未注形位公差按GB/T1184-1996-H.电镀外表件技术要求1.去毛刺;2.锐角倒钝R0.5;3.外表面镀铬抛光.电缆线1.电缆线长为2.5m(电刨长3m)以上尺寸指工具电缆出口至插头,不包括插脚;2.软电缆应符合GB5013.2-85《额定电压450V/750V及以下橡皮绝缘软电缆》标准规定.聚氯乙烯电缆应符合GB5023-1996《额定电压450V/750V及以下聚氯乙烯电缆(电线)连接用软电缆(电线)》标准规定;3.插脚与可触及插头表面的绝缘应能承受50Hz正弦波形,整定电流为100mA,3750V的冲击电压历时1min不击穿或闪络;4.本品还应符合GB1002-1996《单相插头、插座型式基本参数与尺寸》、GB2099-1996《单相、三相插头插座技术条件》.电气图1.D: 电枢2.L1:L2: 定子3.DK; 开关4.L: 电咸5.C: 电容6.DZL: 电缆线电枢铁芯1.叠片紧密可靠,片间无夹杂,表面(槽内)无污染油渍;2.电枢齿槽口整齐与转轴平行,误差不大于0.5mm;3.应能承受50Hz正弦波形,整定电流为100mA,两端部绝缘层与转轴1250V,冲击电压历时1min不击穿或闪络;4.未注形位公差按GB/T1184-1996-H;5.未注公差尺寸的极限偏差按GB/T1804-1992-m.锻件技术要求1.锻件应经正火处理;2.粗加工后调质处理HB235;3.未注公差按IT14级;4.未注形位公差按C级;5.未注倒角0.3×45°.钢件技术要求技术要求1.热处理;2.未注倒角0.3×45°;3.未注公差按IT14级;4.未注形位公差按C级.滚花直纹滚花M=0.4 GB6403.3-86焊接件技术要求1.表面应平整,不得有裂纹,折皱及凹陷等缺陷.2.各焊缝需焊透,不得烧穿及有裂纹等缺陷.焊缝必需清理护套1.外表光洁无污渍、无飞边、厚度均匀、色泽纯正;2.应符合JB/T9605-1995《电动工具电源线护套》.机壳1.压铸件饱满光洁、无气孔、缩松裂纹、夹渣、变形等缺陷,壁厚均匀,外形完整;2.铸件要求符合JB/T5354-1991《电动工具铝铸件压铸工艺导则》;3.表面喷漆处理;4.未注形位公差按GB/T1184-1996-H;5.未注公差尺寸的极限偏差按GB/T1804-1992-m.技术要求1:一般要求零件去除氧化皮;零件加工表面上,不应有划痕、擦伤等损伤零件表面的缺陷;去除毛刺飞边;未注形位公差按GB/T1184-1996-H;未注公差尺寸的极限偏差按GB/T1804-1992-m.表面镀锌处理;未注倒角均为0.5×45%d;未注越程槽为1.2×0.5;经调质处理HB220~260;直纹滚花M=0.4 GB6403.3-86;%c13.5档车正反两条螺旋槽深0.4螺距12.表面喷漆处理;表面发黑处理;表面平坦无毛刺;齿坯调质HB220~260;氮化HV5 450-480;2:处理要求零件去除氧化皮;零件加工表面上,不应有划痕、擦伤等损伤零件表面的缺陷;去除毛刺飞边;未注形位公差按GB/T1184-1996-H;未注公差尺寸的极限偏差按GB/T1804-1992-m.表面喷塑处理;3:公差要求未注形状公差应符合GB1184-80的要求;未注长度尺寸允许偏差±0.5mm;铸件公差带对称于毛坯铸件基本尺寸配置;4:电枢要求电枢绕组接线按电枢绕组接线图;换向器与绕组间用电阻焊连接;绕组绝缘漆应用不低于E级的无溶剂漆滴浸,挂漆饱满;铣云母槽时槽侧应干净不得残留云母片;电枢装风叶后校动平衡,其精度等级应不低于G6.3级;电气绝缘应能承受50Hz正弦波形,整定电流为100mA铜排与轴间3750V冲击电压历时1min 不击穿或闪络;铁芯外表面应做防锈处理,绕组两端不露铜.7:铭牌要求铭牌中汉字均采用仿宋体字;铭牌中文字,符号,线条应凸起底部涂绿色漆;表面应光洁,不允许有裂纹,结疤,起皮等痕迹;字体高度及行距按图纸尺寸规定,字体排列应均匀对称;文字,符号,线条等凸起部分应镀铬抛光.10:注塑件要求本件应饱满光洁、壁厚均匀、外形完整、色泽均匀、无裂纹、银丝及变形等缺陷,飞边不大于0.3;未注壁厚为2.5,未注工艺圆角R1(夹角处R0.3),脱模斜度不大于1.5%d;与对应配合件外形应相吻合,配合严密,外形错位误差不大于0.3;制件应进行时效处理;未注形位公差按GB/T1184-1996-H;未注公差尺寸的极限偏差按GB/T1804-1992-m.11:总装图要求技术参数:220V~50Hz,P1=650W,n。
山西普松自动化设备有限公司电气分公司企业标准电机对拖试验台Q/SPC-C-125-2011本试验台主用针对变频器的出厂检测进行对拖试验一、测试台测试前检测1.检测总供电的空气开关,PIU柜,整流柜,逆变柜,操作台的接线是否正常,能否正常工作。
2.检测给配电柜供电的三相变压器的接线是否正常。
二、检测前准备1. 将被测变频器移至检测区,检测围好隔离防离带,并挂上“检测中有电请勿靠近”警示牌。
2. 操作人员合空气开关时应站在配电柜前绝缘胶板上,穿好高压绝缘鞋带绝缘手套及相关防护用品和防护措施,检测时一人操作,一人监视。
三、电机对拖试验台操作台操作步骤1.开主机和显示器,给PLC送电。
2.等电脑运行完成后,双机桌面上的电机电机对拖试验检测软件快捷方式。
3.等该软件运行后,点击运行箭头。
如下图:录”。
如下图:5.登录后点击“故障复位”,选择被测变频器的电压等级如“660V”(配电柜上的电雅等级选择开关应与“登录”界面上所选电压等级一致)。
如下图:6.点击“测试”,进入到“测试”界面后,在测试变频器部分点击“合闸”图标进行合闸,合闸后点击“分闸”图标进行分闸。
如下图:7.在“测试”界面下,在加载变频器部分点击“合闸”图标进行合闸,合闸后点击“分闸”图标进行分闸。
8.如果加载变频器已合闸,在“测试”界面下,在加载变频器部分点击“整流部分起动”,整流部分起动,起动后在“测试”界面左下方有运行返回标志,当该图标变绿时表示有运行返回信号。
9.如果整流部分起动,在“测试”界面下,在加载变频器部分点击“逆变部分起动”,逆变部分起动,起动后在“测试”界面左下方有运行返回标志,当该图标变绿时表示有运行返回信号。
10.在“测试”界面下,转矩输入栏里输入转矩值,点击“确认”图标,转矩值由PLC发送给加载变频器。
11.加载完成后。
减载过程与加载过程相反。
四、送电操作步骤1.给被测变频器接上从配电柜引出的电源线,将被测变频器的输出测接到检测电机上(电机的接线方式要与变频器的输出一致)。
hev电机台架测试标准与方法
HEV电机台架测试的标准和方法如下:
标准:
电机性能:台架测试需要验证电机的性能,包括功率、扭矩、效率、噪音等。
这些性能参数需要符合设计要求,以确保电机在HEV中的正常运行。
电机控制策略:台架测试需要验证电机控制策略的正确性和有效性。
这包括电机的启动、停止、加速、减速等控制操作,以及与发动机的协同工作。
电机可靠性:台架测试需要评估电机的可靠性,包括电机的寿命、耐久性、耐高温、耐低温等性能。
这些性能需要满足HEV的工作环境和使用要求。
方法:
搭建台架:首先需要搭建一个用于测试电机的台架,包括电机、控制器、传感器等必要的设备和工具。
设定测试参数:根据电机的性能标准和要求,设定测试参数,如转速、扭矩、电压、电流等。
进行测试:在台架上对电机进行测试,记录测试数据,包括电机的性能参数、控制策略的表现、可靠性等方面的数据。
分析测试结果:对测试数据进行详细的分析,包括性能参数的对比、控制策略的验证、可靠性的评估等。
调整和优化:根据测试结果,对电机和控制策略进行调整和优化,以
提高电机的性能和可靠性。
以上是HEV电机台架测试的标准和方法的基本介绍,具体的测试方法和标准可能会因不同的HEV车型和电机类型而有所不同。
矿产资源开发利用方案编写内容要求及审查大纲
矿产资源开发利用方案编写内容要求及《矿产资源开发利用方案》审查大纲一、概述
㈠矿区位置、隶属关系和企业性质。
如为改扩建矿山, 应说明矿山现状、
特点及存在的主要问题。
㈡编制依据
(1简述项目前期工作进展情况及与有关方面对项目的意向性协议情况。
(2 列出开发利用方案编制所依据的主要基础性资料的名称。
如经储量管理部门认定的矿区地质勘探报告、选矿试验报告、加工利用试验报告、工程地质初评资料、矿区水文资料和供水资料等。
对改、扩建矿山应有生产实际资料, 如矿山总平面现状图、矿床开拓系统图、采场现状图和主要采选设备清单等。
二、矿产品需求现状和预测
㈠该矿产在国内需求情况和市场供应情况
1、矿产品现状及加工利用趋向。
2、国内近、远期的需求量及主要销向预测。
㈡产品价格分析
1、国内矿产品价格现状。
2、矿产品价格稳定性及变化趋势。
三、矿产资源概况
㈠矿区总体概况
1、矿区总体规划情况。
2、矿区矿产资源概况。
3、该设计与矿区总体开发的关系。
㈡该设计项目的资源概况
1、矿床地质及构造特征。
2、矿床开采技术条件及水文地质条件。
矿产资源开发利用方案编写内容要求及审查大纲
矿产资源开发利用方案编写内容要求及《矿产资源开发利用方案》审查大纲一、概述
㈠矿区位置、隶属关系和企业性质。
如为改扩建矿山, 应说明矿山现状、
特点及存在的主要问题。
㈡编制依据
(1简述项目前期工作进展情况及与有关方面对项目的意向性协议情况。
(2 列出开发利用方案编制所依据的主要基础性资料的名称。
如经储量管理部门认定的矿区地质勘探报告、选矿试验报告、加工利用试验报告、工程地质初评资料、矿区水文资料和供水资料等。
对改、扩建矿山应有生产实际资料, 如矿山总平面现状图、矿床开拓系统图、采场现状图和主要采选设备清单等。
二、矿产品需求现状和预测
㈠该矿产在国内需求情况和市场供应情况
1、矿产品现状及加工利用趋向。
2、国内近、远期的需求量及主要销向预测。
㈡产品价格分析
1、国内矿产品价格现状。
2、矿产品价格稳定性及变化趋势。
三、矿产资源概况
㈠矿区总体概况
1、矿区总体规划情况。
2、矿区矿产资源概况。
3、该设计与矿区总体开发的关系。
㈡该设计项目的资源概况
1、矿床地质及构造特征。
2、矿床开采技术条件及水文地质条件。
矿产资源开发利用方案编写内容要求及审查大纲
矿产资源开发利用方案编写内容要求及《矿产资源开发利用方案》审查大纲一、概述
㈠矿区位置、隶属关系和企业性质。
如为改扩建矿山, 应说明矿山现状、
特点及存在的主要问题。
㈡编制依据
(1简述项目前期工作进展情况及与有关方面对项目的意向性协议情况。
(2 列出开发利用方案编制所依据的主要基础性资料的名称。
如经储量管理部门认定的矿区地质勘探报告、选矿试验报告、加工利用试验报告、工程地质初评资料、矿区水文资料和供水资料等。
对改、扩建矿山应有生产实际资料, 如矿山总平面现状图、矿床开拓系统图、采场现状图和主要采选设备清单等。
二、矿产品需求现状和预测
㈠该矿产在国内需求情况和市场供应情况
1、矿产品现状及加工利用趋向。
2、国内近、远期的需求量及主要销向预测。
㈡产品价格分析
1、国内矿产品价格现状。
2、矿产品价格稳定性及变化趋势。
三、矿产资源概况
㈠矿区总体概况
1、矿区总体规划情况。
2、矿区矿产资源概况。
3、该设计与矿区总体开发的关系。
㈡该设计项目的资源概况
1、矿床地质及构造特征。
2、矿床开采技术条件及水文地质条件。
矿产资源开发利用方案编写内容要求及审查大纲
矿产资源开发利用方案编写内容要求及《矿产资源开发利用方案》审查大纲一、概述
㈠矿区位置、隶属关系和企业性质。
如为改扩建矿山, 应说明矿山现状、
特点及存在的主要问题。
㈡编制依据
(1简述项目前期工作进展情况及与有关方面对项目的意向性协议情况。
(2 列出开发利用方案编制所依据的主要基础性资料的名称。
如经储量管理部门认定的矿区地质勘探报告、选矿试验报告、加工利用试验报告、工程地质初评资料、矿区水文资料和供水资料等。
对改、扩建矿山应有生产实际资料, 如矿山总平面现状图、矿床开拓系统图、采场现状图和主要采选设备清单等。
二、矿产品需求现状和预测
㈠该矿产在国内需求情况和市场供应情况
1、矿产品现状及加工利用趋向。
2、国内近、远期的需求量及主要销向预测。
㈡产品价格分析
1、国内矿产品价格现状。
2、矿产品价格稳定性及变化趋势。
三、矿产资源概况
㈠矿区总体概况
1、矿区总体规划情况。
2、矿区矿产资源概况。
3、该设计与矿区总体开发的关系。
㈡该设计项目的资源概况
1、矿床地质及构造特征。
2、矿床开采技术条件及水文地质条件。
矿产资源开发利用方案编写内容要求及审查大纲
矿产资源开发利用方案编写内容要求及《矿产资源开发利用方案》审查大纲一、概述
㈠矿区位置、隶属关系和企业性质。
如为改扩建矿山, 应说明矿山现状、
特点及存在的主要问题。
㈡编制依据
(1简述项目前期工作进展情况及与有关方面对项目的意向性协议情况。
(2 列出开发利用方案编制所依据的主要基础性资料的名称。
如经储量管理部门认定的矿区地质勘探报告、选矿试验报告、加工利用试验报告、工程地质初评资料、矿区水文资料和供水资料等。
对改、扩建矿山应有生产实际资料, 如矿山总平面现状图、矿床开拓系统图、采场现状图和主要采选设备清单等。
二、矿产品需求现状和预测
㈠该矿产在国内需求情况和市场供应情况
1、矿产品现状及加工利用趋向。
2、国内近、远期的需求量及主要销向预测。
㈡产品价格分析
1、国内矿产品价格现状。
2、矿产品价格稳定性及变化趋势。
三、矿产资源概况
㈠矿区总体概况
1、矿区总体规划情况。
2、矿区矿产资源概况。
3、该设计与矿区总体开发的关系。
㈡该设计项目的资源概况
1、矿床地质及构造特征。
2、矿床开采技术条件及水文地质条件。