食用赤色106(酸性红色素)
- 格式:docx
- 大小:63.35 KB
- 文档页数:2
第40卷第5期2021年5月Vol.40No.5May.2021绵阳师范学院学报Journal of Mianyang Teachers'CollegeD01:10.16276/51-1670/g.2021.05.008液相色谱法测定饮料中日落黄、柠檬黄和胭脂红的含量李娟1,张形2,龙丽1(1.绵阳师范学院化学与化学工程学院,四川绵阳621000;2.绵阳市安州生态环境监测站,四川绵阳622651)摘要:通过高效液相色谱法对饮料中常见的日落黄、柠檬黄和胭脂红含量进行测定.选用Cleanert PWAX-SPE混合型弱阴离子交换柱和Cleanert PA聚酰胺小柱,吸附饮料中的合成着色剂,再用氨化甲醇洗脱,最后经反相色谱分离.采用Venusil®XBP C185»m4.6x150mm,用0.02mol/L乙酸铁溶液和色谱纯甲醇为流动相梯度洗脱,根据保留时间定性和峰面积比较进行定量.结果表明:0落黄、柠檬黄、胭脂红在20p,g/mL~100ixg/mL范围内都有良好的线性关系,相关系数R2^0.999,加标回收率为82.8%-102.36%,相对标准偏差为0.65%~1.32%.关键词:高效液相色谱法;饮料;日落黄;柠檬黄;胭脂红;合成色素中图分类号:0657.72文献标志码:A文章编号:1672-612X(2021)05-0039-060引言人工合成色素的检测方法有高效液相色谱法、薄层色谱法同、紫外-可见分光光度法⑺、液一质联用法⑹等.很多方法包括前处理只适用于检测基质比较简单的食品卩财,对于一些蛋白质含量高且基质复杂的食品(如:海产品,腌制蔬菜等)却不能准确测定其中的含量,而国家标准《食品中合成着色剂的测定》(GB/T5009.35-2003)⑷中规定的高效液相色谱法、薄层色谱法和示波极谱法来测定色素,这些方法前处理步骤繁琐,费时,成本高.为了方便检测不同饮料中柠檬黄、胭脂红和日落黄的含量,本文建立了同时检测以上3种合成色素的方法,该方法适用于各类不同饮料中日落黄、柠檬黄和胭脂红的测定,适用范围广、准确、操作简便、成本低且重复性好.1日落黄、柠檬黄、胭脂红的介绍和含量测定的研究现状11日落黄、柠檬黄、胭脂红的简介日落黄(sunset yellow,简称SY)[11](图1-1),又名食用黄色5号(日本)、食用黄色3号、橘黄、夕阳黄、晚霞黄,是一种水溶性偶氮类着色剂•化学名称为1-(4,-磺基-1,-苯偶氮)-2-蔡酚-6-磺酸二钠盐,分子式为C16H10N2Na2O7S2,相对分子质量452.37,是一种常用的人工食用色素,性质稳定,价格较低,广泛用于食品和药物的着色••柠檬黄又称酒石黄、腓黄血(图1-2).分子式为C16H9N4O9S2Na3,化学名称为1-(4-磺酸苯基)-4-(4 -磺酸苯基偶氮)-5-毗哩咻酮-3-竣酸三钠盐,食用柠檬黄外观为橙黄色粉末,微溶于酒精,不溶于其他有机溶剂•主要生产原料为对氨基苯磺酸及酒石酸,由对氨基苯磺酸经重氮化,与1-(4-磺基苯基)-3-竣基-5-毗哩咻酮在碱性溶液中偶合、精制而成•大多用于食品、饮料、药品、化妆品、饲料、烟草、玩具、食品包装材料等的着色,也可以用于羊毛、蚕丝的染色•胭脂红,又名食用赤色102号(日本)、食用红色7号、丽春红4R、大红、亮猩红问(图1-3),为水溶性偶氮类着色剂•分子式为C22H2°Oi3,化学名称为1-(4,-磺酸基荼偶氮)-2-荼酚-6,8-二磺酸三钠盐,是收稿日期:2020-01-15第一作者简介:李娟(1968-),女,四川绵阳人,副教授,研究方向:仪器分析化学及结构化学.绵阳师范学院学报(自然科学版)觅菜红的异构体.胭脂红(Ponceau 4R )是目前我国使用最广泛、用量最大的一种单偶氮类人工合成色素. 胭脂红作为食品色素可用于果汁饮料、配制酒、碳酸饮料、糖果、糕点、冰淇淋、酸奶等食品的着色,而不能用于肉干、肉脯制品、水产品等食品中,主要是为了防止一些不法分子通过使用色素将不良的原料肉如变质肉 的外观掩盖起来,欺骗消费者■图1日落黄Fig.l The sample ofsunset yellow图2柠檬黄Fig.2 The sample of tartrazine 图3胭脂红Fig.3 The sample of carmine12日落黄、柠檬黄、胭脂红含量测定的研究现状柠檬黄、日落黄、胭脂红色素是世界上最常用的合成食用色素,在饮料调色方面起着至关重要的作用•而作为广泛应用于饮料中的合成食用色素,消费者对这些色素的超标使用和食品安全也越来越关注,推动研 究学者们不断地对这几种色素的测定进行研究■刘奋等介绍了用高效液相色谱法配合DAD 检测器对柠檬黄、胭脂红、日落黄含量进行测定的方法%],流动相为甲醇和0.02 mol/L 乙酸钱,梯度洗脱•针对各种合成色素的不同出峰时间,分别选用其最佳检测波长检 测,大大提高检测灵敏度,并有效克服了在254 nm 处的梯度洗脱时造成的基线漂移,提高了定量准确性.林壮森等介绍了采用分光光度法检测饮料中柠檬黄和日落黄的方法①一词,通过测定饮料在426 mm 和482 nm 波长处的吸光度,与柠檬黄和日落黄标准溶液比较,计算样品中柠檬黄和日落黄的含量•Medeiros 等采用掺硼金刚石电极结合流动注射分析,实现了对饮料和明胶样品中4种合成色素(柠檬黄、日落黄、亮蓝和SY )的同时检测"I .2液相色谱法测定三种色素含量的实验原理日落黄、柠檬黄、胭脂红均具有苯磺酸钠结构,本文选用Cleanert PWAX-SPE 混合型弱阴离子交换柱 和Cleanert PA 聚酰胺小柱,用以吸附不同饮料中的合成着色剂,选用氨化甲醇洗脱,采用Venusil ® XBPC185 Jim 4.6X150 mm,以0.02 mol/L 乙酸钱溶液和色谱纯甲醇为流动相梯度洗脱,最后再经反相色谱分离.根据保留时间进行定性和比较峰面积进行定量■这种方法浓缩时间短,适用于大批量样品的同时检测•3实验部分3.1实验药品甲醇(分析纯佛山予华仪器科技有限公司、色谱纯西安天茂化工有限公司);乙醇、甲酸、柠檬酸、氨水 (优级纯佛山予华仪器科技有限公司);乙酸钱(色谱纯西安天茂化工有限公司);柠檬黄标准储备液、日落黄标准储备液、胭脂红标准储备液(标准物质500 zg/mL )深圳市时得佳科技有限公司);超纯水(该实验所用水均为超纯水).3.2主要实验仪器赛默飞高效液相色谱仪(UltiMate3000美国赛默飞世尔热电仪器有限公司);PH 计(PHS-25型北京合 悦达科技有限公司);圆形水浴氮吹仪(CM-36型北京成萌伟业科技有限公司);多管真空固相萃取仪(5982-9110安捷伦科技(中国)有限公司);固相萃取柱(Cleanert PWAX 杭州赛析科技有限公司);溶剂过滤器李娟,等:液相色谱法测定饮料中日落黄、柠檬黄和胭脂红的含量(AL-01北京同德创业科技有限公司)3.3实验条件实验所需条件如下所示:色谱柱:Venusil®XBP C185pjn4.6x150mm;流速:1.0mL/min;进样量:20jxL;波长:254nm;柱温:35°C.3.4实验步骤3.4.1样品提取用分析天平分别称取市售10g(精确至0.000lg)茶类饮料(康师傅冰红茶、和其正)、果蔬汁类饮料(统一鲜橙多、农夫果园30%混合果蔬)、碳酸饮料(芬达、美年达)、功能饮料(东鹏特饮、乐虎)放入100mL烧杯中,含二氧化碳的样品(芬达、美年达)先表1实验梯度表Tab.l Table of experimental gradient 时间A%(0.02mol/L B%(色谱(min)乙酸皱)纯甲醇)0955108020 184060 2540602795540955加热以除去二氧化碳.3.4.2标准系列溶液的配制配制不同浓度的日落黄、柠檬黄、胭脂红标准系列溶液.3.4.3固相萃取柱净化Cleanert PWAX-SPE在全自动固相萃取仪中,依次向Cleanert PWAX-SPE小柱中加入6mL甲醇,6mL pH=6的水,完成SPE小柱的净化过程•将全部提取液转移到柱子中,然后再用6mL 水(pH=4)、6mL甲醇-甲酸溶液(6:4)和6mL水(pH=6)淋洗;然后通入空气约5min吹干小柱,最后用6mL2%氨化甲醇洗脱并接收洗脱液,将洗脱液置于圆形水浴氮吹仪中,在50T水浴中用氮气吹干,用1mL 超纯水溶解并定容,经0.45jim水系滤器过滤到样品瓶中,供HPLC待测.3.4.4测定取相同体积的样品溶液和标准系列溶液分别置于高效液相色谱仪中按照3.3所示的实验条件进行测定,根据保留时间定性,外标峰面积定量-4结果与讨论4.1溶液标准曲线的绘制按照3.3所示的实验条件,将日落黄、柠檬黄、胭脂红标准系列工作溶液注人液相色谱仪中,测定相应的峰面积,得到日落黄标准系列浓度与峰面积的关系,黄标准曲线,如图4、5、6所示.of sunset yellow of lemon yellow of carmine red4.2各合成色素测定的标准曲线方程和相关系数根据3.3设定的实验条件测得日落黄、柠檬黄、胭脂红在设定浓度范围内,具有线性关系良好的标准曲线,日落黄、柠檬黄、胭脂红标准曲线的回归方程和相关系数见表2.4.3三种合成色素标准溶液色谱图日落黄、柠檬黄、胭脂红的混合标准溶液(80jxg/mL)的色表2各合成色素回归方程和相关系数表Tab.2Regression equation and related coefficient table of each synthetic pigment 合成回归方程相关系数疋日落黄彳=0.1735+0.03450.9998柠檬黄A=0.2519*c+0.09620.9992胭脂红A=0.1669*c+0.30160.9990绵阳师范学院学报(自然科学版)谱图如图3所示,积分结果如表4所示:表4日落黄、柠檬黄、胭脂红积分结果Tab.4 Integrating results of sunsetyellow , tartrazine and carmine峰名称保留时间/m in 峰面积样品量 pig/mL 柠檬黄 3.01715.27079.900 1胭脂红5.62015.35681.766 2日落黄6.60314.01580.787 5图7日落黄、柠檬黄、胭脂红混合标准溶液色谱图Fig.7 Chromatogram of mixed standard solutionof sunset yellow , tartrazine , and carmine4.4样品中三种合成色素的测定与结果4.4.1样品中日落黄的测定与结果 取3.5.3处理好的样品液,在波长为254 nm 处测定其的峰面积,平行测定三次,取平均值•结果如表5所示:表5饮料中日落黄的含量表Tab.5 Content table of sunset yellow in beverage种类峰面积日落黄浓度伽-mL-1样品质量/g样品日落黄含量/g ・kg -1统一鲜橙多5.633 032.362 110.008 30.003 2农夫果园30%混合果蔬 6.015 634.572 810.001 70.003 5芬达1.978 411.236 29.999 70.001 1美年达0.384 4 2.023 110.002 40.000 2康师傅冰红茶 4.764 527.341 110.121 30.002 7和其正0010.106 40东鹏特饮0010.010 30乐虎10.000 8由表5可知,不同类饮料中,果蔬汁类饮料(统一鲜橙多、农夫果园30%混合果蔬)中日落黄含量较茶类饮料(康师傅冰红茶、和其正)、碳酸饮料(芬达、美年达)和功能饮料(东鹏特饮、乐虎)的高,但均远小于《食 品添加剂使用卫生标准》(GB2760-1996)中规定的最大使用量■4.4.2样品中柠檬黄的测定与结果 取3.5.3处理好的样品液,在波长为254 nm 处测定其的峰面积,平行测定三次,取平均值•结果如表6所示:表6饮料中柠檬黄的含量表Tab.6 Content table of tartrazine in beverage种类峰面积柠檬黄浓度/憾'mL -1样品质量/g 样品柠檬黄含量/g ・kg -1统一鲜橙多6.494 625.400 810.008 30.002 5农夫果园30%混合果蔬&226 432.275 610.001 70.003 2芬达1.409 75.214 49.999 70.000 5美年达0.631 1 2.12310.002 40.000 2康师傅冰红茶7.508 329.424 810.121 30.002 9和其正0010.106 40东鹏特饮0010.010 30乐虎10.000 8李 娟,等:液相色谱法测定饮料中日落黄、柠檬黄和胭脂红的含量由表6可知,不同类饮料中,果蔬汁类饮料(统一鲜橙多、农夫果园30%混合果蔬)中柠檬黄含量比茶类饮料(康师傅冰红茶、和其正)、碳酸饮料(芬达、美年达)和功能饮料(东鹏特饮、乐虎)的高,但均远小于《食 品添加剂使用卫生标准》(GB2760-1996)中规定的最大使用量■4.4.3样品中胭脂红的测定与结果 取3.5.3处理好的样品液,在波长为254 nm 处测定其的峰面积,平行测定三次,取平均值•结果如表7所示:表7饮料中胭脂红的含量表Tab.7 Content table of carmine in beverage种类峰面积胭脂红的 浓度/阳■ mL'1样品质量/g样品胭脂红 含量/g * kg -1统一鲜橙多2.175 911.230 610.008 30.001 1农夫果园30%混合果蔬 5.327 730.114 710.001 70.003 0康师傅冰红茶 5.328 930.121 710.121 30.002 9和其正0010.106 40芬达009.999 70美年达0010.002 40东鹏特饮0010.010 30乐虎10.000 8由表7可知,不同类饮料中,果蔬汁类饮料(统一鲜橙多、农夫果园30%混合果蔬)中柠檬黄含量比茶类饮料(康师傅冰红茶、和其正)、碳酸饮料(芬达、美年达)和功能饮料(东鹏特饮、乐虎)的高,但均远小于《食 品添加剂使用卫生标准》(GB2760-1996)中规定的最大使用量.4.4.4日落黄、柠檬黄、胭脂红的加标回收率和精密度测定为了验证该方法的可靠性,进行了加标回收实验■准确称取不含日落黄、柠檬黄、胭脂红的不同类饮料10 g (精确至0.0001 g ),分别加入浓度为0.5|jLg/mL 、l.OjLg/mL.2.0 fig/mL 的混合标准溶液做加标回收实验,每个加标水平平行测定7次,以此来验证该方法的回收率和精密度,其结果如表8所示:表8加标回收率和精密度测定结果表(n=7)Tab.8 Results of standard recovery rate and precision measuring (n=7)加标浓度(lig/mL )—合成色素 样品0.5 1.0 2.0________________回收率%~RSD%~回收率%~RSD%~回收率%~RSD%黄落 日红旨 月 胭84.360.8990.58 1.06100.230.9887.39 1.2188.650.9689.57 1.328&620.9991.29 1.1191.870.9689.56 1.2889.680.98101.050.8789.690.7590.220.8799.72 1.2499.680.8689.940.9983.45 1.0682.80.76100.210.88101.420.9899.890.65102.870.力102.360.69101.820.66100.360.力9&990.71100.290.7898.580.8587.890.82100.540.81100.240.91100.870.9689.980.8795.930.8597.580.81黄檬柠由表8可知日落黄、柠檬黄、胭月购:的平均加标回收率为82.8%~ 102.36%,相对标准偏差为0.65%-1.32%.5结论本文选用Cleanert PWAX-SPE 混合型弱阴离子交换柱和Cleanert PA 聚酰胺小柱,用以吸附不同饮料中的合成着色剂,选用氨化甲醇洗脱,采用Venusil®XBP C185“m4.6x150mm,以0.02mol/L乙酸钱溶液和色谱纯甲醇为流动相梯度洗脱,最后再经反相色谱分离•根据保留时间定性和比较峰面积进行定量得出:在市售常见的几类饮料中,果蔬汁类中日落黄、柠檬黄、胭脂红的含量较另外种类饮料的含量要高•其中茶类饮料中,康师傅冰红茶的日落黄含量为0.0027g/kg、柠檬黄含量为0.0029g/kg、胭脂红含量为0.0029g/kg;和其正的日落黄、柠檬黄、胭脂红含量均为未检出■果蔬汁类饮料中,鲜橙多的日落黄含量为0.0032g/kg、柠檬黄含量为0.0025g/kg、胭脂红含量为0.0011g/kg;农夫果园30%混合果蔬的日落黄含量为0.0035g/kg、柠檬黄含量为0.0032g/kg、胭脂红含量为0.0030g/kg.碳酸饮料中,芬达的日落黄含量为0.0011g/kg、柠檬黄含量为0.0005g/kg、胭脂红含量未检出;美年达的日落黄含量为0.0002g/kg、柠檬黄含量为0.0002g/kg、胭脂红含量未检出•功能饮料中,东鹏特饮和乐虎三种合成色素含量均为未检出•由实验数据可知,果蔬汁类饮料中合成色素较其他三类饮料相比含量最多,其中农夫果园30%混合果蔬的三种合成色素都是最高的.而在日落黄、柠檬黄、胭脂红这三种合成色素种,日落黄、柠檬黄含量相对较高,胭脂红含量最少•同时在这几类饮料中,日落黄、柠檬黄、胭脂红的含量都远小于其检出限和中国《食品添加剂使用卫生标准》中规定的最大使用量,说明这些饮料的色素添加要求都是符合中国《食品添加剂使用卫生标准》的.参考文献:[1]祁广建,王熠,沈国英,等.染色大米中苹果绿色素含量的HPLC测定[J].中国公共卫生,2002,19(5):629.[2]林春晓,曾红慧,付斌,等.高效液相色谐法检测熟食肉制品中人工合成色素的研究[J]冲国热带医学,2005,5(3):556-557.[3]张正尧,高效液.相色谱法测定禽肉、乳制品中合成色素的研究[J].中国卫生检验杂志,2006,16(8):928-929.[4]中华人民共和国卫生部,中国国家标准化管理委员会.GB5009.35-2003食品中合成着色剂的利定[S].北京:中国标准出版社,2004.[5]食品中化学污染物及有带因素监调工作号[S].2012.123-1&[6]严浩英,张军,李树华,等.5种人工合成食用色素的薄层色谱扫描分析[J].现代预防医学,1997,24(2):192-194.[7]李必斌,张海霞,潘连富.紫外-可见吸收光谱法定性定量测定食用合成色素[J].中国卫生检验杂志,2001,11(1)-58-60.[8]李帮锐,冯家力,潘振球,等.高效液相色谱-质谱联用法测定饮料中的人工合成色素[J].中国卫生检验杂志,2007:17(4):579-580[9]召卩仕萍,奚星林,陈洁贞,等.饮料和糖果中5种非法添加色素的检测[J].食品科学,2011,32⑷:189-192.[10]周宏霞,韩喜东,于军强,等.食用色素及其检测方法的研究进展[J].检验检疫科学,2009,19(4):71-76.[11]周家华主编.食品添加剂[M].北京:化学工业出版社,2001:520.[12]周家华,崔英德,曾顾.食品添加剂[M]:北京:化学工业出版社,2008:85[13]Talaska G,A-l Zoughoo IM.A romatic am ines and b iom arkers of human exposure[J].J Env iron SciH ealth C Env ironCarcinog E cotox ico1Rev,2003,21(2):133-164.[14]林奕芝,刘奋,戴京晶,等•高效液相色谱法同时测定饮料中多种添加剂方法研究[J]•食品科学,2001,22(1):63-65.[15]林壮森,蔡泽凤,陈楚珊,等•分光光度法快速检测饮料中柠檬黄的研究[J].广西轻工业,2011(2):8-9.[16]林壮森,张美珍,江英志,等•分光光度法快速检测饮料中日落黄的研究[J].广州化工,2011(7):109-110.[17]Medeiros,R.A,Lourencao,B.C,Rocha-Filho,R.ei al.Flow injection simultaneous de-termination of synthetic colorants in foodusing multiple pulse amperometric detection with a boron-doped diamond electrode[J].Talanta,2012,99:883-889.(下转第50页)[17]方黎•“课程思政”为什么受青年学生喜爱:基于青年文化选择的学理分析[J].广西社会科学,2019,35(04):179-183.[18]陈华栋,苏锣锣•课程思政教育内容设计要在六个方面下功夫[J]冲国高等教育,2019,39(23):18-20.Construction and Practice of Ideological and Political Education in Chemistry Disciplinary Didactics Curriculum for the New EraWANG Xiaojun12,WANG Houxiong2,LIU Shuxin1,TANG Jie1(1.School of Chemistry and Chemical Engineering,Mianyang Teachers y College,Mianyang,Sichuan621000;2.College of Teachers z Education,Central China Normal University,Wuhan,Hubei430079)Abstract:Disciplinary didactics is closely related to many subjects,which affects the teaching practice in elementary education and determines the quality of talent training.From the perspective of"Three essential issues and the direction of the output-oriented supply-side reform are discussed to educate excellent teachers.Integration of i-deological and political education into course is concerned to fulfill the fundamental task of cultivating successor with morality.As an example,Chemistry didactics curriculum is reconstituted to contain ideological and political education.It is shown that the integrated course education plays a role of demonstration,guidance and diffusion.Keywords:integration of ideological and political education into course,disciplinary didactics,outcomes-based education,Chemistry(责任编辑:陈英)(上接第44页)Determination of Sunset Yellow,Lemon Yellow and Carmine in Drinks by Liquid ChromatographyLI Juan1,ZHANG Tong2,LONG Li1(1.School of Chemistry and Chemical Engineer,Mianyang Teachers'College,Mianyang,Sichuan621000;2.Anzhou Ecological Environment Monitoring Station of Mianyang City, Mianyang,Sichuan622651)Abstract:The contents of sunset yellow,tartrazine and carmine,which are common in beverages,are determined by high performance liquid chromatography.Cleanert PWAX-SPE mixed weak anion exchange column and Cleanert PA polyamide column are used to adsorb the synthetic colorant in the beverage,eluting with ammoniated methanol,and finally separated by reverse phase ing Venusil®XBP C185|xm4.6x150mm, eluting with0.02mol/L ammonium acetate solution and chromatographically pure methanol as mobile phase gradient,quantitative according to retention time qualitative and peak area comparison.The results show that there is a good linear relationship between sunset yellow,tartrazine and carmine in the range of20jjig/mL~100jjLg/mL.The correlation coefficient was R2^0.999,and the recoveries were82.8%~102.36%,The relative standard deviation is0.65%~1.32%.Keywords:high performance liquid chromatography,beverage,sunset yellow,lemon yellow,carmine red, synthetic pigment(责任编辑:陈英)。
胭脂红色素有什么缺点
胭脂红色素的缺点
胭脂红又名酸性大红3R,水溶性合成色素,鲜艳的黄光红色,单色品种。
溶于水、甘油,难溶于乙醇,不溶于油脂,动物试验无中毒现象。
胭脂红允许在12大类30种食品中添加,其中包括红肠肠衣、豆奶饮料、虾片、糖果包衣和冰淇淋等,最大使用量为0.025g/kg。
不允许在维生素功能饮料中添加。
基本概况
胭脂红色素异名:【丽春红4R;食用赤色102号(日本名)】
法定编号INS 124; EEC NO. E124;CAS【2611-82-7】食品红7号(16255)
分子式C20H11N2Na2O10S3
分子量604.48
性状红至暗红色颗粒或粉末。
无臭。
耐光、耐热性(105℃)强。
对柠橡酸、酒石酸稳定,耐还原性差,遇碱变为褐色。
吸湿性强。
易溶于水,呈红色。
难溶于乙醉。
溶于甘油。
不溶于油脂。
Abstract:Based on the comprehensive analysis on the plastic part’s structure service requirement, mounding quality and mould menu factoring cost. A corresponding injection mould of internal side core pulling was designed. By adopting the multi-direction and multi-combination core-pulling. A corresponding injection mould of internal side core pulling was designed, the working process of the mould was introduced常见红色素有:辣椒红色素,角黄素,番茄红素苋菜红、诱惑红。
甜菜红、胭脂红(胭脂虫红)(红曲米、红曲红)、花生衣红红米红、甘蓝红、高粱红等等1.辣椒红色素辣椒红色素(水溶、油溶) 是以辣椒为原料,采用科学方法提取、分离、精制而成的天然色素。
主要成份为辣椒红素和辣椒玉红素,为深红色油溶性液体,色泽鲜艳,着色力强,耐光、热、酸、碱,且不受金属离子影响;溶于油脂和乙醇,亦可经特殊加工制成水溶性或水分散性色素。
该产品富含β—胡萝卜素和维生素C,具保健功能。
广泛应用于水产品、肉类、糕点、色拉、罐头、饮料等各类食品和医药的着色。
亦可用于化妆品的生产。
2.角黄素角黄素是一种带橙红色的类胡萝卜素色素。
角黄素天然存在于许多食物中,例如蘑菇、甲壳类动物、鱼类和蛋类。
这种色素也可以用人工方法制造。
角黄素的用途角黄素(食物添加剂国际编号:INS161g)主要用作动物饲料添加剂,使蛋黄和禽肉的颜色更鲜明,三文鱼的色泽更红润。
2023年度常见红色素分析和总结2023年度常见红色素分析和总结随着人们对食品安全和营养素需求的不断提高,对食品中添加的色素也提出了更高的要求,同时对色素的研究也不断深化。
红色素作为一种广泛使用的食品添加剂,也得到了广泛关注。
本文将分析2023年度常见的红色素,并进行总结。
一、红色素种类1. 胭脂红胭脂红是一种常用的红色食品添加剂,它的主要成分是染料酸性红14。
胭脂红颜色鲜艳,使用广泛,但其在一些发达国家已被限制使用。
因为胭脂红在摄入后,一部分会被代谢成苯胺类物质,苯胺类物质有致癌的风险。
2. 苯甲酸盐苯甲酸盐是指苯甲酸钠、苯甲酸钙和苯甲酸类成分。
它们广泛用于食品、饮料和儿童零食中。
但在我国,食品卫生标准规定只能添加苯甲酸钙,且添加量不能超过0.15g/kg。
3. 柿子红柿子红在我国也被称为西红柿红色素,其主要是从西红柿中提取的一种颜料,红色鲜艳,且具有较高的色泽稳定性。
柿子红被广泛用于饮料、酱油等食品中,但在添加柿子红时需要注意其添加量,不宜过多。
4. 甜菜红甜菜红属于双酚A类颜料,具有鲜亮的红色和良好的耐光性和耐热性,被广泛用于冷饮、果汁、糕点等食品中。
但是,甜菜红在加热过程中会产生亚硝胺,亚硝胺是一种致癌物质,因此应注意其添加量,不宜过多。
5. 天然红色素天然红色素是指从天然植物或动物中提取的颜料,如胡萝卜素、番茄红、紫红卷须藻素等。
这些天然颜料颜色鲜艳、安全无害,且具有营养价值,被广泛应用于食品、保健品等领域。
二、红色素的应用红色素的应用范围广泛,主要用于制造糕点、饼干、饮料、罐头、冷冻食品、甜点、婴儿食品和保健品等各种食品和饮料。
添加适量的红色素不仅能增加产品的色彩,同时还能提高产品的吸引力和视觉效果,增强产品的竞争力。
三、红色素的安全性食品添加剂是指在生产、加工、制造、运输和储存的过程中,向食品中添加一定量的化学物质,以改变其色、味、香、质等性质,从而增强食品的品质和食用价值。
但是,如果添加过多或者添加不合法或不合规范化的食品添加剂,会对人体健康造成不良影响。
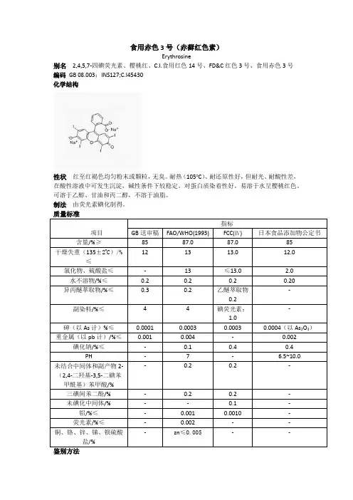
食用赤色3号(赤藓红色素)
Erythrosine
别名2,4,5,7-四碘荧光素、樱桃红、C.I.食用红色14号、FD&C红色3号、食用赤色3号
编码GB 08.003;INS127;C.I45430
化学结构
性状红至红褐色均匀粉末或颗粒,无臭。
耐热(105o C)、耐还原性好,但耐光、耐酸性差,在酸性溶液中可发生沉淀,碱性条件下较稳定。
对蛋白质染着性好。
易溶于水呈樱桃红色。
可溶于乙醇、甘油和丙二醇,不溶于油脂。
制法由荧光素碘化制得。
(1)取本品0.1g溶于100ml水中,呈带蓝色的红色澄清溶液。
(2)本品溶于乙醇,不溶于油脂,具有酸性染料的特性,能使动物纤维着色。
(3)在200ml含有0.0006g本品的0.02mol/L乙酸铵溶液,其最大吸收波长为526±2nm。
(4)用本品水溶液做纸上层析,其主色点的R f值应与标准相同。
纸上层析条件:
展开剂正丁醇:无水乙醇:氨水(1%)=6:2:3
温度 20~25O C
试液浓度 0.1g/100ml
试液用量 0.002ml
展开剂前沿上升限度 150nm
使用范围和使用量
我国《食品添加剂食用卫生标准》(GB 2760-1996)规定:用于果汁饮料类、碳酸饮料、配制酒、糖果、糕点上彩装、青梅糖果包衣,最大使用量0.05g/kg;用于调味酱,最大使用量0.05g/kg;用于红绿丝、染色樱桃罐头,最大使用量0.01g/kg;用于调味酱最大使用量0.05g/kg。
1 通用名称、功能分类、用量和使用范围1.1 通用名称食品添加剂诱惑红(Allura Red)1.2 别名FD&C 红色No.40(FD&C Red No.40.)(美)食用赤色40号(日)E 129(欧)1.3 功能分类、用量和使用范围2证明技术上确有必要和使用效果的资料或者文件2.1 食品添加剂的功能类别及作用机理功能类别:着色剂作用机理:由于食品添加剂着色剂是通过吸收可见光区域内特定波长的光,而显现出不同的颜色,通过着色剂与食品原料的混合而掩盖不同食品原料混合后各原料本色对食品的最终色泽的干扰或降低食品色泽的不稳定性,从而使生产出的食品色泽达到消费者可以接受的程度。
2.2 在拟添加的食品中添加与否的效果对比;2.2.1实验目的:液体复合调味料中添加与不添加着色剂对产品的影响;2.2.2 实验设计2.2.2.1 实验地点:实验室2.2.2.2 实验方案称取500g水,然后加入实验材料,混合均匀后,再添加着色剂并测定色度和红色指数,观察添加着色剂后色度和红色指数的变化情况。
2.2.2 3 实验中着色剂添加量的设定添加量(g/kg):0.2、0.4、0.62.2.3 实验材料:饮用水、黄原胶、酿造酱油、焦糖色、食用盐、白糖、味精、甜蜜素、诱惑红、苯甲酸钠2.2.4 实验步骤称取500g水,然后加入实验材料,混合后测定色度和红色指数。
2.2.5色度(EBC单位)及红色指数的检测方法①精确吸取酱汁样品1.0ml于100ml容量瓶中,加入蒸馏水至刻度,摇匀。
此溶液为1.0%样品稀释液,再吸取10ml1.0%稀释液于另一100ml容量瓶中,加蒸馏水至刻度,摇匀,即为0.1%的样品稀释液。
因要求其澄清透明,所以须再经2400r/min离心5min(或用中速定性滤纸过滤)。
②测定色度(EBC单位):将已处理过的0.1%样品稀释液倒入1cm比色槽中,用72-1型可见光分光光度计(其它型号的可见光分光光度计也可)调整波长至610nm处测定其光密度值(OD1值,反复测定数次,取其平均值。
食品添加剂-着色剂1.什么是食品着色剂?着色剂有哪几种类型?答:以给食品着色为主要目的的添加剂称着色剂,也称食用色素。
食用色素使食品有悦目的色泽,对增加食品的嗜好性及刺激食欲有重要意义。
着色剂按来源可分为人工合成着色剂和天然着色剂。
按结构,人工合成着色剂又可分类偶氮类、氧蒽类和二苯甲烷类等;天然着色剂又可分为吡咯类、多烯类、酮类、醌类和多酚类等。
按着色剂的溶解性可分为脂溶性着色剂和水溶性着色剂。
2.简述着色剂显色的基本原理答:自然光是由不同波长的电磁波组成的,波长在400~800nm之内为可见光,在该光区内不同波长的光显示不同的颜色。
任何物体能形成一定的颜色,主要是因为其色素分子吸收了自然光中的部分波长的光,它呈现出来的颜色是由反射或透过未被吸收的光所组成的综合色,也称为被吸收光波组成颜色的互补色。
例如,如果物体吸收了绝大部分可见光,那么物体反射的可见光非常少,物体就呈现出黑色或接近黑色;如某种物质选择吸收了波长为510nto 的绿色光,而人们看见它呈现的颜色是紫色,因为紫色是绿色光的互补色。
3.常用的合成着色剂有哪些?各有何特点?答:常用的合成着色剂有以下十种:(1)苋菜红(Amaranth)又称杨梅红、鸡冠紫红、蓝光酸性红、食用红色2号。
化学名称为1一(47一磺基一17一萘偶氮)一2一萘酚一3,6一二磺酸三钠盐,为水溶性偶氮类着色剂。
其为红褐色或紫色均匀粉末或颗粒,无臭。
易溶于水,可溶于甘油及丙二醇,微溶于乙醇,不溶于油脂等其他有机溶剂。
水溶液带紫色,耐光、耐热性强,耐细菌性差,对氧化还原敏感,对柠檬酸、酒石酸稳定,而遇碱则变为暗红色。
其与铜、铁等金属接触易褪色,易被细菌分解,耐氧化、还原性差,不适用于发酵食品及含还原性物质的食品。
着色性能着色力较弱,在浓硫酸中呈紫色,在浓硝酸中呈亮红色,在盐酸中为黑色沉淀,而色素粉末有带黑的倾向。
由于对氧化一还原作用敏感,故不适合于发酵食品中使用。
(2)胭脂红(Ponceau)又称丽春红4R、大红、亮猩红、食用红色102号。
第52卷第8期 辽 宁 化 工 Vol.52,No. 8 2023年8月 Liaoning Chemical Industry August,2023高效液相色谱法测定代可可脂巧克力中的赤藓红色素刘瀛,郁蕉竹,李巧莲,林洋(沈阳市食品药品检验所,辽宁 沈阳 110122)摘 要:建立一种简便快速处理代可可脂巧克力样品并检测样品中赤藓红色素含量的高效液相色谱方法。
样品在酸性条件下提取,沉淀蛋白,调节pH至中性,高效液相色谱仪进行检测。
在该方法条件下,赤藓红在0.2~10.0 mg·L-1范围内呈现良好线性,相关系数>0.999,检出限为0.2 mg·kg-1,定量限为0.6 mg·kg-1。
在2.0、10.0、50.0 mg·kg-1的加标浓度水平下回收率为90.1%~95.3%,相对标准偏差RSD为1.03%~3.29%(n=6)。
本法操作简便、基质干扰小、灵敏度高、快速准确,可适用于代可可脂巧克力中赤藓红色素的快速检测。
关 键 词:高效液相色谱;赤藓红;色素;检测中图分类号:O657.7+2 文献标识码: A 文章编号: 1004-0935(2023)08-1229-04食用色素,又称为着色剂,分为合成色素(焦油色素)、天然色素和其他色素。
其中,合成色素因其性质稳定、色彩鲜艳、易于着色、成本低廉等优点而在食品生产过程中得到广泛使用[1]。
但人工合成色素的过度食用会损害人体健康,研究表明,某些合成色素过度摄入不仅可能引起机能亢进,对甲状腺等造成伤害,甚至在人体内代谢后还可能产生致癌物质,大量摄入会对人体产生毒害作用,特别是对儿童的生长发育产生不利影响[2]。
因此,世界各国如美国、俄罗斯、欧盟等都对合成色素的使用都有严格的规定,尽管它们都经过评估较为安全,但仍存在一定风险[3]。
赤藓红色素(INS 127)属于人工合成色素的一种,是我国允许使用的11种人工合成色素之一,多用于可可制品、糖果、糕点上彩装以及果蔬汁饮料等食品中,以提高其产品的鲜艳度,吸引消费者[4]。
食品红色素常见红色素有:辣椒红色素,角黄素,番茄红素苋菜红、诱惑红。
甜菜红、胭脂红(胭脂虫红)(红曲米、红曲红)、花生衣红红米红、甘蓝红、高粱红等等1.辣椒红色素辣椒红色素(水溶、油溶) 是以辣椒为原料,采用科学方法提取、分离、精制而成的天然色素。
主要成份为辣椒红素和辣椒玉红素,为深红色油溶性液体,色泽鲜艳,着色力强,耐光、热、酸、碱,且不受金属离子影响;溶于油脂和乙醇,亦可经特殊加工制成水溶性或水分散性色素。
该产品富含β—胡萝卜素和维生素C,具保健功能。
广泛应用于水产品、肉类、糕点、色拉、罐头、饮料等各类食品和医药的着色。
亦可用于化妆品的生产。
2.角黄素角黄素是一种带橙红色的类胡萝卜素色素。
角黄素天然存在于许多食物中,例如蘑菇、甲壳类动物、鱼类和蛋类。
这种色素也可以用人工方法制造。
角黄素的用途角黄素(食物添加剂国际编号:INS161g)主要用作动物饲料添加剂,使蛋黄和禽肉的颜色更鲜明,三文鱼的色泽更红润。
角黄素也可用于果酱、糖果、糖浆、调味汁、含二氧化碳饮料等食物,作为着色剂。
不过,角黄素较常用于动物的饲料,而非作食用色剂用途。
3.番茄色素番茄色素 Tomato Color 异名:日本天然No295成分:主要成分为茄红素(lycopene)。
性质与指标:暗红色粉末或油状液体。
溶于乙醇和油脂,不溶于水。
油溶液呈橙色。
耐热和耐光性优良。
对热、光稳定,并有抗氧化能力。
K+、Na+、Mg2+和Zn2+对色素影响不大,Fe3+和Cu2+引起色素的损失较大,Fe2+、Al3+引起的损失较少。
来源:以番茄(Lycopersicon esculentum)的果实为原料,用油脂提取,或先脱水,再用己烷、醋酸乙酯、95%乙醇、氯仿或丙酮等有机溶剂提取,然后真空浓缩,脱去溶剂,得到粉末状的番茄红素。
用途:用于番茄制品、肉类、汤料、酱类、糖果、小吃食品和面点等的着色,为红色着色剂。
4.胭脂红色素胭脂红色素异名:胭脂虫色素,胭脂红成分:主要成分为胭脂红酸。
食用赤色106号C27H29N2NaO7S2 分子量580.66含量本品含3,6-双(二乙氨基)螺环[3H-2,1-苯酰氧硫醇-1,1-亚氧撑-3,9-[9H]氧杂蒽]-6-磺酸-钠盐(C27H29N2NaO7S2 )大于85.0%。
性状本品为紫褐色粉末或颗粒、无臭味。
制法通过重氮化4-氨基萘磺酸和4-羟基萘磺酸之间的偶合反应制取。
质量标准鉴别试验(1)本品的水溶液(1+1000)先带蓝光的红色,发出淡黄色荧光。
(2)取本品的水溶液(1+1000)5ml,加盐酸1ml时,变为红色,荧光不变。
(3)本品的硫酸溶液(1+100)显橙黄色,发出绿黄色的荧光,取此液2-3滴,加到水5ml 中时,呈现带蓝光的红色,发出微带绿黄色荧光。
(4)取本品0.1g,加乙酸铵溶液(3+2000)500ml 溶解,取此溶液1ml,加乙酸铵溶液(3+2000)配至200ml的溶液,在波长564-568nm处有最大吸收带。
纯度试验(1)水不容物小于0.20%(合成色素试验法)。
(2)PH值Ph6.5-10.0。
取本品称取本品1.0g,测定加水100ml溶解的溶液。
(3)氯化物、硫酸盐以总量计,小于5.0%(合成色素试验法。
)(4)重金属以Pb计,小于20ug/g[合成色素试验法中的重金属(5)]。
(5)砷以As2O3计,小于4.0ug/g(合成色素试验法)。
(6)其他色素[合成色素实验法中的其他色素(1)]。
干燥失重小于10.0%(135oC,6h)。
定量法精确称取本品3g,加水溶解,准确配至250ml,准确量取此溶液50ml,作为检测液.按合成色素试验法中的定量法的三氯化钛法定量。
0.1N三氯化钛溶液1ml=29.033mgC27H29N2NaO7S2使用着色剂1.使用范围及使用量我国《食品添加剂食用卫生标准》规定:可用于糖果(包括巧克力和巧克力制品)、冰淇淋、雪糕和冰棍,最大使用量为0.05g/kg。
天然食用红色素
佚名
【期刊名称】《中国供销商情:村官》
【年(卷),期】2005(0)4
【摘要】一、红曲。
我国的传统发酵制品,主要产在我国福建、浙江、广东南方各省。
一般用于制酒,近年来又应用于火腿肠的着色,以减少肉制品中发色剂--亚硝酸盐的用量。
因为亚硝酸盐超量会引起癌变。
科学技术的进步,发现红曲中含有抑制胆固醇产生的莫那克林K,亦即洛沸他丁,这是一种调节血脂的重要因素,
【总页数】1页(P26-26)
【关键词】红色素;莫那;发酵制品;发色剂;红葡萄酒;葡萄皮提取物;制酒;自流汁;色价;降脂药物
【正文语种】中文
【中图分类】TS202.3
【相关文献】
1.食用天然红色素胭脂虫红的性质研究 [J], 张津凤;武彦文;王瑞
2.食用天然辣椒红色素中掺杂苏丹红的红外光谱快速识别 [J], 张玮玮;刘玲玲;武彦文;欧阳杰;孙素琴
3.食用天然红色素的研究进展 [J], 陈毅怡;刘晓静;曾晓房;于立梅
4.长白山食用天然植物红色素的开发利用 [J], 王薇;文连奎;杨志
5.天然食用玫瑰红色素的制备方法 [J],
因版权原因,仅展示原文概要,查看原文内容请购买。
可食用红色素
可食用红色素,又称食用色素,是一种用于食品加工中改善或增强食品色泽的添加剂。
它们可以是天然来源的,也可以是合成的。
天然红色素通常来源于植物、动物或微生物。
例如,番茄红素来自番茄,花青素来自红葡萄皮,胭脂虫红来自昆虫。
这些天然色素通常被认为更健康,因为它们是自然来源的,但它们可能比合成色素更昂贵,且在颜色稳定性和强度方面可能不如合成色素。
合成红色素,如红色2号(偶氮玉红)、红色40号(阿利扎林红)等,是通过化学合成得到的。
它们具有颜色鲜艳、稳定、成本低的优点,但部分消费者和健康专家对其安全性持保留态度,尤其是当摄入量超过推荐限量时。
在使用任何类型的食用红色素时,都必须遵守相应的食品安全法规和标准,确保其使用量在安全范围内,以避免对健康造成潜在风险。
欧盟食用色素编号中英文对照欧盟食用色素编号E100- Curcumin 姜黄色素, 酸性黄E101- Riboflavin, Riboflavin-5'-phosphate 核黄素E102- Tartrazine 酒石黄E104- Quinoline Yellow 喹啉黄E107- Yellow 7G 黄7GE110- Sunset Yellow FCF, Orange Yellow S 日落黄E120- Cochineal, Carminic acid, Carmines 胭脂红、洋红、深红E122- Azorubine, Carmoisine 偶氮玉红、淡红E123- Amaranth 紫红色E124- Ponceau 4R, Cochineal Red A 丽春花色, 鲜红色E127- Erythrosine 赤藓红,四碘荧光素,新品酸性红E128- Red 2G 红色2GE129- Allura red AC 诱惑红E131- Patent blue V 专利兰紫VE132- Indigotine, Indigo carmine 靛蓝, 靛青E133- Brilliant blue FCFE140- Chlorophylis, Chlorophyllins 叶绿素、叶绿酸E141- Copper complexes of chloropyll and chlorophyllins 叶绿素铜钠盐E142- Green S 绿色E150(a)- Plain caramel 普通焦糖色E150(b)- Caustic sulphite caramel 苛性亚硫酸盐焦糖E150(c)- Ammonia caramel 氨法焦糖E150(d)- Sulphite ammonia caramel 亚硫酸铵焦糖E151- Brilliant Black BN, Black PN 亮黑色E153- Vegetable carbon 植物炭黑E154- Brown FK 棕色FKE155- Brown HT (Chocolate) 棕色HT(巧克力色)E160(a)- Carotene, alpha-, beta-, gamma- 胡萝卜素alpha-, beta-, gamma-E160(b)- Annatto (Arnatto, Annato), bixin, norbixin 胭脂树红, 果红;胭脂树橙,降胭脂树橙E160(c)- Paprika extract, capsanthin, capsorubin 辣椒红E160(d)- Lycopene 番茄红E160(e)- Beta-apo-8'-carotenal (C 30) β-衍-8'-胡萝卜醛(C 30) E160(f)- Ethyl ester of beta-apo-8'-carotenic acid (C 30) β-衍-8'-胡萝卜酸乙酯E161(b)- Xanthophylls - Lutein 黄色素—叶黄素E161(g)- Xanthophylls - Canthaxanthin 黄色素—角黄素、斑蝥黄E162- Beetroot Red, Betanin 甜菜红E163- Anthocyanins 花青素E170- Calcium carbonate 碳酸钙E171- Titanium dioxide 二氧化钛E172- Iron oxides and hydroxides 氧化铁及氢氧化铁E173- Aluminium 铝E174- Silver 银E175- Gold 金E180- Latolrubine BK 拉脱玉红E181- Tannic acid, tannins 丹宁酸。
食用赤色106号
C27H29N2NaO7S2 分子量580.66
含量本品含3,6-双(二乙氨基)螺环[3H-2,1-苯酰氧硫醇-1,1-亚氧撑-3,9-[9H]氧杂蒽]-6-磺酸-钠盐(C27H29N2NaO7S2 )大于85.0%。
性状本品为紫褐色粉末或颗粒、无臭味。
制法通过重氮化4-氨基萘磺酸和4-羟基萘磺酸之间的偶合反应制取。
质量标准
鉴别试验
(1)本品的水溶液(1+1000)先带蓝光的红色,发出淡黄色荧光。
(2)取本品的水溶液(1+1000)5ml,加盐酸1ml时,变为红色,荧光不变。
(3)本品的硫酸溶液(1+100)显橙黄色,发出绿黄色的荧光,取此液2-3滴,加到水5ml 中时,呈现带蓝光的红色,发出微带绿黄色荧光。
(4)取本品0.1g,加乙酸铵溶液(3+2000)500ml 溶解,取此溶液1ml,加乙酸铵溶液(3+2000)配至200ml的溶液,在波长564-568nm处有最大吸收带。
纯度试验
(1)水不容物小于0.20%(合成色素试验法)。
(2)PH值Ph6.5-10.0。
取本品称取本品1.0g,测定加水100ml溶解的溶液。
(3)氯化物、硫酸盐以总量计,小于5.0%(合成色素试验法。
)
(4)重金属以Pb计,小于20ug/g[合成色素试验法中的重金属(5)]。
(5)砷以As2O3计,小于4.0ug/g(合成色素试验法)。
(6)其他色素[合成色素实验法中的其他色素(1)]。
干燥失重小于10.0%(135oC,6h)。
定量法精确称取本品3g,加水溶解,准确配至250ml,准确量取此溶液50ml,作为检测液.按合成色素试验法中的定量法的三氯化钛法定量。
0.1N三氯化钛溶液1ml=29.033mgC27H29N2NaO7S2
使用着色剂
1.使用范围及使用量我国《食品添加剂食用卫生标准》规定:可用于糖果(包括巧克力和巧克力制品)、冰淇淋、雪糕和冰棍,最大使用量为0.05g/kg。