煤钻屑瓦斯解吸指标
- 格式:doc
- 大小:14.50 KB
- 文档页数:3
wtc瓦斯突出参数仪器
WTC瓦斯突出参数仪器是《防治煤与瓦斯突出规定》规定测定的钻屑瓦斯解吸指标(K1值)的测定仪器。
该仪器1995年获煤炭工业部科技进步二等奖,2001年获重庆市高新技术产品,已在全国各大国有和地方重点煤矿中推广应用7000余套以上。
用途:仪器用于测定煤与瓦斯突出预测预报参数,包括:①钻屑瓦斯解吸指标K1;②钻屑量指标Smax。
仪器的测定原理:采用等容解吸法,通过连续自动测定煤样罐中瓦斯解吸压力,计算煤样的瓦斯解吸特征指标K1,结合弹簧秤测定的钻粉量指标,判定工作突出危险性。
产品结构:产品主要由主机、煤样罐、打印机、充电器、弹簧秤、秒表、组合分样筛等组成。
产品特点: WTC瓦斯突出参数仪是一种便携式矿用本质安全型仪器,防爆标志为ExibI。
仪器具有功能强、体积小、重量轻、操作简单、性能可靠、防潮防尘性能好等优点,是煤矿瓦斯灾害防治不可缺少的一种先进装备。
主要技术指标: 工作电源: 8-4/5A1800×8镍氢蓄电池组
工作电流: <140mA
存储容量: EPROM 64K E2PROM 32K
工作时间: >8h
防爆型式:ExibⅠ矿用本安型
体积: 180×120×83 mm
质量: <1.5Kg。
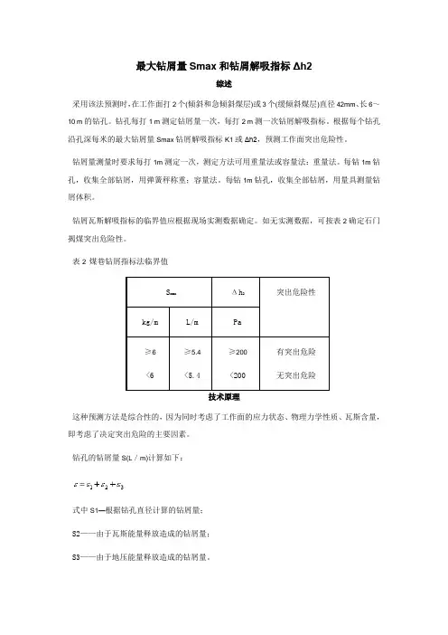
最大钻屑量Smax和钻屑解吸指标Δh2综述采用该法预测时,在工作面打2个(倾斜和急倾斜煤层)或3个(缓倾斜煤层)直径42mm、长6~10 m的钻孔。
钻孔每打1 m测定钻屑量一次,每打2 m测一次钻屑解吸指标。
根据每个钻孔沿孔深每米的最大钻屑量Smax钻屑解吸指标K1或Δh2,预测工作面突出危险性。
钻屑量测量时要求每打1m测定一次,测定方法可用重量法或容量法:重量法。
每钻1m钻孔,收集全部钻屑,用弹簧秤称重;容量法。
每钻1m钻孔,收集全部钻屑,用量具测量钻屑体积。
钻屑瓦斯解吸指标的临界值应根据现场实测数据确定。
如无实测数据,可按表2确定石门揭煤突出危险性。
表2 煤巷钻屑指标法临界值S maxΔh2突出危险性kg/m L/m Pa≥6<6≥5.4<5.4≥200<200有突出危险无突出危险技术原理这种预测方法是综合性的,因为同时考虑了工作面的应力状态、物理力学性质、瓦斯含量,即考虑了决定突出危险的主要因素。
钻孔的钻屑量S(L/m)计算如下:式中S1—根据钻孔直径计算的钻屑量;S2——由于瓦斯能量释放造成的钻屑量;S3——由于地压能量释放造成的钻屑量。
在钻头直径为42 mm时,如考虑到煤的松散系数(σ=1.3)则S1=1.8 L/m,并且沿钻孔长度是一个常数。
钻头进入高应力状态下的煤体时,由于瓦斯压力的作用使煤体破碎。
在危险带S2≥O.5 L/m,在非危险带S2=O。
在地压作用下钻孔发生变形,因而钻杆不断研磨煤体,产生S3。
计算和实测的结果分别为:危险带S3算=8.8 L/m,S3测=15.8 L/m;非危险带S3算=2.0 L /m,S3测=1.9 L/m。
在突出危险带中,在钻孔壁变形的同时发生冒落,煤的破坏愈高,打钻延续时间愈长,含瓦斯愈多,煤冒落愈厉害,这就是突出危险带钻屑量高的原因。
在煤样暴露时间和粒度相同时,△h值综合反应了煤的破坏程度和瓦斯压力(含量)这两个与突出危险性密切有关的因素。
钻屑瓦斯解吸指标
钻屑瓦斯是在油气钻探中产生的一种气体,通常包括一些有害成分,如硫化氢(H₂S)、甲烷(CH₂)等。
解吸指标是指评估钻屑瓦斯释放程度和可能的安全风险的一组指标。
这些指标通常用于监测钻井作业中的气体释放情况,以确保操作的安全性。
以下是一些与钻屑瓦斯解吸相关的指标:
1.H₂S浓度(硫化氢浓度):
硫化氢是一种有毒气体,对人体有很大危害。
解吸指标中通常包括硫化氢浓度的监测,确保在安全范围内。
2.CH₂浓度(甲烷浓度):
甲烷是一种易燃气体,其浓度的监测有助于评估火灾爆炸风险。
3.气体解吸速率:
表示单位时间内释放的气体量。
通过监测气体解吸速率,可以对气体释放的趋势和水平进行评估。
4.气体解吸累积量:
表示在一段时间内释放的总气体量。
这对于了解累积的气体释放量和潜在的危险性很重要。
5.解吸源监测:
对气体释放源进行实时监测,以确定释放点和方式,从而采取必要的控制措施。
6.风向和风速:
了解气体释放后的风向和风速,以评估气体扩散范围,确保远离人员和设备。
7.安全限值和标准:
针对硫化氢、甲烷等气体,制定的安全限值和标准,确保操作在安全范围内。
这些解吸指标通常需要在作业现场进行实时监测和评估,以便及时采取控制措施,确保钻井作业的安全进行。
具体的指标和限值可能会根据国家、地区和工程的特定要求而有所不同。
钻屑瓦斯解吸规律实验一、实验目的通过研究钻屑瓦斯解吸指标△h2和K1分别与瓦斯压力、瓦斯含量以及煤体破坏类型的关系,来分析影响钻屑瓦斯解吸指标的主要因素,以及钻屑瓦斯解吸指标与各个影响因素的定量关系,为确定始突瓦斯含量临界值的选定提供理论依据二、实验原理首先用真空泵对实验系统进行脱气4~6个小时,完成后再对实验系统的煤样罐进行甲烷充气,待吸附10~12小时构造煤瓦斯吸附平衡后,瞬间释放出死空间的气体,即压力表读数降到零,从而测定煤体暴露在空气中的瓦斯解吸过程,并且测试相应的钻屑瓦斯解吸指标△h2和K1。
从而分析影响钻屑瓦斯解吸指标的主要因素,以及钻屑瓦斯解吸指标与各个影响因素的定量关系。
三、实验药品及仪器高浓度标准气体(甲烷含量>99.9%)、瓦斯吸附-解吸实验系统。
四、实验装置图瓦斯吸附-解吸实验系统由真空泵、瓦斯吸附-解吸装置、解吸仪、高压甲烷气瓶、超级恒温器和恒温水箱等组成,实物如图1所示。
瓦斯解吸仪,符合附录A的规定;等容解吸时,煤样罐,煤样杯;变容变压解吸时,煤样杯;分样筛,孔径1mm、3mm;秒表;乳胶管外径10mm,内径5mm,长30~50cm。
图1 瓦斯吸附-解吸实验仪器(1)真空脱气单元该单元由复合真空表和真空泵组成,其主要仪器规格、型号如下:真空表:北京北仪创新真空技术有限责任公司仪器生产的FZH-2B型,量程1~1×10-5Pa。
真空泵:采用2XZ-1型旋片式真空泵,该泵是用来对密闭容器抽出气体获得真空的基本设备,具有体积小、重量轻的特点,特别适合于精密仪器和实验室使用,极限真空度为6.7×10-2Pa。
(2)充气单元由北京氦普北分气体工业有限公司生产的高纯甲烷气体和连接管路组成,甲烷气体浓度为99.9%,压力为13.6MPa。
(3)温度控制单元温度控制单元由恒温水箱和超级恒温器组成。
其主要仪器型号如下:恒温水箱:由2mm厚的不锈钢板加工成的双层保温水箱,水箱内部布置有循环控温管路。
钻屑瓦斯解吸指标△h2值一、瓦斯解吸指标概述瓦斯解吸指标是衡量煤矿井下瓦斯涌出性和瓦斯治理效果的重要参数。
在煤矿安全生产中,对瓦斯解吸指标的研究和掌握具有重要的实际意义。
钻屑瓦斯解吸指标△h2值是其中一个关键指标,对于矿井瓦斯防治和安全管理具有重要作用。
二、△h2值的概念及意义△h2值,即钻屑瓦斯解吸指数,是指在一定条件下,钻屑中的瓦斯压力降低值与对应的瓦斯流量之比。
它反映了瓦斯在钻屑中的解吸速度和解吸程度,是衡量瓦斯涌出性和矿井瓦斯治理效果的重要指标。
△h2值越大,表明瓦斯解吸速度和解吸程度越高,瓦斯涌出量越大,反之则越小。
三、钻屑瓦斯解吸指标△h2值的应用1.瓦斯涌出预测:通过测定钻屑瓦斯解吸指标△h2值,可以预测矿井瓦斯涌出情况,为矿井瓦斯防治提供科学依据。
2.瓦斯治理效果评估:△h2值可用于评估瓦斯治理措施的效果,为优化瓦斯治理方案提供参考。
3.安全生产管理:钻屑瓦斯解吸指标△h2值可作为矿井安全生产的重要监控指标,有助于预防和减少瓦斯事故的发生。
四、影响△h2值的因素1.煤层瓦斯含量:煤层瓦斯含量越高,△h2值越大。
2.煤层透气性:煤层透气性越好,瓦斯解吸速度和解吸程度越高,△h2值越大。
3.钻屑尺寸:钻屑尺寸越小,瓦斯解吸速度和解吸程度越高,△h2值越大。
4.温度和压力:温度和压力的变化会影响瓦斯的解吸过程,进而影响△h2值。
五、提高△h2值的方法与措施1.优化钻屑制备工艺,降低钻屑尺寸。
2.加强煤层注浆封孔,提高煤层透气性。
3.合理调整矿井通风系统,降低瓦斯浓度。
4.加强瓦斯监测和预报,提高瓦斯防治的针对性和实时性。
六、结论钻屑瓦斯解吸指标△h2值在煤矿安全生产中具有重要意义。
通过对△h2值的研究和应用,可以为矿井瓦斯防治和安全管理提供有力支持。
钻屑瓦斯解吸标准(K1)、钻屑量(S)测定技术标准(探究)1 范围本标准基于本人自身工作经历及行业有关标准总结归纳而成,规定了钻屑瓦斯解吸指数k1、钻屑量(s)测定技术和管理要求本标准测定方法和要求适用于WTC瓦斯突出参数仪。
2 观范性引用文件下列文件对于本文件的应用是必不可少的。
凡是注日期的引用文件,仅所注日期的版本适用于本文件。
凡是不注日期的引用文件,其最新版本(包括所有的修改单)适用于本文件。
GB/T 212 煤的工业分析方法MT 38 煤和岩石物理力学性质测定的采样一般规定AQ/T 1065-2008 钻屑瓦斯解吸指标测定方法3 术语和定义3. 1 钻屑瓦斯解吸指标k1单位重量煤样自煤体脱落暴露在大气后第1min内的瓦斯解吸量。
单位为ml/g.min1/2。
3 .2 钻屑量S采用钻屑指标法检测煤层突出危险性时的钻孔每米所排煤粉重量,单位为kg/m。
4 技术要求4.1 准备工作4.1.1 携带的测定仪器及附属装置齐全良好,电量充足,煤样罐、橡皮连接管不漏气。
4.1.2 防突现场检测原始数据表或记录簿等携带齐全。
4.1.3 检查工作面支护、安全防护设施(压风自救系统、防突反向风门、避难同室等)完好情况。
4.1.4 检查工作面风筒吊挂情况,不得影响钻屑的搜集。
4.1.5 检测时用的钻头,钻杆,钻具,接粉工具等符合情况。
4.1.6 工作面风,水管路接到位,确保防突钻机打钻时风压正常。
4.1.7 根据工作面煤体赋予情况选择布孔位置,有软分层的检测孔优先布置在软分层中,布孔应符合防突设计标准。
4.2 操作标准4.2.1 WTC瓦斯突出参数仪要放置平稳,用乳胶管连接好参数仪与煤样罐,开机预热5分钟。
4.2.2 下井开始第一班的测量工作室,应将上一班的测量数据清除,选择工作面组数据按监测工作面输入编号。
4.2.3 预置解析指标k1和钻屑量指标s的最大临界值,检测时,如媒体潮湿时应采用湿式指标。
4.2.4 检测前应提前落实所以工作面近期的煤层瓦斯地质预报信息或现场采用罗盘、坡度仪等器具在巷帮选取具有标志性的煤干线来确定煤层倾角。
技能认证煤矿防突作业考试(习题卷6)第1部分:单项选择题,共47题,每题只有一个正确答案,多选或少选均不得分。
1.[单选题]煤巷掘进工作面水力疏松防突措施要求沿工作面间隔一定距离打浅孔,钻孔与工作面推进方向一致,然后利用封孔器封孔,再向钻孔内注入高压水。
注水时以煤壁已出水或注水压力下降()后方可停止注水。
A)20%B)30%C)40%答案:B解析:2.[单选题]煤巷掘进工作面执行防突措施后,进行措施效果检验时,检验钻孔数应不少于( )个,深度应当小于或等于防突措施钻孔。
A)1B)3C)5答案:B解析:3.[单选题]在采煤和掘进工作面中突出危险性最大的,治理难度最高,要求最严的是()作业。
A)突出煤层煤巷掘进B)突出煤层回采工作面C)井巷石门揭穿突出煤层答案:C解析:4.[单选题]尘肺病中的矽肺病是由于长期吸入过量()造成的。
A)煤尘B)岩尘C)煤岩尘答案:B解析:5.[单选题]发生油料火灾时,不宜用()灭火。
A)水B)沙子C)干粉答案:A解析:6.[单选题]根据矿用产品标准和管理要求,矿用产品安全标志的有效期一般为()年。
A)2至5B)1至2C)5至87.[单选题]用人单位对已确诊为尘肺的职工,()。
A)尊重病人意愿,决定是否继续从事粉尘作业B)必须调离粉尘作业岗位C)由单位决定是否从事粉尘作业答案:B解析:8.[单选题]灭火时,灭火人员应站在()。
A)火源的下风侧B)火源的上风侧C)对灭火有利的位置答案:B解析:9.[单选题]灭火时,灭火人员应站在()。
A)火源的上风侧B)火源的下风侧C)对灭火有利的位置答案:A解析:10.[单选题]井下( )使用灯泡取暖和使用电炉A)严禁B)可以C)寒冷时才能答案:A解析:11.[单选题]煤矿井下临时停工的作业地点()停风。
A)不得B)可以C)可以根据瓦斯浓度大小确定是否答案:A解析:12.[单选题]生产经营单位()与从业人员订立协议,免除或者减轻其对从业人员因生产安全事故伤亡依法应承担的责任。
煤与瓦斯突出的基本特征一、突出的煤向外抛出距离较远,具有分先现象。
二、抛出的煤堆积角小于煤的自然安息角。
三、抛出的煤破碎程度较高,含有大量的煤块和手捻无粒感的煤粉。
四、有明显的动力效应,破坏支架,推倒矿车,破坏和抛出安装在巷道内的设施。
五、有大量的瓦斯涌出,瓦斯涌出量远远超过突出煤的瓦斯含量,有时会使风流逆转。
六、突出孔洞呈口小腔大的梨形、舌形、倒瓶形以及其它分岔形等。
煤与瓦斯突出预兆一、有声预兆:工作面煤体深处出现炒斗似的劈劈啪啪声、鞭炮声、机枪连射声、闷雷声、嘈杂声、嗡嗡声以及气体穿过含水裂缝时的吱吱声等。
二、无声预兆:煤层层理紊乱,煤变软、变暗淡、无光泽、煤层干燥和煤尘增大,煤层受挤压褶曲、变粉碎、厚度变大,倾角变陡,压力增大使支架变形,煤壁外鼓、片帮、掉渣,顶板出现冒顶、断裂,底板出现鼓起,炮眼变形装不进药,打钻卡钻、顶钻等,瓦斯涌出异常、忽大忽小,空气气味异常、闷人,煤温或气温降低或升高。
预防煤与瓦斯突出的措施一、“四位一体”的综合防突措施即突出危险性预测、防治突出措施、防治突出措施的效果检验、安全防护措施四个方面。
二、区域性防突措施1、开采保护层2、预抽煤层瓦斯3、煤体注水三、局部性防突措施1、水力冲孔2、水力冲刷3、金属骨架4、震动爆破5、超前钻孔6、深孔松动爆破钻屑指标法一、钻屑量的测定钻屑量可用重量法或容量法测定。
1、重量法:每钻1m钻孔,收集全部钻屑,用弹簧称称重。
2、容量法:每钻1m钻孔,收集全部钻屑,用量具测量钻屑体积。
二、钻屑瓦斯解吸指标(简称钻屑解吸指标)K1的测定方法使用仪器为ATY改进型瓦斯突出参数仪。
打钻时,每钻进2m,取1次钻屑作解吸特征测定。
取样时,把秒表和分筛准备好,Φ1mm筛子在下,Φ3mm筛子在上。
钻孔钻到预定深度时,用组合筛子在孔口接钻屑,同时启动秒表,一边取样,一边筛分,当钻屑量不少于100g时,停止取样,并继续进行筛分,取后把已筛分好的Φ1~3mm的煤样装入ATY仪器的煤样罐内,盖好煤样罐,准备测试。
煤与瓦斯突出区域预测指标临界值的确定摘要:本文以贵州某煤矿煤与瓦斯突出指标现场测试数据为依据,确定了煤和岩屑重量指数S临界值的确定,具层煤与瓦斯突出敏感指标为钻屑解吸指数K1=为0.6 mL/g min1/2;S=6kg/m(Φ42mm钻孔)或S=18 kg/m体临界值为K1(Φ75mm钻孔)。
关键词:煤与瓦斯突出;敏感指标;临界值1 工程概况贵州某煤矿设计生产能力为60万t/a,实际生产能力约为45万t/a,2014年发生了瓦斯突出事故,因此被鉴定为煤与瓦斯突出矿井。
矿区煤系地层属晚二叠世龙潭组。
,从西南向东北延伸约6km,从西北向东南倾斜约3km。
煤层倾角在5°到12°之间。
其中,主要开采9#煤层,该煤层含有低灰、低硫和高钙焦煤。
该煤矿采用斜井开拓,设置了两个开采标高,即+1760m和+1600m的标高。
设置了两个采区,即北翼和南翼。
南翼+1600 m标高处的工作面正在积极开采,而北翼同一标高处的开采即将完成,当前布置了9个掘进工作面。
回采工作面沿走向进行长壁后退式开采,顶板采用全部垮落法控制,掘进工作面采用爆破掘进技术和工字钢支架。
该矿投产以来,发生的煤与瓦斯突出最大绝对突出量为235t,平均绝对突出量16.55t。
最大瓦斯排放量为8.3×104m3,突出地点在距地表120~430m的垂直深处。
采用《煤与瓦斯突出防治细则》推荐的钻屑瓦斯解吸指标和临界值作为该=0.5 矿试验工作面的当前预测指标和临界值。
具体如下:软层厚度为0.2 m,K1mL/g.min1/2,S=6kg/m(在直径为42mm的钻孔中)或18kg/m(在直径为75mm的钻孔中)。
2 煤层煤与瓦斯突出敏感指标的确定在对巷道进行现场测量的过程中,在确定是否存在突出前兆区以及采取防突措施前后其变化的基础上,研究了钻屑解吸指数K1、S和瓦斯涌出初速q的敏感性。
最后,选择钻屑的气体解吸指数K1作为主要预测指标。
钻屑解吸指标K1值及钻屑量测定操作规范(一)、测定原理利用钻屑瓦斯解吸指标K1和钻屑量指标Smax预测工作面突出危险性。
在工作面用手持式气动钻机配8~10m的麻花钻杆向煤层打Φ42mm 的钻孔,根据钻孔过程中每米排出钻屑量的多少以及排出钻屑的瓦斯解吸指标的大小预测工作面前方钻孔范围内的突出危险性。
(二)、准备工作①、在测定前施工队组要提前准备好钻头为Ф42mm的手持式风动钻机一台、配套麻花钻杆10~12m,以及测量角度所用的罗盘、坡度规等器具。
②、测定人员要提前将仪器充好电,保证测定时仪器电量充足。
③、入井前要认真检查仪器是否正常(开启后可进入测定页面表明仪器可正常使用),然后将煤样瓶盖拧紧后将煤样瓶浸入水中,检查煤样瓶及连接胶管是否漏气,确保仪器及各部件能正常使用。
④、测定前要通知相关掘进队组安排人员配合打钻作业。
(三)、钻孔施工要求1、所有预测(检验)钻孔都应布臵在工作面最软分层煤中,并尽量保证预测(检验)钻孔始终在该软分层中钻进,一个钻孔位于掘进巷道断面中部,并平行于掘进方向,其他钻孔的终孔点应位于巷道断面两侧轮廓线外2~4m处,预测(检验)孔的深度为8~10m。
2、工作面布臵有措施孔时,检验钻孔应位于距措施孔尽可能远的位臵,用于检验措施效果。
掘进工作面预测( 检验) 钻孔布置示意图10mm4m 5 .0 27°15°10mm2掘进工作面预测(检验)钻孔m5.0 m2m4(四)、操作方法1、测定前要再次检查仪器显示是否正常,是否有漏气现象,否则应及时更换仪器。
2、对煤层平巷、煤层上山、煤层下山、回采工作面进行煤与瓦斯突出预测或防突措施效果检验时,各钻孔从孔深3m 段起,每隔1m 或2m 取一个煤样测定钻屑瓦斯解吸指标K1 或△h2;要求各钻孔取样深度错开,也即:若第一个钻孔取样孔深为3m、4m、6m、8m、10m,第二个钻孔应为3m、5m、7m、9m、10m,第三个钻孔取样孔深同第一个钻孔。
名词解释1.煤层瓦斯压力:是指煤层孔隙内气体分子自由热运动撞击所产生的作用力,在某一点上各向大小相等,方向与孔隙壁垂直。
2.残余瓦斯含量:相对原始煤层瓦斯含量而言,当煤体受到采动等因素的影响或瓦斯抽采后,煤层中剩余的瓦斯含量称为残余瓦斯含量,单位是m3/t或mL/g。
3.残存瓦斯含量:是指标准状态下,煤样自然解吸平衡后,残存在煤样中的瓦斯含量,单位是m3/t或mL/g。
4.瓦斯涌出量:是指在煤矿建设和生产过程中从煤层与岩层内涌出的瓦斯量。
5.钻屑瓦斯解吸指标△h2:煤样(10g)自煤体脱落暴露于大气之中第四分钟和第五分钟的瓦斯解吸所产生的压差,单位为Pa。
6.钻屑瓦斯解吸指标K1:煤样自煤体脱落暴露于大气之中解吸第一分钟内,每克煤样的瓦斯解吸总量,单位为mL/(g·min0.5)。
7.煤与瓦斯突出:是煤层中存储的瓦斯能和应力能的失稳释放,表现为在极短的时间内向生产空间抛出大量煤岩和瓦斯。
8.煤与瓦斯突出鉴定:指对矿井和煤层可能具有的煤与瓦斯突出危险性进行鉴定。
9.感应期:烃类从接触引火源起到可燃气体与空气混合物氧化反应转为快递燃烧时止的时间间隔。
10.石门和岩石井巷揭煤:石门和立井、斜井工作面从距突出煤层底(顶)板的最小法向距离10m开始到穿过煤层进入顶(底)板2m(最小法向距离)的过程均属于揭煤作业。
填空11.煤矿瓦斯爆炸的瓦斯(甲烷)浓度极限为5%—16%。
12.根据我国煤矿事故统计分类,煤矿瓦斯事故分为:瓦斯爆炸、煤与瓦斯突出、瓦斯燃烧和瓦斯窒息。
13.煤矿瓦斯治理工作要深入贯彻科学发展观,坚持“以人为本”和“安全发展”,坚持“安全第一、预防为主、综合治理”的安全生产工作方针和“先抽后采、监控检测、以风定产”的瓦斯治理工作方针,着力建立“通风可靠、抽采达标、监控有效、管理到位”的瓦斯治理工作体系。
14.煤层瓦斯在腐植型有机物在成煤的过程中经历2个成气时期:生物化学成气时期和煤化变质作用成气时期。
钻屑指标法
1)重量法。
每钻lm 钻孔,收集全部钻屑,用弹簧秤称重;
2)容量法。
每钻lm 钻孔,收集全部钻屑,用量具测量钻屑体积。
2.钻屑瓦斯解吸指标(简称钻屑解吸指标)的测定方法
1)钻屑解吸指标(△h2)的测定。
打钻时,在预定的位置取出钻屑,用孔径1和3mm 的筛子筛分(φ1mm 的筛子在下,φ3mm 的筛子在上),将筛分好的φ1~3mm 粒度的试样装入MD-2型解吸仪的煤样瓶中,试样装至煤样瓶刻度线水平(10g 左右),自钻孔打至该采样段起经3min 后,启动秒表,转动三通阀,使煤样瓶与大气隔离,在2min 时记录解吸仪的读数,该值即为△h2,单位为Pa 。
2)钻屑解吸指标(K1)的测定。
打钻取样同1),使用仪器为ATY 型突出预测仪,测量方法如下:
每钻进2m ,取一次钻屑作解吸特征测定。
取样时,把秒表、筛子准备好(φlmm 的筛子在下,φ3mm 的筛子在上),钻孔钻到预定深度时,用组合筛子在孔口接钻屑,同时启动秒表,一面取样,一面筛分,当钻屑量不少于100g 时,停止取样,并继续进行筛分,最后把已筛分好的φ1~3mm 的煤样装入ATY 仪器的煤样罐内,盖好煤样罐,准备测试。
当秒表走到0t 时(通常规定0t 为1~2min),启动仪器采样键进行测定,经5min 后,当仪器显示t 时,用键盘输入0t ,按监控键。
仪器显示0L ,输入0L ,按监控键,仪器进行计算,并显示1K 值。
整个测定完成,可进行下一个煤样的测定。
深孔定点快速取样技术在钻屑瓦斯解吸指标K 1值测试中的
应用
韩承强
【期刊名称】《中国矿业》
【年(卷),期】2022(31)3
【摘要】钻屑瓦斯解吸指标K_(1)值是综合反映煤层瓦斯含量及卸压初期瓦斯解吸速度大小的指标,是确定煤层局部突出危险性程度的关键参数,对煤与瓦斯突出灾害防治具有重要作用。
本文针对煤矿采用麻花钻杆机械排渣取样法,取样测试K_(1)值过程中存在的无法准确确定取样位置和煤样暴露时间、有效测试深度浅、现场测值与实际情况误差较大等问题,利用基于反循环钻进原理研发的深孔定点快速取样技术及装置对K_(1)值合理有效取样测试深度进行研究。
研究结果表明:深孔定点快速取样技术利用双壁钻杆的中心管将钻孔底部煤样快速排出,所取煤样中未掺混钻孔壁上的煤粉,达到了定点取样的要求,保证了测定煤样的有效性,且取得足够数量的煤样时间不超过2 min,有效减少了煤样的暴露时间,可以有效提高K_(1)值的有效测定深度及测定结果的准确性,在仲恒煤矿和湾田煤矿采用深孔定点快速取样技术可增加钻屑解吸指标K_(1)值有效测试深度至30 m。
【总页数】5页(P131-135)
【作者】韩承强
【作者单位】中煤科工集团重庆研究院有限公司;瓦斯灾害监控与应急技术国家重点实验室
【正文语种】中文
【中图分类】TD712
【相关文献】
1.反循环取样技术在钻屑瓦斯解吸指标K1值测定中的应用
2.钻屑瓦斯解吸指标K1值深孔预测技术研究
3.深孔定点快速取样技术在瓦斯含量测定中的应用效果考察
4.湿煤样钻屑瓦斯解吸指标临界值研究及应用
5.钻屑瓦斯解吸指标K1临界值快速确定方法试验研究
因版权原因,仅展示原文概要,查看原文内容请购买。
. .页脚钻屑解吸指标K1值及钻屑量测定操作规(一)、测定原理利用钻屑瓦斯解吸指标K1和钻屑量指标S max预测工作面突出危险性。
在工作面用手持式气动钻机配8~10m的麻花钻杆向煤层打Φ42mm 的钻孔,根据钻孔过程中每米排出钻屑量的多少以及排出钻屑的瓦斯解吸指标的大小预测工作面前方钻孔围的突出危险性。
(二)、准备工作①、在测定前施工队组要提前准备好钻头为Ф42mm的手持式风动钻机一台、配套麻花钻杆10~12m,以及测量角度所用的罗盘、坡度规等器具。
②、测定人员要提前将仪器充好电,保证测定时仪器电量充足。
③、入井前要认真检查仪器是否正常(开启后可进入测定页面表明仪器可正常使用),然后将煤样瓶盖拧紧后将煤样瓶浸入水中,检查煤样瓶及连接胶管是否漏气,确保仪器及各部件能正常使用。
④、测定前要通知相关掘进队组安排人员配合打钻作业。
(三)、钻孔施工要求1、所有预测(检验)钻孔都应布置在工作面最软分层煤中,并尽量保证预测(检验)钻孔始终在该软分层中钻进,一个钻孔位于掘进巷道断面中部,并平行于掘进方向,其他钻孔的终孔点应位于巷道断面两侧轮廓线外2~4m处,预测(检验)孔的深度为8~10m。
2、工作面布置有措施孔时,检验钻孔应位于距措施孔尽可能远的位置,用于检验措施效果。
(四)、操作方法1、测定前要再次检查仪器显示是否正常,是否有漏气现象,否则应及时更换仪器。
2、对煤层平巷、煤层上山、煤层下山、回采工作面进行煤与瓦斯突出预测或防突措施效果检验时,各钻孔从孔深3m 段起,每隔1m 或2m 取一个煤样测定钻屑瓦斯解吸指标K1或△h2;要求各钻孔取样深度错开,也即:若第一个钻孔取样孔深为3m、4m、6m、8m、10m,第二个钻孔应为3m、5m、7m、9m、10m,第三个钻孔取样孔深同第一个钻孔。
3、向工作面前方煤层打钻孔时,用塑料桶或编织袋收集每钻进1m钻孔排出的钻屑,并用测力计测量其重量;钻进至指定位置时,用Ф1~3mm的筛子在孔口接煤粉,接煤粉的同时启动秒表计时;煤样筛分后迅速装入煤样瓶中,并用筛子刮平,使装入煤样体积和煤样瓶体积一致,然后拧紧罐盖,松开盖上阀门;当秒表计时时间到达预. .定值t0时(t0一般应取1min、1.5min、2min,不应超过2min,不足1min应等满1min、同理不足1.5min等到1.5min、不足2min等到2min),拧紧盖上阀门的同时执行仪器采样功能,便开始该煤样的瓦斯解吸指标测量。
煤钻屑瓦斯解吸指标△h2测定操作规程
一、煤样制作
1、将待检煤样在常温下自然晾干,去掉煤的外在水份;
2、用标准分样筛筛分出1-3mm的煤样若干克备用。
二、测定步骤
1、检查试样罐的气密性,确定不漏后将筛分好的试样
10g装入试样罐中,拧紧后放入一定温度恒温水浴中并
使其与真空泵相连;
2、启动真空泵对试样罐脱气,真空度达到实验要求时
关闭真空泵,旋转阀门使密封罐与甲烷瓶边通,充入一
定压力的甲烷,在此压力下使其达到吸附平衡;
3、检查解吸仪的气密性,将两侧液面调整至零刻度;
4、打开己吸附平衡的高压密封罐,同时启动秒表,取
出试样装入解吸仪解吸室中同时拧紧上盖,打开三通旋
塞使解吸室、水柱计与大气均相通,煤样处于暴露状态;
5、当煤样暴露3mm时,迅速逆时针方向旋转三通捏
手,使解吸室与大气隔绝,仅与水柱计相通,开始进行
解吸测定,并重新开始计时,2mm时记录下水柱计压
差△h2;
6、水柱计压差△h2即为该压力下所测煤钻屑瓦斯解吸
指标。
三、实验结束检查
实验结束后关闭仪器,将仪器清理干净,检查仪器状况,将仪器归位摆放整齐,关闭总电源。
煤钻屑瓦斯解吸指标△h2测定操作规程
山西柳林煤矿有限公司
二0一一年。