变压器线圈的绝缘处理
- 格式:doc
- 大小:24.50 KB
- 文档页数:5
铁芯卷绕工艺铁芯卷绕工艺是一个在电力和电子领域中广泛应用的技术,它在变压器、电感器、电动机等设备的制造中起着重要的作用。
本文将深入探讨铁芯卷绕工艺的意义、步骤和技术特点,并分享我的观点和理解。
一、铁芯卷绕工艺的意义铁芯卷绕工艺是电力和电子设备中不可或缺的环节,它的质量和精度直接影响到设备的性能和效率。
铁芯是这些设备中的核心部件,它通过卷绕线圈来实现电能的转换和传输。
铁芯卷绕工艺的优劣将直接决定设备的效能。
铁芯卷绕工艺对于电力和电子行业的发展至关重要。
二、铁芯卷绕工艺的步骤1. 设计铁芯卷绕方案:首先需要根据设备的使用要求和性能要求来设计铁芯的尺寸、结构和形状。
这一步需要根据具体情况选择合适的铁芯材料。
2. 准备铁芯:在选择铁芯材料后,需要进行切割和整形,以便得到符合设计要求的铁芯片。
这一步需要使用专用的切割设备和加工工具,确保铁芯片的尺寸和平整度。
3. 将线圈绕制在铁芯上:通过将导线按照设计要求绕制在铁芯上,形成线圈。
这一步需要严格控制线圈的层数、匝数和绕制质量,以确保线圈的性能和稳定性。
4. 确保绕制质量:对于高精度设备,还需要进行绕制质量的检测和控制。
这一步需要使用相关的测试设备和检测方法,以确保绕制的线圈质量符合要求。
5. 绝缘处理:绕制完线圈后,还需要对线圈进行绝缘处理,以防止电流和电场的干扰。
这一步可以采用绝缘漆或其他绝缘材料进行处理。
6. 性能测试和调试:还需要对卷绕完成的铁芯进行性能测试和调试。
这一步主要是验证设备的工作性能和效果,确保铁芯卷绕工艺的质量和稳定性。
三、铁芯卷绕工艺的技术特点1. 深度定制:铁芯卷绕工艺需要根据具体设备的使用要求和性能要求进行定制,以满足不同设备的需求。
2. 精密加工:铁芯的加工过程需要严格的尺寸控制和表面处理,以确保铁芯的质量和精度。
3. 高效绕制:铁芯卷绕工艺需要高效地绕制线圈,以提高生产效率和降低成本。
4. 技术创新:随着科技的不断进步,铁芯卷绕工艺也在不断创新和发展,以适应新型设备和新的技术需求。
变压器的生产流程变压器的生产流程可以大致分为以下几个步骤:原材料准备、绕线、铁芯制作、组装、浸渍、测试和包装。
下面将详细介绍每个步骤的具体操作过程。
1. 原材料准备变压器的主要原材料包括铜线、绝缘纸、硅钢片等。
在生产过程中,需要根据设计要求选购各种规格和材质的原材料,确保产品性能和质量。
铜线用于绕制线圈,绝缘纸用于包裹线圈,硅钢片用于制作铁芯。
原材料的质量和规格直接影响到变压器的性能和效率。
2. 绕线绕线是变压器生产过程中最关键的一环,也是最费时费工的步骤之一。
绕线工艺要求精确,需要根据设计要求将铜线绕制成符合要求的线圈结构。
通常采用自动绕线机进行绕线,可以提高效率和准确度。
绕线完成后需要进行线圈的绝缘处理,确保线圈之间不会发生短路。
3. 铁芯制作铁芯是变压器的重要组成部分,用于传输和改变电磁场。
铁芯的制作需要选用优质的硅钢片,按照设计要求进行精密切割和堆垛。
铁芯的制作过程影响着变压器的电气性能和能效,需要经过精密的加工和测试。
4. 组装在组装过程中,需要将绕制好的线圈和铁芯按照设计要求进行组装。
组装过程中需要注意线圈和铁芯之间的位置和连接,确保组件的稳固和可靠。
同时,需要对组件进行绝缘处理,以防止发生短路和漏电现象。
5. 浸渍浸渍是为了提高变压器的绝缘性能和散热效果。
在浸渍过程中,会使用绝缘树脂将变压器的整体进行浸渍,形成一层保护膜。
浸渍后的变压器更加耐用和安全,可以应对各种恶劣环境和工作条件。
6. 测试在生产过程的最后阶段,需要对变压器进行严格的测试和检验。
测试包括电气性能测试、绝缘测试、温升测试等,确保产品符合设计要求和标准。
只有通过测试的产品才能出厂销售,保证产品质量和性能。
7. 包装最后,需要对已经完成测试的变压器进行包装和标识。
包装要求牢固和美观,以防止运输过程中发生损坏。
同时需要标明产品型号、生产日期、性能参数等信息,便于用户了解和选择。
总而言之,变压器的生产流程包括多个环节和步骤,需要精密的加工和严格的检测。
真空压力浸漆绝缘工艺研究1 真空压力浸漆(简称:VPI)绝缘工艺VPI-真空压力浸渍工艺是将工件预烘去潮后冷却,置于真空环境中,排除白坯线圈内部的空气和挥发物,依靠真空中漆液重力和线圈毛细管作用,以及利用干燥的压缩空气或惰性气体,对解除真空后的浸渍漆液施加一定压力的作用,使漆液迅速渗透并充满绝缘结构内层。
在国内,目前VPI还是一种间隙作业的绝缘工艺。
工件的滴干工序在浸漆罐内进行,其干燥工序一般另设容器或烘箱进行,方式有真空干燥、常压静置干燥或旋转干燥。
VPI-工艺流程:⊙→预烘除湿→入罐→真空排气→真空浸漆→压力浸渍→压力排漆→卸压滴漆→出罐→固化干燥→⊙。
比较:显然,VPI在漆液渗透方面和浸渍方面,远远优于其它浸漆工艺。
在应用方面,VPI 更适合大型高压线圈、多层齐绕磁轭线圈和要求较高的大型绕组、以及其它高压线圈。
理论上,VPI的应用,真空和压力可以做得相当的高,当然成本也高了。
FGH则不然,由于连续作业,以及产量和成本的具体要求,其应用具有一定范围的限制。
在应用试验和实际工作中,我们发现,真空环境对于某一温度条件下的一种浸渍漆液,当其真空度低于某一绝对压力的数值时,亦即达到某一对应的“临界”真空时,会导致该浸渍漆液中大量泡沫和液面大量雾气的产生,即发生“沫化”和“雾化”现象。
“沫化”造成漆液中大量空穴,会阻碍浸渗。
“雾化”致使溶剂或稀释剂大量逸出,会影响固化。
对于压力,原则上加压是为了使漆液更容易进入填充空隙,输漆过程实际上就有一个大气压。
如果绝缘结构内毛细管的润湿性已经平衡,则增加压力对整个绝缘结构的填充并无明显作用,除非在固化时一直维持增加的压力,所以,增加填充的有效途径,是降低漆的粘度和减小绝缘结构空隙、提高毛细管效应,而不是提高压力。
根据“粘度与压力对渗透速率”的试验,其数据显示:当漆液粘度较大时,增大压力对填充速度有较大作用,在漆液粘度小时,增大压力对填充速度的作用不显著。
然而,漆液粘度却对填充速度具有十分显著的影响,二者呈反比关系。
变压器常见故障及处理分析摘要:随着中国经济发展水平的不断提高,电力工作取得了举世瞩目的成就,国家电力安全得到了有效保障。
变压器是电网的重要组成部分。
正常的变压器运行是电力系统正常,可靠,稳定和经济运行的重要保障。
因此,维修人员应尽可能防止并减少变压器故障,以免发生事故。
关键词:变压器;故障;故障处理引言电力变压器是用于传输,分配和给电力系统的主电路供电的变压器。
电力变压器结构复杂,工作环境相对较差。
发生故障时,它也会对电网的波动和电源的可靠性产生重大影响。
因此,有必要采取措施应对具体情况。
由于变压器连续工作,因此在实际工作中会发生各种故障。
严重事故不仅会损坏变压器本身,还会切断电源,并在工厂中造成一定的生产经济损失。
因此,变压器的日常检查和维护在工作中起着重要的作用。
最重要的是,维修人员需要学习并运用变压器发生故障时的处理方法。
1变压器主体结构简介油浸变压器主要由变压器主体,油箱,冷却装置,出口装置和保护装置组成。
变压器主体包括铁心夹,绕组,线圈和绝缘结构。
油枕,油尺安全通道,呼吸装置,净油器继电器,温度测量元件等[1]。
2变压器常见的故障2.1按故障部位分类变压器故障按部位可分为绕组、引线、铁芯、套管、分接开关、绝缘、密封等七类故障。
(1)绕组故障。
变压器绕组是形成变压器输入和输出能量的电路。
除影响绕组的因素外,大多数都是由变压器本身不合格的结构和绝缘引起的。
不仅绕组本身,而且电线,芯线和绝缘层也受到很大影响。
(2)引线故障。
交叉是变压器内部绕组和外部布线之间的连接环节,它们的接头是通过焊接形成的,因此不良的焊接质量直接影响了引线故障的发生。
如果不及时处理,导线之间的短路会导致绕组之间的短路,导线接触不良会导致导线部分烧坏,从而关闭变压器。
(3)铁芯故障。
变压器磁芯是电磁能量传输和交换的主要组件之一。
铁芯质量是确定变压器是否可以正常工作的重要关键。
铁芯有许多多点接地故障。
如果铁芯局部过热并且工作时间过长,则油纸中铁片的绝缘层将老化,并且铁芯接地线将被缠绕。
干式变压器检修规程一、范围本规程规定了公司各低压配电室干式变压器的检修、维护周期、项目与质量要求。
本规程适用于公司各低压配电室干式变压器的维护及检修工作。
二、规范性引用文件GB/T 10228-2008 《干式电力变压器技术参数和要求》GB 1094.1-1996 《电力变压器》第1部分:总则》GB 1094.2-1996 《电力变压器》第2部分:温升》GB 1094.3-2003 《电力变压器》第3部分:绝缘水平和绝缘试验》GB/T 1094.4-2005 《电力变压器第4部分:电力变压器和电抗器的雷电冲击和操作冲击试验导则》GB 1094.5-2003 《电力变压器第5部分:承受短路的能力》GB/T 1094.10-2003 《电力变压器第10部分:声级测定》GB 1094.11-2007 《电力变压器第11部分:干式变压器》GB 311.1-1997 《高压输变电设备的绝缘配合》GB 5273-85 《变压器、高压电器和套管的接线端子》GB 4208-2008 《外壳防护等级》GB/T 7354-2003 《局部放电测量》JB/T 10088-2004 《6kV~500kV级电力变压器声级》GB 6450 干式电力变压器GB 147 高压电气施工及验收规范DL 408 电业安全工作规程DL/T 573 电力变压器检修导则DL/T 596 电力设备预防性试验规程JB/T 7631 变压器用电阻温度计ZBK 4103三相树脂绝缘干式电力变压器技术条件三、设备技术参数(1)各分厂(车间)变压器技术参数名称项目109#工作变压器101#、106#工作变压器104#工作变压器105#、110#工作(备用)变压器102#、103#、105、110#、201#工作(备用)变压器公寓楼工作(备用)变压器空分站变压器型号SCB10--500/10SCB10—1000/10SCB10—1600/10SCB10—2000/10SCB10—2500/10SCB10—630/10SCB10-1250KVA容量500KVA 1000KVA 1600KVA 2000KVA 2500KVA 630KVA 1250KVA额定电压高10000V 10000V 10000V 10000V 10000V 10000V 10000V 低400V 400V 400V 400V 400V 400V 400V额定电流高28.9A 57.7A 92.4A 115.5A 144.3A 36.37 低721.7A 1443.4A 2309.4A 2886.8A 3608.4A 909.3相数 3 3 3 3 3 3 3 频率50HZ 50HZ 50HZ 50HZ 50HZ 50HZ 50HZ 接线组别Dyn11 Dyn11 Dyn11 Dyn11 Dyn11 Dyn11 Dyn11 负载损耗4.26KW 7.1KW 10.24KW 12.61KW 14.99KW5.96KW空载损耗1.07KW 1.6KW2.2KW 2.75KW3.25KW 1.3KW阻抗电压4% 6% 6% 6% 6% 6% 重量1750㎏2980㎏4000㎏4600㎏5900㎏冷却方式AN/AF AN/AF AN/AF AN/AF AN/AF AN/AF AN/AF制造厂家许继变压器有限公司许继变压器有限公司许继变压器有限公司许继变压器有限公司许继变压器有限公司正泰变压器有限公司许继工控系统有限公司出厂日期2009.11 2010.6 2010.5 2011.4 2010.5 2010.6数量 1 2 1 4 19 2 1 (2)115#开闭所站变技术参数项目名称1#站变压器2#站变压器型号SC9—50/10KV SC9—50/10KV容量50KVA 50KVA额定电压高10000V 10000V 低400V 400V额定电流高 2.89A 2.89A 低72.2A 72.2A相数三相三相频率50HZ 50HZ接线组别Yyno Yyno阻抗电压 4.10% 4.03%重量330㎏330㎏冷却方式ON/AN ON/AN制造厂家宁波环氧变压器厂宁波环氧变压器厂出厂日期2010.4 2010.4四、检修周期日常维护:每天进行干式变压器的巡查。
1、S-代表三相;G-代表干式;B-代表低压是用铜箔绕制的。
这是采用美国杜邦公司的NOMEX(诺迈克)绝缘材料作匝绝缘(美国技术-线圈外表是白色的)或采用玻璃丝包线作匝绝缘(德国技术-线圈外表颜色较深)的敞开式干式变压器。
前者采用VPI(真空、压力浸渍)绝缘处理工艺,后者采用VI(真空浸渍-没有压力这个过程)绝缘处理工艺。
这两种产品,前者产量较大,也比较好。
绝缘等级有H级(最高运行温度180度)和C级(最高运行温度为220度-由美国杜邦公司授权昆明赛格迈电气公司制造)。
你可以上他们的网站进一步了解。
2、SCB是环氧树脂浇注的干式变压器(B也代表低压是铜箔绕制的)。
3、还有一种是用诺迈克绝缘材料制造的包封式干式变压器,也是昆明赛格迈制造的。
型号为SCR。
4、从用户的可靠、安全和环保的角度出发,采用第三种比较好。
在正常的情况下,第3类比第2类价格稍高,第1类价格较低。
除第2类外(目前产量最大)其他两类比较容易维修。
干式变压器SGB-RL-1000/10的RL代表什么意思S——三相;G——空气自冷;B——低压箔绕R——铁芯卷绕(R)方式;L——三角立(L)体变压器非晶合金电缆引出式干式变压器SGB10与SG10的区别是什么S-三相G-干式杜邦B-低压泊绕你说的区别就在于,一个是低压泊绕,一个是低压线绕注意的地方很多,现在JS横行,一般客户被忽悠是很正常的事情。
我是搞变压器的里面的猫腻我很清楚,随便说几点吧:1.首先注意10这个数字,是性能水平代号,你这里没有规定容量,也不好细说,根据具体容量和电压你可以从网上查到其空载损耗,负载损耗和空载电流的限制,实际测试很多是不符合这个限制的。
2.看体积。
体积偏大者除了说明他设计水平差以外,性能上就是用铝线做的产品了。
3.看结构。
好的设计长和高比较方正,正面看去接近正方形,差的设计为瘦高的形状,不排除为了降高度矮胖的情况,但瘦高是一定不好的。
4.细节。
紧固件是否牢固,压钉是否上紧,线圈是否圆,拉杆是否拉紧等。
维修电工初级机考复习题1 、Z535钻床调试前的准备时,将有关(A)和安装、调试、使用、维修说明书准备好。
A、图样B、电路图C、技术说明D、电气设备明细表2 、在特别潮湿的场所装设的临时照明行灯电压不应超过(A)。
A、12VB、24VC、36VD、50V3 、高压设备室外不得接近故障点(D)以内。
A、5米B、6米C、7米D、8米4 、适合转子串电阻启动的三相异步电动机是(D)。
双鼠笼异步电动机B、深槽式异步电动机C、鼠笼式异步电动机D、绕线式异步电动机5 、电容器上标注104J的J的含义为(C)。
A、±2%B、±10%C、±5%D、±15%6 、低压验电器是利用电流通过验电器、人体、(A)形成回路,其漏电电流使氖泡起辉发光而工作的。
A、大地B、氖泡C、弹簧D、手柄7 、5t桥式起重机线路中,各电动机的过电流继电器,通常分别整定在所保护电动机(C)的2.25~2.5倍。
A、电流B、电压C、额定电流D、额定电压8 、应用于自感作用的电感线圈主要用于(A)等电路。
A、滤波器、振荡电路、去耦B、滤波电路、耦合电路、消磁电路C、振荡电路、放大电路D、滤波电路、放大电路9 、进行多股铜导线的连接时,将散开的各导线(A)对插,再把张开的各线端合扰,取任意两股同时绕5-6圈后,采用同样的方法调换两股再卷绕,依次类推绕完为止。
A、隔根B、隔两根C、隔三根D、隔四根10 、碘钨灯工作时灯管周围的(A),因此必须安装在专用的有隔热装置的金属灯架上。
A、温度很高B、温度很低C、电压很高D、电流很大11 、安装螺旋式熔断器时,负载引线必须接到瓷底座的(C)接线端。
A、左B、右C、上D、下12 、将变压器的一次侧绕组接交流电源,二次侧绕组与负载连接,这种运行方式称为(C)运行。
A、空载B、过载C、负载D、满载13 、低压断路器触点的磨损超过厚度的(B)以上或超程减少到1/2时,就应更换新触点。
变压器内发出声响的判断及处理方法变压器内发出声响可能是由于以下几种原因引起的:1. 铁心噪音:变压器铁心结构中的铁芯片可能发生松动或接触不良,长时间工作下引起共振,产生噪音。
处理方法:检查铁芯结构,确保其固定牢靠,及时修复松动的部分,将可能引起共振的材料加固或削弱。
2. 线圈共振:变压器线圈中的绕组可能存在接触不良、绝缘老化或线圈短路等情况,导致绕组产生共振现象,引起声响。
处理方法:检查绕组连接是否牢固,及时修复或更换老化的绝缘材料,清理可能导致短路的杂质。
3. 高频噪音:变压器中可能存在高频噪音源,如电弧放电、开关磁致振动等情况,引起声响。
处理方法:对变压器进行全面的检查,及时修复或更换引起高频噪音的元件,确保其正常工作。
4. 冷却系统噪音:变压器冷却系统中的风扇、冷却液等部分可能存在问题,引起声响。
处理方法:检查冷却系统的各个部分,确保风扇的叶片完好无损,清理或更换冷却液,确保冷却系统正常运行。
5. 外力干扰:变压器可能受到外界环境的振动或冲击,引起声响。
处理方法:加强对变压器的防护,采取减震、隔振等措施,确保外力干扰对变压器的影响最小化。
在处理变压器内发出声响问题时,需要注意以下几点:1. 安全第一:在进行检修过程中,要确保自身的安全,切勿触及高压部分或带电元件,必要时请找专业人员进行处理。
2. 定期检查:定期对变压器进行维护和检修,包括检查绕组、铁芯、冷却系统、接地装置等各个部分的状态,及时处理发现的问题,避免声响问题的发生。
3. 监测设备:可以安装声音监测设备,对变压器工作状态进行实时监测,及时发现并处理声响问题。
4. 降噪措施:根据实际情况,可以采取降低噪音的措施,如加装隔音材料、调整冷却系统的工作方式等,减少声响对周围环境和人的影响。
总之,变压器内发出声响问题需要仔细检查和分析,找出具体原因后采取相应措施进行处理,确保变压器的正常运行,避免对设备和人员造成不良影响。
同时,定期的维护和检修工作也是保证变压器长期稳定、可靠工作的重要保证。
环形变压器业余绕制经验2变压器的屏蔽对于业余绕制环形变压器来说,初级和次级间的屏蔽制作工艺比较困难。
我们都知道,方形变压器的初、次级间屏蔽,可以用较细的漆包线密绕一层,再单端接地,或用铜箔、铝箔等隔离一层并接地,同时做好和初、次级绕组间的绝缘。
而环形变压器如果用细的漆包线来绕,内外圈是绕不均匀的,屏蔽效果就不能保证。
所以最好用铜箔或铝箔来做屏蔽层。
具体做法有两种方法:一种是绕制法,另一种是包裹法。
下面,我们就分别来看一下这两种方法的具体制作过程。
首先,介绍绕制法。
先准备好宽度恰当的铜箔或铝箔,再用稍宽一点的绝缘材料垫在铜箔或铝箔下面,像绕线圈一样将屏蔽层和绝缘层同时绕到初级绕组上面。
这种绕制法是制作环形变压器屏蔽层比较简单的一种方法。
注意事项:1、在绕制屏蔽层之前,初级绕组必须先做浸漆、烘干处理。
2、屏蔽材料每一圈都要用绝缘材料隔离好,防止匝间短路。
3、每一匝屏蔽材料的外圈都要有交叠,才能保证屏蔽效果。
4、在屏蔽材料的中间位置引出接地线接地。
5、屏蔽层绕好后,再绕一层绝缘层,现在,再介绍一种包裹法制作环形变压器的屏蔽层。
该方法的工艺要稍微复杂一点,但效果较好,适合制作要求较高的环形变压器。
具体步骤有以下四步:第一步:将变压器的初级线圈绕好后,先缠好绝缘层,并做浸漆、烘干处理。
第二步:再将带不干胶的铜箔或铝箔根据变压器现在的尺寸,裁剪成如下图所示的形状:图一屏蔽层材料裁剪形状第三步:将裁剪好的屏蔽材料由外圈向内圈包裹好变压器。
变压器包裹好后,如下图所示:并从外壁上引出接地线即可。
图二屏蔽层的包裹和接地线第四步:在屏蔽层的外面再缠绕一层绝缘层,就可以绕次级线圈了。
注意事项:1、每一个铜条间都必须要有交叠,以保证屏蔽效果。
2、屏蔽层的包裹在变压器内圈相交。
3、屏蔽层在内圈相交时,不能短路。
相交处必须用一层绝缘材料隔开,否则屏蔽层相当于一匝线圈短路。
相关知识:为什么变压器的初、次级间要做屏蔽层?主要是为了减少线圈层间分布电容的影响。
1、发电机一次系统检修后或停机备用超过120h,启机前应测量定子回路的绝缘电阻,转子回路、励磁系统的绝缘电阻。
干燥后的发电机定子回路的绝缘电阻测量使用2500V的摇表,定子绕组绝缘>5MΩ。
通水后的绝缘电阻值使用水摇表测量,绝缘值不作规定,若测量值较前次有显着的降低(考虑温度及湿度的变化,如降低到前次的1/3~1/5),应查明原因并将其消除。
测量时,发电机中性点接地刀闸须断开,发电机出口电压互感器须停电。
发电机转子回路测量绝缘使用500V摇表,发电机转子回路绝缘电阻值在室温下不小于 1.0MΩ;励端轴瓦绝缘垫电阻用1000V兆欧表测量不应小于 1.0MΩ。
2、新安装或检修后的变压器投运或投入热备用前应测量其绕组对地、高压侧对低压侧的绝缘电阻和吸收比以及相间电阻。
变压器高压侧电压在6kV及以上者用2500V兆欧表进行测量,其绝缘电阻值不低于300MΩ,吸收比≥1.3;变压器低压侧电压在0.5kV及以下者用500V兆欧表进行测量,其绝缘电阻值不低于100MΩ,吸收比≥1.3。
注:同一变压器中、低压绕组的绝缘电阻标准与高压侧相同。
干式变压器线圈绝缘电阻一般情况下应满足下列要求高压对低压及地≥300MΩ(使用2500V摇表)低压对地≥100MΩ(使用500V摇表)在潮湿的环境下,当变压器绝缘电阻值≥2MΩ/kV时可以投入运行。
如变压器遭受异常潮湿发生凝露现象,则不论其绝缘电阻如何,在其进行耐压试验或投运前必须进行干燥处理。
干式变压器铁芯绝缘电阻一般情况下应满足下列要求铁芯对夹件及地≥2MΩ(使用500V摇表)穿芯螺杆对铁芯及地≥2MΩ(使用500V摇表)当变压器绝缘电阻值降到前次值的50%时,应通知检修人员进行检查处理。
需要测量变压器中性点与地直接连接侧对地绝缘电阻时,应联系点检打开其中性点接地,测完绝缘后检修负责恢复。
3、6kV电动机应使用2500V摇表测量绝缘电阻R60″,在常温下其值不低于6MΩ。
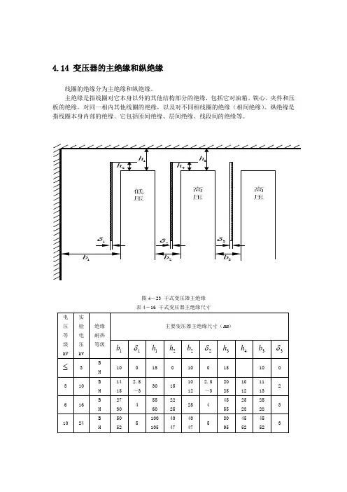
4.14 变压器的主绝缘和纵绝缘线圈的绝缘分为主绝缘和纵绝缘。
主绝缘是指线圈对它本身以外的其他结构部分的绝缘,包括它对油箱、铁心、夹件和压板的绝缘,对同一相内其他线圈的绝缘,以及对不同相线圈的绝缘(相间绝缘)。
纵绝缘是指线圈本身内部的绝缘。
它包括匝间绝缘、层间绝缘、线段间的绝缘等。
图4-23 干式变压器主绝缘表4-16 干式变压器主绝缘尺寸455R+δ=表4-17 圆筒式线圈层绝缘4.15 变压器绝缘半径计算图4-24 圆筒式绕组绝缘半径(1).圆筒式绕组绝缘半径计算(如图4-24所示)R 0——铁芯半径——铁芯对绕组绝缘距离 ——低压绕组内半径——低压绕组气道内侧绕组辐向厚度——低压绕组中气道宽度——低压绕组气道外侧绕组辐向厚度 ——低压绕组外半径 ——高低压绕组之间的气道宽度——高压绕组内半径——高压绕组气道内侧绕组辐向厚度11S R +=L22B R +=233R +δ=L14B R +=H 26B R +=——高低压绕组之间的气道宽度——高压绕组气道外侧绕组辐向厚度 — 高压绕组外半径——高压绕组外直径——两铁芯柱中心距离低压绕组DY2平均半径 12122R R R += 低压绕组DY1平均半径 34342R R R += 高压绕组GY2平均半径 56562R R R += 高压绕组GY1平均半径 78782R R R +=高低压间漏磁空道平均半径 452H L R R Y +=低压气道平均半径 232L R R Y += 高压气道平均半径 672H R R Y +=(2).饼式(含螺旋式、连续式)绕组绝缘半径计算R 0——铁芯半径——铁芯对绕组绝缘距离——低压绕组内半径图4-25——低压绕辐向厚度H 18B R +=2D ⨯=60S M +=677R +δ=11S R +=L2B R +=233R +δ=——高低压绕组之间的气道宽度——高压绕组内半径——高压绕组辐向厚度—— 高压绕组外径——两铁芯柱中心距离低压绕组平均半径 12122R R R += 高压绕组平均半径 34342R R R +=高低压间漏磁空道平均半径 232H L R R Y +=H 4B R +=2D ⨯=3b M +=。
载波的隔离变压器载波的隔离变压器是一种用于信号转换和隔离的电子元件。
它能够将信号从一个电路传输到另一个电路,同时实现信号的隔离和保护。
随着现代通信技术的发展,载波的隔离变压器在通信系统中起到了越来越重要的作用。
一、载波的隔离变压器的基本原理载波的隔离变压器通过电磁感应的原理实现信号的传输和隔离。
它由两个或多个线圈组成,分别连接在不同的电路中。
当一个线圈中的电流发生变化时,会在另一个线圈中感应出电动势,从而实现信号的传输。
同时,由于线圈之间的电气隔离,可以有效地防止信号的干扰和损耗。
载波的隔离变压器广泛应用于通信系统中的各个环节。
首先,在调制解调器中,载波的隔离变压器用于将信号从发送端传输到接收端,实现信号的隔离和保护。
其次,在通信线路中,载波的隔离变压器用于隔离不同的信号源,避免信号的相互干扰。
此外,载波的隔离变压器还广泛应用于无线通信系统、光纤通信系统等领域。
三、载波的隔离变压器的优点载波的隔离变压器具有以下几个优点。
首先,它能够实现信号的隔离和保护,避免信号的干扰和损耗。
其次,它能够将信号从一个电路传输到另一个电路,实现信号的转换和传递。
此外,载波的隔离变压器还具有体积小、重量轻、成本低等优点,便于集成和应用于各种通信设备中。
四、载波的隔离变压器的制造工艺载波的隔离变压器的制造工艺主要包括线圈绕制、绝缘处理、焊接和封装等过程。
首先,通过绕线机将导线绕制成所需的线圈形状。
然后,对线圈进行绝缘处理,以提高其绝缘性能。
接下来,将线圈焊接到电路板上,确保其连接牢固。
最后,将整个隔离变压器进行封装,以保护线圈和电路板不受外界环境的影响。
五、载波的隔离变压器的发展趋势随着通信技术的不断发展,载波的隔离变压器也在不断更新和改进。
首先,随着通信频率的不断增加,载波的隔离变压器需要具备更高的频率响应能力。
其次,随着通信设备的不断集成,载波的隔离变压器需要具备更小的体积和更轻的重量。
此外,随着通信系统的不断智能化,载波的隔离变压器还需要具备更高的可靠性和更低的功耗。
反激变压器绕制方法反激变压器又称反激式变压器,是一种应用于开关电源中的重要元件。
它可以实现输入电压到输出电压的变换,并且具有较高的效率和良好的电子性能。
制作反激变压器需要注意绕线方法,下面将就反激变压器的绕制方法进行详细介绍。
一、材料准备在进行反激变压器的绕制前,首先要准备好所需的材料和工具。
主要包括磁性铁芯、绝缘线、绝缘纸、焊锡、焊接工具等。
磁性铁芯是反激变压器的主要材料,它决定了变压器的性能和效率。
而绝缘线和绝缘纸则用于绕制变压器的线圈,起到绝缘和保护作用。
焊锡和焊接工具用于固定线圈和连接电路。
二、线圈绕制1. 选择合适的磁性铁芯在绕制反激变压器时,首先要选择合适的磁性铁芯。
通常情况下,磁性铁芯由铁芯和绕线管组成,选择合适的尺寸和磁导率对于变压器的性能至关重要。
2. 绕制初级线圈初级线圈是反激变压器的输入端,通过初级线圈产生的磁场来感应次级线圈,完成电压变换。
绕制初级线圈时,要根据设计要求选择合适的规格和匝数的绝缘线,同时要注意线圈的绝缘保护和固定方式。
3. 绕制次级线圈次级线圈是反激变压器的输出端,根据输入端的磁场感应来产生输出电压。
绕制次级线圈时,同样需要选择合适的规格和匝数的绝缘线,并且要保证线圈的绝缘和固定。
4. 线圈连接和固定在绕制好初级线圈和次级线圈后,需要将它们连接到电路中,并进行固定。
通常情况下,使用焊锡进行线圈之间的连接,并使用绝缘纸和胶水进行线圈的固定,以确保线圈不会松动和短路。
三、绝缘处理绕制好线圈后,还需要进行绝缘处理。
主要包括在线圈外部包裹绝缘纸和胶水,以确保线圈的绝缘性能和保护。
同时要注意线圈与磁性铁芯之间的绝缘处理,以防止短路和电流泄露。
四、测试和调试完成反激变压器的绕制后,需要进行测试和调试。
主要包括使用万用表和示波器等仪器对线圈的匝数、绝缘和电压性能进行检测和调整,确保变压器的正常工作和性能稳定。
总结:反激变压器的绕制方法涉及到材料选择、线圈绕制、绝缘处理和测试调试等多个环节,需要仔细操作和严格把关。
变压器的常见故障及解决方法摘要:随着生活电器越来越多,变压器的负荷压力越来越大,变压器过载运行现象非常普遍,由此产生的故障问题也越来越多,不仅影响了电网供电的稳定性,也缩短了变压器的使用寿命。
因此正确认识变压器常见故障,采取科学合理的解决方案,将变压器运行拉回正轨就显得尤为重要。
因此对变压器的常见故障展开全面细致地分析研究,并提出一系列切实可行的解决方法,能够为变压器的正常运行提供坚实的保障。
关键词:变压器;常见故障;解决方法一、变压器的常见故障分析(一)变压器声音异常变压器在正常运作时,应该发出均匀的嗡嗡声,如果变压器的声音不够连续或者出现异常声音,都属于变压器声音异常的表现。
当变压器过载运行时,其内部会发出沉重的嗡嗡声,变压器短时间、小幅度地过载运行不会造成太大的危险,但是出现长时间、严重的过载运行,会导致变压器异常升温,严重者会引发火灾、变压器烧毁等事故。
当变压器负荷剧烈变化时,变压器会发出较重的“哇哇”声或“咯咯”声,这是因为负载剧烈变化,导致变压器绕组中的电流快速变动,周围磁场也变得极其不稳定,变压器的声音也会出现异常。
如果出现短路问题,变压器会发出很大的噪声,此时相关人员应该及时查看,并采取科学合理的措施。
如果变压器铁芯夹紧件松动,变压器会发出“叮当叮当”的声音,类似于金属敲击的声音,相关人员需要提高警惕。
(二)变压器油质损坏变压器中的油如果渗入雨水、潮气、长时间没有更换,或者变压器油经常出现过热状态,很容易造成油质损坏问题,这样以来变压器油的绝缘性能就会大打折扣,变压器出现线路短路、电压击穿的概率就会大大提升。
一般来说,刚刚投入使用的变压器油应该是浅黄色的,用过一段时间之后,变压器油呈现出浅红色,如果变压器油呈现黑色,就意味着变压器油出现了质变,需要相关人员进行取样化验,如果化验结果合格,则说明变压器油没有问题,可以继续使用;如果化验结果不合格,就需要立即对变压器油进行过滤、再生处理。
变压器线圈的绝缘处理
一、变压器线圈损坏的原因分析
1.绝缘性能不佳
(1)变压器电流激增,随着经济的发展,人民生活水平的不断提高,以及我国电网改造的深入,人均用电量有了很大程度的增加,但是由于部分低压线路维护不到位,导致发生过负荷与短路的可能性大大增加,致使变压器的电流超过额定功率数倍,过大的电流导致绕组受到电磁力矩较大影响发生变形。
由于电流的增大,使得配电变压器的线圈温度升高,导致绝缘老化迅速,呈片状脱落,使得线体外露,造成短路,损坏变压器。
(2)绕组绝缘受潮,出现绕组绝缘受潮的主要原因是绝缘优质不佳或油面降低导致。
导致绕组绝缘受潮绝缘降低原因如下:变压器未投入使用前,潮湿气体侵入使得绝缘受潮或变压器工作工程中处于潮湿,多雨地区,导致湿度过高,引发绕组绝缘受潮;变压器运输存储过程中维护不得当,导致水分以及杂质或油污进入油中,致使绝缘强度降低;变压器厂内制造过程中,绕组内层侵漆不彻底,以及侵漆干燥不彻底,绕组引线接头不良、绝缘不完整等,导致匝间、层间出现短路。
如果配电变压器损坏发生在一侧,其主要原因是匝间、层间短路或绕组对地,使用年限过长导致绝缘自然老化,失去绝缘效果;绝缘老化或油面降低,使用年限较长的变压器,由于各种原因导致油面降低,空气侵入绝缘油过多,降低绝缘强度。
当绝缘降低到一定程度时,即出现短路现象。
2.无载调压开关
(1)分接开关受潮,变压器中的套管、分接开关、端盖、油阀部位漏油,导致分接开关暴露在空气中,受到潮气侵蚀。
变压器的游标指示在油枕中部,并且变压器箱体到油枕的输油管口高出油枕2.5cm以上,变压器运行过程中产生气体受热后产生油焦物质,这些物质会引起游标呼吸孔堵塞,致使油留在指示标内。
由于油标呼吸孔堵塞,导致变压器负荷以及温度变化时,油标油位不变,导致加油不及时。
裸露分接开关绝缘受潮,绝缘性能降低,产生放电短路,致使变压器烧毁。
(2)高温过热,变压器油主要是对绕组起到绝缘,散热,防潮作用。
变压器中的油温过高,会直接导致变压器无法正常运行以及变压器使用寿命减低,正常的变压器分接开关,应当长期处于常温的油中,但是一些偏远山区农村的输电线路过长,使得电压降低过大,分接开关长期处于负荷状态运行,温度过高导致分接开关出头出现碳膜以及油垢,触发头发热后又导致弹簧压力降低,特别是对触环中弹簧,由于其材料与制造工艺较差,弹性降低加快或出现零件变形现象,分接开关的引线头以及接线螺丝松动,处理过后也可能出现导电位接触不良,接触电阻过大,产生高热量以及电弧烧伤。
同时电弧产生的大量气体,分解出具有导电能力的物质,夹杂在套管,绕组层间、匝间,引起短路现象。
二、变压器线圈绝缘处理的具体措施
1.合理选择绝缘材料
(1)漆包线,漆包线在绕制线组、整形、嵌线、浸烘等过程中,将是承受机械力,热与化学作用,因此漆包线要具有非常好的涂覆层,并且能满足附着力强、柔软、耐绕曲性好,并且要具有一定的耐磨和弹性。
同时漆膜还应该具有足够的电气性能、耐热性能与溶剂性,同时不能对导体产生腐蚀性。
一般的b及要求的变压器可选择qz,聚酯漆膜包线。
它具有较高的耐热、耐摩擦、耐电压以及耐软化击穿特点,可根据变压器具体要求选择涂漆层厚度不同的qz-1与qz-2。
(2)绝缘层材料,变压器的层间以及组间需要加垫绝缘材料进行绝缘,同时引线接头以及引出线等部位也要进行绝缘处理,目前采用的绝缘材料有以下几种:1聚酯薄膜,由于这种漆具有较高的抗张强度,较高的绝缘电阻以及击穿电压、熔点高等优点,使得聚酯薄膜在现代应用越来越广,其厚度为0.1mm以内,对0.05mm厚度聚酯薄膜进行测试,采用1000v兆欧表进行测试,其绝缘电阻大于2000m?,击穿电压可达6kv。
2聚酰亚胺薄膜,其具备耐高温以及低温,电气性优异,低电介损耗,高介电强度,同时具有良好的机械物理化学性能等诸多优点,但其成本过高,致使普通变压器不选用此材料。
3黄漆绸,可作线圈层及组间的绝缘材料,该材料浸油性绝缘漆,然后经过固化处理,可具有良好的电气性柔软性、耐油性,不用胶带粘结对于骨架无挡板变压器线圈不易脱落,但其成本很高,已经逐渐被新材料代替。
同时根据现场要求,变压器引出线不能暴露空气中,所以可采用:
热缩管,玻璃丝套管,有机硅管进行绝缘处理,以上材料经试验都可以承受5kv击穿电压。
2.优化绝缘工艺
变压器的绝缘处理中一个很重要的环节-浸渍绝缘漆,浸漆分为常压浸漆与真空浸漆。
浸渍漆又分为有溶剂与无溶剂两大类。
1032浸渍漆是由醇酸树脂,丁醇改性三聚氰胺树脂组成,其溶剂一般为甲苯。
1032浸渍漆具有耐潮,耐油,内干性好,漆膜硬度高,机械强度好等特点,其真空浸渍过程为:1将变压器线圈放入浸漆容器中,放入烘缸进行预烘,然后真空去湿,真空度要达到0.09。
2将预先配置好的1032浸渍漆注入缸内进行浸漆。
3开启真空泵,真空度为0.08时关闭真空泵进行回漆。
4进行滴漆1小时。
5开启真空泵,当真空度达到0.08,关闭真空泵,直到真空表为0。
6进行二甲苯清洗,回二甲苯,开启真空泵,真空度为0.08时关闭真空泵,待真空表指针为0。
7进行第一次烘干,保持温度80℃,开启真空泵,真空度0.09时关闭真空泵。
8二次烘干,温度保持在100℃,开启真空泵,真空度0.09时关闭真空泵。
9三次烘干,温度保持在120℃,持续12小时,关闭加热器,缸内温度下降到80℃即可出炉。
三、结语
综上所述,严重的负荷可导致变压器温度过高,造成线圈以及绝缘变脆老化,同时产生绝缘片状脱落现象,导致匝间,层间短路。
而变压器过热使得油中产生气体焦化、炭化导致线圈以及铁芯产生
覆盖,影响散热,使得变压器越来越热,恶性循环。
随着新材料以及新的工艺水平的发展,各种新型材料不断出现,以及产品性能的不断提高,工艺流程的完善,将会使得变压器线圈绝缘得到有效处理。
慎重的选择材料,提高绝缘水平性能,有效减少变压器使用过程中故障发生率。
参考文献:
[1] 丁斯婧.变压器绕组固体绝缘老化评估及寿命分析[j].科技信息,2012,(32):385-386.
[2] 林富其.采用电流加热法干燥变压器绝缘[j].电工科技,2013,(1):34-36.。