典型PLC应用技术复习要点
- 格式:doc
- 大小:572.04 KB
- 文档页数:20
期末复习1、常用低压控制电器重点掌握:元器件的结构、原理、用途(功能)、主要参数、选择方法、电器图形和文字符号。
例如:接触器;继电器(电流、中间、时间、热、速度);熔断器;低压断路器;刀开关(转换开关);主令电器等。
2、基本控制电路(1)会背部分基本环节例:起停控制,点动,正反转控制,多处起停控制,联锁控制,自耦补偿起动,Y-△起动,双速电动机控制等。
(2)掌握自锁、互锁、多处起停控制的特点(3)电气控制线路保护类型及实现方法(保护元件)3、电气设计(1)常用电气图的图形符号和文字符号(2)原理图设计中应注意的问题4、PLC(1)PLC的功能特点、目前常用PLC生产厂商及对应产品型号。
(2)PLC的硬件组成及各部分作用。
(3)PLC的输出类型。
(4)PLC的硬件结构(模块类型)、基本单元与扩展单元模块的组成及它们的区别。
(5)PLC的结构型式(6)PLC的工作方式、工作过程、循环扫描周期及对输入/输出的处理原则。
(7)PLC的选型原则(选型应考虑的因素)。
(8)PLC的元器件类型、元器件编号原则及各类元器件的功能、使用特点、数量及编号范围。
(9)基本指令的应用。
①基本逻辑关系指令表示。
②基本环节的梯形图设计③基本逻辑指令、算术运算指令和数据处理指令的编程应用-----结合例题、习题。
④能设计简单控制系统的控制流程图、梯形图和I/O分配表(图)《PLC》试题集一.选择题1.一般公认的PLC发明时间为:A.1945 B.1968 C.1969 D.1970参考答案:C2.十六进制的F,转变为十进制是多少?A.31B.32C.15D.29参考答案:C3.三菱PLC中,16位的内部计数器,计数数值最大可设定为A.32768 B.32767 C.10000 D.100000参考答案:B4.FX系列PLC是(B)公司的产品。
A.西德西门子B.日本三菱C.美国HONEWELL D.日本富士5.PLC中不包括(C )。
PLC复习资料:介绍、原理、组成及应用一、介绍计算机技术的迅速发展,使得现代工业控制系统大量采用数字技术。
PLC(可编程逻辑控制器)是这种数字技术在工业自动化控制中的一种最具代表性的应用。
PLC 采用了许多现代控制学、计算机科学和电子技术方面的最新成果,逐渐被认为是现代控制技术的一种重要形式。
PLC可简单理解为一种集成了数字、模拟电子和计算机技术的工业控制器。
二、原理PLC的工作原理类似于一个小型计算机。
(它接受传感器的输入信号,处理这些信号,然后将相应的输出信号发送到其他设备上。
PLC的内部包括输入组件、中央处理器、存储器、输出组件和通信模块。
其中输入组件接受来自传感器的信号,中央处理器对这些信号进行处理,存储器负责存储处理后的数据,输出组件则输出PLC 对其他设备的命令。
三、组成PLC由多个组件组成,主要包括以下几个方面:1.输入单元:可将控制对象的物理量转化为电信号送入PLC输入端,例如传感器检测到的温度、压力等。
2.(输出单元:接收PLC内部处理后的指令,将电信号转化为物理量,控制其他设备例如模拟量输出。
3.(中央处理器(CPU):对PLC进行控制计算,根据不同的控制算法来处理输入信号,然后发送相应的控制信号到输出单元,实现控制。
4.(存储器:存储程序和数据,包括存储内部程序、用户程序和数据。
5.(通信模块:用于PLC与其他设备之间的通信交流,例如Modbus通信协议。
四、应用PLC广泛应用于各种工业生产控制、流程控制、制造业机床控制、交通信号控制、电力系统控制等领域。
PLC在工业生产控制中,常常使用传感器采集、数据处理、控制器输出等方式实现对生产线的自动化控制。
PLC在流程控制中,可帮助自动控制流程的顺序,从而保证生产线的连贯性。
在制造业机床控制方面,PLC还具有经济性、灵活性和高度集成等优势。
此外,PLC还广泛应用于交通信号控制、电力系统控制等领域,为社会的安全和稳定运作提供了帮助。
PLC技术及应用考前复习资料学习方式: 业余时间:无限制课程:《PLC技术及应用》一单选题 (共19题,总分值76分 )1. 熔断器的作用是()。
(4 分)A. 控制行程B. 控制速度C. 短路或严重过载D. 弱磁保护2. 熔断器主要用做电路或用电设备的。
(4 分)A. 短路保护B. 失压保护C. 过载保护D. 零压保护3. PLC的工作方式是。
(4 分)A. 循环扫描工作方式B. 扫描工作方式C. 中断工作方式D. 等待工作方式4. 运行下列函数后,A,B,C的内容是()。
(4 分)A. 16,16,16#00000010B. 16,17,16#00000011C. 16,16,16#00000011D. 17,17,16#00000010E. 17,16,16#00000010F. 17,16,16#000000115. 过程测量和控制仪表图形符号内的一条实线表示操作员()。
(4 分)A. 不能就地监视和控制B. 在控制室可操作和监视C. 安装在盘后,不能监视D. 在就地仪表盘可监视和操作E. 安装在就地不可操作F. 安装在就地可操作6. 以下不属于低压电器的是。
(4 分)A. 熔断器B. 按钮C. 接触器D. 避雷器7. 以下不属于热继电器的保护功能的是。
(4 分)A. 过载保护B. 断相及电流不平衡运行的保护C. 短路保护D. 电气设备发热状态的控制8. 下列元件中,开关电器有()。
(4 分)A. 组合开关B. 接触器C. 行程开关D. 时间继电器9. 接地电阻指()。
(4 分)A. 接地极对地电阻B. 总接地板、接地总干线及接地总干线两端的连接点电阻C. 仪表设备接地端子到总接地板之间导体及连接点电阻的总和D. 等电位连接电阻E. A和B之和F. B和D之和10. 可使用位寻址方式来存取信息的存储器不包括。
(4 分)A. IB. QC. ACD. SM11. 时间继电器的作用是()。
(4 分)A. 短路保护B. 过电流保护C. 延时通断主回路D. 延时通断控制回路12. RETURN是()。
《PLC控制技术》考试大纲试卷总共分成4大部分:一、填空题:每空1分,共20分;二、简答题:3小题,共20分;三、画图分析题:2小题,共20分;四、设计题:3小题,共40分。
补充内容第一章:电气控制系统常用器件考核知识点:(1)电器的基本知识【了解】(2)接触器【了解】(3)继电器【了解】(4)开关电器【了解】(5)熔断器【了解】(6)主令电器【了解】(7)信号电器【了解】本章的内容以了解为主,但是各种电器的概念一定要知道,而且你要会举例出来这些电器的一些常用器件。
补充一第二章电气控制系统基本控制电路考核知识点:(1)基本控制【掌握】a自锁控制b互锁控制C顺序控制cl工作正常与点动连锁控制e多点控制连锁控制f自动循环控制这些基本控制都需要掌握,重点掌握互锁控制、顺序控制、自动循环控制。
(2)常用基本控制电路【掌握】常用基本控制电路就是基本控制电路的简单组合,掌握基本控制也就等于掌握了常用基本控制电路。
重点掌握星三角变换和自动往返运转电路。
第一章:概述考核知识点:(1)PLC的基本概念【了解】(2)PLC的基本结构【了解】(3)PLC与计算机控制系统和继电器控制系统联系和区别【了解】本章的内容以了解为主,但是各种电器的概念一定要知道。
为什么要学PLC,要知道PLC与计算机控制系统和继电器控制系统的区别。
第二章:PLC的硬件结构与工作原理考核知识点:(1)PLC的分类及各自特点【了解】(2)CPU模块中存储器的分类及其特点【了解】(3)PLC中与、或、非的梯形图描述【掌握】(4)PLC的工作原理及其扫描过程【掌握】(5)PLC T/0扩展及地址分配【掌握】重点掌握PLC的工作原理及其扫描过程和PLC I/O扩展及地址分配。
第三章:PLC程序设计基础考核知识点:(1)IEC-61131-3中说明的5种编程语言【掌握】(2)PLC的程序结构及其特点【掌握】(3)存储器的数据类型及直接寻址【掌握】(4)S7 - 200的位逻辑指令、定时器指令和计数器指令(要求能够利用位逻辑指令、定时器指令和计数器指令设计梯形图)【掌握】重点要知道5种编程语言、定时器地址的分配,会使用位逻辑指令、定时器指令和计数器指令。
第1章可编程序控制器概述1.可编程控制器是一种工业控制计算机,简称PLC。
2.可编程控制器的基本组成:CPU、存储器、I/O接口和系统总线。
3.按结构形式分类,PLC分成整体式和组合式4.辅助继电器(M):通用辅助继电器M0~M499、断电保持辅助继电器M500~M1023、断电保持专用辅助继电器M1024~M3071和特殊辅助继电器M8000~M8255。
M8011 10ms时钟脉冲M8012 100ms时钟脉冲M8013 1s时钟脉冲M8014 1min时钟脉冲5.定时器(T):普通型定时器T0~T245和积分型定时器T246~T255。
6.计数器(C):内部信号计数器、高速计数器C235~C255(使用X0~X5输入端)和相计数器。
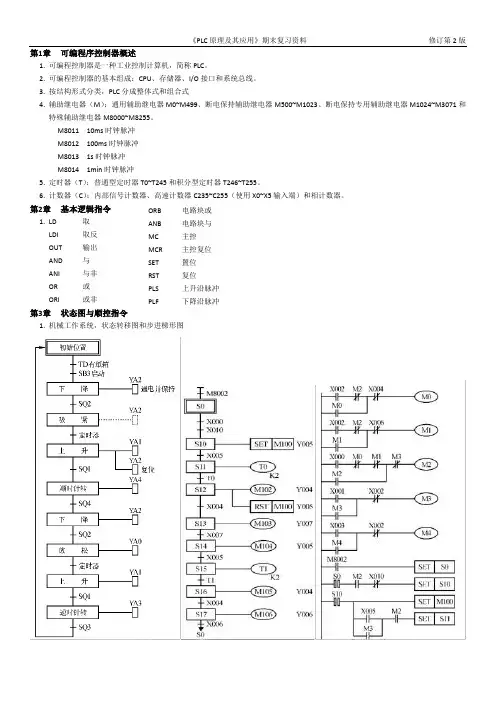
第2章基本逻辑指令1.LD 取LDI 取反OUT 输出AND 与ANI 与非OR 或ORI 或非第3章状态图与顺控指令1.机械工作系统,状态转移图和步进梯形图ORB 电路块或ANB 电路块与MC 主控MCR 主控复位SET 置位RST 复位PLS 上升沿脉冲PLF 下降沿脉冲2.十字路口交通信号灯的控制第4章功能指令1.比较CMP CMP K100 C20 M0 (P91)2.传送MOV3.BCD变换BCD BCD D12 K2Y0 // 源元件中的二进制码转换成BCD码送到目标元件D12中4.BIN变换BIN BIN K2X0 D13 // 源元件中的BCD码转换成二进制码送到目标元件D13中5.BIN加法ADD6.BIN减法SUB 标志:M8020(零标志),M8021(借位),M8022(进位)7.BIN乘法MUL8.BIN除法DIV DIV D0 D2 D4 // (D0)÷(D2) →(D4)9.加1和减1 INC DEC INC D10 // (D10)+1→(D10))DEC D10 // (D10)-1→(D10)10.移位(左/右)SFTL SFTR SFTR X0 M0 K16 K4(P102)11.7段解码SEGD SEGD D0 K2Y0(P125)。
PLC复习可编程序控制器技术与应⽤复习资料第⼀章可编程序控制器基本组成1、PLC的基本概念:PLC是⼀种将计算机技术与继电器控制概念结合起来、装有程序、以中央微处理器为核⼼并与输⼊/输出设备相连接⽽作为⼯业控制特殊⽤途的计算机。
2、PLC的优点:(1)可靠性⾼(2)功能性强(3)编程简单,⼈机对话界⾯好3、PLC的组成:PLC主要由中央微处理器、存储器、输⼊/输出接⼝电路、电源等组成。
(1)中央微处理器:从输⼊设备读⼊输⼊信号,并按⽤户程序对它进⾏逻辑运算、数学运算,并把运算处理的结果通过输出接⼝电路送到输出设备,⼀般PLC⽤的CPU多为16位或32位微处理器。
(2)存储器:存放系统程序、⽤户程序和数据的器件,包括只读存储器ROM和随机读写存储器RAM两类。
(3)输⼊单元:是PLC与外部输⼊设备之间的连接部件。
输⼊电源接⼝电路由光电耦合电路和阻容滤波隔离电路组成。
输⼊信号进⼊PLC的地点称为输⼊点,输⼊点通过接线端⼦接受输⼊信号。
直流开关量输⼊常使⽤PLC内设24V直流电源或外设24V直流电源(DC24V±10%);交流开关量输⼊可使⽤外接交流电源(AC100~120V±10%)。
(4)输出单元:是PLC与驱动对象如接触器线圈、电磁阀线圈、指⽰灯等的连接部分。
由于控制对象不同,输出单元可分为继电器输出、晶体管输出和晶闸管输出三种形式。
继电器输出可接交流负载(外接交流电源AC250V以下)和直流负载(外接直流电源DC30V以下);晶体管输出可接直流负载(外接直流电源DC5~30V);晶闸管输出可接交流负载(外接交流电源AC85~240V)。
(5)电源单元:PLC电源是⼀种将交流电压(AC220V)变成CPU、存储器、输⼊输出接⼝电路所需电压的电源部件。
(6)模拟量输⼊、输出模块:模拟量输⼊、输出⼀般要通过模拟输⼊、输出模块与PLC基本单元连接。
电压输⼊输出量约为DC(-10~+10V);电流输⼊量约为DC(-20~+20mA),输出量约为DC(-4~+20mA);输⼊输出温度范围100~600?C。
20XX级电气控制与PLC技术复习知识点1、电磁式继电器与接触器的结构和工作原理。
继电器的主要作用则是起信号检测、传递、变换或处理用的,它通断的电路电流通常较小,即一般用在控制电路(与“主电路”对比)。
接触器主要作用是用来接通或断开主电路的。
所谓主电路是指一个电路工作与否是由该电路是否接通为标志。
主电路概念与控制电路相对应。
一般主电路通过的电流比控制电路大。
因此,就如一楼的朋友说的,容量大的接触器一般都带有灭弧罩(因为大电流断开会产生电弧,不采用灭弧罩灭弧,将烧坏触头)。
2、S7-200跳转指令的特点。
3、s7-200子程序和中断程序的特点。
4、两线式和三线式接近开关的接线方法和导线颜色描述。
NPN二线制:棕线与负载连接,再与电源正极,蓝色与零电位 NPN三线制:棕色和黑色接负载两端,蓝色接零电位。
5、s7-200寻址方式。
根据访问数据存取的方式不同.可划分为直接寻址 (1)位寻址方式(2)字节、字、双字寻址方式和间接寻址。
6、时间继电器的各种类型触点的图形符号。
7、自锁和互锁的定义。
自锁定义:交流接触器通过自身的常开辅助触头使线圈总是处于得电状态的现象叫做自锁。
互锁,几回路间利用某一回路的辅助触点,去控制对方的线圈回路,进行状态保持或功能限制。
一般对象是对其他回路的控制。
8、剩余电流保护器的工作原理及应用场合。
工作原理,当被保护设备!或电源设备出来过载或短路时,主开关中的热磁脱扣器完成延时或瞬时脱扣动作。
从而切断电源起到过载或短路保护作用。
当被保护电路中有漏电或人身触电时,只要剩余电流达到整定动作电流值,零序电流互感器的二次绕组就输出一个信号,并通过漏电脱扣器动作,从而切断电源起到漏电和触电保护作用。
9、实现顺序控制的三个阶段的操作码。
编制梯形图方法顺序功能图法(SFC)Pet网分析法10、梯形图的设计规则。
1水平不垂直梯形图的接点应画在水平线上,不能画在垂直分支上2 线圈右边无接点不能将接点画在线圈右边,只能在接点的右边接线圈3左大右小,上大下小有串联电路并联时,应将接点最多的那个串联回路放在梯形图最上面. 有并联电路相串联时, 应将接点最多的并联回路放在梯形图的最左边. 4双线圈输出不可用如果在同一程序中同一元件的线圈使用两次或多次,则称为双线圈输出。
理论复习一、是非题:(在你认为对的题后括号内打“√”,错的打“x”,共30分)1、计算机犯罪的形式是未经授权而非法入侵计算机系统,复制程序或数据文件。
2、系列使用指令进行无协议通讯时,数据发送完成后M8122自动置“1”。
X3、在爆炸危险场所,如有良好的通风装置,能降低爆炸混合物的浓度,场所危险等级可降低。
4、22的两个输入点可以接热电偶或热电阻。
5、绘制电气原理图时,通常把主线路和辅助线路分开,主线路画在辅助线路的左侧或下部。
X6、触摸屏属于绝对定位系统,鼠标输入相对定位系统。
7、变频器与之间485通信属于半双工通信。
8、61131-3标准定义了两种图形化语言和三种文本语言。
x9、维护企业信誉是企业诚实守信的内在要求。
10、市场经济条件下,职业道德最终将对企业起到提高竞争力的作用。
11、为了促进企业的规范化发展,需要发挥企业文化的自律功能。
12、人机界面是人与机器交换信息的设备。
13、差模信号是两输入信号之差,共模信号则是二者的算术平均值。
X14、理想运算放大器的两输入端之间的电压差为零,即虚断。
X15、没有中断控制功能。
X16、集成运算放大器只能放大交流信号。
x17、触摸屏的尺寸是5.7寸,指的是对角线。
18、24是模拟量输出单元。
19、将放大器输出信号的全部或部分通过某种方式回送到输入端,这个信号叫做反馈信号。
20、梯形图编程中触点不能放在线圈的左边。
X21、并行通信比串行通信速率快,将取代串行通信。
X22、梯形图编程中触点不能放在线圈的左边。
X23、61131-3软件模型是一种分层结构。
(的标准定义)24、计算机与打印机之间的传输通信属于半双工通信。
x25、的用户程序是逐条执行的,执行结果依次放入输入映像寄存器。
x26、没有计数功能。
x27、22的两个输入点可以接热电偶或热电阻。
28、开环控制系统可以消除偏差。
x29、电气测绘时,应避免大拆大卸,对去掉的线头应不作记号。
X30、的英文写法是。
可编程控制器原理及应用_复习要点PLC的原理主要包括三个方面:输入模块、中央处理器和输出模块。
输入模块:输入模块将外部传感器通过电缆连接到PLC上。
当传感器检测到物理量(例如压力、温度、开关状态等)发生变化时,会向输入模块发送一个信号。
输入模块将这个信号转换为数字信号,传递给中央处理器处理。
中央处理器:中央处理器是PLC的核心,它接收输入模块传递过来的信号,并根据预设的程序进行处理。
通常,程序是一些逻辑函数块(Ladder diagram),可以通过图形化编程软件进行编写。
中央处理器解析程序,根据逻辑关系判断输出信号的状态,并通过输出模块控制机械设备的运行。
输出模块:输出模块接收中央处理器传递过来的信号,并将信号转换为可以控制机械设备的形式。
输出模块通常连接到电磁阀、电机等执行器上,用于实现对机械设备的控制。
PLC的应用非常广泛,它主要用于工业自动化控制系统中。
以下是PLC的几个主要应用领域:1.工业生产线控制:PLC可以实现对工业生产线上的机械设备、传感器等的精确控制,从而提高生产效率和质量。
2.自动化制造:PLC可以实现对机械设备、机器人等的控制,实现生产线的自动化和智能化。
3.交通系统:PLC可以用于控制交通灯、路灯等设备,实现交通系统的智能化控制。
4.楼宇自动化:PLC可以用于楼宇自动化系统,实现对照明、空调、安防系统等的控制和管理。
5.物流自动化:PLC可以用于物流中心的自动化控制,对货物的分拣、包装等进行自动控制。
6.电力系统:PLC可以用于电力系统的监测和控制,实现对电力设备的运行状态的监测和控制。
7.汽车制造:PLC可以用于汽车制造中的装配线控制、质检等。
除了以上几个主要应用领域,PLC还广泛用于石油、化工、纺织、冶金、水利、环保等领域。
总结起来,PLC是一种专用数字计算机,通过逻辑运算实现对机械设备的控制。
它的原理包括输入模块、中央处理器和输出模块。
PLC的应用十分广泛,包括工业自动化控制、自动化制造、交通系统、楼宇自动化、物流自动化、电力系统、汽车制造等。
plc应用技术课程教学内容技能点
PLC应用技术课程的教学内容和技能点可以包括以下几个方面:
1. PLC基础知识:介绍PLC的定义、结构、原理和工作方式;了解PLC的输入输出特性、编程语言和通信接口等。
2. PLC编程语言:掌握PLC常用的编程语言,如梯形图(Ladder Diagram)、指令表(Instruction List)、断点表(Structured Text)等;学习编写基本的逻辑、定时、计数等
程序。
3. 电气控制原理:了解电气控制系统的基本原理,包括电路图的理解和画法、电路元件的选择、连接方式以及电路故障的排除方法。
4. 传感器与执行器的应用:学习各类传感器(如开关、光电、接近传感器等)和执行器(如电机、气缸等)的原理、特性和应用;掌握其接口与PLC的连接方法。
5. 系统集成:介绍PLC与其他自动化设备(如人机界面、变
频器、伺服系统等)的接口与集成方法;学习通过PLC控制
多个设备的协调与同步。
6. 故障诊断与维护:学习常见故障的诊断和排除方法,了解PLC系统的维护与保养;掌握PLC系统参数的备份和恢复以
及程序的调试技巧。
7. 工业应用案例:通过实际工业应用案例的分析和模拟实验,让学生了解PLC在工业控制领域的实际应用和问题解决能力。
通过以上的教学内容和技能点的学习和实践,学生可以掌握PLC的基本原理和编程技能,能够进行简单的自动化控制系
统设计和调试工作,具备一定的工程实践能力。
典型PLC应用技术复习要点 《典型应用技术》复习要点 第一章 概述 一、学习内容 1.产生与定义和分类 2.的结构和工作过程 3.的功能和特点 二、学习目的 1.掌握的定义、功能、分类特点和工作过程。 2.理解工作原理 三、自我测试 简述题 1.可编程序控制器主要由哪几个部分组成? 2按结构形式分? 3.可编程控制器的定义? 4.简述的工作过程(即扫描过程) 5.输入/输出单元作用?并举例? 6.世界上第一台可编程序控制器4是哪个国家 在1969年研制出来的。 四、参考答案: 简述题 1.由硬件系统和软件系统两大部分组成。 的硬件系统由中央处理单元()、存储器()、输入输出单元、电源等几部分组成。典型PLC应用技术复习要点 的软件系统由系统程序(又称系统软件)和用户程序(又称应用软件)两大部分组成。 2.(1)一体化紧凑型 :电源、中央处理系统、接口都集成在一个机壳内。如西门子S7-200系列。 (2)标准模块式结构化 :各种模块相互独立,并安装在固定的机架(导轨)上,构成一个完整的应用系统。如:西门子S7-300、S7-400系列。 3. 可编程控制器是一种数字运算操作的电子系统,专为在工业环境应用而设计的。它采用一类可编程的存储器,用于其内部存储程序,执行逻辑运算、顺序控制、定时、计数与算术操作等面向用户的指令,并通过数字或模拟式输入/输出控制各种类型的机械或生产过程。可编程控制器与其有关外部设备,都按易于与工业控制系统联成一个整体,易于扩充其功能的原则设计。” 4是采用周期循环扫描的工作方式,在一个扫描过程主要分为三个阶段: 1).输入采样扫描阶段:在这个阶段中,按顺序逐个采集所有输入端子上的信号,将所有采集到的一批输入信号写到输入映像寄存器中2).执行用户程序扫描阶段:在这个阶段中,对用户程序按顺序进行扫描。3).输出刷新扫描阶段:当对全部用户程序扫描结束后,将元件映像寄存器中各输出继电器的状态同时送到输出锁存器中,再由输出锁存器经输出端子去驱动各输出继电器所带的负载。在输出刷新阶段结束后,进入下一个扫描周期,重新执行输入采样,周而复始。 典型PLC应用技术复习要点 5.输入/输出单元:是与工业现场连接的接口。输入单元是用来接收和采集开关量输入信号(按钮、选择开关、光电开关、行程开关等)和模拟量输入信号(电位器、变速器信号等)。输出单元是用来连接工业现场被控对象中各种执行元件(接触器、电磁阀、指示灯、调节阀)。 6.美国
第二章 S7-300/400硬件与组态 一、学习内容 1.系统结构; 2. 模块; 3.信号模块; 4.电源模块; 5.接口模块; 6.其他模块 7.S7-300 的硬件组态
二、学习目的 1.掌握S7_300系统的结构级安装顺序 2.掌握模块的功能、接线方法、分类和应用范围 3.掌握硬件组态过程 典型PLC应用技术复习要点 三、自我测试 简述题 1.导轨的作用? 2.模块在0号机架的安装顺序?
37-300最多可安装多少个机架,每个机架上最多可以安装多少个信号模块? 4.电源模块用什么字母表示?电源模块的作用? 5作用? 67-300 有几种工作模式分别是什么?有什么作用? 77-300信号模块有什么作用? S7-300中如何分类? 8.信号模块用什么字母表示?输出点类型的有主要有? 四、参考答案:
简述题 1.导轨的作用:是安装S7-300模块的机架,S7-300的所有模块均直接用螺钉紧固在导轨上。S7-300用背板总线将除电源模块之外的各个模块连接起来 2.第1槽电源模块()、第2槽模块、第3槽接口模块()、,从第
4槽以后可放:信号模块()、功能模块()、通信模块()、仿真模块和占位模块。 3.可放0、1、2、3共4个机架,共可以放8个信号模块,最多典型PLC应用技术复习要点 可以放11个模块。 4.电源模块用表示 电源模块的作用:将交流120230V电压转换为24V直流工作电压,为S7-300的和24V直流负载电路提供电源 5模块作用:主要是执行用户程序。每一个控制系统必须模块,才能正常工作 6.4种。 :运行模式。在此模式下,执行用户程序,还可以通过编程设备读出、 监控用户程序,但不能修改用户程序。 :可编程运行模式。在此模式下,不仅可以执行用户程序,在运行的同时,还可以通过编程设备读出、修改、监控用户程序 :停机模式。在此模式下,不执行用户程序,但可以通过编程设备从中读出或修改用户程序。 :存储器复位模式。在此模式下可复位存储器,使回到初始状态 7.作用:用于信号输入或输出的模块,是模块与现场输入输出元件和设备连接的桥梁。 分为:数字量信号模块和模拟量信号模块 数字量信号模块:数字量输入模块();数字量输出模块();数字量输入/输出模块() 模拟量信号模块:模拟量输入模块();模拟量输出模块();模拟量输入/输出模块() 典型PLC应用技术复习要点 8.只要有就表示是信号模块。 输出点类型的有主要有:继电器;可控硅;晶体管
第三章 S7-300/400编程语言、数据类型和指令基础 一、学习内容 (一)7在编程与调试中的应用 1.7编程语言,数据类型 2.指令系统详解 3.寻址方式 (二)位逻辑指令 1.触点与线圈指令 2.置位与复位指令 3.边沿 检测指令触发器 (三)定时器与计数器指令 1.定时器的种类和存储区与定时器字的表示方法 2.脉冲定时器的用法 3.扩展脉冲定时器的用法 4.接通延时定时器的用法 5.保持型接通延时定时器的用法 6.断电延时定时器的用法 7.计数器的用法 典型PLC应用技术复习要点 (四)数据处理指令 1.装入与传送指令 2.比较指令 3.数据转换指令 4.移位指令 (五)其它指令 1.整数、浮点数数学运算指令 2.字逻辑运算指令 3.逻辑控制指令 4.程序控制指令 二、学习目的 (一)7在编程与调试中的应用 1.理解7编程语言与数据类型, 2.熟悉7指令系统。 3.掌握指令的实际应用技能。 (二)位逻辑指令 1.掌握位逻辑指令的书写方法 2.掌握各种位逻辑指令的用法 3.熟练应用位逻辑编程 (三)定时器与计数器指令 1.掌握5种定时器的用法和区别 2.掌握计数器的用法和区别 典型PLC应用技术复习要点 3.理解定时器和计数器的存储区 4.熟练应用定时器和计数器编程 (四)数据处理指令 1.掌握装入与传送指令的用法 2.能运用各种比较指令实现编程 3.掌握数据转换指令的用法 4.熟练应用数据处理指令编程 (五)其它指令 1.掌握各种数学运算指令的用法 2.可熟练应用移位指令编程 3.掌握逻辑控制指令的用法 4.理解字逻辑和程序控制指令
三、自我测试 简述题 (一) 1.的常用的编程语言有哪几种?表示符号是什么? 2.梯形图的组成? 3 7中的数据类型有几种? 4.基本数据类型有哪几种?最小的基本数据类型是什么? 5用户存储区中I、Q、M的名称是什么?它们有什么功能 典型PLC应用技术复习要点 6.什么是绝对地址寻址?常用的分别是什么? 70.0、0、0、0是什么?它们有何区别?0中哪位是最高位和最低位 (同类型题I10.0、10、10、10是什么?它们有何区别?Q0.0、0、0、0是什么?) 8(字)是16位( )符号数,(整数)是16位( )符号数。 (二) 1.位逻辑指令有哪些? 2.线圈指令、置位复位指令使用时需注意什么 3和指令作用相同吗? 4.根据I0.0的时序图,画出执行下面一段程序对应的Q0.0和Q0.1时序图
5. 说出下面程序执行实现什么功能,I1.0和I1.1是什么关系,I1.1和I1.3是什么关系。另外指出,在什么情况下Q1.0为1,什么情况下为0。 典型PLC应用技术复习要点 (三) 17-300中有几种定时器?分别是什么?其中哪种是下降沿启动定时器? 2.以脉冲定时器指令为例说明定时器指令各引脚作用
3.说出程序执行实现什么功能。指出Q4.0变化的状态,I0.0 ,I0.1有什么作用?
4. 说明通电延时定时器(线圈表现形式)作用? 5.并说明加减计数器指令各引脚含义
6. 下面程序可实现什么功能,线圈Q0.0在什么条件下输出为1 典型PLC应用技术复习要点 (四) 1. 比较指令的适用范围? 2.比较指令的比较类型?比较指令共有多少条? 3. 在什么条件下比较指令 , 输出为1
4.移位指令有哪些? 5. 字左移指令在执行一次移动是低位将?高位将?字右移指令呢? 6. 整数移位指令中有左移指令吗?整数右移指令空位用什么补? 7. 说出每段程序执行实现什么功能,I0.0和I0.1有什么作用。另外指出,I0.1按下4次后20的状态