质检特函〔2010〕85号 锅炉定型产品能效测试机构资源条件
- 格式:doc
- 大小:52.50 KB
- 文档页数:10
*************有限公司DZL2-1.0-AII锅炉能效测试方案江苏省特种设备安全监督检验研究院泰州分院泰兴所二O一四年八月为贯彻《特种设备安全监察条例》,执行《锅炉节能技术监督管理规程》和《电站锅炉性能试验规程》的规定,提高锅炉的能源利用效率,江苏奥喜埃化工有限公司委托江苏省特种设备安全监督检验研究院泰州分院泰兴所对需要评价的锅炉进行能效测试技术服务,并评价锅炉的能效等级。
一、测试依据1、《特种设备安全监察条例》2、《高能耗特种设备节能监督管理办法》3、TSG G002-2010《锅炉节能技术监督管理规程》;4、TSG G0003-2010《工业锅炉能效测试与评价》;5、GB/T10180-2003《工业锅炉热工性能规程》6、相关的国家、行业技术标准;7、锅炉的设计技术文件和图样。
二、锅炉基本特性1、主要工作参数额定蒸发量额定蒸汽温度给水温度锅炉排烟温度℃排污率 %空气预热器进风温度℃锅炉设计热效率 %2、设计燃料煤质分析资料:烟煤收到基低位发热量:~4140kcal/kg煤的入炉粒度要求:粒度范围0~10mm,50%切割粒径2mm三、测试组成员及职责现场数据测试及样品取样: 测试数据计算及编制报告: 报告审核: 报告审批: 四、 人员资质***:锅炉检验师,证号:********************,有效期:2017年12月能效测试资质,证号证号:***********4,有效期:2017年8月五、测试条件、测试设备与测试要求5.1测试条件(1)测试期间应使用同一品种和质量的燃料;(2)锅炉及辅机应处于安全、热工况稳定的正常运行状态。
锅炉热工况稳定是指锅炉出力和主要热力参数平均值已不随时间变化的状态。
5.3测试设备(1)烟气分析仪(t py 精度不低于±3℃、CO 精度不低于±5%); (2)红外线测温仪(精度不低于±1℃)。
5.3测试要求(1)火床燃烧、火室燃烧、流化床燃烧等锅炉的测试时间应不少于1h ; (2)烟气测试不少于5次,每次间隔不低于10min ;(3)对于排烟温度、排烟处过量空气系数、排烟处CO 含量、炉体外表面温度按测试数据取算术平均值作为计算数值。
国家质检总局特种设备局关于《锅炉安全技术监察规程》的实施意见正文:---------------------------------------------------------------------------------------------------------------------------------------------------- 国家质检总局特种设备局关于《锅炉安全技术监察规程》的实施意见(质检特函〔2013〕31号)各省、自治区、直辖市质量技术监督局,各有关单位:《锅炉安全技术监察规程》(TSG G0001-2012,以下简称新锅规)将于2013年6月1日起实施。
为做好与原《蒸汽锅炉安全技术监察规程》、《热水锅炉安全技术监察规程》、《有机热载体炉安全技术监察规程》以及《小型和常压热水锅炉安全监察规定》(以下简称原规程)的衔接工作,按时贯彻新锅规,现提出以下实施意见,请遵照执行:一、生产(一)过渡要求。
2013年6月1日前已签订制造合同或已按原规程投入制造和制造完工的锅炉,可以按照原规程的规定执行合同、继续制造及出厂安装。
2013年6月1日起,锅炉制造单位与用户签订合同时应当按照新锅规执行。
符合原规程的锅炉设计文件,在新锅规实施后需要继续用于制造时,制造单位应当对照新锅规的要求对设计文件进行必要的修改(属于6月1日前已签合同和继续完成制造的除外),并对照《锅炉设计文件鉴定管理规则》(TSG G1001-2004)第十八条的规定,对修改的设计文件需要进行设计文件鉴定的,应当重新进行设计文件鉴定。
但材料代用按照新锅规2.4执行,不需要重新进行设计文件鉴定。
除《锅炉设计文件节能审查办法(试行)》(质检特函〔2010〕66号附件2)第十九条第(二)款规定情况外,也不需重新进行节能审查和定型产品能效测试。
(二)T形接头的连接。
在执行新锅规3.7.2时,对于额定工作压力不大于2.5MPa的卧式内燃锅炉以及贯流式锅炉,其不受烟气直接冲刷的部位,不受“工作环境烟温小于或者等于600℃的受压元件连接”规定的限制。
锅炉能效测试设备锅炉能效(节能)测试设备是特种综合检验机构对锅炉能效(节能)使用的监管监测设备.对申请锅炉定型产品和在用产品能效检测设备的功能和精度要求,所需的能效测试设备,具体设备清单如下:1.烟气测量(1)便携式烟气分析仪2台套,测量O2、RO2的仪表精度不低于1.0级,测量CO的仪表精度不低于5.0级;(2)烟气成分采集分析系统1台套;线性输出不低于±1%;重复性不低于±1%FS;检出限0.1ppm(需采用网格法布置测点的大型锅炉能效测试必备设备)。
2.温度测量(1)温度采集系统(多点温度采集)1台套,测量最高温度800℃,精度不低于0.5级;(2)铂电阻温度计(测量介质温度)2台套,测温范围: -200至400℃,精度不低于0.5级;(3)高温热电偶(测量炉膛温度)1台套,测量最高温度1300℃,精度不低于0.5级;(4)红外线测温仪(测量表面温度)2台套,测温范围:-30至300℃,精度不低于±5%;(5)表面温度计(测量表面温度)1台套,测量最高温度300℃,精度不低于1级;(6)数字温湿度计(测量大气温度、湿度)1台,精度不低于1.5级。
3.压力测量(1)数字压力计(测量烟风压力)2台套,精度不低于1级;(2)压力表(测量介质压力)2台套,测量最高压力6.0MPa,精度不低于1.6级;(3)大气压力表(测量大气压力)1台套,精度不低于1级。
4.流量测量(1)超声波流量计(测量介质流量)2台套,精度不低于1.5级;(2)涡轮流量计(测温介质流量)1台套,精度不低于0.5级;(3)电磁流量计(测温介质流量)1台套,精度不低于0.5级;(4)热流计1台套,精度不低于±3%;。
5.锅炉介质取样分析(1)钠度计(测量含盐量)1台套,精度不低于±0.05%;(2)电导率仪(测量电导率)1台套,精度不低于±0.05%;(3)蒸汽/锅水取样器1台。
水泥制造能效测试技术规程(征求意见稿)2013年6月《水泥制造能效测试技术规程》编写组引言根据中国建筑材料联合会的要求,由天津水泥工业设计研究院有限公司、中材装备集团有限公司为主编单位,会同有关单位共同编制本技术规程。
在编制过程中,编制组进行了广泛深入的调查研究,认真总结和吸收了目前国内水泥行业和其他行业的成果和经验,以我国现行相关标准为依据,结合我国节能检测工作的现状和特点,在广泛征求意见的基础上,制定了本技术规程。
本技术规程的主要内容是:范围,规范性引用文件,测试范围,测试条件,技术要求,测试报告和附录。
本技术规程由天津水泥工业设计研究院有限公司、中材装备集团有限公司、合肥水泥研究设计院、中材节能发展股份有限公司负责技术内容的解释。
目录1范围 (4)2 规范性引用文件 (4)3测试范围 (4)4 测试条件 (5)5技术要求 (5)5.1熟料烧成系统能效测试 (5)5.2粉磨系统能效测试 (7)5.3余热发电系统能效测试 (9)5.4原燃料预处理系统能效测试 (11)5.5辅助生产系统能效测试 (12)6测试报告 (12)6.1对外出具测试报告的要求 (12)6.2测试报告内容 (12)附录A (14)附录B (15)附录C (17)附录D (19)附录E (21)水泥制造能效测试技术规程1范围本规程规定了水泥制造过程能效测试的范围、规范性引用文件、测试范围、测试条件、技术要求、测试报告。
本规程适用于通用硅酸盐水泥及熟料制造的能效测试与计算。
2 规范性引用文件下列文件对于本文件的应用是必不可少的。
凡是注日期的引用文件,仅所注日期的版本适用于本文件。
凡是不注日期的引用文件,其最新版本(包括所有的修改单)适用于本文件。
GB 175-2007 通用硅酸盐水泥GB/T 176 水泥化学分析方法GB/T 212 煤的工业分析方法GB/T 1345 水泥细度检验方法筛析法GB/T 2565 煤的可磨性指数测定方法(哈德格罗夫法)GB/T 8074 水泥比表面积测定方法(勃氏法)GB16780 水泥单位产品能耗消耗限额GB/T 17671 水泥胶砂强度检验方法(ISO法)GB/T 21372 硅酸盐水泥熟料GB/T 23331 能源管理体系要求GB/T 24851-2010 建筑材料行业能源计量器具配备和管理要求GB/T 26281-2010水泥回转窑热平衡、热效率、综合能耗计算方法GB/T 26282 水泥回转窑热平衡测定方法GB/T 26567-2011水泥原料易磨性试验方法(邦德法)GB/T 27977-2011 水泥生产电能能效测试及计算方法GB 50123 土工试验方法标准GB 50588-2010 水泥工厂余热发电设计规范JC/T 543 烘干机热工测量方法与计算3测试范围测试范围见图1:图1 水泥制造能效测试范围4 测试条件水泥制造过程能效测试应满足以下条件:4.1生产企业根据GB/T 23331的要求建立能源管理体系,同时按照GB/T 24851-2010的要求配备计量器具,并在能效测试前经过校验和校准,并备有记录。
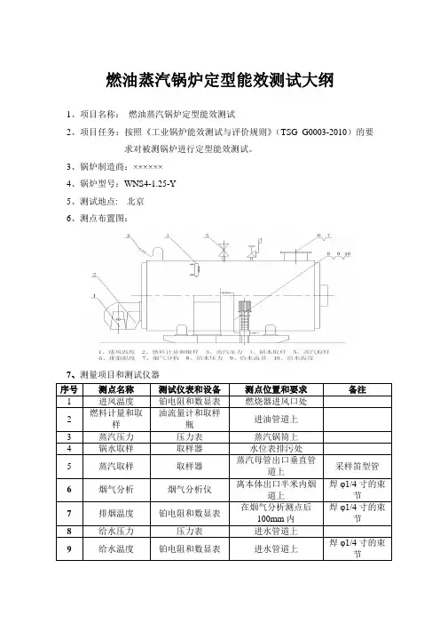
燃油蒸汽锅炉定型能效测试大纲1、项目名称:燃油蒸汽锅炉定型能效测试2、项目任务:按照《工业锅炉能效测试与评价规则》(TSG G0003-2010)的要求对被测锅炉进行定型能效测试。
3、锅炉制造商:××××××4、锅炉型号:WNS4-1.25-Y5、测试地点: 北京6、测点布置图:7、测量项目和测试仪器8、测试要求(1)有关参数A. 锅炉出力波动范围:在±10%的范围内;B. 蒸汽压力:控制在大于1.125 MPa。
(2)试验期间锅炉运行要求A. 不得排污,安全阀不得起跳,不得有泄漏现象;B. 在试验结束时,锅炉燃烧工况、燃料供应量、给水流量、锅筒水位、过量空气系数、蒸汽压力应与试验开始时一致;C.锅炉应在试验前达到标准规定的稳定时间;D.测量项目记录时间:主要参数每15分钟测量一次。
9、测试人员安排10、试验前期工作(1)双方(测试单位和锅炉制造商)协商试验的前期准备工作。
包括测点的开设,试验前的调试,试验日期的确定;(2)参加试验人员熟悉试验大纲。
11、预备性试验如有必要,可进行一个预备性试验,在进行预备性试验前应对锅炉及辅机自控设备进行检查,确认一切正常,满足试验能正常进行;对所有测试仪表进行检查,确定其能正常可靠工作;同时确定试验燃料符合设计要求。
在一切测试条件具备后方可进行预备性试验。
预备性试验是在锅炉调试完毕后并在锅炉运行稳定1h后进行,其测试内容和所有测试要求同正式试验一样。
预备性试验目的是考核试验仪表设备,锅炉运行系统能否满足试验要求。
如预备性试验顺利,能满足正式试验全部要求,经双方认可,可作为一次正式工况的试验。
12、正式试验在预备性试验完成后,确定一切正常,再进行正式试验。
13、试验结束后的检查工作应对锅炉(包括控制设备辅机)测试仪器仪表进行检查,确认其在正常工作,并应作相应的记录,如发现问题,应提出补救措施,必要时,重新测试。
锅炉能效测试的声明单
根据TSG G0002-2010《锅炉节能技术监督管理规程》第三章规定:锅炉制造单位应当保证锅炉产品能效达到规定指标要求,不得制造国家产业政策明令淘汰的锅炉产品。
锅炉制造单位应当向使用单位提供锅炉产品能效测试报告(工业锅炉产品按照TSG G0003《工业锅炉能效测试与评价规则》中定型产品热效率方法进行热效率测试)。
根据《质检特函【2012】39号》文件规定:根据测试工作开展的实际情况和测试结果汇总分析提出以下意见,1.某一型号锅炉通过测试后,对于与其制造单位相同、燃料及燃烧方式相同、结构形式相同、结构形式相同,而主要参数发生下述变化的其他锅炉型号,在企业向监检机构和使用单位提供自我声明,保证锅炉热效率和其他主要参数符合规范标准和设计要求的情况下,可以免除定型能效测试。
(1)额定蒸发量或额定热功率降低50%以内(含);
(2)蒸汽锅炉额定蒸汽压力降低。
热水锅炉和有机热载体锅炉额定工作压力变化(含升高或降低);
(3)热水锅炉额定出水温度和有机热载体锅炉额定出口温度降低。
我公司已于2012年2月17日对xxxx型锅炉进行了定型产品能效测试,实测锅炉出力满足设计要求(详见测试报告),锅炉热效率(87.83%)、排烟温度(168.75℃)及锅炉排烟处过量空气系数(1.30)等参数均符合《锅炉节能技术监督管理规程》的要求。
我公司制造的xxx型锅炉与xxxx型锅炉相比较,燃料及燃烧方式相同、结构形式相同、且此锅炉的其他性能参数均符合规范标准和设计要求。
根据上述文件,
xxx型锅炉定型产品能效测试可以覆盖此型号的锅炉,免除此台锅炉的定型产品能效测试。
特此声明
xxx公司
2020年10月11日。
燃生物质成型燃料工业锅炉能效指标确定摘要:地方标准《燃生物质成型燃料工业锅炉能效限定值》的颁布,将加强福建省生物质能源的合理利用,避免不达标锅炉的投入使用。
阐述了标准制定的依据及原则,对标准的适应范围进行了界定,文中详细阐述了标准中关键技术参数的确定,证实所采用的百分位数统计算法对确定指标参数是有效的。
引言目前,我国已规定燃煤手烧炉需停止生产,以生物质锅炉作为替代产品,以节约不可再生化石燃料的消耗。
《锅炉节能技术监督管理规程》(TSG G0002-2010)附件A规定了燃煤、燃油、燃气锅炉的热效率指标,锅炉定型产品的热效率依据《工业锅炉能效测试与评价规则》(TSG G0003-2010)开展测试后,以附件A规定的值加以判断热效率情况。
而规程同时规定了对附件A未涵盖的锅炉,定型测试热效率结果应当不低于设计值的要求,这就导致出现定型产品的热效率,以生产企业自行规定为准,从而导致不节能产品流入市场,不利于节能产品的开发,而在用工业锅炉定期能效测试结果的判断也无依据来源。
由于燃生物质锅炉测试过程中无标准可依,因此给测试机构的测试工作造成了困难,同时被测试单位也无法获得客观的测试数据。
为了避免生物质锅炉性能水平参差不齐,防止能源浪费,提高生物质燃料的有效利用,因此有必要制定生物质锅炉能效限定值标准,来规范生物质锅炉的整体性能,加强福建省生物质能源的合理利用,使该新型能源的优势得到了充分发挥,从而促进了“节能减排”工作的开展,响应了国家“节能减排”的方针政策。
1标准制定的依据与原则标准目录章节及相关条文内容参照有关锅炉节能、能效指标等国家法规、标准编写,如《工业锅炉能效限定值及能效等级》(GB 24500-2009)、《锅炉节能技术监督管理规程》(TSG G0002-2010)等。
标准中生物质燃料的有关规定采用了福建省地方标准《工业锅炉用生物质成型燃料》(DB44/T 1052-2012)的内容,使之相互对应;标准应充分考虑福建省生物质能源的特征,制定出符合福建省省情的能效标准,使标准具有科学性、先进性和可操作性,真正起到合力利用生物质能源的目的。
TSG特种设备安全技术规范TSG G0003-2010 工业锅炉能效测试方法Energy Efficiency Test Method for Industrial Boiler(征求意见稿)中华人民共和国国家质量技术监督检验检疫总局颁布2010年X月XX日特种设备安全技术规范 TSG G0003-2010-2-目录1 总则 (1)2 测试的基本要求 (5)3 锅炉新产品热效率测试 (6)4 锅炉运行工况热效率详细测试 (16)5 锅炉运行工况热效率简单测试 (17)6 锅炉系统运行能效测试与评价 (20)7 锅炉能效测试报告 (25)8 附则 (26)附件A 主要符号和单位 (29)附件B 测试数据综合表 (33)附件C 煤和煤粉的取样和制备 (48)附件D 奥氏体分析仪吸收剂配制方法 (49)附件E 散热损失 (50)附件F 网格法等截面的划分原则及代表点的确定 (51)附件G 饱和蒸汽湿度和过热蒸汽含盐量的测定方法 (55)附件H 烟气、灰和空气的平均定压比热容 (59)附件J 常用气体的有关量值 (60)附件K 锅炉设计数据综合表 (61)特种设备安全技术规范 TSG G0003-2010工业锅炉能效测试方法1 总则1.1 目的为了规范工业锅炉产品热工性能、工业锅炉及其系统运行能效测试与评价工作,特制定本方法。
1.2 适用范围本方法适用于符合以下条件的固定式工业锅炉及其系统的能效测试:(1)工作压力小于3.8MPa的蒸汽锅炉与热水锅炉;(2)有机热载体锅炉;(3)使用固体燃料、液体燃料或者气体燃料的锅炉、电加热锅炉。
1.3 能效测试的方式与目的1.3.1 新产品热效率测试新产品热效率测试是指新设计并且制造的工业锅炉产品,在批量生产前,接受能效测试机构进行的锅炉产品热效率测试。
能效测试机构根据锅炉产品的设计出力范围,选择包括额定工况、最低出力工况在内的不同工况进行热效率测试,以确定锅炉新产品的热工性能与能效水平,并且验证与锅炉设计热效率曲线的符合性。
国家质量监督检验检疫总局关于开展锅炉设计文件节能审查试点工作的通知正文:---------------------------------------------------------------------------------------------------------------------------------------------------- 国家质量监督检验检疫总局关于开展锅炉设计文件节能审查试点工作的通知(质检特函〔2010〕66号)北京市、河北省、辽宁省、上海市、江苏省、浙江省、江西省、山东省、湖北省、广东省、甘肃省质量技术监督局,有关锅炉设计文件鉴定机构:根据《特种设备安全监察条例》和《高耗能特种设备节能监督管理办法》的有关规定,按照《关于做好2010年高耗能特种设备节能工作的实施意见》(质检特函〔2010〕19号)的部署,我局选取北京、辽宁、河北、上海、江苏、浙江、山东、江西、甘肃、湖北、广东等省市的11家锅炉设计文件鉴定机构(名单见附件一)开展锅炉设计文件节能审查试点工作。
试点工作按照《锅炉设计文件节能审查办法(试行)》(以下简称《办法》,见附件二)的规定进行。
各参加试点的鉴定机构(以下简称试点机构)要高度重视、认真开展本次试点工作,请相关省市质量技术监督部门做好督促指导。
试点机构应当在2010年11月底前选取至少两家锅炉生产单位进行试点工作,对每家生产单位审查1至2套锅炉设计文件。
各试点机构应当在2010年11月30日前向我局节能处上报下述文件:1、锅炉设计文件节能审查试点工作总结报告;2、对《办法》的修改意见;3、对审查的每套图纸,按照《办法》附表1~5的要求提供相关资料。
试点机构应当同时将上述文件电子版本发送到中国特种设备检测研究院节能研究测试中心,邮箱地址:**********************。
对试点工作中的有关情况和问题,请及时告知我局。
附件:1. 参加锅炉设计文件节能审查试点机构名单2.锅炉设计文件节能审查办法(试行)二〇一〇年十月十四日附件1:参加锅炉设计文件节能审查试点机构名单序号试点机构名称1上海市特种设备监督检验技术研究院2河北省特种设备学会3江苏省特种设备安全监督检验研究院4江西省锅炉压力容器检验检测研究院5浙江省特种设备检验研究院6甘肃省锅炉压力容器检验研究中心7广东省特种设备检测院8辽宁省安全科学研究院9山东省特种设备检验研究院10湖北省特种设备安全检验检测研究院11北京市特种设备检测中心附件2:锅炉设计文件节能审查办法(试行)第一章总则第一条为了加强锅炉节能监督管理工作,促进锅炉安全性与经济性的统一,根据《特种设备安全监察条例》(以下简称《条例》)和《锅炉节能技术监督管理规程》(以下简称《规程》),制定本办法。
质检特函〔2010〕85号关于贯彻执行《锅炉节能技术监督管理规程》和《工业锅炉能效测试与评价规则》的有关意见各省、自治区、直辖市及计划单列市、副省级城市、新疆生产建设兵团质量技术监督局:国家质检总局2010年8月30日颁布了《锅炉节能技术监督管理规程》(以下简称《锅炉节能规程》)和《工业锅炉能效测试与评价规则》(以下简称《锅炉测试与评价规则》)两个节能技术规范,并将于2010年12月1日起实施。
为贯彻执行好上述两个节能技术规范,现提出以下意见,请遵照执行。
一、加强对规范的学习、宣贯工作,切实落实锅炉生产、使用单位主体责任(一)对锅炉生产单位的要求。
1.应当组织承担锅炉设计、制造工作的人员认真学习节能技术规范。
2. 对已经通过锅炉设计文件鉴定的锅炉设计文件,应当按照《锅炉节能规程》的要求,及时增加相应的节能设计内容,采取有效措施保证出厂的锅炉产品能效达到规定能效指标要求。
3.应当按照《锅炉节能规程》的要求向使用单位提交锅炉产品能效测试报告。
有条件的单位应当尽量在出厂前完成锅炉能效测试;需要在现场进行能效测试的,应当在规定的时间内进行测试,并将测试时间安排告知办理使用登记的质量技术监督部门。
(二)对锅炉使用单位的要求。
1.应当组织锅炉运行管理人员和操作人员认真学习节能技术规范。
2.应当按照《锅炉节能规程》的要求,建立健全并实施锅炉及其系统节能管理的相关制度。
3.应当按规定对锅炉及其系统的能效情况进行日常检查和监测,及时掌握锅炉能效变化情况。
对锅炉及其系统配置仪表未达到《锅炉节能规程》要求的,应当尽快配置齐全。
4.应当结合本单位情况,及时安排在用锅炉定期能效测试。
对能效不符合《锅炉节能规程》的锅炉,应当分析原因改进使用管理,必要时应实施节能改造。
二、加强高耗能特种设备节能监管机构和能效测试机构能力建设高耗能特种设备节能监管是特种设备安全监察机构新增的一项重要职责,各地质监部门要高度重视,切实加强对高耗能特种设备节能监管机构和能效测试机构的能力建设,为实现高耗能特种设备节能的有效监管提供保障。
(一)提供必要的人员保障。
为了在做好特种设备安全监察工作的基础上对高耗能特种设备实现有效的节能监管,各级质量技术监督部门应当根据实际情况加强监管力量,特别是要提供必要的人员保障。
(二)提升锅炉能效测试工作机构技术服务能力。
相关锅炉能效测试工作机构要加强测试人员培训,配备必要的锅炉能效测试设备、装置,有效提升锅炉能效测试机构人员的技术水平和测试装备条件。
(三)规范锅炉能效测试工作。
总局将建立锅炉能效测试服务平台,逐步统一测试工作方法、标准、报告格式等内容。
三、关于执行规范的有关问题(一)关于锅炉设计文件节能审查。
1.2010年12月1日以后提交鉴定的锅炉设计文件,应当符合《锅炉节能规程》的相关要求。
锅炉设计文件鉴定机构(以下简称鉴定机构)对锅炉设计文件进行鉴定时,应当增加节能审查的内容。
2.对于《锅炉节能规程》实施之前已经通过鉴定的锅炉设计文件,锅炉制造单位应当按照《锅炉节能规程》的要求在原锅炉设计文件中增加锅炉节能设计的内容。
锅炉制造单位应当根据本企业生产情况,提前向原鉴定机构或备案机构提出增补锅炉设计文件节能审查申请,以便鉴定机构及时安排审查工作;鉴定机构应当在规定时限内完成锅炉设计文件的节能审查工作。
3.2011年5月1日以后,未通过节能审查的锅炉设计文件不得投入制造。
(二)关于锅炉能效测试工作。
1.锅炉能效测试机构。
按照总局对高耗能特种设备安全监察与节能监管相结合的工作要求,《锅炉节能规程》中已经确立了锅炉定型测试与锅炉产品安全质量监督检验紧密结合的工作机制,为保证测试工作的公正性以及顺利开展,锅炉定型产品能效测试工作由特种设备检验检测机构承担。
在用锅炉定期能效测试工作,可由社会的或行业的专业能效测试机构承担。
2.锅炉定型产品能效测试机构。
本着相对集中、避免重复建设的原则,锅炉定型产品能效测试工作主要由国家级和省级、副省级城市以及具有一定产业优势的地区和能力较强的特种设备检验检测机构承担。
申请锅炉定型产品能效测试的机构应当按照《锅炉定型产品能效测试机构资源条件》(见附件)规定的条件和要求,向总局特种设备局提出申请,由国家质检总局确定并予以公布。
业务分工如下:(1)对额定蒸发量大于等于35吨每小时(t/h)的蒸汽锅炉和额定热功率大于等于46兆瓦(MW)的热水锅炉,其定型产品能效测试暂由中国特种设备检测研究院承担。
(2)对其他锅炉的定型产品能效测试,由总局确定的特种设备检验检测机构(另行公布)承担。
3.在用锅炉定期能效测试机构。
申请在用锅炉定期能效测试的机构,应当按照《关于加强特种设备检验检测机构工业锅炉能效测试服务能力建设的通知》(质检特函〔2009〕93号)规定的条件和要求,向总局特种设备局提出申请,由国家质检总局确定并予以公布。
12月1日以后,未经国家质检总局确定的能效测试机构,其锅炉能效测试结果不能作为符合《锅炉节能规程》要求的测试结果。
4.关于余热锅炉能效测试对新生产和在用余热锅炉能效测试工作,待相关余热锅炉能效测试标准公布后,按标准进行测试。
5.测试工作要求。
各能效测试机构在开展锅炉能效测试工作中,应当加强与锅炉生产单位和使用单位联系,积极宣传锅炉能效测试的有关规定,规范有效地开展能效测试工作。
经测试,能效指标不符合《锅炉节能规程》要求或设计要求的各类锅炉,锅炉生产单位和使用单位应当认真分析原因,及时采取措施进行整改和提高。
6.在用工业锅炉定期能效测试工作安排原则鉴于在用工业锅炉数量较多,定期能效测试工作量较大,测试工作应当有序进行,对以下锅炉应予优先安排:(1)节能空间较大的燃煤工业锅炉;(2)2000年以前投用的各类工业锅炉;(3)2008年以后未按照总局或省级局对高耗能特种设备节能监管工作部署和要求进行过能效测试的各类锅炉;各地可按照上述原则,结合本省实际情况,对在用锅炉的能效测试工作进行统筹安排。
高耗能特种设备节能监管工作任务艰巨,使命光荣,对实现我国经济社会节约发展和可持续发展具有十分重要的意义。
各地质监部门应当高度重视,督促节能技术规范的顺利实施,同时要积极争取当地政府的支持,加强与有关部门的协调、合作,不断推动高耗能特种设备节能监管工作深入有效地开展。
附件:锅炉定型产品能效测试机构资源条件附件:锅炉定型产品能效测试机构资源条件一、基本条件(一)应具有独立法人资格,并在当地政府相关部门注册登记;(二)具有健全的内部管理规章制度,具备为锅炉能效测试提供科学、客观、准确数据和高效服务的质量保证体系;(三)取得国家或省级计量认证并覆盖锅炉能效测试项目,计量认证证书在有效期内;(四)有专门的内设部门负责锅炉能效测试工作;(五)具有熟悉特种设备节能法律、法规及相关技术标准规范的人员,具备锅炉能效测试需要的相关仪器设备;(六)能够独立开展锅炉能效测试工作,出具测试报告,并能够对测试结果进行分析,提出相应改进建议。
二、人员和设备条件(一)测试人员从事测试的专业人员不少于8人,其中人员职称、专业要求如下:1.锅炉(热能工程)专业高级工程师以上(含高级工程师)资格的人员2人,锅炉(热能工程)本科(中级技术职称)技术人员2人;2.锅炉(热能工程)专业人员不得少于4人,环境或化学分析专业不得少于2人;3.测试负责人能对锅炉运行状况、仪器设备、测试方法、测试环境和人员对检测结果的影响进行评定,能对测试数据进行分析处理。
(二)测试仪器设备1.烟气测量(1)便携式烟气分析仪2台套,测量O2、RO2的仪表精度不低于1.0级,测量CO的仪表精度不低于5.0级;(2)烟气成分采集分析系统1台套;线性输出不低于±1%;重复性不低于±1%FS;检出限0.1ppm(需采用网格法布置测点的大型锅炉能效测试必备设备)。
2.温度测量(1)温度采集系统(多点温度采集)1台套,测量最高温度800℃,精度不低于0.5级;(2)铂电阻温度计(测量介质温度)2台套,测温范围:-200至400℃,精度不低于0.5级;(3)高温热电偶(测量炉膛温度)1台套,测量最高温度1300℃,精度不低于0.5级;(4)红外线测温仪(测量表面温度)2台套,测温范围:-30至300℃,精度不低于±5%;(5)表面温度计(测量表面温度)1台套,测量最高温度300℃,精度不低于1级;(6)数字温湿度计(测量大气温度、湿度)1台,精度不低于1.5级。
3.压力测量(1)数字压力计(测量烟风压力)2台套,精度不低于1级;(2)压力表(测量介质压力)2台套,测量最高压力6.0MPa,精度不低于1.6级;(3)大气压力表(测量大气压力)1台套,精度不低于1级。
4.流量测量(1)超声波流量计(测量介质流量)2台套,精度不低于1.5级;(2)涡轮流量计(测温介质流量)1台套,精度不低于0.5级;(3)电磁流量计(测温介质流量)1台套,精度不低于0.5级;(4)热流计1台套,精度不低于±3%;。
5.锅炉介质取样分析(1)钠度计(测量含盐量)1台套,精度不低于±0.05%;(2)电导率仪(测量电导率)1台套,精度不低于±0.05%;(3)蒸汽/锅水取样器1台。
6.燃料及灰渣取样分析(1)煤质元素分析(C、H、O、N、S)、工业分析(、W、A、V)及发热量、灰渣可燃物含量分析装置1台套;(2)固体燃料制样装置1套;(3)煤粉细度分析装置1台套(煤粉锅炉能效测试必备设备);(4)煤粉取样器1台套(煤粉锅炉能效测试必备设备)。
7.其他(1)电能表(测量电能耗量)1台套,精度不低于0.5级;(2)衡器(煤量称重)1台,精度不低于0.5级;(3)飞灰取样器(烟尘取样)2台套。