全桥变换器报告
- 格式:docx
- 大小:951.03 KB
- 文档页数:30
《基于LLC谐振的双向全桥DC-DC变换器的研究》篇一一、引言随着电力电子技术的快速发展,DC-DC变换器在电力系统中扮演着越来越重要的角色。
其中,基于LLC(L-C-C)谐振的双向全桥DC-DC变换器因其高效率、低电压电流应力、软开关等优点,在新能源汽车、可再生能源系统、储能系统等领域得到了广泛应用。
本文旨在研究基于LLC谐振的双向全桥DC-DC变换器的工作原理、设计方法及性能分析。
二、LLC谐振的基本原理LLC谐振变换器是一种采用电感(L)、电容(C)和电容(C)谐振的DC-DC变换器。
其基本原理是利用谐振电路中的电感和电容进行能量传递,通过调节谐振频率和输入电压来实现输出电压的稳定。
在LLC谐振变换器中,全桥电路用于实现能量的双向传递。
三、双向全桥DC-DC变换器的设计3.1 拓扑结构双向全桥DC-DC变换器主要由两个全桥电路、谐振电感、谐振电容以及整流电路等部分组成。
其中,两个全桥电路分别负责能量的输入和输出,通过控制开关管的通断来实现能量的传递。
3.2 设计步骤设计双向全桥DC-DC变换器时,首先需要根据应用需求确定输入输出电压范围、功率等级等参数。
然后,根据参数选择合适的电感、电容等元件,并确定谐振频率。
接着,设计全桥电路的开关管和控制策略,以保证能量的高效传递。
最后,进行仿真和实验验证,对设计进行优化。
四、性能分析4.1 效率分析LLC谐振的双向全桥DC-DC变换器具有高效率的特点。
在谐振状态下,开关管的电压电流应力较低,损耗较小。
此外,软开关技术进一步降低了开关损耗,提高了整体效率。
4.2 稳定性分析该变换器具有较好的输入输出电压稳定性。
通过调节谐振频率和输入电压,可以实现输出电压的快速调整和稳定。
此外,双向全桥电路的设计使得能量可以在两个方向传递,提高了系统的灵活性和可靠性。
五、实验验证及结果分析为了验证基于LLC谐振的双向全桥DC-DC变换器的性能,我们搭建了实验平台并进行了一系列实验。
实验四 全桥DC/DC 变换电路实验一、实验目的了解全桥DC-DC 变换的工作原理。
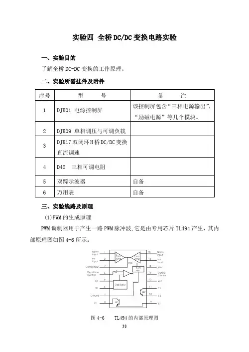
二、实验所需挂件及附件三、实验线路及原理 (1)PWM 的生成原理PWM 调制器用于产生一路PWM 脉冲波,它是由专用芯片TL494产生,其内部原理图如图4-6所示:图4-6 TL494的内部原理图在本实验中,PWM调制器线路如图4-7所示:图4-7 PWM波形发生器外围接线图上图中只利用了TL494的一组输出脉冲。
只要控制TL494的输入端即“1”脚输入一电平,即可以在输出端“8”脚得到占空比可调的PWM脉冲,其脉冲的频率为5.7KHz。
(2)H桥逆变电路结构原理H桥DC/DC逆变电路的结构如图4-8所示。
图4-8 H桥DC/DC变换系统实验图本实验系统的主电路采用单极性PWM控制方式,其中主电路由四个IGBT 管构成H桥,G1~G4分别由PWM产生电路产生后经过驱动电路放大,再送到IGBT相应的栅极,用以控制IGBT管的通断。
单极性的控制方式是这样进行控制的:在图4-8中,左边两个管子的驱动脉冲U G1=-U G2,使VT1和VT2交替导通;而右边两管VT3、VT4因电机的转向施加不同的直流控制信号。
在输出正电压时,V G4恒为正,V G3恒为负,使VT3常通,VT4截止;在输出负电压时,VT3截止而VT4常通。
四个快恢复二极管VD1~VD4用于逆变电路的续流。
四、实验内容TL494及驱动电路触发脉冲的观测。
五、思考题(1)在驱动脉冲形成过程中,为什么要加逻辑延时(死区),延时过长会影响那些指标?(2)H桥变换器的单极式工作模式与双极式工作模式相比有哪些特点?六、实验方法(1)输出正负电压时H桥开关器件控制波形的观测:按系统原理图4-8连接线路。
此时测速发电机输出暂不接入控制系统中。
电流反馈量电位器调至零,使系统处于开环状态。
接通直流电源Us。
用示波器观测TL494输出的PWM脉冲,通过调节给定电压调节电位器,使输出脉冲占空比为 =100%,用万用表测量此时的U c=U cmax,并记录之。
《基于LLC谐振的双向全桥DC-DC变换器的研究》篇一一、引言随着电动汽车、可再生能源等领域的快速发展,DC-DC变换器作为电源系统中的关键设备,其性能的优劣直接影响到整个系统的效率与稳定性。
近年来,基于LLC(Lamp Lade & Capacitor)谐振的双向全桥DC-DC变换器因其在宽输入电压范围、高转换效率和低电磁干扰(EMI)等方面的优异表现,逐渐成为研究热点。
本文将详细探讨这一类变换器的工作原理、设计方法以及应用前景。
二、LLC谐振的双向全桥DC-DC变换器的工作原理LLC谐振的双向全桥DC-DC变换器是一种新型的电力电子变换器,其工作原理基于谐振现象。
在电路中,通过控制开关管的通断,使电路中的电感、电容和开关管等元件产生谐振,从而实现能量的高效传输。
与传统的DC-DC变换器相比,LLC谐振的双向全桥DC-DC变换器具有更高的转换效率和更低的电磁干扰。
该变换器由两个全桥电路组成,每个全桥电路包含四个开关管。
通过控制开关管的通断,可以实现能量的双向流动。
在正向传输过程中,输入侧的全桥电路将直流电转换为高频交流电,经过LLC谐振网络后,再由输出侧的全桥电路整流为直流电输出。
在反向传输过程中,则相反。
三、设计方法设计LLC谐振的双向全桥DC-DC变换器时,需要考虑多个因素,如输入电压范围、输出电压要求、转换效率等。
设计过程中主要包括以下几个步骤:1. 确定电路拓扑结构:根据应用需求选择合适的电路拓扑结构,如全桥电路、半桥电路等。
2. 确定谐振元件参数:包括谐振电感、谐振电容和谐振频率等参数的设计与选择。
3. 控制策略设计:根据应用需求设计合适的控制策略,如PWM控制、SPWM控制等。
4. 仿真验证:通过仿真软件对电路进行仿真验证,确保设计的合理性和可行性。
四、应用前景LLC谐振的双向全桥DC-DC变换器在多个领域具有广泛的应用前景。
首先,在电动汽车领域,该变换器可用于电池管理系统,实现电池的充放电管理以及能量回收等功能。
题目:直流/交流全桥逆变器电路仿真实验报告院系:电气与电子工程学院专业:电气工程及其自动化姓名:***学号:**********一、电路原理图及工作原理:图单相全桥逆变电路主电路及升压结构图如上图所示,单相全桥逆变电路主电路主要有四个桥臂,可以看成由两个半桥电路组合而成。
其中桥臂1、4为一对,桥臂2、3为一对。
每个桥臂有一个可控器件MOSFET以及一个反并联的二极管组成。
在直流侧接有足够大的电容,负载接在桥臂之间。
它的具体工作过程如下:舍最初时刻t1时,给MOSFET Q1、Q4触发信号,使其导通。
则电流流过桥臂1,负载。
桥臂4构成一个导通回路。
当t2时刻时,给Q2、Q3触发信号,给Q1、Q4关断信号。
但由于负载电感较大,通过它的电流不能突变,所以二极管D2,D3导通进行续流。
当电流逐渐减小为0,桥臂1、4关断,桥臂2、3导通,构成一个回路,从而实现换流。
二、仿真电路图设计:由mat lab软件中有相关的直流/交流半桥逆变器仿真电路可直接运用得。
相关仿真电路图如下:三、根据电路中的原参数设定得到仿真结果:产生的相应波形如下:四、对波形进行分析:1.该图为输出侧电流波形:由于脉冲信号调制增大了调节频率使得输出的电流更接近正弦波。
但由于晶闸管更替导通时会有时间的延迟,所以会出现电流与电压有一定的相位差。
所以得上面的波形图。
2.该波为输出侧电压波形:有PWM控制方式即信号波的正弦波与载波的锯齿波信号的两侧交点确定输出侧电压的宽度且高度是一致的。
其原理为面积的等效原理。
所以得到输出电压如上图。
全桥DC-DC变换电路是一种常用的电力电子器件,在各种电子设备和电路中都有广泛的应用。
在本次实验中,我们针对全桥DC-DC变换电路进行了系统性的设计、搭建和测试,并对实验结果进行了分析和总结。
以下是本次实验报告的总结:一、实验目的1. 了解全桥DC-DC变换电路的基本工作原理和结构特点;2. 掌握全桥DC-DC变换电路的设计方法和关键参数选取;3. 进行实际电路搭建和性能测试,验证理论设计的准确性和可靠性。
二、实验内容1. 理论分析全桥DC-DC变换电路的工作原理和传统电压变换技术;2. 根据设计要求和指标,选择合适的电子元器件和参数;3. 按照设计要求,搭建全桥DC-DC变换电路实验评台,并进行性能测试;4. 对实验结果进行数据采集和分析,验证设计的正确性和稳定性。
三、实验步骤1. 理论分析:首先对全桥DC-DC变换电路的工作原理和传统电压变换技术进行了深入分析,以便更好地指导实验设计和搭建;2. 设计选型:根据设计要求和指标,选取了合适的电子元器件和参数,并进行了详细的设计计算和仿真分析;3. 电路搭建:在理论设计基础上,搭建了全桥DC-DC变换电路的实验评台,并进行了详细的电路布线和连接;4. 性能测试:对搭建好的全桥DC-DC变换电路进行了性能测试,包括输入输出电压、电流波形等参数的测试和记录;5. 数据分析:对实验结果进行了数据采集和分析,比对理论设计和实际测试的结果,进行了分析总结。
四、实验结果分析1. 输入输出特性:通过性能测试和数据分析,获得了全桥DC-DC变换电路的输入输出特性曲线,验证了设计的正确性和稳定性;2. 效率性能:从实验数据中计算得出了全桥DC-DC变换电路的转换效率,验证了设计的优化程度和功耗特性;3. 波形稳定性:对输入输出波形进行了详细的分析和比对,得出了全桥DC-DC变换电路的波形稳定性和失真程度;4. 结果评价:根据实验结果,对全桥DC-DC变换电路的整体性能进行了客观评价,指出了存在的问题和改进措施。
重庆大学电气工程学院电力电子技术课程设计设计题目:全桥直流变换器的设计与仿真年级专业:2010级电气工程与自动化学生姓名:学号:成绩评定:完成日期:2021年6月 23日课程设计指导教师评定成绩表指导教师评定成绩:指导教师签名:年月日重庆大学本科学生电力电子课程设计任务书摘要电力电子课程设计的目的在于进一步巩固和加深所学电力电子大体理论知识。
使学生能综合运用相关关课程的大体知识,通过本课程设计,培育学生独立试探能力,学会和熟悉查阅和占有技术资料的重要性,了解专业工程设计的特点、思路、和具体的方式和步骤,把握专业课程设计中的设计计算、软件编制,硬件设计及整体调试。
通过设计进程学习和治理,树立正确的设计思想和严谨的工作作风,以期达到提高学生设计能力。
本次课题为全桥直流变换器的设计与仿真,利用了全控器件IGBT,能将直流信号转换成变压的直流信号,其作用相当于一个变压器。
一样的变压器是由交流电压只是变比能很方便的通过操纵IGBT的驱动信号占空比来操纵,而且能有滤波的功能。
全桥直流变换器集PWM技术和谐振技术于一体,具有体积小、重量轻、效率高的特点,专门适合中大功率应用处合,然后对其工作原理的分析。
本次课程设计确实是基于对全桥直流变换器的设计与仿真练习,达到培育学生独立试探解决问题的能力。
正文1.引言问题的提出随着科学技术进展的日新日异,电力电子技术在现代社会生产中占据着非常重要的地位,电力电子技术应用在是生活中能够说得是无处不在若是把计算机操纵比喻为人的大脑,电磁机械等动力机构喻为人的四肢的话,那么电力电子技术那么可喻为循环和消化系统,它是能力转化和传递的渠道。
因此作为二十一世纪的电气专业的学生而言把握电力电子应用技术十分重要。
全桥DC/DC变换器是可双象限运行的直流-直流变换器。
随着科技和生产的进展,对全桥DC/DC 变换器的需求慢慢增多,要紧有直流不断电电源系统、航天电源系统、电动汽车等应用处合。
在需要能量双向流动的场合,全桥DC/DC变换器的应用可大幅度减轻系统的体积重量和本钱,有重要的研究价值。
全桥(H桥)DCDC变换电路实验实验3 全桥(H桥)DC/DC变换电路实验一.实验目的1.掌握开环直流脉宽调速系统的组成、原理及各主要单元部件的工作原理。
2.熟悉直流PWM专用集成电路SG3525的组成、功能与工作原理。
3.熟悉H型PWM变换器的各种控制方式的原理与特点。
二.实验内容1.PWM控制器SG3525性能测试。
2.控制单元测试。
3.H型PWM变换器性能测试。
三.实验系统的组成和工作原理在中小容量的直流传动系统中,采用自关断器件的脉宽调速系统比相控系统具有更多的优越性,因而日益得到广泛应用。
PWM变换器主电路系采用H型结构形式,UPW为脉宽调制器,DLD为逻辑延时环节。
脉宽调制器UPW采用美国硅通用公司(Silicon General)的第二代产品SG3525,这是一种性能优良,功能全、通用性强的单片集成PWM控制器。
由于它简单、可靠及使用方便灵活,大大简化了脉宽调制器的设计及调试,故获得广泛使用。
四.实验设备及仪器1.MCL系列教学实验台主控制屏。
2.NMCL-22实验箱。
3.直流电动机M03及测速发电机4.双踪示波器、万用表。
五.实验方法采用NMCL—22挂箱1.UPW模块的SG3525性能测试(1)用示波器观察UPW的“1”端的电压波形,记录波形的周期,幅度(最大值、最小值);(2)调节RP电位器,记录2端输出波形的最大占空比和最小占空比。
2.控制电路的测试——逻辑延时时间的测试将UPW的“2”端与DLD(逻辑延迟环节)的”1”相连接。
用示波器同时观察DLD的“2”端和“3”端。
记录延迟时间t d3.DC/DC带电阻(灯箱)负载。
1)将H桥的U、V、W分别与电源的U、V、W相连。
H桥的1、3相连。
2)将电阻负载(灯箱)以串联的方式接入“6”端和“7”端。
3)确认灯箱的所有灯泡处于断开位置。
3)调整RP电位器,将占空比调整为50%。
合上主电源,将一组串联的灯泡打向通的位置。
观察并记录负载两端的电压波形,并用万用表直流档记录负载电压的数值(参考方向为6->7),同时观察灯泡的亮度。
全桥dcdc变换电路实验报告心得
在进行全桥DC-DC变换电路实验的过程中,我对这个电路原理和性能有了更
深入的理解。
这个实验的目的是通过理论计算和实际测量,验证全桥DC-DC变换
电路的工作原理及其性能。
在实验中,我们首先搭建了一个全桥DC-DC变换电路,它由四个开关管组成,可以在输入端和输出端之间实现电压的变换转换。
我们通过控制开关管的开关状态,使输入电压能够以所需的方式转换为输出电压。
为了验证电路的工作原理和性能,我们进行了一系列实验,包括稳态工作状态、瞬态响应、效率等方面的测量。
通过实验,我发现全桥DC-DC变换电路的稳态工
作状态非常稳定,无论是低负载还是高负载情况下,电路都能够正常工作,并且输出电压基本符合理论计算的值。
在瞬态响应方面,我们测试了电路在输入电压和负载突变的情况下的表现。
结
果显示,电路能够迅速调整输出电压,保持稳定。
这对于实际应用中对电压稳定性要求较高的场景非常重要。
另外,我们也对电路的效率进行了测量。
结果显示,尽管电路中存在一定的功
率损耗,但总体效率还是相当高的。
这主要得益于全桥DC-DC变换电路的优良设
计和工艺。
通过这次实验,我不仅对全桥DC-DC变换电路有了更深入的了解,还提高了
实验操作和测量的技能。
我认识到,电路设计和性能测试是电子工程师必备的技能之一,只有通过实践才能更好地掌握和应用。
总的来说,全桥DC-DC变换电路实验给我带来了很多收获。
通过操作和测量,我对其工作原理和性能有了更深入的理解,同时也培养了实验操作和测量技能。
这将对我今后的学习和工作产生积极的影响。
实验3 全桥(H桥)DC/DC变换电路实验一.实验目的1.掌握开环直流脉宽调速系统的组成、原理及各主要单元部件的工作原理。
2.熟悉直流PWM专用集成电路SG3525的组成、功能与工作原理。
3.熟悉H型PWM变换器的各种控制方式的原理与特点。
二.实验内容1.PWM控制器SG3525性能测试。
2.控制单元测试。
3.H型PWM变换器性能测试。
三.实验系统的组成和工作原理在中小容量的直流传动系统中,采用自关断器件的脉宽调速系统比相控系统具有更多的优越性,因而日益得到广泛应用。
PWM变换器主电路系采用H型结构形式,UPW为脉宽调制器,DLD为逻辑延时环节。
脉宽调制器UPW采用美国硅通用公司(Silicon General)的第二代产品SG3525,这是一种性能优良,功能全、通用性强的单片集成PWM控制器。
由于它简单、可靠及使用方便灵活,大大简化了脉宽调制器的设计及调试,故获得广泛使用。
四.实验设备及仪器1.MCL系列教学实验台主控制屏。
2.NMCL-22实验箱。
3.直流电动机M03及测速发电机4.双踪示波器、万用表。
五.实验方法采用NMCL—22挂箱1.UPW模块的SG3525性能测试(1)用示波器观察UPW的“1”端的电压波形,记录波形的周期,幅度(最大值、最小值);(2)调节RP电位器,记录2端输出波形的最大占空比和最小占空比。
2.控制电路的测试——逻辑延时时间的测试将UPW的“2”端与DLD(逻辑延迟环节)的”1”相连接。
用示波器同时观察DLD的“2”端和“3”端。
记录延迟时间t d3.DC/DC带电阻(灯箱)负载。
1)将H桥的U、V、W分别与电源的U、V、W相连。
H桥的1、3相连。
2)将电阻负载(灯箱)以串联的方式接入“6”端和“7”端。
3)确认灯箱的所有灯泡处于断开位置。
3)调整RP电位器,将占空比调整为50%。
合上主电源,将一组串联的灯泡打向通的位置。
观察并记录负载两端的电压波形,并用万用表直流档记录负载电压的数值(参考方向为6->7),同时观察灯泡的亮度。
单相全桥逆变电器实验报告一、实验目标本次实验的主要目标是了解单相全桥逆变电器的原理、结构及工作特性,通过实验掌握逆变电器的运行规律,理解其在能源转换中的作用,为进一步研究逆变电源提供实践基础。
二、实验原理单相全桥逆变电器是一种将直流电能转换为交流电能的电力电子装置。
其基本工作原理是利用半导体开关器件(如晶体管、可控硅等)的开关特性,将直流电源的电能转换为高频交流电能,再通过变压器耦合升压或降压,最终输出所需电压和频率的交流电。
三、实验步骤1. 搭建单相全桥逆变电器实验平台,包括直流电源、全桥逆变电路、输出变压器、电压电流测量仪器等。
2. 设定直流电源的电压和电流值,开启电源,观察全桥逆变电路的工作状态。
3. 使用示波器观察全桥逆变电路的输出波形,理解其工作原理。
4. 调整直流电源的电压和电流值,观察全桥逆变电路输出电压和电流的变化情况,理解逆变电器的电压和电流调节特性。
5. 改变输出变压器的匝数比,观察输出电压和电流的变化情况,理解变压器的变压原理及匝数比对输出电压的影响。
6. 记录实验数据,整理实验结果,分析误差来源,得出实验结论。
四、实验结果及分析根据实验数据,绘制了全桥逆变电路的输出波形图、电压电流调节特性曲线、变压器匝数比与输出电压关系曲线等。
通过分析这些图表,可以得出以下结论:1. 全桥逆变电路能够将直流电能转换为交流电能,输出波形稳定,具有良好的电压和电流调节特性。
2. 变压器匝数比的改变可以调节输出电压的大小,实现电压的变换和匹配。
3. 实验过程中存在一定的误差,主要来源于测量仪器的精度误差和操作误差。
通过对误差的分析,可以进一步提高实验的准确性和可靠性。
五、实验总结通过本次实验,我们深入了解了单相全桥逆变电器的工作原理和特性,掌握了其运行规律。
实验结果验证了逆变电器的电压和电流调节特性以及变压器匝数比对输出电压的影响。
同时,实验过程中也暴露出了一些问题和不足之处,需要我们在后续的研究中进行改进和完善。
1600W全桥变换器Saber仿真及读书报告学院信息工程学院专业电子与通信工程年级班别 2017级(2)班学号 2111703116学生姓名陈文威指导教师李志忠2017年12月目录一、1600W 全桥变换器Saber 仿真 (1)1性能指标: (1)(1)最大占空比max D 的确定 ....................................................................... 1 (2)变压器匝比K=S P N N 、最小占空比min D 的确定 .. (1)(3)磁芯的选择 ........................................................................................... 2 (4)初级线圈和次级线圈的匝数 ............................................................... 2 (5)输出电感的计算 ................................................................................... 3 (6)输出电容的计算 ................................................................................... 4 (7)选择功率开关管Q1~Q4 ....................................................................... 4 (8)选择反并二极管D1~D4........................................................................ 5 (8)选择整流二极管DR1和DR2 ............................................................... 5 (9)防止磁通不平衡的隔直流电容的计算 ............................................... 5 (10)设计II 型误差放大器 ......................................................................... 6 (11)开环仿真 ............................................................................................. 8 (12)闭环仿真 (9)二、读书报告 (12)1 不对称pwm 反激变换器 ................................................................................ 12 2 最大无线功率传输效率的自适应最优负载电路的设计 .............................. 21 3综述 . (26)一、1600W 全桥变换器Saber 仿真1性能指标:输出功率Po=1600W输入直流电压Vinmin=238V~342V 额定输出电压Vo=48V 额定输出电流Io=33.33A 输出电压纹波Vrr:1%的最大值 开关频率fs=100KHz 期望效率η=0.8(1)最大占空比max D 的确定为了要防止桥臂上下俩管同时导通,需要设置一个死区时间。
实验报告课程名称电力电子技术实验报告实验名称实验六全桥DC/DC变换电路实验班级电气4班姓名李晓英梁琦季中元实验日期实验地点光电楼实验室评定成绩评阅教师--------- -----实验报告要目----- ---------1实验目的要求2 实验仪器、设备3 实验线路、原理框图4 实验方法步骤5 实验的原始数据和分析6 实验讨论实验六全桥DC/DC变换电路实验一.实验目的1.掌握可逆直流脉宽调速系统主电路的组成、原理及各主要单元部件的工作原理。
2.熟悉直流PWM专用集成电路SG3525的组成、功能与工作原理。
3.熟悉H型PWM变换器的各种控制方式的原理与特点。
二.实验内容1.PWM控制器SG3525性能测试。
2.H型PWM变换器DC/DC主电路性能测试。
三.实验系统的组成和工作原理全桥DC/DC变换脉宽调速系统的原理框图如图4—1所示。
图中可逆PWM变换器主电路系采用MOSFET所构成的H型结构形式,UPW为脉宽调制器,DLD为逻辑延时环节,GD为MOS管的栅极驱动电路,FA为瞬时动作的过流保护。
全桥DC/DC变换脉宽调制器控制器UPW采用美国硅通用公司(Silicon General)的第二代产品SG3525,这是一种性能优良,功能全、通用性强的单片集成PWM控制器。
由于它简单、可靠及使用方便灵活,大大简化了脉宽调制器的设计及调试,故获得广泛使用。
图4—1全桥DC/DC变换电路实验四.实验设备及仪器1.教学实验台主控制屏。
2.直流低压单元组件(NMCL-31/A或SMCL-01)3.现代电力电子及直流脉宽调速组件(NMCL-22)。
4.可调电阻负载(或自配滑线变阻器)。
5.双踪示波器(自备)。
五.实验方法1.UPW模块的SG3525性能测试(1)用示波器观察UPW模块的“1”端的电压波形,记录波形的周期、幅度。
(2)用示波器观察“2”端的电压波形,调节RP2电位器,使方波的占空比为50%。
(3)用导线将给定模块“G”的“1”和“UPW”的“3”相连,分别调节正负给定,记录“2”端输出波形的最大占空比和最小占空比。
编号南京航空航天大学毕业设计全桥 LLC 串联谐振 DC/DC 题目变换器学生姓名学号学院自动化学院专业电气工程与自动化班级指导教师二〇XX年X月毕业设计(论文)报告纸全桥 LLC 串联谐振 DC/DC 变换器摘要近现代随着能源价格的增高和需求的增大,工作效率的高低成为了 DC/DC 变换器比较重要的指标之一。
为了追求 DC/DC 变换器的大功率和高效率,需要不断地改进变换器的结构和器件。
传统移相全桥软开关变换器可以有较大的功率,并且可以较好的实现 ZVS,提高效率。
但是相对的却限制了负载的范围,反向二极管的恢复也成了问题并且在输入大电压时效率很低。
为了解决这些问题,本文试着研究全桥 LLC 串联谐振变换器。
本文首先简单介绍了传统移相全桥 PWM ZVS 变换器、全桥 LC 串联谐振变换器、全桥LC 并联谐振变换器和全桥 LCC 串并联谐振变换器,并指出了其中的优缺点。
在此基础上对比介绍了全桥 LLC 串联谐振变换器。
对 LLC 串联谐振全桥 DC/DC 变换器的工作原理进行了详细研究,利用基频分量近似法建立了变换器的数学模型,确定了主开关管实现 ZVS 的条件,推导了边界负载条件和边界频率,确定了变换器的稳态工作区域,推导了输入、输出电压和开关频率以及负载的关系。
之后又设计了一个变换器电路,计算了相关参数,并且对元器件进行了选择。
本文使用UC3861 进行开关控制,设计了它的闭环电路。
最后用 saber 软件分别进行了满载、半载、轻载和空载的仿真分析。
仿真结果证实了理论分析的正确性。
关键词:DC/DC 变换器,全桥,UC3861,LLCiFull bridge LLC series resonant DC/DC converterAbstractIn modern times with increasing energy prices and increased demand, the level of efficiency has become the important index of DC/DC converter. In order to pursue DC/DC converter with high power and high efficiency, the structure and device of converter is needed to be improved. The traditional phase shifted full bridge PWM ZVS converter has some bad place.It limits the load range. Reverse diode recovery has become a problem when the input voltage and high efficiency is very low. To solve these problems, we try to study the full bridge LLC series resonant converter.This paper introduces the circuit and the characteristics of the traditional phase shifted full bridge PWM ZVS converter, full bridge LC series resonant converter and the full bridge LC parallel resonant converter and the full bridge LCC series resonant converter. Then their shortcomings are pointed out. In this paper, LLC series resonant Full Bridge DC/DC converter is analyzed in detail. Based on the fundamental element simplification method, the mathematics model of the converter is obtained, and the conditions to achieve ZVS are given. Steady working region of LLC series resonant Full Bridge DC/DC is confirmed, the relations between input and output voltage depending on switching frequency and load conditions are given.Then, a converter circuit is designed, its parameters are calculated and the selected its components. This paper uses UC3861 for switching control and designed the closed-loop circuit. Finally uses the saber software to analyze some different situation of load.Finally, the simulation results are given, confirm the theoretical results are accurate.Key Words:DC/DC converter; Full bridge; UC3861; LLC目录摘要 (i)ii 第一章引言.............................................................................................................................- 1 -1.1 课题背景......................................................................................................................... - 1 -1.2 谐振变换器研究现状..................................................................................................... - 1 -1.2.1 移相全桥 PWM ZVS DC/DC 变换器.................................................................. - 1 -1.2.2 LC 串联谐振变换器............................................................................................. - 2 -1.2.3 LC 并联谐振变换器............................................................................................. - 3 -1.2.4 LCC 串并联谐振变换器....................................................................................... - 3 -1.3 本文的主要内容............................................................................................................. - 4 - 第二章全桥 LLC 串联谐振 DC/DC 变换器................................................................................ - 6 -2.1 引言................................................................................................................................. - 6 -2.1.1 拓扑图................................................................................................................... - 6 -2.1.2 全桥 LLC 谐振变换器的优缺点.......................................................................... - 6 -2.2 全桥 LLC 串联谐振变换器的原理................................................................................ - 6 -2.2.1 全桥 LLC 串联谐振变换器的等效电路.............................................................. - 6 -2.2.2 全桥 LLC 串联谐振变换器的工作区域............................................................ - 10 -2.3 全桥 LLC 串联谐振变换器的工作过程...................................................................... - 12 -2.3.1 开关管工作在区域 1(f m<f<f r)....................................................................... - 12 -2.3.2 开关管工作在区域 2(f>f r)............................................................................. - 14 -2.4 频率特性....................................................................................................................... - 16 -2.5 空载特性....................................................................................................................... - 17 -2.5 短路特性....................................................................................................................... - 18 -2.6 本章总结....................................................................................................................... - 19 - 第三章闭环控制电路的设计..................................................................................................... - 20 -3.1 UC3861 的简单介绍..................................................................................................... - 20 -3.2 UC3861 的工作原理..................................................................................................... - 21 -3.3 闭环电路的设计........................................................................................................... - 22 -3.4 本章总结....................................................................................................................... - 22 - 第四章参数设计及仿真结果..................................................................................................... - 24 -4.1 参数设计....................................................................................................................... - 24 -4.1.1 性能指标要求..................................................................................................... - 24 -4.1.2 主电路参数设计................................................................................................. - 24 -4.1.3 输出整流滤波电路............................................................................................. - 28 -4.1.4 fmax、fmin、死区时间设计.............................................................................. - 28 -4.2 saber 仿真结果.............................................................................................................. - 29 -4.2.1 满载..................................................................................................................... - 29 -4.2.2 半载..................................................................................................................... - 34 -4.2.3 轻载..................................................................................................................... - 38 -4.2.4 空载..................................................................................................................... - 40 -4.3 本章小结....................................................................................................................... - 42 - 第五章全文总结及展望........................................................................................................... - 43 - 参考文献................................................................................................................................. - 44 - 致谢..................................................................................................................................... - 45 -第一章引言1.1课题背景随着电力电子技术的发展与计算机技术的快速提升,有关 DC/DC 变换器的应用变得很普遍,对于这方面的研究也就多了起来。
燕山大学里仁学院毕业设计(论文)开题报告课题名称:移相全桥DC-DC变换器设计学院(系):年级专业:学生姓名:指导教师:完成日期:一、说明选题的依据和意义通信网络技术的快速发展和通信业务的全面展开,各种数据业务、多媒体业务应用日益普及,产品的集成度将会越来越高。
在通信网络的建设和升级过程中,各种室内外设备及各种不同的应用场景,如城市中心区域、各大高校宿舍、铁路沿线,尤其是在偏远地区这种情况下,设备对其运行环境也提出了更加严格的要求,对电源质量的要求也更加苛刻。
直流远供电源系统是通信领域中的重要设备,广泛应用于远程及数据通讯、计算机、军事、航天等领域,涉及到国民经济的各行各业。
DC-DC变换器在通信设备用直流远供电源系统当中发挥着重要的作用。
目前基站存在大量的低效率电源,在网电源即便是比较新的,普遍效率一般也低于90%,在低负载输出时效率则更低。
在网运行超过一定年限又不具备模块休眠功能的老旧电源,其真正的效率只有80%左右。
有些基站建设在城乡或山区,电网环境恶劣,轻则造成系统失效,重则造成系统崩溃、设备损坏。
无论是失效还是崩溃都直接影响了通信信号的稳定和服务质量。
因此,基站供电效率和可靠性问题,成为目前运营商亟待解决的问题。
直流远供电源的优势在于:远程供电方案适于为通信网络中各种低功耗设备、室外型设备和特殊应用场景的设备提供电力,如网络末梢位置分散的小型通信设备等。
远供电源在通讯设备中的应用,不仅能够进一步保障通信设备得正常运行,而且还能更好地解决各种不同的特殊应用场景的供电问题(如小型的UPS供电,电池寿命很难得到保证,并且损坏率较高,蓄电池被盗以及当地接电不便或供电不稳定等),优化电源设备,提高运行效率,降低建设与维护成本,保障各类通信设备安全、可靠、稳定、经济、绿色的电源供应。
二、本课题国内外研究动态综述在目前现有的DC-DC变换技术当中,可供选择的电路拓扑结构形式有很多种,如:Buck、Boost、Buck-Boost、Fly-back、Forward和Full-Bridge、Half-Bridge等电路。
全桥dcdc变换电路实验报告【全桥dcdc变换电路实验报告】一、引言在现代无线通信、电动汽车和可再生能源等领域中,电力电子技术发挥着至关重要的作用。
全桥dcdc变换电路作为一种常用的电力电子变换器,具有高效率、高精度和可调性强等优点,广泛应用于直流电压转换、功率变换等场合。
本文通过实验,探索了全桥dcdc变换电路的工作原理、性能特点及参数设计等内容,旨在深入理解该电路的应用及优化。
二、实验设备与实验步骤1. 实验设备本实验中所用的设备主要有直流电源、全桥dcdc变换电路和示波器。
其中,直流电源用于提供直流电压源,全桥dcdc变换电路用于电压的转换,示波器用于观测电路的波形及参数。
2. 实验步骤(1)将直流电源连接到全桥dcdc变换电路的输入端,确保连接正确。
(2)将示波器的探头分别连接到全桥dcdc变换电路的输入端和输出端。
(3)打开直流电源,设定所需要的输入电压,记录下来。
(4)通过示波器观测输入端和输出端的电压波形,记录下来。
(5)改变输入电压,重新观测电压波形,并记录下参数。
三、实验结果及分析1. 实验结果根据实验步骤所记录的数据,我们可以得到输入端和输出端的电压波形。
通过示波器的观测,我们可以发现全桥dcdc变换电路能够实现输入电压到输出电压的转换,通过控制开关管的开关方式,变换电路可以实现降压、升压或反向输出等功能。
2. 分析全桥dcdc变换电路实现了输入电压到输出电压的转换,其基本原理是通过控制开关管的导通与截止,实现对电流和电压的控制。
在全桥dcdc变换电路中,由于开关管的导通与截止会形成脉冲电流和电压,所以在电流和电压的转换过程中,会出现一些谐波干扰。
这些谐波干扰会对电路的正常工作产生一定的影响,所以在设计全桥dcdc变换电路时,我们需要考虑减小谐波干扰,提高电路的稳定性和可靠性。
四、结论通过本次实验,我们对全桥dcdc变换电路的工作原理、性能特点及参数设计有了较为全面的了解。
全桥dcdc变换电路能够实现输入电压到输出电压的转换,并且通过控制开关管的导通与截止,可以实现电压和电流的调整。
电动汽车移相全桥DC-DC变换器研究共3篇电动汽车移相全桥DC/DC变换器研究1电动汽车移相全桥DC/DC变换器研究近年来,随着环保理念的兴起以及能源问题的日益严峻,电动汽车正逐步成为人们关注的焦点。
而在电动汽车发展的过程中,电池和电机的性能和控制水平是决定其能否商业化、能否长期竞争的关键因素之一。
而作为电池和电机控制的枢纽,电源管理系统也在不断地进化和完善。
在电源管理系统中,DC/DC变换器是电池电压对电机电压进行变换的必要措施之一。
因此,对DC/DC变换器的研究和改进也变得尤为重要。
作为DC/DC变换器的一种常用形式,电气传动系统移相全桥DC/DC变换器因其灵活控制和有利的性能参数而备受研究者青睐。
移相全桥DC/DC变换器含有3个电感和4个开关管,其输出电压可通过改变开关管的导通方式进行控制。
总体来说,移相全桥DC/DC变换器采用了较为灵活的控制策略,且具有输出电压稳定、功率密度大、效率高等优点,因此十分适合应用于电动汽车等领域。
然而,传统的移相全桥DC/DC变换器具有电容电压分布不均、输出电压波动较大等缺陷,这些问题很大程度上受到了开关管的质量、损失以及开关策略的影响。
近年来,研究学者们通过改变开关策略、增加电感等措施来提高移相全桥DC/DC变换器的性能。
以全桥变换器为例,研究者引入了较为复杂的控制策略,如分割电容、交错半砌体等方式来缓解容压分布不均的问题。
然而,这些复杂的方案对于电动汽车等对控制系统稳定性、结构简洁、效率高等要求较高的系统来说不尽合适。
因此,为了进一步提高移相全桥DC/DC变换器的性能,研究者们提出了多种新型控制策略。
例如,采用基于PWM的移相全桥DC/DC变换器的控制系统,采用预计算方法确定电源电路运行状态的控制系统等等。
通过综合利用这些新型技术,使得移相全桥DC/DC变换器的性能得到了显著改善,容压分布与输出电压波动大大降低,这种改进措施有望为电动汽车等领域的应用提供更优秀的解决方案。
1600W全桥变换器Saber仿真及读书报告学院信息工程学院专业电子与通信工程年级班别 2017级(2)班学号 2111703116学生姓名陈文威指导教师李志忠2017年12月目录一、1600W 全桥变换器Saber 仿真 (1)1性能指标: (1)(1)最大占空比max D 的确定 ....................................................................... 1 (2)变压器匝比K=S P N N 、最小占空比min D 的确定 .. (1)(3)磁芯的选择 ........................................................................................... 2 (4)初级线圈和次级线圈的匝数 ............................................................... 2 (5)输出电感的计算 ................................................................................... 3 (6)输出电容的计算 ................................................................................... 4 (7)选择功率开关管Q1~Q4 ....................................................................... 4 (8)选择反并二极管D1~D4........................................................................ 5 (8)选择整流二极管DR1和DR2 ............................................................... 5 (9)防止磁通不平衡的隔直流电容的计算 ............................................... 5 (10)设计II 型误差放大器 ......................................................................... 6 (11)开环仿真 ............................................................................................. 8 (12)闭环仿真 (9)二、读书报告 (12)1 不对称pwm 反激变换器 ................................................................................ 12 2 最大无线功率传输效率的自适应最优负载电路的设计 .............................. 21 3综述 . (26)一、1600W 全桥变换器Saber 仿真1性能指标:输出功率Po=1600W输入直流电压Vinmin=238V~342V 额定输出电压Vo=48V 额定输出电流Io=33.33A 输出电压纹波Vrr:1%的最大值 开关频率fs=100KHz 期望效率η=0.8(1)最大占空比max D 的确定为了要防止桥臂上下俩管同时导通,需要设置一个死区时间。
所以Q1和Q3与Q2和Q4的最大导通时间必须限制在半周期的80%以内,即每个开关管的最大导通时间为0.82S T ,从而开关管的最大占空比为: max D =SS T T 28.0=0.4 (2)变压器匝比K=S P N N 、最小占空比min D 的确定由功率守恒定理,输出功率O O O I V P ⨯=,输入功率ηO in P P =,由安匝守恒可得S P pft O N N K I I ==(其中pft I 为初级电流脉冲等效为平顶脉冲后的峰值),从而变压器的匝比:ηOin S P V V D N N K minmax 2==于是可以求得S P N N K ==8.0482384.02⨯⨯⨯=3.17然后由下式求出高压满载时的最小占空比min D 8.034224817.32max min ⨯⨯⨯==ηin O V KV D =0.278(3)磁芯的选择磁芯可以根据AP 法来选择,公式如下: AP=ηJ K f B D P A A u s O w e max max2⋅=式中max B 为磁芯峰值密度,单位为T ;s f 为开关频率,单位为HZ ;u K 为磁芯窗口填充系数,单位为1;J 为电流密度,单位为2m A ;e A 、w A 分别为磁芯的截面积和窗口面积,单位为2m 。
上式中磁芯峰值密度max B 取0.1T ;电流密度J 取26105m A ⨯;窗口填充系数取0.2;O P =660W ;max D 为0.4;s f 为100000HZ ;η为0.8。
从而可以计算出e A w A =44801.410*01.4cm m =-,我们选择最佳磁芯TDK-PCEE57/47-Z,其磁芯面积e A 为3.442cm ,窗口面积w A 为2.82362cm ,有效磁路长度g l =102mm ;显然e A w A =4.01<3.44*2.8236=9.71324cm 。
(4)初级线圈和次级线圈的匝数初级绕组匝数由以下式子求出:maxmaxmin max min 2B fA D V B A f D V N e in e s in P =∆=所以:1.01044.3101024.023844⨯⨯⨯⨯⨯⨯=-p N ≈14匝从而次级线圈的匝数为:17.31421====K N N N N P S S S ≈4匝 原边无气隙电感P L 为 372402101022300104141044.3---⨯⨯⨯⨯⨯⨯==πμμeip e P l N A L =1.91mH 其中:i μ为铁氧体PC40的初始磁导率,取2300;0μ为真空磁导率为7104-⨯π;g l 为磁芯的有效磁路长度为m 310102-⨯(5)输出电感的计算输出电感是连续模式,所以电感选择应保证电流到输出最小规定电流(min)o I =0.1o I 时,电感电流也能保证连续。
直流电流等于电感电流斜坡峰峰值的一半。
2/)(min max (min)L L o L I I -=或o L L I dI I I 2.0)(min max ==-,于是fon o S f on Lfo L T V V L T V I dI )(2(min)-=== 而)2(S on s o T T V V =,则有: Sso on V T V T 2=当输入直流电压in V 及相应的副边电压S V 最大时,on T 为S T D *min 2,于是sf of S O o f L V D L T D V D I )21()121(2.0min min min-=-= 输出电感f L 为:4min 10*10*33.33*2.048*)278.05.0(2.0)21(-=-=s o off I V D L =17.76uH求得输出电感值f L =17.76uH 。
(6)输出电容的计算输出电容f C 的选择应满足最大输出纹波电压的要求。
输出纹波几乎完全由滤波电容的ESR 的大小决定,而不是由电容本身的大小来决定,阻性纹波电压峰峰值rr V 为:dI ESR V rr ⋅=上式中:48V .0=∆=o rr V V ,dI 是所选的电感电流纹波的峰峰值o o I I 2.0=∆=6.66A则有:6.6648.0==dI V ESR rr =0.072Ω由于ESR 与f C 的乘积基本不变,其值可取61065-⨯。
因此f C 可选为: uF C f903072.010656=⨯=-验算容性纹波cr V ,从导通时段中点到关断时段的中点的半个周期(5us )内,纹波电流为正。
该三角波电流的平均值I 为4o I ∆=1.67A ,所以此时平均电流在f C 上产生的纹波电压为: 66109031051.67--⨯⨯⨯==f crC It V =9.2mV (7)选择功率开关管Q1~Q4开关管Q1~Q4的电压应力相同,都是等于输入电压。
max maxin ds V V ==342V开关管Q1~Q4的电流应力相同,由下面公式计算:17.333.33max ===K I I I o pft ds =10.5A 实际上在选取开关管的时候,maxds V 的取值为MOSFET 额定电压的80~85%左右,故MOSFET 的电压额定==%80max dc D D S V V 428V ;其额定电流max )2~6.1(dsD I I >=16.8~ 21.0A ,故其额定电压为500V ,电流额定为25A 。
(8)选择反并二极管D1~D4反并二极管D1~D4的电压应力、电流应力与开关管一样。
故:maxmax dsD V V ==342V 10.54.0⨯=rms D I =6.64A实际上在选取二极管的时候,最大反向电压RRM V >1.3max D V =445V ,平均正向电流rm sD F I I 5.1>=9.96A ,最大其额定电压为500V,电流额定为10A 。
(8)选择整流二极管DR1和DR2整流二极管DR1和DR2的电压应力相同,由下面公式计算:17.329022max max⨯==K V V in DR ≈216V整流二极管DR1和DR2的电流应力相同,由下面公式计算:o rmsDR I D I 221max+=≈22.3A 实际上,最大反向电压ma x 3.1D R RRM V V >=281V ,平均正向电流rm sDRF I I 5.1>=33.5A,其额定电压为300V ,电流额定为18A 。
(9)防止磁通不平衡的隔直流电容的计算饱和效应的产生是由于初级存在直流分量,为了避免这个直流分量的存在,可在初级绕组中串联小容值的隔直电容b C 。
下降幅度dV 不应该超过10%。
4min min 101023810.544%104.028.0⨯⨯⨯==⨯⨯=⨯=s in pft in S pft s pft b f V I V T I dV T I C =1.76uF(10)设计II 型误差放大器参数如下:输入电压:V V 310in = 输出电压:V V 480=变压器原边绕组匝数:141=N变压器副边绕组匝数:432==S S N N 输出滤波电感:uH L f 76.17=输出滤波电容:)072.0.(903Ω==ESR uF C f 开关频率:kHz 100f s = 参考电压:V V R 55.2=锯齿波电压峰峰值:V V RAMP 5.2=首先,计算直流增益4855.21445.2310⨯⨯=⨯⨯=o R P S RAMP in DC V V N N V V A =1.88)88.1l o g (20)log(20==DC DC A G =5.5dB输出LC 滤波器的转折频率为:=⨯⨯⨯==--66109031076.172121ππf f o C L F 1.26KHZESR 零点频率(幅频特性由斜率-2突然转为-1的频率)为610903072.02121-⨯⨯⨯==ππo ESR ESR C R F =2.449KHZ 现在选取交越频率为开关频率的1/5,即20KHZ 。