带压堵漏的八种技术
- 格式:docx
- 大小:12.88 KB
- 文档页数:5
常用带压焊接补漏方法1.铆焊法采纳手工电弧焊方法,在泄露点四周点焊,使泄露点四周金属加存,并渐渐向泄露点中心集中,同时用圆顶锤锤击焊缝,利用金属的延展性使泄露点减小,直至除去。
此方法用以除去温度及压力均不太高的点状汽、水泄露十分有效。
2.螺栓堵漏法将高压螺母搁置于泄露点处,使泄露点位于螺母中心,泄露介质从螺母中间喷出,将螺母与管道焊接;在防烫伤举措的保护下,将螺杆旋入螺母并拧紧,再将螺杆与螺母联合部位焊牢。
必需时,需对螺母端面进行加工,使其与管道符合优秀。
3.引流管法采纳内径适合的直管段,一端焊接高压阀门制成引流管,使阀门处于开启状态,将引流管一端搁置于泄露点处,让泄露介质经直管段从阀门出口喷出,焊接直管段与母管联合部位,焊牢后将阀门封闭,泄露点除去,使用过程图略。
4.套筒堵漏法采纳直径较泄露母管直径大50 mm 的向来管段,两头加封头制成一筒体,将此筒体打孔、剖开,安装阀门,让筒体包住泄露母管,而后进行焊接。
依据所采纳的形式不一样,可分为纵剖套筒和横剖套筒两种。
4.1 纵剖套筒在筒体两封头的中心部位开孔,开孔直径大于泄露母管直径3~5mm;将筒体沿长度方向对称剖开,在此中的一半上开孔安装阀门。
补漏时,将筒体的两部分对扣在泄露点处,阀门翻开,使泄露点处介质自阀门出口喷出,焊接筒体及筒体与母管联合部位,焊牢后封闭阀门。
4.2 横剖套筒与纵剖套筒不一样之处,是将筒体中部开孔后沿径向剖开,在筒体封头上安装阀门。
套筒堵漏法合用于 *108 mm 以下各种管道的点状、裂纹泄露,焊接时电弧不加热泄露地区,操作性好,适应性强。
2带压补漏工作安全靠谱性剖析造成高压汽水管道泄露的原由是多种多样的,如管材制造质量,焊口焊接质量,管道磨损减薄,管道受力过大惹起焊口开裂等。
管道泄露后,高压介质从泄露点处喷出,会使泄露点处金属迅速磨损减薄。
在采纳焊接方法补漏时,高温电弧的再次加热有可能使减薄的管壁融化而被高速气流吹走从而造成泄露点尺寸扩大。
管壁减薄严重的管道带压堵漏方法管壁减薄严重的管道,在带压堵漏注射密封剂时,不能承受过高的注射压力,容易把管壁压瘪,又是不但不能消除泄漏,还可能泄漏加重,甚至会发生加速管道断裂的事故,这是非常危险的,因此必须采取一些特殊的带压堵漏方法。
1、用环槽夹具堵漏这种夹具在其周围和平面密封的面上都开有沟槽,连成一体,沟槽中有注射孔,在沟槽中镶嵌石棉盘根,当夹具紧固后,从注射孔注入密封剂,密封剂把盘根压紧后消除泄漏。
这种方法,密封剂不进入密封腔,不会对薄壁的管壁造成挤压。
当然,夹具要保障足够宽度,以保证夹具两端落在管壁完好无损或腐蚀尚不明显的管道上,必要使用超声波测厚仪检测壁厚,予以确认。
2、遮盖和加固的堵漏方法在确认泄漏点两侧壁厚处于正常的前提下,确认遮盖板的宽度(长度),其两侧要落在正常壁厚之上。
用捆扎或用螺杆从夹具上固定遮盖板。
在夹具安装完成,并调整间隙符合要求后,再向密封腔内注入密封剂,密封剂把遮盖板压紧,既消除了泄漏,又使泄漏部位得到了加固。
3、夹具加现场部分焊接的堵漏方法在泄漏现场允许的前提下,在夹具中间部分连接处可施行焊接,为了保证焊接的质量,预先在夹具上安装排污阀,把介质及时排出,使密封腔内压等于零。
同时,在两侧按规定填装盘根,并把填料盒盘根压紧。
填料盒上应留有注射孔,必要时往填料盒内注入密封剂,或者在两侧的密封结构中全部注入密封剂。
焊接完成后,关闭排泄阀,堵漏即告完成。
这种消除泄漏方法,只焊接夹具之间的连接部分,而夹具与泄漏部位之间不进行焊接,既保证了焊接过程的安全,又使泄漏部位得到了加固。
管壁减薄严重的管道带压堵漏方法(二)一. 引言管道是工业生产和日常生活中常见的设施,用于输送液体、气体和固体颗粒。
然而,由于长期使用或其他原因,管道的管壁可能会出现减薄现象,从而导致管道的漏损问题。
在管道带压的情况下,堵漏问题变得更加严重和紧迫。
本文将重点讨论管壁减薄严重的管道带压堵漏方法,以帮助解决这一难题。
带压堵漏方法在工程施工过程中,常常会遇到管道漏水的问题,特别是在水、煤气、石油等输送管道中。
为了解决这一问题,人们提出了带压堵漏方法,即在管道运行时进行堵漏修复。
本文将介绍带压堵漏方法的原理、步骤以及适用范围。
带压堵漏方法是一种在管道运行时进行堵漏修复的技术。
它的基本原理是通过在管道内部施加一定的压力,使漏水处的压力增加,从而达到堵漏的目的。
这种方法可以有效地修复管道漏水问题,避免了停产、停工、拆除管道等不必要的麻烦与成本。
带压堵漏方法的步骤一般包括以下几个环节:1. 检测漏水位置:首先需要通过一些手段,如压力测试仪、漏水检测仪等,准确定位漏水位置。
这是带压堵漏的前提条件,只有找准漏点,才能进行后续的修复工作。
2. 准备堵漏材料:根据漏水位置的不同,选择相应的堵漏材料。
常用的堵漏材料有胶带、胶水、填缝剂等。
在准备堵漏材料的过程中,需要根据管道的材质和工作环境选择合适的材料。
3. 封堵漏点:将准备好的堵漏材料贴合或填充到漏水处,确保漏点被完全封堵。
在封堵漏点时,需要注意材料的粘附性和耐腐蚀性,以确保堵漏效果的持久性。
4. 施加压力:在进行堵漏修复过程中,需要对管道施加一定的压力。
通过增加管道内部的压力,可以使漏水处的压力增加,从而加强堵漏效果。
在施加压力时,需要根据管道的材质和工作环境选择合适的压力。
带压堵漏方法适用于多种类型的管道漏水问题,包括水管、煤气管、石油管等。
无论是在家庭生活中还是在工业生产中,都可能会遇到管道漏水的情况。
采用带压堵漏方法修复漏水问题,可以快速、方便地解决这些问题,保障正常的供水、供气、供油等。
需要注意的是,带压堵漏方法虽然简便高效,但并不适用于所有情况。
在一些特殊情况下,如管道破裂、漏洞较大等,可能需要采用其他更复杂的修复方法。
因此,在使用带压堵漏方法修复漏水问题时,需要根据具体情况进行判断和选择。
带压堵漏方法是一种有效解决管道漏水问题的技术。
通过准确定位漏点、选择合适的堵漏材料、封堵漏点和施加压力,可以快速、方便地修复管道漏水问题。
一文搞懂带压堵漏技术管道外漏形式及因素1、直管泄漏直管道的泄漏失效可能因为其管道本身存在制造缺陷和管道配件的质量问题引起的,也可能是因为管道焊接、组对或管道材质选择不合导致腐蚀等原因而引起。
2、弯头泄漏弯头泄漏大部分都是在弯头外侧大半径上,介质流经弯头时,受到弯头的阻力,介质对弯头冲刷导致泄漏失效,另外弯头材质选用不当,致使材料耐腐蚀性较差以及弯头与直管连接结构不合理,留有能导致腐蚀介质滞留并浓缩的空隙,造成加速腐蚀是形成弯头泄漏失效重要原因。
3、管法兰泄漏管道法兰密封主要是依靠连接螺栓的预紧力,通过垫片达到足够的密封比压,来阻止被密封压力流体介质的外泄。
它泄漏的原因有很多方面,密封垫片的压紧力不足,结合面的粗糙度不符合要求,垫片变形和机械振动等都会引起密封垫片与法兰结合面密合不严而发生泄漏。
另外螺栓变形或伸长,垫片老化,回弹力下降,龟裂等也会造成法兰面密封不严而发生泄漏。
法兰泄漏还有不可忽视的人为因素,如密封垫片装偏,使局部密封比压不足紧力过度,超过了密封垫片的设计极限,以及法兰紧固过程中用力不均或两法兰中心线偏移,造成假紧现象等都容易发生泄漏。
带压堵漏原理及优点1、带压堵漏技术原理管道在运行中发生介质泄漏,在不变更工况条件,不影响设备运行的情况下,采用包扎、隔离或者制作夹具包容泄漏点建立密封腔,通过向密封腔内注入密封剂,根据系统温度和注剂的流变特性,控制推进速度与密封注剂固化时间的协调,确保注剂充填效果,使注入到密封腔的密封层均匀致密,并形成有效的密封比压,泄漏被阻止,从而建立起新的密封结构。
2、带压堵漏的优点(1) 不需要系统停车,从而保证了装置的长周期运行。
(2) 不需要对系统进行泄压置换。
(3) 避免了因装置停车造成的损失和其它设备的损坏。
(4) 极大的减少了经济损失和环境污染。
常见技术介绍根据生产现场的具体情况,对于可以临时隔离交出或者工艺介质可以动火作业的情况下,可以采用更换管道、更换法兰垫片或进行焊补孔洞的方法消除一般泄漏。
2024年带压黏结堵漏技术当泄漏不明显或处于即将开始时,采用带压黏结堵漏技术处理管道泄漏是最简便、最经济的方法。
带压黏结堵漏技术,采用在泄漏缺陷处造成一个无泄漏介质的区间,利用黏合剂固化速度快的特点,于泄漏处由黏合剂和堵漏材料,组成一个新的堵漏结构,达到管道泄漏的堵漏目的。
带压黏结堵漏技术,常采用的有修补剂填塞黏结法、顶压黏结法、引流黏结法。
(1)修补剂填塞黏结法。
修补剂是在温度、压力及泄漏流量动态条件下,填塞堵黼的特殊胶黏剂。
填塞黏结法的堵漏基本原理为,在修补部位上依靠人工给的外力,把调配好的修补剂压在泄漏缺陷部位上,强行堵漏,借助修补剂与泄漏介质共存,完成固化过程,达到带压修补堵漏的目的。
操作步骤如下。
①根据泄漏坏损部位情况选用修补剂品种。
②清理坏损部位的泄漏物、污物及铁锈,露出管道本体色。
③调配好修补剂,在最佳状态下,迅速压在泄漏缺陷部位上,修补剂充分固化,再撒掉外力。
④堵住泄漏,应对泄漏缺陷周围再进行清理、修平,然后用胶黏剂及玻璃布进行黏结补强,以保证堵漏结构的使用寿命。
(2)顶压黏结法。
是在大于介质泄漏压力的外力作用下,迫使泄漏停止,再用胶黏剂进行黏结,胶黏剂完全固化,撤出外力,达到堵漏目的。
顶压黏结法的关键是顶压工具,调配好的修补剂放在顶压工具的凹槽内,压向泄漏缺陷部位,修补剂固化完全,胶黏剂处理后,再撤出顶压工具。
(3)引流黏结法。
是采用修补剂或胶黏剂,把引流器粘于泄漏处,在黏结和固化过程中,泄黼介质通过引流器的引流孔排放,降低修补剂和胶黏剂承受泄漏介质的压力,有利于固化完全。
最后封堵引流孔,达到带压堵漏目的。
具体应用实例见上节,合成树脂玻璃布缠卷法堵漏。
2024年带压黏结堵漏技术(二)带压黏结堵漏技术是一种用于处理井下压力故障和堵漏问题的技术。
在2024年,这项技术已经得到了全面发展和广泛应用。
下面是对该技术的详细介绍:一、带压黏结堵漏技术的背景与意义1. 油气井压力故障和堵漏问题的严重性:油气井在生产过程中常常会遇到压力故障和堵漏问题,这会严重影响油气的产量和安全生产。
记住:堵漏三不堵,1.有延伸趋势的裂纹不能堵,会加快裂纹延伸。
2.腐蚀减薄严重不能堵,无法承受夹具或辅助工具的载荷。
3.漏点所在装置振动,且形成的孔洞、减薄使泄漏装置本体强度降低不能堵,夹具不能成为装置的加固措施。
检修-----带压堵漏技术及操作方法阀门带压堵漏技术1 阀门的泄漏常发生在填料、法兰密封及阀体上,阀门长时间泄漏可造成阀杆和法兰密封面的冲蚀,最终可使阀门报废,加上介质流体的损失,使电厂的消耗增加,成本上升,经济效益下降。
如果介质流体有毒、易燃、易爆、腐蚀性等发生外泄漏,则容易发生中毒、火灾、爆炸等伤亡事故和加快厂房设备的腐蚀速度,缩短其使用寿命,严重时污染周边环境,破坏电力生产,损害人们的身体健康。
泄漏的存在严重威胁着安全生产,使非计划停机事故增多。
以下介绍一些阀门泄漏原因及堵漏方法以及对阀门的维修和维护方法,供参考。
2 阀门外漏的形式及因素2.1 阀门填料的泄漏及原因阀门在操作使用过程中,阀杆同填料之间存在着相对运动,它包括转动和轴向移动。
随着开关次数的增加,相对运动的次数也随之增多,还有温度,压力和流体介质的特性等影响,阀门填料是最容易发生泄漏的部位。
它是由于填料接触压力的逐渐减弱,填料自身的老化,失去了弹性等原因引起的。
这时压力介质就会沿着填料与阀杆的接触间隙向外泄漏,长时间会把部分填料吹走和将阀杆冲刷出沟槽,从而使泄漏扩大化。
2.2 法兰的泄漏阀门的法兰密封主要是依靠连接螺栓的预紧力,通过垫片达到足够的密封比压,来阻止被密封压力流体介质的外泄。
它泄漏的原因有很多方面,密封垫片的压紧力不足,结合面的粗糙度不符合要求,垫片变形和机械振动等都会引起密封垫片与法兰结合面密合不严而发生泄漏。
另外螺栓变形或伸长,垫片老化,回弹力下降,龟裂等也会造成法兰面密封不严而发生泄漏。
法兰泄漏还有不可忽视的人为因素,如密封垫片装偏,使局部密封比压不足紧力过度,超过了密封垫片的设计极限,以及法兰紧固过程中用力不均或两法兰中心线偏移,造成假紧现象等都容易发生泄漏。
1. 基于无损检测技术的管道带压堵漏方法:利用超声波、磁粉探伤等技术,对管道进行全面检测,发现漏点后在带压状态下进行封堵,以避免停机维修对生产造成影响。
2. 热膨胀带压堵漏方法:通过控制管道内的温度,使管道膨胀,从而密封漏点,达到堵漏效果。
这种方法适用于高温管道,如石油、化工等行业。
3. 高压注入封堵剂的管道带压堵漏方法:利用高压泵将封堵剂注入管道漏点处,通过封堵剂的固化反应或物理堵塞效果,堵住漏点,实现管道的带压堵漏。
4. 超声波探测与快速堵漏技术相结合的管道带压堵漏方法:通过超声波探测技术快速发现漏点位置,然后利用快速堵漏技术实施封堵,缩短停机时间,提高生产效率。
5. 管道带压堵漏的无损检测与维修方案:综合运用无损检测技术,如红外热像仪、超声波探伤等,对管道进行全面检测,然后根据检测结果提出相应的维修方案,实施带压堵漏。
6. 高分子封堵材料的管道带压堵漏方法:利用高分子封堵材料,将其注入管道漏点处,通过其粘附性和固化性,堵住漏点,实现管道的带压堵漏。
7. 高压水封堵漏方法:利用高压水射流,在管道漏点处形成高压水柱,对漏点进行封堵。
这种方法适用于一些较大的漏点或者管道不适合使用其他封堵方法时。
8. 脉冲封堵技术的管道带压堵漏方法:通过脉冲喷射封堵剂,形成瞬时高压,将封堵剂推入漏点,快速封堵管道漏点,实现带压堵漏。
9. 激光堵漏技术的管道带压堵漏方法:利用激光束对漏点进行聚焦,产生高温瞬间熔化管道材料,实现堵漏效果。
这种技术能够快速、准确地堵住漏点,且对管道材料的损伤较小。
10. 气体封堵方法的管道带压堵漏方法:通过将特定气体注入管道漏点处,形成气体堵塞物,堵住漏点,实现管道的带压堵漏。
这种方法适用于对管道材料要求较高的情况。
第一章、高温高压技术注剂密封技术简介:注剂密封技术是“管道容器不动火不停输快速带压堵漏行业”简称带压堵漏行业内十种技术工艺里的一种,使用“GBM2060注剂密封工具包”主要应用在高温高压管道堵漏抢险施工中,可安全快速带压堵漏。
一、堵漏范围:1、泄漏载体:管道2、泄漏部位:管道的直管、三通、弯头、短接、变径、法兰、阀门3、直径:≤3800mm4、材质:金属5、压力:5Mpa~63 Mpa6、温度:-195~1000℃二、操作步骤:1、按照管道的直管、三通、弯头、短接、变径、法兰、阀门等部位测量直径和长度;2、按照GBQ140器具样品外形和堵漏光盘内图纸制作卡具;3、卡具上旋拧注胶嘴后将卡具安装在泄漏部位,把卡具连接螺丝旋紧;4、把注胶枪头外螺纹旋拧至卡具上注胶阀的内螺纹上;5、按照介质性质选用TXG1~99#带压密封胶装填至注胶枪头的侧填料口内;6、手反复压动注胶泵手柄将胶注入到卡具内,直到不漏为止;7、更详细的注剂密封技术详见操作手册。
三、工器具和材料:1、卡具:GBQ140、GBQ150、GBQ180注剂卡具样品各一只,制作卡具做参考之用;2、注胶阀:GF12直通注胶阀,安装在器具上,和枪头连接可直径往卡具内注胶,注胶后可以关闭;3、角度转换:GF13多角度转换头,当注胶位置有其他遮挡物阻挡不能直接注胶时可以选择本品,将多角度转换头安装在器具上,把注胶方向转换连接到空旷地段,再将直通注胶阀旋拧至多角度转换头上即可注胶;4、丝杆注胶:GF16D丝杆注胶嘴,当法兰连接螺丝出现泄漏时可以使用本品直接注胶之用,本品最佳使用为和XFQ6不锈钢法兰万能卡带配套使用;5、密封注剂:TXG1~99#带压密封注剂胶棒,根据介质选用,例如高温蒸汽使用TXG98、19、21#等;6、M70c注胶枪:①注胶枪是由手动高压泵、②转换连接三通、③油浸防震高压表、④快接头、⑤高压软管、⑥注胶枪头组成;—————————————声明:本文由xyong888发布、并对此行为可能带来的后果承担全部责任.文章出自海川化工论坛(),转载需经本站许可,并注明出处并加上链接。
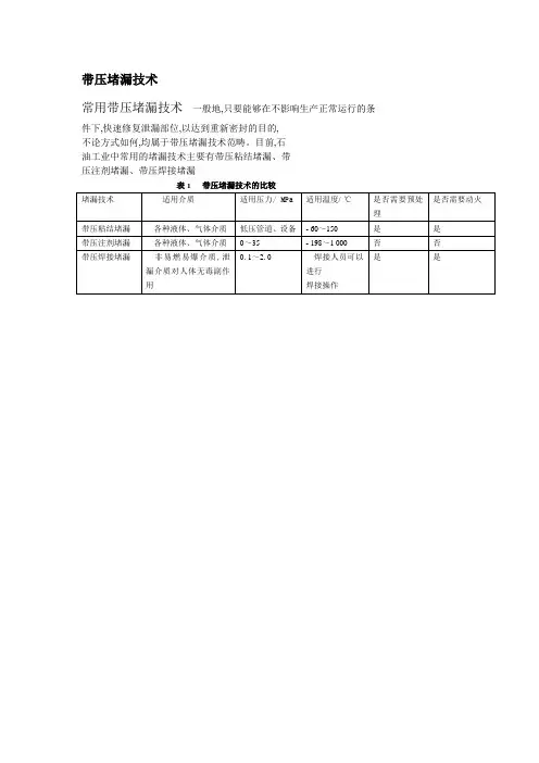
带压堵漏技术
常用带压堵漏技术一般地,只要能够在不影响生产正常运行的条
件下,快速修复泄漏部位,以达到重新密封的目的,
不论方式如何,均属于带压堵漏技术范畴。
目前,石
油工业中常用的堵漏技术主要有带压粘结堵漏、带
压注剂堵漏、带压焊接堵漏
表1 带压堵漏技术的比较
堵漏技术适用介质适用压力/ MPa 适用温度/ ℃是否需要预处
理
是否需要动火带压粘结堵漏各种液体、气体介质低压管道、设备- 60~150是是
带压注剂堵漏各种液体、气体介质0~35- 198~1 000否否
带压焊接堵漏非易燃易爆介质,泄
漏介质对人体无毒副作
用0. 1~2. 0焊接人员可以
进行
焊接操作
是是。
几种常见阀门漏点的带压堵漏方法介绍根据生产现场的具体情况,可以采用更换阀门、更换阀门填料、更换法兰垫片或焊补孔洞的方法消除一般泄漏。
但对于生产运行中的阀门,在无法隔离的情况下,则必须采取相应的技术手段消除泄漏,以保证安全生产的正常运行。
1、阀门填料室泄漏的带压堵漏处理采用注剂式带压堵漏技术是目前比较安全可靠的一种技术手段,它采用特别夹具和液压注射工具,将密封剂注射到夹具与泄漏部位部分外表面所形成的密封空腔内,迅速地弥补各种复杂的泄漏缺陷。
在注剂的压力大于泄漏介质压力的条件下,泄漏被强行止住,注剂自身在短时间内由塑性体转变为弹性体,形成一个有弹性的密封结构并能维持一定的工作密封比压,达到重新密封的目的。
目前,国内外生产和使用的密封注剂大致分为两类:一类是热固化密封注剂,这类注剂只有达到一定温度才能由塑料体转变为弹性体,常温下则为固体;另一类是非热固化密封注剂,它适用于常温,低温及高温场合的动态密封作业要求,这类密封注剂多制成棒状固体或双组分的腻状材料,将其装在高压注枪后,在一定的压力下具有良好的注射工艺性及填充性,且不失去阀门开关功能。
下面介绍两种常用方法:(1)对于阀门填料函的壁厚大于8mm左右时,在动态条件下采用注式带压堵漏消除缺陷时,可以直接在阀门的填料函壁面上开设注剂孔的方式作业,密封腔就是阀门的填料函自身,注入到阀门填料函内的密封注剂的作用与填料所起的作用相同。
首先在阀门填料函外壁的适当位置用直径10.5mm或8.7mm的钻头开孔,孔不能钻透,大约留1--3mm左右,撤出钻头,用M12或M10的丝锥攻丝,攻丝结束后,把注剂专用旋塞阀拧上,并使之处于开的位置,用直径3mm的长杆钻头把余下的阀门填料函壁钻透,这时泄漏介质会沿着钻头排削去方向喷出,为了防止钻孔时高温,高压,有毒或腐蚀性强的介质喷出伤人,钻小孔前可采用一挡板,先在挡板上用钻头钻一个直径5mm的孔,使之能套过长钻头上,加上挡板钻余下的壁厚则不会有危险。
带压堵漏技术1、管线泄漏管线泄漏分为小孔堵漏、裂缝堵漏。
发生小孔泄漏后,液化煌泄漏部位会发生大量气化,温度较低。
在堵漏前,先用消防水枪对泄露部位进行喷射,清理泄漏点结霜及防止其继续结霜。
泄漏点温度较低可能造成泄漏点钢管发脆,若用楔子堵漏,恐会导致管线泄漏点扩大。
另消防水不停喷射,对楔子堵漏有较大干扰,针对管线堵漏建议采取注胶密封的方法。
注胶密封堵漏工具包括管线卡具及密封胶、液压注射枪,液压泵等。
2、法兰泄漏公司液化煌管线法兰部分在管架上,或周围有阀门及其他管线,若用专用法兰工具堵漏恐不太适合堵漏实际情况。
考虑使用夹具与注射密封胶配合的方式进行堵漏。
3、弯头、阀门泄漏管线弯头或阀门发生泄漏,根据泄漏点的位置选择不同的堵漏工具,若泄漏点处于较为规则的位置可选用夹具进行密封胶填充堵漏,若泄漏点的不规则,刚性卡具不太适用,应考虑使用胶粘皮带捆扎或胶粘布带捆扎的方式进行堵漏。
弯头、阀门堵漏吸盘式堵漏工具4、储罐泄漏储罐泄漏,若罐体泄漏不方便用夹具进行堵漏,应使用吸盘式堵漏工具进行堵漏。
固体密封材料常用的有:•纤维类:常见的有各种棉、麻制品、羊毛毡、皮革以及各种人造纤维。
近几年新崛起的碳纤维填料是由碳纤维编制绳浸渍聚四氟乙烯乳液制成,它具有强度高、弹性好、耐磨损、耐高温、耐腐蚀等显著优点,其使用压力可达35Mpa,温度范围-120°C-350°C.石棉类:石棉亦属纤维类,由于它使用面广、历史长,已经独成一个体系。
它的最高使用温度可达750℃。
而压力则根据不同牌号最高仅可达IOMpa o石棉类制品由于其有明显的致癌作用,国外已经限制其使用。
橡胶类:橡胶件做密封材料应用极为广泛。
橡胶中填充其他物质可改善其性能,增加强度,用于各种不同压力、不同温度的场合。
现场不停车带压堵漏的密封注剂主要材料是橡胶和其他无机耐温材料。
堵漏专用密封剂:堵漏必须使用专用的密封剂,密封剂直接与介质接触,它的各项性能将直接影响到带压堵漏的应用范围,对新的密封装置的使用寿命也将起到决定性的作用,目前国内外生产和使用的密封注剂大约有30多个品种,大致可分为两类。
电厂带压堵漏技术措施不停机带压堵漏技术就是利用高压注射枪将特制的堵漏密封剂强行注入到装有专用夹具的泄漏处,并在短时间内形成新的密封结构,从而阻断介质的泄漏。
不停机带压堵漏技术具有不需停机,不需对漏泄部位和设备外表面作任何化学处理,不破坏原来密封结构,不影响部件的定期检修及拆装更换等特点,并且堵漏操作为手动操作,堵漏现场不需明火、电源或其它机械动力源。
因此,带压堵漏作为一种补救措施,为我司广泛的应用。
我司带压堵漏技术措施,主要做到以下几点:一,夹具设计1)圆法兰带压堵漏夹具一般采用两半制成剖分型。
夹具厚度根据两法兰间厚度而定,也可略小于法兰厚度。
夹具壁厚应能保持夹具的强度、刚性等符合要求。
在现场的几次堵漏中,根据夹具强度、加工等因素,夹具壁厚均取20 mm左右。
夹具密封表面与泄漏表面贴合间隙有严格要求,故法兰尺寸即密封基准尺寸应测绘准确。
贴合间隙主要与压力有关,温度只作参考,见表1。
若间隙过大或表面不平时,可采用预嵌软金属或预压盘根弥补。
夹具凸台在两法兰间隙中,为防止法兰紧偏时,法兰间隙不均匀。
凸台厚度应略小于法兰间隙最小值,凸台宽度略小于法兰端面至法兰螺栓最小距离。
若法兰端面与夹具贴合困难时,可将夹具凸台顶紧法兰内平面形成密封空间。
夹具拉紧耳子厚度比夹具壁厚大2~4 mm,夹具耳子长度随螺栓定,条件许可时螺栓孔应上下排列,螺栓孔数根据夹形定,螺栓孔径根据螺径定,一般比螺径大0.5~1 mm。
螺栓的螺径应根据注射压力时的强度需要进行计算或估算,一般可取M12或M14。
注射孔的孔径一般为6 mm,也可根据具体情况改用扁形孔。
注射孔的数量则应根据漏泄设备的大小而定,原则上两注射孔间距(弧长)为60~70 mm,最大不超过100 mm。
夹具毛坯在划线下料时,沿实线割开。
加工时先将结合面刨平,再将两半夹具点焊起来或将两半夹具合起来钻孔用螺栓紧好,然后由车床加工内圆。
这样加工好后夹具外圆基本上为正圆。
由于法兰装配时均不同程度存在法兰错口及两端法兰不一样大等现象,在现场测绘时,应认真、仔细、准确。
带压堵漏方案在工业生产和民用生活中,管道泄漏是一种常见的问题。
泄漏不仅会造成水资源的浪费,还有可能导致生产中断、设备损坏以及安全隐患。
为了解决这一问题,各种带压堵漏方案应运而生。
本文将介绍几种常见的带压堵漏方案,并分析其适用范围和使用方法。
一、打胶堵漏打胶堵漏是一种简单常用的带压堵漏方法,在管道泄漏处使用胶水来进行封堵。
这种方法适用于较小的漏洞或裂缝,常见于家庭自来水管道或者小型设备的管路漏损。
具体操作步骤如下:1. 清洁工作区域:使用刷子和清洁剂清洁漏点周围的管道表面,确保无油污和污垢。
2. 准备胶水:选择合适的胶水,根据胶水使用说明进行适当的搅拌和稀释。
3. 打胶封堵:使用胶枪或者刮板将胶水均匀地涂抹在漏点上,并适当加压以确保胶水与管道表面的紧密贴合。
4. 干燥时间:根据胶水的要求,等待足够的时间以使其干燥和固化。
打胶堵漏方案简单易行,适用于小范围的泄漏修复,但对于较大的漏洞或裂缝效果有限。
二、包扎堵漏包扎堵漏是一种常见的临时堵漏方法,适用于较大的漏洞或管道破损情况。
通常情况下,这种方法可以暂时封堵漏点,并在后续进行维修或更换管道。
以下是包扎堵漏的基本步骤:1. 停水断电:在进行包扎堵漏之前,务必确保相关设备或管道已经停水并断电,确保安全。
2. 清洁漏点:使用刷子和清洁剂清洁漏点周围的管道,确保表面无油污和污垢。
3. 包扎材料准备:选择合适的包扎材料,例如橡胶片、橡胶布或橡胶圈等。
4. 包扎封堵:将包扎材料用力固定在泄漏处,并确保紧密贴合,以防止水或气体再次泄漏。
5. 维修或更换:及时进行管道维修或更换,确保漏洞得到彻底解决。
包扎堵漏方案是一种临时性的解决方法,可在管道紧急情况下使用,对于较大的泄漏问题只是一个暂时的解决方案。
三、胶带封堵胶带封堵是一种简易的堵漏方法,适用于较小的管道漏洞或者裂缝。
这种方法使用防水胶带来封堵泄漏区域,常见于家庭自来水管道、水龙头等设备的维修。
具体操作如下:1. 清洁工作区域:使用刷子和清洁剂彻底清洁漏点周围的管道表面。
带压堵漏的方法(一)调整消漏法采用调整操作、调节密封件预紧力或调整零件间相对位置,勿需封堵的一种消除泄漏的方法。
(二)机械堵漏法1、支撑法在管道外边设置支持架,借助工具和密封垫堵住泄漏处的方法,称为支撑法。
这种方法适用于较大管道的堵漏,是因无法在本体上固定而采用的一种方法。
2、顶压法在管道上固定一螺杆直接或间接堵住设备和管道上的泄漏处的方法,称为顶压法。
这种方法适用于中低压管道上的砂眼、小洞等漏点的堵漏。
3、卡箍法用卡箍(卡子)将密封垫卡死在泄漏处而达到治漏的方法,称为卡箍法。
4、压盖法用螺栓将密封垫和压盖紧压在孔洞内面或外面达到治漏的一种方法,称为压盖法。
这种方法适用于低压、便于操作管道的堵漏。
5、打包法用金属密闭腔包住泄漏处,内填充密封填料或在连接处垫有密封垫的方法,称为打包法。
6、上罩法用金属罩子盖住泄漏而达到堵漏的方法,称为上罩法。
7、胀紧法堵漏工具随流体入管道内,在内漏部位自动胀大堵住泄漏的方法,称为胀紧法。
这种方法较复杂,并配有自动控制机构,用于地下管道或一些难以从外面堵漏的场合。
8、液压操纵加紧器夹持泄漏处,使其产生变形而致密,或使密封垫紧贴泄漏处而达到治漏的一种方法,称为加紧法。
这种方法适用于螺纹连接处、管接头和管道其他部位的堵漏。
(三)塞孔堵漏法采用挤瘪、堵塞的简单方法直接固定在泄漏孔洞内,从而达到止漏的一种方法。
这种方法实际上是一种简单的机械堵漏法,它特别适用于砂眼和小孔等缺陷的堵漏上。
1、捻缝法用冲子挤压泄漏点周围金属本体而堵住泄漏的方法,称为捻缝法。
这种方法适用于合金钢、碳素钢及碳素钢焊缝。
不适合于铸铁、合金钢焊缝等硬脆材料以及腐蚀严重而壁薄的本体。
2、塞楔法用韧性大的金属、木头、塑料等材料制成的圆锥体楔或扁楔敲入泄漏的孔洞里而止漏的方法,称为塞楔法。
这种方法适用于压力不高的泄漏部位的堵漏。
3、螺塞法在泄漏的孔洞里钻孔攻丝,然后上紧螺塞和密封垫治漏的方法,称为螺塞法。
这种方法适用于本体积厚而孔洞较大的部位的堵漏。
带压堵漏方案近年来,为了应对各种环境问题和工程施工中的安全考量,带压堵漏方案逐渐成为解决管道漏水问题的一种有效手段。
本文将介绍带压堵漏的基本原理和常用方法,并探讨其在不同场景下的应用。
一、带压堵漏的原理及目的带压堵漏是指在管道正常工作情况下,通过采用特定的工艺方法和材料,对管道漏水进行修复或封堵的一种技术手段。
其主要目的是在不中断管道运行的情况下,解决管道漏水问题,保证管道系统的正常运行。
带压堵漏的原理在于通过对管道漏点进行修复或封堵,以防止漏水进一步扩散和泄露。
关键在于选择合适的堵漏材料和堵漏方法,能够在高压条件下完成修复,同时保证管道的安全稳定。
二、常用的带压堵漏方法1. 密封剂注入法: 利用特定的密封剂将漏点处进行修复。
该方法适用于小型漏洞,如管道连接处的渗漏问题。
常见的密封剂包括环氧树脂和聚合物材料,具有良好的粘接性和耐压性。
2. 粘合剂修复法: 对于管道表面存在裂纹或破损的情况,可采用粘合剂进行修复。
通过填补裂纹或封堵破损部位,防止漏水发生。
常见的粘合剂有聚氨酯胶水和环氧树脂胶水,能够在带压状态下固化,形成坚固的修复层。
3. 张力控制法: 当管道表面存在脆化或损伤的情况时,可通过张力控制方法进行修复。
该方法通过增加管道的张力,使管道内部的应力得到分散,从而减少漏水的发生。
三、带压堵漏方案的应用场景1. 城市给水管道: 针对城市内的给水管道,由于长期使用和环境因素等原因,漏水问题常常出现。
带压堵漏方案可以在减少对居民的影响的同时,快速解决给水管道的漏水问题,保证供水质量和供水安全。
2. 工业管道系统: 在工业生产中,各类管道系统承载着重要的输送任务。
若漏水问题不得到及时修复,不仅会影响生产效率,还会对环境造成污染和安全隐患。
带压堵漏方案能够保证管道的可靠性和稳定性,解决管道系统漏水问题。
3. 油气输送管道: 对于油气输送行业而言,漏油问题是一个不容忽视的风险。
带压堵漏方案通过快速定位漏点并进行修复,有效减少漏油事故的发生,同时保障油气输送的安全性和节约性。
管道带压封堵技术管道带压封堵技术是一种安全、经济、快速高效的在役管道维抢修特种技术。
它能在不间断管道介质输送的情况下完成对管道的更换、移位、换阀及增加支线的作业,也可以在管道发生泄漏时对事故管道进行快速、安全地抢修,恢复管道的运行。
管道突发性事故的抢修,过去传统的做法必须停输、清空管线后进行或采取一些临时性补救措施,给管线的安全运行带来了极大的隐患。
我国的管道不停输封堵业务在借鉴国外技术的基础上,通过科研攻关,实现了多项技术工艺的自主创新,封堵设备日趋完善,封堵能力、规格、种类不断提高,业务范围也不断扩大,封堵口径从25mm到1020mm多种管径,封堵压力最高达10MPa。
不停输带压封堵技术安全可靠,无污染,既不影响管线的正常输送,又能保证安全、高效、环保地完成新旧管线的连接工作。
不停输带压封堵技术适用的介质有石油、天然气、水、乙烯、煤气、中质油、航油等无强腐蚀性的介质。
带压封堵工序:(1)开挖封堵作业坑开挖封堵作业坑时,应由施工队长统一指挥挖掘机,其他人员远离现场,如出现伤人事件,立即启动应急方案;为避免封堵作业坑出现滑坡现象,坑的周围必须有一定的坡度。
如出现滑坡,应立即组织清理。
(2)带压焊接封堵三通焊接时,必须降低管道输油压力在2.0MPa以下,同时采取降温措施水冷却;焊接时必须穿戴焊工保护用品,避免出现弧光伤眼,如出现伤人事件应立即送医院治疗。
如出现焊穿现象,应立即用焊条堵上,并焊死,如出现着火现象,应立即启用应急方案。
(3)密闭开孔开孔前严格按照安全操作规程进行试压,如遇开孔时出现漏油现象应立即采取措施,找出漏油点并消除掉;如出现着火现象,应立即启用应急方案。
如果卡刀,应立即扳动换向阀,停车分析原因后,重新启动;如果刀具损坏,应果断提起刀盘,关闭夹板阀,换上备用刀具。
(4)封堵封堵时,要依照“先高压再低压,先内侧再外侧”的原则来进行,即先封高压端,再封低压端。
下堵头时,夹板阀上的放气阀门关闭不严或未关,造成漏油或着火,此时立即启动应急方案。
管道类泄漏常见带压堵漏方法带压堵漏技术是在管道运行状态下,通过在泄漏处施加一定的压力,使得管道内介质不再外泄,达到暂时堵漏的效果。
这种技术的优点在于可以不停车进行处理,减少生产停工时间和经济损失,同时也能够保证人员安全和环境保护。
3.2带压堵漏技术的分类带压堵漏技术根据介质性质和泄漏形式的不同,可以分为两种类型:气体带压堵漏和液体带压堵漏。
气体带压堵漏适用于气体介质的泄漏,液体带压堵漏适用于液体介质的泄漏。
根据堵漏的位置,还可以分为管道内带压堵漏和管道外带压堵漏。
3.3带压堵漏技术的实施注意事项在实施带压堵漏技术时,需要注意以下几个方面。
首先,需要根据泄漏的介质性质和泄漏形式选择合适的堵漏材料和堵漏方法。
其次,需要对堵漏位置进行准确的定位和判断,避免对管道造成二次损伤。
同时,在施工过程中需要保证施工人员的安全,采取必要的防护措施,避免发生意外事故。
最后,需要对堵漏效果进行检测和评估,确保堵漏效果达到预期目标,避免漏检或误判。
隔离式夹具堵漏技术适用于直管、弯头、法兰等,适用于工作压力≤20MPa、工作温度≤900℃的管道。
操作原理为:根据管道、管件外形及泄漏点尺寸加工夹具,夹具在泄漏点部位为空腔,夹具空腔边缘与管道或管件外形吻合,夹具设有隔离阀门;将夹具箍紧,关闭隔离阀门,从而建立密封空腔实现堵漏效果,见图4.图4隔离式夹具堵漏技术4.2阀门泄漏带压堵漏技术阀门泄漏带压堵漏技术适用于各种类型的阀门,适用于工作压力≤20MPa、工作温度≤900℃的管道。
堵漏材料为专用金属夹具、耐高温橡胶垫、密封胶。
操作原理为:根据阀门类型及泄漏点尺寸加工夹具,夹具在泄漏点部位为空腔,夹具空腔边缘与阀门外形吻合,夹具设有隔离阀门;将夹具箍紧,关闭隔离阀门,从夹具注入密封胶,从而建立密封空腔实现堵漏效果,见图5.图5阀门泄漏带压堵漏技术通过以上的带压堵漏技术,可以有效地解决管道和阀门泄漏问题,保证装置的安全稳定运行,减少经济损失和环境污染。
带压堵漏的八种技术一、带压堵漏介绍压力管网出现油、气、水泄漏的情况下,本项技术针对各种形态的泄漏,在不停产、不动火或安全动火的情况下带压堵漏,使泄漏损失降到最低,避免事故发生。
立体的带压堵漏技术。
我公司拥有八种带压堵漏技术,每一种技术包括一套或几套系列产品,构成一整套对付油田及民用油、气、水压力管线、地面设备等泄漏的立体技术。
其中专利产品十三项。
目前,带压堵漏技术已成功的在中原油田、胜利油田、河南油田、大庆油田、吉林油田和大港油田及中海油等单位进行了较好的推广应用,从2001 年开始的四年时间内,在安全生产和经济效益等方面收到了良好效果。
带压堵漏技术经过几年的发展,通过北京管通科技开发有限责任公司的研发人员的努力,攻克了如下技术难题:一是低压直管堵漏速度慢,须放空;二是低压弯头须放空电焊,隐患大,延误生产;三是微压容器及设备须停产维修;四是高压井口须停产维修。
立体带压堵漏技术的创新点主要是在不停产、不动火或安全动火的情况下带压堵漏,包括堵焊技术、钢带拉紧技术、快速捆扎技术、低压粘补技术、注剂式密封技术等。
且每一种技术都制定了详细的操作规程,规范了堵漏产品,克服了以往堵漏产品制作随意性强、周期长,现场操作慢的缺点。
其中钢带拉紧技术实现了操作的半机械化;快速捆扎技术将堵漏产品的固持部分和密封部分合为一体,操作简便;低压粘补技术应用壁挂式堵漏器这项专利技术;注剂式密封技术研制了对付微逢和补注的密封注剂和保护泄漏本体的双层夹具;堵焊技术研制了遇热固化的高温密封垫和专利产品管道堵漏钳。
我们研究了韩国南金株式会社生产的管道连接修补器,美国Flowserve 公司生产的止漏电焊产品,这些产品或者手工操作工作压力低,或者成本较高且不能带压作业,不适合在压力管网大面积推广应用。
技术成熟性和可靠性:经过四年来大量生产单位的使用及培训普及,目前本项技术已经趋于成熟,其安全性、可靠性,快速、易作业等特点得到多方认可,在中石油、中海油、中石化等企业获得通过。
本项目曾获得河南省安全生产科技成果奖。
本产品的检测合格率较高,达到99% 以上,在实际使用本产品过程中安全、可靠性达到100% 。
带压堵漏技术简介压力管网出现油、气、水泄漏的情况下,本项技术针对各种形态的泄漏,在不停产、不动火或安全动火的情况下带压堵漏,使泄漏损失降到最低,避免事故发生。
立体的带压堵漏技术。
我公司拥有八种带压堵漏技术,每一种技术包括一套或几套系列产品,构成一整套对付油田及民用油、气、水压力管线、地面设备等泄漏的立体技术。
其中专利产品十三项。
目前,带压堵漏技术已成功的在中原油田、胜利油田、河南油田、大庆油田、吉林油田和大港油田及中海油等单位进行了较好的推广应用,从2001 年开始的四年时间内,在安全生产和经济效益等方面收到了良好效果。
带压堵漏技术经过几年的发展,通过北京管通科技开发有限责任公司的研发人员的努力,攻克了如下技术难题:一是低压直管堵漏速度慢,须放空;二是低压弯头须放空电焊,隐患大,延误生产;三是微压容器及设备须停产维修;四是高压井口须停产维修。
立体带压堵漏技术的创新点主要是在不停产、不动火或安全动火的情况下带压堵漏,包括堵焊技术、钢带拉紧技术、快速捆扎技术、低压粘补技术、注剂式密封技术等。
且每一种技术都制定了详细的操作规程,规范了堵漏产品,克服了以往堵漏产品制作随意性强、周期长,现场操作慢的缺点。
其中钢带拉紧技术实现了操作的半机械化;快速捆扎技术将堵漏产品的固持部分和密封部分合为一体,操作简便;低压粘补技术应用壁挂式堵漏器这项专利技术;注剂式密封技术研制了对付微逢和补注的密封注剂和保护泄漏本体的双层夹具;堵焊技术研制了遇热固化的高温密封垫和专利产品管道堵漏钳。
我们研究了韩国南金株式会社生产的管道连接修补器,美国Flowserve 公司生产的止漏电焊产品,这些产品或者手工操作工作压力低,或者成本较高且不能带压作业,不适合在压力管网大面积推广应用。
技术成熟性和可靠性:经过四年来大量生产单位的使用及培训普及,目前本项技术已经趋于成熟,其安全性、可靠性,快速、易作业等特点得到多方认可,在中石油、中海油、中石化等企业获得通过。
本项目曾获得河南省安全生产科技成果奖。
本产品的检测合格率较高,达到99%以上,在实际使用本产品过程中安全、可靠性达到100%。
二、八种带压堵漏技术1、钢带拉紧技术钢带拉紧技术是通过专业的钢带拉紧工具和相关的钢带拉紧堵漏产品,对压力管网泄漏实施带压堵漏的一种专业化技术。
钢带拉紧技术产品定型无需预制,克服了卡箍预制时间长的缺陷。
对泄漏现场应变能力强,可广泛应用于压力在1.6MPa 以下的直管、异径管、三通、法兰焊口、弯头、阀体等各个位置。
对于压力等级在1.6MPa 以下的泄漏,传统上多采取卡箍止漏法。
这种方法的预制时间长,对现场的应变能力差,类似三通、法兰根部、直管凹凸不平处或位置狭小处都难以适用。
钢带拉紧技术较好的克服了这些缺陷。
2、快速捆扎技术快速捆扎技术通过快速捆扎带对泄漏部位进行捆扎,以达到制止泄漏的目的的一种堵漏技术。
所有堵漏产品可以从结构上分为两部分,即固持部分和密封部分。
两部分共同作用才能在泄漏处形成新的密封体系,从而产生堵漏效果。
大部分堵漏产品的固持部分和密封部分是相互独立的,而捆扎带是固持部分与密封部分合为一体的堵漏产品,在捆扎时,随着捆扎带的增厚,能不断产生挤压力,从而达到快速捆扎堵漏的目的。
捆扎技术的适用对象和特点:1、可用于喷射状态下的直管、弯头、三通、活节头、法兰缝、法兰焊口等位置,对于小管径的堵漏效果比较好。
2、适用压力1.6MPa 以下3、堵漏后对泄漏处具备加强修复作用3、低压粘补技术低压粘补技术即化学粘合技术,它是通过一种导流装置,利用专业的胶粘剂对泄漏本体进行泄漏治理的一种堵漏技术。
它通常在常温下施工,不需要专门设备和能源,因此又被称冷焊技术。
治理石油天然气管道泄漏所采取的低压粘补技术是利用成熟的胶粘剂进行堵漏,现有的胶粘剂均不易直接带压粘补,现场应用中的难点是研发一种导流装置,实现带压粘补。
专利产品导流帽就是这样一种导流装置。
保证低压粘补的成功率,需要备齐必要的辅助工具,采用适当的辅助工艺,选择合适的胶粘剂,做好精细的表面处理。
4、注剂式密封技术一般来讲,对于治理压力在二、三兆帕以上的石油天然气泄漏以及法兰、阀门等疑难位置的泄漏可以采用注剂式密封技术。
注剂式密封技术是石化行业比较成熟的堵漏技术,而且是该行业带压堵漏的代名词。
因为注剂式密封工艺具有耗时长的缺点,所以在解决石油天然气泄漏时该技术一般作为最后选择。
注剂式密封技术通过在预制的夹具和泄漏本体间注入密封注剂,而建立新的密封体系。
在注剂压力远远大于泄漏介质压力的条件下,泄漏被强行止住,密封注剂自身能够维持住一定的工作密封比压,并在短时间内形成一个坚硬的、富有弹性的新密封结构,达到重新密封的目的。
注剂式密封技术尤其经过石化企业二十多年的应用,在堵漏领域发挥了不可替代的作用。
但是复杂多样的泄漏现场也为该技术提出了新的应用难题:·如何提高夹具对泄漏本体的适应能力?这个难题不予解决,就无法为不可控点预制夹具,提高该工艺的操作速度。
·如何提高夹具对泄漏本体的保护能力,不使密封注剂对泄漏本体形成冲击破坏?·现场缺乏能够补注和注入微缝的密封注剂。
这些应用难题的存在限制了注剂式密封技术在堵漏领域的应用范围,妨碍了该技术的推广和普及。
近期,我们注意到:·专利产品双层夹具解决了高压密封注剂对泄漏本体的冲击破坏问题。
专利产品浮环式夹具提高了夹具对泄漏本体的适应能力,大大缩短了该技术在现场的操作时间注剂式密封技术几乎是解决石油天然气泄漏的“万能技术”,可以涵盖漏位置、35MPa以下不同压力等级、不同泄不同泄漏介质的各种泄漏,随着该项技术的日臻成熟,相信能够在解决石油天然气泄漏方面得到普及和推广。
5、快速止窃技术近年来由于不法分子破坏石油天然气管道,在油气管网上安装阀门窃油窃气,给生产单位带来重大损失。
在不停产条件下安全拆除窃油气阀门恢复管线原貌,并降低拆除窃油气阀门的安全隐患,一直是管道企业的重大难题。
我们注意到专利产品膨胀式封堵器顺利解决了这个难题。
膨胀式封堵器在不停产、不放空的情况下施工,其操作程序有四个环节:1、采用和膨胀式封堵器配套的探测工具探测孔径,选择相应的封堵头;其次,在窃油气阀门上安装膨胀式封堵器,落下封堵头至窃油孔并予以封堵,检测封堵是否彻底;2、确认彻底封堵后锯掉阀门短节;3、电焊加固。
膨胀式封堵器的技术参数:1、适用于压力6Mpa 以内。
2、适用于温度200℃以内。
适用于闸板阀或者球阀。
6、抽油机泄漏治理技术7、堵焊技术当石油天然气管道泄漏需要电焊修补时,原来的电焊方法一般采用打木塞再电焊的方法,泄漏不规则时采用停产放空的电焊方法。
这种操作方式的安全隐患相当大,绝大部分要带火作业,而且多数必须着火作业。
我们注意到,专利产品管道堵漏钳配合高温密封垫,可以在成功堵漏的前提下施焊,专利产品局部双层堵焊夹具也可以实现先堵后焊,这些技术在确保无泄漏的条件下实施电焊,大大降低了安全隐患,填补了该项技术在堵焊领域应用中的一项空白。
8、管线带压修复技术石油天然气管道因腐蚀而导致的泄漏占泄漏中的绝大部分,目前常见的技术对策主要从两方面考虑:1、应急堵漏,2、更换管线。
如何在原管线的基础上再造新管线,无论从安全生产、降低成本及社会效益等诸多方面来评价, 均比上述两种思路更优越,因此,管网带压修复技术应运而生。
管网带压修复技术是将预制好的模管安装在需修复的管线上,通过增压工艺,将环氧树脂注入模管与管线的夹层内固化成管线,从而达到不停产,带压修复的目的。
产品销售网站导航:堵漏公司堵漏培训带压堵漏管道堵漏堵漏产品堵漏技术地址:北京市昌平科技园区创新路27 号一层豫ICP 备05011707 地址:河南省濮阳市中原路东段13 号华技网络提供技术支持进入后台管理。