硅酸铝纤维板 (2)
- 格式:doc
- 大小:123.00 KB
- 文档页数:5
硅酸铝制品保温材料技术性能介绍产品介绍硅酸铝制品是一种新型绿色环保的保温材料,是单组份材料包装,无毒无害、具有优良的吸音、耐高温、耐水、耐冻性能、收缩率低、整体无缝、无冷桥、热桥形成:质量稳定可靠、抗裂、抗震性能好、抗负风压能力强、容重轻、保温性能好并具有良好的和易性、保水性、附着力强、面层不空鼓、施工不下垂、不流挂、减少施工耗、燃烧性能为A级不燃材料:温度在-40-800℃范围内急冷急热,保温层不开裂,不脱落,不燃烧,耐酸、碱、油等。
硅酸铝制品保温材料具有容重情,热熔小,导热系数低,抗热性能和机械振动性能优异等特点。
硅酸铝生产技术标准和规范DL/T5072-2007《火力发电厂保温油漆设计规程》DL/T776-2012《火力发电厂绝热材料》GB/T4132《绝热材料及相关术语》GB/T11835-2007《绝热用岩棉、矿渣棉及其制品》GB/T16400-2003《绝热用硅酸铝棉及其制品》硅酸铝保温材料种类硅酸铝制品:硅酸铝板、硅酸铝缝毡、硅酸铝管壳、硅酸铝纤维纸硅酸铝保温材料使用温度硅酸铝制品:适用于介质温度>300℃的设备及管道的保温;硅酸铝保温材料选用性能如下:保温材料使用密度kg/m3推荐最高使用温度℃导热率λ(℃)W/(mk)导热率参考方程硅酸铝制品毯6496128192800≤0.056tm≤400°C时:λL=λ0+0.0002(tm-70)tm>400°C时:λH=λL+0.00036(tm-400)下式中λL取上式tm=400°C时计算结果毡板壳硅酸铝制品组织结构方面1.气孔率该材料具有气孔率高,分布均匀,一般情况下气体空隙的存在时各类材料发挥保温作用的必要条件,保温材料的导热系数大小取决于气孔的多少、气孔的尺寸、形状结构及分布。
分布均匀和呈封闭状微球型孔愈多的导热系数越低。
2.维直径硅酸铝纤维直径1-4微米,呈交织状均匀分布,无需粘接剂货少量粘接剂,保温材料从热面到冷面的传热包括传导,对流和辐射三种形式,因热导随材料的密度的加大而增加,要求纤维本身容重轻,在容重不变的情况下,用减少纤维直径来达到减小纤维间的接触面积,增加串联解除数目而加大热阻,从而降低材料的导热系数。
硅酸铝陶瓷纤维板简介硅酸铝陶瓷纤维板是一种由高纯度硅酸铝纤维经过制备和加工而成的板状材料。
由于其优异的耐高温性能和优良的绝热性能,在工业领域得到广泛应用。
本文将介绍硅酸铝陶瓷纤维板的特点、应用、加工工艺和注意事项等内容。
特点硅酸铝陶瓷纤维板具有以下主要特点:1.高温稳定性:硅酸铝纤维具有优异的耐高温性能,能够稳定工作在1000°C以上的高温环境下。
2.轻质绝热性:硅酸铝纤维板的密度低,热传导系数小,具有良好的绝热性能,能够有效隔热并降低能源消耗。
3.耐腐蚀性:硅酸铝纤维对酸碱等化学物质具有较好的耐腐蚀性能,适用于多种腐蚀性介质的工作环境。
4.机械强度高:硅酸铝纤维板具有较高的抗压强度和抗弯强度,能够承受一定的机械载荷。
5.隔音降噪性:硅酸铝纤维板具有优秀的隔音性能,能够有效降低噪音传播。
应用硅酸铝陶瓷纤维板由于其优良的性能,在各个行业都有广泛的应用,主要包括以下几个方面:1.高温设备绝热:硅酸铝纤维板可以用于高温设备的绝热保温,如工业窑炉、炉膛、管道等。
2.建筑隔热:硅酸铝纤维板能够提供良好的隔热效果,可以用于建筑物墙体、屋顶等部位的隔热。
3.冶金行业:硅酸铝纤维板可以用于冶金行业的高温炉窑、加热炉等设备的绝热保温。
4.化工行业:硅酸铝纤维板对酸碱等化学品具有较好的耐腐蚀性能,适用于化工设备的绝热保温。
5.电子行业:硅酸铝纤维板可以用于电子设备的绝热隔热,如电池、半导体设备等。
加工工艺硅酸铝陶瓷纤维板的加工工艺主要包括以下几个步骤:1.原料制备:选择高纯度的硅酸铝纤维作为原料,进行筛分和清洗,以去除杂质。
2.混合搅拌:将清洗后的纤维与适量的结合剂进行混合搅拌,使其均匀分布。
3.压制成型:将混合后的纤维料放入模具中,通过压制成型将其变成板状。
4.固化烧结:将成型后的纤维板放入烧结窑中,进行固化烧结,以增强其机械强度和耐高温性能。
5.表面处理:对烧结后的纤维板进行表面处理,以提高其光洁度和外观质量。
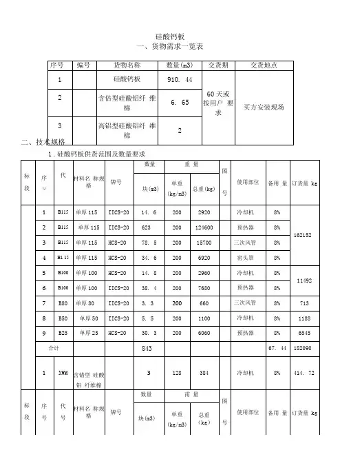
硅酸钙板一、货物需求一览表1.硅酸钙板供货范围及数量要求2.交货地点:焦作千业水泥有限责任公司二期4500t/d熟料水泥生产线安装现场.交货期:60天或按用户要求3.供货范围硅酸钙板,其中应包括:硅酸钙板、含错型硅酸铝纤维棉、高铝型硅酸铝纤维棉等。
除此之外还应能保证该材料长期、安全、稳定有效正常使用,并配备同硅酸钙板数量相适应的施工所需粘结粉(BP-1)、特种防水剂(WP-1)、水玻璃和耐高温环氧沥青漆;3.1卖方必须满足但不仅限于第5款理化指标中所规定内容。
4.理化指标要求理化指标要求见下表,货到时随机带产品使用(施工)说明书、合格证及检验单一份;5.2理化指标要求表(不仅限于此表,投标方可高于此表性能要求).硅酸钙板理化指标(1)化学成分含量标准要求Si02:47%CaO:44%Fe203:0.3%Al203:1.0%烧失量:5.7%(2)物理指标(3)产品规格及尺寸公差26、质量要求1.1货物应严格按所需货物规格制造,满足设计理化指标要求,符合相关行业标准。
1.2、制造标准:货物必须符合或高于本理化指标的要求。
技术文件未涉及的部分按《水泥回转窑用耐火材料使用规程》。
7.其他要求7.1硅酸钙板报价要有详细分项明细报价,中标后业主有可能会根据需要对硅酸钙板的数量做出适当调整,调整的价格根据中标者的中标价格折算,然后对合同总价进行增减。
8.投标方技术参数响应:8.1质量保证8. 2寿命保证8.1安装调试:卖方现场服务人员的目的是使所供耐火材料安全、正常投运。
系统砌筑、浇注期间,卖方要派合格的现场服务人员到现场指导砌筑、浇注。
系统发生故障时卖方有义务提供无偿的现场技术服务,且在接到买方通知后须在24 小时内到达买方现场。
在投标阶段卖方向买方提供现场服务的计划,包括人员、人数、服务时间等要严格遵守。
如果该现场服务计划不能满足工程需要,卖方应无偿及时的追加现场服务人数及现场服务时间。
9.2卖方现场服务人员应具有以下资质:(1)遵纪守法,遵守现场的各项规章制度。
硅酸铝保温容重100硅酸铝概述说明以及解释1. 引言1.1 概述硅酸铝保温材料是一种常用的建筑保温材料,它具有优良的隔热性能和耐高温性能。
在建筑领域中,硅酸铝保温材料广泛应用于墙体、屋面和地板等部位的保温工程。
本文将对硅酸铝保温材料进行概述、解释以及相关技术分析。
1.2 文章结构本文主要分为以下几个部分:引言、硅酸铝保温、容重100硅酸铝概述说明、硅酸铝解释和结论。
首先,在引言部分,我们将介绍文章的背景和目的,为读者提供一个整体了解文章内容的基础。
然后,我们将详细探讨硅酸铝保温材料的定义、原理、特点以及应用领域与案例分析。
接着,我们会对容重100硅酸铝进行概述说明,包括其含义与描述、制备方法和工艺流程以及性能特点和适用范围。
其次,我们将对硅酸铝进行解释,包括其结构与成分解析、物化性质及应用特点的阐述以及生产技术和发展趋势展望。
最后,我们将总结回顾本文内容,并对关键问题进行讨论,同时展望未来硅酸铝保温材料的研究方向。
1.3 目的本文的目的旨在全面介绍硅酸铝保温材料及其相关特性和应用。
通过对硅酸铝保温材料的概述、解释和分析,为读者提供深入了解该材料以及在建筑保温中的应用价值,并为未来研究方向提供一定参考依据。
本文力求清晰地阐述各部分内容,使读者能够全面了解硅酸铝保温材料及其容重100型号,并对该材料有更深入的理解。
2. 硅酸铝保温2.1 定义与原理硅酸铝保温是一种常用的保温材料,通过采用硅酸铝纤维制成的隔热层来减少热量传递。
其原理是利用硅酸铝纤维独特的结构和物理性质,形成高度部分真空或气体流通状态,从而降低传导和对流导致的热量损失。
2.2 特点与优势硅酸铝保温具有以下特点和优势:1. 优异的隔热性能:硅酸铝纤维具有低导热系数,能够有效减少热量传递,提供良好的隔热效果。
2. 轻质化:由于硅酸铝纤维密度较低,使得硅酸铝保温材料相对轻型化,并且不会给建筑结构增加过重负荷。
3. 耐高温性能:硅酸铝纤维在高温下依然具有稳定的化学和物理性能,能够承受高达1000℃以上的温度。
目录目录 (2)1 概述 (3)设计范围 (3)保温的主要原则 (3)2 保温材料性能 (3)保温材料 (3)保温层厚度 (4)保护层 (4)紧固件 (4)3 保温施工说明 (5)4材料性能表 (8)5附图 (10)1 概述设计范围本卷册设计范围为青岛海湾集团工业固废综合利用项目SNCR+SCR脱硝系统。
其中包括脱硝SCR区内的工艺专业所属的部分管道及支吊架、设备及其附属设备、公用设施等的保温设计。
本卷册不包括其它专业的保温设计。
本项目保温的材料、设计及施工应满足《火力发电厂保温油漆设计规程》(DL/T5027-2007)中相关规定的要求。
保温的主要原则1.2.1 凡外表面温度高于50℃且需要减少散热损失的管道、附件及设备,予以保温。
1.2.2 要求防凝露、防冻或延迟介质冻结的管道、附件及设备,予以保温。
1.2.3 保温后保护层外表面温度在环境温度不高于27℃时不超过50℃;当环境温度高于27℃,可比环境温度高25℃。
管口、法兰和阀门,包括放空及排净阀的隔热厚度与所在管线相同,保温材料使用硅酸铝纤维毡,阀门的阀盖和填料压盖也应隔热。
除了压盖热圈应留出可调节部分外,球阀和旋塞阀的隔热不能覆盖止动器和销,无论是阀门本身的隔热还是邻近管道和附件的隔热层均不能限制阀门的正常操作。
2 保温材料性能保温材料本工程管道、设备保温设计及施工要求遵循“火力发电厂保温油漆设计规程”(DL/T5072-2007)。
设备、管道,保温材料均采用硅酸铝材质,保温主材料为硅酸铝纤维。
当应用在奥氏体不锈钢表面时,保温材料的氯离子含量不应大于25ppm,或应符合GB50185有关规定。
保温材料都必须经过有关部门认可并通过质量检验的正规生产厂家供货,到达现场的成品须有生产厂的质保书。
各种保温材料的使用部位详见保温附表。
所有保温材料都必须经过有关部门认可并通过质量检验的正规生产厂家供货,到达现场的成品须有生产厂的质保书。
保温层厚度保温层厚度规定如下:烟道、反应器保温厚度为200mm;氨区氨缓冲罐,保温厚度100mm;氨气管道,厚度为50mm;氨区加热蒸汽以及疏水管道的保温主材为硅酸铝,蒸汽管道保温厚度为100mm,疏水管道保温厚道为50mm。
硅酸铝纤维板国家标准
硅酸铝纤维板是一种新型的建筑材料,具有优异的耐火性能、隔热性能和机械
性能,在建筑领域得到了广泛的应用。
为了规范硅酸铝纤维板的生产和使用,国家相关部门制定了硅酸铝纤维板国家标准,以确保产品质量和安全性。
首先,硅酸铝纤维板国家标准对产品的材料和生产工艺进行了详细的规定。
在
材料方面,标准规定了硅酸铝纤维板所使用的原材料应符合国家相关标准,且生产工艺应符合一定的技术要求,以保证产品的质量稳定性和可靠性。
其次,标准对硅酸铝纤维板的性能指标进行了明确的规定。
包括产品的厚度、
密度、抗拉强度、导热系数、耐火极限等性能指标,这些指标的规定可以有效地保证硅酸铝纤维板在使用过程中具有良好的耐火性能、隔热性能和机械性能,确保建筑物在火灾发生时能够有效地保护人员的生命财产安全。
另外,硅酸铝纤维板国家标准还对产品的外观质量和检测方法进行了规定。
产
品的外观质量包括表面平整度、边缘垂直度、色泽和表面是否有裂纹等方面的要求,这些规定可以有效地提高产品的美观度和装饰性。
而检测方法的规定则可以保证产品在生产过程中能够进行有效的质量检验,确保产品符合标准要求。
总的来说,硅酸铝纤维板国家标准的出台,对于规范硅酸铝纤维板的生产和使
用具有重要的意义。
它不仅可以保证产品的质量和安全性,还可以促进硅酸铝纤维板行业的健康发展,推动建筑领域的技术进步和安全生产。
因此,生产企业和使用单位都应该严格遵守硅酸铝纤维板国家标准的规定,确保产品的质量和安全性,为建筑行业的发展做出贡献。
硅酸铝纤维棉的产品分类及应用硅酸铝纤维棉是一种由硅酸铝纤维制成的绝热材料,具有优异的隔热性能和耐高温性能。
它被广泛应用于建筑、冶金、化工等领域,用于隔热、保温和防火。
根据产品的不同形态和用途,硅酸铝纤维棉可以分为以下几个分类。
1. 硅酸铝纤维毡硅酸铝纤维毡是一种柔软的绝热材料,常用于建筑隔热和工业设备保温。
它具有优异的隔热性能和抗拉强度,能够有效减少能量损失。
硅酸铝纤维毡还具有良好的耐腐蚀性和化学稳定性,适用于各种恶劣环境。
2. 硅酸铝纤维板硅酸铝纤维板是一种坚硬的绝热材料,常用于高温设备的隔热保温。
它具有较高的抗压强度和耐磨性,能够承受较大的机械压力。
硅酸铝纤维板还具有良好的耐热性和隔热性能,能够有效减少热量传导。
3. 硅酸铝纤维纸硅酸铝纤维纸是一种柔软的绝热材料,常用于高温设备的密封和隔热。
它具有良好的柔韧性和耐腐蚀性,能够适应不同形状和尺寸的设备。
硅酸铝纤维纸还具有优异的隔热性能和耐热性,能够有效减少热量传递和能量损失。
4. 硅酸铝纤维模块硅酸铝纤维模块是一种预制的绝热材料,常用于高温设备的保温和隔热。
它由硅酸铝纤维毡或板制成,具有较高的耐温性和耐磨性。
硅酸铝纤维模块还具有良好的耐腐蚀性和机械强度,能够适应复杂的工程环境。
硅酸铝纤维棉在建筑、冶金、化工等领域有广泛的应用。
在建筑领域,硅酸铝纤维棉常用于屋顶、墙壁和地板的隔热保温。
它具有良好的隔热性能和防火性能,能够有效降低能量消耗和防止火灾蔓延。
在冶金领域,硅酸铝纤维棉常用于高温炉窑的保温和隔热。
它能够承受高温和热冲击,减少能量损失和保护设备。
在化工领域,硅酸铝纤维棉常用于储罐、管道和反应器的保温和隔热。
它具有良好的耐腐蚀性和耐化学性,能够抵抗酸碱等腐蚀性介质的侵蚀。
硅酸铝纤维棉是一种具有优异隔热性能和耐高温性能的绝热材料,广泛应用于建筑、冶金、化工等领域。
不同形态的硅酸铝纤维棉有不同的用途,如毡用于隔热,板用于保温,纸用于密封,模块用于复杂工程。
标准防火节点设计说明
一、概述
为提高效率,降低成本,推广应用新材料、新工艺,提高公司的竞争力,将公司幕墙的防火作法进行标准化设计,以减少设计人员的重复劳动。
二、适用范围
标准防火作法适用于公司所有幕墙的层间防火。
三、材料介绍
硅酸铝纤维板又叫陶瓷纤维硬板、挡火板;是由陶瓷纤维棉加一定结合剂采用特殊的工艺精制而成,产品质地竖硬,韧性和强度优良,并拥有优良的抗风能力。
产品特征:
1、收缩小,导热系数低;
2、有良好的机械强度;
3、抗气流冲刷;
4、可接触火焰。
理化指标
四、防火板安装
1.用20mm厚硅酸铝板代替100mm厚防火棉;
2.用2mm厚钢角码固定硅酸铝板,间距不大于300mm;
3.采用φ5射钉固定钢角码,距结构边缘不小于50mm;
4.硅酸铝板与土建结构、幕墙构件之间缝隙用防火密封胶填充。
五、防火板试验报告(附后)。
一、硅酸铝纤维保温材料概述硅酸铝纤维保温材料是一种常见的建筑保温材料,具有良好的保温性能和耐高温性能。
它由硅酸铝纤维和添加剂组成,是一种环保型、耐腐蚀的新型建筑材料。
在建筑行业中得到了广泛的应用,但与此其潜在的职业病危害也需要引起我们的重视和关注。
二、硅酸铝纤维保温材料的职业病危害评价1. 职业病危害源硅酸铝纤维保温材料在生产和施工过程中释放出的微纤维,可能对职业工人的健康造成危害。
这些微纤维如果被吸入人体,可能在肺部滞留长时间,导致职业性肺病,如硅酸铝纤维尘肺等。
2. 职业病危害程度评估根据职业病危害的特点,硅酸铝纤维保温材料的职业病危害程度主要取决于接触程度和暴露时间。
在生产环节中,工人长时间接触未经处理的硅酸铝纤维可能面临更高的职业病风险;在施工过程中,施工人员因长时间暴露在硅酸铝纤维颗粒的环境中,也可能产生一定的危害。
3. 职业病防护措施为了减少硅酸铝纤维保温材料可能带来的职业病危害,建议在生产环节中采取有效的粉尘控制措施,如通风设备和个人防护用品;在施工过程中,施工人员应配戴口罩、手套等防护用具,避免长时间暴露在硅酸铝纤维颗粒的环境中。
三、结语硅酸铝纤维保温材料作为一种优秀的建筑保温材料,在应用中需要重视其潜在的职业病危害。
通过全面评估和有效的防护措施,可以最大程度地减少职业病危害带来的影响。
职业病危害的评价和防护也需要得到相关部门和企业的重视和支持,以确保职业工人的身体健康和安全。
个人观点:硅酸铝纤维保温材料作为一种常见的建筑保温材料,具有良好的保温性能,但在使用中需要充分考虑其职业病危害问题。
只有充分认识和重视这一问题,才能更好地保障职业工人的健康和安全。
在整篇文章中,多次提及了硅酸铝纤维保温材料和职业病危害评价的相关内容,希望对你能够有所帮助。
硅酸铝纤维保温材料是目前建筑行业中广泛使用的一种保温材料。
它具有优良的保温性能和耐高温性能,逐渐成为建筑节能的首选材料之一。
然而,随着其在生产和施工过程中释放微纤维的可能性,职业病危害问题也日益凸显。
硅酸铝纤维棉硅酸铝纤维棉是一种新型的高温绝热材料,它具有优异的绝热性能和耐高温特性。
在工业生产和建筑领域中,硅酸铝纤维棉被广泛应用于保温隔热和消防防火领域。
本文将从硅酸铝纤维棉的原理、性能、应用和市场前景等方面进行探讨。
硅酸铝纤维棉是一种由无机纤维制成的高温绝热材料。
它由硅酸铝纤维束成纱,再经过纺织和加工工艺制成棉状材料。
硅酸铝纤维棉具有优异的绝热性能,其导热系数低,热阻值高,能有效阻止热能的传导,达到保温隔热的效果。
同时,硅酸铝纤维棉还具有良好的耐高温性能,可承受高达1000摄氏度以上的高温。
硅酸铝纤维棉在工业生产中有广泛的应用。
它常被用于高温设备的保温隔热,如炉窑、管道、储罐等。
硅酸铝纤维棉能有效减少热量的散失,提高设备的热效率,节约能源。
同时,硅酸铝纤维棉还能有效阻止热辐射,保护工作人员的安全。
在建筑领域,硅酸铝纤维棉也常被用于墙体、屋顶和地板的保温隔热,提供舒适的室内环境。
除了保温隔热,硅酸铝纤维棉还具有良好的防火性能。
由于其纤维本身不燃烧,并且能吸收热量,硅酸铝纤维棉被广泛用于消防材料的制造。
它常被用作防火门、防火窗和防火板等材料的填充层,起到防火隔热的作用,提高建筑物的消防安全性。
市场前景方面,硅酸铝纤维棉具有广阔的发展前景。
随着现代工业的不断发展,对高温绝热材料的需求日益增长。
硅酸铝纤维棉作为一种优质的绝热材料,具备了广泛的应用潜力。
特别是在节能环保和建筑消防安全等领域,硅酸铝纤维棉的市场需求将持续增长。
总之,硅酸铝纤维棉是一种具有良好绝热性能和耐高温特性的新型材料。
它在工业和建筑领域中有着广泛的应用,能提供有效的保温隔热和防火保护。
同时,硅酸铝纤维棉的市场前景也十分广阔。
随着社会的不断进步和对节能环保和建筑消防安全等问题的重视,硅酸铝纤维棉将在未来发展中发挥重要作用。
硅酸铝耐火陶瓷纤维板产品介绍:硅酸铝耐火纤维板是由硅酸铝耐火纤维加入定量结合剂,真空成型而成。
产品外形平整,尺寸偏差小,安装使用方便,是各种工业窑炉理想的保温、隔热材料。
产品特性:1、耐高温,抗热震;2、低导热率和低热容;3、外观平整,安装使用方便;4、常温下具有一定强度。
理化指标:注:纤维板我厂可生产≤600m m×400mm×0.5mm~180mm规格≤1000m m×600mm×10mm~150mm规格≤1200m m×1200mm×10mm~150mm规格根据使用情况的不同可选用有机粘接剂或无机粘接剂。
我厂普通耐火纤维板根据市场要求份三个品种,档次1、使用温度低于1000℃,此产品采用电弧炉生产渣球含量大,平整度差,不符合国标,主要用于保温、隔热。
价格较低,目前我厂出厂价为2500元/吨。
2、使用温度标准1000℃,平整度好,渣球符合标准,此产品可广泛用于工业窑炉,工业设备的高温区域,价格较低,我厂出厂价为3500元/吨。
3、使用温度1000℃,符合国标:GB/T16400-2003标准,此类产品颜色洁白,渣球含量少,纤维分布均匀,导热系数低,但价格成本高,我厂目前出厂价为:4500元/吨。
硅酸铝耐火陶瓷纤维折叠块产品介绍:硅酸铝耐火纤维模块,是用硅酸铝耐火纤维针刺毯,通过折叠、加装锚固件和其它附件捆扎而成。
纤维毯直接折叠后捆扎而成的折叠块,它也是模块的一种形式。
由于纤维块处于压缩状态,在是用安装完毕后,模块因纤维的回弹而膨胀。
炉衬无缝隙,抵消了纤维的热收缩,提高炉衬的绝热性能。
根据锚固件方式不同,本厂有多种结构形式的模块,也可按客户的要求设计制作模块。
根据使用环境的不同,可在模块表面喷上表面处理剂,提高模块的高温使用性能。
陶瓷纤维锚固件产品介绍:锚固件它能够硅酸铝纤维制品牢固的固定在窑炉及相关设备上,并有安装简便、快捷可靠的性能。
硅酸铝纤维板的知识点问:高铝硅酸铝纤维板的特点是什么?答:特点如下:1.耐压强度高、使用寿命长;2.低热容量,低热导率;3.非脆性材质,韧性好;4.尺寸精确,平整度好;5.易切割安装,施工方便;6.优良的抗风蚀性能;7.连续化生产,纤维分布均匀,性能稳定;8.优良的吸音降噪性能。
来源:/20108329.html问:硅酸铝耐火纤维板有什么特点?答:硅酸铝耐火纤维板的特点如下1.结构比天然木材均匀,避免了腐朽、虫蛀等问题2.纤维板胀缩性小,便于加工。
3.其表面平整,易于粘贴各种饰面,可以使制成的家具更加美观,各种装饰人造板美化家居。
来源:/23816133.html问:硅酸铝纤维板标准是什么?答:硅酸铝纤维板是采用湿法真空成型工艺加工而成,该类产品的强度高于纤维毯和真空成型毡,适用于对产品有钢性强度要求的高温领域。
产品名称陶瓷纤维板分类温度12601400产品代码JSGW-164JSGW-264JSGW-364JSGW-464JSGW-564来源:/23777248.html问:硅酸铝纤维板好吗?答:硅酸铝纤维板是采用湿法真空成型工艺加工而成,该类产品的强度高于纤维毯和真空成型毡,适用于对产品有钢性强度要求的高温领域。
很不错。
价格32元一块。
以上价格来源于网络,仅供参考来源:/22890366.html问:硅酸铝纤维板保温材料容重是多少答:容重180kg/m3,导热系数0.016~0.047W/m.k,使用温度≤1000℃。
保温材料因生产厂商的配料不同会使容重有所差异。
来源:/1383445.html更多关于硅酸铝纤维板查询渠道:硅酸铝纤维板/zhishi/gslxwb7/硅酸铝纤维板批发商/zhishi/gslxwbpfs/硅酸铝纤维板毡/zhishi/gslxwbz/硅酸铝纤维棉价格/zhishi/gslxwmjg/硅酸铝纤维棉厂家/zhishi/gslxwmcj/。
1硅酸铝陶瓷纤维简介1前言陶瓷纤维是一种广泛应用于各类热工窑炉的绝热耐高材料。
由于其容重大大低于其它耐火材料,因而蓄热很小,隔热效果明显,作为炉衬材料可大大降低热工窑炉的能源损耗,在节能方面为热工窑炉带来了一场革命。
另一方面,由于陶瓷纤维的物理特性完全小同于传统耐火材料,因而它的应用技术和方法对热工窑炉的砌筑同样带来了一场变革。
陶瓷纤维于70年代末在中国开始工业生产。
80年代,陶瓷纤维的应用得到了迅速推广,但主要都在1000℃以下的度范围内使用,应用技术简单落后。
进入90年代,随着含锆纤维的开发和多晶氧化铝纤维的应用推广,使用度提高到1000℃--1400℃,但由于产品质量的缺陷和应用技术的落后,应用领域和应用方式都受到了局限,如多晶氧化铝(或莫来石)纤维不能制成纤维毯,产品规格单一,以散棉、混合纤维或纤维块为主,虽然产品的使用度有所提高,但强度很差,限制了应用范围,也缩短了使用寿命。
日前大多用于原有炉衬内贴面,节能效果未能得到充分体现。
含锆纤维是用熔融法生产的一种用途广泛、成本较低的硅酸铝系高档陶瓷纤维产品(长期使用度可达1350℃),可大量用作砌筑各种炉窑的热面或全纤维炉衬,但日前国内产品在这方面的质量和应用开发还很滞后。
含铬纤维的使用度比含锆纤维的更高,可达1400℃,也属于熔融法生产的硅酸铝系陶瓷纤维,价格远低于多晶纤维,在国外应用很广泛,但国内还末见报道。
2陶瓷纤维的种类及性能陶瓷纤维的品种主要有普通硅酸铝纤维,.高铝硅酸铝纤维,含cr2o2,zro2或b2o3的硅酸铝纤维,多晶氧化铝纤维和多晶莫来石纤维等。
近年来国外已经开发成功或正在开发一些新的陶瓷纤维品种,如镁橄榄石纤维、sio2--cao-mgo〕系陶瓷纤维、al2o3-cao系陶瓷纤维和一些特殊的氧化物纤维。
镁橄榄石纤维是.高锻烧石棉后制得的一种陶瓷纤维。
它的化学组成中mgosio2<1,容重为48—640kg/m3,导热系数为0.44—0.70(w/m℃,熔点为1600--1700℃。
2024年矿热炉本体耐火材料砌筑施工技术总结引言:矿热炉是一种在冶金行业中常见的设备,用于高温下矿石的冶炼和烘干。
矿热炉的本体耐火材料砌筑是保证炉体正常运行的关键。
随着科技的进步,矿热炉本体耐火材料砌筑施工技术也在不断提高。
本文将对2024年矿热炉本体耐火材料砌筑施工技术进行总结,包括材料选用、预热工艺、施工方法等方面。
一、材料选用在矿热炉本体耐火材料砌筑中,材料的选用是至关重要的。
目前,常用于耐火材料砌筑的材料主要有高铝砖、硅酸铝纤维板、高温胶等。
1. 高铝砖:高铝砖是一种含铝量较高的耐火材料,具有优良的耐热性能和耐渣性能。
在矿热炉本体的关键部位,如炉体底部和炉顶部,应选用高铝砖进行砌筑,以保证炉体的正常运行。
2. 硅酸铝纤维板:硅酸铝纤维板是一种轻质、高强度、耐高温的耐火材料,常用于矿热炉本体的烘干区域。
其优点是重量轻、传热能力好、热膨胀系数小,适合于高温瞬态热应力变化大的区域。
3. 高温胶:高温胶是一种特殊的粘结剂,能够在高温下保持较好的粘结性能。
在矿热炉本体耐火材料砌筑中,高温胶通常用于固定和补充填缝。
二、预热工艺在矿热炉本体耐火材料砌筑完成后,必须进行预热工艺。
预热工艺的目的是逐渐提高炉体温度,使耐火材料逐渐达到设计要求的使用温度,以保证炉体的正常运行。
预热工艺通常分为三个阶段:低温烘烤阶段、中温烘烤阶段和高温烘烤阶段。
1. 低温烘烤阶段:在初始阶段,炉体温度较低,需要进行较长时间的低温烘烤,以去除内部的游离水和有机物。
2. 中温烘烤阶段:在低温烘烤阶段结束后,逐渐提高炉体温度,使耐火材料中的结晶水脱水,避免在高温下突然脱水引起炉体破裂。
3. 高温烘烤阶段:在中温烘烤阶段结束后,逐渐提高炉体温度,使耐火材料达到设计要求的使用温度,以保证炉体的正常使用。
三、施工方法在矿热炉本体耐火材料的砌筑过程中,施工方法也是非常重要的。
1. 砖料预制:根据矿热炉的设计要求和实际情况,提前将合适的耐火砖切割成需要的尺寸,以方便在施工过程中的砌筑。
硅酸铝纤维板
⊙产品说明:
硅酸铝纤维板是采用湿法真空成型工艺加工而成,该类产品的强度高于纤维毯和真空成型毡,适用于对产品有钢性强度要求的高温领域。
⊙产品特点:
●耐压强度高、使用寿命长;
●低热容量,低热导率;
●非脆性材质,韧性好;
●尺寸精确,平整度好;
●易切割安装,施工方便;
●优良的抗风蚀性能;
●连续化生产,纤维分布均匀,性能稳定;
●优良的吸音降噪性能。
⊙典型应用:
●钢铁行业:膨胀缝,被衬隔热、隔热片和铸模隔热;
●有色金属行业:背衬隔热材料,中间包和流槽盖,用于浇筑铜和含铜合金;
●陶瓷行业:轻质窑车结构与窑炉的热面衬体、窑炉各温度区分隔及挡火材料;
●玻璃行业:熔池被衬隔热,烧嘴块;
●窑炉建筑:热面耐火材料(替代纤维毯),重质耐火材料的被衬,膨胀缝;
●轻工业:工业与家用锅炉燃烧室的内衬;
●石化行业:高温加热炉内衬得热面材料;
●建材行业:水泥回转窑等设备的绝热。
分类温度:
普通型硅酸铝纤维板1100℃标准型硅酸铝纤维板1260℃高纯型硅酸铝纤维板1260℃
高铝型硅酸铝纤维板1360℃
锆铝型硅酸铝纤维板1360℃
含锆型硅酸铝纤维板1430℃
工作温度:
取决于材料使用条件,热源种类及环境气氛等条件
生产工艺:
各种硅酸铝纤维板,采用对应的普通型、标准型、高纯型、高铝型、含锆型硅酸铝纤维棉作原料,用真空成型或干制法工艺经干燥和机加工精制而成
各种硅酸铝纤维板除具有对应散状硅酸铝纤维棉优良性能外,产品质地坚硬,韧性和强度优良,具有优良的抗风蚀能力。
加热不膨胀,质轻,施工方便,可任意剪切弯曲,是窑炉、管道及其它保温设备的理想节能材料。
技术性能:
低导热率,低热容量
优良的热稳定性和抗热震性
耐压强度高,并具有良好韧性
用途:
工业窑炉壁衬,砌体保温层
高温窑炉的窑衬、窑车、炉门挡板,窑炉炉温分隔板
高温、高热设备隔热,保温
宇航、造船业隔热、防火、隔音、绝缘
项目品名普通型标准型高纯型高铝型锆铝型含锆型工作温度(℃)≤100010501100120012001350分类温度(℃)110012601260136013601430
体积密度kg/m3260
320
260
320
260
320
260
320
260
320
260
320
永久线收缩(%)(保温24
小时,体积密度320 kg/m3
-4(1000℃)-3(1000℃)-3(1000℃)-3(1000℃)-3(1000℃)-3(1000℃)
各热面温度下导热系数
(w/m.k)
体积密度285 kg/m3
0.085
(400℃)
0.132
(800℃)
0.180
(1000℃)
0.085
(400℃)
0.132
(800℃)
0.180
(1000℃)
0.085
(400℃)
0.132
(800℃)
0.180
(1000℃)
0.085
(400℃)
0.132
(800℃)
0.180
(1000℃)
0.085
(400℃)
0.132
(800℃)
0.180
(1000℃)
0.085
(400℃)
0.132
(800℃)
0.180
(1000℃)
抗拉强度MPa
(体积密度128kg/m3)
0.50.50.50.50.50.5
产品尺寸(mm)常用规格600×400×10-5;900×600×20-50 其他规格根据用户要求制作
硅酸铝纤维制品是60年代初期发展起来的一种纤维状的轻质耐火材料。
按其结构形态来说它属于非晶质(玻璃态)纤维。
它是以硬质粘土熟料或工业氧化铝粉与硅石粉合成料为原料,采用电弧炉或电阻炉熔融,经压缩空气喷吹(或甩丝法)成纤而制成的。
其化学组成主要为三氧化二铝(30~55%)和二氧化硅。
经再加工成毯、毡、板、纸、绳、等制品及各种预制块及组件等。
硅酸铝纤维组件是用对应材质的硅酸铝纤维针刺毯,按纤维组件结构、尺寸,在专用机械上加工而成。
硅酸铝纤维组件在加工制作中,均保持一定比例的压缩量。
以保证硅酸铝纤维组件壁衬砌筑完毕后,由于每块硅酸铝纤维组件在不同方向的膨胀,使硅酸铝纤维组件之间相互挤紧成一个无缝隙的整体,硅酸铝纤维组件均能直接固定于工业窑炉壳钢板锚固钉上。
主要生产方法硅酸铝纤维原料的熔融一般采用电炉作为熔化设备,主要有电阻炉和电弧炉两种。
纤维的成形方法分为喷吹法、甩丝法和甩丝-喷吹法等。
工艺流程电弧法喷吹成纤、湿法制毡工艺合格配合原料加入电弧炉中熔融,形成流股,流股经压缩空气或蒸汽喷吹后成为纤维,经过除渣器除渣后,集棉形成成品纤维。
成品纤维被送入搅拌槽旋涡除渣后,被送至贮料槽,施加粘接剂后形成浆料。
浆料经压机模压或真空吸滤,干燥形成硅酸铝棉成品。
电阻法喷吹(或甩丝)成纤、干法针刺制毯工艺硅酸铝纤维干法针刺毯,根据其成纤方法不同,有两种生产工艺;电阻法喷吹(包括平吹和立吹)成纤、干法针刺制毯工艺;电阻法甩丝成纤、干法针刺制毯工艺。
"针刺制毯"是借鉴无纺针刺工艺技术开发而成,散状纤维坯送入针刺机针刺时,由于刺针上钩状针脚,使纤维层互相紧密交织,以提高纤维毯的抗拉强度及抗风蚀性能。
甩丝法是使熔体流股落到高速旋转的离心辊表面上,由于离心力的作用,使熔体分散,经二级或三级离心辊加速,将分散的熔体拉伸成纤维(见图)常用的甩丝设备为三辊式,甩丝辊用硬质不锈钢制造,布料辊的直径100~200mm,线速度20~30m/s加速辊的直径为布料辊直径的1.5~3倍,一级加速辊的线速度为70~110m/s,二级为85~135m/s。
甩丝成纤法的主要优点是产量大,成纤率高,纤维长,渣球含量低。
因设备构造复杂、维修困难,电耗较高,适用于年产1000t左右的大型耐火纤维生产线。
硅酸铝纤维棉用于各种工业炉及钢水包、铸桶、浸入式水口的高温隔热材料、工业电炉的电绝缘及隔热材料,炉门及炉体膨胀逢密封材料、铸铝模型内忖、微晶玻璃与热融玻璃的脱膜、高温密封垫片、仪器设备加热装置的隔热及电绝缘材料、汽车消音器的消声隔热材料、排气管的保温材料等。
普通型硅酸铝纤维棉,以硬质粘土熟料为原料,经电阻炉熔融、喷吹或甩丝成纤工艺生产而成。
高纯型、高铝型硅酸铝纤维棉、经高纯氧化铝硅石粉合成料为原料。
经电阻炉熔融、喷吹或甩丝成纤工艺生产而成。
含锆型硅酸铝纤维棉,以高纯氧化铝硅石粉及锆瑛纱合成为原料,经电阻炉熔融,喷吹或甩丝成纤工艺生产而成。
1、含胶硅酸铝纤维棉是上述棉在喷吹过程中加入一定比例的高温粘结剂制成。
2、高铝型硅酸铝纤维棉是以高纯氧化铝、硅石粉合成料为原料,经电炉熔融,喷吹而成的絮状纤维。
3、含锆型硅酸铝纤维棉是以高纯氧化铝、硅石粉及锆英沙合成料为原料经电炉熔融,喷吹而成的絮状纤维。
4、普通硅酸铝纤维棉是以硬质粘土熟料为原料,经电炉熔融,喷吹而成的絮状纤维。
纳米硅酸铝的制备是采用偏铝酸钠(铝土矿的碱溶出物)与酸性硅溶胶(泡花碱的酸化脱钠
产物)经中和、沉淀、干燥后得到结晶硅酸铝,再加入矿化剂,经1200℃高温煅烧后得到无水硅酸铝,最后加入助磨剂经超细粉碎、分级而得。
目前对纳米颗粒材料的研究方法比较多,较直接的方法有电镜观测(SEM、TEM、STEM、STM、等);间接方法有电子、X—射线衍射法(XRD),中子衍射,光谱方法有EXAFS,NEXAFS,SEXAFS,ESR,NMR,红外光谱,拉曼光谱,紫外可见分光光度法(UV—VIS),荧光光谱正电子烟没,动态激光光散射(DLS)等。
纳米硅酸铝的合成通过固相反应实现,矿化剂是为了促进铝硅酸盐固相反应效果而加入的添加剂.矿化剂促进了产物的相变和晶格构造,其作用是与反应物在煅烧时形成固溶胶,使反应物晶格活化,有利于产物向类似白云母矿的层状晶型转化.在生产中加入硼砂。
目前在乳胶漆生产中,硅胶印章采用超细硅酸铝代替部分钛白粉,是国内外涂料行业普遍采用的技术,不但可以显著降低成本,而且改善了涂料的分散性能和施工性能,可以提高填料的悬浮性,避免涂料的沉淀分层现象,使涂料的外观、光泽度、丰满度、遮盖力都表现出良好的效果。