杆端关节轴承 内螺纹组装杆端关节轴承 SI…ES,SIL..ES.
- 格式:doc
- 大小:101.50 KB
- 文档页数:1
英制关节轴承的型号与尺寸全文共四篇示例,供读者参考第一篇示例:英制关节轴承是一种常用的机械零部件,主要用于支撑和转动轴承。
它通常由外圈、内圈、轴套和滚动体等部分组成,能够在高速运转和高负载条件下工作,具有较好的承载能力和旋转精度。
在使用过程中,根据不同的需求和应用场景,我们需要选择适合的轴承型号和尺寸。
英制关节轴承的型号和尺寸对于轴承的性能和使用寿命有着重要的影响。
下面就来介绍一些常见的英制关节轴承型号和尺寸,希望对大家在选择和使用英制关节轴承时有所帮助。
1. SA型英制关节轴承SA型英制关节轴承是一种常见的关节轴承,主要用于支撑和转动较小直径的轴,具有较高的承载能力和旋转精度。
其内径范围通常为1/4英寸到1英寸,适用于一些小型机械设备的支撑和转动。
SD型英制关节轴承是一种特殊的关节轴承,适用于特殊工况和特殊要求的机械设备。
其内径范围、外径范围和长度等尺寸可以根据客户的需求定制。
在选择英制关节轴承的型号和尺寸时,除了考虑轴承的内径、外径和长度等尺寸外,还需要注意轴承的承载能力、旋转精度、密封性能等方面的要求。
根据具体的使用条件和要求,选择合适的轴承型号和尺寸对于延长轴承的使用寿命、提高设备的运行效率具有重要意义。
第二篇示例:英制关节轴承是一种常用的机械零部件,广泛应用于各种工业设备和机械中。
关节轴承具有承载能力高,稳定性好,寿命长等优点,因此在许多领域都有着重要的作用。
在选择适合自己需求的关节轴承时,首先需要了解不同型号和尺寸的关节轴承,以便更好地满足工程需求。
在英制关节轴承的型号与尺寸方面,主要包括以下几个方面:1. FK系列关节轴承FK系列关节轴承是一种常见的英制关节轴承,具有结构简单、承载能力强、耐磨损等特点。
其型号包括FK12、FK14、FK16等,尺寸范围从1/2英寸到1英寸不等,可满足不同轴承应用需求。
SA系列关节轴承是另一种常见的英制关节轴承,适用于一些需要较大承载能力和稳定性要求的机械设备。
第1章滚动轴承(rolling bearing1.1 向心轴承(contact ball bearing1.1.1 深沟球轴承(deep grove ball bearing)1.1.2 圆柱滚子轴承(cylindrical roller bearing)1.1.3 滚针轴承(needle bearing)1.1.4 调心球轴承(self-aligning ball bearing)1.1.5 角接触球轴承(angular-contact ball bearing)1.1.6 圆锥滚子轴承(tapered roller bearing)1.1.7 调心滚子轴承(self-aligning roller bearing)1.2 推力轴承(thrust bearing)1.2.1 推力球轴承(thrust ball bearing)1.2.2 推力圆柱滚子轴承(thrust cylindrical roller bearing)1.2.3 推力滚针轴承(thrust needle bearing)1.2.4 推力角接触球轴承(thrust angular-contact ball bearing) 1.2.5 推力调心滚子轴承(thrust self-aligning roller bearing) 1.3 组合轴承(combined bearing)1.4 外球面球轴承(spherical surface ball bearing)1.5 直线运动滚动支承(linear roll bearing)1.6 滚轮滚针轴承(tracd & needle roller bearing)1.7 水泵轴连轴承(water pump bearing)1.8 专用轴承(special bearing)1.9 滚动轴承附件(fitting parts for rolling bearing)第2章滑动轴承(plain bearing)2.1 关节轴承(articulated bearing)2.1.1 杆端关节轴承(rod end & spherical plain bearing)2.1.2 向心关节轴承(plain radial bearing)2.1.3 角接触关节轴承(angular-contact articulated bearing)2.1.4 推力关节轴承(thrust articulated bearing)2.2 其他滑动轴承(others plain bearing)2.3 滑动轴承轴套与轴瓦(bushing & half-liner of plain bearing) 2.3.1 轴套(plain bearing bushing)2.3.2 轴瓦(plain bearing half-liner)2.4 滑动轴承附件(fitting parts for plain bearing)adapter bearing带固接套的轴承adjustable bearing可调轴承adjustable cone colter bearing圆犁刀的可调式锥形轴承aerostatic bearing空气静力轴承agate bearing玛瑙轴承air journal bearing气体轴承air lubricated thrust bearing空气润滑止推轴承aligning bearing(直线)对位轴承alkaline-friction bearing抗磨轴承allowable bearing容许支承力all-rubber type bearing全胶式轴承。
关节轴承型号尺寸引言关节轴承是一种用于连接两个不规则运动的构件,可分为直接关节和间接关节两种类型。
它们具有重要的机械传动功能,常见于机械设备、工程机械和汽车等领域。
不同型号的关节轴承具有不同的尺寸规格,本文将介绍几种常见的关节轴承型号和对应的尺寸参数。
型号一:球面滑动关节轴承球面滑动关节轴承(Spherical Plain Bearings)又称为径向滑动关节轴承,是一种常见的关节轴承类型。
该型号轴承由内圈、外圈和可调的钢球组成,具有承受径向和轴向负荷的能力。
以下是球面滑动关节轴承的常见型号和尺寸:1.GE20ES-2RS–外径:35mm–内径:20mm–宽度:16mm2.GE30ES-2RS–外径:47mm–内径:30mm–宽度:22mm3.GE40ES-2RS–外径:62mm–内径:40mm–宽度:28mm型号二:铰接关节轴承铰接关节轴承(Hinged Joint Bearings)是一种非常常见的关节轴承类型,常用于需要承受大型构件运动的机械设备中。
该型号轴承由内外圈和连接两个圆柱体的铰链组成,因此可以在各个方向上旋转。
以下是铰接关节轴承的常见型号和尺寸:1.PHSA6–外径:22mm–内径:6mm–螺纹:M6x1–全长:30mm 2.PHSA8–外径:24mm–内径:8mm–螺纹:M8x1.25–全长:36mm 3.PHSA10–外径:28mm–内径:10mm–螺纹:M10x1.5–全长:40mm型号三:滚动关节轴承滚动关节轴承(Rolling Joint Bearings)是一种支持载荷的常用关节轴承类型,采用滚动元件来减少摩擦和承受较大的负荷。
以下是滚动关节轴承的常见型号和尺寸:1.NJ2205E–外径:52mm–内径:25mm–宽度:18mm2.NU310E–外径:110mm–内径:50mm–宽度:27mm3.NUP2208E–外径:80mm–内径:40mm–宽度:23mm结论关节轴承型号尺寸的选择在机械设计和维修中具有重要意义。
英制关节轴承的型号与尺寸全文共四篇示例,供读者参考第一篇示例:英制关节轴承是一种常用的机械元件,用于支撑和旋转机械零件。
它们通常由外部圆环、内部圆环和滚珠或滚柱组成,通过在轴上安装和安装在底座或机壳上来传递载荷和转动。
英制关节轴承的尺寸和型号在不同的应用中有不同的选择,以下是一份关于英制关节轴承的型号和尺寸的详细介绍。
一、英制关节轴承的型号1. GE型关节轴承:GE型关节轴承是最常见的关节轴承型号之一。
它们通常由内外圆环和滚珠组成,适用于需要高承载能力和高强度的应用。
3. GAC型关节轴承:GAC型关节轴承是一种设计独特的关节轴承,具有端面接触而不是球面接触。
它们适用于承受较大轴向载荷和较小径向载荷的应用。
5. 紧缩连接球头关节轴承:紧缩连接球头关节轴承是一种设计独特的关节轴承,通过紧凑的连接方式提供更大的承载能力。
它们适用于需要较高耐磨性和较小安装空间的应用。
英制关节轴承的尺寸通常以英寸为单位,包括内径、外径、宽度和重量等参数。
以下是几种常见英制关节轴承的尺寸范围:1. GE型关节轴承尺寸范围:内径从0.5英寸到6英寸,外径从0.875英寸到9英寸,宽度从0.375英寸到4.5英寸,重量从0.023磅到19.5磅。
英制关节轴承的型号和尺寸在不同的应用中有不同的选择。
根据具体的需求和要求,选择合适的型号和尺寸的英制关节轴承可以确保机械设备的正常运行和高效性能。
希望以上介绍对您有所帮助,如果您对英制关节轴承的型号和尺寸有更多的疑问,欢迎咨询专业的技术人员。
第二篇示例:英制关节轴承是一种常见的机械零部件,广泛应用于各种工业和机械设备中。
关节轴承的设计可以减少摩擦,使得机器能够更加灵活和高效地运行。
在选择适合的英制关节轴承时,了解不同型号和尺寸的特点是非常重要的。
本文将为您介绍英制关节轴承的常见型号和尺寸,帮助您更好地了解这一机械零部件。
一、英制关节轴承的类型关节轴承主要分为两种类型:球面关节轴承和棒形关节轴承。
轴承类一、滚动轴承1、滚动轴承分类命名标准:以轴承所能承受的载荷方向确定名称。
2、滚动轴承具体类别名称:向心轴承;推力轴承。
3、滚动轴承标准计量单位:个。
4、向心轴承:4.1、向心轴承名称描述标准:轴列(无轴列区别或为单列时则省略)+轴承结构特征+轴承。
例:(1)双列角接触球轴承;(2)调心球轴承轴列轴承结构特征轴承轴承结构特征轴承4.2、向心轴承规格型号描述标准:前置代号(没有则省略)+基本代号+后置代号(没有则省略)。
注:特殊专用品牌则用括号将商标代号标注规格型号后。
(1)基本代号(向心滚针轴承除外):类型代号+尺寸系列代号+内径代号;滚针轴承基本代号:类型代号+轴承配合安装特征的尺寸(2)前、后置代号:轴承在结构形状、尺寸、公差、技术要求等有改变时,在其基本代号左右添加的补充代号。
注:表中示图为对应轴承中的一种型号的图例,因型号不同,同品类轴承的图例会存在微小差异。
5、推力轴承:5.1、推力轴承名称描述标准:转向(无轴列区别或为单向时省略)+推力+轴承结构特征+轴承。
例如:(1)双向推力角接触球轴承;(2)推力调心滚子球轴承轴列推力轴承结构特征轴承推力轴承结构特征轴承5.2、推力轴承规格型号描述标准:前置代号(没有则省略)+基本代号+后置代号(没有则省略)注:特殊专用品牌则用括号将商标代号标注规格型号后。
(1)基本代号:类型代号+尺寸系列代号+内径代号;滚针轴承基本代号:类型代号+轴承配合安装特征的尺寸。
(2)前、后置代号:轴承在结构形状、尺寸、公差、技术要求等有改变时,在其基本代号左右添加的补充代号。
5.3、推力轴承主要具体名称及图例:6、滚动轴承常用规格型号:7、滚动轴承的常用代号:7.3、常用后置代号:二、关节轴承1、关节轴承分类命名标准:以轴承承受载荷的方向、公称接触角和结构型式确定名称。
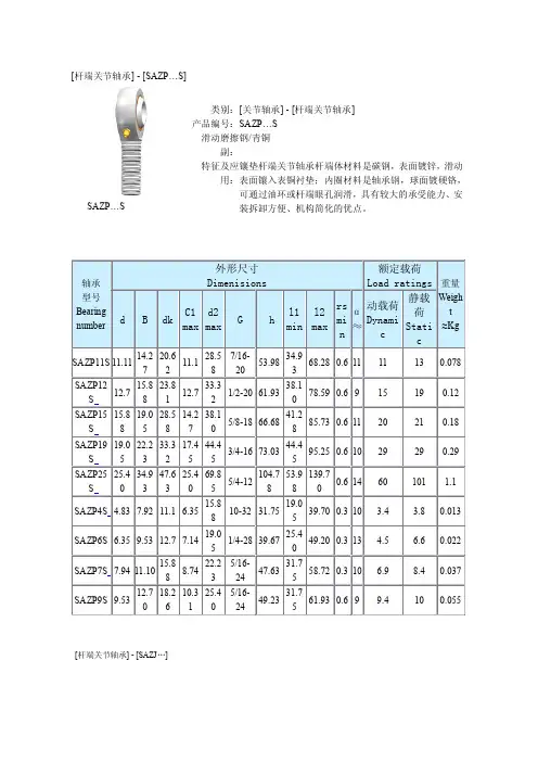
2、关节轴承具体类别名称:向心关节轴承;角接触关节轴承;推力关节轴承;杆端关节轴承。
3、关节轴承标准计量单位:个.4、关节轴承名称描述标准:4.1、向心/推力/角接触关节轴承名称描述标准:自润滑(不需自润滑则省略)+承受载荷方向+关节轴承。
关节轴承的应用关节轴承广泛应用于工程液压油缸,锻压机床,工程机械,自动化设备,汽车减震器,水利机械等行业. 关节轴承简介及分类关节轴承是球面滑动轴承,基本型是由具有球形滑动球面接触表面的内、外圈组成。
根据其结构和类型的不同,可承受径向载荷、轴向载荷,或者是径向、轴向同时作用的联合载荷。
因为关节轴承的球形滑动接触面积大,倾斜角大,同时还因为大多数关节轴承采取了特殊的工艺处理方法,如表面磷化、镀锌、镀铬或外滑动面衬里、镶垫、喷涂等。
因此有较大的载荷能力和抗冲击能力,并具有抗腐蚀、耐磨损、自调心、润滑好或自润滑无润滑污物污染的特点,即使安装错位也能正常工作。
因此,关节轴承广泛用于速度较低的摆动运动、倾斜运动和旋转运动。
杆端关节轴承的结构组成滚针轴承的外圈是用薄钢板精密冲压成形,结构空间小,是具有较大负荷容量。
适用于安装空间受到限制和壳体孔不宜作为滚道的场合。
且压入座孔后不必进一步轴向定位。
该类滚针轴承一般不用内圈,如果需要使用内圈,可从样本中选取。
同穿孔型冲压外圈滚针轴承相比,封口型冲压外圈滚针轴承对轴端轴承部位的密封极为有效。
脂润滑滚针轴承长期使用温度为-20°C-120°C。
1、滚针轴承主要结构形式公制系列:HK、BK、F、FH、FY、MF、MFH、MFY; TA..Z、TLA..Z、TAM、TLAM、YT、YTL 。
英制系列:SCE、BCE、SCH、BCH、SN、B、BH、M、MH、;BA...Z、BHA...Z、BAM、BHAM、YB、YBH。
2.尺寸检查由于薄壁外圈在加工过程中可能不圆,所以冲压滚针轴承尺寸精度在安装前无法检验。
只有当压入到具有推荐公差极限的轴承座孔中时,轴承才可达到所必需的几何精度。
滚针轴承的内切圆直径偏差的检查方法如下:(1)把轴承压入环规中(壁厚≥20mm),环规的尺寸按表2的规定。
(2)用圆柱形通规和止规检查轴承的内切圆直径。
杆端关节轴承的特点1.杆端关节轴承(1)SI…E型是GE…E型轴承与杆端的组装体。