轴流式水轮机选型计算
- 格式:xls
- 大小:227.50 KB
- 文档页数:12
⽔轮机的型号第三节⽔轮机的型号根据我国“⽔轮机型号编制规则”规定,⽔轮机的型号由三部分组成,每⼀部分⽤短横线“—”隔开。
第⼀部分由汉语拼⾳字母与阿拉伯数字组成,其中拼⾳字母表⽰⽔轮机型式,阿拉伯数字表⽰转轮型号,⼊型谱的转轮的型号为⽐转速数值,未⼊型谱的转轮的型号为各单位⾃⼰的编号,旧型号为模型转轮的编号;可逆式⽔轮机在⽔轮机型式后加“N”表⽰。
第⼆部分由两个汉语拼⾳字母组成,分别表⽰⽔轮机主轴布置形式和引⽔室的特征;第三部分为⽔轮机转轮的标称直径以及其它必要的数据。
⽔轮机型号中常见的代表符号如表1-2所⽰。
对于冲击式⽔轮机,上述第三部分应表⽰为:转轮标称直径(cm)/每个转轮上的喷嘴数×射流直径(cm)。
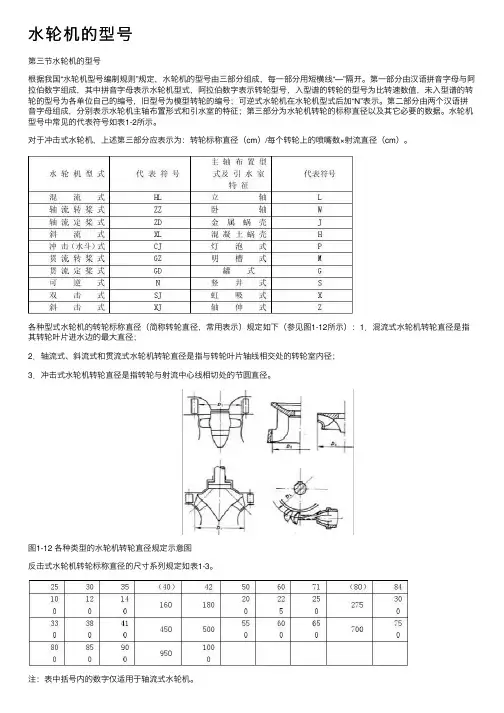
各种型式⽔轮机的转轮标称直径(简称转轮直径,常⽤表⽰)规定如下(参见图1-12所⽰):1.混流式⽔轮机转轮直径是指其转轮叶⽚进⽔边的最⼤直径;2.轴流式、斜流式和贯流式⽔轮机转轮直径是指与转轮叶⽚轴线相交处的转轮室内径;3.冲击式⽔轮机转轮直径是指转轮与射流中⼼线相切处的节圆直径。
图1-12 各种类型的⽔轮机转轮直径规定⽰意图反击式⽔轮机转轮标称直径的尺⼨系列规定如表1-3。
注:表中括号内的数字仅适⽤于轴流式⽔轮机。
⽔轮机型号⽰例:1.HL220-LJ-250,表⽰转轮型号为220的混流式⽔轮机,⽴轴、⾦属蜗壳,转轮直径为250cm。
2.ZZ560-LH-500,表⽰转轮型号为560的轴流转桨式⽔轮机,⽴轴、混凝⼟蜗壳,转轮直径为500cm。
3.GD600-WP-300,表⽰转轮型号为600的贯流定桨式⽔轮机,卧轴、灯泡式引⽔,转轮直径为300cm。
4.2CJ20-W-120/2×10,表⽰转轮型号为20的⽔⽃式⽔轮机,⼀根轴上装有2个转轮,卧轴、转轮直径为120cm,每个转轮具有2个喷嘴,射流直径为10cm。
编者按:为了⽅便⽔利⽔电设备需求者更好地选择⽔利⽔电设备,本⽹编辑精⼼制作了⽔利⽔电典型设备型号说明专题,专题中将⽔轮机、闸门、启闭机、滴头、微灌管、微喷头、⽔⽂仪器等典型⽔利⽔电设备的普通型号说明⼀⼀列出,希望可以对您选型、购买有所帮助。
水轮机额定流量计算公式(一)水轮机额定流量计算公式简介水轮机是一种利用水的动能转换成机械能的设备。
在设计、选型和运行水轮机时,计算额定流量是非常重要的一步,因为它直接影响到水轮机的效率和性能。
计算公式根据水轮机的类型不同,有以下两种常用的计算公式:1. 泄流式水轮机流量计算公式泄流式水轮机一般用于大型水电站,其额定流量计算公式如下:Q = C * H * η / 9810其中,Q表示额定流量(m³/s);C表示流量系数,一般取值为;H表示有效水头(m);η表示水轮机的机械效率。
举例:假设某泄流式水轮机的流量系数为,有效水头为100m,机械效率为,代入公式可得:Q = * 100 * / 9810 = m³/s因此,该泄流式水轮机的额定流量为m³/s。
2. 引水式水轮机流量计算公式引水式水轮机一般用于小型水电站以及水利灌溉系统,其额定流量计算公式如下:Q = C * A * V其中,Q表示额定流量(m³/s);C表示流量系数,一般取值为;A表示引水面积(m²);V表示引水速度(m/s)。
举例:假设某引水式水轮机的流量系数为,引水面积为8m²,引水速度为2m/s,代入公式可得:Q = * 8 * 2 = m³/s因此,该引水式水轮机的额定流量为m³/s。
总结水轮机额定流量的计算是设计、选型和运行水轮机的重要步骤。
根据水轮机的类型不同,可以采用泄流式水轮机流量计算公式或引水式水轮机流量计算公式进行计算。
在计算过程中,需要考虑流量系数、有效水头(泄流式水轮机)或引水面积和引水速度(引水式水轮机)等因素,以得到准确的额定流量值。
水轮机型号选择根据已知的水能参数初选水轮机型号最大工作水头:H max =Z 上max -Z 下min -△h=609.86-573.12-1.732=35 m 最小工作水头:H min =Z 上min -Z 下max -△h=607.78-574.27-1.732=31.77m平 均 水 头:H a =12 (H max +H min )= 12×(35.85+31.35)=33.4 m查水电站机电设备手册根据我国小型反击式水轮机适应范围参考表初选水轮机型号。
初选水轮机型号:HL240-LJ-140 水轮机类型 混流式 转轮型号 HL240 最大水头 35m 最小水头 31.77m 设计水头 33m 出力 3400kw 校核机组的稳定性 水轮机主要参数的计算:HL240-LJ-140型水轮机方案主要参数的计算: 转轮直径计算Nr=3400/0.95=3368.42kw Hr=33.4mD 1=MHr Q Nr η23181.9' (1-3)式中:Nr-为水轮机的额定出力(kw ) D 1 -为水轮机的转轮直径(m ) ηM -为水轮机的效率 Hr-为设计水头(m )Q 1´--为水轮机的单位流量(m 3/s )由水力机械课本附表1中查得Q 1´=12.4 L/s=1.24m 3/s,同时在附表1中查得水轮机模型在限制工况下的效率ηM =90.4%,由此可初步假定水轮机在该工况的效率为92.0%将Nr=3400kw, Q 1´=1.24 m 3/s, Hr=33.4m, ηM =92%得m D 12.192.04.3324.181.942.3368231=⨯⨯⨯=选择与之接近而偏大的标准直径D 1=1.40m 效率的修正值计算由水力机械课本附表1查得水轮机模型在最优工况下的效率ηMmax =89.6%,模型转轮直径D 1M =0.46m, 则原型水轮机的最高效率ηmax ,即:ηmax =1-(1-ηMmax )511D D M(1-4)式中:ηmax --为原型水轮机的最高效率 ηMmax --为水轮机模型在最优工况下的效率 D 1M --为模型转轮直径 (m ) D 1 --为原型转轮直径 (m ) 将ηMmax =91.0% ,D 1M =0.46m, D 1=1.4m 带入得:ηMmax =1-(1-ηmax )511D D M=1-(1-0.91)54.146.0=92.8%考虑到制造工艺水平的情况取ε1=1%由于水轮机所应用的蜗壳和尾水管的型式与模型基本相似,故认为ε2=0,则效率修正值Δη为:Δη=ηmax -ηMmax -ε1 式中:Δη--为效率修正值ηmax --为原型水轮机的最高效率 ηMmax --为水轮机模型在最优工况下的效率将ηmax=0.928,ηMmax=0.91,ε1= 0.01带入上式得:Δη=ηmax-ηMax-ε1=0.928-0.91-0.01=0.008 由此求得水轮机在限制工况的效率为:η=ηM +Δη=0.904+0.008=0.912(与原来假定的数值相近) 转速的计算n=110D Ha n ' (1-5) 式中:n --为水轮机的转速 (r/min )'10n --为最优单位转速 (r/min )Ha --为加权平均水头 (m ) D1 --为原型转轮直径 (m )'10n ='10M n +Δn ´1式中:'10n --为最优单位转速 (r/min )'10M n --模型水轮机的最优单位转速 (r/min ) 由水力机械课本附表1查得最优工况下的'10M n =72r/min同时由于Mn n 101、、∆=maxmaxM ηη-1 (1-6) 式中:n ´10M --模型水轮机的最优单位转速 (r/min ) ηmax --为原型水轮机的最高效率ηMmax --为水轮机模型在最优工况下的效率 将ηmax =0.95,ηMmax =0.92,带入式(2-9)得:192.0/936.01/max max 101-=-=''∆M Mn n ηη=0.0087<0.03所以∆'1n 可以忽略不计,则以10M n =72r/min 代入上式得:选与之接近而偏大的标准同步转速n=300 r/min 工作范围验算在选定的D1=1.4m 、n=300r/min 的情况下,水轮机的Q1´max 和各种特征水头的下的相应的n1´值分别为:Q1´max=η232181.9Hr D Nr (1-7)式中:Nr--为水轮机的额定出力 (kw ) D1 --为水轮机的转轮直径 (m ) η--为水轮机的效率 Hr--为设计水头 (m )Q1´max--为水轮机最大单位流量 (m3/s )将Nr=3940kw, Q 1´=1.24 m 3/s, Hr=35m, η=92%,D 1=1.4m 带入式(1-10)得:Q 1´max =η232181.9Hr D Nr=32239409.81 1.4350.92⨯⨯⨯=1.07m ³/s<1.24m ³/s则水轮机的最大引用流量Q max 为:Q max = Q 1´max D 1²Hr 式中:Q max --为水轮机的最大引用流量 (m 3/s ) Q 1´max --为水轮机最大单位流量 (m 3/s ) D 1 --为水轮机的转轮直径 (m ) Hr--为设计水头 (m )将Q 1´max =1.07m ³/s ,D 1=1.4m ,Hr=35m 带入式(1-11)得: Q max = Q 1´max D 1²Hr =1.07×1.423/s 对于n 1´值,在设计水头Hr=35m 时,n 1r ´=HrnD 1式中:n 1r ´--为水轮机设计单位转速 (r/min ) n --为水轮机的转速 (r/min ) D 1 --为水轮机的转轮直径 (m ) Hr--为设计水头 (m )将n=300r/min, D 1=1.4m ,Hr=30.71m 带入上式得: n 1r ´=HrnD 1n ´1min =max1H nD式中:n ´1min --为水轮机最小单位转速 (r/min ) n --为水轮机的转速 (r/min ) D 1 --为水轮机的转轮直径 (m ) H max --为最大水头 (m )在最大水头max H =35.85m 时1min 70.1/min n r '=== 在最小水头min H =31.35m 时1max 75/min n r '=== 式中:n ´1max --为水轮机最大单位转速,r/min ; n --为水轮机的转速,r/min ; D 1 --为水轮机的转轮直径,m ; H min --为最小水头,m ;将设计水头H min =35m, n=300r/min, D 1=1.4m 带入式得:n ´1max =m in1H nD 在HL240型水轮机的模型综合特性曲线图(《水力机械》课本图3-7)上,分别画出Q 1´max =1240L/s. 'max 1n =75r/min 和'min 1n =70.1min /r 的直线。
水轮发电机组中水轮机的选型设计摘要: 在水利水电系统中的建设过程, 怎样合理选择适用的水轮机组的类型对水轮机的性能是否优越十分重要。
因此应本着具体情况具体分析的原则设计相应的实践方案, 以提高其运行的灵活性。
本文着重阐述实践中应如何对水轮机组进行设计。
关键词: 水轮机组;特征;选型设计Abstract: In the water conservancy and hydropower system in the construction process, how to choose suitable hydraulic turbine type on turbine performance is superior is very important. It should be based on concrete analysis of the principles of design and the corresponding practices, in order to improve the operation flexibility. This paper focuses on the practice should be how to design of hydraulic turbine.Key words: turbine selection design; feature;0引言水轮机组的选型设计是水电站水力机械设计的重要组成部分。
发电机由水轮机驱动,它的转子短粗,机组的起动、并网所需时间较短,运行调度灵活。
水轮机组选型设计不仅为以后的电气部分、水工部分设计打下基础,同时也会影响到电站的机电设备投资、厂房投资及发电效益等经济指标。
因此,水轮机组的选型设计必须做到科学、准确、合理、先进,满足技术性能和经济指标的要求。
1水轮机选型设计的任务及内容水轮机是水电站中最主要动力设备之一,影响电站的投资、制造、运输、安装、安全运行、经济效益,因此根据H、N的范围选择水轮机是水电站中主要设计任务之一,使水电站充分利用水能,安全可靠运行。
水轮机的选型设计水轮机选型时水电站设计的一项重要任务。
水轮机的型式与参数的选择是否合理,对于水电站的功能经济指标及运行稳定性,可靠性都有重要影响。
水轮机选型过程中,一般是根据水电站的开发方式,功能参数,水工建筑物的布置等,并考虑国内外已生产的水轮机的参数及制造厂的生产水平,拟选若干个方案进行技术经济的综合比较,最终确定水轮机的最佳型式与参数。
一:水轮机选型的内容,要求和所需资料1:水轮机选择的内容(1)确定单机容量及机组台数。
(2)确定机型和装置型式。
(3)确定水轮机的功率,转轮直径,同步转速,吸出高度及安装高程,轴向水推力,飞逸转速等参数。
对于冲击式水轮机,还包括确定射流直径与喷嘴数等。
(4)绘制水轮机的运转综合特性曲线。
(5)估算水轮机的外形尺寸,重量及价格。
wertyp9ed\结合水轮机在结构、材质、运行等方面的要求,向制造厂提出制造任务书。
2.水轮机选择的基本要求水轮机选择必须要考虑水电站的特点,包括水能、水文地质、工程地质以及电力系统构成、枢纽布置等方面对水轮机的要求。
在几个可能的方案中详细地进行以下几方面比较,从中选择出技术经济综合指标最优的方案。
(1)保证在设计水头下水轮机能发生额定出力,在低于设计水头时机组的受阻容量尽可能小。
(2)根据水电站水头的变化,及电站的运行方式,选择适合的水轮机型式及参数,使电站运行中平均效率尽可能高。
(3)水轮机性能及结构要能够适应电站水质的要求,运行稳定、灵活、可靠,有良好的抗空化性能。
在多泥沙河流上的电站,水轮机的参数及过流部件的材质要保证水轮机具有良好的抗磨损,抗空蚀性能。
(4)机组的结构先进、合理,易损部件应能互换并易于更换,便于操作及安装维护。
(5)机组制造供货应落实,提出的技术要求要符合制造厂的设计、试验与制造水平。
(6)机组的最大部件及最重要部件要考虑运输方式及运输可行性。
3.水轮机选型所需要的原始技术材料水轮机的型式与参数的选择是否合理、是否与水电站建成后的实际情况相吻合,在很大程度上取决于对原始资料的调查、汇集和校核。
知识创造未来
轴流式水轮机
轴流式水轮机是一种利用水流能量转换为机械能的设备。
它采用轴向流动的水流与转子叶片相对作用的原理,将水
流能量转化为转子轴上的转动能量。
轴流式水轮机的主要组成部分包括水轮机壳体、导流装置
和转子。
水流由导流装置引导进入水轮机壳体内,经过转
子的叶片作用后,使转子产生转动。
转子上的叶片形状和
数量可以根据需要进行设计,以适应不同的水流条件和功
率要求。
轴流式水轮机具有高转速、高效率和适应范围广等特点。
它可根据需要调整导向叶片的角度来调节输出功率,适用
于中小型水电站、水利灌溉和排水等领域。
然而,轴流式水轮机也存在一些问题,如容易因水质问题
产生堵塞、效率受水流条件限制等。
因此,在实际应用中,需要根据具体情况选择合适的水轮机类型。
1。
第一部分 设计原始资料一、电站地理位置:位于华北地区。
电站所在地海拔高程约850m 。
二、枢纽任务:发电为主。
三、 主要参数1、 总装机容量30万千瓦 保证出力9.99万千瓦2、水轮机工作水头最大水头 m a x 81H m = 平均水头 69.5av H m =设计水头 73r H m = 最小水头 m i n 58H m =第二部分 任务与要求一、水轮机部分1、水轮机型号选择。
2、应用主要综合特性曲线初步拟订待选方案。
3、通过初步分析比较淘汰明显不合理的方案,保留两个较好方案精选。
4、精选过程进行两个方案的动能经济比较。
绘制运行特性曲线,进行机电设备投资的投资估算及土建工程比较。
5、确定最佳方案。
并对其进行如下计算。
(1) 水轮机飞逸转速;(2)轴向力;(3)导叶高程,导叶最大及最优开度;(4) 蜗壳水力计算及单线图;(5) 尾水管型式选择及单线图和主要剖面图的绘制;(6) 对水轮机结构的特殊要求。
二、绘制水轮机的运转综合特性曲线。
三、进行蜗壳,尾水管的水力计算。
四、油系统(1) 确定油系统的服务对象,油系统类型。
绘制油系统图。
绝缘油和透平油分别绘制。
(2) 计算最大充油设备、充油量及全厂总充油量。
(3) 计算选择贮油设备,净油设备,输油设备及管道直径。
(4) 列设备明细表。
五、技术供水系统(1)设计该水电站技术供水系统六、计算书和说明书1、分别编写设计计算书和设计说明书各一份。
2、计算书要求计算准确,层次清晰,公式和系数选择要求正确合理并表明依据。
3、说明书要论证充分正确,结论清楚。
书写字迹工整。
4、图纸要符合标准,要求选择一张用计算机绘制。
5、说明书附英文标题与摘要。
摘要本设计着重阐述了水轮机型号的选择,水力机组辅助设备中油系统、技术供水系统的设计过程。
第一部分是通过已知所给水电站的数据,拟定水轮机的初选方案,经过比较,确定两个精选方案,绘制它们的运转综合特性曲线图,并进行机电设备的投资估算及土建工程比较,最后确定最佳方案。
水电站作业水轮机型号及主要参数的选择:已知某水电站最大水头H max=245m,加权平均水头H av=242.5m,设计水头H r=240m,最小水头H min=235m,水轮机的额定出力为12500kw,水电站的海拔高程为2030m,最大允许吸出高Hs≥-4.0m。
要求:1、选择两种机型(HL120-38,HL100-40)进行选择。
2、对选择的机型进一步绘制其运转特性曲线,`(一)水轮机型号的选择根据题目条件已知要用HL120-38和HL100-40型水轮机进行选择,对比计算分别如下: (二)水轮机主要参数的计算HL120-38型水轮机方案主要参数的计算1、转轮直径的计算1D =式中:'3112500;240;380/0.38/r r N kW H m Q L s m s====同时在附表1中查得水轮机模型在限制工况的效率=88.4%M η,由此可初步假定水轮机在该工况的效率为90.4%将以上各值代入上式得10.999D m ==选用与之接近而偏大的标准直径1 1.00D m =。
2、效率修正值的计算由附表一查得水轮机模型在最优工况下的max =90.5%M η,模型转轮直径10.38M D m =,则原型水轮机的最高效率max η可依下式计算,即max max =1M ηη-(1-1(10.93593.5%=--== 考虑到制造工艺水平的情况取11%ε=;由于水轮机所应用的蜗壳和尾水管的型式与模型基本相似,故认为20ε=,则效率修正值η∆为:max max 10.9350.9050.010.02M ηηηε∆=--=--=由此求出水轮机在限制工况的效率为:0.8840.020.904M ηηη=+∆=+=(与原来假定的数值相同)3、 转速的计算1n =式中'''10101M n n n =+∆有附表一查得在最优工况下的'1062.5/min M n r =,同时由于'1'10110.0160.03M n n n ∆====<所以'1n ∆可以忽略不计,则以'1062.5n =代入上式得:973.3/min 1.0n r ==选用与之接近而偏大的标准同步转速1000/min n r =。
目录绪论 (1)第一章水轮机型号选择 (3)第一节选择机组台数、水轮机型号及装置方式 (3)第二节确定转轮直径、同步转速 (6)第三节运转综合特性曲线的计算和绘制 (14)第四节计算水轮机最大吸出高度和安装高程 (19)第五节待选方案的综合比较 (26)第二章蜗壳计算 (31)第一节形式、进口断面参数选择 (31)第二节蜗壳各断面参数计算 (35)参考文献 (40)总结 (41)绪论一、 设计目的:水轮机课程设计是水轮机课程教学中的一个重要实践环节,在学完水轮机有关章节的理论知识后,经过课程设计的实践,以达到巩固和加深所学理论知识的目的,并培养学生独立思考、工作的能力。
通过这一课程设计的实践,进一步掌握选型设计的内容、程序和步骤,应该考虑合比较的种种因素,培养查阅并利用资料、手册的能力。
为今后的毕业设计打下基础。
二、 设计任务:根据所给的原始资料,对指定原始参数进行水轮机选型设计,包括:1.选择机组台数、水轮机型号及装置方式2.确定转轮直径、同步转速3.运转综合特性曲线的计算和绘制4.计算水轮机最大吸出高度和安装高程5.待选方案的综合比较6.蜗壳的水力计算(1)确定蜗壳各断面尺寸(2)绘制蜗壳平面单线图三、 设计成果:1.设计计算说明书:设计说明书需说明设计思想、方案比较及最终结果设计计算书应包括设计计算过程、计算公式、参数选取的依据和计算结果2.用坐标纸绘制出的图纸四、 原始资料:电站名:CEH-1水电站该水电站为引水式开发的电站电力系统容量60万千瓦最大水头H max:320m设计水头H r:290m最小水头H min:250m装机容量:12万千瓦年利用小时数:4360h下游平均尾水位:1729.0m下游最低尾水位:1726.0m下游最高尾水位:1733.0m第一章 水轮机型号选择第一节 选择机组台数、水轮机型号及装置方式一、 机组台数及水轮机型号确定:1. 水轮机型号确定:由所给出的原始数据判断,水轮机的运行水头范围为:250m~320m,故可供选择的水轮机形式有混流式和冲击式两种。
目录第一章基本资料 (2)1.1水轮机选择的内容 (2)第二章水能计算与相关曲线的绘制 (3)2.1水能计算 (3)2.2相关曲线的绘制 (7)第三章机组台数和单机容量的确定 (8)3.1水轮机选型方案初定 (8)3.2确定水轮机选型方案 (8)第四章水轮机基本参数的计算 (13)4.1水轮机转轮直径的计算 (13)4.2水轮机效率的计算 (13)4.3水轮机转速的计算 (13)4.4水轮机设计流量的计算 (14)4.5水轮机几何吸出高度的计算 (14)4.6飞逸转速的计算 (16)第一章基本资料水轮机的选型是水电站设计中的一项重要任务。
水轮机的型式与参数选择的是否合理,对于水电站的动能经济指标及运行稳定性、可靠性有重要的影响。
水电站水轮机的选择工作,一般是根据水电站的开发方式、动能系数、水工建筑物的布置等,并参照国内已生产的水轮机转轮参数及制造厂的生产水平,拟选出若干个方案进行技术经济的综合比较,最终确定水轮机的最佳型式与参数1.1水轮机选择的内容水轮机选型设计包括以下基本内容:(1)根据水能规划推荐的电站总容量确定机组的台数和单机容量;(2)选择水轮机的型号及装置方式;(3)确定水轮机的轮转直径、额定出力、同步转速、安装高程等基本参数;(4)绘制水轮机的运转特性曲线;(5)确定蜗壳、尾水管的型式及它们的主要尺寸,以及估算水轮机的外形尺寸、重量和价格;(6)选择调速设备;(7)结合水电站运行方式和水轮机的技术标准,拟定设备订购技术条件;(8)对电站建成后水轮机的运行、维护提出建议。
第二章水能计算与相关曲线的绘制2.1水能计算根据所给原始资料,通过水能计算可以得到相应数据下的装机容量、发电量登各种参数,并将所得数据记录于表2-1中。
(1)水头HH=Hg-△h…………………………………(2-1)式中Hg——水电站毛水头,m;△h——水电站引水建筑物中的水力损失,m。
将计算结果录入表2-1第⑪列中。
第一章 水轮机的选型设计第一节 水轮机型号选定一.水轮机型式的选择根据原始资料,该水电站的水头范围为,查[《水电站机电设计手册—水力机械》表1-4]适合此水头范围水轮机的类型有斜流式和混流式。
又根据混流式水轮机的优点:(1) 比转速范围广,适用水头范围广;、(2) 结构简单,价格低;(3) 装有尾水管,可减少转轮出口水流损失;因此,选择混流式水轮机。
二.比转速的选择水轮机的设计水头估算为m H H p r 8.695.7395.095.0≈⨯==适合此水头范围的有HL260/D74和HL240/D41.[根据本电站水头变化范围(H=64-85m)查《水电站机电设计手册—水力机械》表1-4]三.单机容量 台数单机容量(万千瓦) 216 332/3 48 5第二节 原型水轮机主要参数的选择根据电站建成后,在电力系统的作用和供电方式,初步拟定为2台,3台,4台,5台,四种方案进行比较。
首先进行HL260/D74水轮机的选择一.二台1、计算转轮直径水轮机额定出力:kw N P G Gr 3.16326598.010164=⨯==η 上式中: G η-----发电机效率,取G N -----机组的单机容量(KW )由型谱可知,与出力限制线交点的单位流量为设计工况点单位流量,则Q 11r =s,对应的模型效率ηm =894%,暂取效率修正值 Δη=,η=+=。
模型最高效率为924%。
)(98.4924.08.69247.181.93.16326581.95.15.1111m H Q P D r r =⨯⨯⨯==η 按我国规定的转轮直径系列(见《水轮机》课本),计算值处于标准值和5m 之间,且接近5m ,暂取D 1=。
2、计算原型水轮机的效率955.00.535.0)924.01(1)1(155110max =--=--=D D M M ηη 3、Δη=ηmax -ηM0=同步转速的选择min /5.13555.73791110r D H n n p=⨯== 此值介于125r/min 和 r/min 之间,且接近min ,所以取n=min 。