气力除灰方案
- 格式:doc
- 大小:152.01 KB
- 文档页数:7
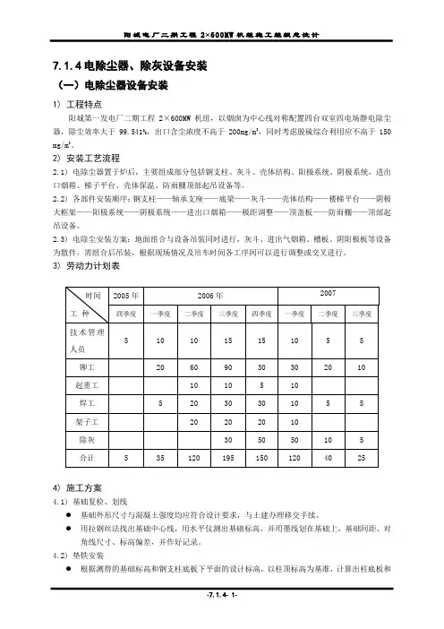
7.1.4电除尘器、除灰设备安装(一)电除尘器设备安装1) 工程特点阳城第一发电厂二期工程2×600MW机组,以烟囱为中心线对称配置四台双室四电场静电除尘器,除尘效率大于99.541%,出口含尘浓度不高于200mg/m3,同时考虑脱硫综合利用应不高于150 mg/m3。
2) 安装工艺流程2.1) 电除尘器置于炉后,主要组成部分包括钢支柱、灰斗、壳体结构、阳极系统、阴极系统,进出口烟箱、梯子平台、壳体保温、防雨棚顶部起吊设备等。
2.2) 各部件安装顺序:钢支柱——轴承支座——底梁——灰斗——壳体结构——楼梯平台——阴极大框架——阳极系统——阴极系统——进出口烟箱——极距调整——顶盖板——防雨棚——顶部起吊设备。
2.3) 电除尘安装方案:地面组合与设备吊装同时进行,灰斗、进出气烟箱、槽板、阴阳极板等设备为散件,需组合后吊装,根据现场情况及吊车时间各工序间可以进行调整或交叉进行。
3) 劳动力计划表4) 施工方案4.1) 基础复检、划线●基础外形尺寸与混凝土强度均应符合设计要求,与土建办理移交手续。
●用拉钢丝法找出基础中心线,用水平仪测出基础标高,并用墨线划在基础上,基础间距、对角线尺寸、标高偏差,并作好记录。
4.2) 垫铁安装●根据测得的基础标高和钢支柱底板下平面的设计标高,以柱顶标高为基准,计算出柱底板和基础表面的距离,并将柱底板下面的标高作好记录,每个基础的有关数据用画图法作好记录。
将基础表面凿出新麻面,用配制好的垫铁放在钢柱四角位置上,将垫铁顶面垫至所需标高,并控制在负公差范围,以便于加垫片调整。
4.3) 底部钢结构安装●质量要点:保证柱距、标高、垂直度、各对角线尺寸。
●划出钢柱的中心线和柱底板的十字中心线,并以柱顶为尺寸基准点划出钢支柱的1m标高线。
所划中心线,标高线应牢固、不易掉色,以便于随时检查、测量。
●组合时,将各构件置于平台放平稳,严格控制柱距及对角线尺寸,焊接时,各部位先点焊牢固,然后再按一定顺序焊接,以控制焊接变形。
集中除尘方案第1篇集中除尘方案一、项目背景随着工业生产的发展,粉尘污染问题日益严重,对作业环境和员工的健康构成严重威胁。
为响应国家环保政策,提高生产环境质量,保障员工健康,制定集中除尘方案势在必行。
二、项目目标1. 降低粉尘浓度,改善作业环境。
2. 减少粉尘对员工健康的危害。
3. 符合国家环保政策,实现绿色生产。
三、方案设计1. 除尘设备选型根据生产现场的具体情况,选择合适的除尘设备。
本方案推荐采用布袋除尘器,其具有除尘效率高、运行稳定、维护简便等优点。
2. 除尘系统设计(1)风量计算根据作业现场的空间大小、生产设备数量、粉尘产生量等因素,计算除尘系统的风量。
(2)管道布局合理设计管道布局,确保风量分配均匀,降低系统阻力和能耗。
(3)吸气口设置在粉尘产生源附近设置吸气口,确保粉尘能有效被捕集。
3. 除尘设备布置(1)设备选址根据现场条件,选择合适的位置布置除尘设备,便于操作和维护。
(2)设备安装按照设备厂家提供的安装图纸和技术要求进行安装,确保设备正常运行。
4. 电气控制系统(1)电气设计根据除尘系统的需求,设计电气控制系统,包括电源、配电、控制等部分。
(2)控制系统采用自动化控制系统,实现对除尘设备的远程监控、自动调节和故障报警等功能。
四、实施步骤1. 深入现场,了解粉尘产生情况和作业环境。
2. 根据实际情况,制定详细的除尘方案。
3. 采购、安装除尘设备,并进行调试。
4. 对操作人员进行培训,确保其能熟练操作和维护设备。
5. 投入运行,监测除尘效果,并根据实际情况进行调整。
6. 定期对除尘设备进行检查、维护,确保其长期稳定运行。
五、环保与安全1. 严格按照国家环保政策和相关法律法规进行设计和施工。
2. 选用环保型除尘设备,确保排放达到国家排放标准。
3. 加强对操作人员的培训,提高安全意识,防止事故发生。
六、效益分析1. 改善作业环境,提高员工工作效率。
2. 降低粉尘对员工健康的危害,减少职业病发生。
火力发电厂除灰设计技术规定SDFJ 11-90主编部门:能源部西北电力设计院 批准部门:能源部规划设计管理局实行日期:1990年9月1日能源部电力规划设计管理局 关于颁发《火力发电厂除灰设计技术规定》SDGJ 11-90的通知(90) 电规技字第37号为适应电力建设发展的需要,我局委托西北电力设计院对愿《火力发电厂除灰设计技术规定》SDGJ 11-90为局行业标准,自发行之日起执行,原颁发的《火力发电厂除灰设计技术规定》DLGJ 11-80同时停止执行。
各单位在执行过程中如发现不妥或需要补充之处,请随时涵告我局及负责日常管理工作的西北电力设计院。
1990年5月11日第一章 总 则第1.0.1条 火力发电厂除灰设计,必须认真执行国家的基本建设方针和技术经济政策。
设计方案必须安全可靠,力求技术进步、经济合理、施工运行方便,节约用水,节约能源。
并应执行环境保护的有关规定,因地制宜地积极配合满足灰渣综合利用的要求。
第1.0.2条 除灰系统应按电厂规划容量全面规划,根据机组的建设进度分期建设。
若通过技术经济比较确认分期建设不合理时,亦可一次建成。
第1.0.3条 除灰设计应在不断总结生产实践经验和科学试验的基础上,因地制宜、积极慎重地采用成熟的新技术、新材料和新设备。
第1.0.4条 本规定适用于新建和扩建容量65t/h ~2008t/h 锅炉的除灰设计,65t/h 以下锅炉的除灰设计可参照执行。
第1.0.5条 除灰设计,除应遵守本规定外,还应执行国家颁发的有关标准、规范和规程。
第二章 除灰渣系统 第一节 一 般 规 定第 2.1.1条 除灰渣系统排出的总灰渣量应按锅炉最大连续蒸发量时燃用设计煤种的灰渣量计算,并可根据工程具体条件用校核煤种时的灰渣量进行校核。
每台锅炉的灰渣量可按式(2.1.1-1)计算:q q A Q q hz m y dw y100 t /h=+⨯()433913100 (2.1.1-1)每台锅炉的除尘器灰量可按式(2.1.1-2)计算:q q h h hz c t /h =ϕη (2.1.1-2)每台锅炉的渣量可按式(2.1.1-3)计算:q q z hz z t /h =ϕ (2.1.1-3)每台锅炉的省煤器灰量可按式(2.1.1-4)计算:q qsh hz sh t/h=ϕ(2.1.1-4)每台锅炉的空气预热器灰量可按式(2.1.1-5)计算:q qkh hz kh t/h=ϕ(2.1.1-5)上五式中:q m——锅炉最大连续蒸发量时的计算燃煤消耗量,t/h;A y——燃煤应用基灰分,%;Q y dw——燃煤应用基低位发热量,kJ/kg;q4——锅炉机械未完全燃烧热损失,可参照附录一选取,%;φh——锅炉排出的灰在灰渣量中所占的百分比,%;φz——锅炉排出的渣在灰渣量中所占的百分比,%;φsh——锅炉省煤器排出的灰在灰渣量中所占的百分比,%;φkh——锅炉空气预热器排出的灰在灰渣量中所占的百分比,%;ηc——除尘器效率,%。
除灰系统异常事件处置方案1 概述1.1 编制目的为确保电除尘器安全运行和防止省煤器泄漏引起省煤器灰斗积水垮塌或灰斗积灰板结等安全事故,特制定本方案。
1.2 适用范围本应急处置方案适用于CHDOC#1、#2机组电除尘器灰斗及省煤器灰斗除灰系统发生泄漏、跑灰、灰斗垮塌损坏等事故时的应急救援工作。
2 事故特征2.1 设备状况巴xx目部2×330MW超临界机组,除灰渣系统采用灰渣分除的方式。
除灰系统为正压气力除灰系统,除尘器下灰斗细干灰经正压气力输送至灰库集中,用罐车或经加水搅拌后用汽车运至干灰场。
省煤器及第二烟道灰斗落灰利用箱式冲灰器沿地沟排至渣系统。
2.2 危险因素分析3 应急组织及职责3.1 应急组织为了有效地组织公司资源,应急处理电除尘器及省煤器输灰系统泄漏、跑灰、电除尘器及省煤器灰斗满灰、垮塌损坏等事故,以最快的速度发挥最大的效能,实施现场除灰系统事故处理,减少损失,降低事故造成的伤害,成立事故应急处理小组,成员和职责如下:组长:项目部副总经理副组长:运行部灰硫分管工程师、当值值长成员:除灰运行人员检修人员3.2 小组职责3.2.1 生产副总经理是现场应急处置的总指挥。
3.2.2 运行部灰硫分管主任(副主任)负责应急处理指挥工作,统一组织协调除灰系统事故处理过程。
3.2.3 当值值长、专业专工及除灰运行人员负责除灰设备的运行应急安全操作。
3.2.4 检修人员负责对设备缺陷进行抢修及进行灰斗放灰操作。
4 应急处置4.1 处置程序4.1.1 任何人发现除灰系统泄漏后,应立即通知运行值班员,由运行值班员汇报值长、运行部灰硫分管工程师及检修人员。
除灰值班人员根据现场情况,采取正确有效的系统隔离措施,消除或减轻除灰系统的漏灰。
4.1.2 值长、运行部灰硫分管工程师接到情况通知后应立即向相关部门和领导汇报。
4.1.3 对构成环保事故的事件,经项目部领导同意后由健康安全环保部向当地环保部门汇报。
4.2 处置措施4.2.1 事故对环境的影响、控制及处理4.2.1.1 除灰系统发生输灰管道磨穿漏灰以及灰斗垮塌事故,大量粉煤灰直接排放至大气,污染环境,造成对人身及设备的伤害和损坏,严重的危机生命,降低设备的使用寿命,影响设备的安全稳定运行。
气力输灰工作原理
气力输灰是利用气流将固体灰尘颗粒从一个位置输送到另一个位置的技术。
其工作原理如下:
1. 利用压缩空气或气流产生流动性:气力输灰通过增加气流的速度和压力,使固体灰尘颗粒与气流互相作用,产生流动性。
2. 固体灰尘颗粒的悬浮性:在气流的作用下,固体灰尘颗粒被悬浮在气流中,形成一种混合流。
3. 粗灰与细灰的分离:在气流中,粗灰和细灰的密度不同,经过重力作用,粗灰在气流中下沉,而细灰则保持悬浮状态。
4. 灰尘颗粒的输送与分离:在输送过程中,气流将悬浮的固体灰尘颗粒带至预定的输灰管道,并通过特定的过滤装置进行固体灰尘的分离,从而实现灰尘的输送和收集。
5. 灰尘的回收和处理:输灰过程中收集到的固体灰尘可通过灰尘收集设备进行回收和处理,以达到环境保护和资源利用的目的。
总结:气力输灰利用气流的作用将固体灰尘颗粒输送至指定位置的过程,其关键步骤包括气流的产生、固体灰尘的悬浮与分离以及灰尘的输送与处理。
技术卷除尘、除灰、脱硫系统的运行及检修维护技术文件第一章项目总述 (4)1总则 (4)1.1项目概况 (5)1.2项目基本设计条件 (10)2项目内容及界限划分(运行、检修维护范围) (11)2.1项目内容总述 (11)2.2项目运行范围 (11)2.3项目检修维护 (14)2.4项目界限划分 (17)第二章运行维护安全、质量目标及考核标准 (19)1总则 (19)2考核依据/引用文件 (19)3考核方式 (19)4考核内容与标准 (20)5附则 (20)6有关生产指标 (21)附表1 维护管理安全、质量目标 (21)附表2 维护管理考核标准 (22)附表3 设备维护质量与可靠性指标考核 (23)附表4 维护作业安全工作考核 (24)附表5 维护文明生产工作考核 (31)附表6 运行管理安全、质量目标 (32)附表7 运行管理考核标准 (33)附表8 运行安全工作考核 (35)附表9 运行文明生产考核标准 (38)第三章设备缺陷管理标准 (39)第四章日常维护、检修内容及要求 (40)1总则 (40)2项目内容 (40)3其它工作内容 (41)4检修维护目标 (41)第五章项目合同承包商服务范围 (45)1承包商维护范围 (45)2承包商运行工作范围 (49)第六章安全管理协议 (51)1承包商资质要求 (51)2招标人的安全责任 (51)3承包商的安全责任 (51)第七章项目材料消耗 (53)1物资管理规定 (53)2招标方负责提供的材料 (53)3承包商负责提供的材料 (54)第八章招标方提供的专用工具 (56)1锅炉专业专用工具: (56)2汽机专业专用工具: (58)3电气专业提供专用工具清单: (60)4输煤系统专用工具清单: (60)第九章项目综合管理 (62)1项目组织机构 (62)2岗位职责 (66)3日常检修维护管理制度 (69)4检修维护设备缺陷管理制度 (78)5检修维护安全文明施工制度 (80)第十章项目主要系统、设备检修规程 (85)第一节除尘、除渣系统 (85)1电除尘器检修技术标准 (85)2仓泵检修技术标准 (86)3气化风机检修技术标准 (87)4气力除灰系统管道检修技术标准 (88)5渣浆泵检修技术标准 (88)6带式输送机检修技术标准 (89)7渣仓检修技术标准 (90)8刮板捞渣机检修技术标准 (91)9散装机检修技术标准 (92)10空压机检修技术标准 (92)第二节脱硫系统 (93)1吸收塔体、设备检修规范 (93)2搅拌器检修规范 (96)3循环泵检修规范 (98)4氧化风机检修规程 (100)5振动给料机检修规程 (102)6称重皮带给料机检修规程 (102)7埋刮板输送机检修规程 (104)8湿式球磨机的检修规程 (105)9增压风机检修规程 (114)10烟气档板门规程 (116)11旋流站检修规程 (117)12真空皮带机检修规程 (118)13真空泵检修规程 (121)第三节防腐施工、验收规程 (123)1喷砂 (123)2底涂 (123)3衬胶 (123)4鳞片树脂施工 (125)第一章项目总述1 总则(1)本规范书适用于一期2×600MW机组工程B标段电除尘、除灰渣、脱硫系统装置的运行及检修维护。
中国铝业河南分公司热电厂锅炉烟气综合治理(脱硝、除尘)项目除尘器仓泵输灰系统调试方案郑州市宏利环化设备有限公司2014年10月目录一、系统结构组成和工作原理 (3)1.1气力输送系统的概念 (3)1。
2 仓泵输灰系统 (3)1。
2。
1装料过程 (3)1。
2。
2 输送过程 (3)1.2.3 输送循环结束 (4)1.3 程控系统 (4)二系统调试 (5)2。
1 冷态调试 (5)2。
1。
1 冷态调试准备工作 (5)2。
1.2 气力输送系统设备就地动作 (5)2.1。
3 气力输送系统调试内容和注意事项 (6)2.2 热态调试 (6)2.2。
1准备工作 (6)2.2.2锅炉启、停阶段输灰系统调试说明 (7)2。
3输灰系统排堵操作 (7)二、系统日常维护和保养 (8)3。
1 加强现场巡视 (8)3。
2 系统维护和保养 (9)3.3 气力输灰系统运行常见问题和处理方法 (9)一、系统结构组成和工作原理1.1气力输送系统的概念气力输送系统设备是以压缩空气作为动力,通过密封管道输送粉粒状物料的系列装置。
气力输送系统设备主要应用于火力发电厂锅炉飞灰、石子煤、石灰石、循环硫化床锅炉的床砂及炉底渣的输送,亦可用于水泥、化工、塑料、粮食和食品行业的物料输送,具有广泛的使用性。
气力输送系统在燃煤电站主要用来替代传统的水力除灰系统设备。
传统的水力除灰系统设备的主要缺点是冲灰水的二次污染和灰浆难以综合利用,而干法输灰系统是将灰输送到灰库进行储存,再通过卸料设备进行干灰装车外运或加水调湿后送至砖厂制砖,既避免了环境污染,节约了水资源,又能将粉煤灰加以综合利用带来经济效益,因此气力除灰系统已成为环保产业的一个重要组成部分.1。
2 仓泵输灰系统仓泵布置(系统图见附图)在灰斗出口下方,每排的仓泵共用一条输灰管道。
在系统正常运行过程中,飞灰沉积在灰斗出口,落入安装在灰斗出口下方的仓泵中,然后通过输灰管道被气力输送至目标灰库.系统运行工作原理如下:1。
电厂除灰技术手册目录1.系统的设计出力2.原始数据的选取3.输送系统的选择4.压缩空气系统的选择5.气化风系统的选择6.灰库7.气力输灰管道8.设备布置与其它7.气力输灰管道7.1.气力输灰的直管段采用普通碳钢管,弯管采用耐磨弯头。
7.2.气灰混合物的流速如下:稀相—初速12~15m/s;末速25~30m/s浓相—初速2~4m/s;末速12~14m/s7.3.输灰管的规格7.3.1.浓相输送:7.3.2.稀相输送:7.4.排堵阀安装在输灰泵出口阀附近的输灰管上,排气管引至灰斗高灰位上部,采用PN1球阀,口径规格如下表:输灰管径排堵阀口径DN80 DN50DN100 DN65DN125 DN80DN150 DN80DN200 DN100DN250 DN1257.5.输灰管的布置7.5.1.路径选择要短,弯头要少,应避免U型或向下起伏布置;7.5.2.泵的出口管应尽早提升,在拐弯前宜有不小于10倍的直管段;7.5.3.两个弯头之间的直段应大于10倍管径,最小要>2m;7.5.4.提升应采用垂直管,尽量避免倾斜管,斜段要尽量短;7.5.5.两根管合并夹角为30°;7.5.6. 变径点布置在弯头后,对于0~200mm的管子应≥2m;对于250~300的管子应≥3m;尽量避免设在灰库爬升段上。
7.5.7.泵的排气管应引至灰斗高灰位以上部位,上升段≥60°,水平段尽量短,必要时设吹扫点。
7.5.8.管子与管子及墙之间的净空应≥200mm,与梁柱间的净空应≥150mm;与地面的净空一般≥350mm,以满足管子焊接、安装、拆卸及阀门的操作条件。
7.5.9.管子在车间跨越人行通道,净空高度≥2.2m。
对于需要运输设备的通道,其高度应满足设备运输的要求。
当管道横跨扶梯上空时,按下图:管子外表面至扶梯倾斜面的垂直距离h,应根据扶梯斜角θ的不同,分别不小于下表所列数值。
当管道在直爬梯的前方横越时,管子外表面与直爬梯垂直面之间的净空距离应不小于750mm。
水泥厂除尘与方案水泥厂是一种集炉窑运行、炉尘抓捕、尘釜净化和气态排放为一体的综合性工程。
由于水泥生产过程中产生大量的废气和粉尘,对环境造成了严重的污染。
因此,必须采取有效的除尘方案来净化废气并减少粉尘排放。
下面是一种常用的水泥厂除尘方案,包括原料破碎除尘、炉尘抓捕和尘釜净化等。
1. 原料破碎除尘:在水泥生产前的原料破碎过程中会产生大量的粉尘,为了减少粉尘向大气中扩散,可以在破碎设备周围设置合理的中央抽风系统。
该系统可以将产生的粉尘通过管道连接到集中净化设备中去,减少粉尘的排放。
2. 炉尘抓捕:水泥生产中的炉窑燃烧过程会产生大量的炉尘,对环境造成很大的污染。
为了减少炉尘的排放,可以在炉窑出口处设置高效过滤器,将炉尘抓捕并净化。
同时,还可以通过安装排气管道,将炉尘排放到高处,减少对周围环境的影响。
3. 尘釜净化:在水泥生产过程中,炉窑出口处的烟气会进入尘釜,通过旋风分离器将粉尘从烟气中分离出来。
然后,将分离出的粉尘通过输送设备送回到原料破碎等环节进行再利用。
为了提高尘釜的净化效率,可以采用多级净化系统。
例如,可以在尘釜中设置废气湿式喷淋设备,将烟气中的粉尘进一步净化,使尘釜的过滤效果更好。
4. 气态排放净化:除了粉尘之外,水泥生产过程中还会产生一些气态污染物,如SO2、NOx等。
为了减少这些气态污染物的排放,可以采用脱硫、脱硝等技术进行净化处理。
例如,可以在废气排放管道中设置脱硫装置,通过喷淋酸性溶液的方式将烟气中的SO2净化去除。
类似地,可以采用SCR技术降低烟气中的NOx排放。
综上所述,水泥厂除尘方案需要综合考虑原料破碎、炉尘抓捕、尘釜净化和气态排放等多个环节。
通过合理地设置抓捕设备、净化设备和排放管道,可以有效地减少粉尘和气态污染物的排放,达到环保要求,保护环境。
同时,为了保证除尘方案的有效性,还需要定期对各个净化设备进行监测和维护,确保其正常运行。
气力输灰系统堵塞的原因及调整方法一、简述:---热电气力输灰系统流程为:除尘器及省煤器灰斗排灰经设在每个灰斗下的仓泵通过管道由压缩空气直接输送至储灰库或厂外综合利用车间。
系统运行完全由DCS集中自动控制。
输送压缩空气由全厂压缩空气气源中心的4台输灰空压机供给。
除尘器输灰仓泵布置在除尘仓泵间0m,省煤器输灰仓泵布置在锅炉房22.4m平台上。
每套除灰系统的设计出力为锅炉BMCR工况下燃烧校核煤种2h排灰量的120%,即每套除灰系统的设计出力为80t/h,电除尘器一电场输灰系统设计出力60t/h,二电场输灰系统设计出力满足电除尘器一电场设备故障工况下的输灰要求。
二、原因:(一)非设备原因:1、气源:气力输灰系统输送用气的压力、流量及空气品质对输送特性有很大影响,压缩空气需经过滤、干燥等一系列处理并且气量应留有一定的富裕量。
气力输送通过气来输送、气源压力必须克服仓泵的阻力、管道的阻力以及气力输灰灰库的压力,如果压头不够,则容易发生堵管。
气量不足,使灰气比增大,输送浓度过大,造成管道阻力增大,易发生堵管。
气压过大,灰气比减小,管道磨损加剧。
气源有杂质、含油含水量大会使灰粒相互黏介,流动阻力骤增,造成堵管。
所以发现气源含油含水量大时,应对压缩空气系统进行检查,若发现某台空压机管路有油或水排出,应关闭其出口门,尽快隔离,同时联系检修人员进行处理。
日常巡检应定期打开储气罐排污门,检查排气中油水含量。
2、灰特性变化常见的造成堵管的主要有沉降灰,多发生于锅炉吹灰阶段及未投运的高压电场的仓泵,主要是指重力大于烟气浮力而降落于灰斗的灰,包括锅炉点火阶段沉降的灰和电除尘故障停运后沉降的灰。
沉降灰一般颗粒粗大,表面粗糙,氨逃逸过大灰粘性大,在输送过程中,压力的逐渐降低,造成灰粒的逐渐沉降,使滑移层变厚,阻力增大,而静压头未增大,滑移状态变缓,使上部流道缩小,流速增大,虽有带动飞灰重新飞扬的作用,但此时的上下速差骤增,速度梯度增大,易发生堵管。
气力输灰系统工作原理
气力输灰系统是指通过气力将灰渣从一个地方输送到另一个地方的系统。
其工作原理主要包括以下几个步骤:
1. 灰渣产生:在工业生产过程中,会产生大量的灰渣和粉尘。
2. 灰渣收集:将产生的灰渣通过收集设备,如除尘器等,进行收集。
3. 灰渣输送:通过气力输灰系统,将收集到的灰渣进行输送。
气力输灰系统通常包括气流源、输灰管道和输灰装置。
4. 气流源产生气流:气力输灰系统通常采用压缩空气作为气流源。
压缩空气通过压缩机产生,并通过管道送到输灰装置。
5. 输灰管道传输:输灰管道是连接灰渣收集设备和输灰装置的管道。
灰渣通过管道中的气流迅速移动,并沿着管道输送。
6. 输灰装置控制流量:输灰装置通常是一种装置,用于控制灰渣的输送流量和方向。
常用的输灰装置包括旋风分离器、旋转阀和风门。
7. 灰渣接收:灰渣通过输灰管道输送到目标位置后,通过适当的接收装置进行接收和处理。
接收装置可以是一个储存罐、一个卸灰器或其他设备。
综上所述,气力输灰系统通过利用气流源产生气流,将灰渣从
一个地方输送到另一个地方。
通过控制气流的流量和方向,以及提供合适的输灰管道和输灰装置,实现了快速、高效的灰渣输送。
气力输灰系统设备
技术方案
江苏南自通华电气集团有限公司
二零零七年九月
1.1系统采用正压浓相气力输送系统
我公司气力输送是采用柱塞式输送,利用压缩空气的静压能将物料在管道内形成一段(段)灰柱,推移至储料仓的过程,输送浓度高,输送压力低。
1.2采用软质密封的进料圆顶阀
系统进料阀是利用光滑坚硬的球面圆顶阀芯,与橡胶密封圈良好的紧密接触,以保证可靠的密封。
进料阀在开关过程中,阀芯与阀体密封口处保持一定的间隙,使之可以无接触的运动。
当阀门关闭时,密封圈充气实现弹性变形,这样的软质密封即使有粉煤灰夹在阀芯和密封圈之间,也可实现可靠的密封,减少磨损,延长阀门寿命。
1.3系统没有开泵压力
系统中的仓泵采用下引式仓泵,输送时在进气之前打开出料阀,没有开泵压力,降低了输送初速度,减少了阀门的冲击,增加了阀门寿命。
1.4系统输送压力低,流速低
系统输送压力低,气力输灰时输送压力一般只需0.15Mpa,系统输送时流速为3~11m/s。
1.5系统维护量小
整个系统中只有进料阀密封圈是易损件,更换一个密封圈只需十五分钟,系统的维护量小,运行维护费用也很低。
2.3系统设计条件
2.3.1系统名称:气力输灰系统
2.3.2 输送方式:正压浓相气力输送
2.3.3 相关条件:电除尘器1台。
2.3.4 系统数量: 1套
2.3.5 电除尘器灰斗结构形式:双室四电场。
2.3.6 灰量(实际):每台炉除尘器灰量1t/h
2.3.7 系统输送能力:按实际灰量的200%设计。
2.3.8 输送距离:最远处约300m
2.4.1 布袋除尘器飞灰气力输送系统
从布袋除尘器灰斗出口法兰,至灰库顶卸灰箱入口法兰为止的输送系统;包括气力输送泵(压力输送装置)、气力输送管道(选用耐磨材料)、管路切换阀、管道伸缩节、管道吹堵装置等。
2.5系统工艺流程
2.5.1.FT型发送器
进料阀密封圈泄压,延时3秒,打开进料阀、平衡阀,开始落料,当料位到或落料时间到(设定时间现场可调),关进料阀、平衡阀,3秒后进料阀密封圈进行充压,当密封压力开关给出信号后,出料阀密封圈泄压,延时3秒,打开管路上的出料阀,出料阀打开到位后打开进气阀,进行物料输送,当输送压力开关给出信号,表示输送过程结束,关进气阀,延时3秒,关出料阀,3秒后出料阀密封圈进行充压,当密封压力开关给出信号后,系统进入下一次循环过程。
2.5.2吹堵工艺流程
排堵装置的原理是使用正吹反抽法进行排堵。
当输送管路上的压力开关探测到输送压力高于设定压力(此压力根据现场工况设定)并保持一段时间不下降,系统会自动转入排堵程序。
首先打开排堵阀组中的气动球阀,这时输送管道中的物料会有一定的松动,延时一定时间后,关闭排堵阀组中的气动球阀,然后打开进气阀,对松动的物料进行冲击,如果压力还居高不下,再重复上述步骤,如此重复几次,直到管道吹通为止。
当管道吹通后,程序又会转入正常程序。
注:以上时间、压力等参数根据现场实际情况确定。
2.5.3系统关键设备
进料阀(球形气锁阀)
进料阀,是气力输送系统中最重要的关键部件。
阀芯采用耐磨铸钢材料制造,表面进行硬化处理,利用其光滑坚硬的表面,可保证与橡胶密封圈良好的紧密接触,以保证可靠的密封。
橡胶密封圈采用特殊配方的橡胶制成,具有耐腐蚀、耐磨损、耐老化等特点。
另外,维护简便,更换密封圈容易。
(1)结构简图:
工作原理
如图所示:进料阀阀芯是一个球面圆顶。
进料阀在开关过程中,阀芯与阀体密封口处保持有1mm间隙,使之可以无接触的运动,其目的使阀芯与阀体之间不产生摩擦。
进料阀的气动执行元件为全密封气缸结构,直接驱动进料阀转动,有效地防止了灰尘进入其中造成的磨损、泄露等问题。
在进料阀处于密封状态,橡胶密封圈充气以后,膨胀紧紧地压在球面圈顶阀芯上,使之形成一个非常可靠的密封环带。
(3)主要技术参数
3技术要求
3.1气力输灰系统技术要求
3.1.1 本技术要求,只表明需方对布袋除尘器气力输灰系统的基本工艺流程,我方可以根据自己所供设备的特点和性能要求对本工程飞灰处理系统进行详细的、完整的设计,保证系统的安全可靠运行。
3.8 我方提供的工艺系统的主要技术数据
3.8.1 主要设备、阀门、管道的技术数据:
气力输送装置:
1)进料阀:
型式:气动圆顶阀
公称通径:DN200
设计压力:0.8MPa
设计温度:200℃
材料:铸钢
2)出料阀:
型式:双闸板阀
通径:DN80
5)输送灰管道:
通径:DN80
材质:20#
输送初速度:3~5m/s
使用寿命:5年
6)压缩空气供气管道:
材质:20#
使用寿命:5年
3.9 系统设计的主要技术数据
由我方填写的下列数据将表示我方所供的除灰系统的基本性能,我方保证该数据的准确性并对其完全负责。
3.9.1系统输灰量:
每台布袋除尘器灰斗出灰量: 2t/h;
每台布袋除尘器灰斗输送灰气比: 37 kg/kg;
3.9.2 耗气量
每台机组平均输送用气量: 4.3 m3/min;
每台机组最大输送用气量: 5.16 m3/min;
每台机组仪用空气量: 0.5 m3/min;
3.9.3 速度
每台布袋除尘器飞灰输送管初始流速: 3 m/s;
每台布袋除尘器飞灰输送管末端流速: 11 m/s;
4设计界限
我方负责整套气力除灰系统的设计:即从除尘器灰斗出口法兰到制酸入口。
我方承诺对整套气力输灰系统的完整性及可靠性负责.
5供货范围
5.1除尘器灰斗出口法兰与手动插板门之间的连接件、密封件装置。
5.2 气力输送装置及其进出口的气动控制阀、排气阀、安全阀、膨胀节及附件。
5.3 气力输灰系统中的全部阀门、法兰和连接件,以及其它附件。
5.7气力输灰系统及其全部辅助设备和附件。
5.8提供各种管道、管件(包括弯头、法兰、连接件)及支吊架材料。
设备清单
随机备品备件清单。