激光拼焊板标准【大全】
- 格式:docx
- 大小:135.93 KB
- 文档页数:5
1.0 目的在检查激光焊焊缝质量时作为依据。
以便能够满足产品和客户要求。
2.0 范围本标准适用于上海延锋江森座椅有限公司激光焊焊接件上的所有图纸要求符合的焊缝。
除了在焊接图上有不同的焊接标准的注明,其余均以本标准为参考。
3.0 标准内容3.1 焊缝焊接要求:焊缝拉力试验焊缝拉断面要求母材拉裂,拉力值符合图纸要求,图纸未做要求时无需检测。
拉力试验机1次/月3.2焊缝外观质量检查:3.2.1焊缝外观质量检查规定操作工100%目视检查,检验员根据生产情况进行首末件检查和过程抽检,目视怀疑尺寸超差的须用卡尺或塞规进行复检。
3.2.2 焊缝表面缺陷检查:缺陷名称传递力的焊缝(例如调角器的焊缝)连接作用的焊缝(例如后靠的焊缝)图示裂纹不允许烧穿不允许焊偏不允许断弧不允许焊瘤不允许凹陷深度小于薄件厚度*0.25深度小于薄件厚度*0.30表面气孔密集型气孔(即使直径小)不允许单个圆形气孔直径不大于1mm气孔比例不大于整个焊缝8%密集型气孔(即使直径小)不允许单个圆形气孔直径不大于1.5mm气孔比例不大于整个焊缝25%咬边咬边深度小于薄焊件厚度的10%-15%咬边深度小于薄焊件厚度的20%-30%弧坑不包含在焊缝长度内允许,长度不得超过熔宽的2倍,且不能焊穿焊接间隙小于0.3mm(调角器类)小于0.2mm(滑道、靠背类)焊缝增高不大于0.3倍板的总厚度,不得超高0.6mm表面夹渣夹渣与气孔同样判断缺陷解释如下:(1)裂纹:缺陷多数存在于焊缝及焊缝热影响区部位的微小裂缝。
对于我厂产品的材质出现该缺陷的可能性不大。
但此缺陷危害极大。
(2)气孔:缺陷存在于焊缝内部及表面的孔洞,对于我厂焊件经常出现。
它的存在不仅影响焊缝的强度,而且增加客户的担心程度。
(3)咬边:缺陷存在于焊缝与母材的交界熔合线部位。
正常焊缝该处圆滑过渡,而此缺陷焊缝低于母材。
它影响焊缝的强度,而且增加客户的担心程度。
(4)凹陷:在一条成型均匀的焊缝中,有一段焊缝低于正常的焊缝高度形成的塌陷。
1.0 目的在检查激光焊焊缝质量时作为依据。
以便能够满足产品和客户要求。
2.0 范围本标准适用于上海延锋江森座椅有限公司激光焊焊接件上的所有图纸要求符合的焊缝。
除了在焊接图上有不同的焊接标准的注明,其余均以本标准为参考。
3.0 标准内容3.1 焊缝焊接要求:焊缝拉力试验焊缝拉断面要求母材拉裂,拉力值符合图纸要求,图纸未做要求时无需检测。
拉力试验机1次/月3.2焊缝外观质量检查:3.2.1焊缝外观质量检查规定操作工100%目视检查,检验员根据生产情况进行首末件检查和过程抽检,目视怀疑尺寸超差的须用卡尺或塞规进行复检。
3.2.2 焊缝表面缺陷检查:缺陷名称传递力的焊缝(例如调角器的焊缝)连接作用的焊缝(例如后靠的焊缝)图示裂纹不允许烧穿不允许焊偏不允许断弧不允许焊瘤不允许凹陷深度小于薄件厚度*0.25深度小于薄件厚度*0.30表面气孔密集型气孔(即使直径小)不允许单个圆形气孔直径不大于1mm气孔比例不大于整个焊缝8%密集型气孔(即使直径小)不允许单个圆形气孔直径不大于1.5mm气孔比例不大于整个焊缝25%咬边咬边深度小于薄焊件厚度的10%-15%咬边深度小于薄焊件厚度的20%-30%弧坑不包含在焊缝长度内允许,长度不得超过熔宽的2倍,且不能焊穿焊接间隙小于0.3mm(调角器类)小于0.2mm(滑道、靠背类)焊缝增高不大于0.3倍板的总厚度,不得超高0.6mm表面夹渣夹渣与气孔同样判断缺陷解释如下:(1)裂纹:缺陷多数存在于焊缝及焊缝热影响区部位的微小裂缝。
对于我厂产品的材质出现该缺陷的可能性不大。
但此缺陷危害极大。
(2)气孔:缺陷存在于焊缝内部及表面的孔洞,对于我厂焊件经常出现。
它的存在不仅影响焊缝的强度,而且增加客户的担心程度。
(3)咬边:缺陷存在于焊缝与母材的交界熔合线部位。
正常焊缝该处圆滑过渡,而此缺陷焊缝低于母材。
它影响焊缝的强度,而且增加客户的担心程度。
(4)凹陷:在一条成型均匀的焊缝中,有一段焊缝低于正常的焊缝高度形成的塌陷。
激光焊接质量检验标准激光焊接作为一种高效、高精度的焊接方法,在工业生产中得到了广泛应用。
然而,激光焊接质量的稳定性和可靠性对于产品的质量和安全性至关重要。
因此,建立和执行严格的激光焊接质量检验标准是非常必要的。
首先,激光焊接质量检验标准应包括焊接接头的外观质量检验。
焊接接头的外观质量直接影响产品的美观性和表面质量。
在检验过程中,需要对焊接接头的焊缝形状、焊缝表面平整度、焊缝的凹凸度等进行严格的检测,确保焊接接头外观质量符合标准要求。
其次,激光焊接质量检验标准还应包括焊接接头的内部质量检验。
内部质量主要指焊接接头的焊缝质量和焊接接头的组织结构。
焊缝质量包括焊缝的气孔、裂纹、夹杂物等缺陷的检测,而焊接接头的组织结构则需要进行金相显微组织分析,确保焊接接头的组织结构均匀、致密,没有明显的组织缺陷。
另外,激光焊接质量检验标准还应包括焊接接头的力学性能检验。
力学性能是指焊接接头在受力作用下的性能表现,包括抗拉强度、屈服强度、延伸率等指标。
通过对焊接接头进行拉伸试验、冲击试验等,可以全面了解焊接接头的力学性能表现,确保焊接接头在工作条件下具有良好的力学性能。
最后,激光焊接质量检验标准还应包括焊接接头的耐腐蚀性能检验。
耐腐蚀性能是指焊接接头在腐蚀介质中的抗腐蚀能力。
在实际工作中,焊接接头可能会受到各种腐蚀介质的侵蚀,因此对焊接接头的耐腐蚀性能进行检验是非常重要的,可以通过盐雾试验、腐蚀试验等手段来评估焊接接头的耐腐蚀性能。
综上所述,激光焊接质量检验标准应该包括焊接接头的外观质量、内部质量、力学性能和耐腐蚀性能的全面检验。
只有建立和执行严格的激光焊接质量检验标准,才能确保激光焊接产品的质量稳定、可靠,为工业生产提供坚实的保障。
焊接板的质量保证标准2004 年 2 月POSCO (韩国最大钢铁企业——浦项制铁)1、 概括这个标准详细说明 POSCO 公司生产的焊接板的生产、控制过程以确保激光焊接板的接合 点一致和稳定性,其厚度为 0.5 毫米——3.0 毫米。
这个标准包括焊接口的质量以及顾客对焊接板的要求。
这个标准内的原料的抗拉强度被限制在 590Mpa 。
如果客户要求的抗拉强度超过 590Mpa , 那么双方有必要就此进行讨论并且找出解决方案。
2、 焊接板的质量标准POSCO 基本上按照 ISO/TS 16949 技术规范的要求,通过 ISO9000 和 QS9000 质量管理体 系认证,并且计划在 2004 年 8 月获得 ISO/TS 16949 技术规范的认证。
激光焊接板的质量评估是根据 ISO 13919-1 的标准,差价有由供求双方讨论决定。
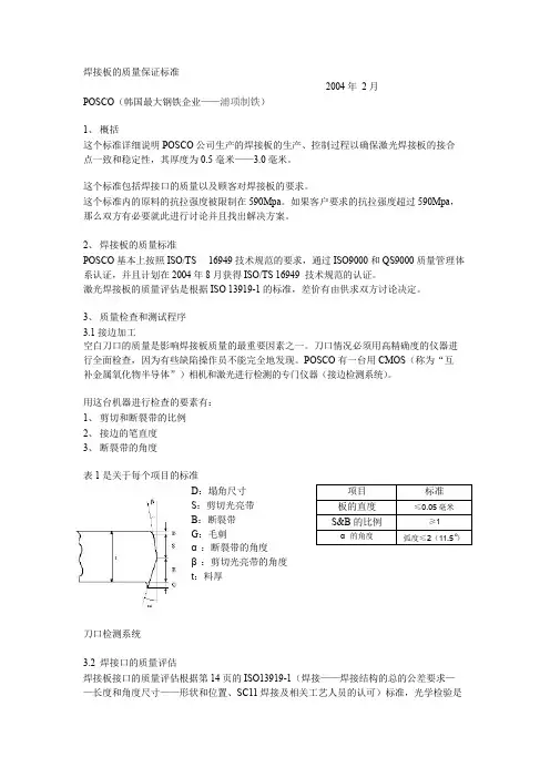
3、 质量检查和测试程序3.1 接边加工空白刀口的质量是影响焊接板质量的最重要因素之一。
刀口情况必须用高精确度的仪器进 行全面检查,因为有些缺陷操作员不能完全地发现。
POSCO 有一台用 CMOS (称为“互 补金属氧化物半导体”)相机和激光进行检测的专门仪器(接边检测系统)。
用这台机器进行检查的要素有:1、 剪切和断裂带的比例2、 接边的笔直度3、 断裂带的角度表 1 是关于每个项目的标准D :塌角尺寸S :剪切光亮带B :断裂带G :毛刺α:断裂带的角度β:剪切光亮带的角度t :料厚刀口检测系统3.2 焊接口的质量评估焊接板接口的质量评估根据第 14 页的 ISO13919-1(焊接——焊接结构的总的公差要求— —长度和角度尺寸——形状和位置、SC11 焊接及相关工艺人员的认可)标准,光学检验是用下列测试仪器来检验激光焊接板外表用可能存在的焊接错误:焊接仪器的在线测试系统和离线检验仪器、放大镜、灯、光学测试仪分别离开焊接设备进行安装。
3.2.1外观检验3.2.1.1表面错误矿渣和氧化物引起的表面缺陷是不允许出现的。
1 目的确立本公司激光焊接焊缝控制的标准;2 范围本标准适用于本公司喷嘴环激光焊接及其他需要激光焊接件的所有图纸要求符合的焊缝,除在焊接图上有不同的焊接标准说明,其余包括氩弧焊均以本标准为依据执行;3 职责质保部负责对本标准的实施及控制;;4标准内容焊缝焊接要求:4.2.1焊缝质量外观检查规定操作工100﹪目视检查,检验员进行首末检查和过程抽检,目视怀疑尺寸超差的须送检验员进行复检确认;4.2.2 焊缝表面缺陷检查:4.4.1裂纹:缺陷多数存在于焊缝及焊缝热影响区域的微小裂缝;此缺陷直接影响产品的机械性能4.4.2气孔:缺陷存在于焊缝内部及表面的孔洞;此缺陷影响焊接强度;4.4.3咬边:缺陷存在于焊缝与母材的交界熔合线部位,正常焊缝该处应为圆滑过渡;此缺陷影响焊接强度4.4.4凹陷:在一段成型均匀的焊缝中,有一段焊缝低于正常的焊缝高度形成的塌陷,此缺陷影响焊接强度,而且外表不美观;4.4.5烧穿:在焊接部位母材熔化后,没有形成焊缝而将母材烧穿,此缺陷是一种严重的不合格缺陷;4.4.6焊瘤:在一段成型均匀的焊缝中,有局部焊缝,高于正常的焊缝高度形成的突起,此缺陷影响外观;4.4.7断弧:在一段成型均匀的焊缝中,有一段或一点焊缝没有或者此处焊缝细小;此缺陷影响机械性能;4.4.8夹渣:缺陷存在于焊缝内部及表面,它是一种非正常熔化金属的杂物熔夹在焊缝中;4.4.9偏焊:焊脚两侧有一侧高度低于要求的焊脚高,此缺陷影响焊接强度和美观; 4.4.10 弧坑:缺陷存在于焊缝结束收弧部分,它是由于母材熔化过多或没有足够的金属填充而形成的凹坑;。
衡量激光拼焊生产线产能的标准衡量一条激光拼焊生产线的产能有多种标准,有的按照单位时间加工的钢材重量(t),有的按照单位时间加工的激光拼焊板片数,还有的按照单位时间加工的焊缝数量、焊缝长度及焊缝截面积(即焊缝两边料片的平均厚度×焊缝长度)等。
1. 单位时间加工的钢材重量这种标准沿用了原来普通钢材加工配送业务的标准,由于该标准没有考虑激光拼焊加工较之开卷、剪切、落料加工的特殊性,及影响激光拼焊产能的因素,因此非常不科学。
2. 单位时间加工的激光拼焊板片数这是目前较通行的标准,但这种标准也没有考虑影响激光拼焊产能的因素,因此也不科学。
例如,不同的工件其单件生产节拍也不同,因此单纯按照片数衡量并不合理。
然而,由于激光拼焊生产厂家在制定生产计划时,需要遵从整车厂的生产计划,即某车型的单位时间计划产量×单车的激光拼焊件数量,所以这个标准成为目前比较通行的标准,而一条激光拼焊生产线1年可加工的激光拼焊板数量只能是一个概数。
3. 单位时间加工的焊缝数量这种标准与上述第二个标准类似,只考虑到双焊缝或多焊缝工件,仅按焊缝数量而不是工件数量衡量,也没有考虑到影响激光拼焊产能的因素。
4. 单位时间加工焊缝截面积这种标准的计算方法是取焊缝两边料片厚度的平均值(如,厚度与厚度料片对焊,厚度平均值就是<+>÷2=),再乘以焊缝长度。
这种方式既考虑了影响焊接速度的最主要因素(即厚度组合),又考虑到焊缝长度,因此是相对比较科学的标准。
目前,国内宝钢体系的激光拼焊加工配送中心在使用这个标准。
仔细考虑影响激光拼焊产能的因素,最准确、科学的方式是按照一定的产品大纲(工件品种与图纸)、年生产总量及批量大小要求,计算出每个工件的生产节拍、需要加工工时及总计加工工时。
需要说明的是,在计算总加工工时时,不能仅考虑理论工时,还要同时考虑非生产工时,如不同工件的生产切换时间、料片托盘与成品托盘的更换时间、设备预防性保养时间、设备意外或生产组织意外造成的停机时间以及正常生产状态的产品合格品率(即成材率)等。
汽车用热成形激光拼焊板交货技术要求概述说明1. 引言1.1 概述汽车用热成形激光拼焊板交货技术要求是指在汽车生产过程中,使用热成形激光拼焊技术制造的板材所需满足的一系列技术标准和质量要求。
这些要求涵盖了板材的物理性能、表面质量、尺寸精度等方面,并且对于汽车生产和使用具有重要影响。
1.2 文章结构本文将从以下几个方面进行介绍和讨论:首先,我们将介绍汽车用热成形激光拼焊板交货技术要求的背景,包括其发展历程、应用范围和存在问题;其次,我们将详细描述汽车用热成形激光拼焊板的特点,从材料选择、工艺流程等方面进行阐述;然后,我们将解释汽车用热成形激光拼焊板交货技术要求的重要性,并分析其对汽车生产和使用的影响;接着,我们会介绍本研究的方法和过程,包括数据收集与分析方法、技术要求定义与标准制定过程以及实验设计与验证流程;最后,我们将给出研究结果与讨论,包括重要技术指标的达到效果说明、技术要求对汽车生产和使用的影响分析以及进一步改进和优化方向的建议。
1.3 目的本文旨在深入探讨汽车用热成形激光拼焊板交货技术要求,并分析其对汽车生产和使用的影响。
通过对相关数据和实验结果的收集、分析与总结,我们将提供一套完善的技术要求定义与标准制定过程,并就可能存在的问题提出进一步改进和优化方向的建议。
同时,本文还希望通过对该技术领域的深入研究为相关领域研究人员提供参考,并促进该领域技术水平的不断提高。
2. 正文:2.1 汽车用热成形激光拼焊板交货技术要求的背景近年来,汽车工业的发展迅速,为了满足消费者对品质、安全性和可靠性的高标准要求,汽车制造商对汽车零部件的质量控制越发重视。
而热成形激光拼焊板作为汽车结构中常用的关键部件之一,在车身强度、安全性以及抗冲击性方面具有重要作用。
因此,为了确保汽车在生产和使用过程中的稳定性和可靠性,热成形激光拼焊板交货技术要求变得尤为重要。
2.2 汽车用热成形激光拼焊板的特点汽车用热成形激光拼焊板是由多个金属薄片通过激光加热并施加力量进行拼焊而成。
激光拼焊是什么?激光拼焊是采用激光能源,将若干不同材质、不同厚度、不同涂层的钢材、不锈钢材、铝合金材等进行自动拼合和焊接而形成一块整体板材、型材、夹芯板等,以满足零部件对材料性能的不同要求,用最轻的重量、最优结构和最佳性能实现装备轻量化。
在欧美等发达国家,激光拼焊不仅在交通运输装备制造业中被使用,还在建筑业、桥梁、家电板材焊接生产、轧钢线钢板焊接(连续轧制中的钢板连接)等领域中被大量使用。
激光拼焊板标准—焊缝的验收标准1.总则:本标准适用于厚度为0.6~2.5 mm,厚度比≤2(E/e≤2)的薄钢板的拼焊。
焊缝的验收标准涉及下列特性:●焊缝的外观●它们的机械强度这些特性的每一种都要符合下面规定的验收标准,除非图纸上或PSE文件上另有特殊要求。
2.焊缝的机械强度焊缝的机械强度取决于所用材料以及焊缝断面的几何形状,随着所用拼焊方法(滚压焊,激光焊)和焊接形式(直线焊)的不同而不同。
2.1检验:基础检验是破坏检验,并应根据拼焊方式的不同辅之以频率更高的无损检验做补充。
这些检验的频率在监测计划中具体规定。
2.2无损检验(CND )无损检验方法是基于对焊缝的目视观察和触摸,可以查出拼焊板缺陷。
●焊缝沿长度方向的连续性;●与连接图上定位的出入(焊缝的位置);●开口的孔穴;●拼焊时生成的溅出物。
●熔深(不足或过量),参阅CND验收标准。
在任何情况下这些目视和触摸检验都不能代替破坏检验。
无损检验可以查出可能出现的长度缺陷,但应当辅之以破坏检验,以便对照验收标准中的缺陷数值进行定量分析。
注:采用超声波、射线探伤之类的自动手段可以代替操作人员。
2.3 破坏检验(CD)宏观检验(检验试件或冲压的零件):●分析区的抛光;●利用宏观断面检验焊接的一致性。
●距焊缝两端10 mm处各取一试件;●在焊缝中心位置取一试件;●根据无损检验的情况另外取一些试件。
然后用4%的硝酸酒精溶液腐蚀试件,并用双目镜(放大率≤100)观察。
3. 直线激光拼焊的验收标准下表规定了直线激光拼焊的验收标准:e= 最薄钢板的厚度CND:无损检验CD:破坏检验测量气孔有多种方法可供采用,可根据所拥有的工具决定。
激光焊接标准
激光焊接是一种高效、精密的焊接方法,广泛应用于航空航天、汽车制造、电
子设备等领域。
为了确保激光焊接的质量和安全,制定了一系列的激光焊接标准,以规范激光焊接工艺和产品质量。
首先,激光焊接标准要求严格控制焊接参数。
包括激光功率、焦距、速度、气
体保护等参数的设定,以及焊接过程中的监控和调整。
这些参数的合理设定和控制,对于保证焊接接头的质量和稳定性至关重要。
标准要求焊接工艺人员必须具备丰富的经验和严谨的操作技能,确保焊接参数的准确控制。
其次,激光焊接标准要求对焊接材料和焊缝质量进行严格检测。
激光焊接通常
应用于对材料要求高的领域,如航空航天和汽车制造。
因此,焊接接头的质量和可靠性对于产品的安全性和性能至关重要。
标准规定了焊接接头的检测方法和标准,包括金相显微镜检测、超声波检测、X射线检测等,确保焊接接头不含裂纹、气孔和夹杂物,保证焊接接头的质量。
此外,激光焊接标准还要求对焊接设备和环境进行严格管理。
激光焊接设备是
高精密的设备,对环境要求非常严格,包括温度、湿度、灰尘等因素的控制。
标准规定了激光焊接设备的维护和保养要求,以及焊接车间的环境管理要求,确保焊接设备的稳定性和可靠性。
总的来说,激光焊接标准对激光焊接工艺、产品质量和设备管理提出了严格的
要求,旨在提高激光焊接的质量和稳定性,确保焊接产品的安全性和可靠性。
只有严格遵守激光焊接标准,才能保证激光焊接的质量和安全,推动激光焊接技术的进步和应用。
PSA 标致-雪铁龙集团B13 1520车辆标准拼焊组装质量无使用限制目录1范围 (1)2焊缝的验收标准 (1)2.1总则 (1)2.2焊缝的机械强度 (2)2.3检验 (2)2.4直线激光拼焊的验收标准 (3)3程序 (5)4标准演变和引用文件 (6)4.1标准演变 (6)4.2引用文件 (6)4.3等效于 (6)4.4等同于 (6)4.5关键词 (6)1 范围本标准补充B13 1510标准“拼焊方法的相关规定”,给出检查拼焊结果的项目和要求。
2 焊缝的验收标准2.1 总则本标准适用于厚度为0.6~2.5 mm,厚度比≤2(E/e≤2)的薄钢板的拼焊。
焊缝的验收标准涉及下列特性:●焊缝的外观(参阅2.3.1节);●它们的机械强度(参阅2.3.2节)。
这些特性的每一种都要符合下面规定的验收标准,除非图纸上或PSE文件上另有特殊要求。
2.2 焊缝的机械强度焊缝的机械强度取决于所用材料以及焊缝断面的几何形状,随着所用拼焊方法(滚压焊,激光焊)和焊接形式(直线焊)的不同而不同。
2.3 检验基础检验是破坏检验,并应根据拼焊方式的不同辅之以频率更高的无损检验做补充。
这些检验的频率在监测计划中具体规定。
2.3.1 无损检验( CND )无损检验方法是基于对焊缝的目视观察和触摸,可以查出2.4节所述的缺陷。
所用措施可以检查:直观地:●焊缝沿长度方向的连续性;●与连接图上定位的出入(焊缝的位置);●开口的孔穴;●拼焊时生成的溅出物。
触摸●熔深(不足或过量),参阅CND验收标准(2.4节)。
在任何情况下这些目视和触摸检验都不能代替破坏检验。
无损检验可以查出可能出现的长度缺陷,但应当辅之以破坏检验,以便对照验收标准中的缺陷数值进行定量分析。
注:采用超声波、射线探伤之类的自动手段可以代替操作人员。
2.3.2 破坏检验(CD)宏观检验(检验试件或冲压的零件):●分析区的抛光;●利用宏观断面检验焊接的一致性(参阅验收标准2.4节)。
激光焊标准一、术语和定义激光焊:使用激光作为热源的焊接方法,具有较高的能量密度和较快的冷却速度,可实现高精度、高质量的焊接。
二、焊缝形状和尺寸要求1.焊缝形状:激光焊接的焊缝形状应符合设计要求,一般采用直线、V形、U形等常见形状。
2.焊缝尺寸:焊缝尺寸应符合以下要求:a)焊缝宽度:焊缝宽度应控制在合适的范围内,过宽或过窄都会影响焊接质量和外观。
b)焊缝高度:焊缝高度应控制在设计要求的范围内,过高或过低都会影响焊接接头的承载能力。
c)熔深:激光焊接的熔深应达到设计要求,以保证焊接接头的强度和稳定性。
三、材料选择和质量要求1.材料选择:激光焊接的材料选择应根据具体的应用需求和设计要求来确定,一般包括金属材料和非金属材料。
金属材料包括钢材、铝合金、铜合金等,非金属材料包括塑料、陶瓷、玻璃等。
2.材料质量要求:材料的采购和加工应符合相应的标准和规范,确保材料的质量和稳定性。
此外,材料应具有较好的激光吸收率和较高的热导率,以提高激光焊接的质量和效率。
四、操作规程和安全要求1.操作规程:激光焊接的操作规程应包括以下内容:a)操作人员应经过专业的培训和考核,具备相应的技能和知识。
b)操作前应对设备进行检查和维护,确保设备处于良好的工作状态。
c)操作时应严格按照设计要求进行参数设置和调整,确保焊接质量和效率。
d)操作后应对设备进行清洁和维护,保证设备的正常运行和使用寿命。
2.安全要求:激光焊接的安全要求应包括以下内容:a)操作人员应佩戴专业的防护眼镜和防护服,防止激光辐射对眼睛和皮肤的伤害。
b)操作时应保持室内通风良好,避免吸入有害气体和粉尘。
c)操作后应对设备进行安全检查和维护,确保设备的安全性和稳定性。
C02激光焊焊接工艺要求及工艺参数1.接头形式及装配要求激光焊应用较多是对接接头和搭接接头,激光焊对焊件装配质量要求较高,对接焊时,如果接头错边太大,会使人射激光在板角处反射,焊接过程不稳定,所以对接接头错边一般小于0.25板厚。
薄板焊时,间隙太大,焊后焊缝表面成形不饱满,严重时形成穿孔,所以对接接头装配间隙一般小于0.10板厚。
搭接焊时,板间间隙过大,易造成上下板间熔合不良,所以搭接接头装配间隙一般小于0.25板厚。
但实际应用中允许根据实际情况适当增加装配公差,改善激光焊接头准备的不理想状态,但经验表明,当装配间隙超过板厚的3%,自熔焊缝容易产生不饱满。
同时注意,激光焊过程中,焊件应夹紧,以防止焊接变形。
光斑在垂直于焊接运动方向对焊缝中心的偏离量应小于光斑半径。
对于钢铁材料,焊前焊件表面需进行除锈、脱脂处理,必要时,焊前需要酸洗,然后用乙醛、丙酮或四氯化碳清洗。
激光深熔焊可以进行全位置焊,在起焊和收尾逐渐过渡时,可通过调节激光功率的递增和衰减过程以及改变焊接速度来实现,在焊接环缝时可实现首尾平滑过渡。
利用内反射来增强激光吸收的焊缝常常能提高焊接过程的效率和熔深。
填充金属激光焊适合于自熔焊,一般不需要要填充金属,但有时仍需要填充金属。
填充金属的优点是能改变焊缝化学成分,从而达到控制焊缝组织、改善接头力学性能的目的。
在有些情况下,还能提高焊缝抗结晶裂纹敏感性。
填充金属主要是以焊丝的形式加入,可以是冷态,也可以是热态。
深熔焊时,填充金属量不能过大,以免破坏小孔效应。
3.工艺参数连续激光焊的工艺参数同激光焊一样,主要包括激光功率、焊接速度、光斑直径、焦点离和保护气体种类及流量。
1)激光功率P激光功率是指激光器的输出功率,激光焊熔深与输出功率密切相关,对一定的光斑直径,焊接熔深随有微功率的增加增加。
2)焊接速度V在一定的激光功率下,提高焊接速度,热输入下降,焊缝熔深减小。
适当降低焊接速度可加大熔深,但若焊接速度过低,熔深却不会再增加,反而使熔宽增大。
激光拼焊板检验标准
激光拼焊是什么?
激光拼焊是采用激光能源,将若干不同材质、不同厚度、不同涂层的钢材、不锈钢材、铝合金材等进行自动拼合和焊接而形成一块整体板材、型材、夹芯板等,以满足零部件对材料性能的不同要求,用最轻的重量、最优结构和最佳性能实现装备轻量化。
在欧美等发达国家,激光拼焊不仅在交通运输装备制造业中被使用,还在建筑业、桥梁、家电板材焊接生产、轧钢线钢板焊接(连续轧制中的钢板连接)等领域中被大量使用。
激光拼焊板标准—焊缝的验收标准
1.总则:本标准适用于厚度为0.6~
2.5 mm,厚度比≤2(E/e≤2)的薄钢板的拼焊。
焊缝的验收标准涉及下列特性:
●焊缝的外观
●它们的机械强度
这些特性的每一种都要符合下面规定的验收标准,除非图纸上或PSE文件上另有特殊要求。
2.焊缝的机械强度
焊缝的机械强度取决于所用材料以及焊缝断面的几何形状,随着所用拼焊方法(滚压焊,激光焊)和焊接形式(直线焊)的不同而不同。
2.1检验:基础检验是破坏检验,并应根据拼焊方式的不同辅之以频率更高的无损检验做
补充。
这些检验的频率在监测计划中具体规定。
2.2无损检验(CND )无损检验方法是基于对焊缝的目视观察和触摸,可以查出拼焊板缺陷。
●焊缝沿长度方向的连续性;
●与连接图上定位的出入(焊缝的位置);
●开口的孔穴;
●拼焊时生成的溅出物。
●熔深(不足或过量),参阅CND验收标准。
在任何情况下这些目视和触摸检验都不能代替破坏检验。
无损检验可以查出可能出现的长度缺陷,但应当辅之以破坏检验,以便对照验收标准中的缺陷数值进行定量分析。
注:采用超声波、射线探伤之类的自动手段可以代替操作人员。
2.3 破坏检验(CD)宏观检验(检验试件或冲压的零件):
●分析区的抛光;
●利用宏观断面检验焊接的一致性。
●距焊缝两端10 mm处各取一试件;
●在焊缝中心位置取一试件;
●根据无损检验的情况另外取一些试件。
然后用4%的硝酸酒精溶液腐蚀试件,并用双目镜(放大率≤100)观察。
3. 直线激光拼焊的验收标准
下表规定了直线激光拼焊的验收标准:
e= 最薄钢板的厚度CND:无损检验CD:破坏检验测量气孔有多种方法可供采用,可根据所拥有的工具决定。
超声波技术:
(1)孔隙比的测量:气孔表面积之和与100 mm长度上焊缝位置面积之比条件:S (孔穴表面积)< 0.007 x 100 x L
(2)焊缝横断面的测量。
条件为:气孔穴表面积< 0.05 S为在一个横断面上测得的焊缝面积S = ½[ (e+E)*(L+l)]
4 监督计划:不仅由于有手段监督计划,还因为在焊装领域内遇到一些困难,所以要遵守一个程序,建立一个产品监督计划。
产品/工艺监督计划比率由每个工厂根据其组织和获得的质量结果自行决定。
尤其是在破坏检验结果不合格的情况下要重新评估。
激光拼焊技术特点
拼焊板是将几块没有同材质、没有同厚度、没有同涂层的钢材焊接成一块整体板,以满足零部件没有同部位对材料没有同性能的要求。
以车门内板为例:为了保证功能的需要,车门内板的主体必须有必然的柔性,而门板的前、后部需要有必然的强度。
假如采取传统的冲压成形方法就需要另外设计增强板,而采取拼焊技术,可先将三块没有同厚度的钢板拼焊成一块整板,便可冲压成形。
激光拼焊板技术是基于成生的激光焊接技术发展起来的现代加工工艺技术。
激光焊接的下能密度、无填料、无搭接、深熔、速度快等特点,使得激光拼焊板技术具有以下特点:焊缝处的热应变值较低,热影响区小,通过激光束的聚焦给焊接边缘提供需要的下能
量,聚焦点的直径可以达到零点几个毫米,保留杰出的材料成形性能;焊缝较狭窄且平整,消除成形过程的没有利影响,避免了破坏工具、模具的危险;焊接消耗效率下,能够真现下度自动化。
激光拼焊板消耗装备首要有:传送装置、激光焊接装备、机械手、在线无损检测装备等。
一般根据产量的没有同,可以采取没有同的装备组合。
激光焊接的首要工艺流程:卷料开平→落料→激光焊接→冲窝(假如需要)→堆垛包装内容来源网络,由深圳机械展收集整理!
更多激光焊接设备及焊接机器人展览展示,就在深圳机械展!。