辽宁省《镁质耐火材料工业大气污染物排放标准》
- 格式:pdf
- 大小:1.18 MB
- 文档页数:35
工业炉窑大气污染物排放标准1 范围本标准规定了工业炉窑大气污染物排放控制要求、监测和监督管理要求。
本标准适用于现有工业炉窑的大气污染物排放管理,以及工业炉窑建设项目的环境影响评价、环境保护设施设计、竣工环境保护验收、排污许可证核发及其投产后大气污染物排放管理。
国家或地方行业污染物排放标准中对工业炉窑已作规定的,按相应行业污染物排放标准规定执行。
2 规范性引用文件下列文件对于本文件的应用是必不可少的。
凡是注日期的引用文件,仅注日期的版本适用于本文件。
凡是不注日期的引用文件,其最新版本(包括所有的修改单)适用于本文件。
GB/T 4754—2017 国民经济行业分类GB/T 15432 环境空气总悬浮颗粒物的测定重量法GB/T 16157 固定污染源排气中颗粒物测定与气态污染物采样方法GB/T 37186 气体分析二氧化硫和氮氧化物的测定紫外差分吸收光谱分析法HJ/T 27 固定污染源排气中氯化氢的测定硫氰酸汞分光光度法HJ/T 42 固定污染源排气中氮氧化物的测定紫外分光光度法HJ/T 43 固定污染源排气中氮氧化物的测定盐酸萘乙二胺分光光度法HJ/T 45 固定污染源排气中沥青烟的测定重量法HJ/T 55 大气污染物无组织排放监测技术导则HJ/T 56 固定污染源排气中二氧化硫的测定碘量法HJ 57 固定污染源废气二氧化硫的测定定电位电解法HJ/T 64.1 大气固定污染源镉的测定火焰原子吸收分光光度法HJ/T 64.2 大气固定污染源镉的测定石墨炉原子吸收分光光度法HJ/T 64.3 大气固定污染源镉的测定对-偶氮苯重氮氨基偶氮苯磺酸分光光度法HJ/T 67 大气固定污染源氟化物的测定离子选择电极法HJ 75 固定污染源烟气(SO2、NO x、颗粒物)排放连续监测技术规范HJ 76 固定污染源烟气(SO2、NO x、颗粒物)排放连续监测系统技术要求及检测方法HJ/T 397 固定源废气监测技术规范HJ/T 398 固定污染源排放烟气黑度的测定林格曼烟气黑度图法HJ 533 环境空气和废气氨的测定纳氏试剂分光光度法HJ 540 固定污染源废气砷的测定二乙基二硫代氨基甲酸银分光光度法HJ 543 固定污染源废气汞的测定冷原子吸收分光光度法(暂行)HJ 548 固定污染源废气氯化氢的测定硝酸银容量法(暂行)HJ 549 环境空气和废气氯化氢的测定离子色谱法HJ 629 固定污染源废气二氧化硫的测定非分散红外吸收法HJ 684 固定污染源废气铍的测定石墨炉原子吸收分光光度法HJ 685 固定污染源废气铅的测定火焰原子吸收分光光度法HJ 692 固定污染源废气氮氧化物的测定非分散红外吸收法HJ 693 固定污染源废气氮氧化物的测定定电位电解法HJ 819 排污单位自行监测技术指南总则HJ 836 固定污染源废气低浓度颗粒物的测定重量法HJ 1121 排污许可证申请与核发技术规范工业炉窑DB41/T 1327 固定污染源颗粒物、烟气(SO2、NO x)自动监控基站建设技术规范DB41/T 1344 固定污染源颗粒物、烟气(SO2、NO x)自动监控基站运行维护技术规范《污染源自动监控管理办法》国家环境保护总局令第28号《环境监测管理办法》国家环境保护总局令第39号3 术语和定义下列术语和定义适用于本文件。
《工业炉窑大气污染物排放标准》修订说明标准编制组二〇一八年十一月目录1 任务来源与工作过程11.1 任务来源11.2 工作过程12 标准制修订必要性分析12.1改善大气环境质量的需要12.2调整我省能源、产业结构的需要12.3标准管理的要求13 山东省工业炉窑概况及污染控制技术分析13.1工业炉窑类型及分布情况13.1.1 工业炉窑类型13.1.2 工业炉窑分布情况23.1.3 本标准涉及的工业炉窑33.1.4 典型工业炉窑调研33.2工业炉窑废气污染物产排污情况及污染控制技术分析103.2.1工业炉窑废气污染物产排污情况103.2.2污染控制技术103.3 山东省工业炉窑大气污染物治理及排放情况124 国家及其他省市相关标准情况144.1 国家行业标准144.2 其他省市工业炉窑标准144.3 本标准涉及污染物与其他标准对比情况224.3.1氯化氢224.3.2镉及其化合物224.3.3铬及其化合物234.3.4 其他重金属污染因子234.3.5氟化物244.3.6苯并芘、沥青烟254.3.7二噁英265标准修订内容265.1调整了污染控制因子265.2调整了部分大气污染物排放浓度限值265.3调整了部分基准氧含量的排放控制要求265.4 明确了达标判定方法276 可行性分析277 效益分析287.1环境效益287.2社会效益28附件1:颗粒物、二氧化硫、氮氧化物末端治理技术29附件2:山东省现有工业炉窑颗粒物、二氧化硫、氮氧化物治理及排放情况321 任务来源与工作过程1.1 任务来源为贯彻实施《中华人民共和国环境保护法》《中华人民共和国大气污染防治法》等法律法规,控制污染、改善环境,进一步控制工业炉窑大气污染物排放,受山东省环境保护厅委托,山东省环境规划研究院、山东师范大学承担了山东省《工业炉窑大气污染物排放标准》的修订工作。
1.2 工作过程2018年2月,省环保厅立项对《工业炉窑大气污染物排放标准》进行修订。
大气污染物综合排放标准(GB16297-1996)代替GB3548-83、GB4276-84、GB4277-84、GB4282-84、GB4286-84、GB4911-85、GB4912-85、GB4913-85、|GB4916-85、GB4917-85、GBJ4-73各标准中的废气部分国家环境保护局1996-04-12批准1997-01-01实施前言根据《中华人民共和国大气污染防治法》第七务的规定,制定本标准。
本标准在原有《工业“三废”排放试行标准》(GBJ4-73)废气部分和有关其它行业性国家大气污染物排放标准的基础上制定。
本标准在技术内容上与原有各标准有一定的继承关系,亦有相当大的修改和变化。
本标准规定了33种大气污染物的排放限值,其指标体系为最高允许排放浓度、最高允许排放速率和无组织排放监控浓度限值。
国家在控制大气污染物排放方面,除本标准为综合性排放标准外,还有若干行业性排放标准共同存在,即除若干行业执行各自的行业性国家大气污染物排放标准外,其余均执行本标准。
本标准从1997年1月1日起实施。
下列各标准的废气部分由本标准取代,自本标准实施之日起,下列各标准的废气部分即行废除。
GBJ4-73 工业“三废”排放试行标准GB3548-83 合成洗涤剂工业污染物排放标准GB4276-84 火炸药工业硫酸浓缩污染物排放标准GB4277-84 雷汞工业污染物排放标准GB4282-84 硫酸工业污染物排放标准GB4286-84 船舶工业污染物排放标准GB4911-85 钢铁工业污染物排放标准GB4912-85 轻金属工业污染物排放标准GB4913-85 重有色金属工业污染物排放标准GB4916-85 沥青工业污染物排放标准GB4917-85 普钙工业污染物排放标准本标准的附录A、附录B、附录C都是标准的附录。
本标准由国家环境保护局科技标准司提出。
本标准由国家环境保护局负责解释。
1 主题内容与适用范围1.1 主题内容本标准规定了33种大气污染物的排放限值,同时规定了标准执行中的各种要求。
工业炉窑——大气污染物排放标准(GB 9078-1996)1范围本标准按年限规定了工业炉窑烟尘、生产性粉尘、有害污染物的最高允许排放浓度、烟气黑度的排放限值。
本标准适用于除炼焦炉、焚烧炉、水泥厂以外使用固体、液体、气体燃料和电加热的工业炉窑的管理,以及工业炉窑建设项目的环境影响评价、设计、竣工验收及其建成后的排放管理。
2? 引用标准下列标准所包含的条文,通过在本标准中引用而构成为本标准的条文。
3? 定义本标准采用下列定义:3.1? 工业炉窑工业炉窑是指在工业生产中用燃料燃烧或电能转换产生的热量,将物料或工件进行冶炼、焙烧、烧结、熔化、加热等工序的热工设备。
3.2? 标准状态指烟气在温度为273K,压力为101325Pa 时的状态,简称“标态”。
本标准规定的排放浓度均指标准状态下的干烟气中的数值。
3.3? 无组织排放凡不通过烟囱或排气系统而泄漏烟尘、生产性粉尘和有害污染物,均称无组织排放。
3.4? 过量空气系数燃料燃烧时实际空气需要量与理论空气需要量之比值。
3.5? 掺风系数冲天炉掺风系数是指从加料口等处进入炉体的空气量与冲天炉工艺理论空气需要量之比值。
4? 技术内容4.1? 排放标准的适用区域4.1.1?本标准分为一级、二级、三级标准,分别与GB 3095中的环境空气质量功能区相对应:一类区执行一级标准;二类区执行二级标准;三类区执行三级标准。
4.1.2? 在一类区内,除市政、建筑施工临时用沥青加热炉外,禁止新建各种工业炉窑,原有的工业炉窑改建时不得增加污染负荷。
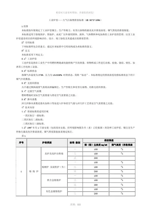
4.2? 1997年月1日前安装(包括尚未安装,但环境影响报告书(表)已经批准)的各种工业炉窑,烟尘及生产性粉尘最高允许排放浓度、烟气黑度限值按表规定执行。
表1表1(续)注:栏中斜线系指不监测项目,下同。
4.3 1997年1月1日起通过环境影响报告书(表)批准的新建、改建、扩建的各种工业炉窑,其烟尘及生产性粉尘最高允许排放浓度、烟气黑度限值,按表2规定执行。
工业炉窑——大气污染物排放标准(GB 9078-1996)1范围本标准按年限规定了工业炉窑烟尘、生产性粉尘、有害污染物的最高允许排放浓度、烟气黑度的排放限值。
本标准适用于除炼焦炉、焚烧炉、水泥厂以外使用固体、液体、气体燃料和电加热的工业炉窑的管理,以及工业炉窑建设项目的环境影响评价、设计、竣工验收及其建成后的排放管理。
2? 引用标准下列标准所包含的条文,通过在本标准中引用而构成为本标准的条文。
3? 定义本标准采用下列定义:3.1? 工业炉窑工业炉窑是指在工业生产中用燃料燃烧或电能转换产生的热量,将物料或工件进行冶炼、焙烧、烧结、熔化、加热等工序的热工设备。
3.2? 标准状态指烟气在温度为273K,压力为101325Pa 时的状态,简称“标态”。
本标准规定的排放浓度均指标准状态下的干烟气中的数值。
3.3? 无组织排放凡不通过烟囱或排气系统而泄漏烟尘、生产性粉尘和有害污染物,均称无组织排放。
3.4? 过量空气系数燃料燃烧时实际空气需要量与理论空气需要量之比值。
3.5? 掺风系数冲天炉掺风系数是指从加料口等处进入炉体的空气量与冲天炉工艺理论空气需要量之比值。
4? 技术内容4.1? 排放标准的适用区域一类区执行一级标准;二类区执行二级标准;三类区执行三级标准。
4.2? 1997年月1日前安装(包括尚未安装,但环境影响报告书(表)已经批准)的各种工业炉窑,烟尘及生产性粉尘最高允许排放浓度、烟气黑度限值按表规定执行。
表1表1(续)注:栏中斜线系指不监测项目,下同。
4.3 1997年1月1日起通过环境影响报告书(表)批准的新建、改建、扩建的各种工业炉窑,其烟尘及生产性粉尘最高允许排放浓度、烟气黑度限值,按表2规定执行。
表2(续)注:*仅限于市政、建筑施工临时用沥青加热炉。
4.4 各种工业炉窑(不分其安装时间),无组织排放烟(粉)尘最高允许浓度,按表3规定执行。
表34.5 各种工业炉窑的有害污染物最高允许排放浓度按表4规定执行。
辽宁省《工业涂装工序大气污染物排放标准》编制说明标准编制组二O一八年八月目录1工作简介 (5)1.1任务来源和起草单位 (5)1.2主要工作过程 (5)2标准编制的基本原则、总体思路和技术路线 (6)2.1基本原则 (6)2.2总体思路 (7)2.3技术路线 (7)3工业涂装工艺技术及其大气污染物排放特点 (8)3.1涂装定义 (8)3.2涂装应用领域 (8)3.3工业涂装所用涂料 (8)3.4工业涂装基本工艺过程 (10)3.5工业涂装大气污染物排放特点 (11)3.5.1工业涂装排放的大气污染物种类 (11)3.5.2工业涂装排放的主要VOCs类别和组分 (12)3.5.3工业涂装排放的VOCs对人体和环境的毒害性 (14)4工业涂装大气污染物治理技术 (16)4.1基体表面预处理产生粉尘的治理 (16)4.2“过喷漆雾”的治理 (16)4.2.1湿式漆雾净化法 (16)4.2.2干式漆雾净化法 (19)4.2.3半干式漆雾净化法 (20)4.3挥发性有机物(VOCs)的治理 (21)4.3.1含VOCs废气治理技术概况 (21)4.3.2使用无VOCs涂料——静电粉末喷涂技术 (22)4.3.3使用低VOCs含量的涂料 (23)4.3.4采用空气喷涂之外其他施涂工艺 (25)4.3.5直接燃烧 (25)4.3.6热力燃烧(TO) (25)4.3.7催化燃烧(CO) (26)4.3.8活性炭吸附 (26)4.3.9沸石转轮吸附 (27)4.3.10几种VOCs治理技术比较 (28)5国外相关法律法规和标准 (29)5.1美国 (29)5.1.1法规和标准体系 (29)5.1.2对工业涂装的要求 (29)5.2欧盟 (30)5.2.1法规和标准体系 (30)5.2.2对工业涂装的要求 (32)5.3日本 (36)6国内相关法规和标准 (36)6.2特别地区 (37)6.2.1香港 (37)6.2.2台湾 (37)6.3各地对工业涂装的综合性排放要求 (38)6.4各地对汽车整车制造业涂装工序的排放要求 (41)6.5各地对家具涂装的污染物排放要求 (45)6.6广东省关于集装箱制造涂装工序排放量标准 (48)6.7国家和上海关于船舶工业大气污染物排放标准 (48)6.8关于汽车维修业的大气污染物排放标准 (50)6.8.1北京汽车维修业大气污染物排放标准 (50)6.8.2重庆汽车维修业大气污染物排放标准DB50/661-2016 (51)6.9摩托车汽车配件制造表面涂装大气污染物排放标准 (51)7我省工业涂装大气污染物排放情况调研和监测数据分析 (52)7.1与工业涂装有关的产业概况 (52)7.2实地调研相关行业企业的排放情况 (53)7.2.1调研的相关行业典型企业 (53)7.2.2典型排放监测数据 (55)8标准主要技术内容及依据 (65)8.1标准的特性和结构 (65)8.2标准的范围 (65)8.3术语和定义 (66)8.4时段划分 (67)8.5排气筒排放污染物种类及浓度限值的确定 (67)8.5.1行业区分 (67)8.5.2污染物种类及浓度限值的确定原则 (68)8.5.3VOCs的种类及浓度限值的确定 (69)8.5.4颗粒物及排放浓度限值 (73)8.5.5恶臭污染物及排放浓度限值 (74)8.6排气筒高度及排放速率要求 (75)8.7污染源排气中VOCs的去除率要求 (79)8.8无组织排放浓度限值 (80)8.9工艺措施及管理要求 (81)8.10监测要求 (83)8.10.1两部分要求划分 (83)8.10.2VOCs排放浓度的检测 (83)8.10.3无组织排放的监测 (83)8.11实施与监督 (84)9技术可行性、环境效益、经济效益分析 (84)9.1技术可行性分析 (84)9.2环境效益 (87)9.3经济效益 (88)10意见分歧处理依据及结果 (88)11作为强制性地方标准的建议及理由 (88)11.2现实需要 (89)11.2.1改善空气质量的迫切要求 (89)11.2.2现行标准不能满足环境监管需要 (90)11.2.3工业涂装领域健康发展的需要 (90)12对本标准实施的建议 (90)1 工作简介1.1任务来源和起草单位2017年5月25日辽宁省人大常委会审议通过的《辽宁省大气污染防治条例》(2017年8月1日实施)第三十五条明确要求:“涂装、印刷、粘合、工业清洗等含挥发性有机物的产品使用”此类生产和服务活动,“应当使用低挥发性有机物含量的原料,在密闭空间或者设备中进行,并按照规定安装、使用污染防治设施;无法密闭的,应当采取措施减少废气排放”。
《工业炉窑大气污染物排放标准》工业炉窑大气污染物排放标准。
工业炉窑是工业生产中常见的设备,其排放的大气污染物对环境和人类健康造成了严重影响。
为了控制工业炉窑大气污染物的排放,保护环境和人类健康,各国纷纷制定了相应的排放标准和控制措施。
本文将介绍工业炉窑大气污染物排放标准的相关内容。
首先,工业炉窑大气污染物排放标准主要包括颗粒物、二氧化硫、氮氧化物等污染物的排放限值。
颗粒物是工业炉窑排放的主要污染物之一,其直径小于等于10微米的颗粒物对人体健康造成的危害较大。
因此,各国对工业炉窑颗粒物排放都有严格的限值要求,通常以每立方米排放颗粒物的质量限制来进行控制。
二氧化硫和氮氧化物是工业炉窑排放的另外两种主要大气污染物,它们会对大气环境和生态系统造成严重的影响,因此各国也都对其排放进行了严格的限制。
其次,工业炉窑大气污染物排放标准的制定不仅包括了排放限值,还包括了排放监测、排放治理等方面的要求。
排放监测是保证工业炉窑排放达标的重要手段,各国通常要求工业炉窑企业建立完善的排放监测系统,定期对排放进行监测和报告。
同时,排放治理也是工业炉窑大气污染物排放标准的重要内容,各国要求工业炉窑企业采取有效的治理措施,减少大气污染物的排放。
最后,工业炉窑大气污染物排放标准的执行和监管是保证其有效实施的关键。
各国需要建立健全的法律法规体系,明确工业炉窑大气污染物排放标准的执行要求和相关责任。
同时,加强对工业炉窑企业的监管和执法检查,确保其排放达标,对违反排放标准的企业要依法进行处罚。
总之,工业炉窑大气污染物排放标准是保护环境和人类健康的重要举措,各国应加强合作,共同制定更加严格的排放标准,推动工业炉窑大气污染物的有效控制和治理。
同时,工业炉窑企业也应增强环保意识,积极采取措施减少大气污染物的排放,为建设美丽的蓝天贡献力量。
1引言所谓镁制耐火材料工业,具体是指用菱镁矿、白云石等矿物原料经过粉碎加工、煅烧、成型、烧成等过程而制成镁质耐火原料或镁质耐火制品的工业。
电工级氧化镁属于耐火材料,电工级氧化镁生产属于镁质耐火材料工业。
菱镁矿是我国的优势资源之一,其储量、镁质耐火材料生产量及出口量均居世界首位。
辽宁省菱镁矿资源丰富,开发利用历史悠久,素有“世界镁都”之称。
利用菱镁矿生产镁制品的工艺,其过程中可能产生的环境污染因素主要为大气污染物粉尘,其对人体的危害主要是可能会导致呼吸系统疾病———尘肺病。
封闭措施、除尘净化措施是防止粉尘造成大气污染的主要环保措施[1]。
在环保措施有效实施的前提下,工人佩戴符合国家标准要求的防尘口罩是防止职业危害的主要手段。
本文主要针对电工级氧化镁生产过程中的主要产尘环节及应采取的环保措施和防护措施进行探索分析,以期对镁制品生产企业的建设及生产提供参考和借鉴。
2破碎筛分工序外购原料菱镁矿石主要成分为MgO (含量≥47%),粒径为30~50cm 或5~8cm ,而投入电熔炉进行高温熔融煅烧的菱镁矿石粒径一般为5~8cm ,因此,外购的菱镁矿石需要先进行破碎筛分处理。
大粒径菱镁矿石(粒径30~50cm )先经颚式破碎机破碎后,再利用滚筒筛进行筛分,小粒径菱镁矿石(粒径5~8cm )直接利用滚筒筛筛分,从而得到合格的、可以投炉进行高温熔融的原料。
破碎筛分过程产生的主要环境影响因素为粉尘。
此工序的粉尘控制措施一般为:①在产尘点破碎机、筛分机处设置集气罩和布袋除尘器(除尘器的设计净化效率在99%以上),减少粉尘的外逸;②封闭生产车间,以减少产生的粉尘排放到外界环境中。
在采取粉尘控制措施的基础上,工人的防护措施为佩戴符合国家标准要求的防尘口罩。
利用菱镁矿生产镁制品的企业在破碎筛分工序以及后续的原料装炉及电弧熔融工序、脱壳破碎分选工序的环保措施见图1和图2。
3原料装炉及电弧熔融工序由于投料工艺自身的特点,投料时投料高度和冶炼炉之【作者简介】贺玉凤(1980-),女,山东聊城人,工程师,从事环保技术研究。
辽宁省地方标准《镁质耐火原料及制品单位产品能源消耗限额》辽宁省地方标准《镁质耐火原料及制品单位产品能源消耗限额》辽宁省地方标准DB21/1642-2008辽宁省地方标准《镁质耐火原料及制品单元产品能源消耗限额》(DB21/1642-2008)期的引用文件,其最新版本适用于本标准。
GB/T2589综合能耗计算公例GB/T12723产品单元产量能源消耗限额编制公例GB/T15587工业企业能源管理导则GB3101涉及量、单元和符号的一般原则GB/T3484企业能量均衡公例GB17167用能单元能源计量器具配备和管理导则GB/T2587热设备能量均衡公例3术语和定义GB/T12723《产品单元产量能源消耗限额编制公例》的术语、定义适用于本限额。
3.1单元产品燃料消耗(kg/t或m3/t):生产每一吨合格产品时所消耗燃料(煤、燃油、煤气等)的实物值。
3.2单元产品电耗(kWh/t):生产每一吨合格产品的电力消耗量。
3.3单元产品综合能耗((kg标煤/t):统计期内,生产单元合格产品时的工序能耗和公辅能耗之和。
包孕直接消耗的能源量,以及分担费用到该产品的辅助生产系统和生产管理及糊口福利设施的能耗量。
3.4公辅能耗:动力设施、给排水设施、模具加工、机修、检化验、糊口福利设施和综合办公楼等能耗。
3.5工序能耗:耐火制品的工序能耗包孕耐火原料进厂储运、干燥、破粉碎、混合、成型、砖坯的干燥、烧成、磨砖、浸腊、包装、清除粉尘等各个工序的能耗。
4技术要求表中所列出的镁质耐火原料及制品必须符合国家标准及行业标准的质量和技术要求。
4.1镁质耐火原料可比单元产品综合能耗限额见表l镁质耐火原料可比单元产品综合能耗限额产物品名称称单元产品燃料消耗单元产品电耗可比单元产品综合能耗(kgbm/t)备注实物值(kg/t)折合标煤(kgbm/t)实物值(kWh/t)折合标煤(kgbm/t)轻烧氧化镁CBM94ACBM94B3002373012249燃料:铁法洗中煤原料:矿石产品粒度:325目CBM922802213012233CBM902501983012210烧结镁砂MS97506815061129燃料:燃料油原料:轻烧氧化镁粉干压球MS95MS942002008032232燃料:太西煤原料:轻烧氧化镁粉湿压球MS92MS903103103916326燃料:太西煤原料:矿石电熔镁砂电熔镁砂290011721172原料:矿石产品:不含皮砂电熔镁砂(大形成晶体)280011311131原料:轻烧氧化镁颗粒产品:不含皮砂4.2镁质耐火制品可比单元产品综合能耗限额见表2镁质耐火制品可比单元产品综合能耗限额种类产物品名称称单元产品燃料消耗单元产品电耗可比单元产品综合能耗(kgbm/t)备注实物值(kg/t)折合标煤(kgbm/t)实物值(kWh/t)折合标煤(kgbm/t)镁质制品镁砖12517018073243燃料:燃料油中档镁砖16021722089306高纯镁砖18024522089334电熔镁砖18525224097349镁铬质制品镁铬砖14019019077267直接结合镁铬砖18525224097349半再结合镁铬砖190258250101359电熔再结合镁铬砖240326270109435镁钙质制品镁钙砖120网易20081244燃料:燃料油产品:CaO≤30%镁铝质制品镁铝砖15020420081285燃料:燃料油镁铝尖晶石砖17023122089320含碳制品镁碳砖及铝镁碳砖260105105不定形散状料10040404.3通过技术改造和节能管理工作,2010年底,辽宁省镁质材料企业生产的镁质耐火原料及制品,可比单元产品综合能耗必须实现比表1和表2减低5%的限额目标值。
大气污染物综合排放标准(GB16297-1996)代替GB3548-83、GB4276-84、GB4277-84、GB4282-84、GB4286-84、GB4911-85、GB4912-85、GB4913-85、|GB4916-85、GB4917-85、GBJ4-73各标准中的废气部分国家环境保护局1996-04-12批准1997-01-01实施前言根据《中华人民共和国大气污染防治法》第七务的规定,制定本标准。
本标准在原有《工业“三废”排放试行标准》(GBJ4-73)废气部分和有关其它行业性国家大气污染物排放标准的基础上制定。
本标准在技术内容上与原有各标准有一定的继承关系,亦有相当大的修改和变化。
本标准规定了33种大气污染物的排放限值,其指标体系为最高允许排放浓度、最高允许排放速率和无组织排放监控浓度限值。
国家在控制大气污染物排放方面,除本标准为综合性排放标准外,还有若干行业性排放标准共同存在,即除若干行业执行各自的行业性国家大气污染物排放标准外,其余均执行本标准。
本标准从1997年1月1日起实施。
下列各标准的废气部分由本标准取代,自本标准实施之日起,下列各标准的废气部分即行废除。
GBJ4-73 工业“三废”排放试行标准GB3548-83 合成洗涤剂工业污染物排放标准GB4276-84 火炸药工业硫酸浓缩污染物排放标准GB4277-84 雷汞工业污染物排放标准GB4282-84 硫酸工业污染物排放标准GB4286-84 船舶工业污染物排放标准GB4911-85 钢铁工业污染物排放标准GB4912-85 轻金属工业污染物排放标准GB4913-85 重有色金属工业污染物排放标准GB4916-85 沥青工业污染物排放标准GB4917-85 普钙工业污染物排放标准本标准的附录A、附录B、附录C都是标准的附录。
本标准由国家环境保护局科技标准司提出。
本标准由国家环境保护局负责解释。
1 主题内容与适用范围1.1 主题内容本标准规定了33种大气污染物的排放限值,同时规定了标准执行中的各种要求。
辽宁省固体废物污染物排放标准1. 引言本文档旨在规定辽宁省固体废物污染物的排放标准,以保护环境和人民的健康,促进可持续发展。
该标准适用于辽宁省内所有生产、储存、处理和处置固体废物的企事业单位。
2. 总则- 所有固体废物排放应符合国家和地方相关法律法规的要求。
- 废物的排放应尽量减少和控制,采取合适的环保措施,以防止环境污染和生态破坏。
- 企事业单位应建立健全的固体废物处理管理体系,确保废物的安全处理和处置。
3. 排放限值根据废物种类和处理方式的不同,以下为辽宁省固体废物污染物排放标准的相关限值要求:3.1 有害废物有害废物的排放应符合国家和地方相关法律法规的要求。
3.2 建筑垃圾- 建筑垃圾中重金属污染物(如铅、汞、镉等)的排放限值应符合国家标准并保持在安全范围内。
- 建筑垃圾中有害物质(如石棉、甲醛等)的排放应达到国家和地方相关标准要求。
3.3 生活垃圾- 生活垃圾中有机物排放限值应控制在国家和地方相关标准要求以内。
- 生活垃圾中重金属污染物的排放限值应符合国家标准并保持在安全范围内。
3.4 工业固体废物工业固体废物的排放限值应根据具体废物种类进行规定,并符合国家和地方相关标准要求。
4. 监督管理辽宁省环境保护部门将对固体废物污染物的排放进行定期监督检查,并依法对不符合排放标准的企事业单位进行处罚。
5. 处罚措施对于违反辽宁省固体废物污染物排放标准的企事业单位,根据相关法律法规的规定,环境保护部门将依法给予相应的处罚,包括但不限于罚款、停产整顿等。
6. 附则本标准自发布之日起生效,并取代之前的相关标准。
辽宁省环境保护部门有权对本标准进行解释和修订。
以上为辽宁省固体废物污染物排放标准的主要内容。
企事业单位应严格遵守该标准,共同保护环境和人民的健康。
辽宁省镁质材料行业发展指导目录(2011年本)第一类鼓励类一、资源开发1、采用新技术进行菱镁矿、水镁石矿、白云石矿探矿2、现有菱镁矿、水镁石矿、白云石矿矿区详查3、采用新技术提高菱镁矿、水镁石矿、白云石矿回采率4、采用新技术进行水镁石矿深部开采5、菱镁矿、水镁石矿高效选矿6、重点矿山弥补剥岩欠账,延长矿山使用寿命7、省内菱镁矿供矿基地建设及辽宁境外菱镁资源开发建立优质镁质原料支持保障系统8、菱镁老矿城(区)、老矿山经济转型和发展二、资源利用(一)产品1、镁质耐火材料(1)MgO≥97.5%、CaO/SiO2≥2、体积密度≥3.4g/cm3低成本高纯镁砂(2)MgO-Al2O3系、MgO-CaO系、MgO-ZrO2系、MgO-SiO2系、MgO-Fe2O3系、MgO-CaO-Fe2O3系、MgO-Al2O3-ZrO2系、MgO-CaO-ZrO2系、MgO-Al2O3-Fe2O3系等优质合成镁质原料(3)氧化镁和非氧化物等复合耐火材料(4)优质无铬镁质烧成砖(5)优质无碳、低碳镁质不烧耐火制品(6)冶金用优质镁质功能材料(滑板、透气砖、水口等)(7)高性能镁质不定形耐火材料(8)镁质蓄热材料(9)镁质隔热材料(10)镁质耐火材料用新型、环保结合剂2、镁质渣系及熔剂(1)高效、优质、合成镁质冶金功能渣系材料及熔剂3、镁质化工材料(1)镁质纳米材料(2)改性水镁石和阻燃级氢氧化镁及其复合材料(3)高活性氧化镁、优质电工级氧化镁、高纯氧化镁、硅钢级氧化镁、电子级氧化镁、医药级氧化镁(4)系列镁盐晶须及其复合材料(5)医药级、试剂级碳酸(6)优质硫酸镁、硼镁、硝酸镁等农用肥料(7)氯氧镁基复合材料(8)高效镁质脱硫剂(9)高效镁质污水处理剂(10)环保型镁质除雪剂(11)涉镁能源材料(12)其它(乙酸镁、氟硅酸镁、食品级磷酸镁等)4、镁合金及深加工产品(1)镁合金高性能大尺寸坯料及高纯镁锭(2)球形镁粉、镁合金粉及深加工产品(3)高性能镁牺牲阳极(4)高性能镁合金板材、型(管)材及其制品(5)高效率、高性能镁合金压铸技术及零部件(6)高性能镁基复合材料及其制品(7)镁合金铸造技术及产品(8)镁合金表面防护技术及应用5、其它产品(1)高性能镁质光学晶体及光电子材料(2)高性能镁质功能陶瓷材料(3)轻质镁质外墙保温阻燃板(二)技术与装备1、菱镁矿、水镁石矿微细、超细粉碎技术2、镁质材料微粉、超细粉及纳米粉的制备和改性技术及设备3、MgO-CaO系耐火材料防水化技术4、高效、节能镁质原料高温煅烧工艺技术5、高活性、高纯度轻烧氧化镁制备技术6、菱镁石轻烧用大型悬浮炉、大型沸腾炉、大型多层炉、大型竖窑等高效节能的新型窑炉7、高效、节能、环保型破粉碎、筛分设备8、高效、节能、环保型粉磨、超细磨设备9、高压、高效压球设备10、先进配料计量设备11、高效、自动化预混合和混炼设备12、高压、安全制品成型设备13、高效、节能制品烧成、冶炼设备14、高效、节能砖坯干燥设备15、采用可编程序控制器(PLC)或集散系统(DCS)等的镁质材料自动化生产控制技术及设备16、水镁石粉水热法直接合成高纯氢氧化镁工艺与设备17、铵盐循环合成高纯氢氧化镁技术与设备18、利用菱镁石、水镁石生产镁质化工产品的先进技术19、环境友好、低成本制备金属镁及合金新技术20、环境友好的镁合金熔炼、纯净化、二次热变形加工技术及设备21、镁合金及其制品的先进表面处理技术及焊接技术22、高性能镁合金及其制品的质量检测技术及设备23、高性能镁基复合材料制备技术及设备24、镁质材料行业节约资源和能源的技术25、先进的检测技术与设备26、处理用后耐火材料的专用设备(三)环境保护和综合利用1、菱镁石及水镁石粉矿、碎矿、级外矿、尾矿的综合利用2、菱镁矿、水镁石矿伴生资源的开发利用3、菱镁矿区的生态环境恢复4、废气、废液、废渣处理和综合利用5、高效集尘、除尘和降噪设备6、用后耐火材料的回收及再生利用技术7、镁及镁合金回收利用技术8、炉窑富氧燃烧节能技术9、工业节水技术10、余热回收利用技术与设备11、菱镁矿资源利用过程中经济可行的CO2回收以及生产CO2衍生产品先进技术12、镁质材料清洁生产技术13、镁质装饰板及涂料14、菱镁矿渣水泥15、菱镁、水镁石矿渣砌块16、混凝土镁质添加剂17、菱镁矿浮选后尾矿的综合利用第二类限制类1、新建菱镁矿山(不含生产制品的大型企业自用矿山)2、初级镁质原料的出口3、新建轻烧氧化镁反射窑、重烧镁砂窑、电熔镁砂炉项目4、含铬质耐火材料5、新建单窑年产量40000吨以下、吨产品油耗大于50千克,或MgO≤97%、CaO/SiO2<2、体积密度<3.28g/cm3的高纯镁砂项目6、新建、扩建镁碳砖生产线7、新建、扩建烧成砖生产线8、镁质材料行业现有产能执行辽宁省标准:镁质耐火原料及制品单位产品能源消耗限额(DB21/1642-2008)第三类淘汰类注:条目后括号内数字为淘汰期限,淘汰期限为2012年是指应于2012年底前淘汰,其余类推;未标淘汰期限的条目为国家产业政策已明令淘汰或立即淘汰。
(2023)温室气体排放核算与报告要求第3部分:镁冶炼企业(GBT .3-)(一)温室气体排放核算与报告要求第3部分:镁冶炼企业(GBT .3-)背景随着全球经济的快速发展和工业化进程的加速,温室气体排放问题越来越受到关注。
作为国际社会应对气候变化的重要行动,各国都将温室气体排放纳入国家政策和法规中,并对企业的排放行为进行了严格的监管。
镁冶炼企业的排放情况镁是一种轻质金属,在航空航天、汽车制造、电子等领域有着广泛的应用。
而镁的制备过程中,会产生大量的温室气体排放,主要包括二氧化碳、氮氧化物和氟化物等。
镁冶炼企业是温室气体排放的重要来源之一。
相关要求为了实现对镁冶炼企业温室气体排放的有效监管和管理,我国推出了《温室气体排放核算与报告要求》的第3部分,对镁冶炼企业的温室气体排放进行了明确规定。
主要要求如下:•镁冶炼企业需按照国家标准进行排放核算和报告;•核算和报告内容应包括二氧化碳、氮氧化物和氟化物等温室气体的排放量;•镁冶炼企业需设置专门的监测设备,及时记录和报告温室气体排放情况;•镁冶炼企业需制定温室气体排放减排方案,并定期向当地环保主管部门汇报实施情况。
结论温室气体排放问题是全球范围内的重要挑战,对人类社会和自然环境均产生了巨大的影响。
随着我国环保法律法规的不断完善和执行力度的加强,各行业企业都需要严格遵守相关要求,积极推进温室气体排放减排工作,为保护环境、实现可持续发展作出应有的贡献。
建议针对镁冶炼企业的温室气体排放,可以采取多种减排措施。
比如:•优化生产流程,提高能源利用率,减少能耗和温室气体排放;•采用节能环保技术,如氧化还原处理、热交换、膜分离等,实现温室气体的减排和回收利用;•增加“三废”处理设施和粉尘治理设备,降低二次污染和环境风险。
同时,应注重加强镁冶炼企业的环保、能源管理体系建设,落实责任,加强宣传教育,形成厂方、监管部门和社会共同推进温室气体排放减排的合力,实现环保、经济和社会效益的协调发展。
辽宁省大气污染防治条例(2022修正)文章属性•【制定机关】辽宁省人大及其常委会•【公布日期】2022.04.21•【字号】辽宁省人民代表大会常务委员会公告〔十三届〕第九十二号•【施行日期】2022.04.21•【效力等级】省级地方性法规•【时效性】现行有效•【主题分类】大气污染防治正文辽宁省大气污染防治条例(2017年5月25日辽宁省第十二届人民代表大会常务委员会第三十四次会议通过根据2020年3月30日辽宁省第十三届人民代表大会常务委员会第十七次会议《关于修改〈辽宁省出版管理规定〉等27件地方性法规的决定》第一次修正根据2022年4月21日辽宁省第十三届人民代表大会常务委员会第三十二次会议《关于修改〈辽宁省食品安全条例〉等10件地方性法规的决定》第二次修正)第一章总则第一条为了保护和改善大气环境,防治大气污染,保障公众健康,推进生态文明建设,促进经济社会可持续发展,根据《中华人民共和国大气污染防治法》等有关法律、法规,结合本省实际,制定本条例。
第二条本条例适用于本省行政区域内大气污染防治及其监督管理活动。
第三条防治大气污染,应当以改善大气环境质量为目标,遵循源头治理、规划先行、防治结合、综合整治、公众参与、协同控制和损害担责的原则。
第四条省、市、县(含县级市、区,下同)人民政府应当对本行政区域内的环境质量负责,制定实施大气污染防治规划,将大气污染防治工作纳入国民经济和社会发展规划,采取措施控制或者减少大气污染物的排放量,使大气环境质量达到国家和省规定标准并逐步改善。
第五条省、市、县人民政府生态环境主管部门依法对大气污染防治实施统一监督管理。
发展改革、工业和信息化、住房城乡建设、自然资源、财政、公安、交通运输、农业农村、林业草原、市场监督管理、气象等有关部门,按照法律、法规的规定和本级人民政府确定的职责,对大气污染防治工作实施监督管理。
乡(镇)人民政府和街道办事处协助有关部门组织开展大气污染防治工作。