乙硫醇安全技术说明书
- 格式:docx
- 大小:16.42 KB
- 文档页数:3
第1部分化学品及企业标识化学品中文名:乙硫醇化学品英文名:EthanethiolCAS号:75-08-1分子式:C2H6S分子量:62.13产品推荐及限制用途:工业及科研用途。
第2部分危险性概述紧急情况概述:高度易燃液体和蒸气。
吸入有害。
对水生生物毒性极大并具有长期持续影响。
GHS危险性类别:易燃液体类别2急性吸入毒性类别4危害水生环境——急性危险类别1危害水生环境——长期危险类别1标签要素:象形图:警示词:危险危险性说明:H225高度易燃液体和蒸气H332吸入有害H410对水生生物毒性极大并具有长期持续影响防范说明:•预防措施:——P210远离热源/火花/明火/热表面。
禁止吸烟。
——P233保持容器密闭。
——P240容器和装载设备接地/等势联接。
——P241使用防爆的电气/通风/照明/设备。
——P242只能使用不产生火花的工具。
——P243采取防止静电放电的措施。
——P280戴防护手套/穿防护服/戴防护眼罩/戴防护面具。
——P261避免吸入粉尘/烟/气体/烟雾/蒸气/喷雾。
——P271只能在室外或通风良好处使用。
——P273避免释放到环境中。
•事故响应:——P303+P361+P353如皮肤沾染:立即脱掉所有沾染的衣服。
用水清洗皮肤/淋浴。
——P370+P378火灾时:使用灭火器灭火。
——P304+P340如误吸入:将人转移到空气新鲜处,保持呼吸舒适体位。
——P312如感觉不适,呼叫解毒中心/医生——P391收集溢出物。
•安全储存:——P403+P235存放在通风良好的地方。
保持低温。
•废弃处置:——P501按当地法规处置内装物/容器。
物理和化学危险:高度易燃液体和蒸气。
健康危害:吸入有害。
环境危害:对水生生物毒性极大并具有长期持续影响。
第3部分成分/组成信息第4部分急救措施急救:吸入:迅速脱离现场至空气新鲜处。
保持呼吸道通畅。
如呼吸困难,给输氧。
呼吸、心跳停止,立即进行心肺复苏术。
就医皮肤接触:立即脱去污染的衣着,用肥皂水和清水彻底冲洗皮肤。
化学品安全技术说明书第一部分化学品及企业标识化学品中文名:甲硫醇;硫氢甲烷;巯基甲烷化学品英文名:methyl mercaptan;methanethiol企业名称:生产企业地址:邮编: 传真:企业应急电话:电子邮件地址:技术说明书编码:第二部分成分/组成信息√纯品混合物有害物成分浓度CAS No.甲硫醇74-93-1第三部分危险性概述危险性类别:第2.1类易燃气体侵入途径:吸入健康危害:吸入后可引起头痛、恶心及不同程度的麻醉作用;高浓度吸入可引起呼吸麻痹而死亡。
环境危害:对水体和大气可造成污染。
燃爆危险:易燃,与空气混合能形成爆炸性混合物。
第四部分急救措施皮肤接触:不会通过该途径接触。
眼睛接触:不会通过该途径接触。
吸入:迅速脱离现场至空气新鲜处。
保持呼吸道通畅。
如呼吸困难,给输氧。
呼吸、心跳停止,立即进行心肺复苏术。
就医。
食入:不会通过该途径接触。
第五部分消防措施危险特性:易燃,其蒸气与空气可形成爆炸性混合物,遇热源、明火、氧化剂有燃烧爆炸的危险。
与水、水蒸气、酸类反应产生有毒和易燃气体。
与氧化剂接触猛烈反应。
有害燃烧产物:一氧化碳、二氧化硫。
灭火方法:用雾状水、泡沫、干粉、二氧化碳灭火。
灭火注意事项及措施:切断气源。
若不能切断气源,则不允许熄灭泄漏处的火焰。
消防人员必须佩戴空气呼吸器、穿全身防火防毒服,在上风向灭火。
尽可能将容器从火场移至空旷处。
喷水保持火场容器冷却,直至灭火结束。
第六部分泄漏应急处理应急行动:消除所有点火源。
根据气体的影响区域划定警戒区,无关人员从侧风、上风向撤离至安全区。
建议应急处理人员戴正压自给式呼吸器,穿防静电服。
作业时使用的所有设备应接地。
禁止接触或跨越泄漏物。
尽可能切断泄漏源。
喷雾状水抑制蒸气或改变蒸气云流向,避免水流接触泄漏物。
禁止用水直接冲击泄漏物或泄漏源。
防止气体通过下水道、通风系统和密闭性空间扩散。
用飞尘或石灰粉吸收大量液体。
隔离泄漏区直至气体散尽。
可考虑引燃漏出气,以消除有毒气体的影响。
第1部分化学品及企业标识化学品中文名:2-丁硫醇化学品英文名:Butane-2-thiolCAS号:513-53-1分子式:C4H10S分子量:90.19产品推荐及限制用途:工业及科研用途。
第2部分危险性概述紧急情况概述:高度易燃液体和蒸气。
造成皮肤刺激。
造成严重眼刺激。
可引起呼吸道刺激。
GHS危险性类别:易燃液体类别2皮肤腐蚀/刺激类别2严重眼损伤/眼刺激类别2特异性靶器官毒性一次接触类别3标签要素:象形图:警示词:危险危险性说明:H225高度易燃液体和蒸气H315造成皮肤刺激H319造成严重眼刺激H335可引起呼吸道刺激防范说明:•预防措施:——P210远离热源/火花/明火/热表面。
禁止吸烟。
——P233保持容器密闭。
——P240容器和装载设备接地/等势联接。
——P241使用防爆的电气/通风/照明/设备。
——P242只能使用不产生火花的工具。
——P243采取防止静电放电的措施。
——P280戴防护手套/穿防护服/戴防护眼罩/戴防护面具。
——P264作业后彻底清洗。
——P261避免吸入粉尘/烟/气体/烟雾/蒸气/喷雾。
——P271只能在室外或通风良好处使用。
•事故响应:——P303+P361+P353如皮肤(或头发)沾染:立即脱掉所有沾染的衣服。
用水清洗皮肤/淋浴。
——P370+P378火灾时:使用灭火器灭火。
——P302+P352如皮肤沾染:用水充分清洗。
——P332+P313如发生皮肤刺激:求医/就诊。
——P362+P364脱掉沾染的衣服,清洗后方可重新使用——P305+P351+P338如进入眼睛:用水小心冲洗几分钟。
如戴隐形眼镜并可方便地取出,取出隐形眼镜。
继续冲洗。
——P337+P313如仍觉眼刺激:求医/就诊。
——P304+P340如误吸入:将人转移到空气新鲜处,保持呼吸舒适体位。
——P312如感觉不适,呼叫解毒中心/医生•安全储存:——P403+P235存放在通风良好的地方。
保持低温。
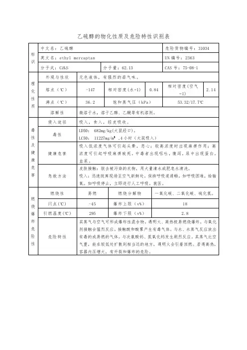
乙硫醇管理制度一、乙硫醇的基本性质乙硫醇(Ethyl mercaptan)是一种有机硫化合物,化学式为C2H6S,分子量为62.13。
它是一种无色液体,在常温下有强烈的刺鼻气味,极易挥发,易溶于水和醇类溶剂。
乙硫醇具有较强的还原性和腐蚀性,能够与酸、碱反应生成盐类。
在氧气的存在下,乙硫醇易于氧化生成二乙基二硫化物,造成氧化性危害。
二、乙硫醇的应用领域由于乙硫醇具有刺激性气味,常常被用作添加剂以赋予天然气或液化石油气等无色无味的燃气一种刺激性气味,目的是为了提醒人们注意燃气泄漏以防止事故的发生。
此外,乙硫醇还用作有机合成原料,用于制备硫化物、橡胶促进剂、防腐剂等。
在医药领域,乙硫醇也被用作医药合成的中间体。
三、乙硫醇的安全风险1. 毒性危害:乙硫醇具有一定的毒性,长期接触可能对皮肤和黏膜有刺激作用,严重的话还可能引起过敏反应、皮肤溃疡等症状。
2. 火灾爆炸危害:乙硫醇是易燃易爆的化学品,其蒸气和空气混合物在一定温度和浓度范围内能形成可燃混合物,一旦遇到火源或高温容易发生爆炸。
3. 氧化性危害:乙硫醇在氧气的存在下易发生氧化反应生成二乙基二硫化物,从而造成氧化性危害。
四、乙硫醇管理制度为了确保乙硫醇的安全生产和输送,国家制定了一系列管理制度和安全规范,下面将详细介绍。
1. 乙硫醇的生产(1)生产企业必须具备相关的生产许可证和安全生产资质,按照国家有关标准和技术规范进行生产。
(2)生产现场必须采取各项措施保证生产设施的完好、生产过程的安全、产品质量的稳定。
(3)生产过程中必须采取有效措施避免乙硫醇的泄漏,对可能泄漏的情况做好预案并进行演练,以减少事故的发生。
2. 乙硫醇的储存与运输(1)乙硫醇的储存场所必须符合国家安全生产标准要求,配备完善的泄漏报警系统和泄漏处理设施,确保乙硫醇的储存安全。
(2)乙硫醇的运输必须严格遵守国家相关法律法规,运输车辆必须符合国家标准,司机必须接受专业培训并持有相关资格证书。
第一部分化学品及企业标识化学品中文名:甲硫醇化学品英文名:methanethiol;methyl mercaptan;mercaptomethane化学品别名:巯基甲烷CAS No.:74-93-1EC No.:200-822-1分子式:CH4S第二部分危险性概述紧急情况概述气体。
极端易燃,有爆炸危险。
高压,遇热有爆炸危险。
吸入有毒。
对水生物有剧毒,使用适当的容器,以预防污染环境。
对水生环境可能会引起长期有害作用。
使用适当的容器,以预防污染环境。
GHS危险性类别根据GB30000-2013化学品分类和标签规范系列标准(参阅第十六部分),该产品分类如下:易燃气体,类别1;高压气体,压缩气体;急毒性-吸入,类别3;危害水生环境-急性毒性,类别1;危害水生环境-慢性毒性,类别1。
标签要素象形图警示词:危险危险信息:极端易燃气体,内装高压气体;遇热可能爆炸,吸入会中毒,对水生生物毒性极大,对水生生物毒性极大并具有长期持续影响。
预防措施:远离热源、热表面、火花、明火以及其它点火源。
禁止吸烟。
避免吸入粉尘/烟/气体/烟雾/蒸气/喷雾。
只能在室外或通风良好之处使用。
避免释放到环境中。
事故响应:呼叫中毒急救中心/医生。
漏气着火:切勿灭火,除非漏气能够安全地制止。
一旦发生泄漏,除去所有点火源。
收集溢出物。
如误吸入:将受人转移到空气新鲜处,保持呼吸舒适的体位。
安全储存:存放在通风良好的地方。
存放处须加锁。
存放在通风良好的地方。
保持容器密闭。
防日晒。
存放于通风良好处。
废弃处置:按照地方/区域/国家/国际规章处置内装物/容器。
物理化学危险:极端易燃气体,有爆炸危险。
高压压缩气体,遇热有爆炸危险。
健康危害:在正常的加工处理过程中,吸入本品可能有害。
吸入该物质可能会引起对健康有害的影响或呼吸道不适。
由于本品的物理状态,一般没有危害。
在商业/工业场合中,认为本品不太可能进入体内。
通过割伤、擦伤或病变处进入血液,可能产生全身损伤的有害作用。
乙硫醇纯度 标准
乙硫醇是一种无色透明液体,有强烈的刺激性气味,化学式为
C2H6S,常用作化学试剂和农药的中间体。
乙硫醇的纯度标准通常取决于其用途和生产工艺。
以下是一些常见的乙硫醇纯度标准:
1. 工业级乙硫醇:纯度通常在95%至98%之间,可能含有少量的杂质和水分。
2. 化学试剂级乙硫醇:纯度通常在98%以上,杂质和水分含量较低。
3. 农药级乙硫醇:纯度通常在98%以上,符合农药生产的相关标准。
需要注意的是,不同国家和地区可能有不同的乙硫醇纯度标准,具体标准应根据当地的法律法规和行业标准来确定。
同时,乙硫醇是一种有毒物质,使用时应注意安全,避免接触皮肤和吸入其蒸气。
化学品安全技术说明书第一部分化学品及企业标识化学品中文名:乙硫醇化学品英文名:ethanethiol|ethyl mercaptan|mercaptoethane|ethanethiol化学品别名:氢硫基乙烷|巯基乙烷CAS No.:75-08-1EC No.:200-837-3分子式:C2H6S产品推荐用途:请咨询生产商。
产品限制用途:请咨询生产商。
第二部分危险性概述| 紧急情况概述液体。
高度易燃,其蒸气与空气混合,能形成爆炸性混合物。
对水生物有剧毒, 使用适当的容器, 以预防污染环境。
对水生环境可能会引起长期有害作用。
使用适当的容器, 以预防污染环境。
| GHS 危险性类别根据 GB 30000-2013 化学品分类和标签规范系列标准(参阅第十六部分),该产品分类如下:易燃液体,类别2;危害水生环境-急性毒性,类别1;危害水生环境-慢性毒性,类别1。
| 标签要素象形图警示词:危险危险信息:高度易燃液体和蒸气,对水生生物毒性极大,对水生生物毒性极大并具有长期持续影响。
防范说明预防措施:远离热源、热表面、火花、明火以及其它点火源。
禁止吸烟。
保持容器密闭。
容器和接收设备接地和等势联接。
使用不产生火花的工具。
采取措施,防止静电放电。
避免释放到环境中。
戴防护手套/穿防护服/戴防护眼罩/戴防护面具。
事故响应:收集溢出物。
如皮肤(或头发)沾染:立即去除/脱掉所有沾染的衣服。
用水清洗皮肤或淋浴。
安全储存:存放在通风良好的地方。
保持低温。
废弃处置:按照地方/区域/国家/国际规章处置内装物/容器。
| 危害描述物理化学危险高度易燃液体,其蒸气与空气混合,能形成爆炸性混合物。
健康危害吸入该物质可能会引起对健康有害的影响或呼吸道不适。
意外食入本品可能对个体健康有害。
通过割伤、擦伤或病变处进入血液,可能产生全身损伤的有害作用。
眼睛直接接触本品可导致暂时不适。
环境危害本品对水生生物毒性极大。
本品对水生生物毒性极大并具有长期持续影响。
化学品安全技术说明书第一部分化学品及企业标识化学品中文名:正丙硫醇;硫氢丙烷;1-巯基丙烷;硫代正丙醇化学品英文名:n-propyl mercaptan;1-propanethiol企业名称:生产企业地址:邮编: 传真:企业应急电话:电子邮件地址:技术说明书编码:第二部分成分/组成信息√纯品混合物有害物成分浓度CAS No.正丙硫醇107-03-9第三部分危险性概述危险性类别:第3.1类低闪点液体侵入途径:吸入、食入健康危害:蒸气或雾对眼及上呼吸道有刺激性。
对皮肤有刺激性。
接触后出现头痛、恶心、呕吐。
环境危害:对环境有害。
燃爆危险:极易燃,其蒸气与空气混合,能形成爆炸性混合物。
第四部分急救措施皮肤接触:脱去污染的衣着,用肥皂水和清水彻底冲洗皮肤。
如有不适感,就医。
眼睛接触:提起眼睑,用流动清水或生理盐水冲洗。
1滴橄榄油或3滴肾上腺素,要反复滴可控制结膜炎症状。
如有不适感,就医。
吸入:迅速脱离现场至空气新鲜处。
保持呼吸道通畅。
如呼吸困难,给输氧。
呼吸、心跳停止,立即进行心肺复苏术。
就医。
食入:饮足量温水,催吐。
用2%~5%硫酸钠或硫酸镁溶液洗胃,导泻。
就医。
第五部分消防措施危险特性:其蒸气与空气可形成爆炸性混合物,遇明火、高热极易燃烧爆炸。
与氧化剂、次氯酸钙接触剧烈反应。
遇强酸能分解释出有毒气体。
蒸气比空气重,沿地面扩散并易积存于低洼处,遇火源会着火回燃。
有害燃烧产物:一氧化碳、氧化硫。
灭火方法:用泡沫、二氧化碳、干粉、砂土灭火。
灭火注意事项及措施:消防人员须佩戴防毒面具、穿全身消防服,在上风向灭火。
尽可能将容器从火场移至空旷处。
喷水保持火场容器冷却,直至灭火结束。
处在火场中的容器若已变色或从安全泄压装置中产生声音,必须马上撤离。
用水灭火无效。
第六部分泄漏应急处理应急行动:消除所有点火源。
根据液体流动和蒸气扩散的影响区域划定警戒区,无关人员从侧风、上风向撤离至安全区。
建议应急处理人员戴正压自给式呼吸器,穿防静电服。
乙硫氨酯安全技术说明书一、物品名称和组成乙硫氨酯是一种有机化合物,化学式为C11H24N2O2S,外观为无色至浅黄色液体,具有刺激性气味。
二、危险性概述乙硫氨酯是一种低毒性的有机化合物,具有刺激性,可能引起皮肤、眼睛和呼吸道不适。
此外,乙硫氨酯对某些塑料和橡胶有腐蚀性,可能引起设备损坏。
三、急救措施如接触到乙硫氨酯,应立即用流动清水冲洗接触部位至少15分钟,并尽快就医。
四、消防措施乙硫氨酯不燃,但如遇高热或明火可能引发容器压力升高,应避免直接接触火源。
五、泄漏应急处理如发生乙硫氨酯泄漏,应迅速撤离泄漏污染区人员至安全区,并进行隔离,切断火源。
应急处理人员应戴自给式呼吸器,穿一般工作服。
不要直接接触泄漏物,用砂土、干燥石灰(氢氧化钙)混合后收集于干燥的容器中,送至废物处理场所。
六、操作处置与储存操作时应佩戴防护眼镜、面罩和耐酸碱手套等。
储存时需存放在干燥、阴凉、通风良好的地方,远离火源和热源。
七、接触控制/个体防护工作人员在生产过程中应佩戴必要的防护用品,如防护眼镜、面罩等,并定期检查身体状况。
八、物理和化学性质乙硫氨酯是一种有机化合物,具有刺激性气味,常温下为液体状态。
其密度为1.068g/cm3,沸点为234℃(760mmHg),折射率为1.4730。
九、稳定性和反应性乙硫氨酯在常温下稳定,但在高温或暴露于空气中时可能发生分解或氧化反应。
十、毒理学信息乙硫氨酯具有低毒性,可能对人体造成一定的危害。
长期接触或过量接触可能导致身体不适或健康问题。
十一、生态学信息乙硫氨酯对环境的影响尚不明确,但在某些情况下可能会对水生生物和土壤生物产生一定的毒性影响。
因此,在处理和储存过程中应尽量减少泄漏和排放。
十二、废弃处置废弃的乙硫氨酯应按照相关法规进行无害化处理或交给有资质的废物处理单位进行处理。
不要将其排入水体或倒入土壤中。
十三、运输信息运输时应遵守相关运输法规和规定,确保运输安全。
运输过程中应防止泄漏和高温曝晒。
化学品安全技术说明书第一部分化学品及企业标识化学品中文名:正辛硫醇;巯基辛烷;辛硫醇化学品英文名:n-octyl mercaptan;1-octanethiol企业名称:生产企业地址:邮编: 传真:企业应急电话:电子邮件地址:技术说明书编码:第二部分成分/组成信息√纯品混合物有害物成分浓度CAS No.辛硫醇111-88-6第三部分危险性概述危险性类别:第6.1类毒害品侵入途径:吸入、食入健康危害:如吸入或口服,对机体有害。
对皮肤和眼有刺激性。
接触后出现恶心、头痛和呕吐。
环境危害:对环境有害。
燃爆危险:易燃,其蒸气与空气混合,能形成爆炸性混合物。
第四部分急救措施皮肤接触:脱去污染的衣着,用大量流动清水冲洗。
如有不适感,就医。
眼睛接触:提起眼睑,用流动清水或生理盐水冲洗。
1滴橄榄油或3滴肾上腺素,要反复滴可控制结膜炎症状。
如有不适感,就医。
吸入:脱离现场至空气新鲜处。
如呼吸困难,给输氧。
就医。
食入:饮足量温水,催吐。
用2%~5%硫酸钠或硫酸镁溶液洗胃,导泻。
就医。
第五部分消防措施危险特性:遇高热、明火或与氧化剂接触, 有引起燃烧的危险。
受高热分解产生有毒的硫化物烟气。
有害燃烧产物:一氧化碳、硫化氢、氧化硫。
灭火方法:用雾状水、泡沫、干粉、二氧化碳、砂土灭火。
灭火注意事项及措施:消防人员须佩戴防毒面具、穿全身消防服,在上风向灭火。
尽可能将容器从火场移至空旷处。
喷水保持火场容器冷却,直至灭火结束。
处在火场中的容器若已变色或从安全泄压装置中产生声音,必须马上撤离。
第六部分泄漏应急处理应急行动:消除所有点火源。
根据液体流动和蒸气扩散的影响区域划定警戒区,无关人员从侧风、上风向撤离至安全区。
建议应急处理人员戴正压自给式呼吸器,穿防毒、防静电服。
作业时使用的所有设备应接地。
禁止接触或跨越泄漏物。
尽可能切断泄漏源。
防止泄漏物进入水体、下水道、地下室或密闭性空间。
小量泄漏:用砂土或其它不燃材料吸收。
使用洁净的无火花工具收集吸收材料。
乙硫氨酯安全技术说明书摘要:一、乙硫氨酯简介1.乙硫氨酯的定义2.乙硫氨酯的用途二、乙硫氨酯的性质1.物理性质2.化学性质三、乙硫氨酯的制备方法1.反应原理2.制备步骤四、乙硫氨酯的安全技术1.储存注意事项2.搬运与运输安全3.使用过程中的防护措施4.意外泄漏处理方法五、乙硫氨酯的环保措施1.废弃物处理方法2.环境监测与评估六、乙硫氨酯的法规标准1.我国相关法规2.国际上相关法规正文:乙硫氨酯安全技术说明书一、乙硫氨酯简介乙硫氨酯是一种有机化合物,化学式为C4H9NO2S。
它是一种重要的化工原料,广泛应用于制药、染料、农药等领域。
二、乙硫氨酯的性质乙硫氨酯具有以下物理性质:无色或微黄色液体,有刺激性气味。
化学性质:易燃,遇热、酸、氧化剂易分解。
三、乙硫氨酯的制备方法乙硫氨酯的制备方法主要通过乙腈与硫醇反应得到。
具体步骤包括:将乙腈与硫醇在催化剂的作用下加热反应,然后进行冷却、过滤、蒸馏等步骤。
四、乙硫氨酯的安全技术1.储存注意事项:乙硫氨酯应储存在密封容器内,避免阳光直射,远离火源、热源。
储存温度宜在10-25℃。
2.搬运与运输安全:搬运时应轻拿轻放,避免摔砸。
运输过程中应密封,防潮、防晒。
3.使用过程中的防护措施:操作时应佩戴防护手套、口罩和眼镜,避免直接接触皮肤和眼睛。
工作现场应通风良好。
4.意外泄漏处理方法:泄漏时,应立即采取措施堵住泄漏处,并迅速用砂土、石灰等覆盖,避免泄漏物进入水体或土壤。
五、乙硫氨酯的环保措施1.废弃物处理方法:废弃的乙硫氨酯应按照相关法规要求进行处理,严禁随意丢弃。
2.环境监测与评估:定期对厂区周围的环境进行监测,评估乙硫氨酯对环境的影响。
六、乙硫氨酯的法规标准1.我国相关法规:根据《危险化学品安全管理条例》等相关法规,乙硫氨酯被列为危险化学品,对其生产、储存、运输、使用、处置等环节有严格的规定。
2.国际上相关法规:乙硫氨酯已被列入《国际化学品统一分类和标签制度》(GHS),对其危险性进行了明确分类。