对甲酚化学品安全说明书(MSDS)
- 格式:docx
- 大小:12.97 KB
- 文档页数:3
第1部分化学品及企业标识化学品中文名:甲酚化学品英文名:CresolCAS号:1319-77-3分子式:C7H8O分子量:108.14产品推荐及限制用途:工业及科研用途。
第2部分危险性概述紧急情况概述:吞咽会中毒。
皮肤接触会中毒。
造成严重皮肤灼伤和眼损伤。
GHS危险性类别:急性经口毒性类别3急性经皮肤毒性类别3皮肤腐蚀/刺激类别1B标签要素:象形图:警示词:危险危险性说明:H301吞咽会中毒H311皮肤接触会中毒H314造成严重皮肤灼伤和眼损伤防范说明:•预防措施:——P264作业后彻底清洗。
——P270使用本产品时不要进食、饮水或吸烟。
——P280戴防护手套/穿防护服/戴防护眼罩/戴防护面具。
——P260不要吸入粉尘/烟/气体/烟雾/蒸气/喷雾。
•事故响应:——P301+P310如误吞咽:立即呼叫解毒中心/医生——P330漱口。
——P302+P352如皮肤沾染:用水充分清洗。
——P312如感觉不适,呼叫解毒中心/医生——P361+P364立即脱掉所有沾染的衣服,清洗后方可重新使用——P301+P330+P331如误吞咽:漱口。
不要诱导呕吐。
——P303+P361+P353如皮肤(或头发)沾染:立即脱掉所有沾染的衣服。
用水清洗皮肤/淋浴。
——P363沾染的衣服清洗后方可重新使用。
——P304+P340如误吸入:将人转移到空气新鲜处,保持呼吸舒适体位。
——P310立即呼叫解毒中心/医生——P305+P351+P338如进入眼睛:用水小心冲洗几分钟。
如戴隐形眼镜并可方便地取出,取出隐形眼镜。
继续冲洗。
•安全储存:——P405存放处须加锁。
•废弃处置:——P501按当地法规处置内装物/容器。
物理和化学危险:无资料健康危害:吞咽会中毒。
皮肤接触会中毒。
造成严重皮肤灼伤和眼损伤。
环境危害:无资料第3部分成分/组成信息第4部分急救措施急救:吸入:迅速脱离现场至空气新鲜处。
保持呼吸道通畅。
如呼吸困难,给输氧。
枣庄市海龙化工有限公司Zaozhuang Hailong Chemical Co.,Ltd2,6-二叔丁基对甲酚(抗氧剂BHT)化学品安全技术说明书MSDS Address:Fenghu Village, Nigou Town, Taierzhuang District, Zaozhuang City, Shandong Province, ChinaTel:86-0632-6676678 Tax:86-0632-6568369 Web Site: 第一部分:化学品名称、生产工艺、适用范围及企业标识化学品中文名称:2,6-二叔丁基对甲酚化学品英文名称:2,6-Di-tert-butyl-p-cresol中文俗名或商品名:二丁基羟基甲苯,BHTSynonyms:CAS No.:128-37-0分子式:C15H24O分子量:220.36生产工艺:本产品以对甲酚与异丁烯为原料,以对甲苯磺酸作为催化剂,以食用酒精作溶剂,制得2,6-二叔丁基对甲酚。
适用范围:适用于医药、食品、化妆品和饲料抗氧化剂,本品还可以作为石油产品的抗氧和防胶添加剂,塑料和橡胶的防老剂。
企业名称:枣庄市海龙化工有限公司地址:枣庄市台儿庄区泥沟镇冯湖村东邮编:277413网址:电子邮件地址:******************企业应急电话:86-632-6568355传真:86-632-6568369技术说明书编码:Q/HL.H10-2009生效日期:2009年8月1日第二部分:成分/组成信息纯化学品□√混合物□化学品名称:2,6-二叔丁基对甲酚有害物成分含量CAS No.第三部分:危险性概述及危险性类别侵入途径:吸入食入健康危害:本品对眼睛、皮肤、粘膜和上呼吸道有刺激作用,长时间的接触对眼睛有害并引起头痛、恶心和眩晕。
环境危害:无资料燃爆危险:本品可燃,具刺激性。
第四部分:急救措施皮肤接触:脱去污染的衣着,用肥皂水及清水彻底冲洗。
眼睛接触:立即翻开上下眼睑,用流动清水冲洗15分钟。
对甲酚化学品安全说明书(MSDS)【燃爆危险】本品可燃,高毒,具腐蚀性、强刺激性,可致人体灼伤。
【环境危害】对环境有危害,对水体可造成污染。
【皮肤接触】立即脱去污染的衣着,用甘油、聚乙烯乙二醇或聚乙烯乙二醇和酒精混合液 (7:3)抹洗,然后用水彻底清洗。
或用大量流动清水冲洗至少15分钟。
就医。
【眼睛接触】立即提起眼睑,用大量流动清水或生理盐水彻底冲洗至少15分钟。
就医。
【吸入】迅速脱离现场至空气新鲜处。
保持呼吸道通畅。
如呼吸困难,给输氧。
如呼吸停止,立即进行人工呼吸。
就医。
【食入】立即给饮植物油15~30mL。
催吐。
就医。
【灭火方法】消防人员须佩戴防毒面具、穿全身消防服,在上风向灭火。
灭火剂:雾状水、泡沫、干粉、二氧化碳、砂土。
【应急处理】隔离泄漏污染区,限制出入。
切断火源。
建议应急处理人员戴自给正压式呼吸器,穿防毒服。
不要直接接触泄漏物。
小量泄漏:避免扬尘,用洁净的铲子收集于干燥、洁净、有盖的容器中。
大量泄漏:收集回收或运至废物处理场所处置。
对甲酚储运特性【操作注意事项】密闭操作,提供充分的局部排风。
尽可能采取隔离操作。
操作人员必须经过专门培训,严格遵守操作规程。
建议操作人员佩戴头罩型电动送风过滤式防尘呼吸器,穿胶布防毒衣,戴橡胶手套。
远离火种、热源,工作场所严禁吸烟。
使用防爆型的通风系统和设备。
避免产生粉尘。
避免与氧化剂、碱类接触。
搬运时要轻装轻卸,防止包装及容器损坏。
配备相应品种和数量的消防器材及泄漏应急处理设备。
倒空的容器可能残留有害物。
【储存注意事项】储存于阴凉、通风的库房。
远离火种、热源。
包装要求密封,不可与空气接触。
应与氧化剂、碱类、食用化学品分开存放,切忌混储。
配备相应品种和数量的消防器材。
储区应备有合适的材料收容泄漏物。
应严格执行极毒物品“五双”管理制度。
【包装方法】液态:小开口钢桶;玻璃瓶或塑料桶(罐)外普通木箱或半花格木箱;螺纹口玻璃瓶、铁盖压口玻璃瓶、塑料瓶或金属桶(罐)外普通木箱;螺纹口玻璃瓶、塑料瓶或镀锡薄钢板桶(罐)外满底板花格箱、纤维板箱或胶合板箱。
对甲氧基苯酚安全周知卡危险性类别可燃刺激品名、英文名及分子式、CC码及CAS号对甲氧基苯酚(氢醌-甲基醚)p-MethoxyphenolC7H8O2CAS号:150-76-5危险性理化数据熔点(℃):52.5 闪点:>110 沸点(℃):246相对密度(水=1):1.55(20℃)饱和蒸气压(kPa):<0.0013(20℃)危险特性本品为淡色固体,有焦饴糖和酚的气味。
遇高热、明火或与氧化剂接触,有引起燃烧的危险。
接触后表现健康危害:本品对眼睛、皮肤、粘膜和上呼吸道有刺激作用。
长时间的接触对眼有损害,有强烈的刺激作用或可引起灼伤。
现场急救措施皮肤接触:脱去污染的衣着,用流动清水冲洗。
若有灼伤,就医治疗。
眼睛接触:立即翻开上下眼睑,用流动清水冲洗15分钟。
就医。
吸入:脱离现场至空气新鲜处。
呼吸困难时给输氧。
呼吸停止时,立即进行人工呼吸。
就医。
食入:误服者给饮牛奶或蛋清。
就医。
身体防护措施泄漏处理及防火防爆措施隔离泄漏污染区,周围设警告标志,切断火源。
应急处理人员戴好防毒面具,穿化学防护服。
用砂土、干燥石灰或苏打灰混合,然后在专用废弃场所深层掩埋。
如大量泄漏,收集回收或无害处理后废弃。
泡沫、二氧化碳、干粉、砂土。
浓度MAC(mg/m3):未制订标准当地应急救援单位名称市消防队:119市人民医院:120当地应急救援单位电话消防队:119人民医院:120危险性标志对甲氧基苯酚职业病危害告知卡作业场所存在对甲氧基苯酚,对人体有损害,请注意防护对甲氧基苯酚p-Methoxyphenol健康危害理化特性本品对眼睛、皮肤、粘膜和上呼吸道有刺激作用。
长时间的接触对眼有损害,有强烈的刺激作用或可引起灼伤。
微溶于水。
遇高热、明火或与氧化剂接触,有引起燃烧的危险。
应急处理皮肤接触:脱去污染的衣着,用流动清水冲洗。
若有灼伤,就医治疗。
眼睛接触:立即翻开上下眼睑,用流动清水冲洗15分钟。
就医。
吸入:脱离现场至空气新鲜处。
化学品安全技术说明书第一部分化学品及企业标识化学品中文名:3-甲苯酚;间甲酚;3-甲酚;间甲苯酚化学品英文名:3-methylphenol;m-cresol企业名称:生产企业地址:邮编: 传真:企业应急电话:电子邮件地址:技术说明书编码:第二部分成分/组成信息√纯品混合物有害物成分浓度CAS No.3-甲酚108-39-4第三部分危险性概述危险性类别:第6.1类毒害品侵入途径:吸入、食入、经皮吸收健康危害:急性中毒可由口服、皮肤吸收及呼吸道吸入蒸气引起。
本品对皮肤、粘膜有强烈刺激腐蚀作用。
引起多脏器损害。
急性中毒引起肌肉无力、胃肠道症状、中枢神经抑制、虚脱、体温下降和昏迷,并可引起肺水肿和肝、肾、胰等脏器损害,最终发生呼吸衰竭。
灼伤面积30%的病例,即可引起中毒性脑病、肾病、心肌损害及溶血。
慢性影响可引起消化道功能障碍,肝、肾损害和皮疹。
环境危害:对水体、土壤和大气可造成污染。
燃爆危险:可燃,其蒸气与空气混合,能形成爆炸性混合物。
第四部分急救措施皮肤接触:立即脱去污染的衣着,用甘油、聚乙二醇300至400或聚乙二醇和酒精混合液 (7:3)抹洗,然后用水彻底清洗。
或用大量流动清水冲洗20~30分钟。
如有不适感,就医。
眼睛接触:立即提起眼睑,用大量流动清水或生理盐水彻底冲洗10~15分钟。
如有不适感,就医。
吸入:迅速脱离现场至空气新鲜处。
保持呼吸道通畅。
如呼吸困难,给输氧。
呼吸、心跳停止,立即进行心肺复苏术。
就医。
食入:立即给饮植物油15~30mL。
催吐。
口服活性碳,导泻。
就医。
不能使用石蜡油或酒精。
第五部分消防措施危险特性:遇明火、高热可燃。
有害燃烧产物:一氧化碳。
灭火方法:用雾状水、泡沫、干粉、二氧化碳、砂土灭火。
灭火注意事项及措施:消防人员必须佩戴空气呼吸器、穿全身防火防毒服,在上风向灭火。
尽可能将容器从火场移至空旷处。
喷水保持火场容器冷却,直至灭火结束。
第六部分泄漏应急处理应急行动:根据液体流动和蒸气扩散的影响区域划定警戒区,无关人员从侧风、上风向撤离至安全区。
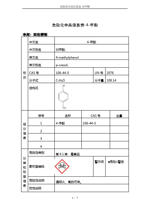
第一部分化学品及企业标识化学品中文名:4-甲酚化学品英文名:4-cresol;1- hydroxy-4- toluene;p-cresol化学品别名:1-羟基-4-甲苯;对甲酚CAS No.:106-44-5EC No.:203-398-6分子式:C7H8O第二部分危险性概述| 紧急情况概述固体。
吞食后有毒。
跟皮肤接触有毒。
会引起皮肤烧伤,有严重损害眼睛的危险。
有严重损害眼睛的危险。
对水生物有毒。
| GHS 危险性类别根据《危险化学品分类信息表》(2015)危险性类别判定,该产品分类如下:急毒性-口服,类别3;急毒性-皮肤,类别3;皮肤腐蚀/刺激,类别1B;眼损伤/眼刺激,类别1;危害水生环境-急性毒性,类别2。
| 标签要素象形图警示词:危险危险信息:吞咽会中毒,皮肤接触会中毒,造成严重皮肤灼伤和眼损伤,造成严重眼损伤,对水生生物有毒。
防范说明预防措施:不要吸入粉尘/烟/气体/烟雾/蒸气/喷雾。
作业后彻底清洗。
使用本产品时不要进食、饮水或吸烟。
避免释放到环境中。
戴防护手套/穿防护服/戴防护眼罩/戴防护面具。
事故响应:如感觉不适,呼叫中毒急救中心/医生。
漱口。
沾染的衣服清洗后方可重新使用。
如误吞咽:立即呼叫中毒急救中心/医生。
如误吸入:将受人转移到空气新鲜处,保持呼吸舒适的体位。
立即脱掉所有沾染的衣服,清洗后方可重新使用。
如误吞咽:漱口。
不要诱导呕吐。
如皮肤(或头发)沾染:立即去除/脱掉所有沾染的衣服。
用水清洗皮肤或淋浴。
如进入眼睛:用水小心冲洗几分钟。
如戴隐形眼镜并可方便地取出,取出隐形眼镜。
继续冲洗。
安全储存:存放处须加锁。
废弃处置:按照地方/区域/国家/国际规章处置内装物/容器。
| 危害描述物理化学危险无资料健康危害腐蚀物能引起呼吸道刺激,伴有咳嗽、呼吸道阻塞和粘膜损伤。
吸入该物质可能会引起对健康有害的影响或呼吸道不适。
意外食入本品可能引起毒害作用。
意外食入本品可能对个体健康有害。
皮肤接触会中毒,吸收后可导致全身发生反应。
(安全生产)间甲酚安全技术说明书化学品安全技术说明书第一部分化学品名称化学品中文名:3-甲酚化学品英文名:3-methylphenol中文名称2:间甲酚英文名称2:m-cresol技术说明书编码:666CAS号:108-39-4分子式:C7H8O分子量:108.13第二部分成分/组成信息纯品或混合物:纯品第三部分危险性概述危险性类别:第6.1类毒害品侵入途径:健康危害:本品对皮肤、粘膜有强烈刺激和腐蚀作用。
引起多脏器损害。
急性中毒:引起肌肉无力、胃肠道症状、中枢神经抑制、虚脱、体温下降和昏迷,并可引起肺水肿和肝、肾、胰等脏器损害,最终发生呼吸衰竭。
慢性影响:可引起消化道功能障碍,肝、肾损害和皮疹。
环境危害:对环境有危害,对水体可造成污染。
燃爆危险:本品可燃,高毒,具腐蚀性、强刺激性,可致人体灼伤。
第四部分急救措施皮肤接触:立即脱去污染的衣着,用甘油、聚乙烯乙二醇或聚乙烯乙二醇和酒精混合液(7:3)抹洗,然后用水彻底清洗。
或用大量流动清水冲洗至少15分钟。
就医。
眼睛接触:立即提起眼睑,用大量流动清水或生理盐水彻底冲洗至少15分钟。
就医。
吸入:迅速脱离现场至空气新鲜处。
保持呼吸道通畅。
如呼吸困难,给输氧。
如呼吸停止,立即进行人工呼吸。
就医。
食入:立即给饮植物油15~30mL。
催吐。
就医。
第五部分消防措施危险特性:遇明火、高热可燃。
有害燃烧产物:一氧化碳、二氧化碳。
灭火方法:消防人员须佩戴防毒面具、穿全身消防服,在上风向灭火。
灭火剂:雾状水、泡沫、干粉、二氧化碳、砂土。
第六部分泄漏应急处理应急处理:迅速撤离泄漏污染区人员至安全区,并进行隔离,严格限制出入。
切断火源。
建议应急处理人员戴自给正压式呼吸器,穿防毒服。
不要直接接触泄漏物。
尽可能切断泄漏源。
防止流入下水道、排洪沟等限制性空间。
小量泄漏:用砂土、干燥石灰或苏打灰混合。
大量泄漏:构筑围堤或挖坑收容。
用泡沫覆盖,降低蒸气灾害。
用泵转移至槽车或专用收集器内,回收或运至废物处理场所处置。
对甲酚化学品安全说明书(MSDS)
【燃爆危险】
本品可燃,高毒,具腐蚀性、强刺激性,可致人体灼伤。
【环境危害】
对环境有危害,对水体可造成污染。
【皮肤接触】
立即脱去污染的衣着,用甘油、聚乙烯乙二醇或聚乙烯乙二醇和酒精混合液 (7:3)抹洗,然后用水彻底清洗。
或用大量流动清水冲洗至少15分钟。
就医。
【眼睛接触】
立即提起眼睑,用大量流动清水或生理盐水彻底冲洗至少15分钟。
就医。
【吸入】
迅速脱离现场至空气新鲜处。
保持呼吸道通畅。
如呼吸困难,给输氧。
如呼吸停止,立即进行人工呼吸。
就医。
【食入】
立即给饮植物油15~30mL。
催吐。
就医。
【灭火方法】
消防人员须佩戴防毒面具、穿全身消防服,在上风向灭火。
灭火剂:雾状水、泡沫、干粉、二氧化碳、砂土。
【应急处理】
隔离泄漏污染区,限制出入。
切断火源。
建议应急处理人员戴自给正压式呼吸器,穿防毒服。
不要直接接触泄漏物。
小量泄漏:避免扬尘,用洁净的铲子收集于干燥、洁净、有盖的容器中。
大量泄漏:收集回收或运至废物处理场所处置。
对甲酚储运特性
【操作注意事项】
密闭操作,提供充分的局部排风。
尽可能采取隔离操作。
操作人员必须经过专门培训,严格遵守操作规程。
建议操作人员佩戴头罩型电动送风过滤式防尘呼吸器,穿胶布防毒衣,戴橡胶手套。
远离火种、热源,工作场所严禁吸烟。
使用防爆型的通风系统和设备。
避免产生粉尘。
避免与氧化剂、碱类接触。
搬运时要轻装轻卸,防止包装及容器损坏。
配备相应品种和数量的消防器材及泄漏应急处理设备。
倒空的容器可能残留有害物。
【储存注意事项】
储存于阴凉、通风的库房。
远离火种、热源。
包装要求密封,不可与空气接触。
应与氧化剂、碱类、食用化学品分开存放,切忌混储。
配备相应品种和数量的消防器材。
储区应备有合适的材料收容泄漏物。
应严格执行极毒物品“五双”管理制度。
【包装方法】
液态:小开口钢桶;玻璃瓶或塑料桶(罐)外普通木箱或半花格木箱;螺纹口玻璃瓶、铁盖压口玻璃瓶、塑料瓶或金属桶(罐)外普通木箱;螺纹口玻璃瓶、塑料瓶或镀锡薄钢板桶(罐)外满底板花格箱、纤维板箱或胶合板箱。
固态:塑料袋或二层牛皮纸袋外全开口或中开口钢桶;塑料袋或二层牛皮纸袋外普通木箱;螺纹口玻璃瓶、铁盖压口玻璃瓶、塑料瓶或金属桶(罐)外普通木箱;螺纹口玻璃瓶、塑料瓶或镀锡薄钢板桶(罐)外满底板花格箱、纤维板箱或胶合板箱。
【运输注意事项】
铁路运输时应严格按照铁道部《危险货物运输规则》中的危险货物配装表进行配装。
运输前应先检查包装容器是否完整、密封,运输过程中要确保容器不泄漏、不倒塌、不坠落、不损坏。
严禁与酸类、氧化剂、食品及食品添加剂混运。
运输途中应防曝晒、雨淋,防高温。