洁净手术室建筑技术规范GB50333-2013检测验收评分表格
- 格式:doc
- 大小:284.00 KB
- 文档页数:9
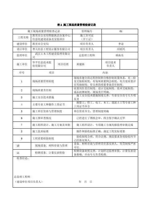
附录A 施工现场质量管理检查记录A.0.1施工现场质量管理检查记录应由施工单位按表A.0.1填写,总监理工程师进行检查,并做出检查结论。
表A.0.1 施工现场质量管理检查记录开工日期:附录B 建筑工程分部(子分部)工程、分项工程划分B.0.1 建筑工程的分部(子分部)工程、分项工程可按表B.0.1划分。
表B.0.1 建筑工程分部工程、分项工程划分附录C 室外工程的单位工程、分部工程划分C.0.1室外工程的单位工程、分部工程可按表C.0.1划分。
附录D 一般项目正常检验一次、二次抽样判定D.0.1 对于计数抽样的一般项目,正常检验一次抽样应按表D.0.1-1判定,正常检验二次抽样应按表D.0.1-2判定。
D.0.2 样本容量在表D.0.1-1或表D.0.1-2给出的数值之间时,合格判定数和不合格判定数可通过插值并四舍五入取整数值。
表D.0.1-1 一般项目正常一次性抽样的判定表D.0.1-2 一般项目正常二次性抽样的判定注:(1)和(2)表示抽样次数,(2)对应的样本容量为二次抽样的累计数量。
E.0.1 检验批质量验收记录应由施工项目专业质量检查员填写,专业监理工程师组织项目专业质量检查员、专业工长等进行验收,并按表E.0.1记录。
表E.0.1 检验批质量验收记录F.0.1分项工程质量应由专业监理工程师组织施工单位项目专业技术负责人等进行验收,并应按表F.0.1记录。
表F.0.1 分项工程质量验收记录附录G 分部(子分部)工程验收记录G.0.1 分部工程质量应由总监理工程师组织施工单位项目负责人和有关的勘察、设计单位项目负责人等进行验收,并应按表G.0.1 记录。
表G.0.1 分部(子分部)工程验收记录附录H 单位(子单位)工程质量竣工验收记录H.0.1 单位工程质量竣工验收应按表H.0.1-1记录,单位工程质量控制资料核查应按表H.0.1-2记录,单位工程安全和功能检验资料核查应按表H.0.1-3记录,单位工程观感质量检查应按表H.0.1-4记录。
表B.0.1 设备材料进场检验记录
表B.0.2 隐蔽工程(随工检查)验收记录
表 B.0.3 安装质量及观感质量验收记录
表B.0.4 自检记录
表B.0.5 分项工程质量验收记录
表 B.0.6 试运行记录
表 C.0.1 分项工程检测记录
表C.0.2 智能化集成系统子分部工程检测记录
表C.0.3 用户电话交换系统子分部工程检测记录
表C.0.4 信息网络系统子分部工程检测记录
表 C.0.5 综合布线系统子分部工程检测记录
表C.0.6 有线电视及卫星电视接收系统子分部工程检测记录
表 C.0.7 公共广播系统子分部工程检测记录
表 C.0.8 会议系统子分部工程检测记录
表C.0.9 信息导引及发布系统子分部工程检测记录
表C.0.10 时钟系统子分部工程检测记录
表C.0.11 信息化应用系统子分部工程检测记录
表C.0.12 建筑设备监控系统子分部工程检测记录
表C.0.13 安全技术防范系统子分部工程检测记录
表C.0.14 应急响应系统子分部工程检测记录
表C.0.15 机房工程子分部工程检测记录
表C.0.16 防雷与接地子分部工程检测记录
表C.0.17 分部工程检测汇总记录
表D.0.1______________分部(子分部)工程质量验收记录
表D.0.2 工程验收资料审查记录
表D.0.3 验收结论汇总记录。
医院洁净手术部建筑技术规范-GB50333细菌LT医院洁净手术部建筑技术规范GB50333-2002中华人民共和国建设部二○○二年十一月二十六日2.0.20手术区operating zone需要特别保护的手术台及其周围区域。
Ⅰ级手术室的手术区是指手术台两侧边至少各外推0.9m、两端至少各外推0.4m后(包括手术台)的区域;Ⅱ级手术室的手术区是指手术台两侧边至少各外推0.6m、两端至少各外推0.4m后(包括手术台)的区域;Ⅲ级手术室的手术区是指手术台四边至少各外推0.4m后(包括手术台)的区域。
Ⅳ级手术室不分手术区和周边区。
Ⅰ级眼科专用手术室手术区每边不小于1.2m。
2.0.21周边区surrounding zone洁净手术室内除去手术区以外的其他区域。
3洁净手术部用房分级3.0.1洁净手术部用房分为四级,并以空气洁净度级别作为必要保障条件。
在空态或静态条件下,细菌浓度(沉降菌法浓度或浮游菌法浓度)和空气洁净度级别都必须符合划级标准。
3.0.2洁净手术室的分级应符合表3.0.2-1的要求,洁净辅助用房的分级应符合表3.0.2-2的要求。
等级手术室名称手术切口类别适用手术提示Ⅰ特别洁净手术室Ⅰ关节置换手术、器官移植手术及脑外科、心脏外科和眼科等手术中的无菌手术Ⅱ标准洁净手术室Ⅰ胸外科、整形外科、泌尿外科、肝胆胰外科、骨外科和普通外科中的一类切口无菌手术Ⅲ一般洁净手术室Ⅱ普通外科(除去一类切口手术)、妇产科等手术Ⅳ准洁净手术室Ⅲ肛肠外科及污染类等手术等级用房名称Ⅰ需要无菌操作的特殊实验室Ⅱ体外循环灌注准备室Ⅲ刷手间;消毒准备室;预麻室;一次性物品、无菌敷料及器械与精密仪器的存放室;护士站;洁净走廊;重症护理单元(ICU)Ⅳ恢复(麻醉苏醒)室与更衣室(二更);清洁走廊3.0.3洁净手术室的等级标准的指标应符合表3.0.3-1的要求,主要洁净辅助用房的等级标准的指标应符合表3.0.3-2的要求。
等级手术室名称沉降法(浮游法)细菌最大平均浓度表面最大染菌密度(个/cm2)空气洁净度级别手术区周边区手术区周边区Ⅰ特别洁净手术室0.2个/30min·φ90皿(5个/m3)0.4个/30min·φ90皿(10个/m3)5 100级1000级Ⅱ标准洁净手术室0.75个/30min·φ90皿(25个/m3)1.5个/30min·φ90皿(50个/m3)5 1000级10000级Ⅲ一般洁净手术室2个/30min·φ90皿(75个/m3)4个/30min·φ90皿(150个/m3)5 10000级100000级Ⅳ准洁净手术室5个/30min·φ90皿(175个/m3) 5 300000级注:1.浮游法的细菌最大平均浓度采用括号内数值。
百级层流手术室的建设及验收标准根据《医院洁净手术部建设技术规范GB 50333-2013》标准百级层流手术室可划为局部5级,其他区域6级手术室。
一、百级手术室净化级别标准:环境空气中大于等于N0. 5um的微粒数大于350粒/m3(0.35粒/L)到小于等于35粒/m3(3.5粒/L);大于等于5um的微粒数为0粒/L 的空气洁净程度。
相当于原1级。
百级手术室规模设定:设计医务人员负荷人数12人〜14人。
净化空调系统要求:每间百级手术室应采用独立的新风空调净化系统。
二、百级层流手术室的建设:1、新建工程的建筑柱网布置应满足洁净手术室用房要求和回风夹墙布置要求。
2、洁净手术部平面布置:洁净区与非洁净区之间的联络必须设缓冲室或传递窗。
3、洁净区内手术室宜相对集中布置。
I级洁净手术室应处于干扰最小的区域。
4、洁净手术部的内部平面和洁净区走廊应在手术室前单走廊、手术室前后双走廊、纵横多走廊、集中供应无菌物品的中心无菌走廊(即中心岛)和各手术室带前室等形式中选用;应符合洁净手术部卫生学要求,并应按实际需要选用手术室围护结构的设计方式,最大限度地利用建筑面积。
5、负压手术室和感染手术室在出入处都应设准备室作为缓冲室。
负压手术室应有独立出入。
6、更衣区的淋浴和卫生间应相对封闭,并不应设于更衣室后部。
7、当人、物用电梯设在洁净区,电梯井与非洁净区相通时,电梯出处必须设缓冲室。
8、在人流通道上不应设空气吹淋室。
9、换车间内非洁净和洁净两区宜分别设存车区;洁车所在区域应属于洁净区,并应作为缓冲室。
10、缓冲室应有空气洁净度级别,并与高级别一侧同级,最高达到6级。
应设定与邻室间的气流方向。
缓冲室面积不应小于3血,缓冲室可兼作他用。
11、每2间〜4间洁净手术室应单独设立1间刷手间,刷手间不应设门;当刷手池设在洁净走廊上时,应不影响交通和环境卫生。
12、洁净手术部不宜有抗震缝、伸缩缝等穿越,当需穿越时,应用止水带封闭。
洁净手术室内不应有抗震缝、伸缩缝穿越。
目录1、开工报告2、安装工程报验申请表3、工程材料报验单(附:进场材料合格证书及检验报告)4、施工记录表:附表一:风机安装记录附表二:水泵安装记录附表三:风机、水泵试运转记录附表四:风管安装记录附表五:除尘器安装记录附表六:防排烟系统安装调试记录附表七:金属风管制作记录附表八:风口安装记录附表九:消声器制作与安装记录附表十:制冷管道安装记录附表十一:设备、管道防腐、保温、保冷、涂漆施工记录附表十二:管架安装记录附表十三:设备开箱记录附表十四:设备基础检查验收记录附表十五:管道试压记录附表十六:设备、管道吹洗记录附表十七:阀门试验记录附表十八:设备安装调整运转试车记录附表十九:系统联合试运转记录附表二十:设备材料检查记录附表二十一:通风与空调分部工程质量评定表附表二十二:排水管灌水、通水实验记录5、工程质量检验评定表附表一:金属风管制作分项工程质量检验评定表附表二:硬聚氯乙烯风管制作分项工程质量检验评定表附表三:部件制作分项工程质量检验评定表附表四:风管及部件安装分项工程质量检验检验评定表附表五:空气处理室制作与安装分项工程质量检验评定表附表六:消声器制作与安装分项工程质量检验评定表附表七:除尘器制作与安装分项工程质量检验评定表附表八:通风机安装分项工程质量检验评定表附表九:制冷管道安装分项工程质量检验评定表附表十:防腐(油漆)分项工程质量检验评定表附表十一:风管及设备保温分项工程质量检验评定表附表十二:制冷管道保温分项工程质量检验评定表6、隐蔽工程验收记录7、竣工报告单位工程开工申请报告安装工程报验申请表工程名称:编号:工程材料报验单工程名称:编号:本表一式三份,业主、监理单位、承包商各一份。
施工记录风机、水泵试运转记录风管安装记录除尘器安装记录防排烟系统安装调试记录金属风管制作记录风口安装记录消声器制作与安装记录制冷管道安装记录设备、管道防腐、保温、保冷、涂漆施工记录管架安装记录设备开箱记录设备基础检查验收记录管道试压记录施工单位:设备、管道吹洗记录阀门试验记录建设单位:单位工程:分项工程:设备安装调整运转试车记录系统联合试运转记录设备材料检查记录通风与空调分部工程质量评定表排水管灌水、通水实验记录金属风管制作分项工程质量检验评定表硬聚氯乙烯风管制作分项工程质量检验评定表部件制作分项工程质量检验评定表风管及部件安装分项工程质量检验评定表空气处理室制作与安装分项工程质量检验评定表通风机安装分项工程质量检验评定表工程名称:部位:制冷管道安装分项工程质量检验评定表D nom为公称直径。
《建筑工程施工质量验收统一标准》GB50300-2013统一表格Word版本附录A 施工现场质量管理检查记录A.0.1施工现场质量管理检查记录应由施工单位按表A.0.1填写,总监理工程师进行检查,并做出检查结论。
附录B 建筑工程的分部工程、分项工程划分续表B 建筑工程的分部工程、分项工程划分附录B 建筑工程的分部工程、分项工程划分附录B 建筑工程的分部工程、分项工程划分附录B 建筑工程的分部工程、分项工程划分附录B 建筑工程的分部工程、分项工程划分附录B 建筑工程的分部工程、分项工程划分附录B 建筑工程的分部工程、分项工程划分附录B 建筑工程的分部工程、分项工程划分附录C 室外工程的划分附录D一般项目正常检验一次、二次抽样判定D.0.1对于计数抽样的一般项目,正常检验一次抽样可按表D.0.1-1判定,正常检验二次抽样可按表D.0.1-2判定,抽样方案应在抽样前确定。
D.0.2样本容量在表D.0.1-1或表D.0.1-2给出的数值之间时,合格判定数可通过插值并四舍五入取整确定。
表D.0.1-1 一般项目正常检验一次抽样判定表D.0.1-2 一般项目正常检验二次抽样判定表H.0.1-1 单位工程质量竣工验收记录表H.0.1-2 单位工程质量控制资料核查记录续表H.0.1-2续表H.0.1-2表H.0.1-3 单位工程安全和功能检验资料核查及主要功能抽查记录续表H.0.1-3表H.0.1-4 单位工程观感质量检查记录续表H.0.1-42、观感质量现场检查原始记录应作为本表附表。
表G 分部工程质量验收记录编号:2、主体结构、节能分部工程的验收应由施工、设计单位项目负责人和总监理工程师参加并签字。
表F 分项工程质量验收记录编号:。
洁净病房、洁净手术室空气细菌培养沉降法的布点方法
(洁净手术部建筑技术规范GB50333-2013)
(一)静态监测 ●测点位置: 洁净手术室:
洁净度局部6(1000) 级周围7(万)级设置11个点; 洁净度局部7(10000) 级周围8(10万)级设置7个点; 洁净度局部8(10万) 级周围8.5(30万)级设置5个点。
层流洁净室空气采样布点图
局部千级、周围万级:手术区布放5点,周
边区布放6点(长边内2点,短边内1点) 局部万级、周围10万级:手术区布放3点 (对角布点),周边区布放4点(每边内1点)
十万级:布放5点(避开送风口正下方)
注:采样点可布置在地面上或不高于地面0.8m 的任意高度上。
表A 施工现场质量管理检查记录
表B.0.2 隐蔽工程(随工检查)验收记录
表 B.0.3 安装质量及观感质量验收记录
表B.0.4 自检记录
表B.0.5 分项工程质量验收记录
表 B.0.6 试运行记录
表 B.0.6 试运行记录
表 C.0.1 分项工程检测记录
表 C.0.1 分项工程检测记录
表 C.0.1 分项工程检测记录
表 C.0.1 分项工程检测记录
表 C.0.1 分项工程检测记录
表 C.0.1 分项工程检测记录
表 C.0.1 分项工程检测记录
表 C.0.1 分项工程检测记录
表 C.0.1 分项工程检测记录
表 C.0.1 分项工程检测记录
表 C.0.1 分项工程检测记录
表 C.0.1 分项工程检测记录
表 C.0.1 分项工程检测记录
表 C.0.1 分项工程检测记录
表 C.0.5 综合布线系统子分部工程检测记录
表C.0.6 有线电视及卫星电视接收系统子分部工程检测记录
表 C.0.7 公共广播系统子分部工程检测记录
表 C.0.8 会议系统子分部工程检测记录
表C.0.9 信息导引及发布系统子分部工程检测记录
表C.0.10 时钟系统子分部工程检测记录。
手术室质量检查查核表2018年月日序号项目检查内容检查结果合格存在问题一执业登记手术室一定经卫生行政部门同意,并进行登记二人员配置手术室人员装备应切合国家有关规定三建筑布局独立地区,与手术科室相邻,与重症医学科、放射科、病理科、消毒供给中心、血库等部门间路径便利;进出路线应切合洁污分开、医患分开的原则,医护人员、患者、污物通道分别设置,互不交错,知足感染控制的要求。
依据医院感染控制要求,手术部(室)应分为限制区、半限制区和非限制区医院应依据规模、性质、任务需求,设置一般手术间或(和)干净手术间一般手术间墙面应平坦,用防潮、防霉、不积尘、不产尘、耐腐化、易洁净的资料;地面应平整、防水,采纳耐磨、耐腐化、易洁净、淡色资料,不该有开放的地漏干净手术间的建筑设备应切合医院干净手术部建筑技术规范要求(GB 50333)隔绝手术间(或负压手术间)宜在手术部(室)的一端,自成地区,并设有缓冲间非净化的隔绝手术间与复苏室应装备人机共存的空气消毒设备每个手术间应只设 1 张手术床,净使用面积应切合功能要求≥20m 2 。
医院手术间的电脑终端宜使用触摸屏四物体表面洁净和消毒装备外科洗手设备,应布局合理,起码3 个手术间应设需要,水龙头数目大于等于手术间,下水管道宜采纳密封规范(WS/T 313) 要求,洗手设备不该它用应采纳湿式洁净消毒方法1 个外科洗手设备,知足医护人职工作U 型管,其余应切合医务人员手卫生洁净消毒用品应选择不易掉纤维的织物,不一样地区应分开使用、颜色标志,用后冲洗消毒干燥寄存每天手术开始前30min 宜敌手术间全部物体表面、环境进行洁净。
手术中发生可见污染或疑似污染时应立刻进行洁净与消毒。
需连台手术时应敌手术台及周边起码1m~范围的物体表面进行洁净消毒序号项目检查内容检查结果合格存在问题四物体表面手术结束后应敌手术间全部物体表面、环境进行终末洁净消毒。
(可除外 2 米以上的墙面、天花洁净和消毒板)每周应敌手术间的物面和设备进行全面的洁净消毒。
医院环境卫生学监测卫生标准汇总表〔根据2021新版医疗机构消毒技术标准和医院空气净化管理标准制作〕1、洁净手术部(室)空气中的细菌菌落总数应符合 GB50333的要求。
如下表。
医院应对感染高风险部门每季度进行监测;洁净手术部(室)及其他洁净场所.新建与改建验收时以及更换高效过滤器后应进行监测;遇医院感染爆发疑心与空气污染有关时随时进行监测,并进行相应致病微生物的检测。
洁净手术室的等级标准和监测结果判断标准(空态或静态)(30min·直径9cm平皿)。
沉降法(浮游外表最大空气洁等手术室净度级法)细菌最大平周边区染菌密度周边区级名称别手术均浓度手术区(个/cm2)区特别洁个/30min·90个/30min·Ⅰ净手术90皿(10个5100级1000级皿(5个/m3)室/m3)标准洁个/30min·90个/30min·Ⅱ净手术90皿(50个51000级10000级皿(25个/m3)室/m3)一般洁2个/30min·904个/30min·100000Ⅲ净手术90皿(150个510000级皿(75个/m3)级室/m3)Ⅳ准洁净5个/30min·905300000手术室皿(175个/m3)级注:1细菌浓度是直接所测的结果,不是沉降法和浮游法互相换算的结果。
浮游法的细菌最大平均浓度采用括号内数值。
现在均采用沉降法。
2、各类环境空气、物体外表监测结果判断标准物体外表平均菌环境类别空气平均菌落数暴露时间落数Ⅰ类符合GB50333的30min≤5cfu/cm2洁净手术部其他洁净场所要求如上图Ⅱ类非洁净手术部(室)、非洁净骨髓移植病房、产≤房、导管室、新生儿室、器4cfu/15min·直15min≤5cfu/cm2官移植病房、烧伤病房、重径9cm平皿症监护病房、血液病病区等Ⅲ类儿科病房、母婴同室、消毒供给中心、血液透≤4cfu/5min·直5min≤10cfu/cm2析中心〔室〕;其他普通住径9cm平皿院病区等Ⅳ类妇产科检查室、人流室、治疗室、注射室、换药≤4cfu/5min·直室、急诊室、化验室、输血5min≤10cfu/cm2径9cm平皿科、感染疾病科门诊及其病房注:1、Ⅰ类、Ⅱ类环境物表〔如产床外表、产房其他物表〕参照2类环境标准。
四川省人民医院洁净手术部手术间级别及其分布
1、检测方法及依据:GB50333-2013《医院洁净手术部建筑技术规范》,
GB50591-2010《洁净室施工及验收规程》,GB50073-2013《洁净厂房
设计规范》,GB50346-2011《生物安全实验室建筑技术规范》。
2、常规检测项目:压差、工作截面风速、换气次数、尘粒计数、温
湿度、照度、噪声、空气沉降菌等。
3、按标准规定最少测点检测费用明细:
场所 手术室
洁净度级别 百级 千级 万级 十万级 三十万
检
测
项
目
及
收
费
空气
测点数
23 10 10 7 5
单价(元)
尘粒计数
测点/次数
14*3 9*3 9*3 6*3 4*3
单价(元)
噪声
测点数
6 6 6 6 6
单价(元)
照度
测点数
16 16 16 16 12
单价(元)
温湿度
测点数
1 1 1 1 1
单价(元)
风速
测点数
90 80 60 50 30
单价(元)
4、手术间级别及报价表
位置 百级 千级 万级 30万级 合计
一住手术室 7 4 12 23
三住手术室 8 4 12
草堂手术室 1 3 4
辅助生殖中心 1 5 6
合计 16 5 9 15 45
每间单价(元)
小计(万元)
合计费用:
表 B.0.3 洁净手术部工程项目检查表 章 序号 检查出不符合要求的问题 评价 使用等级 严重缺陷 一般缺陷 I级 II级 III级 IV级
建 筑
1 新建洁净手术部末远离污染源 √ √ √ √ √ 2 洁净手术部末自成一区,与其有密切关系的科室较远 √ √ √ √ √ 3 新建工程建筑柱网不合理,非常影响用房回风墙和管线 布罝等要求 √ √ √ √ √ 4 洁净区与非洁净区分区不明确,其间缓冲室或传递窗设罝欠缺 √ √ √ √ √ 5 负压手术室和感染手术室出入口无缓冲室 √ √ √ 6 负压手术室无独立出入口 √ √ √ 7 淋浴和卫生间设于更衣室 后部 √ √ √ √ √ 8 人物用电梯出口设在洁净 区又无缓冲室 √ √ √ √ √ 9 人流通道上设了吹淋室 √ √ √ √ √ 10 换车处换车后和存洁车处不是洁净区 √ √ √ √ √ 11 缓冲室级别不对,面积过 小 √ √ √ √ √ 12 超过4间手术室才设1间刷手间;刷手间设门 √ √ √ √ √ 13 洁净手术部有各种结构缝穿过且未用止水带密封 √ √ √ √ √ 14 装饰材料不符合防火要求 √ √ √ √ √ 15 手术部地面有缺陷 √ √ √ √ √ 续表 B.0.3 章 序号 检查出不符合要求的问题 评价 使用等级 严重缺陷 一般缺陷 I级 II级 III级 IV级
建 筑
16 手术部墙面有缺陷 √ √ √ √ √ 17 围护结构上有未密封的洞眼缝隙 √ √ √ √ √ 18 踢脚突出墙面或弧度不够 √ √ √ √ √ 19 阳角有棱角。通道防撞板 不全 √ √ √ √ √ 20 外露材料用了木材和石膏 √ √ √ √ √ 21 没有特殊原因.设备层空间太满,穿行困难 √ √ √ √ √ 22 留洞口四周无挡水防水措 √ √ √ √ √
23 使用了可持续挥发有机化学物质的材料和涂料。可以闻到明显的气味,或无检验合格报告 √ √ √ √ √ 24 综合手术室的净高与分隔送风面的轨道宽度不对应 √ √ √ 25 推拉门不能自动延时关 闭;其他门开启方向有误 √ √ √ √ √ 26 II、IV级辅房外窗非双层密闭窗不能提供洁净手术室饰面 √ √ √ √ √
27 材料表面电阻在 106Ω~10Ω之间的检测证明 √ √ √ √ √ 28 墙上的设罝突出了墙面 √ √ √ √ √ 29 洁净用房内有外露管线 √ √ √ √ √ 30 手术室顶棚上有开孔 √ √ √ √ √ 续表 B.0.3 章 序号 检查出不符合要求的问题 评价 使用等级 严重缺陷 一般缺陷 I级 II级 III级 IV级
空气调节与空气净化
31 未根据需要采取使洁净手术室在送风温度低于室温条件下运行的措施 √ √ √ √ √ 32 净化空调系统没有便于调节控制风量且能保持稳定的任何措施 √ √ √ √ √ 33 洁净手术室与辅房的净化空 调系统未分开(不含正负压 切换手术室与其准备室 √ √ √ √ √ 34 洁净用房用了普通风机盘管机组或空调器 √ √ √ √ √ 35 I级〜III级手术室(含负压 手术室)和I、II级辅房除集中净化空调系统外又设置了局部净化机组 √ √ √ √ √ 36 不合理地采用了全新风系统 √ √ √ √ √ 37 设计单位风量耗功率不符合要求 √ √ √ √ √ 38 新风口设罝不符合要求 √ √ √ √ √ 39 排风系统设罝不符合要求 √ √ √ √ √
40 负压手术室排风无高效过滤 净器或安装未检漏或其边框有泄露 √ √ √ √ √ 41 I级〜III级手术室和I、II级辅房用了对流采暖散热器 √ √ √ √ √ 42 冷热源不能满足非满负荷要 √ √ √ √ √ 43 风管漏风率无检测数据或数据不合格 √ √ √ √ √ 44 集中送风口面积小于要求 √ √ √ √ 45 无影灯立柱和底罩占有的盲 区超过0.25mXO.25m √ √ √ √ √ 续表 B.0.3 章 序号 检查出不符合要求的问题 评价 使用等级 严重缺陷 一般缺陷 I级 II级 III级 IV级
空气调节与空气净化 空气调
46 集中送风的洁净手术室洁净 气流满布比不大于0.9 √ √ 47 II、III级手术室送风口下最高最低风速不符合要求 √ √ √
48 洁净手术室和经常有人活动的房间未采用双长侧下回风,回风口明显不均匀、数量不够 √ √ √ √ √ 49 无任何原因,回风口上边超 过地面0.5m,下边距地面低 于0.1m √ √ √ √ √ 50 手术室向走廊有组织回风 √ √ √ √ √ 51 上部排风口位置不对,或风 速超过2m/s排风过滤器效率 低于高中效 √ √ √ √ √
52 空调设备选用不当,如凝结水管直接通下水道;过滤器前后未设压差计;无原因全部用电热作再热;用水直接 介人式加湿;I级〜III级洁净用房末级过滤器前系统内相对湿度可能大于75%;空调 箱漏风率无证明数据或 不 合要求 √ √ √ √ √ 53 新风送风总管和支管上无风量检测孔 √ √ √ √ √ 54 消声器填充料不符合《洁净室施工及验收规范》要求 √ √ √ √ √ 55 末级过滤器不符合要求 √ √ √ √ √ 56 末级过滤装罝为非阻隔式设施 √ √ √ √ √ 57 末级过滤装罝末达最低效 率要求 √ √ √ √ √ 58 回风口及其过滤器不符合 要求 √ √ √ √ √ 59 新风过滤器匹配低于当地 环境空气质量标准的要求 √ √ √ √ √ 60 风阀叶片无开启角度标识, 手柄固定不牢 √ √ √ √ √ 续表 B.0.3 章 序号 检查出不符合要求的问题 评价 使用等级 严重缺陷 一般缺陷 I级 II级 III级 IV级
61 与环境空气接触的暴露金属料未作保护处理 √ √ √ √ √
医用气体
62 氧气、压缩医用空气、负压(真空)吸引装罝不全 √ √ √ √ √ 63 气源储备量不足3日 √ √ √ √ √ 64 中心站气源无一用一备,只有一种切换方式,不能报警 √ √ √ √ √
65 医用气体气源无超压排放安全阀,开启压力、关闭压力不合要求,安全阀不在室外,检修门在手术室内,没有明显的气体种类标识 √ √ √ √ √ 66 进人洁净手术部各种气体的压力显示或流量报警装罝不完备。氧气报警用电接点压力表 √ √ √ √ √ 67 气体终端接头可互換 √ √ √ √ √ 68 终端接头配罝数量不足 √ √ √ √ √ 69 壁上气体终端未暗装 √ √ √ √ √ 70 气体输送速度大于10m/s √ √ √ √ √ 71 与其他管道共用支架;与 其他管道距离不足 √ √ √ √ √ 72 无安装前的吹除记录 √ √ √ √ √ 73 支吊架间距不合要求 √ √ √ √ √
74 管道未作导静电接地,或 接地电阻过大 √ √ √ √ √ 75 管并上下隔层未封闭,与其他管道共用管井 √ √ √ √ √ 76 负压(真空)吸引装置无调压和防倒流设罝 √ √ √ √ √ 77 医用气体无合格的验收报告 √ √ √ √ √ 续表 B.0.3 章 序号 检查出不符合要求的问题 评价 使用等级 严重缺陷 一般缺陷 I级 II级 III级 IV级
给 水 排 水
78 给水排水管道未暗装或穿越手术室 √ √ √ √ √ 79 管道穿墙处未密封 √ √ √ √ √ 80 管道有结露风险未采取措施 √ √ √ √ √ 81 给水无两路进口 √ √ √ √ √ 82 盥洗设备无冷热水设置,储存热水温度不合要求 √ √ √ √ √ 83 刷手池龙头不是非乎动,个数不合要求 √ √ √ √ √ 84 给水管与卫生器具连接无空气隔断或防倒流设施,甚至直接相连 √ √ √ √ √ 85 给水管不是不锈钢管、铜管或无毒给水型塑料管 √ √ √ √ √ 86 排水口下部水封高度不足50mm √ √ √ √ √ 87 洁净手术部洁净区内设地漏。其他地漏非防污染的专用密封型 √ √ √ √ √ 88 洁净手术部污水透气系统未独立设置 √ √ √ √ √ 89 洁净手术室排水横管未比设计值大一级 √ √ √ √ √ 续表 B.0.3 章 序号 检查出不符合要求的问题 评价 使用等级 严重缺陷 一般缺陷 I级 II级 III级 IV级
供 配 电
90 不是独立的双电源供电 √ √ √ √ √ 91 生命支持电气设备未设应急电源,恢复供电时间不合要求 √ √ √ √ √ 92 谐波畸变率不合要求 √ √ √ √ √ 93 电源回路无漏电检测报警装置 √ √ √ √ √
94 手术室布线采用环形布置,大型手术部未按功能分区控制 √ √ √ √ √ 95 未用金属管敷设管线 √ √ √ √ √ 96 进入手术部电缆非绝缘阻燃型 √ √ √ √ √ 97 有无关的电气线路通过手术室 √ √ √ √ √ 98 手术室用电和辅房未分开 √ √ √ √ √ 99 治疗用电设备未在靠近使用场所安隔离变压器 √ √ √ √ √ 100 手术室用电不能远控,面板不与墙齐 √ √ √ √ √ 101 手术室侧墙上插座箱数量不够,地面插座不防水 √ √ √ √ √ 102 手术室内无“非治疗用电插座 √ √ √ √ √ 103 无等电位接地系统 √ √ √ √ √ 104 手术室电源未加电涌保护 器 √ √ √ √ √ 105 灯带非嵌入式,或在送风面之内 √ √ √ √ √
106 手术室内应急电源照明灯具不足;有治疗功能的房间内无一个灯具由应急电源供电 √ √ √ √ √ 107 手术室外无手术工作指示灯 √ √ √ √ √ 108 手术部无信息接口 √ √ √ √ √