煤焦油综合利用和安全处置环境风险评估及政策建议-130909
- 格式:doc
- 大小:64.50 KB
- 文档页数:9
煤焦油深加工中的环境风险问题及防范策略摘要:煤焦油深加工在贮存、生产和运输环节存在着大量的风险源,其预防控制研究和环境风险评价已经引起社会的日益重视。
同时原辅材料以及产品中有毒、有害易燃、易爆物质,火灾、爆炸、泄漏、废水的非正常排放等都可能会造成环境污染事故,给人们的健康生活和生态环境带来--定的危害。
关键词:煤焦油;深加工;环境风险;安全风险1.煤焦油深加工过程风险因子(1)煤焦油贮存环境风险因子对煤焦油进行深加工过程中,贮存环境存在一定风险因子,例如在原料罐区进行贮存,贮存的主要设备有煤焦油储罐和焦油输送泵,贮存的主要物料为焦油,其中存在的风险因子有:蒽、萘、芴、菲、苊、苊烯、荧蒽、苯并芘、苯并(a)芘等;在中间槽区,贮存的是污水焦油,其中含有的危险因子有:蒽、萘、芴、菲、苊、苊烯、荧蒽、苯并芘、苯并(a)芘等;在成品罐贮存区,贮存清油、酚油的,其中含有的危险因子有:苯并芘、蒽、菲、芘等。
(2)煤焦油在利用过程中存在的危险因子原料油使用过程中,存在的风险因子有:蒽、萘、芴、菲、苊、苊烯、荧蒽、苯并芘、苯并(a)芘等。
进行沥青生产阶段,危险因子为苯并芘、蒽、菲、芘等。
在对废水进行生化处理过程中,危险因子有苯并芘。
综上所述,在对煤焦油进行具体处理过程中,基本涵盖所有风险因子,这些风险因子可以分为中、高风险因子。
(3)运输环节环境风险因子在对煤焦油进行运输过程中,有可能会出现油罐破损以及车祸事故等问题,这种情况下,会导致产品泄露情况,从而造成人员中毒。
此外,如果运输过程中遇到明火,就会引发爆炸,从而导致环境污染、人员伤亡等事故。
相应厂区内,相应管道对不同的设备和管体中存在的煤焦油进行运输,存在着潜在的风险事故。
如果管道或者阀门发生破损情况,就有可能会出现人员中毒事故发生。
对煤焦油进行长距离运输,一般是通过铁路、或者汽车罐车方式。
在具体运输时,通过单独装运方式,确保容器不能发生泄露、不能发生倒塌、不坠落并且要求其不能出现破损,对此人们通常使用专用的槽车进行运输。
煤焦油的性质与危险性综合报告1. 引言本报告旨在对煤焦油的性质与危险性进行综合分析,以提供相关行业和研究人员所需的信息。
2. 煤焦油的性质煤焦油是一种在焦炉生产焦炭过程中产生的副产品。
它的形态为黑褐色的粘稠液体,具有高温下的液态特性。
主要成分包括多环芳烃、酚类、杂质等。
煤焦油的性质包括以下几个方面:- 密度:煤焦油的密度较大,一般在1.0 - 1.2 g/cm³之间。
- 粘度:煤焦油的粘度较高,随温度升高而降低,一般在30 - 100 cSt之间。
- 燃点:煤焦油的燃点较低,一般在200 - 300℃之间。
- 溶解性:煤焦油在许多有机溶剂中具有良好的溶解性。
3. 煤焦油的危险性煤焦油在储存、运输和使用过程中存在一些潜在的危险性。
煤焦油的主要危险性包括以下几个方面:- 可燃性:煤焦油具有高度可燃性,容易导致火灾和爆炸事故。
- 毒性:煤焦油中的某些成分对人体有毒性,接触、吸入或摄入较高浓度的煤焦油可能对健康产生负面影响。
- 环境影响:由于煤焦油中含有多环芳烃等污染物质,不当处理和排放可能造成对环境的污染。
为确保安全使用和处理煤焦油,以下措施应被采取:- 储存和运输时应采取防火措施,确保与火源的安全距离。
- 在接触煤焦油时应戴上适当的防护装备,如手套、护目镜和防护服。
- 在处理煤焦油时应遵循相关的安全操作规程,避免产生有毒气体、溅射或扩散。
- 煤焦油的废弃物应按照相关法律法规进行妥善处理,避免对环境造成污染。
4. 结论综上所述,煤焦油是一种特殊性质的液体副产品,具有一定的危险性。
为确保安全使用和处理煤焦油,相关行业和研究人员应了解其性质和危险性,并采取相应的措施保障人体健康和环境安全。
煤焦油综合利用项目可行性研究报告摘要:本报告旨在对煤焦油综合利用项目的可行性进行研究。
通过分析煤焦油的市场需求、收益和环境影响等因素,评估该项目的经济效益和环境影响,从而为决策者提供客观科学的参考意见。
一、项目背景煤焦油是从煤炭炼焦过程中产生的副产品之一,含有丰富的有机化合物,具有广泛的应用前景。
目前,我国煤焦油的综合利用程度较低,需要进一步加大利用力度,提高资源利用效率。
二、市场需求分析1.煤焦油的市场需求主要集中在煤化工、化肥、沥青等领域,随着经济的发展,这些行业的需求将逐渐增长。
2.目前国内煤焦油市场需求供不应求的局面,市场空间巨大。
3.国际市场上对煤焦油的需求也较大,出口潜力巨大。
三、项目技术可行性分析1.煤焦油脱硫脱苯等关键技术已相对成熟,可以实现高效环保的综合利用。
2.项目可选择适合的煤焦油综合利用工艺,例如煤焦油加氢裂解、沥青制备、苯乙烯生产等。
3.技术设备成熟、可靠性高,市场上供应充足。
四、项目经济效益分析1.项目投资规模适中,具有较高的投资回报率。
2.煤焦油综合利用项目可以实现煤炭资源的最大化利用,提高煤炭行业的盈利水平。
3.项目可以增加就业机会,促进当地经济发展。
五、项目环境影响评估1.煤焦油综合利用项目对环境影响较大。
需要采取科学有效的环保措施,减少对环境的负面影响。
2.项目需要符合国家和地方环保要求,并努力实现绿色低碳发展。
六、风险分析与对策1.项目存在市场风险,需要充分评估市场需求和竞争情况,制定灵活的市场推广策略。
2.项目面临技术风险,需要加强技术研发和人才培养,提高核心竞争力。
3.项目可能受到政策风险和环境风险的影响,需要密切关注相关政策变化,制定应对策略。
七、结论与建议煤焦油综合利用项目具有较高的可行性和发展潜力。
但在实施过程中,需要充分考虑市场需求、技术可行性、环境影响等因素,并采取相应的风险对策措施。
建议在项目实施前进行详细的市场调研和技术评估,制定合理的投资计划和推进方案,以确保项目的顺利进行并取得良好的经济效益和环境效益。
简述煤焦油的检验及安全防护措施本篇文章主要介绍了煤焦油是如何产生的、煤焦油的深加工处理以及煤焦油的一些检验和检查项目,简要分析煤焦油在检验过程中容易产生的危害以及我们应该采取什么措施才应付这些危害,从而实现正确的、科学的、合理的煤焦油的检验及安全防护。
标签:煤焦油;检验;安全防护;措施我国是一个煤炭资源十分丰富的国家,煤炭产业已然成为我国的一大经济支柱,煤化工是以煤炭为原料的一种产业模式,因此我国可以较高程度的发展煤化工产业,尤其是在改革开放初期,煤化工产业有很强的市场竞争力和发展潜力,近年来,随着煤化工的快速发展,煤化工产品在安全管理方面或多或少的存在着一些问题,这就使的煤化工产品的检验工作安全防护变得至关重要。
因此,煤化工产品的本身性质使得煤化工产品在生产过程中必须要加强安全的生产意识与防范。
相应地,煤化工产品的检验有必要增加防护措施和加强安全检验的意识。
1 煤焦油的产生及深度加工煤焦油的產生:将煤隔绝空气进行不断加热,使其温度达到的950℃-1050℃,然后经过干燥、热解、熔融、固化、收缩等阶段,最终制得焦炭,该过程称之为煤的高温炼焦。
在炼焦的过程中会产生煤焦油。
我国是煤炭生产大国,也是冶金焦炭生产大国,煤焦油产量在1000万吨/年以上,因此煤焦油深加工在我国工业中占有重要地位,煤焦油深加工是指将煤经过高温干馏过程得到的复杂组成煤焦油,通过化学及物理加工,分离成化工、能源等产品的过程,煤焦油是煤干馏而得到的油状混合物,按生产工艺不同可分为高温焦油、低温焦油和气化焦油,其主要组成部分如下:萘、酚类、吡啶碱、固体蜡、残碳、甲苯不溶物、灰分、水分、沸程、轻油、中油、重油、沥青。
煤焦油深加工过程包括蒸馏前的预处理脱盐、脱水;初步蒸馏和进一步蒸馏等过程。
根据煤焦油组成、产品种类及纯度要求不同有多种分离方案及流程。
煤焦油深加工过程得到的化学品都是合成塑料、农药、染料、医药、涂料、助剂及精细化工产品的基础原料。
煤焦油项目建议书目录序言 (4)一、背景和必要性研究 (4)(一)、煤焦油项目承办单位背景分析 (4)(二)、煤焦油项目背景分析 (5)二、煤焦油项目概论 (6)(一)、创新计划及煤焦油项目性质 (6)(二)、主管单位与煤焦油项目执行方 (6)(三)、战略协作伙伴 (7)(四)、煤焦油项目提出背景和合理性 (9)(五)、煤焦油项目选址和土地综合评估 (10)(六)、土木工程建设目标 (11)(七)、设备采购计划 (11)(八)、产品规划与开发方案 (11)(九)、原材料供应保障 (12)(十)、煤焦油项目能源消耗分析 (13)(十一)、环境保护 (14)(十二)、煤焦油项目进度规划与执行 (14)(十三)、经济效益分析与投资预估 (15)(十四)、报告详解与解释 (15)三、工程设计说明 (17)(一)、建筑工程设计原则 (17)(二)、煤焦油项目工程建设标准规范 (17)(三)、煤焦油项目总平面设计要求 (17)(四)、建筑设计规范和标准 (17)(五)、土建工程设计年限及安全等级 (18)(六)、建筑工程设计总体要求 (18)四、建设规划分析 (18)(一)、产品规划 (18)(二)、建设规模 (19)五、合作伙伴关系管理 (20)(一)、合作伙伴选择与评估 (20)(二)、合作伙伴协议与合同管理 (21)(三)、风险共担与利益共享机制 (22)(四)、定期合作评估与调整 (22)六、质量管理与监督 (24)(一)、质量管理原则 (24)(二)、质量控制措施 (25)(三)、监督与评估机制 (27)(四)、持续改进与反馈 (28)七、科技创新与研发 (31)(一)、科技创新战略规划 (31)(二)、研发团队建设 (33)(三)、知识产权保护机制 (34)(四)、技术引进与应用 (35)八、煤焦油项目落地与推广 (36)(一)、煤焦油项目推广计划 (36)(二)、地方政府支持与合作 (37)(三)、市场推广与品牌建设 (38)(四)、社会参与与共享机制 (39)九、供应链管理 (40)(一)、供应链战略规划 (40)(二)、供应商选择与评估 (41)(三)、物流与库存管理 (42)(四)、供应链风险管理 (43)十、资源有效利用与节能减排 (44)(一)、资源有效利用策略 (44)(二)、节能措施与技术应用 (44)(三)、减少排放与废弃物管理 (45)序言随着全球市场一体化步伐的加快,跨界合作已经成为推动企业发展新趋势。
(2023)综合利用煤焦油项目可行性研究报告模板立项审批(一)(2023)综合利用煤焦油项目可行性研究报告模板立项审批本文针对“(2023)综合利用煤焦油项目可行性研究报告模板立项审批”,从以下几个方面进行说明:项目概述本项目旨在通过综合利用煤焦油,实现资源的高效利用,并减少对环境的污染。
具体包括煤气化、裂解、净化、分离和成品制备等环节。
项目背景煤炭是我国的主要能源,但其生产过程中会产生大量的煤焦油。
煤焦油是一种有害的化学物质,对环境和人体都有严重影响。
因此,提高煤焦油的综合利用率已经成为我国可持续能源发展的迫切需求。
项目目标•实现煤焦油的高效综合利用,减少环境污染。
•提高煤焦油的质量和附加值,推动能源产业结构调整。
•探索煤焦油高效加工利用新技术、新工艺、新装备。
•推广应用煤焦油综合利用技术,为节约能源、减少污染做出重要贡献。
项目进展•实地考察了多家煤焦油综合利用企业,了解了其现状与发展方向。
•召开了煤焦油综合利用技术座谈会,邀请了多位专家学者进行探讨和交流。
•撰写了《(2023)综合利用煤焦油项目可行性研究报告模板》,对项目进行了可行性研究和方案设计。
项目预期效益实现煤焦油高效综合利用,预计能够为相关企业带来可观的经济收益,同时减少环境污染,推动可持续能源和环保发展。
项目实施计划•第一阶段:调研与规划(2023年4月-2024年3月)。
–调研国内外煤焦油综合利用技术和市场现状。
–制定项目实施计划。
–编写可行性研究报告模板。
•第二阶段:实验研究(2024年4月-2025年3月)。
–收集并分析相关实验数据。
–对实验结果进行统计和分析,寻找最优解方案。
•第三阶段:建设与测试(2025年4月-2026年3月)。
–实施工艺流程设计和装备选型。
–进行设备安装及调试,进行试生产。
•第四阶段:生产正常运营(2026年4月-)。
–生产工艺稳定运行。
–建设项目后续管理和运营机制,保障项目长期正常运行。
项目预算项目总投资额为5000万元。
煤焦油加氢精制综合利项目可行性研究报告一、项目背景和意义煤焦油是煤炭加工中的主要副产品之一,其在传统的利用方式中主要用作燃料或者作为原料进行进一步的加工。
然而,这种传统的利用方式在环境保护和资源利用方面存在一定的限制和问题。
为此,研究开发煤焦油加氢精制综合利用项目具有重要的意义。
二、项目概述三、市场分析和需求评估煤焦油作为一种重要的石化原料,具有广泛的市场需求。
目前,我国煤焦油产量巨大,但其利用率相对较低。
因此,发展煤焦油加氢精制综合利用项目对于提高能源利用效率、保护环境和促进国家经济发展具有重要意义。
四、技术可行性分析煤焦油加氢精制综合利用项目涉及的主要技术包括加氢反应、分离提纯、催化裂化等。
这些技术在国内外已经得到广泛应用,并且具备成熟的工程化规模和运营经验。
因此,从技术角度来看,煤焦油加氢精制综合利用项目是可行的。
五、经济可行性分析煤焦油加氢精制综合利用项目的投资主要涉及设备采购、场地建设、人员培训等方面。
根据现有的投资报告和市场研究,预估项目的总投资额为XXX万元。
同时,预测项目可获得的年均收入为XXX万元,年均净利润为XXX万元。
通过对投资回收期、静态投资回报率、动态投资回报率等指标的测算和评估,可以得出煤焦油加氢精制综合利用项目在经济上是可行的。
六、环境可行性分析煤焦油加氢精制综合利用项目可以有效减少煤焦油的排放和污染。
通过加氢处理,煤焦油中的有害物质将被去除,从而降低煤焦油对环境的负面影响。
此外,项目还可以提取出有价值的化学品和液体燃料,为替代传统石油化工产品提供了可行的途径。
因此,煤焦油加氢精制综合利用项目在环境可行性上是具备潜力和前景的。
七、风险分析煤焦油加氢精制综合利用项目在推进过程中仍然存在一定的风险。
首先,技术和市场风险是项目的主要风险因素。
加氢反应和分离提纯等关键技术对项目的顺利推进至关重要。
此外,市场需求和价格的波动也可能对项目的经营和收益产生不利影响。
因此,项目方需要进行充分的技术研究和市场调查,制定相应的风险管理策略,以确保项目的可持续发展。
焦油加工环保应急处置方案背景焦油是常见的一种石油加工产品,主要用于路面修补、油漆喷涂等领域。
然而,焦油加工中产生的废水、废气和固体废弃物含有大量的有害物质,对环境造成了一定的危害。
一旦发生事故或突发事件,需要对焦油加工环保进行应急处理,以最大程度地减少损失和环境污染。
应急处理方案应急预案在进行焦油加工时,必须制定详细的应急预案,包括事故的类型、可能的事故原因、发生事故的地点、数量和可能的影响范围等。
并且应该定期召开演练,确保各项措施的有效性和迅速性。
应急响应一旦发生事故,需要立即启动应急响应,进行快速处置。
对于不同类型的事故,应采取相应的措施。
1.废水处理措施对于焦油加工产生的废水,应该采取适当的处理措施。
常见的处理方式有蒸馏、吸附、凝结等技术。
在应急处置过程中,可以选择采用吸附材料,吸附污染物质,然后进行再次处理。
2.废气处理措施焦油加工中产生的废气主要含有苯、甲苯、二甲苯等有机物,对环境造成影响比较大。
应该采取合适的处理方式,将废气中的有害物质降至最低。
3.固体废弃物处理焦油加工中产生的固体废弃物主要包括催化剂和活性炭等,由于其中含有大量的有害物质,需要采取专业的技术进行处理。
应急处置流程1.火灾事故:立即启动消防系统,对事故发生区域进行封锁和撤离,同时启动紧急疏散预案,将人员安全转移到安全地带区域,并进行必要的急救处理。
火情得到控制后,开始清理现场,搜集有关信息并对事故原因进行彻底调查。
2.化学泄漏事故:事故发生后,首先将事故范围进行封锁,禁止人员靠近事故现场,启动相应的应急预案,将泄漏物质用化学吸附剂或活性炭等物质进行固化,尽可能避免泄露对环境产生更大的伤害。
对泄漏现场先进行拍照、进行证据保全,然后进行相关部门的汇报,进行安全评估,评估后进行撤退清理现场。
应急处置技术措施1.废水处理技术选择:采用化学凝固和颗粒吸附材料处理方法,同时可以采用高效的膜分离技术和催化氧化技术进行二次处理。
2.废气处理技术选择:采用催化燃烧技术和多级过滤技术,能够有效地吸收有机物和氮氧化物等有害成分,达到低排放的标准。
煤焦油现场处置方案1. 背景由于煤焦油的生产、储存和运输等环节中存在一定的安全隐患,因此,煤焦油现场处置方案的制定和实施对于预防和应对事故事件具有重要意义。
本文将就煤焦油现场处置方案进行详细介绍。
2. 处置原则在制定煤焦油现场处置方案时,应当遵守以下原则:•安全第一:无论任何情况下,保障人员的安全和生命健康是首要保障。
•环保第一:煤焦油具有较高的污染性,任何处置方案都应当最大限度地保护环境。
•效率第一:针对不同情况,制定可行、高效、快速的处置方案。
3. 煤焦油现场处置方案3.1 溢漏处置当煤焦油泄漏或溢出时,应当立即采取如下措施:1.初步封锁区域:对泄漏或溢出的部位进行初步封锁,在周围区域设置安全警示标志。
2.安全撤离:确保现场工作人员的安全,尽快将人员撤离到安全区域。
3.暴露处理:将泄漏或溢出物质进行暴露处理,减少物质的扩散范围。
4.吸附吸险:使用吸附剂或吸险设备进行物质清理,以将煤焦油快速吸附掉。
5.拦截收集:尝试使用拦截设备或沟槽,将煤焦油收集到指定区域,尽量减少物质扩散范围。
6.清除处置:将收集到的煤焦油进行分类、封存或其他处理方式,以尽量减少对环境和人体的危害。
3.2 火灾处置当煤焦油发生火灾,应当立即采取如下措施:1.火源隔离:首先,要隔离火源,防止煤焦油的着火点变得更加复杂。
2.初步封锁区域:对周围区域进行初步封锁,在安全区域设置安全提醒标志。
3.通知报警:紧急报警并通知现场消防大队进行处置,火灾扑灭的过程尽量不要减慢。
4.暴露处理:将泄漏或溢出物质进行暴露处理代为所有火点减缓燃烧速度。
5.防护采取:穿戴救生装备并喷洒灭火剂液尽力扑灭火源。
6.清理碱度:在扑灭火源之后,及时进行清理化验灰尘等物质。
4. 煤焦油现场处置方案的实施和检查实施煤焦油现场处置方案的过程中,应当建立现场处置小组,明确处置方案,制定应急预案,采取有效措施尽快解决问题。
随着处置时间的推移,还应随时跟踪监测,及时调整和完善处置方案。
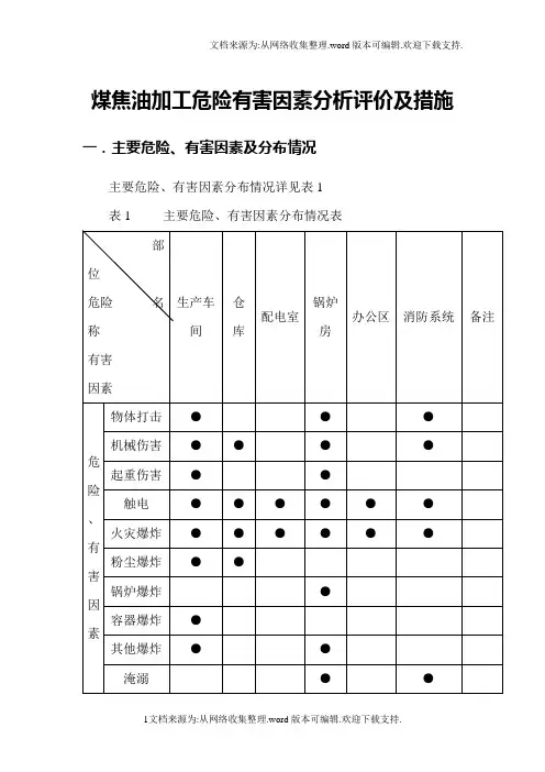
煤焦油加工危险有害因素分析评价及措施一.主要危险、有害因素及分布情况主要危险、有害因素分布情况详见表1表1 主要危险、有害因素分布情况表注:●表示该部位存在的危险因素二.生产工艺及操作危险、有害因素分析(1)火灾、爆炸1)蒸馏过程中如使用明火加热设备,在生产过程中极易造成设备氧化腐蚀,减少设备的使用寿命,一旦发生泄漏会引发火灾事故。
2)蒸馏过程中,工艺管道和设备容易被凝固点高的物质凝结堵塞,如果蒸馏设备没有安装压力表或安装的压力表失灵,没有对设备、管道中残存的凝结物及时清理,一旦发生堵塞,会造成设备超压,有发生爆炸的危险。
3)管式加热炉应尽量采用焊接连接,若采用法兰连接,法兰连接处是泄漏的主要薄弱环节,密封不当会造成物料泄漏,有火灾和灼烫的危险。
4)管式加热炉中设置的加热盘管,没有采取耐火隔温措施,或耐火隔温措施不完善,明火加热盘管,易造成盘管氧化损坏而引起物料泄漏到炉内,导致火灾事故的发生。
5)管式加热炉使用的加热盘管材质不符合要求,在加热过程中极易发生管线破裂而而引起物料泄漏到炉内,导致火灾事故的发生。
6)由于操作人员工作是失误,在没有打开加热炉盘管出口阀、管道没有安装压力表或压力表失灵情况下,开去油泵进料,会因系统超压导致管线破裂而引发火灾爆炸。
7)加热盘管因维修质量差,如焊缝存有夹渣、气孔等及焊接后没有进行检验、试压,在使用过程有发生火灾爆炸的危险。
8)生产装置区域、储罐区没有安装防雷接地设施或安装的防雷接地电阻没有进行检测,在发生雷击时不能及时将雷击电流导出,强大的雷击电流会导致火灾爆炸事故发生。
9)生产装置区域、储罐区的设备及其工艺管道没有设置静电接地设施和法兰跨接、静电接地电阻没有进行检测、设置的法兰跨接检修后没有及时恢复,煤焦油、酚油、萘油等易燃物料在设备和管道中,流动产生的静电不能及时导出,静电聚积,当静电聚积到一定电压时就会放电,静电火花有可能引发系统发生火灾爆炸。
10)电气设施不防爆,在设备运转时易产生电火花,会引起泄漏在空气中的易燃、可燃物质导致火灾爆炸事故。
煤焦油项目投资估算分析报告目录一、项目投资原则 (2)二、市场前景预测 (5)三、用户需求分析 (8)四、行业壁垒分析 (11)五、建筑工程费 (15)六、建筑工程费 (19)七、设备购置费 (22)八、建筑工程其他费用 (24)九、流动资金 (28)十、建设期利息 (32)十一、融资方案 (34)十二、资金使用计划 (37)声明:本文内容信息来源于公开渠道,所涉及项目数据根据行业模型获得,非真实项目指标。
对文中内容的准确性、完整性、及时性或可靠性不作任何保证。
内容仅供参考与学习交流使用,不构成相关领域的建议和依据。
一、项目投资原则在进行煤焦油项目或其他项目的投资估算时,需要遵循一系列项目投资原则,以确保投资决策的准确性、合理性和可持续性。
项目投资原则是指在项目投资过程中应当遵循的基本准则和原则,涉及到资金使用、风险控制、效益评估等方面。
(一)风险与收益相匹配原则1、风险评估:在进行项目投资时,必须充分评估项目所面临的各类风险,包括市场风险、技术风险、政策风险等。
只有对风险有清晰的认识,才能采取相应的措施进行规避或管理。
2、收益预期:投资者应当明确投资项目的收益预期,确保项目的预期收益能够与所承担的风险相匹配。
收益预期要基于充分的市场调研和可行性分析,避免出现过高或过低的预期。
3、风险与收益的平衡:投资者应当根据自身的风险偏好和资金实力,在风险与收益之间寻求平衡点,避免盲目冒险或保守过度。
(二)资金有效利用原则1、投资效率:资金应当被有效利用,确保投入产出比达到最优化水平。
在项目投资过程中,要避免资源浪费和投资项目的低效运转。
2、项目资金来源:投资者应当合理规划项目的资金来源,包括自有资金、银行贷款、股权融资等多种渠道,确保项目运作的资金链畅通。
3、资金成本:在进行资金筹集时,要考虑资金的成本,选择最经济的融资方式,以降低项目的融资成本和财务风险。
(三)长期投资原则1、项目稳定性:投资者应当注重长期投资的稳定性,考虑项目的持续盈利能力和发展潜力。
煤焦油环境管理政策建议煤化工在中国能源、化工领域中占有重要地位,然而煤化工又是典型的“高能耗、高排放、高污染”行业,煤化工残渣处置和利用过程中产生的环境问题已成为其快速发展的重要制约因素。
煤化工生产过程中产生的残渣有十余种,其中煤焦油、煤沥青、焦油渣是环境风险最大的三种典型煤化工残渣。
煤焦油产量大,综合利用和安全处置过程中环境管理问题比较突出,我中心组织专家对煤焦油综合利用和安全处置过程中的环境风险进行研究,并提出相关管理政策建议。
一、煤焦油的基本情况煤焦油是煤在干馏和气化过程中获得的,根据干馏温度和煤焦油性质,可将煤焦油分为高温煤焦油和中低温煤焦油,包括高温炼焦产生的高温煤焦油、固定床煤气化产生的中低温煤焦油和兰炭干馏产生的中低温煤焦油。
(一)高温煤焦油高温煤焦油的产率(对洗精干煤的质量分数)约为3%~4.5%。
根据相关资料统计,2011年我国高温煤焦油总产能在2200万吨左右,由于同年我国炼焦产能的开工率在70%左右,高温煤焦油实际产量约1750万吨1。
高温煤焦油产能与焦炭的产能分布相关,全国各地均有分布,主1钢联煤化工.2011年高温煤焦油市场综述及2012年展望要分布在华东(29%)、华北(43%),两地区的产能占全国总产能的72%。
按省划分,主要分布在山西(26.67%)、河北(18.10%)、山东(16.59%)、河南(6.62%)、内蒙(5.2%),五省的煤焦油产能占全国总产能70.2%。
(二)中低温煤焦油中低温煤焦油的产率较高,不同气化和干馏温度下焦油的产率也不相同,一般在5%~10%之间2。
目前我国基本上淘汰了落后的低温土法炼焦技术,新建的机焦项目大多数配有中低温焦油回收装置。
根据《焦化行业准入条件-2008修订》,新建半焦(兰炭)炭化炉的企业生产能力要达到60万吨/年以上,近几年我国在陕西、内蒙古和新疆等地新建了一大批年产60万吨以上的兰炭生产项目,极大地带动了我国中低温煤焦油的发展。
2011年我国中低温煤焦油总产能568万吨,全国开工率59%以上,总产量达335.2万吨;煤气化低温煤焦油产量达300万吨左右,因此我国各类中低温煤焦油的年产量已经达到600万吨以上3。
我国兰炭生产产生的中低温煤焦油产能主要分布在西北地区的陕西、宁夏和新疆等省,2011年产能为438万吨,占全国总产能的77%,其它中低温煤焦油产地有内蒙古、山西、河北和河南等省。
二、煤焦油综合利用和安全处置现状高温煤焦油和中低温煤焦油由于组分、性质不同,其综合利用方式也不同。
高温煤焦油主要是芳香烃组成的复杂混合物,烷基烃含量2马宝岐,任沛建,杨占彪,等.煤焦油制燃料油品[M].北京:化学工业出版社,2010:12 3罗熙,陈军民.关于中低温煤焦油加氢的分析[C].2012(第十一届)中国煤化工技术、信息交流会暨“十二五”产业发展研讨会,149-152较少,高沸点组分较多,热稳定性好,主要用于深加工制取化工原料。
中低温煤焦油组分中芳烃含量少,烷烃含量大,主要用于生产汽油、柴油等燃料。
(一)高温煤焦油的深加工现状2011年我国高温煤焦油的产量为1750万吨左右,回收1400万吨,实际深加工约1000万吨,加工企业主要分布在山西、内蒙古、陕西、河南、山东和河北等省。
煤焦油深加工主要是提取其中芳香族化合物成分,通常使用常减压蒸馏反应釜等设备。
煤焦油深加工过程能耗较高,一般都在12~13GJ/t,有的则高达20GJ/t。
因此,只有实现规模化生产,才能取得经济效益,相应的也易控制其环境风险。
煤焦油精制产生的废渣包括中温沥青、酚渣、酸焦油(属危险废物)、焦油渣(属危险废物)和废水处理产生的剩余活性污泥。
(二)中低温煤焦油替代燃料油现状2011年我国中低温煤焦油的年产量达到600万吨以上4。
中低温煤焦油经高压加氢生产汽油、柴油等产品,这也是今后中低温煤焦油综合利用的主要途径。
目前中低温煤焦油加氢生产才刚刚开始,国内已实现工业化运行的装置仅四套,处理规模较小。
低温煤焦油加氢产生的残渣主要有焦油渣(属危险废物)、沥青和废催化剂。
目前我国大多数煤气发生炉产生的中低温煤焦油被直接以燃料的形式粗放燃烧,部分以重油作为燃料的企业改烧煤焦油或将煤焦油与汽柴油混烧。
4罗熙,张军民.中低温煤焦油加氢技术及产业发展分析[J].煤化工,2012,40(3):6-9(三)存在不合理利用情况我国超过20%的煤焦油回收后去向不明,煤焦油由多种多环芳烃和含氮、氧、硫的杂环芳烃混合物组成,随意丢弃混入水体中,会导致水体有机污染,作为粗燃料直接使用会导致烟气中含有大量的SOx 和NOx,存在环境隐患。
零散收集的煤焦油较多被直接作为燃料燃烧,或简易制油、制沥青、制焦等,存在较大环境风险。
三、煤焦油的管理现状及问题煤焦油是不可替代的化工原料,煤焦油中某些组分产品不可能或不能经济地从石油原料中获得,将煤焦油作为石油资源的替代品,按照重要的产业资源进行管理和保护是国际通用做法。
(一)煤焦油是否按危险废物管理各地存在分歧2008年颁布的危险废物名录还存在“焦炭生产过程中产生的其他酸焦油和焦油”(252-011-11),关于这个代码的描述各级环保部门和产生、利用企业的理解分歧很大。
对于煤焦油是否按照危险废物管理,各级环境管理部门在实际管理中做法各异,各地呈现了各自的地方特色,也出现过争执、调整。
江西萍乡市环保局未将煤焦油视为危险废物,2007年对萍乡市家福实业有限公司煤焦油综合利用项目环评报告书予以批复,2010年华东督查中心在督查时认为萍乡市环保局越权对危险废物综合利用项目进行了审批,以华东环督字[2010]60号撤销对萍乡市家福实业有限公司项目环评的审批,并要求加大对陶瓷产业产生煤焦油等危险废物的监管。
最终江西省厅以赣环评字[2010]478号明确煤焦油属于危险废物,按照《建设项目分级审批规定》撤销萍乡市环保局对萍乡市家福实业有限公司煤焦油综合利用项目的批复。
河北省环境保护厅在2008年前发放过一家煤焦油综合利用综合经营的危险废物经营许可证。
之后对煤焦油加工利用企业没有再要求申领危险废物经营许可证。
河南省明确“煤焦油虽暂未被列入《国家危险废物名录》,但应按照危险废物相关标准进行管理”。
2010年河南郑州在全市开展危险废物专项整治,明确“煤气发生炉产生的煤焦油是危险废物,按危险废物管理”。
2012年河南省巩义市在全市开展煤气发生炉产生的煤焦油的专项整治,要求严格执行危险废物申报登记制度、转移联单制度、经营许可证等制度。
2012年,河南省荥阳全市18家煤焦油产生企业全部与有危险废物经营资质处置单位签订处置合同。
2011年,湖北省当阳市召开陶瓷企业煤焦油安全处置工作促进会,要求所有陶瓷行业产生的煤焦油必须全部委托给有危废处理资质单位处置。
而山西、山东、内蒙、陕西、宁夏和新疆等其它煤焦油产能和综合利用大省和大部分地区环境保护部门没有将高温煤焦油按照危险废物进行环境监管,绝大多数煤焦油产生单位和加工利用单位也不按危险废物进行申报和管理。
(二)高温煤焦油管理定位不明确针对危险废物名录中“焦炭生产过程中产生的其他酸焦油和焦油”,若将高温煤焦油列为危险废物,这种管理归类与行业认识和生产实际存在较大分歧。
目前煤化工行业里焦化产生的高温煤焦油一直被当作重要的副产品,以自行利用和销售为主。
“YB/T 5075-2010 煤焦油”也是针对高温煤焦油的产品质量标准。
高温煤焦油产能全国各地均有分布,目前对其加工利用企业,山西、山东、内蒙等几大高温煤焦油产能大省都是按传统化工生产单位进行管理,产生单位和加工利用单位均不按危险废物进行申报和管理。
目前,我国已有大型炼焦企业开始发展煤焦联产生产模式,向完整产业链结构和规模化加工方向发展,企业所属地环境保护部门也没有要求申领危险废物经营许可证。
(三)中低温煤焦油管理定位不准确工业热源或城市煤气使用的煤气发生炉产生的中低温煤焦油由于单位产生量较小、产生源分散,厂内加工不经济,大都缺少规范的回收渠道,一般产生单位将其作为副产品随机出售或粗放燃烧,去向不明。
北京焦化厂相关研究结果表明,中低温煤焦油粗放燃烧的尾气中苯并芘等污染物的排放量比燃烧汽柴油时超过国家标准几十倍,存在较大的环境风险。
除去河南、江西无论高温煤焦油还是中低温煤焦油均参照危险废物管理外,更多地区对于中低温煤焦油监管较少。
河南于2012年发放了2家废煤焦油收集和贮存的危险废物经营许可证,但由于没有中低温煤焦油集中利用厂家申请危险废物经营许可证,陷入要么煤焦油不合理处置资源流失,要么收集单位无法实现合法转移的尴尬局面。
(四)煤焦油利用处置过程存在环境风险高温煤焦油深加工过程中会产生焦油渣和酸焦油,焦油渣和酸焦油含油苯类、酚类、萘类等多种有害致癌物质,属于危险废物。
但在大多数煤焦油加工项目环评中,仅将焦油渣作为一般固体废物处理。
部分企业将焦油蒸馏后产生的酸焦油及渣送到煤场配煤炼焦或按燃料油出售。
我国中低温煤焦油处置企业规模普遍低于国际水平,布局分散。
低温煤焦油加工产业链条短, 加工深度不够,产业资源浪费严重, 吨焦耗煤、水、电量大,煤气直接排空而未综合利用, 煤焦油回收率低, 粉尘污染和生态破坏问题突出。
四、政策建议(一)修订《危险废物名录》,实行分类管理建议修订危险废物名录中“焦炭生产过程中产生的其他酸焦油和焦油”的提法为“中低温煤焦油和焦炭生产过程中产生的其他酸焦油”。
对煤焦油进行分类管理,豁免高温炼焦产生的高温煤焦油,对于煤气发生炉和兰炭干馏产生的中低温煤焦油,由于产生源分散,不合理收集、倒卖现象突出,且综合利用具有较大的环境风险,建议按危险废物进行管理。
(二)落实《危险化学品安全管理条例》,实现煤焦油流向可控按照2011年12月1日起生效的国务院令第591号《危险化学品安全管理条例》,危险化学品的生产、使用和经营需要获得相应的危险化学品安全生产许可证、危险化学品安全使用许可证和危险化学品经营许可证。
煤焦油在危险化学品名录中有专一的CAS编号,属于第3类易燃液体中第2项中闪点液体,随着配套制度的完善,煤焦油的产生、使用和经营企业均需登记办理相关许可证,同时强化危险废物转移联单制度,则可有效防控煤焦油去向不明及不合理利用产生的环境风险。
(三)加强煤焦油利用处置过程的环境监管高温煤焦油深加工过程中会产生废气、废水、焦油渣、酸焦油、一般固体废物等污染物,废气中主要污染物为苯并芘、沥青烟、非甲烷总烃等有机污染物,以及酸性气体,含有多种致癌物,焦油渣和酸属于危险废物。
高温煤焦油深加工需严格控制污染物排放,落实危险废物转移联单制度,妥善处置产生的危险废物。
对于中低温煤焦油的收集、加工利用处置单位,企业应向环保部门申请危险废物经营许可证,持证经营。
企业一要强化基础管理,建立健全危险废物环境防治、管理和处置责任,健全台帐、完善档案,落实危险废物管理规章制度,制定危险废物意外事故防范措施,制定应急预案。