行业标准《铝用炭素材料检测方法 第23部分 预焙阳极空气反应性的测定》(编制说明)
- 格式:doc
- 大小:35.50 KB
- 文档页数:2
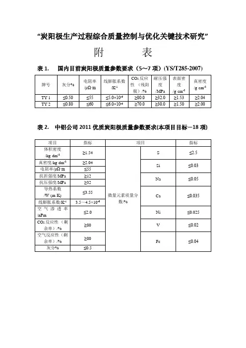
“炭阳极生产过程综合质量控制与优化关键技术研究”
附表
表1. 国内目前炭阳极质量参数要求(5~7项)(YS/T285-2007)
表2. 中铝公司2011优质炭阳极质量参数要求(本项目目标—18项)
表3. 国外优质炭阳极质量参数要求(31项)
表4. 目前国内外炭阳极质量指标对比
表 5. 目前炭阳极用优质煅后焦质量(YS/T625-2007) 参数(此表可对应考核指标进行比较)
表6. 2011定国内炭阳极用优质煅后焦质量参数(国外的参数对我国保密)
注:①GJ/t 生产一吨要消耗多少GJ的热量,1G=10亿
②mg/Nm3:每标准立方米多少毫克。
上海应用技术学院电气与电子工程学院李晓斌提供
2011年11月18日星期五。
附件一:64项化工、石化、冶金、有色金属行业标准名称及主要内容序号标准编号标准名称标准主要内容代替标准采标情况化工行业1HG/T 4288-2012 偏光眼镜用三醋酸纤维素酯(TAC)薄膜本标准规定了偏光眼镜用三醋酸纤维素酯(TAC)薄膜的要求、试验方法、检验规则及标志、包装、运输、贮存。
本标准适用于偏光眼镜用无色三醋酸纤维素酯薄膜、有色三醋酸纤维素酯薄膜及含紫外吸收(UV)的三醋酸纤维素酯薄膜。
2HG/T 4292-2012 液晶显示器背光源用PET涂布型下扩散膜本标准规定了下扩散膜的要求、试验方法、检验规则、标识、包装、储存与运输。
本标准适用于在聚对苯二甲酸乙二醇酯(PET)薄膜上进行涂布制成的用于背光源的下扩散膜。
3HG/T 4294-2012 光学功能薄膜表面硬化薄膜硬度测试方法本标准规定了一种通过在涂有硬化涂层的薄膜表面推压已知硬度标号的铅笔来测定硬化涂层硬度的方法。
本标准适用于聚对苯二甲酸乙二醇酯(PET)、聚碳酸酯(PC)、丙烯腈-丁二烯-苯乙烯共聚物(ABS)、三醋酸纤维素酯(TAC)等表面涂有硬化涂层薄膜硬度的测试。
4HG/T 4302-2012 耐候阻隔绝缘性功能薄膜本标准规定了耐候阻隔绝缘性功能薄膜产品的要求、试验方法、检验规则和标识、包装、运输、贮存等内容。
本标准适用于耐候阻隔绝缘性功能薄膜。
5HG/T 4303-2012 表面硬化聚酯薄膜耐磨性测定方法本标准规定了采用磨擦锤和配重计量块及钢丝绒,通过钢丝绒的往复运动进行摩擦来测定表面硬化聚酯薄膜的耐磨性试序号标准编号标准名称标准主要内容代替标准采标情况验方法。
本标准适用于表面硬化聚酯薄膜的耐磨性检测。
6HG/T 4289-2012 T3型工业X射线胶片本标准规定了T3型工业X射线胶片的要求、试验方法、检验规则及包装、标志、运输和贮存。
本标准适用于对钢、铁、铝等金属及其合金材料的焊缝、铸件等进行无损探伤检验用的X射线胶片。
·48轻金属2001年第1期·碳素·石油焦对我国电解铝用预焙阳极质量的影响罗英涛1,王平甫2(1.中国长城铝业公司,河南郑州450041;2.郑州轻金属研究院,河南郑州450041)摘要:论述了石油焦对电解铝用的预焙阳极质量的影响,指出我国铝用石油焦存在的科研和检测技术滞后、质量波动大、粉焦t大、石油焦的技术标准不适于现代大型预焙铝电解槽阳极要求等问题、并提出改进建议。
关t调:石油焦;炭阳极;质量中圈分类号:TE626.8+7TF821文献标识码:A文章编号:1002—1752(2001)01—0048—05EFFECTOFPETROLEUMCOKE0NQUALITYOFPREBAKEDANODEOFALUMINUMREDUCTIoNCELLSLUOYingta01andWANGPingpu2(1.ChinaGreat讹肌AluminumCompany,ZhengzhouHenan450041;2.ZhengzhouLightMetalsResearchInstitute,ZhengzhouHenan450041,China)Abstract:Effectofpetroleumcokequalityofprebakedanodeofaluminumreductioncellsisdiscussed.Problemsofout—datedresearchandmeans。
qualityflocculction,largequantityfines,impropertechnicalstandardsofpetroleumcokeusedinChinesealuminumindustryanalyzed·andsug—g酬onsofimprovementproposed.Keywords:petroleumcoke,prebakedanode,quality随着铝电解工艺自动控制技术和铝电解槽“三场”优化技术的进步,现代化大型中心下料预焙槽电流效率已突破93%。
探析X射线荧光光谱法江苏大屯铝业有限公司自2010年始电解铝生产步入强化电流阶段,铝用预焙阳极在电解槽中较提升电流之前表现出掉楞、掉角及大面积氧化现象,影响了炭块的换极周期,作为质量控制部门,炭块的物理、力学性能已不能满足公司优质预焙阳极炭块的生产,炭块中微量元素的含量愈来愈受到行业和公司的重视,从调研结果来看,国内外凡是优秀的炭素生产企业,对于炭块中微量元素的控制与检测一直有着较高的要求,如何快速、准确的测定铝用炭素材料中微量元素的含量,用于指导公司优质预焙阳极炭块的生产有着重要意义。
本文在前人基础上,以thermofisher科技有限公司生产的ARL9800为主要分析测试仪器,通过对样品研磨时间、粒度和实收率、谱线重叠干扰、背景校正[1]进行了实验研究与分析,最终选定了合理的X荧光法测试的实验条件,建立了各微量元素的分析测试曲线,通过对分析结果的比对,验证了该方法在铝用炭素材料微量元素测试中的可行性。
1 实验部分1.1 仪器和试剂ARL9800XP射线荧光光谱仪(美国Thermofisher科技有限公司)、配备LiF200、AX06+、PET 、LiF220四块晶体,SC/FPC两种探测器,配备winXRF 智能化分析软件,ZM-1振动磨,YYJ-40压样机,铝用炭素材料标准样品一套(9个标准样,郑州轻金属研究院研制),硬脂酸试剂(优级纯)。
1.2 实验方法对于预备阳极样品,将试样磨细至200 目,在105 ℃烘干2 h ,冷却。
准确称取试样与粘结剂(m试样∶m粘结剂= 6∶1),(实际试样12g,粘结剂2g)混合均匀,在振动磨中混磨30 s,将研磨混合好的试样三分之二以上倒入模具,用压片机加压至总压力30 MPa 以上,并保持20 s时间将粉末压成小块。
样片的厚度至少要达到4mm ,取出样片保存于干燥器内。
制备过程中防止污染。
2 结果与讨论2.1 试样粒度与荧光测试强度、破碎时间和实收率的实验在相同的压力测试条件下,XRF测试的荧光强度与粉末粒度有一定的关联,为了消除或降低粒度效应对荧光计数率的影响,我们进行了不同粒度(50目、100目、200目、300目)的荧光强度测试实验,实验表明了试样破碎后经过300目筛测试的荧光强度最高,但考虑制样的效率和实收率等影响,破碎样品过200目筛,仍可以得到一个接近300目筛的荧光强度和测试结果。
公司企业标准氧化铝1 范围本标准规定了氧化铝(Al 2O 3)的分级、要求、试验方法、检验规则及标志、包装、运输、贮存。
本标准适用于熔盐电解法生产金属用氧化铝,也适用于生产刚玉、陶瓷、耐火制品及生产其他氧化铝化学制品用原料氧化铝。
2 规范性引用文件下列文件中的条款通过本标准的引用而成为本标准的条款。
凡是注日期的引用文件,其随后所有的修改单(不包括勘误的内容)或修订版均不适用于本标准,然而,鼓励根据本标准达成协议的各方研究是否可使用这些文件的最新版本。
凡是不注日期的引用文件,其最新版本适用于本标准。
GB 8170—87 数值修约规则GB/T 6609.1—86 氧化铝化学分析方法 重量法测定水分 GB/T 6609.2—86 氧化铝化学分析方法 重量法测定灼烧失量GB/T 6609.3—86 氧化铝化学分析方法 钼蓝光度法测定二氧化硅量 GB/T 6609.4—86 氧化铝化学分析方法 邻二氮杂菲光度法测定氧化铁量 GB/T 6609.5—86 氧化铝化学分析方法 火焰光度法测定氧化钠量 3 订货合同内容本标准所列材料的订货合同应包括下列内容: 3.1 产品名称; 3.2 牌号; 3.3 质量;3.4 本标准编号; 3.5 其他。
4要求4.1 产品分级氧化铝按化学成分分为四个牌号:AO —1、AO —2、 AO —3、 AO —4。
4.2 化学成分氧化铝的化学成分应符合表1的规定。
YS/T 274-1998 代替YS/T 274-1994表1 氧化铝的化学成分氧化铝为白色晶体,不应有杂物和团块。
4.4 其他要求需方对质量有特殊要求,由供需双方协商。
5 试验方法氧化铝的化学成分仲裁分析按GB/T 6609的规定进行。
6 检验规则6.1检查和验收6.1.1氧化铝应由供方技术监督部门进行检验,保证产品质量符合本标准的规定,并填写产品质量证明书。
其内容按本标准7.5条规定填写。
6.1.2 需方应对收到的产品按本标准的规定进行检验。
电解铝原辅材料 / 产品质量检验、验证规程目的为保证电解铝产品及外购原辅材料质量受控,便于对产品、原辅材料实施检验、验证, 确保未经检验的物品不流入生产、转序或出厂,特制定本规程。
范围本规程规定了对电解铝原辅材料 / 产品质量检验、验证时所采用的国家标准、行业标准 及企业标准要求。
本规程适用于公司生产的产品及中间产品;铝电解生产用原辅材料;其他生产用辅助 材料;电厂生产用工业硫酸、工业合成盐酸、工业用液体氢氧化钠;铝电解槽用辅助材料; 等产品的检验、验证规则。
内容1.1.1 夹渣:表面夹渣不超过三处,夹渣直径不大于 5cm 。
1.1.2气孔:严格执行铸模内喷水措施,底表面气孔直径及深度都不得大于 3cm 且小于3cm的气孔分布面积不超过底部面积的十分之一。
1.2 堆垛质量标准铝锭堆垛应整齐,整垛上表面高度差不应超过 6cm 。
上下层铝锭边缘错位不超过 5cm 但整体不影响打捆质量的仍为合格。
第一章产品及中间产品1、 重熔用铝锭(依据 GB/T1196-2008)1.1 表面质量标准1.2.3 飞边 1.1.4 每块锭重 20kg ±2 kg ,毛刺允许修整,严重飞边判废。
不能超过表面宽度的三分之一。
1.1.5直径不能超过1cm 小于1cm 的熔瘤不能超过5处。
1.1.6 波纹 表面不得有严重波纹。
1.2.1 1.2.2 铝锭按顺序堆放,上下左右必须交叉压好。
1.2.3124铝锭垛好后,不能从中间较容易地抽出确铝锭。
125铝锭垛中不得夹垫石子、钢带等任何杂物。
1.3包装质量标准1.3.1铝锭打捆形式采用“井”字形或其他形式。
1.3.2铝锭打捆可采用钢带、高强塑料带或其他材料,但应保证铝锭不散捆。
1.4化学成分重熔用铝锭的化学成分应符合下表规定。
注:1、对于表中未规定的其他元素含量,如需方有特殊要求时,可由供需双方另行协议。
2、分析数值的判定采用修约比较法,数值修约规则按GB/T8170的有关规定进行。
铑靶康普顿散射校正-X射线荧光光谱(XRF)法测定铝用炭素阳极材料中的微量元素白万里;马慧侠;刘静;彭展【摘要】通过对常用黏结剂中杂质元素含量的测定,选择硬脂酸作黏结剂,研磨压片制备样品,用X射线荧光光谱(XRF)法测定铝用炭素阳极材料中硫、钒、钠、钙、硅、铁、镍、钛、铝、镁、磷、铅、锌、铬、锰的含量.通过实验确定了最佳的样品和黏结剂比例为12 9炭素试样加入2 9硬脂酸,研磨时间为20 s.测定铅元素时,选择一点法扣除背景,通过谱线强度数据确定使用PbLβ1作分析线.用铝用炭素阳极材料系列标准样品制作校准曲线,用铑靶康普顿散射内标校正铁、镍、铅、锌、铬、锰等元素,其余元素用经验系数法校正.精密度实验表明,样品中各元素测定结果的相对标准偏差(RSD,n=11)一般在8%以下,最高的钠元素和钛元素也在10%左右,未知样品的检测结果与标准结果没有显著性差异.【期刊名称】《中国无机分析化学》【年(卷),期】2018(008)002【总页数】7页(P45-51)【关键词】铝用炭素阳极材料;X射线荧光光谱;粉末压片法;黏结剂选择;微量元素【作者】白万里;马慧侠;刘静;彭展【作者单位】中国铝业郑州有色金属研究院有限公司,郑州450041;中国铝业郑州有色金属研究院有限公司,郑州450041;中国铝业郑州有色金属研究院有限公司,郑州450041;中国铝业郑州有色金属研究院有限公司,郑州450041【正文语种】中文【中图分类】O657.34;TH744.3+3前言铝用炭素材料是指以煅后石油焦、沥青焦或无烟煤等为主要骨料,以煤沥青等作黏结剂制成的糊类或块类炭素制品,主要作为金属铝电解生产过程中电解槽的阳极和阴极。
由于阴极材料不属于大量消耗性材料,因此铝用炭素材料微量元素的测定主要指铝用炭素阳极材料,主要包括石油焦、煅后焦、预焙阳极等。
铝用炭素阳极材料用量巨大,在我国每年铝用炭素材料生产中石油焦使用量超过2 000万t,预焙阳极生产量也已经超过1 500万t。
行业标准《石墨化阴极炭块用石油焦》(预审稿)编制说明中国石化炼油销售有限公司二o一一年十一月行业标准《石墨化阴极炭块用石油焦》(预审稿)编制说明1工作简况1.1任务来源石墨化阴极炭块是电解槽砌筑和大修的重要材料,具有良好的导电、导热、抗热冲击、抗钠膨胀和抗电解质腐蚀能力。
我国与世界先进水平相比有较大差距,主要是平均槽寿命短、单位面积产量和能量效率偏低,缩小这种差距的措施之一就是采用新一代的阴极内衬材料,其中最主要的就是阴极炭块。
为此需要优质稳定的原材料供应,制定或更新标准并建立相应的分析检测方法。
随着石油焦产量逐年增大、应用领域的拓展,现有的指标分析不能定点定质定量以保证配料科学,需要我们有针对性的制定行业标准,规范质量指标,鼓励技术开发,提供高品质石油焦产品供顾客使用。
2010年,全国有色金属标准委员会在广泛征求意见的基础上,下达了本标准的起草任务,由中国石化炼油销售有限公司(以下简称炼油销售公司)负责起草。
2011年,以工信厅科[2011]134号文正式下达标准制修订计划,计划起始年为2011年,完成年限为2012年。
1.2主要工作过程和内容炼油销售公司接受起草任务后,认真学习了标准起草的相关资料,根据行业标准的制修订程序,落实负责起草部门、协助起草部门及责任人,技术生产部承担起草任务,各驻厂办协助进行企业数据统计,销售部门协助进行市场调研、统计市场需求,同时,在有色标委会轻标委秘书处的大力协调和帮助下,联合国内铝用炭素行业河南中孚实业股份有限公司、索通发展有限公司炭素公司、山东晨阳炭素股份有限公司、广西强强炭素股份有限公司、中铝贵州分公司、中电投宁夏青铜峡能源铝业集团公司、山东兖矿炭素制品有限公司、郑州浩宇炭素制品有限公司以及中铝郑州研究院等生产企业和研发单位作为标准编制协作单位,从基础数据采集、样品采集和分析检测以及控制指标的确定等方面,都给予了大力支持,并先后两次召开讨论会,确定了《石墨化阴极炭块用石油焦》行业标准起草所遵循的基本原则:1)查阅相关标准和国内外炭素行业的相关技术要求;2)确定石墨化阴极炭块用石油焦的主要技术指标框架体系及内容;3)研究确定试验方法,对实验方法进行优化选择;4)根据行业技术发展水平及样品测试数据,确定技术指标取值范围。
阳极氧化膜性能测试方法1。
光泽1。
1 目视法目视检测法:包含对颜色、色差、表面光泽和表面表面缺陷的检测.其观察距离一般是0.5m;(GB/T14952.3—1994)1.2 光泽仪由于光泽目视时无法量化,所以采用了相应的仪器:光泽仪(目前的产品由于形状所限制,无法采用);(GB/T5237。
4—2000)2. 色泽2。
1 目视法在自然散射光或标准光源D65用目视法检测,视力达到1.0,与产品垂直或呈45°角;(GB/T14952。
3—1994)2。
2 色差仪目视法受到产品、环境和人的因素影响,判断的偏差较大,所以一般采用色差仪,色差仪一般采用D65标准照明体,测量400~700nm的可见光波;(ISO7724.1~3—1984、ISO/TR8125-1984和GB/T11186.1~3—1989)3。
膜厚度(现有一个膜厚计)3。
1 显微镜测量横断面厚度采用的方法是将产品截断,用金相显微镜测试,影响的因素有表面粗糙度、横断面的斜度、覆盖层变形和机加工缺陷;(GB/T6462-1986和ISO1463—1983)3。
2 分光束显微镜测量法仅限于银色阳极氧化膜的测量;(ISO2128—1976、GB/T8014.3-200X)3.3 质量损失法适用于膜厚大于10μm(GB/T8014.2—200X、ISO2016—1982)3。
4 涡流法(现有的膜厚计即为此种)采用涡流法有快速、方便、非破坏性,因此应用很广,原理是采用涡电流,并要求金属非磁性且表面不导电,当侧头与试样接触时,测头产生高频电流磁场,在基体金属中会感应出涡电流,此涡电流产生的附加电磁场会改变测头参数,而测头参数的改变取决于与氧化膜相关的测头到基体的距离,然后经芯片分析得到数值。
(GB/T4957-1994和ISO2360—1982)4. 阳极氧化膜封孔质量4.1 指印试验用橡胶“手指”模拟人的手指进行试验,“手指”放在试样的待测表面上5min,然后移去并用丙酮擦干净检查,有指印为不合格;(BS1615-1945)4.2 染色斑点试验适用于检验在大气曝晒与腐蚀的环境下使用的氧化膜,特别适用于对耐污染性有要求得氧化膜:将产品在25mL/L的硫酸和10g/L的氟化钾溶液中浸泡1min,擦干,再在23℃、PH=5±0.5的染色溶液中浸泡1min。
铝用炭素材料检测方法
第23部分
预焙阳极空气反应性的测定热重法
(YS/T 63.23—201X)
编制说明
中国铝业股份有限公司郑州研究院
2010年7月
编制说明
根据中国有色金属工业协会中色协综字[2010]015号《关于下达2009年第二批有色金属国家、行业标准制(修)订项目计划的通知》文件的精神,由中国铝业股份有限公司郑州研究院承担标准YS/T 63.23—201X《铝用炭素材料检测方法第23部分预焙阳极空气反应性的测定热重法》的起草工作,由参加起草。
本部分主要起草人:、、。
预焙阳极空气反应性的测定,国内现有的为行业标准,标准号为YS/T 63.11—2006,采用质量损失法测定空气反应性;本次等同采用ISO 12989-2:2004《铝生产用炭素材料—预焙阳极和侧部炭块—空气反应性的测定第二部分热重法》。
本部分对ISO 12989-2:2004进行了以下编辑性修改:
——删除了12989-2:2004的目录、前言、引言和参考文献;
——标准名称按照本系列标准的要求进行了修改;
全国有色金属标准化技术委员会于2010年3月29日~4月1日在上海市召开了2010年度第一次有色金属国家标准和行业标准审定会和讨论会,来自70多个单位的120多名代表参加了会议。
会议轻金属分标委会16个单位的22名代表讨论了《铝用炭素材料检测方法(8项分标准)》,对由郑州研究院负责起草修订的7项标准进行了认真的讨论,提出了一些意见和建议,主要修改如下:
1、在前言部分增加“本部分为非仲裁方法。
”
2、对翻译过的关键部分进行核对,尽量符合我国国家标准的编写模式。
按照GB/T1.1—2000《标准化工作导则第1部分标准的结构和编写规则》、GB/T20001.4—2001《标准编写规则第4部分化学分析方法》的要求,对本部分进行了编写。
本部分已达到国际一般水平。
建议颁布本部分为有色金属行业标准。
建议本部分为推荐性行业标准。