热管空气预热器计算
- 格式:xls
- 大小:171.50 KB
- 文档页数:3
热管换热器计算(2009-02-20 22:50:45)转载标签:热管换热器计算德天热管亚洲热管网热管换热器计算可用热平衡方程式进行计算,对于常温下使用的通风系统中的热管换热器的换热后温度,回收的冷热量也可用下列公式计算,由于公式采用的是显热计算,但实际热回收过程也发生潜热回收,因此计算值较实测值偏小,其发生的潜热回收可作为余量或保险系数考虑。
本文选自【亚洲热管网】热管换热器的计算:1. 热管换热器的效率定义η=t1-t2/t1- t3 (1-1)式t1、t2——新风的进、出口温度(℃)t3——排风的入口温度(℃)2.热管换热器的设计计算一般已知热管换热器的新风和排风的入口温度t1和t3,取新风量L x 与排风量L P相等。
即L x = L P,新风和排风的出口温度按下列公式计算:t2=t1-η(t1-t3) (1-2)t4=t3+η(t1-t3) (1-3)t4——排风出口温度(℃)回收的热量Q (kW), 负值时为冷量:Q(kW)= L xρX C x(t2-t1)/3600 (1-4)式中L x——新风量(m3/h )ρx——新风的密度(kg/m3)(一般取1.2 kg/m3)C x——新风的比热容,一般可取1.01kJ/ (kg ·℃)。
3.选用热管换热器时,应注意:1)换热器既可以垂直也可以水平安装,可以几个并联,也可以几个串联;当水平安装时,低温侧上倾5℃~7℃。
2)表面风速宜采用1.5 m/s~3.5m/s。
3)当出风温度低于露点温度或热气流的含湿量较大时,应设计冷凝水排除装置。
4)冷却端为湿工况时,加热端的效率η值应增加,即回收的热量增加。
但仍可按上述公式计算(增加的热量作为安全因素)。
需要确定冷却端(热气流)的终参数时,可按下式确定处理后的焓值,并按处理后的相对湿度为90%左右考虑。
h2=h1- 36Q/ L×ρ (1-5)式中h1, h2——热气流处理前、后的焓值(kJ/kg);Q ——按冷气流计算出的回收热量(W);L ——热气流的风量(m3/h );ρ——热气流的密度(kg/m3)。
热管空气预热器
设计说明书
班级: XX1
姓名: XXX 学号: 0 X
目录
热管空气预热器设计任务书 (2)
热管空气预热器热力计算 (3)
热管空气预热器结构设计计算 (10)
热管空气预热器设计任务书
设计题目:热管空气预热器的设计
设计要求:烟气、空气为清洁气体,不含任何杂质,烟气成分按标准烟气进行计算
设计参数:烟气进口温度 t 1h = 280℃ ; 烟气出口温度 t 2h = 180℃ ; 空气进口温度 t 1c = 20℃ ;
烟气流量(标准状况) G h =8000 Nm 3/h ;
空气流量(标准状况) G c =6400 Nm 3/h;
烟气标况下的密度 错误!未找到引用源。
f h =1.295kg/m 3;
空气标况下的密度 错误!未找到引用源。
f c =1.293 kg/m 3
选用水为热管工质,管壳材料为20号锅炉无缝钢管,翅片材料为低碳钢,翅片与管壳连接方式为高频焊接。
这种热管的参数为:
光管外径d o =0.032m ;热管内径d i =0.026m ;
翅片高度l f =0.015m ;翅片厚度f =0.0012m ;翅片间距 s f =4mm ; 翅片节距s
f ’= s f + f=5.2mm ;
每米热管长的翅片数n f =错误!未找到引用源。
热管换热器管子排列形式为等边三角形排列,如图,横向管子中心距S T =0.081m ;S L =S T =0.081m 。
其热力设计计算和结构设计计算如下:
差
数
........忽略此处.......。
热管式空气预热器热管是一种高效的传热元件,早在上世纪40年代热管的概念就已提出,直到60年代,由于宇宙航行的需要,热管才在宇航技术中得以应用。
此后发展很快,70年代热管就已广泛应用于电子、机械、石油、化工等行业。
从那时起,国内石油化工管式炉、锅炉上就开始使用热管式空气预热器来回收烟气余热,并迅速得到推广,到目前为止估计已有数百台在运行中。
它与管式和回转式等其他空气预热器相比,具有体积小、质量轻、效率高、不易受低温露点腐蚀等优点,这也就是它被迅速推广和应用的原因。
1、热管1)热管的工作原理和分类热管是一根两端密封,内部抽真空并充有工质的管子。
其一端(热端)被加热时,工质吸热蒸发并流向另一端(冷端),在那里将热量释放给管外的冷介质而冷凝,冷凝液流回热端,再吸热蒸发,如此循环,完成热量传递。
由于汽化潜热大,所以在极小的温差下就能把大量的热量从管子的一端传至另一端。
图1 热管工作原理示意图,a,重力式热管,热虹吸管,(b)毛细力热管,吸液芯热管,热管种类繁多,可按工质回流原理,工作温度、形状或工质等来分类。
按冷凝液回流原理来分主要有重力式(热虹吸式)热管和毛细力式(吸液芯式)热管两种。
故名思义,重力式热管的冷凝液靠重力回流,因此只能垂直安装或倾斜安装,热端在下,冷端在上。
毛细力式热管热端吸液芯中的工质吸热蒸发时,蒸发压力大于冷端,由此压差将蒸汽从蒸发段驱送至冷端,而冷凝液靠毛细压力送回蒸发段,以补充蒸发消耗了的工质。
因此其安装位置不受限制,甚至可与重力式热管相反,即热端在上,冷端在下也照样运行。
图1表示了这两种热管的工作原理。
此外,还有依靠静电体积力使工质回流的电流体动力热管;依靠磁体积力使工质回流的磁流体动力热管;依靠渗透膜两侧工质的浓度差进行渗透使工质回流的渗透热管;靠离心力分力回流的旋转式热管等等。
按工作温度可分为五类:(1)超低温热管,工作温度低于-200?;(2)低温热管,工作温度-200?50?;(3)常温热管,工作温度50?250?;(4)中温热管,工作温度250?600?;(5)高温热管,工作温度高于600?。
热管换热器设计计算1 确定换热器工作参数1.1 确定烟气进出口温度t 1,t 2,烟气流量V ,空气出口温度t 2c,饱和蒸汽压力p c .对于热管式换热器,t 1范围一般在250C ~600C 之间,对于普通水-碳钢热管的工作温度应控制在300C 以下.t 2的选定要避免烟气结露形成灰堵及低温腐蚀,一般不低于180C .空气入口温度t 1c.所选取的各参数值如下:2 确定换热器结构参数2.1 确定所选用的热管类型 烟气定性温度: t f =t 1+t 22=420°C+200°C2=310°C在工程上计算时,热管的工作温度一般由烟气温度与4倍冷却介质温度的和的平均值所得出:烟气入口处: t i =t 1+t 2c ×45=420°C+152°C×45=180°C 烟气出口处:t o =t 2+t 1c ×45=200°C+20°C×45=56°C选取钢-水重力热管,其工作介质为水,工作温度为30C ~250C ,满足要求,其相容壳体材料:铜、碳钢(内壁经化学处理)。
2.2 确定热管尺寸对于管径的选择,由音速极限确定所需的管径d v =1.64√Q cr(ρv p v )12根据参考文献《热管技能技术》,音速限功率参考范围,取C Q 4kW =,在t o =56°C 启动时ρv =0.1113kg/m 3p v =0.165×105pa r =2367.4kJ/kg因此 d v =1.64√Q cr(ρv p v )12=10.3mm由携带极限确定所要求的管径d v =√1.78×Q entπ∙r(ρL −14⁄+ρv −14⁄)−2[gδ(ρL−ρv ]14⁄ 根据参考文献《热管技能技术》,携带限功率参考范围,取4Q ent =kw 管内工作温度 t i =180℃时ρL =886.9kg/m 3 ρv =5.160kg/m 3r =2013kJ/kg4431.010/N m δ-=⨯因此 d v =√1.78×4π×2013×(886.9−14⁄+5.16−14⁄)−2[g×431.0×10−4(886.9−5.160)]14⁄=13.6mm考虑到安全因素,最后选定热管的内径为m m 22d i =管壳厚度计算由式][200d P S iV σ=式中,V P 按水钢热管的许用压力228.5/kg mm 选取,由对应的许用230C 来选取管壳最大应力2MAX 14kg/mm σ=,而2MAX 1[] 3.5/4kg mm σσ==故 0.896mm 3.52000.02228.5S =⨯⨯=考虑安全因素,取 1.5S mm =,管壳外径:m m 25.51222S 2d d i f =⨯+=+=. 通常热管外径为25~38mm 时,翅片高度选10~17mm (一般为热管外径的一半),厚度选在0.3~1.2mm 为宜,应保证翅片效率在0.8以上为好.翅片间距对干净气流取2.5~4mm ;积灰严重时取6~12mm ,并配装吹灰装置.综上所述,热管参数如下:翅片节距:'415f f f S S mm δ=+=+= 每米热管长的翅片数:'10001000200/5f f n m S === 肋化系数的计算:每米长翅片热管翅片表面积22[2()]14f f o f f f A d d d n ππδ=⨯⨯-+⋅⋅⋅⋅每米长翅片热管翅片之间光管面积(1)r o f f A d n πδ=⋅⋅-⋅每米长翅片热管光管外表面积o o A d π=⋅ 肋化系数:22[2()]1(1)4f o f f f o f f f rood d d n d n A A A d ππδπδβπ⨯⨯-+⋅⋅⋅⋅+⋅⋅-⋅+==⋅22[0.5(0.050.025)0.050.001]2000.025(10.2)8.70.025⨯-+⨯⨯+⨯-==2.3 确定换热器结构将热管按正三角形错列的方式排列,管子中心距S ′=(1.2~1.5)d f 取S ′=70mm 。
本科毕业论文(设计)论文(设计)题目:热力发电厂热管空气预热器的热力计算学院:电气工程学院专业:热能与动力工程班级:热能111学号: **********学生姓名:**指导教师:**2015年03 月30 日贵州大学本科毕业论文(设计)诚信责任书本人郑重声明:本人所呈交的毕业论文(设计),是在导师的指导下独立进行研究所完成。
毕业论文(设计)中凡引用他人已经发表或未发表的成果、数据、观点等,均已明确注明出处。
特此声明。
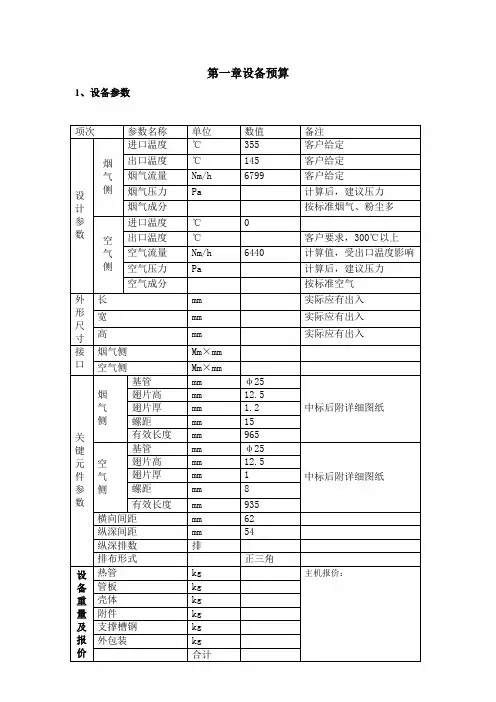
论文(设计)作者签名:日期:贵州大学毕业论文(设计)第 I 页目录摘要 ........................................................................................................................................... I II Abstract...................................................................................................................................... I V 第一章绪论 (1)1.1 背景和意义 (1)1.2 国内外热管研究进展 (2)1.3 热管的分类 (4)1.4 热管的工作原理及方式 (4)1.4.1虹吸式热管工作原理 (4)1.4.2重力热管工作原理 (5)1.4.3离心热管工作原理 (5)1.5 热管特性 (5)1.6 热管用途 (7)1.7 本文的主要内容及计算方法 (8)第二章热管空预器与传统空预器对比分析 (10)2.1 回转式空预器 (10)2.1.1 工作原理 (10)2.1.2 结构特点 (10)2.2 热管空预器 (11)2.2.1 工作原理 (12)2.2.2 结构特点 (12)2.3 管式空气预热器 (13)2.3.1 工作原理 (14)2.3.2 结构特点 (14)2.4 分析与小结 (15)贵州大学毕业论文(设计)第 II 页第三章空预器常规热力计算 (16)3.1 常规计算类型简介 (16)3.2 热管空气预热器理论基础 (16)3.3 常规计算基本参数 (19)3.4 传热计算 (20)3.4.1 常规计算步骤 (20)3.4.2 传热量、对数平均温差计算 (22)3.4.3 迎风面积、排数 (24)3.4.4 热侧、冷测及总传热系数计算 (25)3.4.5 热端传热面积 (29)3.4.6 管数计算 (29)3.4.7 热管压降计算 (29)3.5 热管强度计算 (31)3.6 本章小结 (32)第四章分析与结论 (33)参考文献: (35)致谢 (36)附录 (37)贵州大学毕业论文(设计)第 III 页热力发电厂热管空气预热器的热力计算摘要目前我国燃煤电站锅炉较常采用受热面回转式空气预热器,但是回转式空气预热器性能很容易受到漏风、腐蚀和堵灰的影响。
第一章设备预算1、设备参数第二章 工程热力学计算设计参数及要求:空气温度:t c1=0℃;t c2=220℃; 烟气温度:t h1=355;t h2=145℃ 烟气流量:q h =10000Nm 3/h ;根据设计经验,无机高效热管定型为: 热管φ25×3(GB3087)烟气侧长度0.965m ;空气侧长度0.935m ;工艺连接长度为0.1m ; 烟气侧螺距为P h =15mm ;翅片高hhl =12.5mm ;翅片厚fhδ =1.2mm ;空气侧螺距为Pc=8mm ;翅片高hcl =12.5mm ;翅片厚fcδ =1 mm ;横向间距S T =0.062m ;纵深间距:S L =0.054m ;煤气侧单位长度翅片数67fn n =片;空气侧单位长度翅片数125fn n =片; 换热计算(确定传热元件) 计算换热量计算传热量Q①烟气定性温度122502h hh ft t t +==℃ 查得定性温度下烟气的参数: 定压比热h pC =1.1095kJ/kg ⋅oC ;密度:h f ρ=0.687kg/3m ;粘度:h f μ=26.355⨯106-kg/(m ⋅s)。
()2442510/h f w m s λ-=⨯导热系数:. 普朗特数:hPr =0.66 ②烟气放热量Q h()()1267990.687 1.1095355145/3600302.3h h h hh h f p Q V C t t kwρ=⋅⋅⨯-=⨯⨯⨯-=③热管传到空气侧的热量考虑烟气侧有3%热损,故:Qc =302.3(1-3%)=293.23kW 。
④空气侧实际获得热量Q ''考虑冷侧3%热损,故:Qc '=293.23⨯(1-3%)=284.43kW 。
⑤空气流量出口温度; 空气流量:q=6440Nm 3/h ;估计空气出口温度为:2158ct =℃定性温度12792c cc ft t t +==℃ 1.009/cp C kJ =定压比热:(kg ·℃); 31/c fkg m ρ=密度:; 粘度:621.110/()c f kg m s μ-=⨯⋅。
热管换热器设计计算1 确定换热器工作参数1.1 确定烟气进出口温度t 1,t 2,烟气流量V ,空气出口温度t 2c,饱和蒸汽压力p c .对于热管式换热器,t 1范围一般在250C ~600C 之间,对于普通水-碳钢热管的工作温度应控制在300C 以下.t 2的选定要避免烟气结露形成灰堵及低温腐蚀,一般不低于180C .空气入口温度t 1c.所选取的各参数值如下:2 确定换热器结构参数2.1 确定所选用的热管类型 烟气定性温度: t f =t 1+t 22=420°C+200°C2=310°C在工程上计算时,热管的工作温度一般由烟气温度与4倍冷却介质温度的和的平均值所得出:烟气入口处: t i =t 1+t 2c ×45=420°C+152°C×45=180°C 烟气出口处:t o =t 2+t 1c ×45=200°C+20°C×45=56°C选取钢-水重力热管,其工作介质为水,工作温度为30C ~250C ,满足要求,其相容壳体材料:铜、碳钢(内壁经化学处理)。
2.2 确定热管尺寸对于管径的选择,由音速极限确定所需的管径d v =1.64√Q cr(ρv p v )12根据参考文献《热管技能技术》,音速限功率参考范围,取C Q 4kW =,在t o =56°C 启动时ρv =0.1113kg/m 3p v =0.165×105pa r =2367.4kJ/kg因此 d v =1.64√Q cr(ρv p v )12=10.3mm由携带极限确定所要求的管径d v =√1.78×Q entπ∙r(ρL −14⁄+ρv −14⁄)−2[gδ(ρL−ρv ]14⁄ 根据参考文献《热管技能技术》,携带限功率参考范围,取4Q ent =kw 管内工作温度 t i =180℃时ρL =886.9kg/m 3 ρv =5.160kg/m 3r =2013kJ/kg4431.010/N m δ-=⨯因此 d v =√ 1.78×4π×2013×(886.9−14⁄+5.16−14⁄)−2[g×431.0×10−4(886.9−5.160)]14⁄ =13.6mm考虑到安全因素,最后选定热管的内径为m m 22d i =管壳厚度计算由式][200d P S iV σ=式中,V P 按水钢热管的许用压力228.5/kg mm 选取,由对应的许用230C 来选取管壳最大应力2MAX 14kg/mm σ=,而2MAX 1[] 3.5/4kg mm σσ==故 0.896mm 3.52000.02228.5S =⨯⨯=考虑安全因素,取 1.5S mm =,管壳外径:m m 25.51222S 2d d i f =⨯+=+=.通常热管外径为25~38mm 时,翅片高度选10~17mm (一般为热管外径的一半),厚度选在0.3~1.2mm 为宜,应保证翅片效率在0.8以上为好.翅片间距对干净气流取2.5~4mm ;积灰严重时取6~12mm ,并配装吹灰装置.综上所述,热管参数如下:翅片节距:'415f f f S S mm δ=+=+= 每米热管长的翅片数:'10001000200/5f f n m S === 肋化系数的计算:每米长翅片热管翅片表面积22[2()]14f f o f f f A d d d n ππδ=⨯⨯-+⋅⋅⋅⋅每米长翅片热管翅片之间光管面积(1)r o f f A d n πδ=⋅⋅-⋅每米长翅片热管光管外表面积o o A d π=⋅ 肋化系数:22[2()]1(1)4f o f f f o f f f rood d d n d n A A A d ππδπδβπ⨯⨯-+⋅⋅⋅⋅+⋅⋅-⋅+==⋅22[0.5(0.050.025)0.050.001]2000.025(10.2)8.70.025⨯-+⨯⨯+⨯-== 2.3 确定换热器结构将热管按正三角形错列的方式排列,管子中心距S ′=(1.2~1.5)d f 取S ′=70mm 。
热管空气预热器
设计说明书
班级: XX1
姓名: XXX 学号: 0 X
目录
热管空气预热器设计任务书 (2)
热管空气预热器热力计算 (3)
热管空气预热器结构设计计算 (10)
热管空气预热器设计任务书
设计题目:热管空气预热器的设计
设计要求:烟气、空气为清洁气体,不含任何杂质,烟气成分按标准烟气进行计算
设计参数:烟气进口温度 t 1h = 280℃ ; 烟气出口温度 t 2h = 180℃ ; 空气进口温度 t 1c = 20℃ ;
烟气流量(标准状况) G h =8000 Nm 3/h ;
空气流量(标准状况) G c =6400 Nm 3/h;
烟气标况下的密度 错误!未找到引用源。
f h =1.295kg/m 3;
空气标况下的密度 错误!未找到引用源。
f c =1.293 kg/m 3
选用水为热管工质,管壳材料为20号锅炉无缝钢管,翅片材料为低碳钢,翅片与管壳连接方式为高频焊接。
这种热管的参数为:
光管外径d o =0.032m ;热管内径d i =0.026m ;
翅片高度l f =0.015m ;翅片厚度f =0.0012m ;翅片间距 s f =4mm ; 翅片节距s
f ’= s f + f=5.2mm ;
每米热管长的翅片数n f =错误!未找到引用源。
热管换热器管子排列形式为等边三角形排列,如图,横向管子中心距S T =0.081m ;S L =S T =0.081m 。
其热力设计计算和结构设计计算如下:
差
数
........忽略此处.......。
10吨蒸汽锅炉空气预热器方案(节煤率5%以上;提高锅炉岀功10%以上)一、热管式空气预热器的工作原理及优点热管式空气预热器的主要传热元件为重力式热管,重力式热管的基本结构如图1所示。
热管由管壳、外部扩展受热面、端盖等部分组成,其内部被抽成1.3×(10-1—10-4)Pa的真空后,充入了适量的工作液体。
图1 热管传热原理简图热管的传热机理是:当热流体流经热管的蒸发段时热量经由扩展受热面和管壁传递给工质,由于管内的真空度较高,工质在较低温度下开始沸腾,沸腾产生的蒸汽流向冷凝段冷凝放出热量,热量再经管壁和扩展受热面传递给冷流体,冷凝后的工质在重力的作用下流回蒸发段,如此循环不已,热量就不断的由热流体传递给了冷流体。
热管的传热机理决定着热管有以下基本特性:①极高的轴向导热性:因在热管内部主要靠工作液体的汽、液相变传热,热阻趋于零,所以热管具有很高的轴向导热能力。
与银、铜、铝等金属相比,其导热能力要高出几个数量级。
②优良的等温性:热管内腔中的工质蒸汽处于饱和状态,蒸汽在从蒸发段流向冷凝段时阻损很小,在整个热管长度上,蒸汽的压力变化不大,从而也就决定着在整个热管长度上温度变化不大,所以说热管具有优良的等温性。
由热管组成的热管式空气预热器具有以下的优点:①由热管的等温性决定着在预热器中每排热管都工作在一个较窄的温度范围内,这样就可以通过结构调整使每排热管的壁温高于露点温度,从而避免发生结露、腐蚀和堵灰的现象,从而保证了锅炉不会因为空气预热器的堵灰、引风机出力不足,影响锅炉的正常运行的情况。
而管式预热器由于烟气在管内流动时烟温逐渐降低,所以每根管子的壁温都是沿烟气的流动方向逐渐降低的,在每根管子的烟气出口部位,由于烟温和空气温度均较低,很容易发生结露、黏灰、堵灰的现象,影响引风机的抽力,从而影响锅炉的正常运行。
②一般管式空气预热器设计和烟气流速较高(11—14m/S),且换热管用壁厚较小(约1.5mm)的焊接管,所以管子很容易磨穿,产生漏风,引起鼓、引风机的电耗增加。
热管换热器计算热管换热器计算可用热平衡方程式进行计算,对于常温下使用的通风系统中的热管换热器的换热后温度,回收的冷热量也可用下列公式计算,由于公式采用的是显热计算,但实际热回收过程也发生潜热回收,因此计算值较实测值偏小,其发生的潜热回收可作为余量或保险系数考虑。
热管换热器的计算:1. 热管换热器的效率定义/t1- t3(1-1)式t1、t2——新风的进、出口温度(℃)t3——排风的入口温度(℃)2.热管换热器的设计计算一般已知热管换热器的新风和排风的入口温度t1和 t3,取新风量Lx与排风量L P 相等。
即 Lx= LP,新风和排风的出口温度按下列公式计算:t2=t1-η(t1-t3) (1-2)t4=t3+η(t1-t3) (1-3)t4——排风出口温度(℃)回收的热量Q (kW), 负值时为冷量:Q(kW)= Lx ρXCx(t2-t1)/3600 (1-4)式中 Lx——新风量( m3/h )ρx——新风的密度(kg/m3)(一般取1.2 kg/m3)C x ——新风的比热容,一般可取1.01kJ/ (kg ·℃ )。
η=t1-t 23.选用热管换热器时,应注意:1)换热器既可以垂直也可以水平安装,可以几个并联,也可以几个串联;当水平安装时,低温侧上倾5℃~7℃。
2)表面风速宜采用1.5 m/s~3.5m/s。
3)当出风温度低于露点温度或热气流的含湿量较大时,应设计冷凝水排除装置。
4)冷却端为湿工况时,加热端的效率η值应增加,即回收的热量增加。
但仍可按上述公式计算(增加的热量作为安全因素)。
需要确定冷却端(热气流)的终参数时,可按下式确定处理后的焓值,并按处理后的相对湿度为90%左右考虑。
h 2=h1-36Q/ L×ρ(1-5)式中 h1, h2——热气流处理前、后的焓值(kJ/kg);Q ——按冷气流计算出的回收热量(W); L ——热气流的风量(m3/h );ρ——热气流的密度(kg/m3)。