徐工集团QUY 产品简介
- 格式:docx
- 大小:83.90 KB
- 文档页数:19
QUY50型50吨履带式起重机安装方案1.概况介绍QUY50型履带式起重机由徐工重型机械有限公司制造,具有安装方便,作业围广,起重能力大,并可作多种组合变形等特点。
根据工程需要,现--工地安装为:主臂工况52m主臂。
现编制安装方案如下。
2.编制依据2.1 《QUY50型履带式起重机使用说明书》及有关文献资料。
2.2《电力建设安全工作规程(火力发电厂部分)》(DL5009.1-2002);2.3《起重机械安全规程》(GB6067—85);2.4《起重机械安全监察规定》质监局〔2006〕92号;2.5《起重设备安装工程施工及验收规》(GB50278-98);2.6《电力建设大型起重机械的选型、安装和拆卸管理规定》电力部电建[1996] 381号文;2.7《电力建设起重机械安装拆卸工艺》电网公司(2009)128870号;2.8《电力建设起重机械安全管理重点措施》电网公司(试行)2.9《起重机械性能手册》第二火电建设公司。
3.施工准备3.1场地准备:准备一块15m×20m大小的场地,平整并夯实,地面硬度不小于6Kg/cm2,地面坡度不大于1度,作为停机面。
沿履带方向清理一条10×60m的通道作为起重臂组合场地,并对该场地进行平整。
3.2安装时起重臂应与履带方向一致。
3.3在安装场地的附近摆放一个工具房,及时将拆下的零配件收集并妥善保管。
3.4安装现场准备一个垃圾箱作回收废物用。
4、施工工序和方法4.1施工工艺流程图4.2安装步骤:4.2.1选择坚实平整的地面作为主机安装场地,将主机转90°垂直与履带。
4.2.2拉起履带伸缩转换杆,由销孔的位置拔出4根所紧销。
4.2.3把左行走操纵杆推向前方时,履带就会扩,当导销碰触到拉杆长孔末端时,左行走操纵杆回到中位。
4.2.4把4根锁紧销插入销孔可靠锁紧,把履带伸缩转换杆转至行走位置。
4.2.5履带的伸缩操作,只能在基本臂状态,且仰角在30°以进行。
QUY300履带起重机产品简介徐州重型机械厂QUY300全液压履带起重机是徐工集团徐州重型机械厂为满足市场需求、参与国际竞争而研制开发的大型起重机械。
该机综合吸收国内外先进技术,注重可靠性与美观度,选用国际著名厂家的动力、传动元件、液压元件,是起重安装作业的理想机械。
QUY300全液压履带起重机具有接地比压小、转弯半径小、吊重作业不需打支腿、可带载行驶、吊臂长度长、作业半径大、起重性能好、微动性好等优点,可360°全方位作业,可适应恶劣地面,具有其他起重设备无法替代的地位。
该机采用电比例操作、泵控变量系统,微动性好,控制精度高。
该机还具有一定的自拆装功能,运输单件重量小,转场方便。
QUY300全液压履带起重机具有多种吊臂类型配置,包括重型主臂、基本型主臂、轻型主臂和塔式副臂,可满足用户的不同要求,特别是塔式副臂的配置,可使起重机作业时更加接近建筑物施工。
1.电比例操作系统,PLC集成控制,充分体现以人为本的设计思想。
电比例控制技术,所有起重机的重要电子元(器)件,如长度传感器、角度传感器、接近开关及手柄等的电子信号传输给计算机加以集中处理,实现起重机的自动控制,大大提高起重机作业安全性、可靠性和作业效率。
2.液压系统泵控变量系统,与电比例操作系统紧密结合,大大提高起重机的控制性能。
微动性能好,动作平稳可靠。
3.四支桁架式臂架,重量轻,承载能力高。
通过不同臂节的组合,主臂长度可达96米,60米主臂时可安装60米塔式副臂。
塔式副臂的配置,可使起重机作业时更加接近建筑物。
4.分体式转台结构,减小了分解部件的重量和尺寸,运输拆装更加方便。
5.履带架和车架采用销轴连接,组装更加方便。
6.接地比压小,转弯半径小,可适应恶劣地面。
7.黑匣子功能,有效地监测有关作业状态参数,以便故障分析和处理。
8.除配重需小型吊车辅助拆装外,其余大型部件均可自拆装,吊臂与转台连接销轴及履带架和车架连接销轴采用液压拆装。
附2 QUY50履带式起重机技术参数
(一)、QUY50履带起重机基本参数表
1.下表中所示的额定起重量(单位为吨),是在坚硬、平坦的地面上吊载工作的值,该值在倾翻载荷78%以内。
2.实际可以吊升载荷,是由上表起重量扣除(主钩+副钩)等一切吊具重量后的值。
3.平衡重为16吨,4吨钩重0.087吨。
4.工作时必须扩张履带。
5.工作幅度是吊重以后的实际工作幅度。
第 1 页共5 页
二)、QUY50履带起重机主臂起重性能表
第 2 页共5 页
三、QUY50起重机副臂起重作业性能表
第 3 页共5 页
三、QUY50起重机副臂起重作业性能表(续)
第 4 页共5 页
三、QUY50起重机副臂起重作业性能表(续)
第 5 页共5 页。
徐工QUY450型450吨履带起重机性能表QUY450履带起重机基本参数QUY450履带起重机臂杆组合QUY450履带起重机超起工况QUY450履带起重机超起工况QUY450履带起重机HB工况性能表(Table 1)HB Standard Mode Total rated lifting load for boom(160t Turntable Counterweight + 40t Truck-body Counterweight)Boom lengthWorking radius 24 30 36 42 48 54 60 66 72 78 846 4507 360 3608 320 320 3209 280 280 280 275 27210 240 240 240 240 240 23511 220 215 215 215 212 205 200 19012 190 190 190 190 190 185 180 170 16514 160 160 155 152 150 150 150 140 135 12510016 132 132 132 126 125 125 122 115 115 1159218 110 110 110 110 107 103 102 100 100 98 8520 97 96 95 92 92 92 90 86 85 82 8022 85 82 82 80 80 80 78 75 74 73 7024 72 72 70 70 70 70 68 64 63 6026 65 65 62 62 62 62 60 57 56 5228 60 57 56 55 55 55 51 50 4530 55 52 50 50 50 50 47 45 4034 43 42 42 42 40 40 37 3438 36 35 35 35 35 33 32 2642 30 30 28 28 27 25 2246 25 24 23 23 20 1750 20 19 18 16 1454 16 14 13 1158 12 12 10 962 9 8 765 6Parts of line 2×18 2×14 2×132×112×112×102×8 2×8 2×7 2×52×4 Hook block 450t 450t 450t 300t300t300t300t300t 300t 150t100t Hook weight 9.66 9.66 9.66 9.48 9.489.489.489.48 9.48 4.63 3.85 If boom length is 60m or 66m or 72m, Hook block maybe choose 220t hook(450t hook splited and 220t hook weight is 7.19t)QUY450履带起重机HJ工况性能表(1)(Table 2)HJ Standard Mode Total rated lifting load for Heavy boom + Fixed Jib(160t Turntable Counterweight + 40t Truck-body Counterweight)Boom length(m) 36 48Jib length(m) 12 24 36 12 24 36 Erection angle(°) 10 30 10 30 10 30 10 30 10 30 10 30 Workingradius (m)14 8516 75 8018 63 33 39 7320 58 31 35 67 33 3922 53 30 32 24 62 32 3624 49 29 30 23 57 31 33 2426 45 27 27 17.521 53 30 31 18 2328 42 26 25 17 19 49 28 29 17.2 2130 40 25 24 16 18 11.5/3244 27 27 16.9 2034 35 24 21 15 16 11 37 26 24 16 18 1138 32 23 19 14 14 10 31 24 22 14.5 16 10.342 29 17 13 12 9 27 23 20 14 14 1046 16 12 11 8.3 23 22 18 13 13 950 14 11 10.18 20 17 12.3 12 8.354 13 9.27.2 17 15 12 11 858 9 7 14.3 11 10 7.362 8 6.8 14 9 766 7 13 8.5 6.770 8 674 7.5 Parts of line(°) 7 3 3 2 2 1 6 3 3 2 2 1 Hook block 100t50t 50t 50t50t12t 100t50t50t 50t 50t 12t Hook weight(t) 3.85 1.71 1.71 1.71 1.710.93 3.85 1.71 1.71 1.71 1.710.93QUY450履带起重机HJ工况性能表(2)(Table 2-1)HJ Standard Mode Total rated lifting load for Heavy boom + Fixed Jib(160t Turntable Counterweight + 40t Truck-body Counterweight)Boom length(m) 60 72Jib length(m) 12 24 36 12 24 36 Erection angle(°) 10 30 10 30 10 30 10 30 10 30 10 30 Workingradius (m)16 8018 80 8020 75 35 42 7722 68 33 39 67 34 4224 60 32 36 24 58 33 3926 53 31 34 23.551 32 37 2428 47 30 32 18 23 46 31 35 23.530 43 29 30 17 21.841 30 33 18 2334 35 27 27 16 19.311.5/3633 29 29 17 2138 29 26 24 15 17 11 28 27 27 16 19 1142 25 25 22 14 16 10 23 24 24 15 17 1046 21 22 20 13.714 9 19 20 21 14 16 9.750 18 18 19 13 13 8.7 16 16 18 13.5 14 954 15 15 17 12 12 8 13 14 15 13 13 8.758 13 14 11.911 7.8 10 11 12 12.5 12 862 11 12 11.510.27.2 8 9 10 12 11 7.866 10 11 10 7 7 8 10 9 7.470 9 9 6.8 7 8 8 7.174 7 8 6.5 5 6 6 778 7 6 4 5 6.682 6 4 586 5 4 Parts of line(°) 6 3 3 2 2 1 6 3 3 2 2 1 Hook block 100t50t 50t 50t50t12t 100t50t50t 50t 50t 12t Hook weight(t) 3.85 1.71 1.71 1.71 1.710.93 3.85 1.71 1.71 1.71 1.710.93QUY450履带起重机重型主臂+塔式副臂工况性能表(Table 3)Standard Mode Total rated lifting load for Heavy boom + Tower Attachment (160t Turntable Counterweight + 40t Truck-body Counterweight)Boom length 72m, Max.boom angle 85°Tower Attachment length(m) 24 30 36 42 48 54 60 66 72 Working radius (m)16 116.9114.918 104.5102.8100.620 94.392.390.188.022 85.283.181.179.277.224 77.575.673.771.970.168.366.626 71.169.267.465.764.062.460.7 50.628 65.763.862.160.558.957.355.7 49.5 35.730 61.159.257.555.954.452.951.4 48.6 34.832 55.253.552.050.549.047.6 46.2 34.234 51.750.048.547.145.644.1 42.7 33.636 48.646.945.444.042.340.9 39.4 32.938 44.242.741.139.438.0 36.6 32.240 41.740.038.436.835.4 33.9 31.542 39.137.636.034.432.9 31.5 29.944 35.433.832.230.7 29.3 27.746 33.331.730.228.7 27.3 25.748 31.529.828.326.9 25.5 23.950 28.126.625.1 23.8 22.252 26.525.023.6 22.2 20.754 25.123.522.1 20.7 19.256 22.120.7 19.3 17.858 20.819.4 18.0 16.660 19.718.2 16.8 15.462 17.1 15.7 14.564 16.0 14.8 13.866 15.1 14.1 13.168 13.5 12.570 12.9 11.972 12.3 11.374 10.876 10.3QUY450履带起重机SHB SSL工况性能表(Table 4)SHB SSL Mode Total rated lifting load for Heavy Boom(160t Turntable Counterweight + 40t Truck-body Counterweight + 250t SuperliftCounterweight,Superlift Counterweight radius of 16m and Superlift mast of 30m)Boom lengthWorking radius 36 42 48 54 60 66 72 78 849 450*10 450* 450*11 450* 450* 410*12 450* 450* 410* 362* 315*14 395 395 395 362* 315* 269* 220*16 340 340 340 340 300* 269* 220* 180* 145*18 304 303 301 300 290 269* 220* 180* 145*20 268 267 265 265 263 256 220* 180* 147*22 239 240 240 236 235 232 220 180* 147*24 218 220 220 218 212 212 211 180* 150*26 195 200 200 200 195 195 193 175 150*28 175 184 185 185 180 180 178 170 150*30 155 169 170 170 168 168 165 165 140*34 140 145 146 145 143 143 142 13538 112 126 127 125 125 125 123 12242 105 110 112 110 110 108 10746 97 98 98 98 96 9550 88 88 87 86 8554 79 79 78 7658 71 70 6862 62 62 6266 55 5770 5272 50Parts of line 2×18 2×18 2×16 2×14 2×12 2×11 2×9 2×7 2×6 Hook block 450t 450t 450t 450t 450t 300t 300t 300t 150t Hook weight(t) 9.66 9.66 9.66 9.66 9.66 6.48 6.48 6.48 4.63 Note:1.The Superlift Counterweight can't leave ground to swing with marking *2.If lifting weight is 150-220t,The Hook can choose 300t or 220t hook(450t hook splited and 220t hook weight is 7.19t).3.150t hook(300t hook splited).QUY450履带起重机SSL工况性能表(Table 5)SSL Mode Total rated lifting load for Heavy Boom + Tower Attachment(160t Turntable Counterweight + 40t Truck-body Counterweight + 250t Superlift Counterweight,Superlift Counterweight radius of 16m and Superlift mast of 30m)Boom length 84m, Max.boom angle 85°Tower Attachment ength(m) 24 30 36 42 48 54 60 66 72 78 84 Working radius (m)16 96.318 86.3 84.520 78.0 76.274.422 71.0 69.267.565.863.824 65.1 63.361.559.958.056.126 60.0 58.156.454.853.051.149.128 55.6 53.651.950.348.546.744.943.3 37.930 51.7 49.748.046.444.742.941.139.6 37.9 26.032 48.4 46.244.542.941.239.537.836.3 37.0 25.317.034 43.141.439.838.136.534.733.3 34.4 24.716.436 40.438.637.035.433.732.130.6 31.5 24.116.038 37.936.134.532.931.329.628.2 28.9 23.415.540 33.832.230.629.027.426.0 26.5 22.615.042 31.730.128.527.025.423.9 24.3 20.714.744 29.928.226.625.123.522.1 22.3 18.914.346 26.424.923.421.820.4 20.5 17.214.048 24.823.321.820.318.8 18.9 15.713.750 21.820.318.817.4 17.3 14.613.452 20.418.917.416.0 15.9 13.712.854 19.217.716.214.9 14.7 12.912.056 16.515.014.1 13.9 12.111.258 15.414.313.3 13.1 11.410.560 14.613.612.7 12.4 10.79.862 12.912.0 11.7 10.19.164 12.311.4 11.0 9.58.566 11.810.8 10.4 8.98.068 10.2 9.8 8.47.5 70 9.7 9.3 7.8 6.9 72 9.2 8.8 7.4 6.5 74 8.3 6.9 6.0 76 7.8 6.5 5.6 78 7.4 6.1 5.2 80 7.0 5.7 4.8 82 5.3 4.4 84 4.9 4.0 86 3.7QUY450履带起重机SLB工况性能表(一)(Table 5-1)SLB Superlift Mode Total rated lifting load for Light Boom (160t Turntable Counterweight + 40t Truck-body Counterweight + 230t SuperliftCounterweight,Superlift Counterweight radius of 16m and Superlift mast of 30m)Boom length(m) 78 84 90 96 102 108 114 120 126 Working radius (m)16 175*18 175* 123*20 173* 123* 78.3*22 172* 125* 77.4*46.2 37.824 171* 125* 76.5*46.2 37.826 166* 124* 75.6*45.5 37.828 151* 124* 75.6*45.5 37.830 158 124* 74.7*45.5 37.834 138 117* 72* 44.8 37.838 120 115 68.4*44.1 37.842 107 105 67.5*43.4 36.446 95 93 64.8*42 35.750 85 84 62.1*42 3554 77 76 55.8*41.3 34.358 70 69 57.6 38.5 33.662 64 63 54.9 36.4 32.266 59 57 51.3 33.6 31.570 54 53 47.7 30.8 30.874 50 49 43.2 28.7 29.478 45 40.5 26.6 2882 41 37.8 24.5 25.986 35.1 23.1 24.590 32.4 21.7 23.194 29.7 19.6 21.798 17.5 20.3102 18.9 106 16.8110 15.4 Parts of line 2×8 2×7 2×5 2×5 2×4 2×3 2×3 1×4 1×3 Hook block 300t 300t 150t 150t 150t 100t 100t 100t 50t Hook weight(t) 6.48 6.48 4.63 4.63 4.63 3.85 3.85 3.85 1.71 Note:1.The Superlift Counterweight can't leave ground to swing with marking *2.If lifting weight is 150-220t,The Hook can choose 300t or 220t hook(450t hook splited and 220t hook weight is 7.19t).3.150t hook(300t hook splited)QUY450履带起重机SLB工况性能表(二)(Table 5-2)SLB Superlift Mode Total rated lifting load for Light Boom(160t Turntable Counterweight + 40t Truck-body Counterweight + 230t SuperliftCounterweight,Superlift Counterweight radius of 16m and Superlift mast of 30m)Boom length(m) 78 84 90 96 102 108 114 120 126 Working radius (m)16 170 16918 146 145 141 12320 128 127 126 123 105 78.322 113 112 111 111 105 77.424 101 100 99 98 98 76.5 53.226 91 90 89 88 88 75.6 53.2 45.528 82 81 81 80 79 72.9 52.5 45.530 75 74 73 73 72 65.7 51.1 45.5 37.834 63 62 62 61 60 54.9 42.7 42.7 37.138 53 53 52 52 51 45.9 35.7 35.7 35.742 46 45 45 44 43 39.6 30.8 30.8 30.146 40 39 39 38 37 34.2 26.6 25.9 25.950 35 34 33 32 31 29.7 23.1 22.4 22.454 31 30 29 28 27 25.2 19.6 19.6 19.658 27 26 25 24 23 22.5 16.8 16.8 16.862 23 22 21 21 20 18.9 14.7 14.7 1466 20 19 18 18 17 16 12.6 12.6 12.670 17 16 16 15 14 13 11.2 10.5 10.574 14 13 12 12 11 9.8 9.1 878 11 10 9.5 9 8 7.2 6.382 8.5 8 7 4.5Parts of line 2×7 2×7 2×6 2×5 2×4 1×6 1×4 1×4 1×3 Hook block 300t 300t 150t 150t 150t 100t 100t 100t 50t Hook weight(t) 6.48 6.48 4.63 4.63 4.63 3.85 3.85 3.85 1.71 Note: 1.If lifting weight is 150-220t,The Hook can choose 300t or 220t hook(450t hook splited and 220t hook weight is 7.19t).2.150t hook(300t hook splited)QUY450履带起重机SLB工况性能表(三)(Table 5-3)SLB Superlift Mode Total rated lifting load for Light Boom(160t Turntable Counterweight + 40t Truck-body Counterweight + 230t SuperliftCounterweight,Superlift Counterweight radius of 14m and Superlift mast of 30m)Boom length(m) 78 84 90 96 102 108 114 120 126 Working radius (m)16 174 16818 147 147 137 12020 127 126 126 120 102 76.5 51.822 111 110 110 110 102 75.6 51.8 44.8 36.424 98 97 97 97 97 74.7 51.8 44.8 36.426 87 87 87 86 86 73.8 51.1 44.1 36.428 78 78 78 78 77 69.3 51.1 44.1 36.430 71 71 71 70 70 62.1 48.3 44.1 36.434 59 59 59 58 58 52.2 39.9 39.9 36.438 50 50 50 49 49 43.2 33.6 33.6 33.642 43 43 42 42 42 36.9 28.7 28.7 28.746 37 37 37 36 36 31.5 24.5 24.5 24.550 33 32 32 31 31 27.9 21 21 2154 29 28 28 27 27 23.4 18.2 18.2 17.558 25 25 24 24 23 20.7 15.4 15.4 15.462 22 22 21 21 20 18 13.3 13.3 13.366 20 19 19 18 17 15.3 11.9 11.2 11.270 18 17 16 16 15 13.5 9.8 9.8 9.174 15 14 14 13 10.8 8.4 8.4 7.778 12 12 11 9.9 7 7 6.382 10 10 8.1 6.3 5.686 8 7.2 4.290 3.5Parts of line 2×7 2×7 2×5 2×5 2×4 1×6 1×4 1×4 1×3 Hook block 300t 300t 150t 150t 150t 100t 100t 100t 50t Hook weight(t) 6.48 6.48 4.63 4.63 4.63 3.85 3.85 3.85 1.71 Note: 1.If lifting weight is 150-220t,The Hook can choose 300t or 220t hook(450t hook splited and 220t hook weight is 7.19t).2.150t hook(300t hook splited)。
QUY180履带起重机技术介绍册
首先,QUY180履带起重机采用了先进的液压比例控制技术,可以实
现全液压控制,并且具备多种工作条件下的自动调整功能。
这使得机器的
起重操作更加灵活和精确,并且能够适应多种复杂的工作环境。
其次,QUY180履带起重机的起重能力非常强大,最大起重能力可达180吨。
这可以满足大多数项目的起重需求,包括道路和桥梁建设、钢结
构安装、港口码头装卸等。
配备的大吨位起重钩块可以轻松完成任务,并
且提供了多种钢丝绳组合方式,以适应不同起重需求。
此外,该机型的结构设计非常稳定,采用了优质钢材和坚固的连接件,以确保机器在起重过程中的稳定性和安全性。
它具备良好的抗倾覆性能,
在恶劣的施工环境下也能安全可靠地工作。
此外,该机型还具备一些便于操作和维护的特点。
采用了人性化设计
的驾驶室,提供了良好的操作环境和可视性,帮助操作人员更好地掌握起
重操作。
机器的关键部件也采用了模块化设计,使得维护更加方便和快捷。
总之,QUY180履带起重机是一种具有强大起重能力和稳定性的机型。
它的先进液压控制技术、高达180吨的起重能力、结构稳定性以及各种安
全保护装置,使其成为许多大型工程项目的理想选择。
同时,它的人性化
设计和易于操作维护的特点,也为操作人员提供了更好的工作体验。
130吨汽车吊徐工QY130K型130吨汽车吊基本参数徐工QY130K型是一种130吨级大型卧式汽车吊,具有强大的起重能力和稳定性,适用于各类建筑工地、港口、桥梁等工程施工现场。
以下是该型号130吨汽车吊的基本参数。
1.总重量:约130吨这款汽车吊的总重量约为130吨,以满足其强大的起重能力需求。
其车架和起重臂均由高强度钢材制作而成,确保了稳定性和耐用性。
2.起重能力:130吨级徐工QY130K型汽车吊的起重能力达到了130吨级别,可以应对各种重型起重作业。
无论是搬运大型构件、重型设备还是进行吊装作业,该汽车吊都能够胜任。
3.起重臂长度:13至58米该款汽车吊的起重臂长度可根据实际需求进行调整,范围为13至58米之间。
可以根据工程需求进行伸缩,以满足不同高度和距离的起重任务。
4.最大工作半径:50米徐工QY130K型汽车吊的最大工作半径达到了50米,能够覆盖较大的作业范围。
无论是桥梁、建筑施工作业还是各种设备的装卸,该汽车吊都能够满足作业半径要求。
5.发动机功率:250千瓦这款汽车吊搭载了一台功率为250千瓦的柴油发动机,可以为其提供强大的动力支持。
发动机具有较低的燃油消耗和较低的噪音水平,同时满足了节能环保的要求。
6.最高行驶速度:70千米/小时徐工QY130K型汽车吊的最高行驶速度达到70千米/小时,能够快速到达施工现场,并满足工期要求。
整车采用了液力转向系统和液力传动系统,驾驶平稳舒适。
7.独立制动系统为了保证行车安全,该汽车吊配备了独立的制动系统,可以根据需要独立控制前后轮制动,确保行车的稳定性和安全性。
总的来说,徐工QY130K型130吨汽车吊具有强大的起重能力、稳定性和灵活性,并且配备了高功率发动机和独立制动系统,以确保在各种吊装作业中的安全和高效性能。
它是一种高性能的大型卧式汽车吊,适用于各类重型建筑工程、桥梁、港口等施工场景。
QUY1000履带起重机产品简介徐工集团工程机械股份有限公司二O一O年五月QUY1000履带起重机是我公司为满足煤化工、核电、石化等大型工程的吊装需求、积极参与国际竞争而研制开发的超大吨位高端起重机产品。
该机综合吸收国内外先进技术,运用先进的设计手段,结构设计优化,起重性能卓越。
该机采用履带式底盘、多组合桁架式吊臂,具有接地比压小、可带载行驶、起升高度大、起重性能高等优点,塔式副臂可紧靠建筑物施工,可变超起配重半径的超起装置可提供超强的起重性能和机动灵活性。
程序控制系统,保证起重机安全工作。
闭式泵控变量液压系统,电比例操作,节能高效,控制精确。
国际著名企业的电控、动力、传动元件,环保可靠。
1. 超起装置可提供超强的起重性能,超起配重半径可变提高了场地适应性。
2. 电比例操作系统,程序集成控制,充分体现以人为本的设计思想,实现了起重机的自动控制,大大提高起重机作业安全性、可靠性和作业效率。
防水防尘措施的采用,保证了对恶劣工作环境的适应能力。
3. 液压系统为闭式泵控变量系统,与电比例操作系统紧密结合,大大提高起重机的控制性能,节能高效。
微动性能好,动作平稳可靠。
在液压系统特征点设置测压接头,方便系统运行状态监控和故障诊断。
4. 齐全的安全装置,彩色大屏幕实时监控发动机、作业状态及风速,确保起重机安全工作。
5. 桁架式吊臂,德国进口管材,重量轻,承载能力高。
吊臂组合多,适用范围广。
臂端单滑轮机构,可实现轻载的快速吊装,提高工作效率。
6. 美国康明斯发动机,德国高质量的液压、电气、传动元件和不旋转钢丝绳,确保了作业可靠性和环保性能。
7. 宽敞的操纵室,可调式座椅,配置冷暖空调和音响,环境舒适。
工作时,操纵室可调整俯仰角度,扩大视野;运输时,操纵室可从侧方转到前方,减小运输宽度。
8. 穿绳技术、动力销技术、集中润滑系统、作业状态监视系统,减轻了劳动强度,体现了人性化。
9. 重型主臂、塔式副臂可套装运输,以减少运输车辆。
QUY100履带起重机技术介绍1.1起重臂主臂架:主臂长度18〜72米主臂结构型式为中间等截面,两端变截面的四弦杆空间桁架结构,主弦杆采用日本进口高强度管材,主臂长度18〜72米,中间节有3米节,6米节、9 米节。
副臂架:副臂长度12〜24 m副臂结构型式为中间等截面,两端变截面的四弦杆空间桁架结构,在主臂39〜60米范围内可装副臂,副臂长度12〜24 m,每6米为一个增减长度,安装角度10。
、30°o1.2转台采用箱形平台式结构,刚度好,变形小。
1.3车架(H形架)该件采用箱形结构,中间设置横隔板,加强其抗扭刚度,结构简单,承载能力强,稳定性好,适用性强。
1.4人字架采用工字形型钢双肢结构,后部釆用可折叠式拉板,便于转移场地。
1. 5起升机构主、副起升单独驱动,双泵合流供油;片式常闭制动器,内藏式减速机。
1. 6变幅机构独立驱动,单泵供油;片式常闭制动器,卷筒设有棘轮,内藏式减速机。
1. 7回转机构与回转支承内啮合,可控常闭、片式制动器,工作可靠,维修方便。
1.8回转支承采用三排滚柱式回转支承,质量稳定可靠。
1. 9行走机构:单泵供油;片式常闭制动器,内藏式减速机。
1. 10液压系统:采用先导、开式、恒功率变量泵控系统。
1. 11电气系统选用德国赫斯曼公司的力矩限制器,确保起重机安全可靠地运行。
1.12安全装置力矩限制器、转台回转锁销装置、起重臂防后翻装置、起升高度限位装置、风速仪、水平仪、过放保护、变幅仰角限位、液压系统的溢流阀、双向液压锁等。
1. 13发动机该机选用沃尔沃公司生产的TAD722VE发动机,额定功率:184kW/2100rpmo3 •产品主要技术参数 I _____________ _____ )3.1 QUY100履带起重机外形图QUY1OO履带起巫机外形图78003.2 QUY100履带起重机主要技术参数4•典型工况起重性能表4丄1标准工况主臂作业范围图(见图4・1) 7/US 土 壬 王 M壬 王 2 壬 ii i i i壬王 £159 G 7 - O 74 1匚」・ z 74 72 70 62 60 56 54 52 5C 4: 4644 42 40¥22• r ZIz4 22 20 1: 161411k 严 丄1 t////CrJJ 、 / / i/ ((J r<- 1// ■ j ] <(•*•/ /■ // j / 人j//V-J 、 r { 、 17 、 / 'x、、 / // X —■- •J ・ 丄 丫 、、 /J/、、;<./£/■ j / ・、 r. 7•、、 > fIIIg / • 、 *、 7* / 、•••-. 4J /•] '、 f 、 •、/ J、 、 /•> h/ 1 卜 t "J j )"、 、i / 、/ \> /、/ --- 7 r / 仁 f J J j < f/、・ /、,, •/ < 、7 Af J ・ / "、4、 J <* 4X /' 、 / /・■ S./ f y f f r、 •• •、 /\ < <y屮 / 1 •・f f 、7 、 2 1 y r.i・ \■ 9 ■ t • “ z J常 f ・/ 4“.. ) ・q. / 、 t/< \ 、/ '、■> / ■ ■ •j y %・S •/ •、•'9 . • 、t / / LJ £ 9 / 7・.>' •tyx /<• y.Q *• 1 1 • %/f--. 严 "5 ) ■•/ •牛 •. <,★\ :/ - ✓ “ A—T 9 / •• • 八 •• ••r) ・f l\ / %- /* ■f;f 冶 f /厂' ••-r'Z ♦ / ・・.z( % / 、 •/ / '/7 r • a/ ・、・. / / •*. /' • / • . / •I卜 /.n• / • (/ 4 c 、/ '• //// ✓ *•,I •/•/I I 9 % / /% / /・//'/ J ・f /• .J // fy //♦/ i / ・X ・ //J / ,✓*/ ♦ /1 ♦/! ix / 9/ r/J /// Z*/ / /f / J /' f / y///|/I r11 / /✓//»*//i ;/.1!9 / /'r>/< z Z•li • / C )//;/・Z/丿 /丿% //儿 >• / / f /7[/ /' •丿y*•協Arxc •p /I n n -j J *7r>八八厂2 L24 2E 二二耳U 〜 庠业羊径4D 图4-1 QUY1OO 标准工况主臂作业范圉图4.L2 QUY100标准工况主臂起重性能表(见表4・1)4.2.1标准工况标准工况主臂作业范围图(见图4・2)灯乜宦也il乜心乜乜乜乜柘址蛀乜 口 “4 1 - - r --・ Z • w - r -・ 7 4 1 A - - l;;L r 4r =l r 4 4 4 4」7“ 「•T “ r-亠・乙・£ -z - 1图4・2 QUY100标准工况副臂作业范围图4.2.2 QUY100标准工况主臂起重性能表(见表42 4-3)表4-3 QUY100副臂起重性能表(安装角30° /不带主钩)。
QUY260履带起重机技术介绍1.1下车部分1.1.1车架(井字架)车架采用高强钢板、箱形结构,中间设置横隔板,加强其抗扭刚度,结构简单,承载能力强,刚性好。
1.1.2履带架包括履带梁和四轮一带。
履带梁采用箱形结构,和车架连接部位局部加强,中间设置横隔板。
11.3行走机构两个履带链对称设置,装有宽度为1.2m履带板,可同步操作,也可单独操纵,以实现直行和转弯。
履带行走驱动采用德国进口的内藏式行星齿轮减速机,液压释放行走制动器,每个减速机由德国进口的轴向柱塞变量马达驱动。
1.2上车部分1.2.1 起重臂起重臂包括主臂、固定副臂和塔式副臂,是履带起重机的重要构件之一。
结构型式为中间等截面,两端变截面的四弦杆空间桁架结构,弦杆采用进口高强度管材,腹杆采用国产优质管材,提高了臂架抗弯曲的能力。
1.2.2 转台转台是履带起重机三大结构件之一,是联系上下车关键承载结构件,其受力复杂,结构也复杂,上面还布置很多机构,如发动机,变幅机构,起升机构,人字架,桅杆及臂架等。
1.2.3 桅杆桅杆其主要作用是减小起臂时的变幅绳拉力和臂架的轴向力,结构为箱形双肢结构,主要受轴向力,该结构整体稳定性好。
在自拆装时,可组成桅杆吊,用于拆装整机的大型结构件。
1.2.4 人字架人字架是重要结构件之一,前足采用箱形双肢结构,后足采用可折叠式拉板,前足装有油缸,用于起落人字架和自拆装转台配重。
1.2.5 起升机构主、副起升型号相同,单独驱动,双泵合流供油;片式常闭制动器,内藏式减速机(力士乐公司)。
主、副起升机构与转台采用销轴连接,便于组装。
驱动马达、平衡阀、钢丝绳均为德国进口。
1.2.6 变幅机构主臂变幅为一个双联卷筒独立驱动,使用塔臂工况时,利用副起升机构作为塔臂变幅机构使用。
主臂变幅机构采用内藏式减速机(力士乐公司),片式常闭制动器。
卷筒设有棘轮装置,以实现机械锁止制动,安全可靠。
主臂变幅机构与转台采用销轴连接,便于组装。
驱动马达、平衡阀、钢丝绳均为德国进口。
徐工QUY500W型液压履带式起重机一、制造厂徐工集团二、主要技术参数徐工QUY500W型液压履带式起重机主要技术参数项目 单位 数值最大额定起重量 标准工况重型主臂 t 500专用副臂 t 95 加强工况 专用副臂t105t最大起重力矩 t.m 2700尺寸参数 主臂长度 m 24~84主臂变幅角度 ° -3~85° 主臂+专用副臂长度 m (78~84)+12速度参数 起升机构最大单绳速度(空载、第六层) m/min 130 主臂变幅机构最大单绳速度(第一层) m/min 2×50 超起变幅机构最大单绳速度(第一层) m/min 112 最大回转速度 r/min 1.0 最高行驶速度 km/h 0.95爬坡度 30%平均接地比压 MPa 0.132发动机功率 kW 383整机重量(24m重型主臂、500t吊钩) t 415运输状态单件最大质量 t 60运输状态单件(转台)最大尺寸(长×宽×高) m 11.6×3.4×3.4三、外形尺寸徐工QUY500W型液压履带式起重机外形尺寸图四、起重性能表2-2 标准工况重型主臂起重性能表(180t转台平衡重+40t车身平衡重)注:1.臂长为60 m、66 m、72 m时,300t吊钩也可用220 t吊钩(由450t吊钩拆成)代替,220 t吊钩重量为7.19t。
2.150 t吊钩由300t吊钩拆成。
表2-4 标准工况专用副臂起重性能表(180t转台平衡重+40t车身平衡重)主臂长(m) 78 84副臂长(m) 12 12安装角(°) 10 10幅度(m)18 95 9520 90 9022 82 8224 73 7126 62 6028 55 5330 50 4732 44 43.534 40 38.536 37 35.538 34 32.540 31 29.542 28 27.544 26 25.546 24 2348 22 2150 19.5 18倍率2×4 2×4吊钩 100t 100t钩重(t) 3.85 3.85 注:在安装此工况时,主臂头部的滑轮组必须拆掉。
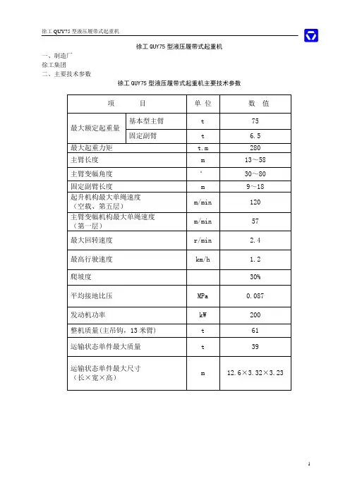
徐工QUY75型液压履带式起重机一、制造厂徐工集团二、主要技术参数徐工QUY75型液压履带式起重机主要技术参数项 目 单 位 数 值基本型主臂 t 75 最大额定起重量固定副臂 t 6.5 最大起重力矩 t.m 280主臂长度 m 13~58主臂变幅角度 ° 30~80固定副臂长度 m 9~18起升机构最大单绳速度m/min 120 (空载、第五层)主臂变幅机构最大单绳速度m/min 57 (第一层)最大回转速度 r/min 2.4最高行驶速度 km/h 1.2爬坡度 30%平均接地比压 MPa 0.087发动机功率 kW 200整机质量(主吊钩,13米臂) t 61运输状态单件最大质量 t 39运输状态单件最大尺寸m 12.6×3.32×3.23 (长×宽×高)三、外形尺寸徐工QUY250型液压履带式起重机外形尺寸图四、起重性能表2-2 主臂起重性能表单位:t5052倍率121298765554吊钩70 70 70 70 70 70 30 30 30 30表2-2续主臂起重性能表单位:t表2-4臂端单滑轮起重性能表单位:t5052倍率1111111111吊钩8 8 8 8 8 8 8 8 8 8 表2-4续臂端单滑轮起重性能表单位:t倍率11111吊钩8 8 8 8 8对表2-2、2-3、2-4中起重量的说明:1)表中额定起重量所表示的数值,指在给定的臂架长度、幅度条件下,在坚实、平坦(作业过程中不得下陷)、坡度不得大于1%的地面上本机所能保证的最大起重量,严禁超过该起重量作业,另外作业者须视各种不良条件(例如地面松软或不平、各种水平条件、风力、侧面负荷、摆动作用、多台起重机合力起吊)限制或降低起重机的起重量;2)表中所列额定起重量包括吊钩和吊具的重量;3)表中的工作幅度是指吊重后吊钩铅垂线到回转中心的水平距离,包括吊臂的变形量在内的实际值;4)表中没有列出额定值的空白区,表示不准将起重机用于该区所对应的条件;5)使用主臂时可以配置臂端单滑轮机构;6)臂端单滑轮机构的最大起重量(包括吊钩、吊具和起升钢丝绳)不准超过6.5t,性能表中的额定起重量小于6.5t时按性能表起吊;7)臂端单滑轮的最大幅度,不允许超过所对应的起重机主臂的最大幅度。
QUY80A(无快放、上柴国Ⅱ)履带起重机亮点介绍1.起重性能优越,最大起重力矩344吨.米,主臂最大起重量80吨,固定副臂最大起重量6.5吨,高出现有同行同类所有产品,超越幅度达40%。
2.整机造型新颖美观、总体布局紧凑合理,充分体现了人性化设计思想。
3.运输:本体重量28t,最大运输尺寸:6.5×3.3×3.5,都能满足国内运输法规的要求。
QUY80A(无快放、上柴国Ⅱ)履带起重机技术规格履带起重机型号QUY80A最大额定起重量:80t一、产品的部件和系统描述一)、上车部分1.臂架组合方式主臂长度13~58米,最大起重量80吨(倍率为12)。
由一个6.5米底节、一个6.5米顶节、1个3米节、1个6 米节、4个9米节组成,通过对中间节的适当配组,臂架的长度,可从13米组装成,最大长度58米,每3米为一个增加长。
固定副臂9~18 米,由一个4.5米底节、一个4.5米顶节、2个4.5米中间节组成,通过对中间节的配组,在主臂37~52米范围内可装9~18米副臂,安装角度10︒、30︒。
主臂固定副臂2.臂架变幅构件采用高强度拉索,拉索长度与臂架对应,运输时可以固定在吊臂上。
3.转台转台采用箱形平台式结构,材质采用国产Q460高强度钢板,刚度好,变形小。
转台设置回转锁止装置,用于运输及停车时转台定位。
4.人字架人字架由前撑杆和后拉杆组成。
前撑杆采用双肢结构,前肢为双足桁架结构,后肢为折叠结构,运输时可放倒。
5.机构组成机构配置与用途见下表6.起升机构主、副起升机构型号相同,片式常闭制动器,内藏式减速机。
主起升机构,单绳拉力7.5t,钢丝绳型号为35W×K7-22-1770-SS,直径φ22 mm,长度240m;副起升机构,单绳拉力7.5t,钢丝绳型号为35W×K7-22-1770-SS,直径φ22 mm,长度180m;7.变幅机构主臂变幅为片式常闭制动器,卷筒设有棘轮装置,内藏式减速机,设有棘轮锁止装置。
徐工QUY100型液压履带式起重机
一、制造厂
徐工集团
二、主要技术参数
表2-1徐工QUY100型液压履带式起重机主要技术参数
项目单位数值
最大起重量 t
100
5395 最大起重力矩 kN.m
18~72
主臂长度 m
最大单绳起升速度(空载、第五层)m/min120
最大单绳变幅速度(空载、第五层)m/min45
1.4
最大回转速度 r/min
1.1
行走速度 km/h
爬坡度30%
0.0927
平均接地比压 MPa
12~24
固定副臂长度 m
固定副臂安装角° 10,30
184 发动机功率 kW
三、外形尺寸
图 2-1 徐工QUY100型液压履带式起重机外形尺寸图
图 2-1 徐工QUY100型液压履带式起重机外形尺寸图
四、起重性能
图3-2 QUY100主臂作业范围
图 3-3 QUY100固定副臂作业范围
表3-3 QUY100履带起重机主臂作业性能表
单位:吨
注:表中加有方框的额定负荷,是根据主臂或其它结构部件的强度计算得出。
表3-4 QUY100副臂起重作业性能表
注:表中加有方框的额定负荷是根据主臂或其它结构部件的强度计算得出。
注:表中加有方框的额定负荷是根据主臂或其它结构部件的强度计算得出。
徐工集团履带起重机Q U Y100吨技术规格书(总16页)--本页仅作为文档封面,使用时请直接删除即可----内页可以根据需求调整合适字体及大小--QUY100履带起重机规格书一、概况履带起重机是广泛应用于国民经济各领域的一种起重设备,具有接地比压小、转弯半径小、吊重作业不需打支腿、可带载行驶、起重性能好等优点,并可借助附加装置,进行桩工、土石方作业,在电力建设、市政建设、桥梁施工、石油化工、水利水电等行业,具有汽车起重机、轮胎起重机、全路面起重机等其他起重设备无法替代的地位。
随着需要吊运的物品的质量、体积和要达到的起升高度都越来越大,履带起重机愈来愈显示其优越性。
二、产品用途和适用范围1. 用途:装卸、安装。
2. 使用范围:工矿企业、建筑施工等。
3. 使用条件:环境温度:-20~40℃.工作风速: m/s (5级风);工作地面:坚实、平整,坡度5%。
三、主参数及基本尺寸(见图)1. 最大起重量:100吨 (18米臂长,米幅度,倍率10)。
2. 最大起重力矩:吨·米。
3. 基本装备质量:114吨(18米臂架,100吨吊钩)。
4. 爬坡度:30%。
5. 发动机功率:200千瓦。
6. 接地比压≤。
四、工况及性能1. 主臂作业工况:18米臂长,最大起重量100吨,米幅度;72米臂长,最大起重量吨,米幅度;主臂长度:18?72米,每3米为一个增减长度。
主臂变幅范围:0°?80°2. 副臂作业工况:39?60米主臂可安装12、18、24米副臂,安装角为10或30°;最大起重量11 吨。
3. 整机运输状态外形尺寸(不包括臂架、配重、履带架):总长:米总宽:米总高:米4. 最大起升速度:120米/分(单绳,第五层)5. 变幅时间:240秒6. 回转速度:0~转/分7. 行走速度:0~千米/小时8. 运输状态单件最大质量:吨五、主要部件说明1. 起重臂结构型式:桁架式结构。
QY100K-I汽车起重机介绍1.独有的双纵臂后桥悬挂系统,及一、二、三、六桥转向,三五六桥驱动模式。
底盘转向灵活,驱动力强劲。
2.独有的“U”形截面吊臂,自重轻、强度大、承载力更强。
3.先进的嵌入臂头,结构件强度大,下滑块面积变大,受力状况更好,伸缩更加平稳,可有效防止吊臂在侧载后的扭转现象。
4.独有的自装卸、多组合平衡重系统,提供多达42种主臂吊装工况。
5.卓越的结构件优化技术,以55吨产品自重提供100吨级起重性能。
6.专业MATLAB模拟优化控制程序、速度分级功能,动作平顺、操纵可靠、作业高效。
7.整车智能化检测故障自诊断系统。
8.卓越的结构件焊接技术,整机关键焊缝均采用焊接机械手焊接,工艺先进、质量可靠。
QY100K-I汽车起重机技术规格伸缩臂汽车式起重机型号:QY100K-I最大额定起重量:100吨一、技术介绍1.地盘部分徐工设计、制造豪华超宽驾驶室、6桥底盘、驱动、转向模式12X6X6。
1.1车架徐工设计、制造、防扭转箱型结构,进口高强度钢材制造,支腿箱体位于2桥和3桥之间以及车架后端,具有前后牵引挂钩。
1.2 底盘发动机制造商:戴姆勒.克莱斯勒公司型号:OM460LA形式:电控、直列六缸、水冷、增压中冷、电喷、柴油发动机环保型:符合欧洲III标志燃料箱容积:约430L1.3 动力传动系统1.3.1 变速箱德国ZF自动传动箱、由液压变矩器、闭锁离合器、行星变速箱组成6个前进挡和1个倒退、稳定、可靠。
1.3.2 分动箱德国ZF、2挡、采取大输入扭矩,带差速锁。
1.3.3 桥高强度桥,维护简便。
第一桥:单胎,转向但不驱动;第二桥:单胎,转向但不驱动;第三桥:单胎,驱动、转向;第四桥:双胎,不驱动不转向;第五桥:双胎,驱动但不转向;第六桥:单胎,驱动转向。
1.3.4 传动轴驱动轴均采用端面齿连接,优化动力传输,传递扭矩大,维护简便,方便拆卸和安装。
1.4 桥悬挂前悬架,纵置板簧式,简式减振器,板簧与推力杆导向;后悬架,双轴平衡,纵置板簧式,板簧与推力杆导向;底盘的新悬挂机构,加大了车轮上下跳动量,提高了车辆的通过性。
Q U Y1000履带起重机产品简介徐工集团工程机械股份有限公司二O一O年五月QUY1000履带起重机是我公司为满足煤化工、核电、石化等大型工程的吊装需求、积极参与国际竞争而研制开发的超大吨位高端起重机产品。
该机综合吸收国内外先进技术,运用先进的设计手段,结构设计优化,起重性能卓越。
该机采用履带式底盘、多组合桁架式吊臂,具有接地比压小、可带载行驶、起升高度大、起重性能高等优点,塔式副臂可紧靠建筑物施工,可变超起配重半径的超起装置可提供超强的起重性能和机动灵活性。
程序控制系统,保证起重机安全工作。
闭式泵控变量液压系统,电比例操作,节能高效,控制精确。
国际着名企业的电控、动力、传动元件,环保可靠。
2. 电比例操作系统,程序集成控制,充分体现以人为本的设计思想,实现了起重机的自动控制,大大提高起重机作业安全性、可靠性和作业效率。
防水防尘措施的采用,保证了对恶劣工作环境的适应能力。
3. 液压系统为闭式泵控变量系统,与电比例操作系统紧密结合,大大提高起重机的控制性能,节能高效。
微动性能好,动作平稳可靠。
在液压系统特征点设置测压接头,方便系统运行状态监控和故障诊断。
4. 齐全的安全装置,彩色大屏幕实时监控发动机、作业状态及风速,确保起重机安全工作。
5. 桁架式吊臂,德国进口管材,重量轻,承载能力高。
吊臂组合多,适用范围广。
臂端单滑轮机构,可实现轻载的快速吊装,提高工作效率。
6. 美国康明斯发动机,德国高质量的液压、电气、传动元件和不旋转钢丝绳,确保了作业可靠性和环保性能。
7. 宽敞的操纵室,可调式座椅,配置冷暖空调和音响,环境舒适。
工作时,操纵室可调整俯仰角度,扩大视野;运输时,操纵室可从侧方转到前方,减小运输宽度。
8. 穿绳技术、动力销技术、集中润滑系统、作业状态监视系统,减轻了劳动强度,体现了人性化。
9. 重型主臂、塔式副臂可套装运输,以减少运输车辆。
除下部主机的运输宽度为3.538m 之外,其余部件的运输宽度均小于3.5m。
装卸、安装。
2. 使用范围:工矿企业、建筑施工等。
3. 使用条件:环境温度:-20~40oC工作风速:臂长小于50 m时13.8 m/s (6级风),臂长大于50 m时9.8 m/s (5级风)工作地面:坚实、平整,坡度不大于5‰图1 QUY1000履带起重机外形图下车包括车架、连接梁、履带架、行走机构和车身配重。
连接梁和车架、履带架采用销轴铰接式连接,销轴安装通过液压缸完成。
1.车架(井字架)车架采用高强钢板、箱型结构,中间设置横隔板,加强其抗扭刚度,结构简单,承载能力强,刚性好。
2.连接梁连接梁采用箱型结构,和车架、履带架采用销轴连接,中间设置横隔板。
3.履带架包括履带梁和四轮一带。
履带梁采用箱型结构,和车架连接部位局部加强,中间设置横隔板。
4.行走机构两个履带链对称设置,装有宽度为2m的履带板,可同步操作,也可单独操纵,以实现直行和转弯。
每个履带由2个行走减速机驱动,行走驱动采用德国进口的内藏式行星齿轮减速机,液压释放行走制动器,每个减速机由两个德国进口的轴向柱塞变量马达驱动。
5.车身配重车身配重共90吨,配重箱共10吨;配重块共8块,每块10吨,分别安装在车架前后的配重箱内。
二、上车部分1.转台转台是履带起重机联系上下车关键承载结构件,上面布置很多机构,如发动机、变幅机构、起升机构、桅杆及臂架等,受力复杂。
转台采用上下分体式结构,降低了单件运输重量。
转台上部采用高强钢板焊接而成的双侧“工”字梁框架复合结构,抗扭性能好,并根据受力情况设计成变截面,节约了材料。
转台下部采用箱型结构。
转台通过三排滚柱回转支承和车架相连,360o回转。
2.桅杆标准型桅杆采用箱型结构,超起型桅杆采用桁架式结构,整体稳定性好。
桅杆配置顶升机构,超起桅杆配置液压自动控制防后倾机构。
超起桅杆的中间节借用塔式副臂的中间节。
3.起升机构主起升机构有两个,型号相同,单独驱动,大起重量时两个卷扬同步工作。
卷扬采用片式常闭制动器,内藏式减速机,变量马达驱动。
两个主起升机构采用箱型支架,与转台采用销轴连接,便于组装。
副起升和主起升结构相同,用于臂端单滑轮的起升。
钢丝绳均为德国进口不旋转钢丝绳,避免了钢丝绳打绞。
4.变幅机构包括主臂变幅、塔臂变幅和超起变幅。
主臂变幅为一个双联卷筒独立驱动,塔臂变幅和超起变幅均为单卷筒独立驱动。
主、副变幅机构采用内藏式减速机,片式常闭制动器。
卷筒设有棘轮装置,以实现机械锁止制动,安全可靠。
驱动马达、平衡阀、钢丝绳均为德国进口。
5.回转机构布置在转台内侧前面,由三个行星减速机组成,与回转支承外啮合,液压缓冲,具有自由滑转机能。
行星减速机,可控常闭、片式制动器,工作可靠,维修方便。
回转支承为徐州罗特艾德公司产品,三排滚柱结构,承载能力大,质量稳定可靠。
6.液压系统采用电比例、闭式、变量、恒功率泵控系统。
液压系统由三部分组成:主回路系统,控制系统及辅助系统。
为方便系统运行状态监控和故障诊断,在液压系统特征点设置测压排气接头,提高产品的使用、维护、维修性能。
液压系统的油泵、液压阀等均为进口,质量可靠。
7.电气系统采用PLC程序控制、电比例操作,以保证液压系统的先导、力矩限制、高度限位等功能的实现,确保起重机安全可靠地运行。
8.安全装置力矩限制器、转台回转锁销装置、起重臂防后翻装置、起升高度限位装置、风速仪、水平仪、液压系统的溢流阀、平衡阀、双向液压锁、回转警告、行走警告、监视系统等。
9.发动机该机选用电喷环保型发动机,美国康明斯公司产品,它具有结构紧凑、体积小、重量轻、功率大、油耗低、污染小、工作可靠、寿命长等显着特点,能满足履带起重机的恶劣工况。
10.操纵室宽敞的操纵室,可调式座椅,配置防辐射帘、冷暖空调和音响,环境舒适。
工作时,操纵室可调整俯仰角度,扩大视野;运输时,操纵室可从侧方转到前方,减小运输宽度。
操纵室内装有全套操纵仪表和控制装置,时刻监控起重机工作状态。
11.上车配重上车配重包括转台配重和超起配重。
转台配重共260吨。
左右配重箱各1个,每个重量10吨;左右配重各12个,每个重量10吨。
超起配重共460吨。
底座1个,重量20吨;配重44个,每个重量10吨。
12.起重吊钩起重吊钩大吨位采用组合式,小吨位采用传统的整体式结构,并配置单倍率吊钩。
吊钩共4种,分别为1000t(2×500t、4×250t)、150 t、65t、20t。
三、起重臂配置起重臂包括主臂、专用副臂和塔式副臂,结构型式为中间等截面,两端变截面的四弦杆空间桁架结构,弦杆采用德国进口高强度管材,腹杆采用国产优质管材,承载能力强。
主臂和塔式副臂采用组合式臂头。
运输时,塔式副臂臂节可装到主臂臂节中,以减少运输车辆。
主要工况如下:1.标准工况1)HB:标准工况重型主臂,30~96米,每6米为一个增减长度。
2)LB:标准工况轻型主臂,48~114米,每6米为一个增减长度,下部为重型主臂臂节,上部为塔式副臂臂节。
3)HW:重型主臂+塔式副臂,主臂长度为30~60米时可安装塔式副臂30~96米,主臂和塔臂每6米为一个增减长度。
2.超起工况1)SHB:超起重型主臂,42~120米,臂节构成在标准工况重型主臂的基础上增加2个12米中间节,每6米为一个增减长度。
2)SLB:超起轻型主臂,90~150米,每6米为一个增减长度,下部为重型主臂臂节,上部为塔式副臂臂节。
3)SHW:超起重型主臂+塔式副臂,主臂长度为42~96米时可安装塔式副臂30~108米,塔式副臂臂节的构成在标准工况塔式副臂的基础上增加一个12米中间节,主臂和塔臂每6米为一个增减长度。
4)SHVHJ:超起重型主臂+重型专用副臂,主臂长度为42~66米时可安装专用副臂长度18米,专用副臂臂节构成塔式副臂底节、中间节和650吨主臂臂头。
5)SHVLJ:超起重型主臂+轻型专用副臂,主臂长度为42~96米时可安装专用副臂长度18米,专用副臂臂节构成为塔式副臂臂节。
(260t转台平衡重+90t车身平衡重)表2 QUY1000 SHB超起工况重型主臂起重性能表(260t转台平衡重+90t车身平衡重+460t超起平衡重,超起平衡重半径24m)续表2 QUY1000 SHB超起工况重型主臂起重性能表(260t转台平衡重+90t车身平衡重+230t超起平衡重,超起平衡重半径24m)表3 QUY1000 LB标准工况轻型主臂起重性能表(260t转台平衡重+90t车身平衡重)(260t转台平衡重+90t车身平衡重+230t超起平衡重,超起平衡重半径24m)车身平衡重(主臂长度54 m,主臂角度85o,260t转台平衡重+90t车身平衡重+460t超起平衡重,超起(主臂长度60 m,主臂角度85o,260t转台平衡重+90t车身平衡重+460t超起平衡重,超起(主臂长度66m,主臂角度85o,260t转台平衡重+90t车身平衡重+460t超起平衡重,超起(主臂长度78m,主臂角度85o,260t转台平衡重+90t车身平衡重+460t超起平衡重,超起(主臂长度90m,主臂角度85o,260t转台平衡重+90t车身平衡重+460t超起平衡重,超起专用副臂长度18 m,安装角13°专用副臂长度18 m,安装角13°。