焊缝形式及形状尺寸
- 格式:doc
- 大小:3.24 MB
- 文档页数:18
角焊缝截面形式
角焊缝是指沿两直交或近直交零件的交线所焊接的焊缝,角焊缝又分直角焊缝和斜角焊缝。
角焊缝截面形式主要有以下几种:
1. 普通型角焊缝:这种角焊缝是最常见的一种形式,它的截面形状为三角形。
普通型角焊缝的承载能力较高,但在焊接过程中容易出现缺陷,如气孔、夹渣等。
2. 平坡型角焊缝:这种角焊缝的截面形状为梯形,它的承载能力与普通型角焊缝相似,但在焊接过程中更容易控制焊接质量。
3. 深熔型角焊缝:这种角焊缝的截面形状为V 形,它的承载能力比普通型角焊缝更高,但在焊接过程中需要更高的技术要求。
4. 凹面角焊缝:这种角焊缝的截面形状为U 形,它的承载能力较低,但在焊接过程中更容易控制焊接变形。
角焊缝的截面形式应根据焊件的厚度、受力情况和焊接工艺等因素来选择。
在选择角焊缝的截面形式时,应考虑到焊接的可达性、焊接质量和承载能力等因素,以确保焊接接头的质量和可靠性。
JB-T7949-1999钢结构焊缝外形尺寸(可编辑)JB-T7949-1999钢结构焊缝外形尺寸ICSJ 33中华人民共和国机械行业标准JB/T 7949-1999钢结构焊缝外形尺寸Weld outer dimensions for steel construction代替:JB/T 7949-95批准部门:国家机械工业局1999-06-24 发布2000-01-01 实施国家机械工业局发布前言本标准是对JB/T7949-95 《钢结构焊缝外形尺寸》进行的修订。
修订时,对原标准做了编辑性修改,其主要技术内容没有变化。
本标准自实施之日起代替JB/T7949-95。
本标准由全国焊接标准化技术委员会提出并归口。
本标准负责起草单位:哈尔滨焊接研究所、大连起重机厂。
本标准主要起草人:姬文晶、孙玉英。
本标准于1989 年以GB10854 发布,于1995 年调整为JB/T7947。
本次修订系首次修订。
l 范围本标准规定了钢结构焊接接头的焊缝外形尺寸。
本标准适用于钢结构的熔化焊对接和角接接头的外形尺寸的检验。
2 引用标准下列标准所包含的条文,通过在本标准中引用而构成为本标准的条文。
本标准出版时,所示版本均为有效。
所有标准都会被修订,使用本标准的各方应探讨使用下列标准最新版本的可能性。
GB ,T 324―1 988 焊缝符号表示法GB ,T 985―1 988 气焊、手工电弧焊及气体保护焊焊缝坡口的基本形式与尺寸GB ,T 986―1 988 埋弧焊焊缝坡口的基本形式与尺寸3 总则3.1 焊缝外形尺寸检验前,其焊缝及两侧必须清除熔渣、飞溅及其他污物。
3.2 焊缝外形尺寸检验主要用肉眼借助有关辅助量具进行。
检验时要保证良好的照明。
3.3 焊缝的坡口形式与尺寸应符合GB ,T 985 和GB ,T 986 的有关规定。
3.4 焊缝外形尺寸的标注应按GB ,T 324 的有关规定执行。
4 外形尺寸4.1 焊缝外形应均匀,焊道与焊道及焊道与基本金属之间应平滑过渡。
焊缝划分标准最新规范焊缝划分标准是焊接工程中的一项重要规范,它确保了焊接接头的质量与安全性。
随着材料科学和焊接技术的发展,焊缝划分标准也在不断更新。
以下是最新规范的主要内容:1. 焊缝分类:焊缝按照其在结构中的作用和重要性分为A、B、C三个等级。
A级焊缝为关键焊缝,要求最高;B级焊缝为重要焊缝,要求次之;C级焊缝为一般焊缝,要求相对较低。
2. 焊缝形式:焊缝形式包括对接焊缝、角焊缝、搭接焊缝等。
每种焊缝形式都有其特定的应用场景和焊接要求。
3. 焊缝尺寸:焊缝的尺寸应根据被焊材料的厚度、焊接方法和结构要求来确定。
焊缝的宽度、深度和长度等参数都应符合规范要求。
4. 焊接材料:焊接材料的选择应与被焊材料的化学成分和力学性能相匹配,以确保焊接接头的性能。
5. 焊接方法:焊接方法包括电弧焊、气体保护焊、激光焊等。
不同的焊接方法对焊缝的质量有不同的影响,应根据具体情况选择合适的焊接方法。
6. 焊接环境:焊接环境包括温度、湿度、风速等,这些因素都会对焊接过程和焊缝质量产生影响。
焊接应在适宜的环境中进行。
7. 焊接工艺:焊接工艺包括焊接参数的设定、焊接顺序、预热和后热处理等。
正确的焊接工艺是保证焊缝质量的关键。
8. 焊缝检验:焊缝完成后,应进行严格的检验,包括外观检查、无损检测和力学性能测试等,以确保焊缝满足设计和规范要求。
9. 焊缝缺陷处理:对于检验中发现的焊缝缺陷,应采取相应的措施进行处理,如打磨、补焊等,直至焊缝质量达到规范要求。
10. 记录与文档:焊接过程中的所有关键信息,包括焊接参数、检验结果、缺陷处理等,都应详细记录并保存,以便于追溯和质量控制。
随着焊接技术的进步和工程需求的变化,焊缝划分标准也会不断更新和完善。
焊接工程师和技术人员应持续关注最新规范,以确保焊接工程的质量和安全。
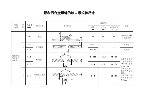
《埋弧焊焊缝坡口的基本形式和尺寸》一、引言埋弧焊是一种常用的焊接方法,广泛应用于各个行业。
在进行埋弧焊时,焊缝坡口的处理是非常重要的一步。
本文将介绍埋弧焊焊缝坡口的基本形式和尺寸,以帮助读者了解和掌握焊缝坡口的设计和加工。
二、焊缝坡口的基本形式焊缝坡口是为了提供焊接材料的填充空间和加强焊缝连接而设计的。
根据焊接要求和工件的形状,焊缝坡口可以分为以下几种基本形式:1. V形坡口:V形坡口是最常见的焊缝坡口形式之一,它的截面形状呈V字型。
V形坡口适用于大多数材料和焊接位置,可以提供良好的焊接通道,并且焊接强度较高。
2. X形坡口:X形坡口也是一种常见的焊缝坡口形式,其截面形状呈X字型。
X形坡口适用于焊接薄板和管道等场合,可以增加焊接强度和稳定性。
3. U形坡口:U形坡口的截面形状呈U字型,适用于对焊缝强度要求不高的场合,如对焊缝的密封性要求较高的情况。
4. J形坡口:J形坡口的截面形状呈J字型,适用于焊接角连接或封头焊接等情况。
J形坡口可以提高焊接强度和可靠性。
5. Y形坡口:Y形坡口的截面形状呈Y字型,适用于焊接管道和容器等需要加强连接的场合。
三、焊缝坡口的尺寸焊缝坡口的尺寸是根据焊接材料的厚度和焊接要求来确定的。
一般来说,焊缝坡口的尺寸包括坡口角度、坡口深度和坡口宽度等。
1. 坡口角度:坡口角度是指焊缝坡口两侧的夹角,常用的坡口角度有30度、45度和60度等。
坡口角度的选择应根据焊接材料的厚度、材料的性质和焊接要求来确定。
2. 坡口深度:坡口深度是指焊缝坡口的深度,一般为焊接材料的厚度的一半或三分之二。
坡口深度的选择应根据焊接材料的性质和焊接要求来确定。
3. 坡口宽度:坡口宽度是指焊缝坡口的宽度,一般为焊接材料的厚度的一半或三分之二。
坡口宽度的选择应根据焊接材料的性质和焊接要求来确定。
四、总结焊缝坡口的设计和加工对于焊接质量和焊接强度具有重要影响。
在进行埋弧焊时,根据焊接要求和工件的形状,选择适合的焊缝坡口形式和尺寸是至关重要的。
焊缝形式及检验(一)焊缝形式焊缝按不同分类方法可分为下列几种形式:(1)根据GB/T 3375—94的规定,按焊缝结合形式,分为对接焊缝、角焊缝、塞焊缝、槽焊缝和端接焊缝五种:1)对接焊缝:在焊件的坡口面间或一零件的坡口面与另一零件表面间焊接的焊缝,2)角焊缝:沿两直交或近直交零件的交线所焊接的焊缝。
3)端接焊缝:构成端接接头所形成的焊缝。
4)塞焊缝:两零件相叠,其中一块开圆孔,在圆孔中焊接两板所形成的焊缝,只在孔内焊角焊缝者不称塞焊。
5)槽焊缝:两板相叠,其中一块开长孔,在长孔中焊接两板的焊缝,只焊角焊缝者不称槽焊。
(2)按施焊时焊缝在空间所处位置分为平焊缝、立焊缝、横焊缝及仰焊缝四种形式。
(3)按焊缝断续情况分为连续焊缝和断续焊缝两种形式。
断续焊缝又分为交错式和并列式两种(图1—16),焊缝尺寸除注明焊脚K外,还注明断续焊缝中每一段焊缝的长度l和间距e,并以符号“Z”表示交错式焊缝。
图1—16 断续角焊缝(a)交错式(b)并列式(4)焊接方法(二)焊缝的形状尺寸焊缝的形状用一系列几何尺寸来表示,不同形式的焊缝,其形状参数也不一样。
熔焊接头的组成经熔焊所形成的各种接头都是由焊缝、熔合区、热影响区及其邻近的母材组成,见下图。
(1)焊缝(2)熔合线(3)热影响区(4)母材焊缝起着连接金属和传递力的作用,它是焊接过程中由填充金属和部分母材熔合后疑固而成,其性能决定于两者熔合后成分和组织。
热影响区是母材受焊接热的影响(但未熔化)而发生金相组织和力学性能变化的区域。
焊后热影响区上有可能产生脆化、硬化和软化的不利现象。
焊缝各部分名称1.焊缝宽度焊缝表面与母材的交界处叫焊趾。
焊缝表面两焊趾之间的距离叫焊缝宽度,如图1—17。
图1—17焊缝宽度2.余高超出母材表面焊趾连线上面的那部分焊缝金属的最大高度叫余高,见图1—18。
在静载下它有一定的加强作用,所以它又叫加强高。
但在动载或交变载荷下,它非但不起加强作用,反而因焊趾处应力集中易于促使脆断。
焊缝形式及检验(一)焊缝形式焊缝按不同分类方法可分为下列几种形式:(1)根据GB/T 3375—94的规定,按焊缝结合形式,分为对接焊缝、角焊缝、塞焊缝、槽焊缝和端接焊缝五种:1)对接焊缝:在焊件的坡口面间或一零件的坡口面与另一零件表面间焊接的焊缝,2)角焊缝:沿两直交或近直交零件的交线所焊接的焊缝。
3)端接焊缝:构成端接接头所形成的焊缝。
4)塞焊缝:两零件相叠,其中一块开圆孔,在圆孔中焊接两板所形成的焊缝,只在孔内焊角焊缝者不称塞焊。
5)槽焊缝:两板相叠,其中一块开长孔,在长孔中焊接两板的焊缝,只焊角焊缝者不称槽焊。
(2)按施焊时焊缝在空间所处位置分为平焊缝、立焊缝、横焊缝及仰焊缝四种形式。
(3)按焊缝断续情况分为连续焊缝和断续焊缝两种形式。
断续焊缝又分为交错式和并列式两种(图1—16),焊缝尺寸除注明焊脚K外,还注明断续焊缝中每一段焊缝的长度l和间距e,并以符号“Z”表示交错式焊缝。
图1—16 断续角焊缝(a)交错式(b)并列式(4)焊接方法(二)焊缝的形状尺寸焊缝的形状用一系列几何尺寸来表示,不同形式的焊缝,其形状参数也不一样。
熔焊接头的组成经熔焊所形成的各种接头都是由焊缝、熔合区、热影响区及其邻近的母材组成,见下图。
(1)焊缝(2)熔合线(3)热影响区(4)母材焊缝起着连接金属和传递力的作用,它是焊接过程中由填充金属和部分母材熔合后疑固而成,其性能决定于两者熔合后成分和组织。
热影响区是母材受焊接热的影响(但未熔化)而发生金相组织和力学性能变化的区域。
焊后热影响区上有可能产生脆化、硬化和软化的不利现象。
焊缝各部分名称1.焊缝宽度焊缝表面与母材的交界处叫焊趾。
焊缝表面两焊趾之间的距离叫焊缝宽度,如图1—17。
图1—17焊缝宽度2.余高超出母材表面焊趾连线上面的那部分焊缝金属的最大高度叫余高,见图1—18。
在静载下它有一定的加强作用,所以它又叫加强高。
但在动载或交变载荷下,它非但不起加强作用,反而因焊趾处应力集中易于促使脆断。
所以余高不能低于母材但也不能过高。
手弧焊时的余高值为0~3mm 。
凸度熔深焊趾焊缝计算厚度焊脚焊脚 焊跟图1—18 余高3.熔深在焊接接头横载面上,母材或前道焊缝熔化的深度叫熔深,见图1—19。
图1—19 熔深(a)对接接头熔深(b)搭接接头熔深(c)T形接头熔深4.焊缝厚度在焊缝横截面中,从焊缝正面到焊缝背面的距离,叫焊缝厚度,见图1—20。
图1—20 焊缝厚度及焊脚(a)凸形角焊缝(b)凹形角焊缝焊缝计算厚度是设计焊缝时使用的焊缝厚度。
对接焊缝焊透日寸它等于焊件的厚度;角焊缝时它等于在角焊缝横截内画出的最大直角等腰三角形中,从直角的顶点到斜边的垂线长度,习惯上也称喉厚,见图1—20。
5.焊脚角焊缝的横截面中,从一个直角面上的焊趾到另一个直角面表面的最小距离,叫做焊脚。
在角焊缝的横截面中画出的最大等腰直角三角形中直角边的长度叫焊脚尺寸,见图1—20。
6.焊缝成形系数图1—21 焊缝成形系数的计算熔焊时,在单道焊缝横截面上焊缝宽度(B)与焊缝计算厚度(H)的比值(ф=B/H),叫焊缝成形系数,见图1—21。
该系数值小,则表示焊缝窄而深,这样的焊缝中容易产生气孔和裂纹,所以焊缝成形系数应该保持一定的数值,例如埋弧自动焊的焊缝成形系数ф要大于1.3。
(这个在标准上一般不做硬性规定, 属于工艺和技术控制范畴,另外单纯的追求焊缝宽度指标更是不合理的,因为他往往与需要达到的容身相关联,所以我们一般都考察深宽比(深度/宽度的比值),对于SAW 当焊道宽度和深度之比过大时会产生凝固裂纹;反之在固化过程中会产生中心收缩裂纹W/D之比应该是在1.2~0.8之间(参考),但对于LBW和EBW可以达到很高的深宽比....,而PAW(的小孔焊)也是属于或接近能束的一种焊接方法,在焊缝拍片合格的情况下,当然是焊缝越窄越好,因为焊缝越窄,母材受焊接产生的性能弱化就越少,接头性能就越高。
)7.熔合比是指熔焊时,被熔化的母材在焊道金属中所占的百分比。
各种接头、坡口和焊缝的形式见表1—3。
表1—3 各种坡口、接头及焊缝形式1.焊缝尺寸不符合要求①形状焊缝表面高低不平、焊缝波纹粗劣、纵向宽度不均匀、余高过高或过低、角焊缝单边以及焊脚尺寸不符合要求等。
如图1所示。
②危害造成焊缝成形不美观,影响焊缝与母材金属的结合强度,易产生应力集中,降低接头承载能力等。
③产生原因焊件坡口角度不对、装配间图1 焊缝表面尺寸不符合要求隙不均匀、焊接参数选择不合适或运条手法不正确等。
④防止措施选择适当的坡口角度和间隙,提高装配质量,正确选择焊接工艺参数和提高焊工的操作技术水平等。
图 2 咬边2.裂纹焊接中的裂纹有很多类型,产生裂纹的原因也很多,关于裂纹的理论知识在以后的章节有介绍,这里不再多讲。
3.咬边①形状 沿着焊趾的母材部位上被电弧熔化而形成成的凹陷或沟槽称为口角边。
其形状如图2所示。
②危害 降低接头强度及承载能力,易产生应力集中,形成裂纹等。
③产生原因 焊接工艺参数选择不当,焊接电流过大,电弧过长,焊条角度不正确以及运条不适当等。
④防止措施 选择正确焊接电流和焊接速度,电弧不能拉得太长,掌握正确的运条方法和运条角度等。
4.未焊透(常见根部)①形状 焊接时,接头根部未完全熔合的现象称为未焊透对于对接焊缝也指焊缝深度未达到要求。
如图3所示。
②危害 易造成应力集中,产生裂纹,影响接头的强度及疲劳强度等。
③产生原因 坡口角度过小,间隙过小或钝边过大;焊接速度过快;焊接电流太小;电弧电压偏低;焊接时有磁偏吹现象;清根不彻底;焊条可达性不好等。
④防止措施 正确选择焊接参数、坡口尺寸,保证必须的装配间隙,认真操图3 未焊透作,仔细清理层间或母材边缘的氧化物和熔渣等。
5.未熔合(通常在层间)①形状 熔焊时,焊缝与母材之间或焊缝与焊缝之间,未能完全熔合的部分称为未熔合。
主要产生在焊缝侧面及焊层间。
如图4所示。
②危害 易产生应力集中,影响接头连续性,降低接头强度等。
③产生原因 层间及坡口清理不干净,焊接线能量太低,电弧指向偏斜等。
④防止措施 加强层间及坡口清理,正确选用焊接线能量,正确操作。
6.烧穿①形状 焊接过程中,熔化金属从坡口背面流出,形成穿孔的缺陷称为烧穿。
如图5所示。
②危害 减少焊缝有效截面积,降低接头承载能力等。
③产生原因 焊接电流过大,焊接顺序不合理,焊接速度太慢,根部间隙太大,钝边太小等。
④防止措施 选择合适的焊接电流和焊接速度,缩小根部间隙,提高操作技能。
7.焊瘤①形状 焊接过程中熔化的金属流淌到焊缝之外未熔化的母材上所形成的金属瘤,称为焊瘤,也称满溢。
如图6所示。
②危害 影响焊缝美观,浪费材料,焊缝截面突变,易形成尖角,产生应力集中等。
图5 烧穿4 未熔合图6 焊瘤③产生原因 焊件根部间隙过大,焊接电流太大,操作不正确或运条不当等。
④防止措施 提高操作技能,选择合适的焊接电流,提高装配质量等。
8.弧坑①形状 焊缝收尾处产生的下陷部分称为弧坑。
如图7所示。
②危害 削弱焊缝强度,易产生弧坑裂纹等。
③产生原因 熄弧时间过短,收尾方法不当,未能填满弧坑。
④防止措施 选择正确焊接参数及合适的熄弧时间,掌握正确的收尾方法等。
9.气孔①形状 在焊接过程中,熔池中的气泡在凝固时未能逸出而残留下来所形成的空穴,称为气孔。
②危害 减小焊缝截面积,降低接头致密性,减小接头承载能力和疲劳强度等。
③产生原因 焊件清理不干净,焊条受潮,电弧磁偏吹和焊接参数不合理等。
④防止措施 仔细清理焊缝两侧各10mm 处的铁锈等污物,严格烘干焊条,选择合理的焊接工艺参数等。
10.夹渣 ①形状 焊后残留在焊缝中的熔渣称为夹渣。
如图8所示。
②危害 减少焊缝截面积,降低接头强度、冲击韧性等。
③产生原因 焊接电流过小,焊接速度过快,坡口设计不当,焊道熔敷顺序图7弧坑图8夹渣不当等。
④防止措施 正确选择焊接参数,坡口角度不能太小,认真做好多层焊时的层间清理工作等。
11.塌陷①形状 熔化的金属从焊缝背面漏出,使焊缝正面下凹、背面凸起的现象称为塌陷。
如图9所示。
②危害 减少接头承载面积,降低接头强度,影响焊缝美观等。
③产生原因 焊接电流过大,焊接速度过小,装配间隙过大等。
④防止措施 选择适当的焊接电流和焊接速度,控制焊件的装配间隙等。
12.凹坑①形状 在焊缝表面或焊缝背面形成的低于母材表面的局部低洼部分称为凹坑。
如图10所示。
②危害 减少焊缝工作截面积,降低接头承载能力等。
③产生原因 电弧拉得过长,焊条倾角不当和装配间隙太大等。
④防止措施 选择合适的装配间隙,提高操作水平等。
图9 塌陷图10 凹坑企标检验要求:GB150部分要求。