超声检测系统综合性能测试
- 格式:doc
- 大小:57.00 KB
- 文档页数:9
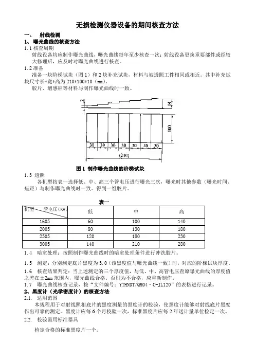
管电压(KV)无损检测仪器设备的期间核查方法一、射线检测1、曝光曲线的核查方法1.1核查周期射线设备均应制作曝光曲线,曝光曲线每年至少核查一次;射线设备更换重要部件或经较大修理后,应及时对曝光曲线进行核查。
1.2准备准备一块阶梯试块(图1)和2块补充试块,材料与被透照工件相同或相近。
其中补充试块尺寸长*宽*高为210*100*10(mm)。
胶片、增感屏等材料与制作曝光曲线时一致。
图1 制作曝光曲线的阶梯试块1.3 透照各机型按表一选择低、中、高三个管电压进行曝光三次,曝光时其他参数(曝光时间、焦距)与制作曝光曲线时一致。
得到一组胶片。
表一机型低中高1605 60 100 1402005 80 130 1802505 120 180 2303005 140 210 2801.4 暗室处理:按照制作曝光曲线时的暗室处理条件进行冲洗胶片。
1.5 测定:分别测定底片黑度为3.0(该黑度值与曝光曲线一致)时,对应的阶梯试块厚度。
1.6 核查结果判定:当上述测定的三个厚度值,与低、中、高管电压查原曝光曲线的厚度值之差在±2mm范围内,曝光曲线合格。
否则为不合格,应重新制作。
1.7 曝光曲线核查记录,按“文件编号:YTHNDT/QM04–C-JL120”的表格进行记录。
2、黑度计(光学密度计)的核查方法2.1. 适用范围本规程用于对射线照相底片的黑度测量的黑度计的校验,使黑度计能够对射线底片黑度作出可靠的测定。
黑度计应每6个月校验一次,标准黑度片应每2年送计量单位检定一次。
2.2. 校验需用标准器具检定合格的标准黑度片一个。
2.3 操作步骤2.3.1 接通黑度计电源和测量开关,预热10min 左右。
2.3.2 用标准黑度片的零黑度点校准黑度计零点。
校准后顺序测量黑度片上不同黑度的各点的黑度,记录测量值。
2.3.3 按3.2的规定反复测量三次。
2.3.3 计算出各点测量值的平均值,以平均值与黑度片该点的黑度值之差作为黑度计的测量误差。
超声波检测工艺规程1适用范围本工艺适用于板厚为6-250mm的板材、碳素钢和低合金钢锻件、母材壁厚8-400mm的全焊透熔化焊对接焊缝及壁厚大于等于4mm,管径为57-1200mm碳素钢和低合金石油天然气长输、集输和其他油气管道环向对接焊缝、钢质储罐对接焊缝的超声波检测等;本工艺规定了使用A型脉冲反射式超声波探伤仪进行检测过程中,对受检设备做出准确判定应遵循的一般程序和要求;引用标准JB4730/T-2005承压设备无损检测SY/T4109-2005石油天然气钢质管道无损检测GB11345-89钢焊缝手工超声波探伤方法和探伤结果的分级JB/T9214-1999A型脉冲反射式超声探伤系统测试方法JB/T10062-1999超声探伤用探头性能测试方法GB50128-2005立式圆筒形钢制焊接储罐施工及验收规范2对检测人员的要求从事超声波检测人员必须经过培训,持证上岗;只有取得质量技术监督部门颁发的超声波检测技术等级证书的人,方可独立从事与该等级相应的超声波检测工作;检测人员应具有良好的身体素质,其校正视力不得低于,并每年检查一次;检测人员应严格执行检测作业安全防护指导书和其它安全防护规定,确保安全生产;3检测程序根据工程特点和本工艺编制具体的无损检测技术方案;受检设备经外观检查合格后,由现场监理或检验员开据无损检测指令或无损检测委托单到检测中心;检测人员按指令或委托单要求进行检测准备,技术人员根据实际情况编制探伤工艺卡;检测人员按超声波探伤仪调试作业指导书等工艺文件进行设备调试;外观检查合格后,施加耦合剂,实施检测,做好超声波检测记录;根据检测结果和委托单,填写相应的回执单或合格通知单;若有返修,还应出据返修通知单,标明返修位置等;将回执单和返修通知单递交监理或检验员,同时对受检设备进行检验和试验状态标识;返修后,按要求重新进行检测;在检测过程中应有Ⅱ或Ⅲ级人员在现场;所有的检测工作完成后,由具有超声波Ⅱ或Ⅲ级人员出据超声波检测报告,由技术负责人或其授权人审核;4探伤仪、探头、试块和系统性能的一般要求探伤仪采用A型脉冲反射式探伤仪,工作频率范围为,仪器至少在荧光屏满刻度80%范围内呈线性显示;探伤仪应具有80dB以上的连续可调衰减器,步进级每档不大于2dB,其精度为任意相邻12dB误差在±1dB以内,最大累计误差不超过1dB,水平线性误差不超过1%,垂直线性误差不超过5%;探头晶片有效面积一般不应超过500mm2,且任一边长不应大于25mm;单斜探头声束轴线水平偏离角不应大于2º,主声束垂直方向不应有明显的双峰;探伤仪和探头的系统性能4.3.1 在达到所探工作的最大检测声程时,其有效灵敏度余量应大于或等于10dB;4.3.2 仪器和直探头组合的始脉冲宽度:对于频率为5 MHz的探头,其占宽不得大于10mm;对于频率为的探头,其占宽不得大于15mm;4.3.3 直探头的远场分辨力应大于或等于30dB,斜探头的远场分辨力应大于或等于6dB;超声波检测的一般要求4.4.1 检测时,应尽量扫查到工作的整个被检区域,探头的每次扫查复盖率应大于探头直径的15%;4.4.2 探头的扫查速度不应超过150mm/s;当采用自动报警装置扫查时,不受此限;4.4.3 扫查灵敏度至少应比基准灵敏度高6dB;4.4.4 应采用透声性好且不损伤受检设备表面的耦合剂,如机油、浆糊、甘油和水等;4.4.5 检测面应经外观检查合格,所有影响超声检测的锈蚀、飞溅和污物都应予以清除,其表面粗糙度应符合检测要求;4.4.6 在制作距离--波幅曲线时,应考虑各种耦合补偿;校准4.5.1 校准应在标准试块上进行,校准中应使超声主声束垂直对准反射体的轴线,以获得稳定的和最大的反射信号;4.5.2 仪器在开始使用时,应对其水平线性进行测定;使用中,每隔三个月至少应对仪器的水平线和垂直线性进行一次测定;4.5.3 斜探头使用前,应进行前沿距离、K值、主声束偏离、灵敏度余量和分辨力等的校准;使用过程中,每个工作日应校准前沿距离、K值和主声束偏离;直探头使用前检查始脉冲占宽、灵敏度余量和分辨力;仪器和探头系统的复核4.6.1 复核的时机:每次检测前均应对扫描线、灵敏度进行校核,遇有下列情况应随时进行重新校核:a)校准后的探头、耦合剂和仪器调节旋纽发生改变时;b)检测者怀疑扫描量程或灵敏度有变化时;c)连续工作4小时以上时;d)工作结束时;4.6.2 每次检查结束前,应对扫描量程进行复核;如果任意一点在扫描线上的偏移超过扫描读数的10%,则扫描量程应予以重新调整,并对上一次复核以来所有的检测部位进行复验;4.6.3每次检查结束前,应对扫查灵敏度进行复核,距离--波幅曲线的校核一般不少于3点;校核时,如曲线上任何一点幅度下降2dB,则应对上一次以来所有的检测结果进行复检;如幅度上升2dB,则应对所有的记录信号进行重新评定;试块4.7.1 试块应妥善保管,各种缺欠孔要经常清理;4.7.2 试块选择应注意外形尺寸应能代表被检工件的特征,试块的厚度应与被检工作的厚度相对应;如果涉及到两种或两种以上不同厚度的部件进行熔焊时,试块的厚度应由其最大厚度来确定;4.7.3 现场检测时,可以采用其它型式的等效试块;探伤仪、探头、试块和系统性能测试按超声波探伤仪调试作业指导书进行;5 钢板的超声检测本条适用于板厚6~250mm的板材的超声检测和缺欠等级评定;探头的选用按下表进行;标准试块5.2.1 用双晶直探头检测壁厚小于或等于20mm的钢板时,采用CBⅠ标准试块;5.2.2 用单晶直探头检测壁厚大于20mm的钢板时,采用CBⅡ标准试块;试块厚度与被检钢板厚度相近;检测时机对于要求淬火、正火或回火处理的钢板,检测应在热处理后进行;检测灵敏度5.4.1 板厚小于或等于20mm时,用CBⅠ试块将工件等厚部位第一次底波高度调整到满刻度的50%,再提高10dB作为基准灵敏度;5.4.2 板厚大于20mm时,应将CBⅡ试块Ф5平底孔第一次反射波高调整到满刻度的50%作为检测灵敏度;5.4.3板厚大于探头的三倍近场区时,也可取钢板无缺欠的完好部位的第一次底波来校准灵敏度,其结果应与条相一致;检测方法5.5.1 检测面可选钢板的任一轧制平面进行检测;若检测人员认为需要或设计上有要求时,也可对钢板的上下两轧制平面分别进行检测;5.5.2 扫查方式a 探头沿垂直于钢板压延方向,按间距不大于100mm的平行线进行扫查;在钢板剖口预定线两侧各50mm当板厚超过100mm时,以板厚的一半为准内应作100%扫查;b 根据合同、技术协议书或图样的要求,也可进行其它形式的扫查;缺欠记录5.6.1 在检测过程中出现下列三种情况之一者及作为缺欠:a 缺欠第一次反射波F1波高大于或等于满刻度的50%,即F1≥50%者;b 当底面第一次反射波B1波高未达到满刻度,此时,缺欠第一次反射波F1波高与底面第一次反射波B1之比大于或等于的50%,即B1≤100%,而F1/ B1≥50%者;c 当底面第一次反射波B1波高低于满刻度的50%,即B1<50%者;5.6.2 缺欠的边界或指示长度的测定方法a 检出缺欠后,应在它的周围继续进行检测,以确定缺欠的延伸及范围;b 用双晶直探头确定缺欠的边界或指示长度时,探头的移动方向应与探头的隔声层相垂直,使缺欠波下降到检测灵敏度条件下荧光屏满刻度的25%或使缺欠第一次反射波高与底面第一次反射波高之比为50%;此时,探头中心的移动距离即为缺欠的指示长度,探头中心点即为缺欠的边界点;两种方法测得的结果以较严重者为准;c 用单直探头确定缺欠的边界或指示长度时,移动探头,使缺欠第一次反射波高下降到检测灵敏度条件下荧光屏满刻度的25%或使缺欠第一次反射波与底面第一次反射波高之比为50%;此时,探头中心的移动距离即为缺欠的指示长度,探头中心点即为缺欠的边界点;两种方法测得的结果以较严重者为准;d 确定5.6.1 c条边界或指示长度时,移动探头,使底面第一次反射波升高到荧光屏满刻度的50%;此时,探头中心的移动距离即为缺欠的指示长度,探头中心点即为缺欠的边界点;e 当采用第二次缺欠波和第二次底波来评定缺欠时,检测灵敏度应以相应的第二次反射波来校准;缺欠的评定方法5.7.1 缺欠指示长度的评定准则:一个缺欠按其指示的最大长度作为该缺欠的指示长度;若单个缺欠的指示长度小于40mm时,可不做记录;5.7.2 单个缺欠指示面积的评定规则a)一个缺欠按其指示的最大面积作为该缺欠的单个指示面积;当其小于下表时,可不作记录;b 多个缺欠其相邻间距小于100mm或间距小于相邻小缺欠的指示长度取其较大值时,其各缺欠面积之和作为单个缺欠指示面积;5.7.3 缺欠面积占有率的评定规则:在任一1m×1m检测面积内,按缺欠所占的百分比来确定;如钢板面积小于1m×1m,可按比例折算;钢板缺欠等级评定5.8.1 缺欠等级划分见的表格;5.8.2 在坡口预定线两侧各50mm板厚超过100mm时,以板厚的一半为准内,缺欠的指示长度大于或等于50mm时,则应评为Ⅴ级;5.8.3 在检测过程中,检测人员如确认钢板中有白点、裂纹等危害性缺欠存在时,则应评为Ⅴ级;6锻件的超声检测本条适用于碳素钢和低合金钢锻件的超声检测和缺欠等级评定;不适用于奥氏体钢等粗晶材料的超声检测,也不适用于内外径之比小于80%的环形和筒形锻件的周向横波检测;试块6.1.1 纵波直探头标准试块采用CSⅠ和CSⅡ、CSⅢ试块,也可自行加工其他对比试块;6.1.2 纵波双晶直探头标准试块a 工件检测距离小于45mm时,应采用CSⅡ试块;b 纵波双晶直探头标准试块的形状和尺寸应符合JB4730表5和图5的规定;6.1.3 检测面是曲面时,应采用CSⅢ标准试块来测定由于曲率不同而引起的声能损失,其形状和尺寸符合JB4730图6的规定;检测时机原则上应安排在热处理后,槽、孔、台阶加工前进行;若热处理后锻件形状不适合超声检测时,也可在热处理前进行,但在热处理后仍应对锻件进行尽可能完全的检测;检测面的表面粗糙度Ra为;检测方法锻件一般应进行纵波检测;对筒形和环形锻件还应进行横波检测,但扫查部位和验收标准应由供需双方商定;6.3.1 横波检测应按JB4730附录C的要求进行;6.3.2 纵波检测原则上应从两个相互垂直的方向进行检测,尽可能检测到锻件的全体积;锻件厚度超过400mm时,应从相对两端面进行100%的扫查;检测灵敏度的确定6.4.1 纵波直探头检测灵敏度的确定当被检部位的厚度大于或等于探头的三倍近场区时,原则上可选用底波计算法确定检测灵敏度;对由于几何形状所限,不能获得底波或壁厚小于探头的三倍近场区时,可直接采用CSⅠ标准试块确定检测灵敏度;6.4.2 纵波双晶直探头检测灵敏度的确定选择CSⅡ试块,并依次测试一组不同检测距离的Ф3平底孔至少三个;调节衰减器,使其中最高的回波幅度达到满刻度的80%;不改变仪器的参数,测出其它平底孔回波的最高点,将其标在荧光屏上,连接这些点,即是对应于不同直径平底孔的纵波双晶直探头的距离—波幅曲线,并以此作为检测灵敏度;6.4.3 检测灵敏度一般不得低于最大检测距离的Ф2mm平底孔当量直径;工件材质衰减系数的确定6.5.1 在工件无缺欠完好区域,选取三处检测面与底面平行且有代表性的部位,调节仪器使第一次底面回波幅度B1为满刻度的50%,记录此时衰减器的读数,再调节衰减器,使第二次底面回波幅度B2为满刻度的50%,两次衰减器读数之差即为B1- B2的dB差值;6.5.2 衰减系数的计算公式为:T≥3NB 1- B2-6dBα= 2T 当T<3N,且满足n>3N/t,m=2n:α=B1- B2-6dB2m-n T 式中:α--衰减系数,dB/m单程;B 1- B2--两次衰减器读数之差,dB;T—工件检测厚度,mm;m、n—底波反射次数;6.5.3 工件上三处衰减系数的平均值即作为该工件的衰减系数;缺欠当量的确定6.6.1 采用AVG曲线及计算法确定缺欠的当量;对于三倍近场区内的缺欠,可采用单直探头或双晶直探头的距离—波幅曲线来确定缺欠当量;也可采用其它等效方法来确定;6.6.2 计算缺欠当量时,当材质衰减系数超过4 dB/m,应考虑修正;缺欠记录6.7.1 记录当量直径超过Φ4mm的单个缺欠的波幅和位置;6.7.2 密集性缺欠:记录密集性缺欠中最大当量缺欠的位置和分布;饼形锻件应记录大于或等于Φ4mm当量直径的缺欠密集区,其它锻件应记录大于或等于Φ3mm直径的缺欠密集区;缺欠密集区面积以50mm×50mm的方块作为最小量度单位,其边界可由6 dB法决定;应按表二要求记录底波降低量;6.7.3 衰减系数:若供需双方有规定时,应记录衰减系数;缺欠等级评定6.8.1 单个缺欠等级评定见表一;6.8.2 底波降低量的等级评定见表二;6.8.3 密集区缺欠等级评定见表三;表一单个缺欠等级评定表二由缺欠引起底波降低量的等级评定表三密集区缺欠的等级评定6.8.4 表一、表二和表三的等级应作为独立的等级分别使用;6.8.5 如果工件的材质衰减对检测效果有较大的影响,应重新进行热处理;6.8.6 如果被检测人员判定为危害性缺欠时,锻件的质量等级为Ⅴ级;;6.8.7 锻件修补后,应按本标准的要求进行检测和评定;7 焊缝的超声波检测JB4730标准本条适用于母材厚度为6~400mm全焊透熔化焊对接焊缝的超声检测;不适用于铸钢及奥氏体钢焊缝,也不适用于外径小于250mm或内外径之比小于80%的纵向焊缝检测;试块7.1.1 采用的标准试块为CSK-ⅠA、CSK-ⅡA、CSK-ⅢA、CSK-ⅣA;CSK-ⅠA、CSK-ⅡA、CSK-ⅢA试块适用壁厚范围为6~120mm的焊缝;CSK-ⅠA和CSK-ⅣA系列试块适用壁厚范围大于120~400mm的焊缝;在满足灵敏度要求时,也可采用其它型式的等效试块;7.1.2 检测曲面工件时,如检测面曲率半径R小于等于W2/4时W为探头接触面宽度,环缝检测时为探头宽度,纵缝检测时为探头长度,应采用与检测面曲率相同的对比试块,反射孔的位置可参照对比试块确定;试块应满足:b≥2λS/D式中:b—试块宽度,mm;λ—声波波长,mm;—声源有效直径,mm;S—声程,mm; D检测准备7.2.1 检测面a 焊缝检测一般采用一种K值头、利用一次反射法在焊缝的单面双侧对整个焊接接头进行检测;当母材厚度大于46mm时,采用双面双侧的直射波检测;对于要求比较高的焊缝,根据实际需要也可将焊缝余高磨平,直接在焊缝上进行检测;b 检测区域的宽度应是焊缝本身,再加上焊缝两侧各相当于母材厚度30%的一段区域,这个区域最小为5mm,最大为10 mm;c 探头移动区应清除焊接飞溅、铁屑、油垢及其它杂质;检测表面应平整光滑,其表面粗糙度Ra应小于等于,一般应进行打磨;移动区范围应满足下列要求:采用直射法时,移动区应不少于;采用一次反射法或串列式扫查时,移动区应不少于 T—板厚;K—探头K 值;;d 去除余高的焊缝,应将余高打磨到与邻近母材平齐;保留余高的焊缝,如果焊缝表面有咬边、较大的隆起和凹陷等也应进行适当的修磨,并作圆滑过渡以免影响检验结果的评定;7.2.2 探头K值的选择7.2.2.1探头K值的选择按下表规定选择:7.2.2.2 串列式扫查,推荐选用两个K1值的探头,两探头实际折射角相差不应超过2º,探头前沿长度相差应小于2mm;为便于探测厚焊缝坡口边缘未熔合缺欠,亦可选用两个不同K值的探头,但两个探头K值均应在~范围;距离—波幅曲线的绘制7.3.1 曲线按所用探头和仪器在相应的试块上实测的数据绘制而成,该曲线族由评定线、定量线和判废线组成;评定线与定量线之间包括评定线为Ⅰ区,定量线与判废线之间包括定量线为Ⅱ区,判废线及其以上为Ⅲ区;7.3.2 距离—波幅曲线的灵敏度选择a)壁厚为6~120mm的焊缝,其距离—波幅曲线灵敏度按表四规定;b)壁厚大于120~400mm的焊缝,其距离—波幅曲线灵敏度按表五规定;c)直探头的距离—波幅曲线灵敏度按表六规定;d)检测横向缺欠时,应将各线灵敏度均提高6dB;e)检测面曲率半径R小于或等于W2/4时,距离—波幅曲线的绘制应在曲面对比试块上进行;f)工件的表面耦合损失和材质衰减应与试块相同,在一跨距离声程内最大传输损失差不超过2 dB时可以不进行补偿;表四距离—波幅曲线的灵敏度JB4730表五距离—波幅曲线的灵敏度JB4730表六 T型焊接接头直探头距离—波幅曲线的灵敏度JB4730检测方法7.4.1 平板对接焊缝的检测a 为检测纵向缺欠,原则上采用一种K值或两种K值探头在焊缝的单面双侧进行检测;母材厚度大于46mm时,采用双面双侧检测,如受几何条件限制,也可在焊缝双面单侧采用两种K值探头进行检测;斜探头应垂直于焊缝中心线放置在检测面上,作锯齿型扫查;探头前后移动的范围应保证扫查到全部焊缝截面;在保持探头垂直焊缝作前后移动的同时,还应作10º~15º的左右转动;当壁厚大于40mm 且单侧坡口角度小于5º时,应采用串列式检测;b 为检测焊缝及热影响区的横向缺欠应进行平行和斜平行扫查;检测时,可在焊缝两侧边缘使探头与焊缝中心线成10º~20º作斜平行扫查;焊缝余高磨平时,可将探头放在焊缝及热影响区上作两个方向的平行扫查;焊缝母材超过100mm时,应在焊缝的两面作平行扫查或采用两种K值探头K1和或K1和K2并用作单面两个方向的平行扫查;必要时亦可用两个K1探头作串列扫查;对电渣焊缝还应增加与焊缝中心线成45º的扫查;c 为确定缺欠的位置、方向和形状,观察缺欠动态波形和区分缺欠信号或伪缺欠信号,可采用前后、左右、转角和环绕等四种探头基本扫查方式;7.4.2 曲面工件对接焊缝的检测7.4.2.1 检测面为曲面时,可尽量按平板对接焊缝的检测方法进行检测;对于受几何条件限制,无法检测的部位应予以记录;7.4.2.2 纵缝检测时,对比试块的曲率半径与检测面曲率半径之差应小于10%;a 根据工件的曲率和材料厚度选择探头K值,并考虑几何临界角的限制,确保声束能扫查到整个焊缝;b 探头接触面修磨后,应注意探头入射点和K值的变化,并用曲率试块作实际测定;c 当检测面曲率半径R大于W2/4且采用平面对比试块调节仪器时,应注意到荧光屏指示的缺欠深度或水平距离与缺欠实际的径向埋藏深度或水平距离弧长的差异,必要时应进行修正;7.4.2.3 环缝检测时,对比试块的曲率半径应为检测面曲率半径的~倍;缺欠定量检测7.5.1 灵敏度应调到定量线灵敏度;7.5.2 对所有反射波幅超过定量线的缺欠,均应确定其位置、最大反射波幅和缺欠当量;缺欠定量应根据缺欠最大反射波幅确定缺欠当量直径Φ或缺欠指示长度ΔL;7.6.1 缺欠当量直径Φ,用当量平底孔直径表示,主要用于直探头检测,可采用公式计算,距离—波幅曲线和试块对比来确定缺欠当量尺寸;7.6.2 缺欠指示长度ΔL的测定采用以下方法:a)当缺欠反射波只有一个高点,且位于Ⅱ区或Ⅱ区以上时,使波幅降到荧光屏满刻度的80%后,用6dB法测其指示长度;b 当缺欠反射波峰值起伏变化,有多个高点,且位于Ⅱ区或Ⅱ区以上时,使波幅降到荧光屏满刻度的80%后,用端点6dB法测其指示长度;c 当缺欠反射波峰位于Ⅰ区时,如认为有必要记录时,将探头左右移动,使波幅降到评定线,以此测定缺欠指示长度;缺欠评定7.7.1 超过评定线的信号应注意其是否具有裂纹等危害性缺欠特征,如有怀疑时,应采取改变探头K值、增加检测面、观察动态波型并结合结构工艺特征作判定,如对波型不能判断时,应辅以其它检测方法作综合判定;7.7.2 缺欠指示长度小于10mm时,按5mm计;7.7.3 相邻两缺欠在一直线上,其间距小于其中较小的缺欠长度时,两缺欠指示长度之和作为单个缺欠的指示长度不考虑间距;缺欠等级评定7.8.1 不允许存在下列缺欠:a 反射波幅位于判废线及Ⅲ区的缺欠;b 检测人员判定为裂纹等危害性的缺欠;7.8.2 最大反射波幅位于Ⅱ区的缺欠,根据其指示长度按表七规定予以评级;焊接接头质量分级mm7.8.3 最大反射波幅低于定量线的非裂纹类缺欠,均评为Ⅰ级;7.8.4不合格缺欠应予以返修;返修部位及热影响区仍按本标准进行检测和等级评定;8 长输管道焊缝的超声波检测SY4109标准本条适用于壁厚为5~50mm,管径为57~1400mm碳素钢和低合金钢等金属材料的石油天然气长输管道、集输及其站场的管道环向对接焊缝的超声检测与质量分级;不适用于弯头与直管、带颈法兰与直管,回弯头与直管对接接头的检测; 试块采用的标准试块为SGB和SRB试块;SRB试块用于比较焊缝根部未焊透深度;SGB试块用于测定探伤仪、探头和系统的性能以及对仪器做调整和校验;SGB 试块适用范围见下表:检测准备8.2.1 检测面a 焊缝检测一般采用一种K值头,单面双侧直射法及一次反射法或二次反射法;b 检测区域的宽度应是焊缝本身,再加上焊缝两侧各10mm区域;c 探头移动区应清除焊接飞溅、铁屑、油垢及其它杂质;检测表面应平整光滑,其表面粗糙度Ra不应超过,一般应进行打磨;移动区范围应满足下列要求:采用一次反射法检测时,探头移动区应不小于P=2KTP—探头移动区; T—板厚;K—折射角正切值;采用直射法检测时,探头移动区应不小于 P8.2.2 探头K值的选择探头K值的选择按下表规定:距离—波幅曲线的绘制8.3.1 曲线按所用探头和仪器在相应的SGB和SRB试块上实测的数据绘制而成,该曲线族由评定线、定量线和判废线组成;评定线与定量线之间包括评定线为Ⅰ区,定量线与判废线之间包括定量线为Ⅱ区,判废线及其以上为Ⅲ区;8.3.2 距离—波幅曲线的灵敏度选择长输管道的距离—波幅曲线灵敏度按下表规定选择:检测方法采用单面双侧直射法及一次反射法或二次反射法;探伤灵敏度不低于评定线灵敏度,对未焊透灵敏度不低于SRB试块人工矩形槽反射波峰值点高度;为确定缺欠的位置、方向和形状,观察缺欠动态波形和区分缺欠信号或伪缺欠信号,可采用前后、左右、转角和环绕等四种探头基本扫查方式;缺欠定量检测8.5.1 灵敏度应调到定量线灵敏度;8.5.2 对波幅超过评定线的反射波应根据探头位置、方向,反射波在荧光屏上的波形和位置及焊缝情况判定是否为缺欠;为探测纵向缺欠,探头应垂直焊缝中心线做矩形扫查或锯齿形扫查,探头前后移动范围应保证能扫查全部焊缝截面及热影响区;8.5.3 对反射波幅位于或超过定量线的缺欠以及判定为根部未焊透的缺欠,应确定其位置、最大反射波所在区域和缺欠指示长度,波幅测定允许误差2dB;8.5.4 缺欠最大反射波幅与定量线SL的dB差,记为 SL ± dB;8.5.5 缺欠位置以获得最大反射波的位置表示,根据相应的探头位置和反射波在荧光屏上的位置确定,在焊缝周向分度点为起点,沿介质流出方向投影,顺时针进行标记;深度标记是以缺欠最大反射波的深度值表示;8.5.5当缺欠反射波只有一个高点且位于Ⅱ区时,降低6dB相对灵敏度法测定缺欠指示长度,当缺欠反射波起伏变化;有多个高点且位于Ⅱ区时,应以端点6dB 法,确定指示长度;8.5.6 缺欠指示长度小于 10mm时,按 5 mm计;8.5.7 相邻两缺欠在一直线上,其间距小于较小的缺欠长度时,应作为一个缺欠处理,以两缺欠长度之和作为指示长度;不考虑间距;缺欠评定及检验结果的等级分类8.6.1如缺欠信号具有裂纹等危害性缺欠特征,其波幅不受幅度限制,均评为Ⅳ级,如不能准确判定,应辅以其他检验作综合判定;8.6.2 缺欠反射波幅位于定量线以下的非危害性缺欠均评为I级;8.6.3 最大反射波位于Ⅱ区的缺欠以及波高小于SRB试块人工矩形槽反射波峰值点的未焊透缺欠,应根据缺欠的指示长度,按下表的规定予以评定;注:① L为管道焊缝长度;。
《无损检测中低频磁致伸缩超声导波检测设备的性能与验证》团体标准编制说明一、工作简况1.任务来源本标准经中国材料与试验团体标准委员会(以下简称:CSTM 标准委员会)无损检测技术及设备领域委员会审查,CSTM标准委员会批准《无损检测中低频磁致伸缩超声导波检测设备的性能与验证》立项,标准项目归口管理委员会为 CSTM/FC94无损检测技术及设备领域委员会,标准计划编号为CSTM LX 9400 00423-202,由中国特种设备检测研究院牵头承担《无损检测中低频磁致伸缩超声导波检测设备的性能与验证》团体标准的制定工作。
2.标准制定的背景和目的超声导波无损检测技术是一种新颖的无损检测方法,其单点激励、横截面全覆盖、衰减小的特点,是大范围被检测对象中(如管道、板、铁轨等)较为理想的一种快速、全覆盖查找缺陷的无损检测技术。
而传统五大无损检测检测技术, 如超声、射线、漏磁等,均为“踩点式”检测方法,应用在大范围被检测对象中具有效率低、检测不完整、成本高等特点,因此存在很大的漏检风险。
因此针对管道或板等大范围结构件,可采用超声导波无损检测技术查找出缺陷后,再采用其他传统无损检测技术进行复检,可大大提高检测效率, 减低缺陷的漏检风险。
总结来说,超声导波无损检测技术是一种长距离、大范围结构“体检式”快速扫查技术,是管道、板等大范围结构件缺陷检测的一种有效技术手段。
随着该项技术的推广和普及,超声导波技术逐渐被各特检系统及其检测机构所应用,并形成了一定的检测规范,对于超声导波检测设备的需求也是日益增加,且使用单位和设备制造商也越来越多。
目前常见的超声导波商用检测设备是基于压电式和磁致伸缩两种原理研发的。
压电式超声导波检测设备一般采用多通道阵列式换能器,可以实现多通道聚焦检测,可对缺陷进行粗略的周向定位,但是需要针对不同直径的管道配备不同规格的换能器,通用性差,现场使用不方便,价格昂贵。
而磁致伸缩式超声导波检测设备具有结构简单,探头可灵活适应各种管径,也可通过B 扫检测对缺陷进行周向精确定位, 更加符合现场的管道和板等检测工况,具有更好的工程检测应用前景。
超声回弹综合法检测混凝土强度目录1概述1。
1基本概念1。
2原理1.3规程标准1。
4特点1。
5适用范围2测量仪器的技术要求3测强的主要影响因素3。
1 原材料3。
2 外加剂3.3 碳化深度3。
4 混凝土含水率3。
5 测试面3.6 钢筋影响4测强曲线4。
1 测强曲线意义4。
2 测强曲线分类4。
3 测强曲线建立方法5检测技术及数据处理5。
1 检测准备5.2 测区布置要求5.3 回弹值测量与计算5.4 超声声速测量与计算6混凝土强度的推定6。
1 混凝土抗压强度换算值计算6。
2 混凝土抗压强度换算值修正6.3 构件混凝土抗压强度推定值7工程应用实例一概述1。
1基本概念综合法:采用两种(或两种以上)的测试方法同混凝土强度建立关系.“ 超声波脉冲速度—回弹值"综合法在国内外研究最多、应用最广的一种方法。
超声回弹综合法:采用低频超声波检测仪和标准动能为2.207J的回弹仪,在结构或构件混凝土同一测区分别测量声时(t)及回弹值(R),利用已建立的测强公式,推算测区混凝土强度值(f c cu)的一种方法.1966年罗马尼亚建筑及建筑经济科学研究院首先提出,并编制了有关技术规程,受到各国混凝土无损检测技术研究者重视。
1976年我国引进,结合我国具体情况,许多科研单位进行了大量的试验,完成了多项科研成果,在结构混凝工程的质量检测中已获得了广泛的应用。
1988年中国工程标准化协会批准发布我国第一本《超声回弹综合法检测砼强度技术规程》》(CECS02:88),2005年修订(CECS02:2005)。
1。
2原理混凝土波速v、混凝土回弹值R与强度之间有较好的相关性,强度越高,波速越快,回弹值越高,当率定出关系曲线后,在同一测区分别测声时和回弹值,然后用已建立的测强曲线推算测区强度:其中:a—常数项系数;b、c-回归常数;f cu,e-抗压强度换算值;V—测区修正后的超声声速值R—测区修正后的回弹值平均值。
1。
3规程标准《超声回弹综合法检测砼强度技术规程》(CECS02:2005)1。
本部份规定了承压设备采用A型超声仪检测工件的方法和质量分级。
适用于金属材料制承压设备用原材料,零部件和焊接接头的超声检测及在用承压设备的超声检测。
2、引用标准、法规JB/T 4730-2005 承压设备无损检测JB/T 7913—1995 超声检测用钢制对比试块的制作与校验方法JB/T 9214—1999 A型脉冲反射式超声探伤系统工作性能测试方法JB/T 10061—1999 A型脉冲反射式超声波探伤仪通用技术条件JB/T 10062—1999 超声探伤用探头性能测试方法3、检测人员3.1、超声检测人员,应按照《特种设备无损检测人员考核与监督管理规则》的要求取得超声检测资格。
且只能从事与该方法和该资格级别相应的超声检测工作,并负相应的技术责任。
4、检测设备、器材和材料4.1、探伤仪a) 水平线性误差≯1%,垂直线性误差≯5%b) 具有80dB以上连续可调的衰减器,其精度为12d B±1 d B以内;c) 其他应符合JB/T10001的规定。
4.2、探头1)晶长边长(或直径)≯25mm2) 单斜探头声束轴线水平偏离角≯2°,声束轴线垂直方向无明显的双峰。
4.3、仪器和探头的系统性能a)达到工件最大声程处,有效灵敏度余量≮10d B;b)始脉冲宽度τ:5MHz的探头τ≯10mm;2.5MHz的探头τ≯15mmc)直探头的远场分辨力≮30dB,斜探头≮6 dB。
4.4、试块a)对比试块的外形尺寸,厚度应与被检工件相对应。
b)对比试块反射体形状,尺寸和数量应符合JB/T 7913—1995的规定。
应透声性好,且不损伤工件表面,水、机油、化学浆糊等。
5、检测表面制备5.1、焊缝的表面质量应经外观检测合格,无锈蚀、飞溅、污物等。
应予清除,表面粗糙度符合检测要求。
5.2、所确定的检测面应保证工件被检部份得到充分检查。
6、检测时机6.1、焊接接头在焊完后即可检测,延迟裂纹倾向的材料在焊完24h后检测,球罐在焊完36h后检测。
超声波UT 检测方案1..1 工作范围本方案适用于余热锅炉、汽机中低压管道项目的对接焊口、钢结构型材对接焊缝、板材及板材对接焊缝和钢锻件的超声波探伤检验。
1..2 材料准备1..2.1 仪器根据工程项目现场的具体情况,使用脉冲反射式超声波探伤仪。
1..2.2 仪器的技术要求仪器和探头的组合灵敏度、衰减器精度、水平线性和垂直线性等各种性能指标应符合 JB/T10061《A 型脉冲反射式超声波探伤仪通用技术条件》及 JB/T10062《超声波探伤用探头性能测试方法》的规定。
a.仪器和探头的组合灵敏度:在达到所检工件最大声程时,其灵敏度余量应≥10dB。
b. 衰减器精度:任意相邻 12 dB 误差在±1dB 以内,最大累计误差不超过 1dB 。
c. 水平线性:水平线性误差不大于 1%。
d. 垂直线性:在荧光屏满刻度的 80%范围内线性显示,垂直线性误差不大于 5%。
1..2.3 探头1)晶片有效面积除另由规定外一般不应超过 50mm2,且任意一长边不大于 25 mm 。
2)单斜探头声束轴线水平偏离角不应大于 2 度,主声束垂直主方向不应有明显双峰。
3)直探头的远场分辨力应大于或等于 30 dB ,斜探头的远场分辨力应大于或等于 6dB4)仪器和探头的系统性能应按 ZBJ04001 和 JB/T10062 的规定进行测试(检验周期见表 2)。
5)探头和检验面应该紧密接触,必要时探头楔块应进行修磨使其与检验面吻合。
修磨后探头应该重新测定入射点和折射角。
表1 探头折射或 K 值选择1..2.4试块a. 试块应采用与被检工件相同或相近似声学性能的材料制成,直探头标准试块为CBI、CBII 试块;斜探头标准试块采用 CSK-IA、CSK-IIIA 试块。
b. 试块的制造要求应符合 ZBJ04001 和 JB/T10062 的规定进行测试。
c. 现场检测时,也可采用其它形式的等效试块。
.1..3检测准备1...3.1 检测表面1) 检测面的确定必须保证检查到工件被检部分的整个体积,即应检查到整条焊缝,检验区域的宽度为是焊缝本身再加上焊缝两侧各 10mm 区域(热影响区)。
超声波检测通用工艺规程编制:审核:批准:广西双起起重机制造有限公司日期:2011年06月01日超声波检测通用工艺规程1 主要内容与适用范围本标准规定了我公司采用超声检验方法检测起重机械(包括桥式和门式起重机,流动式起重机,塔式起重机,臂架起重机等)钢焊缝内缺陷的技术及验收准则。
本标准规定的超声检测技术,适用于检测母材厚度8mm-100mm结构钢全焊透熔化焊接接头;如果检测工艺规程得到合同各方的认可,也适用于母6mm-8mm无衬垫结构钢全焊透熔化焊对接焊接接头。
本标准所指的焊缝等级:1级是指重要受拉结构件的焊接接头;2级是指一般受拉结构件的焊接接头;3级是指受压结构件的焊接接头。
2 规范性引用文件下列文件中的条款通过本标准的引用而成为要标准的条款。
凡是注日期的引用文件,其随后所有修改单(不包括勘误的内容)货修订版均不适用于本标准,然而,鼓励根据本标准达成协议的各方研究是否可使用这些文件的最新版本。
凡注明日期的引用文件,其最新版本适用于本标准。
GB/T9445 无损检测人员资格鉴定与认证(GB/T9445-2005,ISO9712:1999,IDT)GB/T12604.1无损检测术语超声检测(GB/T12604.1,ISO5577:2000,IDT)GB/T18694 无损检测超声检测探头及声场的表征(GB/T18964-2002,eqv ISO 10375:1997)GB/T18852 无损检测超声检验测量接触探头声速特性的参考试块和方法(GB/T18852-2002;ISO 12715:1999,IDT)JB/T8428无损检测超声检测用试块JB/T9214 A型脉冲反射式超声探伤系统工作性能测试方法本公司采用检测标准为JB/T10559-2006、验收规范为《起重机械安全技术监察规程》3 术语和定义GB/T12604.1确立的术语和定义适用于本标准。
4 人员资格起重机械钢焊缝的超声检测及最终验收结果的评定应由有资格和能力的人员来完成。
超声波检测工艺规程1.一般要求1.1主题内容与适用范围1.1.1 本规程规定了检测人员资格、仪器探头试块、检测范围、方法和质量分级等。
1.1.2 本规程采用A型脉冲反射式超声仪器对钢板和焊缝进行检测。
1.1.3 本规程按JB4730编制,符合《容规》和GB150的要求。
1.1.4 检测工艺卡是本规程的补充,其检测参数规定的更具体。
1.2 引用标准JB4730 《压力容器无损检测》GB150 《钢制压力容器》《压力容器安全技术监察规程》JB 4126 《超声检测用钢制试块的制造和控制》ZBJ 04001《A型脉冲反射式超声波探伤系统工作性能测试方法》ZBY 230 《A型脉冲反射式超声波探伤仪通用技术条件》ZBY 232 《超声探伤用Ⅰ号标准试块技术条件》ZBY 231 《超声探伤用探头性能测试方法》1.3 检测人员1.3.1 检测人员必须经过培训,按《锅炉压力容器无损检测人员资格考核规则》的要求, 经理论和实际考试合格,取得相应等级资格证书的人员担任。
检测由Ⅱ级以上人员进行, Ⅰ级人员仅作检测的辅助工作。
1.3.2 检测人员每年检查一次身体,其矫正视力不低于1.0。
1.4 仪器、探头和试块1.4.1 现使用仪器型号见表1。
1.4.2a.仪器和探头的组合灵敏度:在达到所检工件最大声程时,其灵敏度余量应≥10dB。
b.衰减器精度:任意相邻12dB误差在±1dB以内,最大累积误差不超过1dB。
c.水平线性:水平线性误差不大于1%。
d.垂直线性:在荧光屏满刻度的80%范围内呈线性显示。
垂直线性误差不大于5%。
e.探头(1)晶片有效面积一般不应超过50 mm,且任一边长不大于25 mm。
(2)单斜探头声束轴线水平偏离角不应大于2o,主声束垂直方向不应有明显的双峰。
(3)直探头的远场分辨力应大于或等于30dB,斜探头的远场分辨力应大于或等于6dB。
f.仪器和探头的系统性能应按ZBJ04001和ZBY231的规定进行测试。
儿童综合素质评测系统性能及原理主要功能儿童智商测评功能儿童注意力测训功能儿童生长发育测试分析儿童未来身高预测儿童膳食营养素分析儿童感觉综合能力测评儿童气质特征测试分析儿童记忆力测试与训练儿童行为测试分析儿童抑郁测试分析儿童焦虑测试分析儿童抽动症测试分析儿童学习方面测试分析超声波测试婴幼儿身长、体重超声波测试儿童身高、体重工作原理儿童智力测试主要是通过PPVT、WISC、CRT、MOD等智商(IQ)测试方法来综合确定被测儿童的智力水平;儿童注意力测试主要是通过图片、字母、数字划销等注意力测试训练方法来综合确定被测儿童的注意力集中度及训练;通过SIT感觉综合能力发展测试进行感觉能力方面的测评;通过瞬时记忆测训、短时记忆测训的“再现法”“再认法”对儿童的进行记忆力的测评和训练;利用ABC、CABS、CARS、CLS孤独症测试方式对儿童的孤独状态进行测评;运用当下最新的儿童气质测评研究成果,测试儿童气质;根据父母的身高、膳食营养、低于环境等因素分析预测儿童未来身高。
测评范围儿童智商测评:PPVT图片词汇测评,CRT联合瑞文测评,WISC韦氏智力测评,MOD 绘人智力测试等主要用于2-18岁儿童儿童注意力测训:图片划销、数字划销、字母划销主要用于0-18岁儿童使用儿童生长发育测试:0-18岁儿童测评儿童感觉综合能力测评:6-11岁学龄儿童儿童气质特征测试分析:3-14岁儿童使用儿童记忆力测试与训练:瞬时记忆测训4-8岁儿童,短时记忆测训6-15岁儿童性能特点1.引用国际标准和国内标准,方法权威,客观评定,诊断准确率高2.具有触摸屏功能,语音自动提示,人性化操作界面,操作简单易懂3.测评项目多、功能齐全,包含智力、生长发育、常规保健等测试内容4.智能化检测:界面设计新颖、时尚,深受儿童喜爱5.在显示屏走动的字幕上,按照选定的符号用手指进行点击划销6.注意力测试划销根据被测试者的年龄段确定字幕的走动速度7.PPVT具有声报图片词汇功能,CRT具有语言自动提示功能8.WISC测试具有语言和操作两个分量表,配备全套测试工具、指导书9.MOD测试时可直接接在屏幕上用手、笔或鼠标画人10.卧式测量称和立式测量称可链接电脑实现自动切换11.具有摄像功能,摄像系统、音箱与显示屏一体化12.测试、资料存贮、结果报告打印于一体,方便、快捷、准确13.具有查询、添加、排序、备份等信息管理功能14.测试功能强大项目齐全,软件具有升级功能。
目录1.编制依据 (1)2.工程概况 (1)3.主要工程量 (2)4.作业条件 (3)5.作业方案 (7)6.QA检查单 (28)7.强制性条文执行内容 (29)8.质量控制措施 (29)9.安全文明施工保障措施和施工安全风险控制计划 (30)10.绿色施工措施 (34)11.应急保障措施 (34)12.反馈单 (36)13.《作业指导书》变更单 (37)14.附件 (38)1 / 481. 编制依据1.1《焊缝无损检测超声波检测技术、检测等级和评定》GB/T11345-20131.2《承压设备无损检测》NB/T47013.3-20151.3《锅炉安全技术监察规程》TSGG0001-20121.4《火力发电厂金属技术监督规程》DL/T438-20091.5《火力发电厂焊接技术规程》DL/T869-20121.6《管道焊接接头超声波检验技术规程》DL/T820-20021.7《高温紧固螺栓超声波检验技术导则》DL/T694-20121.8《火力发电厂高温紧固件技术导则》DL/T439-20061.9《汽轮发电机合金轴瓦超声波检测》DL/T297-20111.10《火力发电工程建设标准强制性条文实施指南》(2013年版)1.11《质量管理手册》、《程序文件》-上海电力安装第二工程公司金属试验中心1.12业主和安装单位的技术协议施工合同2.工程概况2.1 工程概述——建设规模及地点宁夏国华宁东发电厂二期2×660MW扩建工程,建设地点位于宁夏回族自治区银川市所辖灵武市境内,宁东煤炭基地腹地。
是在神华宁夏国华宁东发电有限公司一期工程扩建端预留场地上建设,属扩建性质。
国华宁东电厂位于灵武市东南约48km处的马家滩镇北边,南距马家滩镇约4km,北距红柳矿井工业场地约1km,西距麦垛山矿井工业场地约3km,厂址区域属于宁东缓坡丘陵地貌,地势高而开阔,土地荒芜,植被稀疏,沙化严重,地表为黄土状粉土;厂区地形由北向南倾斜,地面自然标高在1440~1450m之间。
钢结构试题三单选1。
竣工总图的比例尺,宜选用比例。
()(1分)A.1:200B。
1:500C.1:800D.1:10002。
GB/T29711-2013显示分类流程步骤5中,显示的_C__,是探头按IS017640要求沿垂直于显示长度方向移动时所获得的回波包络线。
()(1分)A.纵向动态回波波形B。
纵向静态回波波形C.横向动态回波波形D.横向静态回波波形3.GB/T29711—2013中,高回波幅度的判别为_C__。
()(1分)A.步骤1B。
步骤2C.步骤3D.步骤44.按GB/T11345—2013实施检测的人员,应按GB/T9445或__C_进行资格鉴定与认证。
.()(1分)A。
委托方要求的体系B.合同各方同意的体系C。
管理部门要求的体系D。
检测方自有的体系5。
JG/T203-2007中规定,在空心球外表面的焊接接头两侧以及钢管对接焊缝两侧进行探伤检查时,采用_B__检验等级。
()(1分)A.A级B。
B级C。
C级D。
D级6。
GB/T29711-2013中将显示进行分类的步骤4为_A__。
()(1分)A.分类为平面型B.主要分类未熔合C.主要分类夹杂物D.主要分类裂纹6。
GB/T29711-2013中将显示进行分类的步骤4为_A__。
()(1分)A。
分类为平面型B.主要分类未熔合C。
主要分类夹杂物D。
主要分类裂纹7.焊接H型钢的允许偏差应符合GB50205—2001附录C中表C.0.1的规定。
其检查数量:每种规格抽查%,且不应少于3件。
(D)(1分)A。
1B。
3C。
5D。
108。
钢板和钢带的应符合GB/T709的规定。
(D)(1分)A。
尺寸、外形、重量B。
尺寸、外形、允许偏差C.尺寸、重量及允许偏差D。
尺寸、外形、重量及允许偏差9。
依据GB50661-2011规定,无损检测人员必须由专业机构考核合格,其资格证书应在有效期内,并按考核合格项目及B_从事无损检测和审核工作。
()(1分)A.参数B。
超声检测通用工艺规程3.1 适用范围本规程适用于采用A型脉冲反射式超声波探伤仪,对金属原材料、零部件和焊接接头进行超声波检测。
3.2 检测时机3.2.1有延迟裂纹倾向的材料其焊接接头应在焊接完成24小时后才能进行检测。
3.2.2 锻件检测原则上应在热处理后,槽孔、台阶加工前进行。
表面粗糙度Ra≤6.3μm。
3.3 工件要求3.3.1 焊接接头探头移动区应由送检单位清除焊接飞溅、铁屑、油垢及其它杂质,对咬边、较大的隆起和凹陷等应作适当的修磨至圆滑过渡。
3.3.2 原材料及零件部、锻件应由送检单位打磨清除铁屑、锈蚀、油垢等其它杂质。
检测表面应平整光滑、便于探头自由扫查,表面粗糙度Ra应为6.3μm。
3.4探伤仪、探头和系统性能3.4.1 探伤仪采用A型脉冲反射式超声波探伤仪,其工作频率范围为1~5MHz,仪器至少在荧光屏满刻度的80%范围内呈线性显示。
探伤仪具有80dB以上的连续可调的衰减器,步进级每档不大于2dB,其精度为任意相邻12dB误差在±1dB以内,最大累计误差不超过1dB。
水平线性误差不大于1%,垂直线性误差不大于5%。
3.4.2 探头a. 超声检测常用单直探头、单斜探头、双晶探头和聚焦探头等。
b. 晶片有效面积一般不应大于500mm2,且任一边长不应大于25mm。
c. 单斜探头声束轴线水平偏离角不应大于2°,主声束垂直方向不应有明显的双峰。
d. 双晶直探头性能应符合JB/T4730.3-2005附录A的要求。
3.4.3 超声探伤仪和探头的系统性能。
a. 在达到所探工件的最大检测声程时,其有效灵敏度余量应不小于10dB。
b. 仪器和直探头组合的始脉冲宽度:对于频率为5MHz的探头,宽度不大于10mm;对于频率为2.5MHz的探头,宽度不大于15mm。
c. 直探头的远场分辨力应不小于30dB,斜探头的远场分辨力应不小于6dB。
d. 仪器和探头的系统性能应按JB/T9214和JB/T10062的规定进行测试。
1 适用范围本规程按GB/T11345编制,规定了厚度大于或等于8mm的低超声衰减(特别是散射衰减小)金属材料熔化焊焊接接头的手动超声波检测技术。
检测时焊缝及其母材温度从0~60 ℃之间。
本规程主要应用于焊缝和母体材料均为铁素体类钢的全熔透焊接接头。
本规程规定了依赖材料的超声波数值,是基于纵波速度为(5900±50)m/s,横波声速为(3255±30 ) m/s的钢材。
2 规范性引用文件GB/T 11345 《焊缝无损检测超声检测技术、检测等级评定》3 检测前需要的信息3.1 必要的项目a) 参考等级设定方法;b) 显示评定方法;c) 验收等级;D) 检测等级;e) 检测时被检对象所处的制造和加工状态;f) 人员资格;g) 横向显示的检测范围;h) 焊前和(或)焊后的母材检测;i) 是否需要书面检测工艺规程;j) 书面检测工艺规程的要求。
3.2 测试之前所需要的具体信息焊接接头超声检测前,检测人员应获得下列必要信息:a) 母材类型和产品门类(例如:铸件、锻件、轧制件);b) 检测时被检对象所处的制造或加工状态,包括热处理状态和其他;c) 任何焊后热处理的时机和程度;d) 坡口形式和尺寸;e) 表面状态要求;f) 焊接工艺规程或相关焊接工艺参数;g) 报告要求;h) 验收等级;i) 检测范围(包括横向显示的检测要求,如相关);j) 检测等级;k) 人员资格等级;l) 发现不可验收显示后的纠正规程。
4 人员和设备4.1 人员资格实施检测的人员,应按GB/T 9445或合同各方同意的体系进行资格鉴定与认证,取得超声检测相关工业门类的资格等级证书,并由雇主或其他代理对起进行职位专业培训和操作授权。
从事焊缝检测人员应掌握焊缝超声检测通用知识,具有足够的焊缝超声检测经验,并掌握一定的材料和焊接基础知识。
4.2 设备4.2.1 宜选用按GB/T 5616或合同各方同意的体系取得认证或合格评定的超声检测仪,探头和试块。
超声检测系统综合性能测试
Ⅰ试验目的:1)掌握仪器综合性能测试方法及测试流程。
2)掌握探头综合性能测试方法。
3)掌握系统综合性能测试方法。
4)掌握熟知仪器设备的使用方法及过程中所注意
的事项
Ⅱ 试验系统:
1) 模拟式超声检测仪 2)探头 3)藕合剂 4)尺子 5)
CSK-IA试块 6)IB试块 7)DB-PZ20-2平底孔
试块
【仪器综合性能测试】
{垂直线性}:
ⅰ 实验步骤:
1) 准备好试验过程中所需的仪器设备及器材。
2) 将直探头放置DB-PZ20-2平底试块表面,将
探头压在试块保持耦合稳定,移动扫查孔的
反射回波。
3) 调节衰减器是回波高度为100%满屏,此时
衰减应保留30dB余量,每次2dB增量调节
衰减器。
4) 记录高度值,分析数据。计算出垂直线性误
差 ,整理试验设备。
ⅱ 试验示意图:
ⅲ:试验数据记录:
dB 理论高度% 实际高度% 相对差
0 100 100 0
2 79.4 80 0.6
4 63.1 64 0.9
6 50.1 50 -0.1
8 39.8 40 0.2
10 31.6 34 2.4
12 25.1 28 2.9
14 20.0 22 2
16 15.8 18 2.2
18 12.5 14 1.5
20 10.0 10 0
22 7.9 8 0.1
24 6.3 4 -2.3
26 5.0 2 -3
28 4.0 0 -4
30 3.2 0 -3.2
ⅳ计算及分析结果:
根据计算垂直线性误差为6.9%小于8% 所以符合
JB/T10061-1999的标准要求。
{动态范围}:
在上述垂直线性测试中,继续调解衰减器直至刚能辨认回波,
总的衰减值即为动态范围,根据JB/T10061-1999标准要求动态
范围应为26 dB
{水平线性测试}:
ⅰ试验步骤;
1) 准备好试验过程中所需的仪器试块。
2) 将直探头在IB试块上并耦合稳定。
3) 节出6个底面回波后,将始波往左移,调节仪器依
次使B1和B6的波高为80%,第一次波对准时基线
刻度0,B6对准时基线100%.
4) 然后依次调节B2.B3.B4.B5.的波高为80%刻度,别
读取前沿分别与20.40.60.80.的偏差a2.a3.a4.a5计
算出水平线性.
5) 结果分析。整理试验器材。
ⅱ试验示意图:
ⅲ 数据处理及结果分析:
分析: JB/T10061-1999标准要求水平线性误差应为小于2%.
根据此测试结果是符合标准要求的。
{电噪声}
将仪器的灵敏度和扫描范围调至最大,在无外界干扰的情况
下,电噪声信号的平均幅度的满屏高的百分比所得电噪声小于
10%。
【探头综合性能测试】
{前沿距离}
ⅰ试验步骤:
1) 准备好试验过程中所需要的仪器设备及测量工
具。
2) 用K2斜探头放置CSK-IA试块上并耦合稳定
后。
3) 向R=100圆弧前沿辐射声波,观察R100圆弧
面的反射回波。
4) 在保持探头声束轴线与试块侧面平行时移动探
头直到相应的反射回波达到最高。
5) 用尺子量取探头前沿至试块边缘的距离,计算
量取三次求平均值。
ⅱ试验示意图:
ⅲ 记录数据:
ⅳ结果分析:
所测的前沿距离都在9—13mm之间,说明此探头性能符合
标准要求。
{K值测试}
ⅰ试验步骤:
1) 将K2探头放置相应的位置,耦合稳定。
2) 在保持探头声束轴线与试块侧面平行时移动探
头,直到相应的反射回波达到最高。
3) 量取距离L,则应根据测得有关距离,计算K值。
(注意:要根据选用的不同公式计算)
4) 测量三次求平均值,记录数据。
5) 试验完成都整理仪器设备。
ⅱ试验示意图:
ⅲ试验数据:
ⅳ结果分析:
根据测量的实际K值与理论K值比较,若相差极小,可
视为符合要求。(根据标准)
【 系统的综合性能测试】
{灵敏度余量}
ⅰ直探头测试步骤:
1) 选用试验过程中所需要的器材及测量工具。
2) 仪器抑制于0或断开,其他调节取适当值。
3) 将仪器的增益调制最大,调整衰减器,使电噪
声电平达到10%满刻度,设此时衰减读数为
a0
4) 把直探头稳定耦合后在DB-PZ20-2的试块上
仔细扫查找到平底孔的最大回波,调节衰减使
回波调到80%满刻度,舍此时衰减器读数a1
则检测系统灵敏度余量为a=a1-a0
5) 记录数据,分析数据。
6) 试验完成后整理试验设备。
ⅱ斜探头测试步骤:
1) 选用试验过程中所需要的器材及测量工具。
2)仪器抑制于0或断开,其他调节取适当值。
3)将仪器的增益调制最大,调整衰减器,使电噪声
电平达到10%满刻度,设此时衰减读数为a0
4)把斜探头稳定耦合在CSK-IB试块仔细扫查R100
圆弧的最大回波,找到后将调解衰减器调整到80%
刻度,舍此时的衰减a1
5)整理数据两次取值计算灵敏度余量
a=a0-a1
7) 试验完成后整理器材
ⅲ测试示意图:
ⅳ直探头和斜探头灵敏度数据计算结果:
{分辨率}
ⅰ直探头测试步骤:
1) 仪器抑制至于0或断,调节适当值,直探头检测
系统的远场分辨率在CSK-IA试块测试。
2) 将探头压在试块上并耦合,移动探头找到85mm
和91mm声程的反射波并使两波高度相等。(约
为20%)
3) 调节衰减器和增益使两波达到80%,二者分贝数
之差,即为直探头检测系统的分辨率。
ⅱ斜探头测试步骤:
1)仪器抑制至于0或断,调节适当值,直探头检测系统
的远场分辨率在CSK-IA试块测试
2)将探头压在试块上并耦合,移动探头找到直径50和直
径44圆孔的反射波并使两波的高度(约为20%高度)
3)调节增益衰减器使两波达到80%高度,两次分贝差就
是远场分辨率。
4)记录数据,整理试验器材。
ⅲ试验示意图:
ⅳ数据记录;