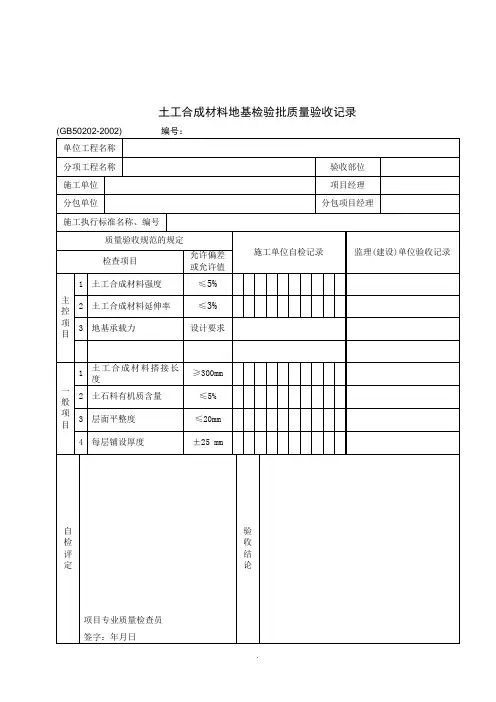
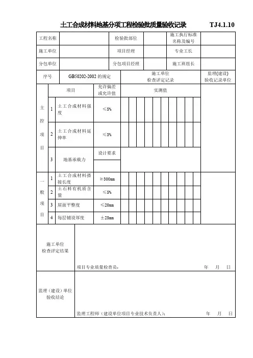
公路工程土工合成材料检验原始记录
- 格式:doc
- 大小:86.00 KB
- 文档页数:2
土工合成材料检测报告共页第页委托单位报告编号施工单位样品编号工程名称规格型号工程部位代表批量生产厂家委托人检测场所地址联系电话样品名称委托日期样品数量检测日期样品状态检测类别检测依据检测环境检测内容检测项目单位标准要求实测值单项判定单位面积质量偏差率%厚度偏差率%纵横向断裂强度横向kN/m 纵向标称断裂强度对应伸长率横向%纵向纵横向撕裂强力横向kN 纵向顶破强力kN 垂直渗透系数cm/s 刺破强力N以下空白检测结论检测说明取样人:见证单位:见证人:批准:审核:主检:检测单位检测专用章(盖章)签发日期:年月日土工合成材料单位面积质量原始记录共页第页样品名称样品编号样品状态规格型号检测日期环境条件设备名称设备编号设备状态检测依据检测内容组数试样编号123456789101面积A(mm2)质量m(g)单位面积质量测值G(g/m2)单位面积质量测定值G(g/m2)标准差σ变异系数Cv(%)重量标准值(g/㎡)单位面积质量偏差率(%)1面积A(mm2)质量m(g)单位面积质量测值G(g/m2)单位面积质量测定值G(g/m2)标准差σ变异系数Cv(%)重量标准值(g/㎡)单位面积质量偏差率(%)各组单位面积质量平均值(g/m2)/校核:主检:土工合成材料厚度试验原始记录共页第页样品名称样品编号样品状态规格型号检测日期环境条件设备名称设备编号设备状态检测依据检测内容厚度测定(压力N)试样编号12345678910百分表或千分表初读数百分表或千分表终读数试样厚度测值δ(mm)试样平均厚度(mm)标准差σ变异系数Cv(%)厚度标准值(mm)厚度偏差率(%)厚度测定(压力N)试样编号12345678910百分表或千分表初读数百分表或千分表终读数试样厚度测值δ(mm)试样厚度测定值δ(mm)试样平均厚度(mm)标准差σ厚度标准值(mm)厚度偏差率(%)厚度测定(压力/N)试样编号12345678910百分表或千分表初读数百分表或千分表终读数试样厚度测值δ(mm)试样平均厚度(mm)标准差σ变异系数Cv(%)厚度标准值(mm)厚度偏差率(%)检测说明:校核:主检:土工合成材料梯形撕裂强力原始记录共页第页样品名称样品编号样品状态规格型号检测日期环境条件设备名称设备编号设备状态检测依据检测内容拉伸方向纵向试件编号12345678910纵向最大撕破强力(N)纵向最大撕破强力平均值(N)纵向最大撕破强力标准差(N)纵向最大撕破强力变异系数(%)拉伸方向横向试件编号12345678910横向最大撕破强力(N)横向最大撕破强力平均值(N)横向最大撕破强力标准差(N)横向最大撕破强力变异系数(%)检测说明校核:主检:土工合成材料拉伸强度试验原始记录共页第页样品名称样品编号样品状态规格型号检测日期环境条件设备名称设备编号设备状态检测依据检测内容拉伸速率(mm/min)试样宽度(mm)试验温度(℃)试验湿度序号纵向横向初始长度(mm)最终长度(mm)伸长量(mm)拉力(kN)延伸率(%)抗拉强度(kN/m)初始长度(mm)最终长度(mm)伸长量(mm)拉力(kN)延伸率(%)抗拉强度(kN/m)1 2 3 4 5 6 7 8 9 10数据统计平均值抗拉强度(kN/m)平均值抗拉强度(kN/m)延伸率(%)延伸率(%)标准差抗拉强度(kN/m)标准差抗拉强度(kN/m)延伸率(%)延伸率(%)变异系数(%)抗拉强度(kN/m)变异系数(%)抗拉强度(kN/m)延伸率(%)延伸率(%)检测说明校核:主检:土工合成材料CBR顶破强力原始记录共页第页样品名称样品编号样品状态规格型号检测日期环境条件设备名称设备编号设备状态检测依据检测内容试件编号12345顶破强力(N)顶破强力平均值(N)顶破强力标准差(N)顶破强力变异系数(%)顶杆位移h(mm)顶破位移平均值(mm)顶破位移标准差(mm)顶破位移变异系数(%)试验前夹具内侧到顶杆顶端边缘的距离L(mm)试验后夹具内侧到顶杆顶端边缘的距离L(mm)1变形率(%)变形率平均值(%)变形率标准差(%)变形率变异系数(%)检测说明校核:主检:共页第页样品名称样品编号样品状态规格型号检测日期环境条件设备名称设备编号设备状态检测依据检测内容试样编号土工织物试样厚度δ(mm)时间t(s)水温T(℃)T℃水温修正系数RT水头差H(mm)渗透水量V(mL)20℃水流速度υ20(mm/s)水力梯度i50mm水头差流速υ20(mm/s)水温20℃时垂直渗透系数k20(mm/s)水温20℃时的透水率θ201拟合曲线公式2拟合曲线公式3拟合曲线公式4拟合曲线公式5拟合曲线公式共页第页试样1拟合曲线试样2拟合曲线试样3拟合曲线试样4拟合曲线试样5拟合曲线水头差Δh(mm)水温20℃时垂直渗透系数k20(mm/s)水头差Δh(mm)水温20℃时垂直渗透系数k20(mm/s)平均值标准差变异系数(%)平均值标准差变异系数(%)检测说明V20=VRt/At k=v/i=vδ/Hθ=v/H 校核:主检:土工合成材料刺破强力试验原始记录共页第页样品名称样品编号样品状态规格型号检测日期环境条件设备名称设备编号设备状态检测依据检测内容试样编号刺破强力测值F(N)刺破强力测定/平均值F(N)刺破强力标准差σ(N)刺破强力变异系数Cv(%)检测说明校核:主检:。
公路工程土工合成材料检验原始记录(一) YSJL-0000
第 页共 页
委托编号 收样日期 试验日期
样品编号 检测方法
□JTG E60-2006《公路工程土工合成材料试验规程》
□GB/T13760-2009《土工合成材料 取样和试样准备》
样品名称
样品概况 说 明 其余相关信息详见相应检验协议书
检测项目
□
检测结论
取 样 与 试 样 准 备
试
样
裁
取
和
准
备
裁
样
1、 本次裁样时间为 年 月 日 : ,裁样□是□不是在同一样品中裁取,本次取样部位不在卷装
材料的头两层,本样品两面□有□没有显著差异;
2、 本次裁取的试样均距样品幅边至少 cm,试样不包含有影响试验结果的任何缺陷,制样过程□有
□无造成材料破碎和损伤;
3、 本次裁取的试样□是□否发生异常情况,有发生则描述如下:
试
样
裁
取
位
置
示
意
图
→样品长度方向
↓
样
品
宽
度
方
向
试样调湿和
状态调节
□、本试样于 年 月 日 : 放在温度为(18~22)℃、相对湿度为□(60~70)% □不做
规定的土工检测室中状态调节,调节到 年 月 日 : 结束;具体调节时温、湿度记录详见
本试验中心土工检测室的相应日期的温湿度记录纸。
□、本试样无需进行调湿和状态调节,试验时的温度为 ℃,相对湿度为 %。
【说明】本次检验用之计量仪器及设备均经有关部门计量检定合格,均在有效期内。
审核: 校核: 试验:
公路工程土工合成材料物理性能检验原始记录(二)
YSJL-0000
第 页共 页
委托编号 样品编号 说 明 其余相关信息详见相应检验协议书
检验使用的主要仪
器编号及名称
□电子天平 □ 钢尺 □千分表 □百分表 □秒表
检测方法
□JTG E60-2006《公路工程土工合成材料试验规程》
□GB/T13762-2009《土工合成材料 土工布及土工布有点产品单位面积质量的测定方法》
□GB/T13761.1-2009《土工合成材料 规定压力下厚度的测定 第一部分:单层产品厚度的测定方法》
单 位 面 积 质 量 测 定
试样编号 试样长度方向尺寸l1(mm) 试样长度方向尺寸l2(mm) 试样宽度方向尺寸b1(mm) 试样宽度方向尺寸b2(mm) 试样长度平均值l(mm) 试样宽度平均值b(mm) 试样的实际面积 A(mm2)A=l×b 试样质量 m(g) 试样单位面积质量(g/mm2)
G=(m×106)/A
试验结果
试样单位面积质量的平均值G= g/mm2;标准差σ= g/mm2;变异系数CV= %
本次试验偏离情况:
土 工 膜 厚 度 测 定
试验前准备
1、测量前千分表放置在基准板上校准表读值为 mm,测量后重新检查基准点读数为 mm;
2、本次检测的土工膜(片)宽为 mm,样品□有□未裁毛边
测点编号 1
2 3 4 5 6 7 8 9 10
千分表读数
(mm)
土工膜厚度
(mm)
试验结果
试样平均厚度为δ mm;厚度最大值为 mm;厚度最小值为 mm;标准差σ= g/mm2;变异系数CV= %
本次试验偏离情况:
土 工 织 物、 复 合 土 工 织 物 厚 度 测 定(百分表初读数= mm)
测点编号
1 2 3 4 5 6 7 8 9 10
压块为5N时百分
表读数(mm)
压块为5N时试样
厚度(mm)
压块为50N时百
分表读数(mm)
压块为50N时试
样厚度(mm)
压块为500N时百
分表读数(mm)
压块为500N时试
样厚度(mm)
试样结果
当压块为5N时试样厚度的算术平均值δ= mm, 标准差σ= mm;变异系数CV= %;当压块为50N时试样厚