电力系统信息物理融合仿真平台解决方案
- 格式:pdf
- 大小:202.86 KB
- 文档页数:5
电力系统虚拟仿真实验平台设计与实现随着科技的进步和电力行业的发展,电力系统的虚拟仿真实验平台应运而生。
这种平台可以模拟真实的电力系统运行环境,通过虚拟仿真技术,对电力系统的运行进行实时模拟和监测,提供有效的实验与培训手段。
本文将详细介绍电力系统虚拟仿真实验平台的设计与实现。
一、设计目标为了满足电力系统的教学和研究需求,电力系统虚拟仿真实验平台应具备以下设计目标:1. 实时仿真:平台能够实时模拟电力系统的各种运行情况,包括电压、电流、功率等参数的计算和显示。
2. 多场景支持:平台应支持各种电力系统的仿真实验需求,包括电力传输、配电、短路、过电压等多种场景。
3. 灵活可调:平台能够根据用户需求进行参数调整,包括电力系统元件的连接方式、参数设置等。
4. 数据可视化:平台具备数据可视化功能,能够通过图表、曲线等方式直观展示电力系统运行结果。
5. 用户友好:平台的操作界面简单直观,用户可以轻松上手,进行实验仿真操作。
6. 可扩展性:平台应具备良好的扩展性,能够根据需求增加新的电力系统场景和功能。
二、平台实现1. 软件选型:平台的设计与实现可以选择使用MATLAB、PSIM等仿真软件进行开发。
这些仿真软件具备强大的仿真能力和用户友好的界面,适合电力系统虚拟仿真平台的开发和实现。
2. 前端设计:平台的前端设计是用户与平台进行交互的界面,应该具备良好的用户体验和友好的操作界面。
界面上可以包括电力系统的拓扑结构、元件的图示、参数的设置和实时模拟结果的显示等功能。
3. 后端开发:平台的后端开发是实现电力系统运行的核心部分。
通过编程语言如Python或MATLAB,可以实现电力系统的计算和数据处理,如节点电流计算、矩阵运算等。
后端开发还可以实现电力系统的仿真参数调整、故障注入等功能。
4. 数据库设计:为了保存和管理用户的实验数据和结果,需要设计数据库进行数据存储和查询。
数据库可以使用MySQL、SQLite等关系型数据库进行设计,并通过编程语言的API进行数据的读写操作。
电力系统仿真平台的建设与应用随着电力系统的不断发展和智能化的推进,电力系统仿真平台的建设与应用变得越来越重要。
电力系统仿真平台是一种基于计算机技术的虚拟仿真环境,可以模拟电力系统的运行情况,帮助电力系统运行人员进行系统分析、优化调度和故障诊断等工作。
本文将介绍电力系统仿真平台的建设与应用,并探讨其在电力系统运行中的作用和意义。
一、电力系统仿真平台的建设1. 硬件设备的建设电力系统仿真平台的建设首先需要一定的硬件设备支持。
这包括计算机服务器、网络设备、存储设备等。
计算机服务器需要具备足够的计算能力和存储空间,以支持大规模的仿真计算。
网络设备需要保证平台内各个模块之间的通信畅通,以及与外部系统的数据交互。
存储设备需要提供足够的存储空间,以保存仿真数据和结果。
2. 软件系统的建设电力系统仿真平台的建设还需要一套完善的软件系统。
这包括仿真软件、数据库管理系统、数据可视化软件等。
仿真软件是平台的核心,需要具备强大的仿真计算能力和稳定的运行性能。
数据库管理系统用于存储和管理仿真数据,以便后续的数据分析和查询。
数据可视化软件可以将仿真结果以图表等形式展示,方便用户进行数据分析和决策。
3. 数据库的建设电力系统仿真平台需要建立一个完善的数据库,用于存储和管理各种仿真数据。
数据库需要具备高效的数据存储和查询能力,以满足平台的数据管理需求。
同时,数据库还需要具备一定的安全性和可靠性,以保护仿真数据的安全和完整性。
二、电力系统仿真平台的应用1. 系统分析与优化电力系统仿真平台可以模拟电力系统的运行情况,帮助电力系统运行人员进行系统分析和优化。
通过对电力系统的仿真计算,可以得到系统的各种运行参数和指标,如电压、电流、功率等。
运行人员可以根据这些数据进行系统分析,找出系统中存在的问题,并提出相应的优化方案。
通过不断的仿真计算和优化调整,可以提高电力系统的运行效率和稳定性。
2. 调度与控制电力系统仿真平台还可以帮助电力系统运行人员进行调度和控制。
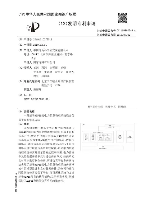
(19)中华人民共和国国家知识产权局(12)发明专利申请(10)申请公布号 (43)申请公布日 (21)申请号 201910102785.6(22)申请日 2019.02.01(71)申请人 中国电力科学研究院有限公司地址 100192 北京市海淀区清河小营东路15号申请人 国家电网有限公司(72)发明人 王跃 穆清 徐翌征 王峰 乔小敏 牛琳琳 徐树文 郑伟杰 程昱 孙丽香 (74)专利代理机构 北京工信联合知识产权代理有限公司 11266代理人 姜丽辉(51)Int.Cl.G06F 17/50(2006.01)(54)发明名称一种基于ADPSS的电力信息物理系统联合仿真平台和仿真方法(57)摘要本发明提供一种基于先进数字电力实时仿真器ADPSS的电力信息物理系统联合仿真平台和仿真方法。
所述平台和方法以基于ADPSS的电力仿真单元作为主体,集成平台控制单元、数据传输单元、通信仿真单元和控保单元,其中,平台控制单元进行联合仿真的系统配置,启动电力信息物理系统仿真并显示仿真过程和结果,电力仿真单元经数据传输单元与通信仿真单元、控保单元实时同步进行联合仿真。
所述仿真平台和仿真方法实现了基于ADPSS的电力信息物理系统仿真框架中的模型设计和实时数据传输,为电网和通信网络联合仿真提供了平台,而且所述系统和方法基于ADPSS现有的软件架构,易于开发实现,同时保持了ADPSS和通信仿真单元的独立性。
权利要求书2页 说明书7页 附图2页CN 109960849 A 2019.07.02C N 109960849A权 利 要 求 书1/2页CN 109960849 A1.一种基于先进数字电力实时仿真器ADPSS的电力信息物理系统联合仿真平台,其特征在于,所述仿真平台包括:平台控制单元,与电力仿真单元和通信仿真单元连接,用于配置电力仿真单元的电力仿真元件属性、通信仿真单元的通信仿真元件属性、电力仿真元件与通信仿真元件的拓扑和电力遥控、遥测、遥信的对应关系,设置通信网络仿真方案,以及注入通信网络故障和电力设备故障错误,启动电力信息物理系统仿真,以及呈现仿真过程,对传输的仿真数据进行分析,并显示仿真结果;电力仿真单元,其与平台控制单元和数据传输单元连接,用于基于ADPSS建立物理侧交互元件的模型,编辑电力仿真算例,配置ADPSS网络参数,以及进行电力仿真计算,并通过数据传输单元与通信仿真单元进行数据传输;数据传输单元,其用于在电力仿真单元和通信仿真单元之间进行数据传输;通讯仿真单元,其与电力仿真单元、控制单元和平台控制单元连接,用于仿真通信网络;控保单元,其与通信仿真单元连接,用于处理从电力仿真单元,经通信仿真单元传输的电力遥控、遥测、遥信数据。
信息物理融合模型高效协同仿真求解信息物理融合模型高效协同仿真求解,乍一听,感觉像是个大难题。
也没那么复杂,就是一个将现实世界的物理系统和虚拟的计算机模型合并在一起,通过仿真来更好地理解和预测系统行为的过程。
想象一下,你在玩一个模拟经营游戏,你可以在虚拟世界里做各种决策,然后看这些决策如何影响游戏中的经济和环境。
这个过程就像是你通过虚拟模拟来预测现实世界中可能发生的事。
而这背后,信息物理融合模型就起到了“桥梁”的作用。
它把物理世界世界给连接起来,帮我们理解它们之间复杂的互动。
你想啊,现实中的电力系统,交通系统,甚至是你家里的智能家居系统,这些看似简单的东西,其实都离不开信息物理融合模型的帮助。
你也许会想,仿真和协同工作听起来像是高深莫测的黑科技,其实也不尽然。
假设你和几个小伙伴在做一个项目,大家分工合作,有的负责收集数据,有的负责分析数据,最后你们通过大家的努力,整合出一个完整的解决方案。
这就像是“协同”,每个人在自己的领域里发挥作用,但又需要彼此沟通、互相支持。
信息物理融合模型的高效协同仿真就是在这样的协作下完成的。
简单来说,仿真就像是通过计算机模拟现实系统,看看这个系统在各种条件下会如何反应。
而协同则是让多个系统、多个模型一起合作,在这个“虚拟舞台”上演一场“合力表演”。
像这样协调合作,最终的效果往往比单打独斗要强大得多。
不过,想让这些模型和系统协同工作,想要高效地解决问题,那可真不是一件容易的事。
就好比你和朋友们一起做一个合作项目,大家有不同的想法,时不时还会发生“意见不合”的小摩擦。
信息物理融合模型也是一样,不同的系统之间往往有各种各样的冲突和摩擦。
如果没有高效的协同机制,整个系统就可能变得混乱不堪。
为了让这种协同工作更顺畅,我们就需要一个高效的仿真平台。
这个平台就像是一个“调解员”,它帮助各个模型之间达成共识,确保每个系统在仿真过程中都能够发挥出自己的最佳水平。
说到这里,大家可能会觉得,哎呀,怎么感觉这些技术都离我们有点远呢?其实啊,信息物理融合模型的应用已经深入到我们的日常生活中了。
电力系统仿真平台的建设与应用电力系统是现代社会不可或缺的基础设施之一,它为人们的生活和工业生产提供了稳定可靠的电力供应。
为了确保电力系统的安全运行和优化运行,电力系统仿真平台应运而生。
本文将介绍电力系统仿真平台的建设与应用,包括平台的概念、建设过程、功能特点以及在电力系统规划、运行和故障分析等方面的应用。
电力系统仿真平台的概念电力系统仿真平台是指利用计算机技术和仿真软件构建的一个模拟电力系统运行状态和行为的虚拟环境。
它可以模拟电力系统各个组成部分(如发电机、变压器、输电线路等)之间的相互作用,以及各种操作和控制策略对电力系统运行的影响。
通过对电力系统进行仿真分析,可以评估不同方案的可行性、优化电力系统运行、预测潜在故障等。
电力系统仿真平台的建设过程数据采集与处理建设一个电力系统仿真平台首先需要收集和处理大量的电力系统数据,包括电力设备的技术参数、电力系统的拓扑结构、负荷数据等。
这些数据可以通过现场测量、数据库查询等方式获取,并经过预处理和清洗,以保证数据的准确性和完整性。
模型建立与验证在电力系统仿真平台中,各个电力设备和系统组成部分需要建立相应的数学模型。
这些模型可以基于物理原理、经验公式或统计方法进行建立。
建立好模型后,需要对其进行验证,即将仿真结果与实际运行数据进行对比,以验证模型的准确性和可靠性。
软件开发与集成电力系统仿真平台的建设还需要开发相应的仿真软件,并将各个模块进行集成。
这些软件可以基于通用的仿真软件平台(如MATLAB/Simulink、PSCAD等),也可以根据具体需求进行定制开发。
在软件开发过程中,需要考虑到用户友好性、计算效率和系统稳定性等因素。
系统测试与优化完成软件开发后,需要对电力系统仿真平台进行全面的测试和优化。
测试过程中需要验证平台的功能完整性、稳定性和可靠性,并对其进行性能优化,以提高仿真效率和用户体验。
电力系统仿真平台的功能特点多尺度仿真电力系统仿真平台可以对电力系统进行多尺度的仿真分析,包括整个电力系统、电力设备和电力系统控制策略等不同层次的仿真。
电力系统仿真平台的建设与应用随着电力系统的不断发展和扩大,为了更好地进行系统设计、运行分析以及故障检测,电力系统仿真平台应运而生。
电力系统仿真平台是一种基于计算机技术的虚拟仿真环境,能够模拟电力系统的各种运行情况,为电力系统的规划、运行和维护提供重要支持。
本文将重点探讨电力系统仿真平台的建设与应用。
一、电力系统仿真平台的建设1. 系统架构设计电力系统仿真平台的建设首先需要进行系统架构设计。
系统架构设计是整个仿真平台的基础,它包括系统的功能模块划分、模块之间的关联以及数据流向等内容。
在设计过程中,需要充分考虑电力系统的特点和需求,确保系统具有良好的可扩展性和稳定性。
2. 数据采集与处理电力系统仿真平台需要大量的实时数据来支撑仿真过程,因此数据采集与处理是至关重要的一环。
通过各种传感器和监测设备采集电力系统的实时数据,并对数据进行处理和分析,提取出关键信息用于仿真模型的构建和验证。
3. 模型建立与验证在电力系统仿真平台中,模型的建立是核心工作之一。
根据电力系统的实际情况,建立相应的仿真模型,包括潮流计算模型、短路分析模型、稳定性分析模型等。
建立好模型后,需要进行验证,确保模型的准确性和可靠性。
4. 界面设计与优化良好的用户界面设计能够提高用户的使用体验,因此界面设计与优化也是电力系统仿真平台建设的重要环节。
界面设计应简洁直观,功能布局合理,同时考虑到用户的操作习惯和需求,提供友好的交互方式。
5. 系统集成与测试在完成各项工作后,需要对电力系统仿真平台进行系统集成和测试。
系统集成包括各个模块的整合和联调,确保系统各部分协调运行;系统测试则是验证系统的功能和性能是否符合设计要求,发现并解决潜在问题。
二、电力系统仿真平台的应用1. 系统规划与设计电力系统仿真平台可以帮助电力系统规划人员进行系统规划和设计。
通过仿真平台,可以模拟不同的系统结构和参数配置,评估系统的性能和稳定性,为系统规划提供科学依据。
2. 运行分析与优化在电力系统运行过程中,仿真平台可以对系统进行实时监测和分析,及时发现问题并提出优化方案。
考虑多源多态交互的智能电网信息物理融合建模与
仿真
第一章:引言
1.1 研究背景和意义
1.2 研究目的和内容
1.3 研究方法和框架
第二章:智能电网的发展和特点
2.1 电力系统的传统模式
2.2 智能电网的定义和特点
2.3 智能电网与信息物理系统的融合
2.4 多源多态交互在智能电网中的应用场景
第三章:智能电网信息物理融合建模与仿真技术
3.1 信息物理融合建模的概念和基本原理
3.2 智能电网信息物理融合建模的方法和技术
3.3 智能电网信息物理融合仿真的实现技术
3.4 智能电网信息物理融合建模与仿真的应用案例
第四章:多源多态交互在智能电网中的建模与仿真
4.1 多源多态交互的概念和特点
4.2 智能电网多源多态交互建模的方法和步骤
4.3 智能电网多源多态交互仿真的模型与工具
4.4 智能电网多源多态交互建模与仿真的应用案例
第五章:智能电网信息物理融合建模与多源多态交互仿真的融合
5.1 智能电网信息物理融合建模与多源多态交互仿真的相互关系
5.2 融合方法和模型设计
5.3 融合仿真的实现和应用案例
第六章:智能电网信息物理融合建模与多源多态交互仿真的挑战与展望6.1 模型和算法设计的挑战
6.2 仿真工具和技术的改进
6.3 智能电网信息物理融合建模与多源多态交互仿真的展望
第七章:结论
注意:
- 每个章节开头应有概述本章内容的段落。
- 每章内容应具体、详细,避免空泛。
- 每章之间逻辑清晰,章节间可以进行适当的衔接。
- 可以根据实际需要在每个章节中增加小节。
- 文章应包含案例、数据和分析来支持您的观点。
电力系统仿真平台的设计与实现近几年,随着电力系统的发展和智能化程度的提高,仿真平台越来越成为电力系统设计和分析过程中必不可少的工具。
在这个背景下,本文将探讨电力系统仿真平台的设计与实现。
一、电力系统仿真平台的基本需求电力系统仿真平台需要满足以下基本需求:1. 精度高:仿真结果应尽可能接近实际情况。
模型的设置和参数的选择应能够准确反映实际情况。
2. 可视化:仿真结果应可视化,能够以图表、曲线等方式呈现,方便用户分析结果。
3. 灵活性:仿真平台应能够根据不同的仿真需求自由调整模型和参数。
4. 可靠性:仿真平台应具有良好的稳定性和可靠性,尤其是在大规模仿真过程中。
5. 用户友好性:平台的界面和操作应简单易懂,让用户能够快速上手使用。
二、电力系统仿真平台的设计与实现在实现电力系统仿真平台的过程中,需要考虑如下几个方面:1. 模型选择与构建:仿真平台中所使用的模型应尽可能反映真实情况。
选用恰当的数学模型,并结合实际场景中的电气设备、用户等相关参数,构建合理的电力系统模型。
2. 仿真算法:电力系统仿真算法的质量直接决定了仿真效果。
需要根据实际场景中的需求和模型条件,选择合适的仿真算法,如潮流计算、过电流保护、电能质量分析等。
3. 可视化界面:平台的可视化界面应该具有高可读性,同时又包含丰富的分析图表和曲线图。
平台应该支持数据导入、操作记录和数据分析等功能,并且应该允许用户快速地进行查看和比较不同方案的效果。
4. 平台数据管理:平台应该安全可靠且易于管理。
平台应该允许多用户接入、单用户操作、圆桌会议等多种使用场景。
此外,为了更好地管理数据,平台还需要提供数据备份、数据恢复、数据迁移等操作”.5. 安全管理:电力系统仿真平台中涉及到重要的数据信息,因此平台的安全性尤为重要。
需要实现严格的数据权限管理措施,以及多重保险机制,以保障数据安全。
三、电力系统仿真平台的运用电力系统仿真平台可以应用于多种场景,如以下几种:1. 电力系统规划:针对不同规模的工程,进行电力系统仿真,以确定系统的规模、选取设备、计算投资等工作。
电力和信息通信系统混合仿真方法综述电力和信息通信是一种复杂性的复合系统,该系统的复杂性在于系统内部时间发生具有离散型和时间的联系性的特点。
在现在的研究中,使用单一的仿真工具是一种简单易行的方法,据此,深入分析关于电力和信息通信系统混合仿真方法,以便为日后对电力和信息通信系统的研究提供新的解决方法。
标签:电力通信复合系统;混合仿真;智能电网随着我国科技的不断进步,智能化电网在发展的同时,使传统的电网发生了较大的改变,面对这样复杂的网络系统,电力系统的安全运行面临着严重的挑战。
其中,电力系统运行模式的转变与现代化的信息通信技术的发展有着重要的关系。
比如,“源-网-荷”互动模式的运行。
智能化电网的发展依赖快速发展的信息网络技术强有力的支撑。
这正是电网中智能化发展的具体表现。
国外的许多学者对电力通信网络进行过相关的研究,下面我们就来具体的分析一下电力通信复合系统的相关方法。
1 电力和通信系统仿真方法概述1.1 电力和通信系统仿真研究的必要性电网运行中的广域监控保护和控制系统要求信息通信技术的发展要达到一定的水平。
因为电网运行中的量测信息和其他的附加信息需要及时的被传送到电器网的控制中心,以起到时刻检测电网运行情况的作用。
因此,面对这样的情况电网中信息通信技术的应用是解决电网运行中智能化问题的关键。
1.2 电力系统与信息通讯系统的不同之处电力系统与信息通讯系统中的仿真工是不一样的。
其中离散时步是电力系统运行中主要的仿真工具。
它可以对电力系统动态行为时间上的连续性进行较为精确的估计。
而信息通讯系统可以利用本身的离散性特点,通过离散事件仿真工具建模的形式对各类事件进行描述,以实现复杂通信转换成具体事件队列的目的。
1.3 仿真方法的分类近几年来国内外的学者将仿真方法大致分为了三种,其中这三种仿真方法是结合智能电网的特性分类的,他们分别是联立仿真方案。
实时混合仿真方案以及非实时混合仿真方案。
2 联立仿真方案联立仿真方案是受到单一仿真工具的启发下建立的一种复合形式的电力通信系统模型。
电力系统信息物理融合仿真平台解决方案
概述
在数字化和智能化发展过程中,电力系统逐渐发展成为由信息系统和物理系统融合构成的信息物理系统(cyber physical system,CPS)。
随着能源互联网、智能配电网和主动式配电网的发展,电力系统的信息物理交互越来越重要。
而且电力信息物理融合系统(Grid cyber physical system,GCPS)中有大量的继电保护控制、监控设备等二次设备,同时信息链路传输、信息完整性保护、信息安全性检测、信息防御技术等也是重中之重,任何一个微小的安全问题都可能导致严重的后果。
科梁提供的这套电力系统信息物理融合仿真平台基于国际领先的电力系统实时仿真平台,并与电力系统网络通信仿真无缝连接,易扩展的功率或信号接口方便与客户设备完成联合测试,可仿真电力系统多种信息攻击技术、演练信息安全防护及检测方案,为将来物理信息高度融合的电力系统的通讯网络安全提供有效的开发、测试、演练的平台。
系统原理和组成
电力系统信息物理融合仿真平台如图1所示:。