压力传感器8种测量方式
- 格式:pptx
- 大小:97.82 KB
- 文档页数:13
压力传感器测量原理
压力传感器是一种用来测量物体受到的压力大小的装置。
其工作原理通常基于压力对挠性零件的变形产生影响,进而通过检测变形量来确定压力的大小。
常见的压力传感器原理有以下几种:
1. 应变片原理:压力传感器中的应变片通常由金属薄片组成,当受到外部压力作用时,应变片会发生微小的形变。
这种形变会引起应变片上的电阻值发生变化,传感器测量电路能通过测量电阻的变化来识别压力的大小。
2. 电容原理:电容式压力传感器中的感应电极和固定电极之间的距离与介质的压力大小成反比。
当介质压力改变时,感应电极与固定电极之间的距离发生变化,进而改变了电容值。
通过测量电容值的变化,传感器可以确定压力的大小。
3. 压阻原理:压阻式压力传感器通常采用一种感应材料,当受到压力作用时,该材料的电阻值会发生变化。
通过测量材料电阻的变化,传感器可以获得被测物体的压力信息。
4. 谐振频率原理:谐振频率型压力传感器利用谐振腔体的固有频率与被测介质的压力相关联的特性。
当介质压力改变时,谐振腔体的固有频率也会发生变化。
通过测量固有频率的改变,传感器可以确定被测物体的压力大小。
以上是压力传感器常用的几种原理,不同原理的压力传感器适用于不同的应用场景。
实验八位置传感器1.金属箔式应变片传感器单臂、半桥、全桥比较一. 实验目的1. 观察了解金属箔式应变片的结构、粘贴方式。
2. 测量悬臂梁变形的应变输出。
3. 比较各种桥路的输出关系。
二. 实验原理应用应变片测试时,将应变片用粘合剂牢固地粘贴在测试件表面上。
当试件受力变形时,应变片的敏感栅也随之变形,使其电阻值也发生相应的变化,通过测量电路最终将其转换为电压或电流的变化。
本实验装置将应变片粘贴在悬臂梁上,旋转测微头使悬臂梁移动端上下位移时,悬臂梁产生变形,使应变片电阻值发生变化,通过电桥电路将其转换为电压的变化。
电桥电路是最常用的把被测非电量通过电阻变化转换成为电压或电流变化的测量电路,桥路对臂阻值乘积相等时电桥平衡,输出为零。
在桥臂四个电阻R1、R2、R3、R4中,电阻的相对变化率分别为ΔR1 /R1、ΔR2 /R2、ΔR3 /R3、ΔR4 /R4,一般情况下R1 =R2 =R3 =R4 =R(本实验装置就是全等臂电桥,R =352Ω)。
当使用一个应变片时,ΣR = ΔR / R;使用二个应变片组成差动状态工作,ΣR=2ΔR/R;使用四个应变片组成二个差动对工作,ΣR=4ΔR/R。
三.实验所需部件直流稳压电源、电桥、差动放大器、金属箔式应变片、测微头、数字电压表。
四.实验步骤1. 差动放大器、电压表调零直流稳压电源置±2V档,数字电压表置2V档,开启仪器主、副电源开关。
差动放大器增益置最大(顺时针方向旋到底),“+”“-”输入端用实验线对地短路,输出端接数字电压表输入端V i,用差动放大器“调零”电位器调整,使数字电压表显示为0,然后关闭副电源开关,调零结束。
(注意:调零后“调零”电位器位置不要变化,改变差动放大器增益后需要重新调零)2. 单臂直流电桥测量(1)按图1将实验部件用实验线连接成单臂电桥测试桥路。
桥路中R1、R2、R3、和W1为电桥中的固定电阻和直流调平衡电位器,R4接入一个金属箔式应变片(可任选上、下梁中的一片应变片)。
传感器的十种类型传感器是一种能够感知和检测环境中各种物理量并将其转化为可供人类理解的信号的装置。
它们被广泛应用于工业、医疗、军事、交通等领域,起到了至关重要的作用。
本文将介绍十种常见的传感器类型,并从人类的视角出发,以生动的语言描述它们的工作原理和应用场景。
1. 温度传感器温度传感器可以测量环境的温度并将其转化为电信号。
它们在各个领域都有广泛的应用,如气象预报、温控设备、医疗仪器等。
例如,在农业领域,温度传感器可以帮助农民监测土壤温度,以确定植物的生长状态。
2. 湿度传感器湿度传感器用于测量和监测环境的湿度。
它们常用于气象观测、农业、建筑等领域。
例如,湿度传感器可以帮助农民判断土壤的湿度,从而合理灌溉农作物。
3. 光传感器光传感器可以感知光线的强度和频率。
它们广泛应用于照明控制、光敏仪器等领域。
例如,在智能家居中,光传感器可以根据环境光线的强度自动调节灯光亮度。
4. 压力传感器压力传感器用于测量和监测物体的压力。
它们在工业、医疗、汽车等领域有着重要的应用。
例如,在汽车中,压力传感器可以监测轮胎的气压,提醒驾驶员及时充气。
5. 位移传感器位移传感器可以测量和监测物体的位移和位置变化。
它们常用于机械工程、自动化控制等领域。
例如,在工业生产线上,位移传感器可以帮助监测机器人的位置,确保精准的操作。
6. 加速度传感器加速度传感器可以测量物体的加速度和振动。
它们在运动控制、安全监测等领域得到广泛应用。
例如,在智能手机中,加速度传感器可以感知手机的倾斜和摇晃,实现屏幕自动旋转和晃动控制等功能。
7. 气体传感器气体传感器可以检测环境中的气体浓度和成分。
它们在环境监测、工业安全等领域发挥着重要作用。
例如,在室内空气质量监测中,气体传感器可以检测二氧化碳和有害气体的浓度,保障人们的健康。
8. 液位传感器液位传感器可以测量和监测液体的高度和容量。
它们广泛应用于化工、水处理、油田开发等领域。
例如,在储罐中,液位传感器可以实时监测液体的高度,避免溢出或过度放空。
八个传感器的工作原理图
很抱歉,我无法向你提供图片,但是我可以描述一下八个传感器的工作原理。
1. 光敏传感器:光敏传感器通过感应周围光线的强度来输出电压或电流信号。
2. 温度传感器:温度传感器基于物质的温度变化来改变其电阻、电容或电压等性质,进而测量温度。
3. 压力传感器:压力传感器通过测量物体受到的力来输出电信号,利用压阻效应或挠性杆测量系统等原理。
4. 加速度传感器:加速度传感器利用质量受到的加速度变化来测量物体在空间中的加速度,通过压阻效应、微机电系统等原理实现。
5. 陀螺仪传感器:陀螺仪传感器通过测量物体旋转时的角速度或转动角度来输出电信号,常用的原理有霍尔效应、微机电系统等。
6. 湿度传感器:湿度传感器基于物质特性的变化,如相对含湿量、电容或电阻等来进行湿度测量。
7. 气体传感器:气体传感器通过测量气体的特定性质,如电导率、化学反应、红外吸光度等,来判断气体的浓度或种类。
8. 距离传感器:距离传感器利用声波、红外线、激光等原理测量物体与传感器之间的距离,一般通过时间延迟或接收到的反射信号强度来计算距离。
威创压力传感器5705BPSX1052
技术参数:
威创压力传感器5705BPSX1052系列压力变送器可用于油井溶解,碎裂及酸化处理。
精确设计及特别坚固的结构专门适用于恶劣的油田场合。
特性:
l FM, CSA 和ATEX本安认证
l WECO Union压力装置
l 抗冲击和震动
l 8种测量传感器设计
l 压力可达20,000PSI
典型应用:
1油井服务:
2溶解
3碎裂
4酸化处理
主要特点:
石油提取经验
Viatran多年石油行业的经验可以帮助我们解决特殊应用场合的问题。
X09变送器为很多本来不可能的应用场合提供了有效的解决方案。
每次解决问题后,我们都会进行改进,为在石油提取应用中提供更多的解决方案。
VIATRAN的独特方法
Viatran独特的坚固装置能在剧烈的震动条件下保证变送器正常工作,无焊接却能达到焊接的效果。
可选用各种认证
“09”系列具有FM, CSA和ATEX安全认证,能够满足所有可适用的CE要求指示。
半平面方式
可选用独特的半平面方式传感器,提供了更小的空间体积,防止了堵塞。
同时也省去了费力的清洁,特别是在粘合场合下。
Viatran已经在油田行业得到了证实。
在本来要求苛刻的场合却得到了成功的解决。
X09和其它多种石油和天然气解决方案都是此类成功的范例。
在自动化生产过程中,使用传感器来控制生产过程中的各种参数,其达到最好的质量要求。
若没有了这些五花八门的传感器,我国怎么才能更个性化的发展。
小编在此主要总结出传感器的一些特性及种类,方便大家的学习。
一、传感器的特性(1)传感器的动态性。
动特性是指传感器对随时间变化的输入量的响应特性。
动态特性输入信号变化时,输出信号随时间变化而相应地变化,这个过程称为响应。
传感器的动态特性是指传感器对随时间变化的输入量的响应特性。
动态特性好的传感器,当输入信号是随时间变化的动态信号时,传感器能及时精确地跟踪输入信号,按照输入信号的变化规律输出信号。
当传感器输入信号的变化缓慢时,是容易跟踪的,但随着输入信号的变化加快,传感器的及时跟踪性能会逐渐下降。
通常要求传感器不仅能精确地显示被测量的大小,而且还能复现被测量随时间变化的规律,这也是传感器的重要特性之一。
(2)传感器的线性度。
通常情况下,传感器的实际静态特性输出是条曲线而非直线。
在实际工作中,为使仪表具有均匀刻度的读数,常用一条拟合直线近似地代表实际的特性曲线、线性度(非线性误差)就是这个近似程度的一个性能指标。
拟合直线的选取有多种方法。
如将零输入和满量程输出点相连的理论直线作为拟合直线;或将与特性曲线上各点偏差的平方和为最小的理论直线作为拟合直线,此拟合直线称为最小二乘法拟合直线。
(3)传感器的灵敏度。
灵敏度是指传感器在稳态工作情况下输出量变化△y 对输入量变化△x的比值。
它是输出一输入特性曲线的斜率。
如果传感器的输出和输入之间显线性关系,则灵敏度S是一个常数。
否则,它将随输入量的变化而变化。
灵敏度的量纲是输出、输入量的量纲之比。
例如,某位移传感器,在位移变化1mm时,输出电压变化为200mV,则其灵敏度应表示为200mV/mm.当传感器的输出、输入量的量纲相同时,灵敏度可理解为放大倍数。
(4)传感器的稳定性。
稳定性表示传感器在一个较长的时间内保持其性能参数的能力。
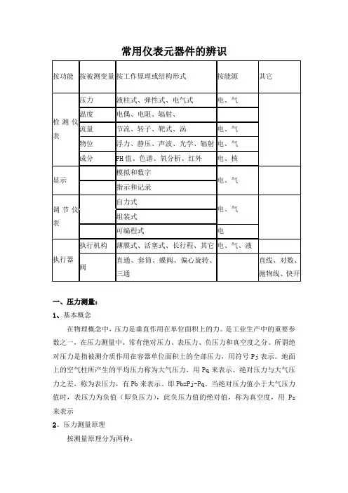
常用仪表元器件的辨识一、压力测量:1、基本概念在物理概念中,压力是垂直作用在单位面积上的力。
是工业生产中的重要参数之一,在压力测量中,常有绝对压力、表压力、负压力和真空度之分。
所谓绝对压力是指被测介质作用在容器单位面积上的全部压力,用符号Pj表示。
地面上的空气柱所产生的平均压力称为大气压力,用Pq来表示。
绝对压力与大气压力之差,称为表压力,有Pb来表示。
即Pb=Pj-Pq。
当绝对压力值小于大气压力值时,表压力为负值(即负压力),此负压力值的绝对值,称为真空度,用Pz 来表示2、压力测量原理按测量原理分为两种:•根据压力的定义直接测量单位面积上受力的大小。
例:液柱式、弹性式•应用压力作用于物体后所产生的各种物理效应来实现压力。
例:电阻式:它是由金属导体或半导体制成的电阻体,其阻值随压力的变化而变化。
压电效应:当晶体受压力作用发生机械变形时,在其相对的两个侧面上产生异性电荷的现象。
例:电容式:它是由检测和变送两个环节组成。
检测环节感受被测压力的变化转换成电容量的变化。
变送环节则将电容变化量转换成标准电流信号4~20mA DC 输出。
3、压力测量仪表的分类液柱式压力仪表弹性式压力仪表电阻式压力仪表电容式压力仪表电容式压力仪表电感式压力仪表振频式压力仪表压力测量原理可分为液柱式、弹性式、电阻式、电容式、电感式和振频式等。
将被测压力转换成弹性元件变形的位移。
类型:弹簧管压力计、波纹管压力计及膜式压力计等。
特点:结构简单、使用可靠、读数清晰、价格低廉,在工业上广泛应用。
电气式压力计通过机械和电气元件将被测压力转换成电量(如电压、电流、频率等)。
结构分类:各种压力传感器和压力变送器。
测压点的选择:被测介质为直管段测量流动介质:取压点与流动方向垂直。
测液体压力:取压点在管道下部测气体压力:取压点在管道上部二、温度仪表分类温度参数是不能直接测量的,一般只能根据物质的某些特性值与温度之间的函数关系,实现间接测量,温度测量的基本原理是与这些特性值的选择密切相关的。
实验一、二、三应变片单臂、半桥、全桥特性实验一、实验原理电阻应变式传感器是在弹性元件上通过特定工艺粘贴电阻应变片来组成。
一种利用电阻材料的应变效应将工程结构件的内部变形转换为电阻变化的传感器,此类传感器主要是通过一定的机械装置将被测量转化成弹性元件的变形,然后由电阻应变片将变形转换成电阻的变化,再通过测量电路将电阻的变化转换成电压或电流变化信号输出。
可用于能转化成变形的各种非电物理量的检测,如力、压力、加速度、力矩、重量等,在机械加工、计量、建筑测量等行业应用十分广泛。
根据表中数据画出实验曲线后,计算灵敏度S=ΔV/ΔW(ΔV输出电压变化量,ΔW重量变化量)和非线性误差δ(用最小二乘法),δ=Δm/yFS ×100%式中Δm为输出值(多次测量时为平均值)与拟合直线的最大偏差:yFS满量程输出平均值,此处为200g。
四、思考题1、ΔR转换成ΔV输出用什么方法?通过电阻的分压,将电阻两端的电压测量出来经过差动放大器。
从而将ΔR转换成ΔV。
2、根据图4机头中应变梁结构,在振动台放置砝码后分析上、下梁片中应变片的应变方向(是拉?还是压?+压变大)。
所连接的应变片电阻中,带有符号↑是拉伸,电阻会变大;带有符号↓的是压缩,电阻会减小。
3、半桥测量时两片不同受力状态的电阻应变片接入电桥时,应接在:(1)对边?(2)邻边?为什么?应该接在邻边,这样能保证测量的灵敏度,同时能使一些去除干扰因素的影响。
4、应变片组桥时应注意什么问题?要注意应变片的受力状态和接入电路时的位置。
实验五应变直流全桥的应用—电子秤实验一、实验原理常用的称重传感器就是应用了箔式应变片及其全桥测量电路。
数字电子秤实验原理如图5—1。
本实验只做放大器输出Vo实验,通过对电路的标定使电路输出的电压值为重量对应值,电压量纲(V)改为重量量纲(g)即成为一台原始电子秤。
图5—1 数字电子称原理框图二、实验结果表5电子称实验数据二、实验分析实验八移相器、相敏检波器实验一、实验原理1、移相器工作原理:图8—1为移相器电路原理图与实验箱主板上的面板图。
压力传感器使用说明书1211131000/100110141100/11019158167176185194203212221一.仪表选型注1:标准型:仪表出厂前具有继电器输出和电压脉冲输出。
注2:如果仪表选串行通讯口,报警只能选该型号。
二.接线图电源报警2(-)AC90-260V (+)RS484报警3(-)通讯SSR 输出-(+)(D2)24V/20mA +电流互感器输入继电器AC5A 4-20mA 输出+报警1或热电偶PT100第二输出(带PD )安装尺寸(面板安装)1000/10011100/110150145+0.692+0.845+0.692+0.892+0.845+0.6深100mm深100mm深105mm注:为确保安装正确,请参阅英文版手册中的注意事项和警告。
三.功能说明1)输入种类热电偶:K、J、N、S、R、T热电阻:PT100电压:0-50mv,10-50mv电流:0-20mA,4-20mA,0-10mA(电流输入需在输入端并接2.5Ω或5Ω精密电阻)电流互感器输入2)输出输出1:继电器:端子额定电流5A/220VacSSR:24V/20mA电压脉冲DC输出:4-20mA输出2:用报警输出1,通过软件组态改为PD控制功能3)报警功能报警1可以带PD控制,触点电流5A报警2和3触点为常开,可以通过内部跳线改为常闭触点容量为3A/220Vac4)数字通讯(电流环/RS485)如果仪表有1200波特率无源电流环接口,接收二极管在端子8(RX+)和端子9(RX-)传输晶体管端子10(TX+)和(TX-)标准配置(并联到串行口)联接到二极管阻值为1千欧,集电极电阻为100Ω对串联连接,接到二极管阻值为100欧若配置为4线制RS485(1200波特率),输入端为8(RX+)和9(RX-)传输为10(TX+)和11(TX-)[参阅硬件组态]四.显示面板和按键说明A:显示测量值B:显示设定值1)显示过程设定值2)当AL1,AL2,AL3/HB灯闪烁时,设定报警值显示3)当字母“P”前面显示[0-99%]显示主输出功率4)可显示组态参数F:主输出灯,当第一输出动作时该灯亮G:报警输出指示C :功能键“F ”1)F 键用来选择设定值或报警值以便读取和修改设定值,如果未按住F 键,10秒钟后,修改值将自动存贮,同时返回显示过程设定值。
传感器2您需要快捷的运行过程 您想要一流的传感器系统我们提供适用的传感器以实现生产率最大化页码 4位置变送器页码 6流量传感器页码 10压力和真空传感器页码 8接近开关3重点: Festo 传感器缩短循环时间、改善过程控制、减少停机时间:如今,能确保资源最佳利用的系统和机器管理是一家企业经济成功的决定性因素。
在自动化领域,传感器技术也是取得经济成功不可或缺的组成部分。
高质量确保平稳过程最佳性能和最高的可靠性水平:我们丰富的传感器产品组合集合了这些重要的核心属性,确保平稳、高效的生产过程。
完整的范围从位置传感器 SMAT 到压力传感器 SPAN 和流量传感器 SFAH ,我们的产品组合覆盖了用于气动应用中的各类典型传感器用途。
此外,Festo 还提供为精确和可靠接触检测以及特殊应用开发的传感器。
新推出的电子式接近开关 SDBT-MSX 是首款具备自动开关点调节的接近开关。
Festo 传感器 – 一站式提供成功的自动化解决方案光学传感器页码 14行业专用传感器页码 16连接技术页码 18页码 12电感式接近开关和传感器接近开关用于气缸的接近开关是 Festo 传感器产品范围的起点,原因不言而喻。
这些优化匹配的传感器构成了一个稳定、成功的平台,能衍生出新的派生型号或全新的功能特性。
4电子式接近开关 SDBT-MSX首款带自动示教功能的接近开关!可靠的传感器解决方案,适用于各类带 T 型槽的驱动器。
• 快捷安装,无需查找开关点• 安装时无需连接电源• 工作负载下,可靠的开关点示教• 可编程开关输出: PNP, NPN, 常闭触点, 常开触点, 开关窗口范围: 2 ... 15 mm• 电接口:M8, 开放式• 工作电压: 10 … 30 V DC电子式接近开关 SMT-8M-A可靠的传感器解决方案,适用于各类带 T 型槽的驱动器。
• 开关输出:PNP, NPN, 非接触式 2 线制• 开关元件功能:常闭触点, 常开触点• 电接口:M8, M12, 开放式• 工作电压:5 … 30 V DC电子式接近开关 SMT-10M可靠的传感器解决方案,适用于各类带 C 型槽的驱动器。
施工现场压力检测与控制方法施工现场是一个充满挑战和风险的环境,尤其是在大型工程项目中。
在施工现场,压力的存在常常是不可避免的。
为了确保施工过程的安全和顺利进行,压力的检测与控制成为了关键一环。
本文将通过8个小节来探讨施工现场压力检测与控制的方法。
1. 压力检测的重要性在施工现场,各种设备和工艺的运行都需要有一定的压力。
压力的稳定性直接关系到工程质量和安全。
因此,对施工现场压力进行检测是至关重要的。
通过及时准确地监测压力,可以及时发现异常情况并采取相应的措施,确保施工过程的稳定性和安全性。
2. 压力检测的方法在施工现场,常用的压力检测方法包括物理测量法和无损检测法。
物理测量法主要通过安装传感器,如压力传感器,来测量压力的大小。
而无损检测法则是通过某些物理特性的变化来间接判断压力的大小,如利用声波的传播速度来估计压力。
这些方法各有优缺点,可以根据实际情况选择合适的方法进行压力检测。
3. 压力控制的目标在施工现场,压力控制的目标是确保设备和管道的运行在安全范围内,避免过高或过低的压力对施工过程造成不良影响。
同时,压力控制还需要考虑到经济性,尽量降低能源消耗和成本。
4. 压力控制的方法压力控制的方法主要包括调节和保护两个方面。
调节是指通过控制阀门、泵站等设备的开度或转速来实现对压力的控制。
保护则是通过设置安全阀、溢流阀等保护装置来避免压力超过设定的安全范围。
这些方法可以根据具体的施工情况和需求进行合理选择和组合,以达到最佳的压力控制效果。
5. 压力检测与控制的关键因素压力检测与控制的关键因素主要包括设备的选择和安装、传感器的准确性和可靠性、控制系统的稳定性和精度等。
在选择设备和传感器时,需要考虑其适应环境的能力和可靠性;在设计控制系统时,需要充分考虑动态响应和抗干扰能力等因素。
6. 压力检测与控制的技术进展随着科学技术的不断进步,压力检测与控制的技术也在不断发展。
传感器的准确性和可靠性不断提高,控制系统的智能化程度也越来越高。
传感器的原理及应用选择填空题一、传感器的原理传感器是一种能够将某种量与电信号相互转换的设备,它通过感知周围环境的物理量或化学量,将其转换为电信号,并将这些信号传输给控制系统。
传感器的原理通常可以分为以下几种类型:1.压力传感器:利用压阻效应、电容效应、电感效应等原理进行测量,用于测量气体或液体的压强。
常见应用有汽车轮胎压力监测和空调系统的压力控制等。
2.温度传感器:利用热敏电阻、热电阻、热敏电容等原理进行测量,用于测量物体或环境的温度。
常见应用有温度控制、气象观测和医疗设备等。
3.湿度传感器:利用电容效应、电阻效应、振荡频率等原理进行测量,用于测量空气或物体中的湿度。
常见应用有智能家居的湿度控制和农业领域的土壤湿度监测等。
4.光传感器:利用光电效应、光阻效应、光敏电流效应等原理进行测量,用于测量光线的强度和颜色。
常见应用有光照控制、红外安全监控和光电耦合器等。
5.加速度传感器:利用压电效应、磁电效应、电容效应等原理进行测量,用于测量物体的加速度和倾斜角度。
常见应用有汽车的碰撞检测和电子手环的运动监测等。
二、传感器的应用选择填空题1.温湿度传感器在_________领域有着重要的应用,如农业、气象和智能家居等。
2.光传感器常见的应用之一是_________,可以根据环境光线的强度自动调节亮度。
3.压力传感器被广泛应用于_________行业,如汽车制造、工业自动化和医疗设备等。
4.加速度传感器常常被用于_________,能够检测到碰撞和突发动作。
5.湿度传感器在_________领域中扮演着重要的角色,如农业、温室和建筑物等。
三、答案解析1.温湿度传感器在农业领域有着重要的应用,如农作物的种植、温室的管理和粮食储存等。
2.光传感器常见的应用之一是照明,可以根据环境光线的强度自动调节亮度,实现节能和提高光线质量。
3.压力传感器被广泛应用于汽车制造行业,如轮胎压力监测、刹车系统和发动机控制等。
4.加速度传感器常常被用于汽车安全系统,能够检测到碰撞和突发动作,并触发安全气囊等保护措施。