胶管总成作业指导书范本
- 格式:doc
- 大小:553.50 KB
- 文档页数:26
胶管硫化作业指导书ZY-07 版本:A/0 为规范操作确保最终产品质量特制订本文件,胶管硫化的操作步骤和操作要领如下:一.准备工作:打开硫化罐电源并设置硫化温度开始升温.每次进罐前需检查泄气开关,泄气开关应处于关闭状态。
二.硫化:打开硫化罐罐盖,将装有已经穿在胶管模具上的生胶管的硫化车的轨道对准罐内轨道将其完全推入,完全关闭罐盖,打开进气开关,向罐内充气。
当仪表显示气压达到0.4±0.05Mpa时,开始保压记时,一般硫化时长为35-40分钟,并在记录表上做好记录。
当达到硫化时间后,设备自动开始泄气、泄压。
当气压泄至0.1Mpa以下时,可打开前部的泄气阀加快泄气,待压力表显示气压泄至零后,打开罐门上方的抽风机再打开罐盖。
带好手套拉出硫化车并推至操作台旁。
三.脱模:带好手套应趁热将硫化好的胶管从模具上退出,将硫化好的胶管放置在筐内,不可使之落地,模具同样放在指定位置不可落地.所有硫化好的胶管全部脱模后,关闭硫化罐电源和相关阀门,清扫工作现场,用水将地面油污充洗干净。
并定期对硫化罐内的杂物进行清理。
整个操作过程注意安全,以免因地滑摔倒。
四.注意事项:1.硫化罐罐口密封圈处每隔三罐上一次黄油。
并检查密封圈是否断裂(如断裂需更换)。
2.保证泄气后阀门关紧。
3.操作过程中(进出罐、脱模、泄压)时注意避免被蒸气、热水及胶管烫伤。
在开罐时罐门活动区域内区域内勿站人和摆放物品。
穿管作业指导书ZY-06 版本:A/0 为规范操作确保最终产品质量特制订本文件,穿管的操作步骤和操作要领如下:1.准备模具:根据生产任务在模具库领取相应的模具,变形、损坏的模具不得使用。
2.刷脱模剂:把领取的模具放在车间,擦去灰尘,用毛刷把脱模剂刷在模具上,脱模剂涂刷一定要均匀,不要有漏刷部位。
3.穿管:用手把截好长度的生胶管坯穿在对应型号的模具上,穿管过程用力要均匀,要避免生胶管坯损坏。
4.装车:把穿在模具上的生胶管坯放在硫化车上,等待硫化,装车过程中要避免挤压。
本文部分内容来自网络整理,本司不为其真实性负责,如有异议或侵权请及时联系,本司将立即删除!== 本文为word格式,下载后可方便编辑和修改! ==塑料焊接作业指导书篇一:PE管焊接作业指导书三江燃气 ------以人为本倡导节能环保的新生活洛南县三江天然气有限公司PE聚乙烯管道焊接作业指导书二零一二年八月二十日三江燃气 ------以人为本倡导节能环保的新生活PE聚乙烯管道焊接作业指导书一、PE管热熔全自动焊接作业指导书二、PE管热熔半自动焊接作业指导书三、PE管电熔全自动焊接作业指导书三江燃气 ------以人为本倡导节能环保的新生活一、PE管热熔全自动焊接作业指导书1.1工序流程图→→→→2、0施工前的准备工作2、1、施工图的准备施工是按照设计图纸来进行的。
当设计单位出有效的施工图后,施工单位应到施工现场,具体了解情况,对不能照图施工的部分要与设计单位交底,协商,确定是否能采取特殊的施工工艺或作局部设计变更。
同时,还应根据图纸进行材料、设备的采购,对施工进度安排。
2、2人员培训从事聚乙烯燃气管道连接的操作人员,在上岗前必须进行专门培训,经过考试和技术评定合格后方可上岗操作。
参与培训人员除了在燃气知识、聚乙烯专用料特性、电工知识、聚乙烯熔接设备、聚乙烯燃气管道施工技术等理论知识方面进行培训,并参加考核。
2、3施工机具的准备根据施工工艺的要求,准备相应的施工机具。
因我国对聚乙烯管道的焊接质量和熔接参数无统一标准,不同生产厂家生产的管材、管件熔接参数不同。
为达到可靠的熔接效果,在选择设备上还须认三江燃气 ------以人为本倡导节能环保的新生活真选型,选质量好的产品,在熔接效果上,要可靠许多。
施工机具分为电熔焊机和热熔对接焊机两类。
本工程采用西安塑龙熔接设备有限公司的设备。
1、全自动热熔焊机型号pilotfuse 160/A、C 两台技术参数:管材直径范围 60~160mm最大对接压力 43bar可焊管材料PE—HD.PP工作温度 -5℃~+40℃2、30Kw柴油发电机2台3、焊缝外观检验尺 2个3、0管材、管件的验收3、1检查产品有无出厂合格证,出厂检验报告。
作业指导书批准人:颁布日期:实施日期:审核:编写:职业道德规范一、 服从领导的统一安排,统一指挥。
二、 爱岗敬业,积极热忱,恪尽职守,始终如一。
三、 提高技能,持证上岗,无上岗证及不能胜任者不得独立操作报出数据。
四、 以科学严谨的态度、公正无私的作风对待检验工作。
五、 不欺瞒客户,不得以不正确或无效的检验方法进行检验。
六、工作期间精力集中,不得漫不经心或擅自离岗。
七、 不虚报、空报数据,以实测结果为准。
八、 保质保量及时地完成检验工作。
九、 有问必答,有惑必解,体现全方位高效优质服务。
十、衣帽整齐干净,室内环境清洁。
目录修改页职业道德规范目录第一章落锤冲击试验第二章维卡软化温度的测定第三章静液压试验第四章爆破试验第五章纵向回缩率的测定第六章拉伸屈服强度的测定第一章落锤冲击试验1适用范围本指导书适用于管材的抽样检验和作为连续生产时抽样检验的依据。
2试验依据GB /T14152 -2001 热塑性塑料管材耐外冲击性能试验方法时针旋转法(eqv ISO 3127:1994)3试验原理以规定质量和尺寸的落锤从规定高度冲击试验样品规定的部位,即可测出该批产品的真实冲击率(整批产品进行试验时,其冲击破坏总数除以冲击总数即为真实冲击率TIR,以百分数表示)。
TIR最大允许值为10%4试验设备4.1落锤冲击试验落锤冲击试验机由试验台、备件箱、电器柜和控制仪表组成。
4.1.1试验台由试件升降机构、落锤提升机构、防二次冲击机构、落锤导向装置等部分总成。
4.1.1.1试件升降机构:用于安装不同规格的管材试件。
4.1.1.2落锤提升机构由提升架和落锤冲击架两部分组成,落锤冲击架可以安装不同质量的落锤,同时使落锤沿导向导轨自由准确的落下,落锤的规则可以根据试件的外形尺寸进行更换。
4.1.1.3防二次冲击机构使防止落锤冲击反弹后再次下落形成对试件的再次冲击,以保证得到正确的实验结果。
4.1.1.4落锤导向装置保证落锤在铅直方向自由落下。
本文部分内容来自网络整理,本司不为其真实性负责,如有异议或侵权请及时联系,本司将立即删除!== 本文为word格式,下载后可方便编辑和修改! ==气管作业指导书篇一:PVC气管插管(ETT)组装作业指导书1、作业流程注:流程中带有★标识的工序为质控点,品保部检验员应对其进行抽检,符合《ETT组装过程检验指导书》的质量要求,填写《抽检记录表》;带有▲标识的工序为关键工序,品保部检验员应对其进行巡检,并填写《ETT组装过程巡检记录表》。
2、组装作业第一步切尾端第二步打侧孔附图二第三步球囊安装附图三第四步球囊压边篇二:气管预检漏作业指导书2气管预检漏作业指导书OSR.972.054气管预检漏作业指导书1 范围本作业指导书规定了断路器产品SF6气管进行气密性试验时的环境、操作要求和人员分工。
本作业指导书适用于各型SF6断路器的产品SF6气管的检漏。
2 环境在对气管充SF6气体,进行局部包扎检漏前,必须用检漏仪检测检漏间环境的SF6气体浓度在10(体积比)以下。
3 设备、工具压缩空气、SF6充放气设备、橡皮软管。
4 气管预检漏作业4.1 用压缩空气向气管内吹一分钟,同时检查并确认各出气口通气。
4.2 将气管与密度继电器、截止阀、三通等连成管路,对于管路与相柱连接处用堵头。
4.3 用无洞的塑料布对堵头、气管焊接部分进行局部包扎,在包扎端部必须用胶带缠紧以尽量做到此袋密封。
4.4 从管路三通自封阀处充入0.6MPa的SF6气体。
-4.5 置12小时后用检漏仪进行检验,首先用检漏仪确定环境的SF6浓度不超过108,后将检漏仪的探头伸进包扎部位,读取检漏仪的示数,如果测得的示数对应检漏仪曲线图上的SF6气体浓度小-于108,则视为本部位检漏合格。
否则认为本部位存在泄露点需进行修复。
4.6 将SF6气体回至0表压后,零件解体。
5 气管预检漏的注意事项在包扎时应注意以下几点:a.塑料袋容积尽量小;b.需检测部位均包扎,不能遗忘;c.检测设备、器具应保证性能良好可靠。
××××有限公司标准安全操作规程文件编号:XXX-XXX-XXX橡胶软管安全操作规程流程编制:审核:批准:版本:受控状态:20××年10月10日发布20××年10月10日实施标准、完整的Word版文档,下载后可根据实际工作情况适当修改,自由编辑,适合相关行业人员参考,实际使用请删除本行文字。
橡胶软管安全操作规程流程1.橡胶软管须经压力试验,氧气软管试验压力为20个大气压,乙炔软管试验压力为5个大气压。
未经压力试验的代用品及变质、老化、脆裂、漏气的胶管不准使用。
2.软管长度一般为10-20米。
不准使用过短或过长的软管。
接头出必须用专用的卡子或退火的金属丝卡紧扎牢。
3.氧气软管为红色,乙炔软管为黑色,与焊炬连接时不可错乱。
4.乙炔软管使用中发生脱落、破裂着火时,应先将焊炬或割炬上的火焰熄灭,然后停止供气。
氧气软管着火时,应迅速关闭氧气瓶阀门,停止供氧。
不准用弯折的办法来消除氧气软管着火,乙炔软管着火时可用弯折前面一段的办法来将火熄灭。
5.禁止把橡胶软管放在高温管道和电线上,或把重的或热的物件压在软管上,也不准将软管与电焊用的线敷设在一起。
使用时应防止割破。
软管经过车行道时应加护套或盖板。
车间安全操作规程总则1、各车间领导自觉接受并努力完成公司下达的产品质量指标和各项生产任务。
2、认真对待安全生产意识,时刻把安全生产放在首要位置,做到精心操作,严禁违章指挥,违章作业。
3、严格执行上下班制度,不迟到不早退,严禁私自调班。
4、上岗期间严禁擅自离开操作岗位,不准睡觉、看书报、串岗、做私活及吃零食等。
5、上岗时不准会客,不准聚众谈笑,不准乱窜车间。
6、上岗时做到服装整洁(厂服发放后一律穿厂服),不准穿背心、短裤,男工不留长发、女工要戴工作帽,不准穿宽松衫、高跟鞋、裙子、拖鞋及塑料底鞋,严禁戴手套作业。
7、上岗期间严禁喝酒,严禁在禁烟区吸烟。
橡胶制品的审核作业指导书校核:归口:发放:名目:1目的和适用范畴;2引用标准;3术语和定义;4典型生产/服务过程及专业特点;4.1顾客群;4.2过程描述;4.3专业特点;4.4删减原那么;4.5法律法规要求;5审核要点及取证方法;5.1资源;5.1.1对资源的专门需求;5.1.2生产环境;5.1.3人员;5.2产品实现;5.2.1质量特性;5.2.2要紧质量特性的实现方法;5.2.3作业指导书的需求;5.2.4原辅材料;5.2.5追溯性要求;5.2.6顾客财产;5.2.7防护;5.3测量、分析和改进;6审核要点与审核方法;7其他8附件附件1 法律法规、标准、规范和作业文件附件2 必要的证实性记录附件3 必要的生产、检测设备名录1.目的和适用范畴:1.1目的:本指导书用于指导生产轮胎输送带、胶管、密封制品等橡胶或橡胶制品行业的产品质量和质量体系认证现场审核,对应于«能力分析表总表QMS»中的专业代码为14.1。
1.2适用范畴:本指导书是依照GB/T19001-2020«质量治理体系要求»,结合橡胶行业的特点,在专业方面提供审核指南,作为专业技术支持,这些意见不是标准的补充和取代,审核时,应以标准为依据。
2.引用标准:以下标准和规范所包含的条文,通过在本规定中引用而构成本规定的条文。
本规定公布后,所示标准有可能修订,使用本规定的各方面应探讨使用以下标准和规范最新版本的可能性。
质量治理体系基础和术语GB/T19000-2020质量治理体系要求GB/T19001-2020质量和〔或〕环境治理体系审核指南ISO19011:2002认证机构实施质量治理体系认证的认可差不多要求CNAB-AC11:2002 3.术语和定义3.1炼胶工艺是将生胶与各种配合剂通过炼胶机进行混合,制备混炼胶的过程。
3.2压延工艺是通过压延机辊筒作用,制备一种厚薄平均胶片或织物的涂胶层。
运用压延设备可完成压片、压型、贴胶、贴合等作业。
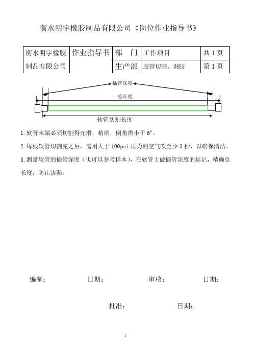
衡水明宇橡胶制品有限公司《岗位作业指导书》插管深度总长度软管切割长度1.软管末端必须切割得光滑,精确,倒角需小于6º。
2.每根软管切割完之后,需用大于100psi 压力的空气吹至少3秒,以确保清洁。
3.测量软管的插管深度(也可以参考样本),在软管上做插管深度的标记,精确总长度,防止渗漏。
编制: 日期: 审核: 日期:批准: 日期:衡水明宇橡胶 制品有限公司作业指导书 部 门 工作项目 共1页 生产部胶管切割、剥胶第1页衡水明宇橡胶制品有限公司《岗位作业指导书》(一)上班前规范穿戴劳动保护用品中,所用工具、检具、图纸整齐摆放在工作台上。
(二)装配前准备工作:1.按《工序作业过程指导书》中胶管总成的规格型号,从《工序作业过程指导书》中的零件规格要求核对零件,装配数量及装配要求。
2.在装配扣压前需检查芯子、外套、螺母是否有无损坏、裂缝或锈蚀等现象。
若有应立即隔离并向工段长或当值检验员反映。
3.再装配扣压前需检查胶管外表面是否有气泡、离层、砂眼、裂口、明显划痕和裸露钢丝等可能影响胶管总成性能的缺陷,钢丝和胶管内孔是否有无损伤磨焦现象,若有应立即隔离并向工段长或当值质检员反映。
(三)装配过程1.用手将已剥好胶的胶管装入外套内。
注意:外套及胶管严禁浸油。
2.用手将软管接头插入装好外套的胶管内。
如装配时软管接头很紧允许在接头芯插入端蘸少量润滑油,或用木榔头在装有橡胶板的工作台面上敲打,注意敲打时不应损坏芯子,螺母表面,检查软管上的标记。
如软管接头很松,装配后自动脱落的,可以将软管接头用纸箱装好和装配好外套的胶管一起流转到下一工序,有扣压工序操作者自行安装后扣衡水明宇橡胶 制品有限公司作业指导书 部 门 工作项目 共2页生产部胶管组合件装配扣压 第1页压,但软管接头的数量必须与需要的数量一致。
3.弯接头在装配时 ,接头方向应与软管的自然弯曲方向保持一致。
如胶管总成两端均为弯头,并有特殊角度关系时,需在专门的工装上进行角度校正,校正是必须在扣压机边上进行,并且校正一根扣压一根,以防止角度误差,如角度关系为45º倍数的,在扣压时有一人在扣压机后面辅助进行角度调正,并察看软管插入深度的标记点。
胶管与卡箍安装工艺指导书
预览说明:预览图片所展示的格式为文档的源格式展示,下载源文件没有水印,内容可编辑和复制
图1.1
图7.1.1
至25mm,d2= d1+1;
28mm至90mm,d2= d1+2;
100mm至110mm,d2= d1+3;
,d2= d1+4;
至22mm,f=4(上差1,下差0);25mm至80mm,f=6(上差1,下差0);
卡箍头保持水平方向,
连接的两个卡箍,
头部朝前,
接的两个卡箍螺栓头部都朝外;注意卡箍打紧后伸出部分不与任何管路干涉
喷嘴冷底盘安装喷嘴冷却头时,
卡箍方向一致(见左图)
头及打紧后伸出部分不得与任何管路干涉
卡箍需保持在斜向下方向
的方向可以根据实际情况调整,
主要保证不与胶管干涉)
下水
采
通
采暖管回水管
506 990 00 01 Y-8
管连接转向泵位置V3,V3M,W
D-28(NG8 0
连接转向油管连在
916017 016000 16-25D-25
(
管)和打
916017 011000 11-20
916017 016000 16-25
520 990 10-16
520 990 10-16
520 502 03 33 818 502 00 33 520 502 04 33 520 502 05 33 506 524 00 33
506 524 00 33。
胶管包装作业指导书包装作业指导书1.文件范围产品包装流程2. 目的规范产品包装作业,提高工作效率和准确率。
3.三元乙丙胶管类包装作业3.1三元乙丙胶管包装前准备工作3.1.1清理工作台面,将检验合格的胶管放置于干净的台面上。
3.1.2准备相应数量的长度合适的包装袋和细绳。
3.2三元乙丙胶管包装工作3.2.1工作人员依次清点50根胶管,用两根细绳分别将两端系起来,数量不足一包的三元乙丙胶管用一根细绳将中间系起来。
3.2.2将系好的数量准确的胶管装入包装袋。
3.2.3将包装袋上贴蓝色标签,注明相应规格型号、数量、检验日期。
3.3三元乙丙胶管包装后期工作3.3.1把不需要立即发货的胶管放入库房指定位置,做好登记入库工作。
3.3.2若胶管需要立即发货,写好发货清单,打印好质检报告和合格证,准备发货。
4. 织物保护胶管类包装作业4.1 织物保护胶管包装前准备工作4.1.1清理工作台面,将检验合格的胶管放置于干净的台面上。
4.1.2准备相应数量的长度合适的包装袋和细绳。
4.2 织物保护胶管包装工作4.2.1工作人员清点一定数量的胶管用细绳将中间系起来。
织物胶管一般为25根一捆,具体根据胶管的长度和包装袋的容积来确定每捆的根数。
4.2.2将系好的数量准确的胶管装入包装袋。
4.2.3将包装袋上贴蓝色标签,注明相应规格型号、数量、检验日期。
4.3. 织物保护胶管包装后期工作4.3.1把不需要装箱发货的胶管放入库房指定位置,做好登记入库工作。
4.3.2将需要装箱发货的胶管放入纸箱,纸箱外贴蓝色标签,注明相应规格型号、该箱根数。
根据蓝色标签打印出厂标签、装箱单,用透明胶将标签贴于纸箱侧面,将装箱单放入其中一个纸箱,准备发货。
5.PEEK类产品包装作业5.1 把检测不合格的PEEK产品放置于干净的密封袋内,表面贴上红色色标签,注明相应规格型号、数量、检验日期及不合格原因。
做好不合格品记录工作,准备好退换货。
5.2 把检测合格的PEEK产品放置于另一干净的密封袋内,表面贴上蓝色标签,注明相应规格型号、数量、检验日期。
1 适用范围:本细则适用于液压软管总成产品的型式检验和出厂检验。
1.1 编写依据:根据GB/T 7939-2008《液压软管总成试验方法》的规定,制定本细则,细则是对GB/T 7939-2008实施过程的细化。
有利于在检验细节上统一要求,以便更准确的把握质量标准。
1.2 方法原理:本细则依据的检验方法尽可能采用国内外同类产品性能检测的通用方法,以确保标准要求的统一。
2 产品名称:液压软管总成2.1 产品分类:按接头型式分为扩口式、卡套式、焊接式、法兰式、24°锥密封式。
2.2 规格型号:3 检验用仪器(1) 钢卷尺(2) 游标卡尺(3) 内径量规(4) 塞规(5) 光学放大镜(6) 游标卷尺(7) 高压试压泵(8) 控温箱、芯轴(9) 脉冲加载试验台图14.5.2方法1将软管试样安装在一根外径等于软管内径的芯轴上,芯轴的端部支撑在V型垫块上。
使用千分表测出沿软管圆周上高低读数之间的最大偏差值。
4.5.3方法2使用带有可与软管内表面相接触的圆形测量头千分表或用类似图2所示仪器,对于公称内径为63 mm及63 mm以上的软管,应沿软管圆周按45。
间隔取八个读数,对公称内径小于63 mm的软管,应沿软管圆周按90°间隔取四个读数。
4.6内村层和外覆层厚度的测量4.6.1 方法14.6.1.1 取一段长约50 mm的轵管试样,并在其两端标出直径,两端直径标记应相互垂直(见图2a)。
4.6.1.2将试样切成相等长度的两段,然后将每段沿标出直径纵向切开两等份(见图2b 和见图2c)。
图24.6.1.3用分度为0.1 mm的光学放大镜测量软管切开部分八个纵向切边的每边上最薄部分的内衬层和外覆层厚度。
4.6.1.4记录和计算这八个测量值的平均值,即为内衬层及外覆层的厚度。
4.6.1.5当外覆层呈波纹状时,应测量最薄处。
4.6.2方法24.6.2.1测量从任何型别的软管上所截取的内衬层和外覆层的厚度,都可以用刻度0.02 mm,带有直径3 mm~l0 mm、能施加22 kPa±5kPa_压力的压脚的标准厚度计进行测量。
1. 适用范围 (1)2. 作业准备 (1)2.1 内业技术准备 (1)2.2 外业技术准备 (1)3. 技术要求 (1)4. 预制箱梁管道成孔工艺流程 (1)5. 橡胶管的安设 (2)6. 橡胶管的抽拔 (3)7. 文明施工和注意事项 (4)1.适用范围适用于中铁上海工程局集团新建北京至霸州铁路JBSG-5标段预制T 梁抽拔胶管施工作业。
2.作业准备2.1内业技术准备作业指导书编制后,应在开工前组织技术人员认真学习实施性施工组织设计,阅读、审核施工图纸,熟悉规范和技术标准。
制定施工安全保证措施,提出应急预案。
对施工人员进行技术交底,对参加人员进行岗前技术培训,考核合格后持证上岗。
2.2外业技术准备材料、劳力及机具满足设计、施工要求。
3.技术要求预应力孔道采用抽拔胶管成孔,箱梁孔道钢绞线束数对应使用抽拔管规格具体选择见表3-1。
表3-1 抽拔胶管选择对照表4.预制T梁管道成孔工艺流程图5-1 T梁预制管道成孔工艺流程5.橡胶管的安设(1)在梁体内采用钢筋定位网的方法固定胶管。
定位网的位置是按设计要求的孔道曲线焊接钢筋网,钢筋网应使制孔装置上下左右均不能移动,并使孔道顺直不死弯。
定位网孔径应大于管道孔径3mm。
定位网孔眼尺寸允许差±2mm;纵向位置平直段允许差±10mm,弯曲段±5mm;横向位置:±3mm。
胶管中心位置在跨中4米范围内高度及横向偏差不大于4mm,其余部位不大于6mm。
(2)施工时为便于抽拔胶管,每个孔道由两段胶管接成,抽拔时从梁的两端反方向抽出。
胶管的接头处其中一端的钢绞绞伸长另一端不少于50cm。
胶管外侧接头15cm范围内封紧,用铁皮包裹,并用22#铁丝绑扎6道,外用塑料胶带缠绕2~3道,防止漏入水泥浆。
(3)橡胶管穿管注意事项①不准用破损胶管。
②必须将管内钢绞线穿到位。
③胶管接头确保不少于50cm的钢绞线搭接。
④接头处用铁皮包裹,塑料胶带缠绑2~3道。
胶管总成作业指导
书
液压支架软管总成作业指导书
HH/ZD-J-
1.液压支架软管总成产品综述
1.1液压支架胶管产品介绍
液压支架软管总成属于液压机械配件,适用于煤矿、机械等行业的液压液体运输,如矿物油、可溶性油、油水乳浊液、乙二醇水溶液及水等,不适用于蓖麻油基和酯基液体。
适用工作温度为-40~100℃。
1.2产品标识
标记示例:
KJ4SP φ16—4000 表示四层钢丝缠绕中压液压支架软管总成,快
速接头结构,内径16mm,长度4000mm。
1.3软管型别:
2ST——二层钢丝编织增强软管
4SP——四层钢丝缠绕中压软管
1.4液压支架软管总成主要技术数据
1.4.1基本性能见表一。
表一:最大工作压力、试验压力、最小爆破压力和低温最小弯曲半径
1.4.2液压支架软管总成的脉冲试验压力为1.33倍的最大(设计)工作压力, 脉冲试验频率为0.5~1.25Hz(30~75次/min), 脉冲次数应不少于20万次(4SP软管应能承受至少40万次脉冲);
1.4.3阻燃性能:软管的平均有焰燃烧和无焰燃烧时间不大于30s,任一软管的有焰燃烧和无焰燃烧时间不应大于60s;
1.4.4抗静电性能:软管表面电阻不超过25×108/d(Ω),d为软管公称外径,单位mm。
1.5液压支架软管总成使用要求
a.液压支架软管总成必须在额定工作压力和温度范围内使用,不得超标,否则将缩短其使用寿命;
b.当工作环境要求弯曲时,其弯曲半径不得低于规定的最小弯曲半径,否则将缩短其使用寿命;
c.外胶层发生损坏致使钢丝层裸露的产品不得再继续使用,以免钢丝锈蚀后不能承压,发生意外。
1.6液压支架软管总成的安装注意事项
a.软管装配长度要有一定的余量,因为软管在承压时,一般其长度有3%的变化,因此进行直线安装时,应使软管有一定程度的松弛;
b.软管弯曲安装时,应尽量保持在同一平面,防止扭曲,以免在使用中造成泄露、异常爆破或管接头拔脱等现象;
c.避免软管在接头附近急剧弯曲,应有效利用其弯头;
d.软管两端作相对运动时,应使软管弯曲部分始终保持在同一平面内,以防止软管扭曲,影响使用寿命;
e.避免软管在弯曲部位固定,确需固定时,宜在加压后选取合适位置并留适当余量;
f.若软管用于重复弯曲使用时,应使软管有充分伸展长度,其弯曲部位半径一定要大于规定限度,以避免在固定接头附近极度弯曲;
g.软管两端固定在不同平面上使用时,应在适当部位将软管夹住,使其形成各自在同一平面上运动的两个部分;
h.软管长度选取和安装布局要合理、尽可能直线使用,避免软管形成不必要的弯曲和加长;
i.管体在相互碰擦下使用、安装时应配装合适的夹具,防止管体直接接触;
j.软管安装要选择合适的附属金属接头,推荐使用弯头型配件。
1.7运输与贮存
液压支架软管总成在运输和贮存中,应避免阳光直接照射、雨雪浸淋,禁止与酸、碱及有机溶剂等有害于橡胶质量的物质接触,贮存温度以-15~40℃为宜,相对湿度不大于80%,从生产日期起一年内其使用性能不变,否则,应进行抽样检验,合格后方可使用。
2.液压支架软管总成产品工艺流程图。