北京某地铁施工组织设计 (2)(精品文档)
- 格式:doc
- 大小:1.38 MB
- 文档页数:224
第1章编制依据及原则
1.1 编制依据
1、北京地铁⼋—通线⼯程01标段《施⼯承包招标⽂件》。
2、北京地铁⼋—通线⼯程01标段(K0+000.0~K3+504.3)施⼯设计图。
3、招标答疑会议精神。
4、施⼯所涉及的施⼯技术、安全、质量验收等⽅⾯的国家、铁道部及北京市建委等制定的规范、标准和法规⽂件等。
5、现场踏勘调查所了解的有关情况和通过调查掌握的有关资料及信息。
6、类似⼯程施⼯经验及我单位设备、物资资源和经济技术实⼒等综合施⼯能⼒。
1.2编制原则
1、严格按照招标⽂件规定的内容和设计⽂件的要求,采⽤先进、合理、经济、可⾏的施⼯⽅案。
2、严格按照ISO9002国际质量认证体系和项⽬法施⼯要求,建⽴严密的⼯程质量保证体系和完善的安全保证体系。
3、采⽤先进、配套的施⼯设备和技术,合理安排劳、材、机资源,确保⼯程质量和⼯期。
4、合理安排施⼯顺序,抓住重点,突出难点,组织专业化施⼯,保证各项施⼯⼯序相互促进,紧密衔接,促进⼯程⾼效、均衡,加快施⼯进度。
5、严格按照《环境保护法》要求,积极维护当地⾃然环境和⽣态环境,限度地减少占⽤场地和对环境的破坏,防⽌环境污染和⽔⼟流失。
6、合理组织施⼯阶段的交通运输,减少施⼯与⾏车⼲扰问题,确保京通快速路畅通。
第一节项目管理目标1.1、工程质量目标我公司投标承诺质量目标:符合中华人民共和国国家标准;质量等级:达到优良标准。
供应的材料质量等级达到国家优等品标准。
1.2、工期目标根据我公司实力及以往施工经验,结合工程实际情况,对施工进度安排进行了深入、细致的研究,本着“精心策划、精心施工、为业主提供满意服务”的原则,在确保实现工程质量目标的前提下,针对本工程的特性,在工期部署上通过合理安排工期。
投标工期:按照甲方的工期要求(2018年7月15日-2018年11月20日)完成外墙保温及装饰的施工任务。
3、环境与职业健康安全管理目标合理布置施工现场,控制现场降噪扬尘,响应环境保护要求;合理选择施工材料,考虑对社会资源的节约;制定水资源节约利用措施;对机械设备采取封闭隔音措施减少噪音污染,控制伤亡事故为零,不发生重大机械事故、火灾事故、急性中毒事故。
4、文明施工目标本着“绿色施工”的理念,严格按照北京有关施工现场文明施工管理有关规定及甲方和总包方的施工现场文明施工管理的规定施工。
第二节工程管理体系及现场组织机构本工程将组建以公司领导为总指挥的项目组织机构,充分调动资源,委派具有同类工程承包经验和能力的经理担任本工程的项目经理;项目经理部其他人员由具有同类型工程施工管理经验的高素质的管理人员组成,以项目经理为核心,充分发挥企业的整体优势,以全面质量管理为中心环节,以专业管理和计算机管理相结合的科学化管理手段,以高效率地实现工程项目综合目标为目的,以合同管理为依据,对工程项目进行全过程、全方位的计划、组织、管理、协调与控制。
出色地实现质量方针、质量目标以及对业主的承诺。
拟派项目现场管理班子名单执业或职业资格证明职务姓名职称备注证书名称级别证号专业养老保险项目经理王兴钢贰级建造师建筑工程√中级工程技术负责人焦风涛建筑工程√师生产经理刘海阔施工员工程管理√质检员孙海波质检员市政工程√建筑工程安全员李国伟安全员√管理安全员王智函安全员资料员孙博资料员√预算员陈春燕预算员√第三节施工各阶段安排工程施工图纸会审和深化设计:项目经理部技术负责人抓紧组织各专业施工技术人员系统、仔细的阅读图纸并掌握设计意图,提出图纸中的错、漏、碰、缺,并检查施工组织设计和施工方案是否完全符合图纸和设计意图,会同招标人、设计、总包、监理单位共同做好图纸会审。
精品文档教学楼施工组织设计目录1章工程概况12章施工总体部署12.1施工部署12.2工期控制12.3施工准备13章主要施工方法及技术措施13.1基坑支护工程13.2人工挖土施工13.3施工测量13.4桩承台、地梁、底板施工13.5地下室结构施工13.6无粘结预应力钢筋施工13.7主体框架结构施工13.8砼泵送技术13.9砌体工程13.10乳胶漆施工13.11天花吊顶工程13.12楼地面工程13.13屋面坐砌陶质寸半方大阶砖13.14外墙面砖施工13.15墙面花岗岩施工13.16防水工程施工13.17抹灰、油漆工程13.18门窗安装工程13.19玻璃幕墙安装工程13.20外排栅搭设工程14章施工进度安排15章施工总平面布置15.1施工平面布置15.2施工临时用水计算15.3施工临时用电计算16章设备配置及材料进场16.1 主要施工机械方案表 16.2 主要材料进场方案 17章人力配备8章质量保证措施1质量控制程序1质量保证的检测、试验措施1质量保证技术措施1钢筋工程1.第精品文档第第模板工程1第混凝土工程 1第砖砌体工程 1第抹灰工程第楼地面工程 1第门窗安装工程 1第油漆工程1第8.4 质量保证体系 1第9章对专业施工单位的配合第10章文明施工及平安保证措施1第10.1平安施工管理体系1第10.2平安施工措施1第10.3临时用电平安1第10.4机械平安1第塔吊使用平安1第10.5施工现场管理1第10.6施工现场的料具1第10.7施工现场的环境卫生1第10.8施工现场的环境保护1第10.9施工现场的消防保卫措施1第11章施工进度方案横道图和网络图1 第12章施工平面布置图1.精品文档第一章工程概况工程广安职业技术学院教学楼,位于广安市滨江大道一号,该工程是由广安职业技术职业学院兴建,四川省广安设计研究院设计,该建筑地上3层,,天面标高为12.560m,用地面积为387M2,总建筑面积为958M2。
(完整)城市轨道交通复习题及参考答案编辑整理:尊敬的读者朋友们:这里是精品文档编辑中心,本文档内容是由我和我的同事精心编辑整理后发布的,发布之前我们对文中内容进行仔细校对,但是难免会有疏漏的地方,但是任然希望((完整)城市轨道交通复习题及参考答案)的内容能够给您的工作和学习带来便利。
同时也真诚的希望收到您的建议和反馈,这将是我们进步的源泉,前进的动力。
本文可编辑可修改,如果觉得对您有帮助请收藏以便随时查阅,最后祝您生活愉快业绩进步,以下为(完整)城市轨道交通复习题及参考答案的全部内容。
中南大学现代远程教育课程考试复习试题及参考答案城市轨道交通一、填空题:1.我国第一个拥有地铁的城市是__________。
2。
地铁设计规范中,采用的超高峰系数为__________。
3。
我国大城市居民出行强度基本上在__________次/(人·日)左右.4。
列车折返方式根据折返线位置布置情况分为__________和__________.5。
城市轨道交通车站按站台型式分为__________、__________和__________.6。
城市轨道交通车辆段的布置图形分为:__________和__________。
7.城市轨道交通的钢轨的型式有__________、__________和__________三种。
8。
城市轨道交通车站按运营性质可分为:__________、__________、__________和__________。
9。
城市轨道交通车站按结构型式分为:__________、__________和__________。
10.暗挖法分为:__________和__________。
11。
自动售检票模式可分为__________和__________。
12。
城市轨道交通的站间距在市内繁华区一般可控制在_____公里左右。
13.轨道交通高压供电方式有:__________、__________和__________。
电梯安装工程施工组织设计工程部编制目录一、工程概况二、施工组织结构和管理规定三、施工管理----电梯安装现场管理细则四、工程技术及质量保证措施五、对工期的保证措施六、文明施工措施七、关于产品保护的具体措施八、施工阶段有关配合其它施工队的保证措施九、施工场地及施工用电要求十、需方配合电梯安装的事项和要求十一、运输吊装搭棚计划十二、安装工艺一、工程概况本工程项目结构主体分为中心主楼与南北翼区裙房两部分,电梯井道为钢筋混凝土框架结构,共安装17台电、扶梯,其中G1-G6六台HGH-1600-CO150型7层7站7门小机房垂直电梯,S1-S4四台HGH-1600-CO150型8层8站8门小机房垂直(消防)电梯,P1-P3三台UAX-1600-CO90型2层2站2门无机房垂直电梯,F1-F2两台1200EX-EN型自动扶梯,DW1-DW2两台餐梯。
该工程具有项目技术难度高、环境复杂等特点。
需我公司工程部各部门协同努力及需方的紧密配合,才能保质按期圆满完成各项工程项目,因此制定此方案,希望各单位按此方案严格执行,使该工程能顺利完成,对于施工方案中未能提出的一些细节将在施工中不断完善和补充。
二、施工组织结构和管理规定该安装工程的施工,由日立电梯(中国)有限公司南宁分公司工程部负责管理,其属下分设安装监理科、技术科、调试验收科及项目经理、安装队等相关部门人员分别担任施工实施与配合,其职能如下:1、安装监理科负责整个项目工程实施各项工作。
2、技术科负责解决施工过程产生的技术问题同时对安装工艺进行监督指导。
3、项目经理将根据施工进度,进行现场不定期的安全质量抽查工作,保证施工安全和工程质量,并协调工程进度开展中各项工作。
4、项目负责人负责对整个工程实施全面质量监督。
5、调试验收科负责项目电梯的调试和内部验收。
6、项目经理、安装队是整个工程的具体实施部门。
施工过程中的运作如下:1、项目监理科将派驻项目负责人对施工进度进行监控,并负责解决和业主、土建部门的施工配合问题,确保工程按计划完工。
精品文档一、施工组织设计投标人编制施工组织设计的要求:编制时应采用文字并结合图表形式说明施工方法;拟投入本标段的主要施工设备情况、拟配备本标段的试验和检测仪器设备情况、劳动力方案等;结合工程特点提出切实可行的工程质量、平安生产、文明施工、工程进度、技术组织措施,同时应对关键工序、复杂环节重点提出相应技术措施,如冬雨季施工技术、减少噪音、降低环境污染、地下管线及其他地上地下设施的保护加固措施等。
施工组织设计除采用文字表述外可附以下图表,图表及格式要求附后。
投标人根据其施工组织设计的要求可自行把以下图表添加到相应的工程中。
附表一拟投入本标段的主要施工设备表附表二拟配备本标段的试验和检测仪器设备表附表三劳动力方案表附表四方案开、竣工日期和施工进度网络图附表五施工总平面图附表六临时用地表.施工方案与技术措施一、编制原那么1、贯彻执行国家及地方对工程建设的各项方针政策,严格执行工程建设程序。
2、施组编制遵守合同文件、设计文件及施工标准的原那么,确保工程质量和工期。
建立健全各项组织机构和保证体系,确保施工生产科学、有序、高效。
3、采用“四新〞技术。
结合工程特点,积极推广使用新技术、新工艺、新材料、新设备,确保施工质量。
结合实际,经济可靠。
施组编制结合特点,充分调研,优化方案,降低本钱;方案确定充分论证,确保采取方案的可靠性,满足施工的总体安排。
4、统筹平安,科学合理。
根据现场勘察调查资料、合同文件资料工程特点,全面规划、统筹安排,突出重点难点及工期关键工序,采用科学合理的施工方法,确保施组编制满足合同要求。
坚持实事求是的原那么,根据我单位综合施工生产能力组织施工,坚持科学组织、合理安排,确保高速度、高效率、高质量完成工程建设。
二、编制依据1、根据施工图设计、有关文件以及业主对本施工段施工总工期的要求。
2、我公司踏勘现场及调查咨询资料。
4、我公司拥有的科技成果、工法成果、机械设备、技术水平和施工能力,以及参加类似工程施工积累的施工经验。
目录第一章施工组织设计编制说明4第1节编制依据4第2节编制原则6第3节承建该工程施工的优势6第二章工程概况8第1节简况8第2节工程X围8第3节工程概况8第4节场地地形、地貌、地质构造、工程地质条件9第三章管理机构与部署11第1节管理机构与部署11第2节项目班子配备和职责分工17第3节施工目标25第4节施工准备26第四章拟投入的主要施工机械设备表29第1节拟投入的主要施工机械设备表29第2节计划用于本工程的检验、数量、试验设备34第3节保证机械出勤率的措施36第五章劳动力计划和周转料计划表37第1节沉井劳动力配置及进退场计划37第2节顶管劳动力配置及进退场计划38第3节桩基工程劳动力配置及进退场计划38第4节取水头部和水下管道施工劳动力配置及进退场计划39第5节劳动力计划39第6节周转材料计划表41第六章计划开、竣工日期和施工进度网络图42第1节计划开工、竣工日期42第2节各分部分项专业工程的施工进度计划43第七章施工总平面图43第1节总平面布置原则43第2节临时设施计划及临时用地44第3节施工总平面布置45第八章施工技术方案48第1节总体施工方案48第2节主要工程施工情况及特点49第3节具体施工方案59第九章质量保证措施181第1节工程质量目标181第2节质量方针181第3节质量保证体系181第4节质量保证措施186第十章安全文明施工和创建"安全文明工地"措施200第1节安全保证措施202第2节文明施工措施206第3节施工现场维护措施212第4节环境保护减少扰民、降低环境污染和噪音的防护措施213第5节地下管线及其他地上、地下周围设施和建筑物的防护措施214第十一章工期保证措施215第1节工期保证体系215第一章施工组织设计编制说明第1节编制依据(1)第四水厂水源工程施工招标文件;(2)招标文件澄清及答疑;(3)工程招标图纸;(4)根据ISO9001:2000 标准建立的质量体系文件;(5)招标文件要求的技术规X标准:《建筑工程施工质量验收统一标准》GB50300-2001《建筑地基基础工程施工质量验收规X》GB50202-2002《砌体工程施工质量验收规X》GB50203-2002《混凝土结构工程施工质量验收规X》GB50204-2002《屋面工程质量验收规X》GB50207-2002《建筑地面工程施工质量验收规X》GB50209-2002《建筑装饰装修工程篱工质量验收规X》GB50210-2001《建筑给水排水及暖通工程施工质量验收规X》GB50242-2002 《建筑电气工程施工质量验收规X》GB50303-2002《建设工程监理规X》GB50319-2000《民用建筑工程室内环境污染控制规X》GB50325-2001《建筑施工安全检查标准》JGJ59-99《多孔砖砌体结构技术规X》JGJ137-2001《给排水构筑物施工及验收规X》GB141-90《砼质量控制标准》GB50164-92《给排水管道工程施工及验收规X》GB50268-97《钢筋焊接及验收规X》JGJ18-96《测量规X》GBG50026-93(6)相关的现行的国家技术标准和验收规X。
【专业知识】施工组织设计与施工安全技术措施有哪些1.建筑工程施工组织设计施工组织设计是在国家和行业的法律、法规、标准的指导下,从施工的全局出发,根据各种具体条件,拟定工程施工方案、施工程序、施工流向、施工顺序、施工方法、劳动组织、技术措施,施工进度、材料供应、运输道路、场地利用、水电能源保证等现场设施的布置和建设作出规划,以便对施工中的各种需要及其变化,做好事前准备,使施工建立在科学合理的基础上,从而做到高速度地取得最好的经济效益和社会效益。
建筑工程施工组织设计是指导全局、统筹规划建筑工程施工活动全过程的组织、技术、经济文件。
因此,从工程施工招、投标、申报施工许可证和进行施工等活动都必须要有工程施工组织设计作为指导。
施工组织设计一般分为施工组织总设计、单位工程施工组织设计和分部分项工程施工组织设计3类。
2.施工安全技术措施施工安全技术措施是施工组织设计中的重要组成部分,它是具体安排和指导工程安全施工的安全管理与技术文件。
是针对每项工程在施工过程中可能发生的事故隐患和可能发生安全问题的环节进行预测,从而在技术上和管理上采取措施,消除或控制施工过程的不安全因素,防范发生事故。
施工安全技术措施主要包括:进入施工现场的安全规定;地面及深坑作业的防护;高处及立体交叉作业的防护;施工用电安全;机械设备的安全使用;为确保安全,对于采用的新工艺、新材料、新技术和新结构,制定的有针对性的、行之有效的专门安全技术措施;预防自然灾害(防台风、防雷击、防洪水、防地震、防暑降温、防冻、防寒、防滑等)的措施;防火防爆措施。
3.专项安全施工组织设计专项安全施工组织设计也称分部分项工程安全施工组织设计。
《建设工程安全生产管理条例》第二十六条规定,对专业性较强的,达到一定规模的危险性较大的分部分项工程,如:基坑支护与降水工程、土方开挖工程、模板工程、起重吊装工程、脚手架工程、拆除、爆破工程应编制专项施工方案。
根据这个规定,除必须在施工组织设计中编制施工安全技术措施外,还应编制分部分项工程如:脚手架、塔吊安拆、临时用电、爆破工程等的专项安全施工方案或者称为施工安全技术措施,详细地制订施工程序、方法及防护措施,确保该分部分项工程的安全施工。
目录1.工程概况 (1)2.工期及质量目标 (2)3.施工准备及主要资源配置计划 (3)4.施工组织管理网络 (6)5.施工部署及主要施工方案 (7)6.基坑工程应急预案 (24)7.季节性施工措施 (31)8.安全生产和文明施工措施 (33)9.基坑监测、监控及周边关系协调 (39)10.施工进度计划 (43)1.工程概况1.1 工程总体概况1.2 场地周边环境概况数据产业园综合楼(二期)工程场地位于江苏省泰州医药高新技术开发区,场地现为空地,北侧为一现有道路,距离地下室外墙距离为0~4.7m,其余各测可用距离均较大。
1.3 设计简介及主要工作量基坑开挖深度5.6~7.0m。
基坑北侧采用单排间距1300mm的钻孔灌注桩排桩支护结构,旋喷桩止水;其余各侧均采用1:1护面放坡支护;基坑降水采用管井结合二级轻型井点的方案,坑内设置疏干井点,另在靠近一期工程处设置回灌井、观测孔。
本工程基坑支护主要设计参数简介1.4 编制依据1.4.1 建设单位提供资料(1)泰州数据产业园二期岩土工程勘察报告(勘察编号2012216)。
(2)泰州数据产业园二期基坑支护设计图(含降水)及基础图。
1.4.2 主要参考规范、标准2.工期及质量目标2.1工期目标根据工程量、场地环境和工程地质条件以及业主的工期要求,并结合我公司拟投入的施工力量,计划本工程施工工期为 60 个日历天(土方开挖完成,不含等待时间)。
2.2质量目标本工程我公司将按照GB/T19001-2000 idt ISO9001:2000质量管理体系组织施工,保证施工质量满足设计和相关规范要求,一次性通过验收,达合格标准,并保证基坑安全。
3.施工准备及主要资源配置计划3.1 技术准备(1)收集准备本工程适用的国家及地方规范,办理工程图纸、地质报告等相关工程资料的领用工作。
并会同设计、监理等有关部门进行图纸会审、技术交底。
(2)组织项目技术人员熟悉图纸,了解工程情况和工程施工内容,理解施工图各种设计技术要求和各项指标;各专业分别要编制预防质量通病的技术措施。
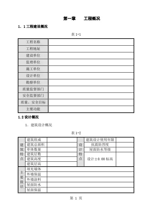
第一章工程概况1.1工程建设概况表1-1工程名称工程地址建设单位监理单位施工单位设计单位勘察单位质量监督部门安全监督部门质量、安全目标主要功能1.2设计概况1.建筑设计概况表1-2建筑特点建筑组成设计特点建筑设计使用年限建筑总面积抗震防烈度单体数量屋面防水等级建筑层数设计±0.00标高建筑高度建筑层高主要做法填充墙体外墙保温外墙涂料屋面防水屋面保温室内墙面等2.结构设计概况表1-3序号项目内容1 结构形式基础:主体:3 地基、地质4 水位、水质5 混凝土强度等级6 主要钢筋类别7 钢筋连接方式8 墙体材料3.安装设计概况表1-4序号项目内容1 给排水系统2 消防系统3 通风空调系统4 配电系统5 照明系统6 防雷系统7 弱电系统8 电梯系统1.3现场施工条件1.临水由于施工现场在老库区内,因此现场临水供给需与老库区管网对接,业主提供老库区管网位置;室外消防管道采用DN150钢丝网骨架塑料复合管电热熔管箍连接,雨水管道采用d600HDPE黑色双壁波纹管采用电热熔连接,排水水管道采用d300HDPE黑色双壁波纹管电热熔连接,消防管道埋深为管顶不小于1米,排水管道埋深管底标高为1米。
2.临电业主提供老库区内变配电箱,需敷设电缆至施工场地内,桥架架空设置;业主提供380V箱变使用YJV3*185+2*120型号电缆引至1#、2#总箱。
3.道路进入现场的道路方便快捷,根据平面图规划道路设临时施工道路,路面用混凝土硬化,设置双车道;4.地形加工区场平完成,1#库区已开始开挖,现场地形高差较大,部分区域地表下存有大量石方;5.地下管网、相邻建筑本工程北侧为已建厂房;西侧和南侧均为规划道路,现场场地比较宽敞,塔吊等机械布置对周边建筑物不会造成影响。
本工程周围无山体、水体、油库、地下管线等设施;1.4工程特点、重点、难点分析本工程施工现场地形高差极大,且部分区域存在石方,因此开挖及场地平整工作难度较大,且因地势影响,若遇到雨季施工,如何做好雨季施工的防汛工作为工作重点;因本工程使用功能为卷烟厂烟叶醇化库,工期紧、工作量大,如何合理的组织及分配劳力、机械等为本工程的重点及难点。
北京某地铁施工组织设计目录第一章施工组织设计编制说明 (5)第1节编制依据 (5)第2节编制原则 (6)第3节承建该工程施工的优势 (7)第二章工程概况 (8)第1节简况 (8)第2节工程范围 (9)第3节工程概况 (9)第4节场地地形、地貌、地质构造、工程地质条件 (9)第三章管理机构与部署 (12)第1节管理机构与部署 (12)第2节项目班子配备和职责分工 (17)第3节施工目标 (25)第4节施工准备 (26)第四章拟投入的主要施工机械设备表 (30)第1节拟投入的主要施工机械设备表.. 30第2节计划用于本工程的检验、数量、试验设备 (37)第3节保证机械出勤率的措施 (39)第五章劳动力计划和周转料计划表 (40)第1节沉井劳动力配置及进退场计划.. 40第2节顶管劳动力配置及进退场计划.. 41第3节桩基工程劳动力配置及进退场计划41第4节取水头部和水下管道施工劳动力配置及进退场计划 (42)第5节劳动力计划 (42)第6节周转材料计划表 (44)第六章计划开、竣工日期和施工进度网络图44第1节计划开工、竣工日期 (45)第2节各分部分项专业工程的施工进度计划 (45)第七章施工总平面图 (46)第1节总平面布置原则 (46)第2节临时设施计划及临时用地 (46)第3节施工总平面布置 (49)第八章施工技术方案 (51)第1节总体施工方案 (51)第2节主要工程施工情况及特点 (53)第3节具体施工方案 (65)第九章质量保证措施 (195)第1节工程质量目标 (195)第2节质量方针 (195)第3节质量保证体系 (195)第4节质量保证措施 (201)第十章安全文明施工和创建"安全文明工地"措施 (215)第1节安全保证措施 (217)第2节文明施工措施 (222)第3节施工现场维护措施 (228)第4节环境保护减少扰民、降低环境污染和噪音的防护措施 (229)第5节地下管线及其他地上、地下周围设施和建筑物的防护措施 (231)第十一章工期保证措施 (232)第1节工期保证体系 (232)施工组织设计编制说明第一节编制依据(1)第四水厂水源工程施工招标文件;(2)招标文件澄清及答疑;(3)工程招标图纸;(4)根据ISO9001:2000 标准建立的质量体系文件;(5)招标文件要求的技术规范标准:《建筑工程施工质量验收统一标准》GB50300-2001《建筑地基基础工程施工质量验收规范》GB50202-2002《砌体工程施工质量验收规范》GB50203-2002 《混凝土结构工程施工质量验收规范》GB50204-2002《屋面工程质量验收规范》GB50207-2002《建筑地面工程施工质量验收规范》GB50209-2002《建筑装饰装修工程篱工质量验收规范》GB50210-2001《建筑给水排水及暖通工程施工质量验收规范》GB50242-2002《建筑电气工程施工质量验收规范》GB50303-2002《建设工程监理规范》GB50319-2000《民用建筑工程室内环境污染控制规范》GB50325-2001《建筑施工安全检查标准》JGJ59-99《多孔砖砌体结构技术规范》JGJ137-2001 《给排水构筑物施工及验收规范》GB141-90 《砼质量控制标准》GB50164-92《给排水管道工程施工及验收规范》GB50268-97《钢筋焊接及验收规范》JGJ18-96《测量规范》GBG50026-93(6)相关的现行的国家技术标准和验收规范。
目录第一章工程概况 (3)第二章编制依据 (4)第三章施工方案与技术措施 (5)第四章主要施工方案..................................................................................................6-13第一节施工工艺要求及施工流程第二节高低压开关柜的安装第三节电缆敷设施工第四节管、线槽内穿、放线第五节接地装置的安装第六节施工总平面布置第七节与各方配合措施第五章质量管理体系与措施............................................................................................14-30第一节质量保证要点第二节质量保证岗位职责第三节主要质量保证措施第四节冬雨季施工质量保证措施第五节夜间施工减少噪音保证措施第六节地下管线及其他地上地下设施的保护加固措施第七节项目质量管理措施第六章安全、文明施工、环境保护管理体系与措施...................................................31-44第一节安全指标第二节安全保障要点和安全技术组织措施第三节安全制度的健全完善第四节安全制度的实施和落实第五节环境保护及文明施工具体措施第七章工程进度计划与措施.........................................................................................45-47第八章资源配备计划..........................................................................................48-50第一节主要施工机械设备需求计划第二节劳动力安排计划第三节材料组织安排计划第九章项目管理机构................................................................................................... 51-58第一节现场组织机构第二节现场组织机构框图文字详述第三节施工组织管理机构及人员职责第四节施工组织机构工作保证措施第五节公司项目管理措施附表一:拟投入本标段的主要施工设备表附表二:拟配备本工程的试验和检测仪器设备表附表三:劳动力计划表附表四:计划开、竣工日期和施工进度横道图附表五:施工总平面图附表六:临时用地表一、施工组织设计第一章工程概况1、工程名称:台表成都厂10KV/0.4KV变电所工程。
地铁供电系统施⼯组织设计⽅案(1)最新资料,word⽂档,可以⾃由编辑!!精品⽂档下载【本页是封⾯,下载后可以删除!】1 施⼯及安装⼯艺1.1 变电所施⼯及安装⼯艺 1.1.1 牵引降压变电所施⼯总体流程施⼯准备与协调系统联调35kV 开关柜就位安装电缆桥⽀架安装接地装置安装设备基础槽钢制作安装设备搬运进所整流变压器就位安装直流开关柜、整流柜就位绝缘安装⼆次接线⾼压电缆头制作所内电缆敷设设备试验、调试验收试运⾏所间电缆、光缆敷设光缆成端、接续孔洞封堵1.1.2 降压变电所施⼯总体流程施⼯准备与协调系统联调35kV 开关柜就位安装电缆桥⽀架安装接地装置安装设备基础槽钢制作安装设备搬运进所配电变压器就位安装低压开关柜就位安装⼆次接线⾼压电缆头制作所内电缆敷设设备试验、调试验收试运⾏所间光、控缆敷设光缆成端、接续封闭母线桥安装孔洞封堵1.1.3牵引、降压变电所主要⼯序施⼯⼯艺1.1.3.1设备基础预埋件安装(1)施⼯准备①劳动⼒准备序号项⽬单位数量备注1 施⼯负责⼈⼈ 1 施⼯组织2 测量、划线⼈ 2 测量、划线、超平3 变电安装⼯⼈ 2 钻孔、安装4 电焊⼯⼈ 1 焊接②⼯机具准备序号名称规格单位数量备注1 ⽔准仪S3 台 12 塔尺3m 只 13 ⽔平尺L=1000mm 只 14 电焊机Bx-205 套 15 冲击电钻TE-22 台 16 ⼿锤1kg 把 27 锤击棒φ10 根 28 钢钎L=450mm 根 19 撬棍L=600mm 根 210 墨⽃线只 111 钢卷尺30m、5m 个 212 电源配电箱三相五线个 1 带漏电保护装置13 断线剪L=900mm 把 114 活⼝扳⼿250x30 把 215 呆扳⼿17~19 把 316 电⼯⼯具套 117 钢丝刷把 118 ⽑刷把 2序号名称规格单位数量备注19照明灯具套2(2)操作程序①⼯序流程图②操作要领: A 施⼯准备a 依据施⼯图纸将基础型钢安装所需预埋配件加⼯备齐。
第一章管理机构与部署第1节管理机构与部署本工程中标后,为保证安全、优质、快速、经济地完成施工任务,我集团公司将本工程列为重点工程项目,对本工程提供资金、设备、物资和技术的重点支持。
抽调公司施工、科研等部门的精干人员,组建xxx 市第四水厂水源工程项目经理部,设项目经理1 人,项目副经理1 人,项目技术负责人1 人,全权负责工程施工管理。
项目经理部各职能部门分为:办公室、工程技术部、物资设备部、安全质量部、财务部、试验室。
在项目经理的直接领导下负责承包对口的职能管理和相互协调。
施工作业层(队伍)按专业划分为顶管施工项目队、取水泵房施工项目队、取水头部施工项目队、钢制卷管施工项目队。
各项目队直属部承包项目经理部领导,配置相关专业技术管理人员,共同创建一流服务,奉献精品工程。
施工组织机构框图见图3,施工任务划分见表3。
施工组织机构图1234施工任务划分表5本工程为市政建设项目,是一项技术性极强的系统工程,必须建立与之相适应的、强有力的专6业化施工管理和保证体生活费,来统筹协调项目施工的全过程。
第2节项目班子配备和职责分工3.2.1 项目班子人员配置施工项目经理部主要管理人员表73.2.2 项目班子成员职责分工3.2.2.1 项目经理职责项目经理是公司法定代表人在本项目上的全权委托代理人,具体履行、实施该项目的工程合同,对工程项目全面负责。
(1)贯彻执行国家、行业和项目所在地有关工程质量、环境保护和职业健康法律法规、规范、规定,贯彻执行集团公司管理方针、目标与方案。
(2)组织制定项目经理部各类人员的职责权限和各项规章制度,搞好与上级各管理职能部门的业务联系和经济往来,定期报告工作。
(3)负责组织本项目施工全过程的一切管理活动,执行公司颁布实施《管理手册分手册》和有关程序文件,并将各项管理职责分工落实到人。
①参与公司组织本项目的合同评审和接收评审后的合同交底,负责组织编制项目质量计划或实施性施工组织设计并组织实施;②负责组织对本项目的环境因素识别、危险源辩识,编制项目环境,职业健康安全管理方案、8应急响应方案并负责运行管理。
1. 施工总体进度计划及保障措施1.1 施工总进度计划安排1.1.1 招标人对工期的要求⑴总工期本合同段合同工期为334日历天。
招标人要求施工总工期不长于334日历天,从计划开工日期开始计算达到轨通的工期不长于196日历天;计划开工日期2007年1月1日,计划轨通日期2007年7月15日,计划完工日期2007年11月30日。
⑵铺轨基地及工程工期节点⒈2006年8月中标方进行铺轨基地建设;⒉2007年1月1日提交铺轨工作面,中标方开始铺轨工程;⒊2007年7月15日轨通,轨通工期为196日历天;⒋轨道验收完成工期为334日历天。
⑶第二阶段临管运输截止时间为2007年12月31日。
1.1.2 投标人对工期的安排⑴具备铺轨基地建设条件后,计划于2006年8月1日安排人员进场,开始进行安定路铺轨基地建设施工,2006年11月30日前建成并开始进存轨料;02合同段轨道铺设工程施工计划于2007年1月1日开工,2007年6月25日达到轨通,历时176日历天,比招标人要求的轨通时间提前20天;全部施工于2007年11月15日完成,历时319日历天,比招标人要求的总工期提前15天;满足招标文件对轨通时间和总工期的要求。
⑵如果招标人根据现场情况对开工日期、完工日期提出调整要求,我单位将积极主动地予以响应,对施工工期进行相应的调整,满足业主对轨通时间和总工期的调整要求。
⑶一旦中标,立即组织施工调查,随时掌握土建施工进度,如果土建工程部分区段在计划开工前具备轨道施工条件,且在基标测设和调坡调线完成的前提下,向业主和工程监理提出调整施工进度计划的请求,获准后,立即组织施工队伍、材料及施工机具进场,充分利用土建施工的下料口,提前进行预铺项目施工,为正线轨道铺设工程连续施工创造条件。
1.2 轨道工程施工进度指标⑴整体道床施工75m/作业面·天;⑵钢弹簧浮臵板道床施工6m/作业面·天;⑶整体道床单开道岔施工1组/7天;⑷整体道床交叉渡线施工1组/28天;⑸钢轨焊联12个头/天;⑹无缝线路应力放散及锁定0.9~1.5km/天;⑺接触轨及防护罩安装单线300m/天。
目录
第一章施工组织设计编制说明 (5)
第1节编制依据 (5)
第二章工程概况 (8)
第1节简况 (8)
第2节工程范围 (9)
第3节工程概况 (10)
第4节场地地形、地貌、地质构造、工程地质条件 (10)
第三章管理机构与部署 (12)
第1节管理机构与部署 (12)
第2节项目班子配备和职责分工 (16)
第3节施工目标规划 (24)
第4节施工准备 (26)
第四章拟投入的主要施工机械设备表 (29)
第1节拟投入的主要施工机械设备表 (29)
1
第2节计划用于本工程的检验、数量、试验设备 (31)
第3节保证机械出勤率的措施 (34)
第五章劳动力计划和周转料计划表 (35)
第1节沉井劳动力配置及进退场计划 (35)
第2节顶管劳动力配置及进退场计划 (35)
第3节桩基工程劳动力配置及进退场计划 (36)
第4节取水头部和水下管道施工劳动力配置及进退场计划 (36)
第5节劳动力计划表 (37)
第6节周转材料计划表 (39)
第六章计划开、竣工日期和施工进度网络图 (39)
第1节计划开工、竣工日期 (40)
第2节各分部分项专业工程的施工进度计划 (40)
第七章施工总平面图 (40)
第1节总平面布置原则 (40)
第2节临时设施计划及临时用地 (41)
2
第3节施工总平面布置 (43)
第八章施工技术方案 (45)
第1节总体施工方案 (45)
第2节主要工程施工情况及特点 (47)
第3节具体施工方案 (58)
第九章质量保证措施 (175)
第1节工程质量目标 (175)
第2节质量方针 (175)
第3节质量保证体系 (176)
第4节质量保证措施 (182)
第十章安全文明施工和创建"安全文明工地"措施 (198)
第1节安全保证措施 (200)
第2节文明施工措施 (205)
第3节施工现场维护措施 (212)
第4节环境保护减少扰民、降低环境污染和噪音的防护措施 (212)
3
第十一章工期保证措施 (214)
第1节工期保证体系 (214)
第2节工期保证措施 (217)
第3节赶工计划和措施 (218)
第十二章冬、雨季施工措施和防护措施 (221)
第1节冬季施工 (221)
第2节雨季施工 (221)
第十三章工程回访、保修服务及承诺 (223)
第1节回访、保修服务的依据 (223)
第2节工程回访 (223)
第3节保修服务 (223)
第4节保修服务承诺 (224)
4
第一章施工组织设计编制说明
第1节编制依据
(1)第四水厂水源工程施工招标文件;
(2)招标文件澄清及答疑;
(3)工程招标图纸;
(4)根据ISO9001:2000 标准建立的质量体系文件;
(5)招标文件要求的技术规范标准:
《建筑工程施工质量验收统一标准》GB50300-2001
《建筑地基基础工程施工质量验收规范》GB50202-2002
《砌体工程施工质量验收规范》GB50203-2002
《混凝土结构工程施工质量验收规范》GB50204-2002
《屋面工程质量验收规范》GB50207-2002
《建筑地面工程施工质量验收规范》GB50209-2002
《建筑装饰装修工程篱工质量验收规范》GB50210-2001
《建筑给水排水及暖通工程施工质量验收规范》GB50242-2002
5。