GL8风扇控制电路图
- 格式:doc
- 大小:218.50 KB
- 文档页数:2
别克GLX风扇反转车型:2001款别克GLX。
故障现象:车主以水温高,空调有时不工作的故障来送修。
故障诊断:接修此车时,观察水温表已接近红区,检查风扇,发现只有右侧风扇高速运转,而左侧风扇转速很慢,比低速还要慢。
因为此时发动机已过热,于是立即关闭发动机。
接通点火开关但不启动发动机,连接TECH2,用TECH2驱动两个风扇以高速挡旋转,发现右侧转速正常,而左侧风扇有时转,有时不转。
在驱动风扇高速旋转的同时,测得左侧风扇插头两端的电压在2~5V之间变化,不稳定;而右侧风扇工作电压为12V。
检查发现风扇线束与车身线束连接器C105处的棕色线与蓝色线端子已严重烧蚀,插座塑料件也已熔化变形。
清理插座并重新打磨端子后,连接好,试车,故障依旧。
用两根粗导线跨接插头,即分别短路插头中的棕色线和蓝色线,结果故障仍不能排除。
由此看来,线路的其他部分可能还存在故障。
风扇控制电路如图1所示,在用TECH2驱动风扇高速运转的同时,用万用表电压挡测量插头C105发动机线束侧的浅蓝线与接地问的电压为12V,测量灰色线与接地间的电压为9V(正常为0V),说明灰色线(532电路)搭铁不良。
试更换继电器9,无效,拆下继电器盒,从背面拆下插头,发现C11端子严重烧蚀,从插座中脱落下来一段,灰色线的线皮已熔化,继电器盒及相应插脚已烧蚀变形。
经打磨、清理并固定继电器盒背面的插座和端子后装复,用TECH2驱动,检查左侧风扇高速旋转正常,但用手放在左侧风扇后面感觉风量比右侧要小,仔细检查发现左侧风扇是向前吹风,而不是向后吸风。
进一步检查线路,发现风扇线束(风扇侧的小线束)中棕色线与蓝色线被切断后又重新焊接起来,与其他车相比,其棕色线与蓝色线对调了,造成左侧风扇反转。
风扇的正确旋转方向是向发动机舱内吸风,而反转时是向前吹风,汽车向前行驶时使风扇的运转阻力增大,电流增大,烧损了风扇线束插头及继电器盒插头等部件。
线束损坏处如图2所示。
原来,此车是一个事故车,发动机舱内的布线十分不规矩。
X50A 发动机舱盖下保险丝盒标签编号装置标签名称装置赋值名称额定电流说明1 -F1UA保险丝15A 变速器控制模块2 -F2UA保险丝5A 发动机控制模块3-4 -未使用不适用未使用5 -F5UA保险丝5A 变速器控制模块、发动机控制模块6 -F6UA保险丝30A 挡风玻璃刮水器继电器7 -未使用不适用未使用8 -F8UA保险丝15A 点火线圈、喷油器、发动机控制模块9 -F9UA保险丝15A 点火线圈、喷油器、发动机控制模块10 -F10UA保险丝20A 发动机控制模块11 -F11UA保险丝10A 加热型氧传感器12 -F13UA保险丝30A 起动电机13 -F12UA保险丝7.5A变速器控制模块、燃油控制器、曲轴箱通风加热器14 -F14UA保险丝7.5A 后窗玻璃刮水器继电器15 -F15UA保险丝20A 未使用16 -F16UA保险丝7.5A 备用17 -F17UA保险丝5A 安全气囊系统传感和诊断模块18 -F18UA保险丝5A 备用19 -F19UA保险丝15A 前照灯水平调节执行器20 -F20UA保险丝20A 燃油泵继电器21 -F21UA保险丝30A 车窗电机、前车门22 -F22UA保险丝25A 电子制动控制模块(EBCM)23 -F23UA保险丝10A 电动滑门控制模块24 -F24UA保险丝30A 车窗电机、前车门25 -F25UA保险丝30A 电动举升门电机、后部空调电机26 -F26UA保险丝50A 电子制动控制模块(EBCM)27 -F27UA保险丝30A 电动滑门电机28 -F28UA保险丝40A 后窗除雾器格栅29 -F29UA保险丝15A 空调压缩机30 -F30UA保险丝15A 第二排座椅通风31 -F31UA保险丝10A 电动举升门控制模块32 -F32UA保险丝15A 车身控制模块电源33 -F33UA保险丝25A 第一排座椅加热模块34 -F34UA保险丝25A 天窗控制模块、天窗遮阳板电机模块35 -F35UA保险丝30A 音频放大器(UQS)36 -F36UA保险丝10A 前照灯高度调节执行器37 -F37UA保险丝10A 右侧远光前照灯38 -F38UA保险丝10A 左侧远光前照灯39 -F39UA保险丝25A 第二排座椅加热模块40 -未使用不适用未使用41 -未使用不适用未使用42 -F42UA保险丝40A 冷却风扇中速43 -F43UA保险丝30A 备用44 -F44UA保险丝25A 前照灯洗涤液泵继电器45 -F45UA保险丝60A 冷却风扇高速继电器46 -F46UA保险丝10A 冷却风扇继电器47 -F47UA保险丝10A 加热型氧传感器48 -F48UA保险丝15A 前雾灯49 -F49UA保险丝10A 右侧近光前照灯50 -F50UA保险丝10A 左侧近光前照灯51 -F51UA保险丝15A 喇叭52 -F52UA保险丝5A 组合仪表53 -F53UA保险丝10A前照灯高度调节执行器、通风型座椅鼓风机电机、车内后视镜、倒车影像54 -F54UA保险丝5A 前照灯水平调节开关、空调控制模块55 -F55UA保险丝7.5A 前侧车窗开关、后视镜开关56 -F56UA保险丝15A 挡风玻璃洗涤液泵57 -F57UA保险丝15A 备用58 -未使用不适用未使用59 -F59UA保险丝20A 电子真空助力泵60 -F60UA保险丝7.5A 车外加热型后视镜61 -F61UA保险丝―未使用62 -未使用不适用未使用不适63 -未使用用未使用64 -F64UA保险丝5A 前照灯控制模块65 -未使用不适用未使用66 -F66UA保险丝15A 后车窗清洗泵67 -F67UA保险丝20A 燃油泵控制模块68 -未使用不适用未使用69 -F69UA保险丝5A 车身控制模块、电瓶电压控制模块70 -F70UA保险丝5A 备用71 -F71UA保险丝5A 车顶空调控制开关1 -KR29空调压缩机离合器继电器-空调压缩机离合器2 -KR27起动机继电器-起动机3 -KR20F冷却风扇继电器-冷却风扇4 -KR12C挡风玻璃刮水器速度控制继电器-挡风玻璃刮水器速度控制5 -KR12B挡风玻璃刮水器继电器-挡风玻璃刮水器6 -未使用-未使用7 -KR75发动机控制模块继电器-主继电器8 -KR23A燃油泵继电器-燃油泵9 -KR20A 冷却风扇中速1继电器-冷却风扇中速1继电器10 -KR20B 冷却风扇中速2继电器-冷却风扇中速2继电器11 -KR2前照灯洗涤液泵继电器-前照灯洗涤液泵12 -KR20E 冷却风扇转速控制继电器-冷却风扇转速控制13 -KR20D 冷却风扇高速继电器-冷却风扇高速14 -KR49前照灯近光继电器-前照灯近光(TT6)15 -KR73点火主继电器-主点火16 -KR16电子真空助力泵继电器-电子真空助力泵17 -KR5后窗除雾器继电器-后窗除雾器重要注意事项:以下所列为车身内部,不可维修的印刷电路板(PCB)――KR3喇叭继电器 - 喇叭― ― KR11挡风玻璃洗涤液泵继电器 - 挡风玻璃洗涤液泵 ― ― KR46前雾灯继电器 - 前雾灯 ― ― KR48前照灯远光继电器 - 前照灯远光 ― ― KR6后窗清洗液泵继电器 - 后窗清洗液泵 ――KR7后窗雨刮继电器-后窗雨刮器。
故障现象一辆2006款别克SGM7252GL发动机型号为LB8的轿车,已行驶11万k m。
在一次驾驶途中发现,汽车自检系统发动机故障灯亮,但发动机温度、油压、动力等各项指标均正常。
在与汽修厂技师沟通后,将该车驶入修理厂进行检测维修。
故障诊断与排除当故障灯亮时车辆动力、油压、温度及油耗、水量消耗均无异常,且发动机声响、尾气排放状况均正常的情况下,可认为发动机本身内部无故障,经分析仪对其初步诊断也验证了这一判断。
用KT-3000解码器检测出P0481—冷却风扇(FC)、继电器2和3、控制电路出现故障导致了高速风扇运转不正常偶尔会运转偶尔不运转。
按4S店要求应更换可能会引起造成故障的全套相关联配件,包含冷却风扇及电机LR,发动机冷却风扇束及发动机线束等,目的是为了防止由于汽车处于运转状态下,使得故障损坏程度进一步延伸并恶化。
思考后认为在可能的情况下,利用传统经验与现代仪器配合,同样能解决故障,并同时达到降低维修成本的目的。
据检测的故障码及维修经验,经过一段时间运行后观察其高低速风扇均会运转后,首先应考虑冷却线束与风扇电机直接的接触卡接口是否由于车辆行驶过程中受颠簸造成虚脱引起电流和电阻值变化,进而造成故障灯亮,这是该车型的一种常见的故障。
经拔卡检查果真发现风扇电机插头与连接口中的两根线束触点有烧灼现象,因此采用新导线连接方法(图1),把原先短路的线束重新接通(此类车型的接触卡无可供配件),而避免购买发动机线束。
消除故障码后,试车途中仪表显示正常,但在停车后再次发动时故障灯又亮。
这是否是由于连接导线的面积大小差异通过风扇电机的电流值不同,其测定的信号参数出现异常,电脑接收到虚假的信号参数呢?因此换上截面积较大的连接导线再次重新连接短路的线束。
消码后试运行正常,重新发动后故障灯又亮。
我们再次用电脑测量,还是显示故障码P0481—冷却风扇(FC)、继电器2和3、控制电路出现故障,于是修理工按着风扇线路的工作原理去查找故障原因,图2、图3。
别克汽车冷却风扇控制器安装使用说明书产品特点:1、安装简单,不破坏原车线束。
2、不必更换已经烧坏的风扇线束和保险盒,极大程度降低维修成本。
3、安装本品后,风扇转速达到新车水平。
风扇提前启动运转,95℃启动低速运转,100℃启动高速,冷却液高温问题得到明显改善。
4、采用磨砂铝合金外壳,IP55防尘防水,中美合资品牌80A大电流继电器,确保工作稳定可靠5,引线采用铁氟龙电线(俗称硬皮电线),耐高温、抗腐蚀、耐老化。
可达到与车辆同寿命。
安装与使用:先关闭点火钥匙。
1、GL8商务车建议把控制盒安装在右前大灯底下,或固定机舱保险盒下,蓄电池后面,君威世纪皇朝建议安装在机舱保险盒侧边的斜撑杆上。
2、两个黑色2P插头插在风扇电机上,线短的插车身右侧电机,长的插左侧电机。
3、将原车水温传感器插头拔下,把本控制器的母插插入水温传感器,公插接上原车的母插头,即可完成对水温传感器的连接。
4、带保险盒的红色线为正极,接保险盒的入线正极8mm螺栓上,黑色线为负极,须就近牢固搭铁。
5、两条较细的为高、低速控制线,绿色为低速,兰色为高速,接控制线前先测试风扇能否正常工作,先把绿色单独搭铁,此时两个风扇应低速运转,若有二个都不转,说明其中一个已经坏掉,若风向不对,说明可能更换过不匹配电机,把两条控制线同时搭铁,则两个风扇同时高速运转。
6、接线方式分两种:方法一:拔掉保险盒内控制风扇运转的三个继电器,一般为9号、10号和12号继电器,绿色线插头插入君威车12号继电器85号脚;GL8车的12号继电器85号脚。
兰色线插头插入君威车9号继电器85号脚;GL8车的9号继电器86号脚。
需要用力插入。
方法二:铰接保险盒背面黑色接线板,绿色控制线:GL8车接F3绿色线,君威车接A3绿色线;兰色控制线:GL8车接C10兰色线,君威车接A11兰色线。
以下图示:F E D C B A1211 C10 兰色10 ●9876 F3 绿色543 ●21商务车(GL8) 黑色接线板F E D C B A1211 ●A11兰色1098765 A3 绿色43 ●21轿车(君威、世纪、皇朝) 黑色接线板39 38 3718号保险丝接细红线25号保险丝接细红线8、本控制器内置ECU ,请一定按照以下顺序接线:第一步接2个风扇电机插头,第二步接水温传感器插头,第三步接负极,第四步接正极,第五步将蓝绿线搭铁测试风扇是否高低速运转以及风向是否正确,无误后再牢固接入。
暖风、通风和空调系统 - 自动示意图和布线图部件定位图暖风、通风和空调系统部件视图发动机室左前侧447365B 图标(1)空调(A/C )制冷剂压力传感器左侧仪表板图标(1)阳光传感器(C68)(2)空调控制模块(C68)(3)上出风口温度传感器(C68)U010205地板控制台图标(1)空调控制模板—辅助(C69U)空调箱总成(前)图标(1)模式(模式1)风门执行器(2)进新风执行器(3)前鼓风机马达(4)除霜(模式2)风门执行器(5)鼓风机马达电阻片(C67)鼓风机马达调速模块(C68)(6)下出风口温度传感器(C68)(7)温度风门执行器左后车厢图标(1)鼓风机马达—辅助空调系统(2)温度风门执行器—辅助空调系统(3)模式执行器—辅助空调系统(4)后空调继电器(5)后空调高速继电器(6)鼓风机马达电阻—辅助空调系统U010206前保险杆下部590176B 图标(1)环境气温传感器暖风、通风和空调系统接头端视图空调压缩机离合器线圈接头零件信息z12162017针导线颜色电路编号功能A 黑色1050接地B深绿59A/C 压缩机离合器电磁阀供电空调制冷剂压力传感器接头零件信息z12110192针导线颜色电路编号功能A 黑色2751空调压力传感器回路B 灰色27005伏参考电压C红色/黑色380空调(A/C )制冷剂压力传感器信号280759258299环境气温传感器接头零件信息z12052641针导线颜色电路编号功能A 浅绿/黑色735外界环境温度传感器信号B黑色1550接地辅助(后)鼓风机马达接头零件信息z12033769针导线颜色电路编号功能A 黑色350T 接地B橙色1052E供电35437523591辅助(后)鼓风机马达电阻片辅助(后)模式风门执行器J12接头零件信息z12064993针导线颜色电路编号功能5黄色1318正转6深蓝色953反转8灰色597B供电9灰色/黑色695反馈10黑色1791B接地280764辅助(后)温度阀执行器接头零件信息z12064993针导线颜色电路编号功能5白色/黑色1236正转6浅蓝色954反转8灰色597A供电9深蓝色1646反馈10黑色1791A接地鼓风机(前)马达调速模块280764电动进气执行器接头零件信息z12064993针导线颜色电路编号功能5深绿色1614正传6褐色957反转8灰色596E供电9紫色1838反馈10黄色1798C接地温度风门执行器接头零件信息z12064993针导线颜色电路编号功能5深蓝色1199正传6深绿色956反转8灰色596B供电9浅蓝色733反馈10橙色1798B接地280764280764模式风门执行器1接头零件信息z 12064993针导线颜色电路编号功能5褐色2273正传6黄色951反转8灰色598B供电9浅绿色2275反馈10黄色1779B接地模式风门执行器2接头零件信息z12064993针导线颜色电路编号功能5白色119正传6黑色952反转8灰色598C供电9浅绿色/黑色2276反馈10黄色1779C接地280764280764C68空调控制头(前)接头J1C68空调控制头(前)接头J2C69U空调控制头(后)接头J14接头零件信息z12064978针导线颜色电路编号功能1黑色150C接地2灰色908变光输入3---4橙色1040供电5浅绿色2271class 26粉红色739点火40427诊断信息和程序故障诊断仪输出控制暖风、通风和空调系统控制模块故障诊断仪输出控制故障诊断仪输出控制附加菜单选择说明空调系统请求输出控制当选择ON(开)时,暖风、通风和空调系统控制模块发出一个空调系统请求信号,打开空调压缩机。
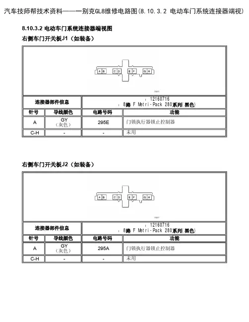
8.10.3.2 电动车门系统连接器端视图 右侧车门开关板J1(如装备)右侧车门开关板J2(如装备)连接器部件信息 l12160716l8路 F Metri-Pack 280系列(黑色)针号 导线颜色 电路号码 功能A GY (灰色)295E 门锁执行器锁止控制器 C-H--未用连接器部件信息 l12160716l8路 F Metri-Pack 280系列(黑色)针号 导线颜色 电路号码 功能A GY (灰色)295A 门锁执行器锁止控制器 C-H--未用左前门车门锁闩总成J1左前门车门锁闩总成连接器部件信息 l15300027l2路插座 F Metri-Pack 280系列密封(黑色)针号 导线颜色 电路号码 功能A TN (黄褐色) 694 左前门门锁执行器解锁控制器 BGY (灰色)295门锁执行器锁止控制器连接器部件信息l15410728l4路 F GT 150系列密封(黑色)针号 导线颜色 电路号码 功能A TN (黄褐色) 126 左前门打开开关门信号B GY/BK (灰色/黑色)745 左前门半开开关信号 C - - 未用 DBK (黑色)550T接地右前门车门锁闩总成J1右前门车门锁闩总成J2连接器部件信息 l15300027l2路 F Metri-Pack 280系列密封(黑色)针号 导线颜色 电路号码 功能A TN (黄褐色) 294 门锁执行器解锁控制器 BGY (灰色)295门锁执行器锁止控制器连接器部件信息l15410728l 4路 F GT 150系列密封(黑色)针号 导线颜色 电路号码 功能A BK (黑色)850F 接地 B -- 未用C TN/WH (黄褐色/白色)746 右前门半开开关信号 DL-GN (浅绿色)1177右前门打开开关信号举升门门锁执行器连接器部件信息 l12077900l2路 F Metri-Pack 280系列密封(黑色)针号 导线颜色 电路号码 功能A GY (灰色) 295 门锁执行器锁止控制器 BTN (黄褐色)294A门锁执行器解锁控制器连接器部件信息 l15300027l2路 F Metri-Pack 280系列密封(黑色)针号 导线颜色 电路号码 功能A TN (黄褐色) 294A 门锁执行器解锁控制器 BGY (灰色)295A门锁执行器锁止控制器左前门门锁及车外后视镜开关连接器部件信息 l12077900l2路 F Metri-Pack 280系列密封(黑色)针号 导线颜色 电路号码 功能A GY (灰色) 295A 门锁执行器锁止控制器 BTN (黄褐色)294A门锁执行器解锁控制器连接器部件信息l16路M 公制组合150系列(黑色)针号 导线颜色 电路号码 功能1 BK (黑色) 550B 接地2 YE (黄色) 190A 左后视镜折叠马达控制3 L-BU (浅蓝色) 191A 左后视镜折叠马达控制4 RD/WH (红色/白色)840 蓄电池电源5YE88左后视镜电机向上/下控制右前门锁开关(黄色)6 WH (白色) 81 左后视镜电机向右/左控制7 - - -8 - - -9 WH (白色) 881B 右后视镜电机向右/左控制 10 YE (黄色) 1498B 右后视镜电机向上/下控制 11 BK (黑色) 8E 调光12 RD/BK (红色/黑色) 780 左前门门锁开关锁止信号 13 -- -14 OG/BK (橙色/黑色)781 左前门门锁开关解锁信号 15 YE (黄色) 143AA 蓄电池电源 16L-GN(浅绿色)1499A后视镜电机控制连接器部件信息 l12124997 l5路插座(黑色)针号 导线颜色 电路号码功能A GY (灰色) 8B 仪表板灯电源电压 B - - 未用C BK (黑色) 850P 接地DL-BU244右前门门锁开关锁止信号驾驶员门锁开关右前门钥匙锁开关(浅蓝色)ED-BU (深蓝色)245 右前门门锁开关解锁信号连接器部件信息 l12124583l4路 M Metri-Pack 150系列(灰色)针号 导线颜色 电路号码 功能A L-GN (浅绿色) 1123 驾驶员门锁钥匙开关锁止信号B - - 未用C BK (黑色) 550S 接地DPU (紫色)1124驾驶员门锁钥匙开关解锁信号连接器部件信息左前门车窗电机右前门车窗电机针号 导线颜色电路号码 功能A L-GN (浅绿色) 1123A 乘客侧门锁钥匙开关锁止信号B - - 未用C BK (黑色) 850S 接地DPU (紫色)1124A乘客侧门锁钥匙开关解锁信号连接器部件信息 l12129487l 2路 F Metri-Pack 280 系列密封柔性卡头(中灰色) 针号 导线颜色 电路号码 功能A D-BU (深蓝色) 164 左前电动车窗电机向上控制 BBN (棕色)165左前电动车窗电机向下控制左前车窗开关连接器部件信息 l12129487l2路 F Metri-Pack 280 系列密封柔性卡头(中灰色)针号 导线颜色 电路号码 功能A D-BU (深蓝色) 666 右前电动车窗电机向上控制 BBN (棕色)667右前电动车窗电机向下控制连接器部件信息 l15326924l8路 F GT 280(黑色)针号 导线颜色 电路号码 功能A L-BU (浅蓝色) 166B 右前电动车窗总开关向上信号 B GY (灰色) 8C 仪表板灯电源电压 C YE (黄色) 143AB 附件电压D TN (黄褐色)167B 右前电动车窗总开关向下信号 E- -未用BK右前车窗开关车外后视镜(左侧)F (黑色)550D 接地G D-BU (深蓝色) 164 左前电动车窗电机向上控制 HBN (棕色)165左前电动车窗电机向下控制连接器部件信息 l15326924l8路 F GT 280(黑色)针号 导线颜色 电路号码 功能A YE (黄色) 143A 附件电压B GY (灰色) 8D 仪表板灯电源电压C BK (黑色) 850J 接地D TN (黄褐色)167A 右前电动车窗总开关向下信号 E - - 未用F BN (棕色) 667 右前电动车窗电机向下控制G D-BU (深蓝色) 666 右前电动车窗电机向上控制 HL-BU (浅蓝色)166A右前电动车窗总开关向上信号车外后视镜(右侧)连接器部件信息 l12084256l8路M 公制组合150些列(黑色)针号 导线颜色 电路号码功能A WH (白色) 81 左后视镜电机向右控制B L-GN (浅绿色) 1499B 左后视镜电机向下/向左控制C YE (黄色) 88 左后视镜电机向上控制D YE (黄色) 18 制动/转向灯E OG (橙色) 2267 后视镜电阻丝供电电压F BK (黑色) 550M 接地G YE (黄色) 190B 左后视镜折叠马达控制 HL-BU (浅蓝色)191B左后视镜折叠马达控制连接器部件信息l12084256l8路M 公制组合150些列(黑色)左后1/4窗电机 (如装备)右后1/4窗电机 (如装备)针号 导线颜色电路号码 功能A OG/WH (橙色/白色) 881A 右后视镜电机向右控制B L-BU/WH (浅蓝色/白色) 1497A 右后视镜电机向下/向左控制C BN/WH (棕色/白色) 1498A 右后视镜电机向上控制D BU/BK (蓝色/黑色)19 制动/转向灯E OG (橙色) 2267 后视镜电阻丝供电电压F BK (黑色) 850M 接地G L-BU (浅蓝色) 191 右后视镜折叠马达控制 HYE (黄色)190右后视镜折叠马达控制连接器部件信息 l针号 导线颜色 电路号码 功能A PU (紫色) 976B 左后1/4窗关信号 BD-GN (深绿色)975B左后1/4窗开信号车顶组合开关1连接器部件信息 l针号导线颜色 电路号码 功能A TN (棕黄色) 978 右后1/4窗关信号 BL-BU (浅蓝色)977右后1/4窗开信号连接器零件信息 l针 导线颜色 电路编号功能A-C - - 未用 D BK (黑色) 750P 接地 E BN (棕色) 100A 天窗打开信号 F - - 未用 G GY (灰色) 8 调光信号 H - - 未用 J OG (橙色) 110A 天窗关闭信号 K - - 未用LGY (灰色)2616ARPA 停用开关车顶组合开关2-后1/4窗开关总成 (如装备)连接器零件信息 l针 导线颜色 电路编号 功能1 D-GN (深绿色) 975B 左后1/4窗开信号2 PU (紫色) 976B 左后1/4窗关信号3 L-BU (浅蓝色) 977 右后1/4窗开信号4 TN (棕黄色) 978 右后1/4窗关信号5 YE (黄色) 643 电压信号 6BK (黑色)750B搭铁。
8.4.3.2 仪表板、仪表和控制台连接器端视图I/P 多功能开关连接器J1I/P 多功能开关连接器J2针 电路编号导线颜色 功能1 240A OG (橙色) 电源2 1328 OG (橙色) 菜单信号3 1551B BK/WH ( 黑色/白色) 接地4 192 OG (橙色) 前雾灯开关5 1816 OG (橙色) 复位信号l 6 893 PK (粉红色) INFO-Down7 1551K BK/WH (黑色/白色)接地 82144TN (黄褐色)危险警告开关针 电路编号 导线颜色功能GY仪表板组合仪表(IPC)1 8G (灰色)调光信号 2 1327 YE (黄色) Info-UP 3 1571 BN/WH (棕色/白色)TCS 信号 4 34B PU (紫色) 左右雾灯开关信号 5 122C RD (红色) 右后雾灯指示低 61977YE/BK (黄色/黑色)右后雾灯信号l接头零件信息 l15393409l26路F 压杆辅助型(黑色)针 导线颜色 电路编号 功能1 BK/WH (黑色/白色)1551接地2 YE (黄色) 1870B 故障指示灯(MIL)控制 4 BN/WH (棕色/白色)419 故障指示灯(MIL )控制 5 - - 未用6 PK (粉红色) 849 制动液液面传感器信号7 OG (橙色) 1328 驾驶员信息中心菜单信号8OG (橙色)1816驾驶员信息中心Set (设置)/Reset (复位)开关信号9PK(粉红色)893 驾驶员信息中心Down(下)信号10YE(黄色)1327驾驶员信息中心UP(向上)信号11 - - 未用12 RD/WH(红色/白色)1040 蓄电池正极电压13 - - 未用14GY(灰色)8 仪表板灯供电电压15-24- - 未用25GY(灰色)1036 2级串行数据26 - - 未用。
别克GL8商务车散热风扇不转别克GL8商务车是一款商务型大型MPV,无论是在城市还是长途旅游中都受到了广泛的欢迎。
然而,像其他汽车一样,它也可能出现各种故障。
在这篇文章中,我们将重点讨论别克GL8商务车散热风扇不转的一种常见问题。
散热风扇是车辆的一个非常重要的组成部分。
它的作用是把引擎产生的热量转移到车外,保持发动机的正常运转。
如果散热风扇不正常工作,它不仅会导致引擎温度过高,而且可能会导致引擎熄火。
因此,当发现别克GL8商务车的散热风扇不转时,我们必须采取必要措施来维修它。
第一步:检查电源在处理别克GL8商务车散热风扇不转问题时,首先我们需要做的是检查风扇是否接收到电力供应。
为此,我们可以使用万用表测量电压,查看散热风扇与电池之间的连接是否正常。
如果这些连接正常,那么问题可能在风扇电机本身。
第二步:检查散热风扇电机如果电源已经排除了问题,则必须排查散热风扇本身的原因,从而诊断与修复问题。
我们可以通过检查电机线圈、绕组、碳刷等部件来检查散热风扇电机是否正常工作。
这可以通过使用万用表的正负极进行测试,以确定电机是否损坏并需要更换。
第三步:更换散热风扇如果我们发现散热风扇电机已经损坏,那么我们需要更换掉它。
由于散热风扇是一个非常重要的组成部分,因此我们需要确保新风扇没有缺陷。
为此,我们需要购买一个新风扇,并确保它是经过质量检验的,以确保它能够长期安全地工作。
总结:别克GL8商务车散热风扇不转是一种常见的问题,但它会给车主带来很大的麻烦。
如果我们能够按照正确的步骤进行检查和修理,那么我们将能够确保车辆的正常工作和安全。
因此,所有车主都应该在故障发生时及时维修。
如果您对故障维修有疑问,建议您联系经验丰富的汽车维修技术人员。
除了以上三个步骤,如果散热风扇的电源和电机都没有问题,还可能存在其他原因导致散热风扇不转。
第四步:检查散热风扇控制模块在一些新型汽车中,存在一种称为散热风扇控制模块的部件,其作用是管理散热风扇的转速。
发动机冷却系统规格示意图和布线图紧固件紧固规格应用规格公制英制冷却液加热器螺栓/螺钉2牛顿米18磅力英寸冷却风扇螺母6牛顿米53磅力英寸冷却风扇马达螺钉6牛顿米53磅力英寸冷却风扇护罩螺栓6牛顿米53磅力英寸散热器托架螺栓24牛顿米18磅力英尺散热器下空气导流器螺栓20牛顿米15磅力英尺节温器旁通管螺栓11牛顿米98磅力英寸节温器旁通管螺母25牛顿米18磅力英尺节温器壳体螺栓25牛顿米18磅力英尺水泵螺栓10牛顿米89磅力英寸水泵皮带轮螺栓25牛顿米18磅力英尺发动机冷却系统规格应用规格公制英制防冻液DEX-COOL®防冻液与水的比例56%的DEX-COOL®比44%的水冷却液冰点保护-35° C(-32° F)至-45° C(-4° F)冷却系统容量仅前暖风、通风和空调系统(C60)9.1升9.5夸脱前、后暖风、通风和空调系统(C34)11.6升12.1夸脱冷却液回收罐0.99升1夸脱冷却风扇叶片直径360毫米14.1英寸马达类型第II代低壳体永磁冷却风扇示意图(动力系统控制模块)部件定位图冷却系统部件视图发动机室前部图例(1)发动机冷却液风扇马达1(右)连接器(2)发动机冷却液风扇跨接(3)发动机冷却液风扇马达2(左)连接器618232B冷却系统连接器端视图发动机冷却液风扇马达1(右)接头零件信息z12085030针导线颜色电路编号功能A 灰色532接地B白色504发动机冷却液风扇1(右)供电发动机冷却液风扇马达2(左)接头零件信息z12085030针导线颜色电路编号功能A 黑色250接地B浅蓝409发动机冷却液风扇2(左)供电6248962489诊断信息和程序诊断起点从症状开始系统诊断。
利用诊断系统检查,可以识别正确的系统诊断程序和该程序的位置。
查阅说明与操作信息,在出现功能失效时,有助于确定正确的症状诊断程序。
查阅说明与操作信息还助于确定顾客描述的状况是否属于正常操作。
8.3.3.3 电源和接地部件端视图发动机舱盖下保险丝盒C1连接器零件信息l OEM: 15484558l ASM CONN 47-Way F 针导线颜色电路编号功能J1-A1 BN/WH(棕色/白色)419A 故障灯(MIL)控制J1-A2BN/YE(棕色/黄色)473B 高速冷却风扇继电器控制J1-A3BN/WN(棕色/白色)5069 动力总成控制模块继电器控制J1-A4GN/BN(绿色/棕色)59 空调压缩机离合器供电J1-A5 GY/WH( 灰色/ 白色) 459 空调压缩机离合器继电器控制J1-A6GN/PU(绿色/紫色)335A 低速冷却风扇继电器控制J1-A8BN/GY( 棕色/灰色) 17E发动机舱电气中心J1-B5PU/GN(紫色/绿色)839C 发动机控制碳罐吹洗阀J1-C1BN/GY( 棕色/灰色) 17C制动控制(BCM) WH(白色) 17D制动控制(TCM)J1-D1PU/GN(紫色/绿色)839A 进气歧管后氧传感器PK(粉红色)839B进气歧管前氧传感器J1-D2PU/GN(紫色/绿色)839D 进气温度传感器信号J1-D3PU/WH(紫色/白色)239 PCM 点火模块发动机舱盖下保险丝盒C2J1-D4 PU/WH (紫色/白色)639 PCM 燃油喷嘴 J1-D5 PU/GY (紫色/灰色) 39 动力系统控制 J1-E1 PU/BN (紫色/蓝色) 856 ABS 模块 J1-F1 RD/YE (红色/ 黄色) 1442 ABS 模块J1-F2 PU (紫色) 6A 起动继电器触点输出 J1-G1 PU/GN (紫色/绿色) 439 PCM 点火唤醒 J1-G2 PU/GN (紫色/绿色) 1339A 发动机控制变速器阀体 J1-G4 RD/BU (红色/蓝色) 540D 发电机/发动机控制模块 J1-H6 YE/BK (黄色/黑色) 625 起动继电器线圈控制自PCM J1-J3 PU/BN (紫色/棕色) 1141C 附件电源信号J1-K3 GN/GY (绿色/灰色) 465A PCM 燃油泵继电器控制 J1-K4PU/BN (紫色/棕色)1141B附件电源信号连接器零件信息l供应商编号: 15484559lASM CONN 47路 F 插座1.5, 2.8, 6.3针 导线颜色 电路编号 功能J2-A1 L-GN(浅绿色) 2270 后窗清洗泵控制继电器J2-A2 OG (橙色) 228 前窗玻璃洗涤器继电气控制(BCM) J2-A4D-GN(深绿色)392A后雨刮马达控制模块J2-A5 PK/BK(粉红色/黑色)109 前盖微开关信号J2-A7 D-BU/WH(深蓝色/白色)1315 右前转向信号J2-A8 L-BU/WH(浅蓝色/白色)1314 左前转向灯供电J2-B1 RD/WH(红色/白色)2440A 仪表板电气中心J2-B2 BK(黑色) 1650F 接地J2-B3 PU(紫色)92 雨刮马达高速控制J2-B4 BN(棕色)9A 驻车灯供电J2-B5 BK(黑色)1650B 接地J2-C1 YE(黄色) 317 前雾灯继电器控制(BCM) J2-C2 GY(灰色)91 雨刮开关信号2J2-C3 BK(黑色) 1650X 前雾灯继电器控制(接地)J2-C4BK(黑色)860 前雨刮开关信号J2-C8 BN/WH(棕色/白色)419 故障灯控制J2-D1 WH(白色) 17A 驻车灯供电J2-D3 L-GN(浅绿色)526B 驻车灯信号J2-D4D-GN(深绿色)95雨刮马达低速控制J2-E1 RD/BK(红色/黑色)842 仪表板电气中心J2-E2 RD(红色) 242 仪表板电气中心J2-F1RD(红色)642仪表板电气中心J2-G2PK(粉红色)739B 仪表板电气中心739D 安全带未系警报灯J2-G3PK(粉红色)739AA 空调控制头739C 前大灯开关J2-G5PK(粉红色)1139A SDMJ2-H1BK(黑色)28A 喇叭继电器控制(BCM) TN(黄褐色)28B喇叭继电器控制J2-H2 PK/WH(粉红色/白色)1970 前大灯近光继电器控制PK(粉红色)1439 点火继电器J2-H5BK(黑色)1969前大灯继电器控制J2-K4 BN(棕色) 1141C 网关发动机舱盖下保险丝盒C3发动机舱盖下保险丝盒C4J2-K6 BN(棕色)1141B 网关J2-K7D-GN (深绿色)465燃油泵继电器控制信号连接器零件信息l供应商编号:15486516 l 维修:待定lASM CONN 47路 F 插座1.5, 2.8, 6.3针 导线颜色 电路编号 功能J3-A1 BN/YE(棕色/黄色) 5128 冷却风扇继电器供电 J3-A8 D-GN (深绿色) 29A 喇叭控制 D-GN (深绿色) 29B 喇叭控制J3-D1 RD/WH(红色/白色) 342 冷却风扇继电器供电 J3-E1 D-GN/WH (深绿色/白色)711 左前大灯远光灯供电 J3-E2 WH/BK (白色/黑色) 311A 右前大灯远光灯供电 J3-E3 TN/WH (黄褐色/白色)312A 右前大灯近光供电 J3-E4YE (黄色)712左前大灯近光供电仪表板保险丝盒C1连接器零件信息针 导线颜色电路编号 功能J4-A1 D-BU/WH (深蓝色/白色) 1315 右前转向灯供电 J4-A2 L-BU/WH(浅蓝色/白色)1314 左前转向灯供电 J4-A4 BN(棕色) 9A 右前大灯供电 J4-A5 BN(棕色) 9E 左前大灯供电 J4-A7 D-GN(深绿色) 392B 洗涤器电机供电 J4-A8 OG(橙色) 393 洗涤器电机供电 J4-B1 PU(紫色) 34A 后雾灯供电 J4-B2 PK/BK(粉红色/黑色) 109 前盖微开开关信号 J4-B4 RD/WH(红色/白色) 180 右前大灯水平调节控制 J4-B5 RD/WH(红色/白色) 4340 左前大灯水平调节控制 J4-C1 RD/WH(红色/白色) 532 低速冷却风扇供电 J4-C2 RD/WH(红色/白色)342 冷却风扇继电器供电 J4-D1 YE(黄色) 5358 高速冷却风扇供电 J4-D2 L-BU (浅蓝色) 409 中速冷却风扇供电 J4-E3 WH(白色) 2368 冷却风扇继电器供电 J4-E4 BN/YE(棕色/黄色)5128 冷却风扇继电器供电 J4-F8WH(白色)2368冷却风扇继电器供电连接器零件信息l制造商编号:15484559 l 维修:待定l ASM CONN 47路 F 插座1.5, 2.8, 6.3 针 导线颜色 电路编号 功能J1-A2 RD/WH (红色/白色) 1040F 空调控制板 J1-A3 RD/WH (红色/白色)1040B 仪表板控制开关 J1-A4 GY(灰色)8H 调光J1-C11450H燃油泵继电器线圈接地仪表板保险丝盒C2BK(黑色)J1-C2 D-GN/WH (深绿色/白色)465 燃油泵继电器供电 J1-E1 RD (红色) 242 蓄电池正极电压 J1-E2 RD (红色) 642 蓄电池正极电压 J1-F2 RD/BK (红色/黑色) 842 蓄电池正极电压 J1-G2 RD/WH (红色/白色)2340B 数据通信链路 J1-G3 TN (黄褐色) 707 RAP 继电器控制 J1-J1 RD/WH (红色/白色)240 车内灯 OG (橙色) 240A 前雾灯开关 J1-J2 PK (粉红色) 1539 巡航控制开关 J1-J3 RD/WH (红色/白色)340 车外灯(BCM ) J1-J4 WH (白色) 1080 前大灯(BCM ) J1-K1 BN (棕色) 9A 前大灯供电电压 J1-K2 BN (棕色) 9B 牌照灯,左右尾灯 J1-K3 PK(粉红色) 739B 蓄电池电气中心 J1-K4 RD/WH (红色/白色) 1240 倒车灯 J1-K7RD/WH (红色/白色)640BRFA 模块连接器零件信息l供应商编号:15486516 l 维修:待定lASM CONN 47路 F 插座1.5, 2.8, 6.3针 导线颜色 电路编号 功能J2-A1 YE(黄色) 1870 后雾灯继电器控制(BCM) J2-A4GY8Jl右前门锁开关(灰色)l右前车窗开关J2-B1YE(黄色)143电动车窗J2-B2 PU(紫色) 1001 网关J2-B4 RD/WH(红色/白色)840 电动后视镜J2-B5OG(橙色)2267反光镜加热丝供电J2- C5WH(白色)193 后窗除雾器继电器控制(BCM)J2-C8 GY(灰色) 120A 燃油泵继电器触电输出J2-D1 RD/WH(红色/白色)2440A 蓄电池电气中心RD/WH(红色/白色2440B 前雨刮控制J2-D2YE(黄色)643F 收音机YE(黄色643E顶篷控制板开关排J2-D5 RD(红色) 122A 后雾灯供电J2-E2D-GN(深绿色)1927后风扇除雾J2-F2 RD(红色) 442 前部HVAC模块J2-G4 BN(棕色) 641 后空调控制板J2-G5 BN(棕色) 41 前空调控制板J2-H2 OG(橙色) 300 空调继电器控制(BCM) J2-H8 RD/WH(红色/白色)2040E 收音机J2-J3 YE(黄色143D 电窗供电J2-J5 RD/WH(红色/白色)2540B 点烟器J2-K1 RD/WH(红色/白色)440 电动门锁(BCM)J2-K2 YE(黄色) 843B 天窗电源(附件) YE(黄色)843A 后雨刮马达J2-K7PK(粉红色)739CC RPA模块。
图1 继电器及冷却风扇电路图
时,A/C制冷剂压力传感器压力信号突然上升到2 361 kPa,此时PCM 立即启动保护模式,从而使左、右两侧发动机冷却液风扇起动机高速转动[2]。
仔细检查相关线路,没有发现异常。
给该车更换1个新的A/C 制冷剂压力传感器后试车,故障依旧会出现。
查看数据流信息,依然是因为传感器压力突然上升,导致风扇启动。
而正常情况下,车辆的空调管路压力是不可能在1~2 s内上升到2 300 kPa后,又马上恢复到400 kPa的。
再次对相关线路进行检查,并将PCM拆卸下来,断开A/C制冷剂压力传感器之间的相关线路,采用单独连接方式,然后进行试车,发现故障仍然会出现。
直接给A/C制冷剂压力传感器短接一个2 结束语
在这个别克GL8间歇性冷却液温度低时,冷却风扇却高速转动故障案例中,根据故障现象初步判断是A/C制冷剂压力传感器有故障的方向是正确的,但是在查找故障原因上忽略了A/C制冷剂压力传感器搭铁线的故障。
如果A/C制冷剂压力传感器的搭铁线松脱,引起A/C制冷剂压力信号突变,从反复试车时发现急加速和急减速时故障明显,发动机晃动量过大时可能会造成A/C制冷剂压力传感器搭铁线间歇断开。
所以在维修此类故障时,不仅要以逻辑关系作为故障分析的主线,还要善于抓住和故障有关细节,仔细分析才能找出故障部位及原因。
图2 动力系统控制单元电路图。
爱丽舍轿车发动机冷却风扇系统的电路原理如图8-7所示,下面对该原理图说明如下。
1.将点火开关旋至M位,发动机未起动时,因发动机机油压力很低,机油压力开关触点闭合,组合仪表上的水温报警灯和STOP(停车检查)灯同时点亮,水温报警灯的电流走向为:蓄电池+→发动机舱保险盒BF01→点火开关CA00→座舱保险盒F12→组合仪表上的水温报警灯→组合仪表上的二极管→机油压力开关4110→搭铁;STOP灯的电流走向为:蓄电池+→发动机舱保险盒BF01→点火开关CA00→座舱保险盒F2→组合仪表上的STOP灯→组合仪表上的二极管→机油压力开关4110→搭铁。
2.发动机起动运行后,发动机机油上升到1bar以上,机油压力开关中的触点被油压推开,因水温报警灯和STOP灯电流的搭铁回路被切断,二灯同时熄灭。
3.发动机运行时,如水温达到97℃以上,水温传感器4005将此信号传递给发动机ECU,于是发动机ECU就控制风扇继电器1502线圈通电工作,继电器1502线圈的电流走向为:蓄电池+→发动机舱保险盒BF01的F5和F6→密封双继电器1304的触点(注:发动机运行时,密封双继电器一定工作,见学习任务2)→继电器1502的线圈→发动机ECU的48MK4脚→发动机ECU内的电子开关→发动机ECU的48MM4脚→搭铁点MC12;继电器1502线圈通电后,其触点闭合,于是左、右风扇串联通电低速旋转,左、右风扇的电流走向为:蓄电池+→发动机舱保险盒BF01的F4→继电器1502的触点→右风扇1511→继电器1504的触点→继电器1503的5V5和5V4脚→左风扇1512→搭铁点MC10。
4.发动机运行时,如水温达到101℃以上,水温传感器4005将此信号传递给发动机ECU,于是发动机ECU就控制风扇继电器1502、1503和1504的线圈都通电工作,继电器1502线圈的电流走向与上述相同;继电器1504线圈的电流走向:蓄电池+→发动机舱保险盒BF01→点火开关CA00→导线CC4-CMB2-CMB1→继电器1504的线圈→发动机ECU的48MJ4脚→发动机ECU内的电子开关→发动机ECU的48MM4脚→搭铁点MC12;继电器1503线圈的电流走向:蓄电池+→发动机舱保险盒BF01→点火开关CA00→导线CC4-CMB2-CMA→继电器1503的线圈→发动机ECU的48MJ4脚→发动机ECU内的电子开关→发动机ECU的48MM4脚→搭铁点MC12;继电器1502、1503和1504线圈通电后,其触点动作,于是左、右风扇并联通电高速旋转;左风扇1512的电流走向为:蓄电池+→发动机舱保险盒BF01的F3→继电器1503的触点→左风扇1512→搭铁点MC10;右风扇1511的电流走向为:蓄电池+→发动机舱保险盒BF01的F4→继电器1502的触点→右风扇1511→继电器1504的触点→搭铁点MC10。
别克GL8电子扇无规律转动车型:02款GL8 里程:13万KM 故障现象:间歇性水温低,电子扇无故转动!故障解决与分析:维修人员检查未发现异常,仔细检查相关继电器及电子扇线路正常,怀疑应为电脑发出的高速信号,导致电子扇高速转动!(如图)然而检查水温,仅为80度,远远没有达到电子扇转动的条件,为何会高速转动呢?考虑到影响电子扇转动的因素有:水温过高、AC请求信号、AC 压力传感器信号过大等。
于是检查相关数据。
但是因为是偶发故障,此时TECH- 2上显示的相关数据一切正常!如下图反复试车,终于等到了故障出现,此时发现的确是由PCM控制电子扇开始高速运转!但是此时发动机的相关数据却显示正常:ECT-80度、AC 请求信号-否、AC 压力传感器-400KPA!经过仔细试车,突然发现AC 压力传感器数据在正常的400KPA左右,有时会突然上升到2300KPA (如图)!既而PCM就会立即控制电子扇高速运转,原来是PCM检测到AC压力传感器压力突然上升立即启动保护模式起动电子扇的!更换该传感器之后反复试车,然而故障现象依旧存在!观察AC 压力数据,仍然出现突变的电压,而实际上没有打开空调开关,实际的管路压力也不再会短短的1-2秒之内上升到2400KPA,又恢复到400KPA!分析:只可能是线路短路、或PCM内部程序出现问题了!而该车为13 万KM的老款别克GL8,凭经验动力控制模块PCM损坏的机率远远小于线路的可能!于是再次为该车检查线路,此时拆卸出PCM模块,断开AC压力传感器之间的线路,采用单独连接的方式,跨接好相关线束!反复试车发现故障仍然出现,为什么故障发生的机率明显变少了?维修人员决定模拟故障现象,人为的给该压力传感器短接一个5V 电源,结果压力信号突变为3100KPA,既而就出现了起动电子扇高速的现象;而断开该传感器的信号线,信号变为-27KPA!分析:根据故障模拟试验再次说明,故障发生的根源还是发生在信号线对电源短路上,可维修人员都已经单独跨接线束了,怎么还有短路的地方?难道是线路两端的插头进水所致?于是再次检查传感器接头以及PCM端的针脚,还是没有发现进水、脱针等异常!难道是PCM模块内部线路板有虚接?维修人员只好尝试更换一个 PCM,重新进行防盗学习!结果仍然另人大失所望,故障现象还是依旧存在!至此感到许多迷惑,仔细分析该车维修经过,有几点很是令我们不解: 1、单独跨线为什么压力信号还有突变? 2、为什么会信号会突变到4V对应2300KPA,而不是5V对应的 3100KPA? 3、经过反复试车,发现该车在加速、减速时较易出现此情况。