Sobel边缘检测算子
- 格式:docx
- 大小:1.23 MB
- 文档页数:18
halcon边缘检测例子Halcon是一款功能强大的机器视觉库,其边缘检测功能可以帮助我们在图像中找出物体的边缘,从而实现目标检测和分割。
下面将以Halcon边缘检测例子为题,列举一些常用的边缘检测方法和技巧。
一、Sobel算子边缘检测Sobel算子是一种常用的边缘检测算法,它通过计算图像的一阶导数来寻找边缘。
Halcon中可以使用函数SobelA来实现Sobel算子的边缘检测,可以设置不同的参数来调整检测结果的灵敏度。
二、Canny算子边缘检测Canny算子是一种经典的边缘检测算法,它结合了高斯滤波、梯度计算和非最大值抑制等步骤,可以得到更准确的边缘检测结果。
Halcon中可以使用函数EdgesSubPix来实现Canny算子的边缘检测,可以设置不同的参数来调整检测结果的质量和灵敏度。
三、Laplacian算子边缘检测Laplacian算子是一种基于二阶导数的边缘检测算法,它可以检测出图像中的高频变化,从而找到边缘。
Halcon中可以使用函数Laplace来实现Laplacian算子的边缘检测,可以设置不同的参数来调整检测结果的灵敏度。
四、Roberts算子边缘检测Roberts算子是一种简单但有效的边缘检测算法,它通过计算图像中像素点的灰度差来判断是否存在边缘。
Halcon中可以使用函数RobertsA来实现Roberts算子的边缘检测,可以设置不同的参数来调整检测结果的灵敏度。
五、Prewitt算子边缘检测Prewitt算子是一种基于一阶导数的边缘检测算法,它通过计算图像中像素点的灰度变化来寻找边缘。
Halcon中可以使用函数PrewittA来实现Prewitt算子的边缘检测,可以设置不同的参数来调整检测结果的灵敏度。
六、Scharr算子边缘检测Scharr算子是一种改进的Sobel算子,它可以更好地抵抗噪声干扰,提供更准确的边缘检测结果。
Halcon中可以使用函数ScharrA来实现Scharr算子的边缘检测,可以设置不同的参数来调整检测结果的灵敏度。
图像识别中的轮廓提取算法探索引言:图像识别技术如今已经广泛应用于各个领域,其关键之一就是图像中的轮廓提取算法。
轮廓提取的准确与否直接影响到图像识别的效果。
本文将探索图像识别中常用的轮廓提取算法,并对其原理和优缺点进行分析。
一、边缘检测算法边缘检测是图像处理中最基础的一步,是进行轮廓提取的前提。
常用的边缘检测算法有Sobel算子、Laplacian算子和Canny算子等。
1. Sobel算子Sobel算子是一种基于梯度的边缘检测算法,其原理是通过计算每个像素点的梯度值来判断其是否为边缘点。
然后根据梯度值的大小确定边缘的强度,进而提取轮廓。
Sobel算子的优点是计算简单,对噪声鲁棒性强。
但其缺点也较为明显,容易产生边缘断裂的情况,并且对角线边缘检测效果较差。
2. Laplacian算子Laplacian算子是一种基于二阶导数的边缘检测算法,其原理是通过计算图像中每个像素点的二阶导数来判断其是否为边缘点。
Laplacian算子的优点是能够检测出边缘的交叉点,能够更精准地定位边缘。
但其缺点是对噪声比较敏感,容易产生误检。
3. Canny算子Canny算子是一种综合考虑多种因素的边缘检测算法,其原理是通过梯度计算、非极大值抑制和阈值处理来提取目标轮廓。
Canny算子的优点是能够提取清晰且连续的边缘,对噪声抑制效果好。
但其缺点是计算量较大,算法较为复杂。
二、区域生长算法区域生长算法是一种基于种子点的轮廓提取方法,其原理是在图像中选择若干个种子点,然后通过像素点之间的相似性判断来逐渐生长成为一个完整的区域。
区域生长算法的优点是能够提取出连续且相似的轮廓,适用于要求较高的图像识别任务。
但其缺点是对种子点的选择比较敏感,容易受到图像质量和噪声的影响。
三、边缘跟踪算法边缘跟踪算法是一种基于边缘连接的轮廓提取方法,其原理是通过追踪边缘点的连接关系,形成完整的轮廓。
边缘跟踪算法的优点是能够提取出精细的轮廓,并且对噪声抑制效果好。
经典边缘检测算子比较一各种经典边缘检测算子原理简介图像的边缘对人的视觉具有重要的意义,一般而言,当人们看一个有边缘的物体时,首先感觉到的便是边缘。
灰度或结构等信息的突变处称为边缘。
边缘是一个区域的结束,也是另一个区域的开始,利用该特征可以分割图像。
需要指出的是,检测出的边缘并不等同于实际目标的真实边缘。
由于图像数据时二维的,而实际物体是三维的,从三维到二维的投影必然会造成信息的丢失,再加上成像过程中的光照不均和噪声等因素的影响,使得有边缘的地方不一定能被检测出来,而检测出的边缘也不一定代表实际边缘。
图像的边缘有方向和幅度两个属性,沿边缘方向像素变化平缓,垂直于边缘方向像素变化剧烈。
边缘上的这种变化可以用微分算子检测出来,通常用一阶或两阶导数来检测边缘,如下图所以。
不同的是一阶导数认为最大值对应边缘位置,而二阶导数则以过零点对应边缘位置。
(a )图像灰度变化(b )一阶导数(c )二阶导数基于一阶导数的边缘检测算子包括Roberts 算子、Sobel 算子、Prewitt 算子等,在算法实现过程中,通过22⨯(Roberts 算子)或者33⨯模板作为核与图像中的每个像素点做卷积和运算,然后选取合适的阈值以提取边缘。
拉普拉斯边缘检测算子是基于二阶导数的边缘检测算子,该算子对噪声敏感。
一种改进方式是先对图像进行平滑处理,然后再应用二阶导数的边缘检测算子,其代表是LOG 算子。
前边介绍的边缘检测算子法是基于微分方法的,其依据是图像的边缘对应一阶导数的极大值点和二阶导数的过零点。
Canny 算子是另外一类边缘检测算子,它不是通过微分算子检测边缘,而是在满足一定约束条件下推导出的边缘检测最优化算子。
1 Roberts (罗伯特)边缘检测算子景物的边缘总是以图像中强度的突变形式出现的,所以景物边缘包含着大量的信息。
由于景物的边缘具有十分复杂的形态,因此,最常用的边缘检测方法是所谓的“梯度检测法”。
设(,)f x y 是图像灰度分布函数;(,)s x y 是图像边缘的梯度值;(,)x y ϕ是梯度的方向。
【OpenCV】边缘检测:Sobel、拉普拉斯算子转自:/xiaowei_cqu/article/details/7829481边缘边缘(edge)是指图像局部强度变化最显著的部分。
主要存在于目标与目标、目标与背景、区域与区域(包括不同色彩)之间,是图像分割、纹理特征和形状特征等图像分析的重要基础。
图像强度的显著变化可分为:∙阶跃变化函数,即图像强度在不连续处的两边的像素灰度值有着显著的差异;∙线条(屋顶)变化函数,即图像强度突然从一个值变化到另一个值,保持一较小行程后又回到原来的值。
图像的边缘有方向和幅度两个属性,沿边缘方向像素变化平缓,垂直于边缘方向像素变化剧烈.边缘上的这种变化可以用微分算子检测出来,通常用一阶或二阶导数来检测边缘。
(a)(b)分别是阶跃函数和屋顶函数的二维图像;(c)(d)是阶跃和屋顶函数的函数图象;(e)(f)对应一阶倒数;(g)(h)是二阶倒数。
一阶导数法:梯度算子对于左图,左侧的边是正的(由暗到亮),右侧的边是负的(由亮到暗)。
对于右图,结论相反。
常数部分为零。
用来检测边是否存在。
梯度算子 Gradient operators 函数f(x,y)在(x,y)处的梯度为一个向量:计算这个向量的大小为:近似为:梯度的方向角为:Sobel算子sobel算子的表示:梯度幅值:用卷积模板来实现:【相关代码】接口[cpp]view plaincopyprint?1.CV_EXPORTS_W void Sobel( InputArray src, OutputArray dst, int ddepth,2.int dx, int dy, int ksize=3,3.double scale=1, double delta=0,4.int borderType=BORDER_DEFAULT );使用[cpp]view plaincopyprint?1./////////////////////////// Sobe l////////////////////////////////////2./// Generate grad_x and grad_y3.Mat grad_x, grad_y;4.Mat abs_grad_x, abs_grad_y;5./// Gradient X6.//Scharr( src_gray, grad_x, ddepth, 1, 0, scale, delta, BORDER_DEFAULT );7.//Calculates the first, second, third, or mixed image derivatives using an extended Sobel operator.8.Sobel( src_gray, grad_x, ddepth, 1, 0, 3, scale, delta, BORDER_DEFAULT );9.convertScaleAbs( grad_x, abs_grad_x );10./// Gradient Y11.//Scharr( src_gray, grad_y, ddepth, 0, 1, scale, delta, BORDER_DEFAULT );12.Sobel( src_gray, grad_y, ddepth, 0, 1, 3, scale, delta, BORDER_DEFAULT );13.convertScaleAbs( grad_y, abs_grad_y );14./// Total Gradient (approximate)15.addWeighted( abs_grad_x, 0.5, abs_grad_y, 0.5, 0, grad );二阶微分法:拉普拉斯二阶微分在亮的一边是负的,在暗的一边是正的。
sobel算子计算例题Sobel算子是一种常用的边缘检测算法,它能够通过计算图像中像素点的梯度来找到图像中的边缘。
本文将介绍一个使用Sobel算子计算边缘的例子,并拓展讨论Sobel算子的原理和应用。
假设我们有一幅灰度图像,我们想要找到图像中的水平边缘。
首先,我们需要将图像转化为灰度图像,这可以通过常见的方法如将RGB图像的三个通道取平均值来实现。
接下来,我们需要应用Sobel算子来计算每个像素点的梯度。
Sobel算子分为水平和垂直两个方向的算子,分别用于计算像素点在水平方向和垂直方向上的梯度。
在这个例子中,我们只关注水平边缘,所以我们只需要使用水平方向的Sobel算子。
水平方向的Sobel算子如下:```-1 0 1-2 0 2-1 0 1```我们需要将该算子与图像中的每个像素进行卷积运算。
卷积运算的过程是将算子与图像的局部区域进行元素级别的乘法,并将乘积相加,最后得到一个新的像素值。
这个新的像素值表示了该位置上的梯度大小。
我们可以使用以下公式来计算每个像素点的梯度:```Gx = (P1 * -1) + (P2 * 0) + (P3 * 1) +(P4 * -2) + (P5 * 0) + (P6 * 2) +(P7 * -1) + (P8 * 0) + (P9 * 1)```其中,P1到P9表示了图像中某个像素点周围的8个像素点。
计算完所有像素点的梯度之后,我们可以将梯度值进行阈值处理,以确定哪些像素点属于边缘。
一种简单的方法是将梯度值与一个预先设定的阈值进行比较,大于阈值的像素点被认为是边缘点,小于阈值的像素点被认为是非边缘点。
除了边缘检测之外,Sobel算子还可以用于图像的模糊处理、图像增强等。
在图像模糊处理中,我们可以通过计算图像的梯度来减少图像中的高频噪声,从而实现图像的平滑效果。
在图像增强中,我们可以通过增加图像的梯度来强化图像的边缘信息,使图像更加清晰。
总结而言,Sobel算子是一种常用的边缘检测算法,它可以通过计算图像中像素点的梯度来找到图像中的边缘。
cvinvoke.sobel原理Sobel算子是一种常用的边缘检测算法,它利用图像的空间梯度来识别不同区域之间的边界。
本文将详细介绍Sobel算子的原理及其在图像处理中的应用。
第一部分:Sobel算子的背景和原理在介绍Sobel算子之前,我们先来了解一下边缘检测的概念。
边缘通常是图像中颜色、亮度或纹理等视觉特征的突变之处。
在图像处理中,我们经常需要识别和提取出图像中的边缘信息,例如在物体检测、图像分割和特征提取等领域。
Sobel算子是一种基于梯度的边缘检测算法,它利用图像中的亮度变化来寻找边缘。
Sobel算子构建了两个卷积核,分别用于计算图像中水平和垂直方向的梯度。
这两个卷积核分别为:Gx = [-1 0 1 Gy = [-1 -2 -1-2 0 2] 0 0 0-1 0 1] 1 2 1]其中Gx和Gy分别表示水平和垂直方向的梯度运算。
Sobel算子通过将这两个卷积核与图像进行卷积操作,得到了两个梯度图像分量,即水平方向梯度图像和垂直方向梯度图像。
然后,通过对这两个梯度图像进行平方和开方运算,我们可以得到最终的边缘图像。
第二部分:Sobel算子的实现步骤接下来,我们将详细说明Sobel算子的实现步骤。
步骤一:灰度变换在使用Sobel算子进行边缘检测之前,首先需要将原始图像转换为灰度图像。
这是因为灰度图像只包含亮度信息,而不包含颜色信息,这样有助于提取边缘信息。
步骤二:图像卷积接下来,我们需要将卷积核与灰度图像进行卷积操作。
这一步骤可以通过使用卷积运算的公式来实现。
对于每个像素点,我们需要用卷积核中的数值与其周围像素点的数值相乘,并将结果相加,最后再除以一个标准化因子。
这个过程可以通过遍历整个图像来完成,对于每个像素点(i, j):1. 获取像素点(i, j)的8邻域像素值。
2. 用Gx卷积核与该像素点的8邻域进行卷积运算,得到水平方向梯度值Gx(i, j)。
3. 用Gy卷积核与该像素点的8邻域进行卷积运算,得到垂直方向梯度值Gy(i, j)。
图像处理中的边缘检测方法与性能评估边缘检测是图像处理和计算机视觉领域中的一项重要任务。
它主要用于提取图像中物体和背景之间的边界信息,便于后续的图像分割、目标识别和物体测量等应用。
在图像处理领域,边缘被定义为亮度、颜色或纹理等属性上的不连续性。
为了实现准确且可靠的边缘检测,许多不同的方法和算法被提出并广泛应用。
在本文中,我们将介绍几种常见的边缘检测方法,并对它们的性能进行评估。
1. Roberts 算子Roberts 算子是一种基于差分的边缘检测算法,它通过对图像进行水平和垂直方向的差分运算来检测边缘。
这种算法简单且易于实现,但对噪声比较敏感。
2. Sobel 算子Sobel 算子是一种常用的基于梯度的边缘检测算法。
它通过在图像上进行卷积运算,计算像素点的梯度幅值和方向,从而检测边缘。
Sobel 算子可以有效地消除噪声,并在边缘方向上提供更好的响应。
3. Canny 边缘检测Canny 边缘检测是一种经典的边缘检测算法。
它包括多个步骤,包括高斯滤波、计算梯度幅值和方向、非极大值抑制和双阈值处理。
Canny 边缘检测算法具有较高的准确性和鲁棒性,广泛应用于实际图像处理中。
除了以上提到的方法外,还存在许多其他的边缘检测算法,如拉普拉斯算子、积分图像算法等。
这些算法各有优缺点,选择合适的算法需要根据具体应用情况和要求来确定。
对于边缘检测方法的性能评估,通常使用以下几个指标来衡量:1. 精确度精确度是评估边缘检测算法结果与真实边缘之间的差异的指标。
可以通过计算检测结果与真实边缘的重叠率或者平均绝对误差来评估。
2. 召回率召回率是评估边缘检测算法是否能够正确检测到真实边缘的指标。
可以通过计算检测结果中的边缘与真实边缘的重叠率或者正确检测到的边缘像素数量与真实边缘像素数量的比值来评估。
3. 噪声鲁棒性噪声鲁棒性是评估边缘检测算法对图像噪声的抗干扰能力的指标。
可以通过在含有不同噪声水平的图像上进行测试,并比较检测到的边缘结果与真实边缘的差异来评估。
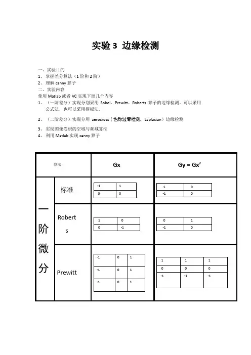
实验3 边缘检测一、实验目的1、掌握差分算法(1阶和2阶)2、理解canny算子二、实验内容使用Matlab或者VC实现下面几个内容1、(一阶差分)实现分别采用Sobel、Prewitt、Roberts算子的边缘检测。
可以采用公式法,也可以采用模板法。
2、(二阶差分)实现分用zerocross(也称过零检测、Laplacian)边缘检测3、实现图像卷积的空域与频域算法4、利用Matlab实现canny算子三、实验程序1.(一阶差分)%% Sobel算子clear;sourcePic=imread('111.jpg');%读取原图像grayPic=mat2gray(sourcePic);%实现图像矩阵的归一化操作[m,n]=size(grayPic);newGrayPic=grayPic;%为保留图像的边缘一个像素sobelNum=0;%经sobel算子计算得到的每个像素的值sobelThreshold=0.8;%设定阈值for j=2:m-1 %进行边界提取for k=2:n-1sobelNum=abs(grayPic(j-1,k+1)+2*grayPic(j,k+1)+grayPic(j+1,k+1)- ..., grayPic(j-1,k-1)-2*grayPic(j,k-1)-grayPic(j+1,k-1))+abs( ...,grayPic(j-1,k-1)+2*grayPic(j-1,k)+grayPic(j-1,k+1)-grayPic(j+1,k-1) ...,-2*grayPic(j+1,k)-grayPic(j+1,k+1));if(sobelNum > sobelThreshold)newGrayPic(j,k)=255;elsenewGrayPic(j,k)=0;endendendfigure,imshow(newGrayPic);title('Sobel算子的处理结果')%% Prewitt算子clear;sourcePic=imread('111.jpg');%读取原图像grayPic=mat2gray(sourcePic);%实现图像矩阵的归一化操作[m,n]=size(grayPic);newGrayPic=grayPic;%为保留图像的边缘一个像素PrewittNum=0;%经Prewitt算子计算得到的每个像素的值PrewittThreshold=0.5;%设定阈值for j=2:m-1 %进行边界提取for k=2:n-1PrewittNum=abs(grayPic(j-1,k+1)-grayPic(j+1,k+1)+grayPic(j-1,k) ...,-grayPic(j+1,k)+grayPic(j-1,k-1)-grayPic(j+1,k-1))+abs ...,(grayPic(j-1,k+1)+grayPic(j,k+1)+grayPic(j+1,k+1)-grayPic(j-1,k-1) ...,-grayPic(j,k-1)-grayPic(j+1,k-1));if(PrewittNum > PrewittThreshold)newGrayPic(j,k)=255;elsenewGrayPic(j,k)=0;endendendfigure,imshow(newGrayPic);title('Prewitt算子的处理结果')%% Roberts算子clear;sourcePic=imread('111.jpg'); %读取原图像grayPic=mat2gray(sourcePic); %实现图像矩阵的归一化操作[m,n]=size(grayPic);newGrayPic=grayPic;%为保留图像的边缘一个像素robertsNum=0; %经roberts算子计算得到的每个像素的值robertThreshold=0.2; %设定阈值for j=1:m-1 %进行边界提取for k=1:n-1robertsNum = abs(grayPic(j,k)-grayPic(j+1,k+1)) + abs(grayPic(j+1,k)-grayPic(j,k+1));if(robertsNum > robertThreshold)newGrayPic(j,k)=255;elsenewGrayPic(j,k)=0;endendendfigure,imshow(newGrayPic);title('roberts算子的处理结果')2.(2阶算子)I=imread('111.jpg'); %读取图像I1=im2double(I); %将彩图序列变成双精度I2=rgb2gray(I1); %将彩色图变成灰色图[thr, sorh, keepapp]=ddencmp('den','wv',I2);I3=wdencmp('gbl',I2,'sym4',2,thr,sorh,keepapp); %小波除噪I4=medfilt2(I3,[9 9]); %中值滤波I5=imresize(I4,0.8,'bicubic'); %图像大小h=fspecial('gaussian',5); %高斯滤波BW=edge(I5,'zerocross',[ ],h); %zerocross 图像边缘提取figure;imshow(BW);title('Zerocross');3.图像卷积的空域与时域算法inimg = imread('cameraman.tif');subplot(131)imshow(inimg), title('Original image')[M,N] = size(inimg); % Original image size%====================================================================h = fspecial('gaussian',25,4); % Gaussian filter%====================================================================% 空域滤波gx = imfilter(inimg,h,'same','replicate'); % 空域图像滤波subplot(132)imshow(gx,[]);title('Spatial domain filtering')%====================================================================% 频域滤波%====================================================================h_hf = floor(size(h)/2); % 空域滤波器半高/宽imgp = padarray(inimg, [h_hf(1),h_hf(2)],'replicate'); % Padding boundary with copying pixelsPQ = 2*size(imgp);Fp = fft2(double(imgp), PQ(1), PQ(2)); % 延拓图像FFTP = PQ(1); Q = PQ(2);center_h = h_hf+1; % 空域小模板h中心位置hp = zeros(P,Q); % 预分配内存,产生P×Q零矩阵hp(1:size(h,1),1:size(h,2)) = h; % h置于hp左上角hp = circshift(hp,[-(center_h(1)-1),-(center_h(2)-1)]); % 循环移位,h中心置于hp左上角%====================================================================Hp = fft2(double(hp)); % hp滤波器做FFT%====================================================================Gp = Hp.*Fp; % 频域滤波gp = real(ifft2(Gp)); % 反变换,取实部gf = gp(h_hf(1)+1:M+ h_hf(1), h_hf(2)+1:N + h_hf(2)); % 截取有效数据subplot(133)imshow(uint8(gf),[]), title('Frequency domain filtering')% 注:以上处理中,频域图像Fp与滤波器Hp均未中心化,因此,返回空域时无需反中心化。
sobel检验原理
Sobel算子是一种图像边缘检测算法,使用它可以识别图像中的边缘信息,分为水平方向和垂直方向两个方向。
此算法的原理是将图像中的每个像素点与其邻域像素点按指定的权值进行加权求和,得到一个新的像素值作为该像素点的边缘强度。
然后,将水平方向和垂直方向的结果进行平方和再开方,即可得到该像素点的最终边缘强度。
具体的,以水平方向为例,对于一个像素点的水平方向边缘强度的计算公式如下:
Gx = P(x-1,y-1)*(-1) + P(x-1,y)*(-2) + P(x-1,y+1)*(-1) + P(x+1,y-1)*(1) + P(x+1,y)*(2) + P(x+1,y+1)*(1)
其中,P(x,y)表示图像中坐标为(x,y)的像素值。
Sobel算子使用了一组预先确定的权值,将该像素点的相邻6个像素点按照权值进行加权求和,从而得到像素点的水平边缘强度。
同理,垂直方向的边缘强度计算公式如下:
然后,将Gx和Gy的平方和进行开方,得到像素点的最终边缘强度:
G = sqrt(Gx^2 + Gy^2)
这样,我们就得到了该像素点的水平和垂直方向的边缘强度,并且将其平方和再开方得到了最终的边缘强度。
Sobel算子通常用于图像的前期处理,例如边界检测、目标检测等。
其优点在于计算简单,效率高,同时能够保留边缘的结构信息。
但是,它也有一定的缺点,例如对于图像噪声比较敏感,容易受到光照变化等因素的影响,误检率较高。
因此,在实际应用中必须针对具体的场景进行参数的调整和优化,才能得到比较好的结果。
matlab形态学腐蚀膨胀sobel算子边缘检测Title: Image Processing with MATLAB: Morphological Erosion, Dilation, and Sobel Edge DetectionMATLAB, a powerful tool for numerical computation and visualization, is widely used in image processing tasks. Among the various operations, morphological erosion and dilation, as well as Sobel edge detection, play crucial roles in extracting meaningful information from images.MATLAB作为一种强大的数值计算和可视化工具,在图像处理任务中得到了广泛应用。
在众多操作中,形态学腐蚀、膨胀以及Sobel边缘检测在从图像中提取有意义信息方面发挥着至关重要的作用。
Morphological erosion is a process that removes pixels from the boundaries of objects in an image, effectively 'shrinking' them. This operation is useful in eliminating small, noisy elements while preserving larger structures.形态学腐蚀是一个过程,它从图像中对象的边界移除像素,从而有效地“缩小”它们。
这种操作在消除小的噪声元素同时保留较大结构方面非常有用。
On the other hand, morphological dilation enlarges objects by adding pixels to their boundaries. This helps to fill small gaps or holes within objects, enhancing their connectivity and visibility.另一方面,形态学膨胀通过向对象边界添加像素来扩大对象。
sobel 算子公式
Sobel算子是一种离散微分算子,用于图像处理中的边缘检测。
它根据像素点上下、左右邻点的灰度差,在边缘处达到极值,以此来检测边缘。
Sobel算子的计算公式如下:
Gx = -1 0 1
-2 0 2
-1 0 1
Gy = 1 2 1
0 0 0
-1 -2 -1
其中,Gx和Gy分别表示x方向和y方向的梯度。
对于图像中的每个像素,我们可以使用这两个矩阵来计算其在x和y方向上的梯度。
梯度的幅度和方向可以通过以下公式计算:
G = sqrt(Gx^2 + Gy^2)
θ = atan2(Gy, Gx)
其中,G表示梯度的幅度,θ表示梯度的方向。
在边缘检测中,我们通常只关心幅度值,因为幅度值在边缘处会达到最大值。
因此,我们可以通过阈值化来提取边缘,即将幅度值大于某个阈值的像素标记为边缘像素。
边缘检测是计算机视觉和图像处理中的一项重要任务,它用于识别图像中物体的边界或不同区域之间的边缘。
边缘检测算法通过检测图像中像素强度的快速变化来工作。
以下是一些常用的边缘检测算法:Sobel算子:Sobel边缘检测算法是一种基于一阶导数的离散微分算子,它结合了高斯平滑和微分求导。
Sobel算子对噪声具有平滑作用,提供较为精确的边缘方向信息,但边缘定位精度不够高。
当对精度要求不是很高时,是一种较为常用的边缘检测方法。
Prewitt算子:Prewitt算子是一种一阶微分算子的边缘检测,利用像素点上下、左右邻点的灰度差,在边缘处达到极值检测边缘,去掉部分伪边缘,对噪声具有平滑作用。
其原理是在图像空间利用两个方向模板与图像进行邻域卷积来完成的,这两个方向模板一个检测水平边缘,一个检测垂直边缘。
Canny算子:Canny边缘检测算法是John F. Canny于1986年开发出来的一个多级边缘检测算法。
Canny的目标是找到一个最优的边缘检测算法,最优边缘检测的含义是:好的检测- 算法能够尽可能多地标识出图像中的实际边缘,漏检真实边缘的情况和误检非边缘轮廓的情况都最少。
Laplacian算子:Laplacian算子是一种二阶导数算子,具有旋转不变性,可以满足不同走向的图像边缘锐化要求。
通常其算子的系数之和需要为零。
由于拉普拉斯算子对噪声比较敏感,所以图像一般先经过平滑处理,因为平滑处理会用到拉普拉斯算子,所以通常将平滑处理的过程和拉普拉斯锐化处理的过程合并在一起做,此时平滑处理的滤波器又称为掩模。
Roberts算子:Roberts算子又称为交叉微分算法,它是基于2x2的邻域计算差分的方法。
Roberts算子采用对角线方向相邻两像素之差近似梯度幅值检测边缘。
这些算法各有优缺点,选择哪种算法取决于具体的应用场景和需求。
例如,Canny算子通常被认为是边缘检测的最优算法,但它在计算上可能比Sobel或Prewitt算子更复杂。
像处理中的边缘增强算法图像处理领域中的边缘增强算法在数字图像的边缘检测和图像分割中起着至关重要的作用。
边缘增强算法能够通过突出图像中的边缘特征,提高图像的清晰度和对比度,使得图像在视觉上更加吸引人。
本文将介绍几种常见的边缘增强算法,包括Sobel算子、拉普拉斯算子、Canny算子以及边缘增强的应用场景。
一、Sobel算子Sobel算子是一种基于图像的梯度运算来进行边缘检测的算法。
它通过计算图像中像素点周围的灰度梯度,来确定边缘的位置和方向。
Sobel算子主要通过逐像素的卷积操作来实现,分别计算水平和垂直方向的梯度值,然后将它们进行合并。
Sobel算子能够提取出图像中的边缘信息,但它对于噪声的敏感性较高。
二、拉普拉斯算子拉普拉斯算子是一种基于二阶微分的边缘检测算法。
它通过计算图像中像素点的亮度变化,来确定边缘的位置。
拉普拉斯算子主要通过二阶微分运算来实现,在图像中的每个像素点上计算出其邻域的二阶导数值,然后通过阈值处理来确定是否为边缘。
拉普拉斯算子对于噪声具有一定的平滑效果,但在一些情况下可能会导致边缘的断裂。
三、Canny算子Canny算子是一种多阶段的边缘检测算法,它能够有效地提取出图像中的边缘信息。
Canny算子的主要步骤包括高斯模糊、计算梯度、非极大值抑制和双阈值检测。
首先,通过高斯模糊来平滑图像,减少噪声的影响。
然后,计算图像中像素点的梯度和方向,通过非极大值抑制来确定梯度的最大值,并筛选出边缘像素。
最后,通过设置合适的阈值,将强边缘和弱边缘进行分类。
Canny算子能够得到精确的边缘位置,并且对于噪声有较强的抑制能力。
四、边缘增强的应用场景边缘增强算法在许多图像处理应用中都有广泛的应用。
例如,边缘增强可以用于提高图像的清晰度和对比度,使得图像更加美观。
此外,边缘增强还可以用于目标检测和图像分割等任务。
通过提取图像中的边缘信息,可以更好地识别和定位目标物体,实现自动化的图像分析和理解。
综上所述,边缘增强算法在图像处理中具有重要的作用。
基于八方向Sobel算子的边缘检测系统设计基于八方向Sobel算子的边缘检测系统设计1. 引言图像处理是计算机视觉和图像分析等领域中的一个重要研究方向。
在图像处理中,边缘检测是一项基本任务,它的目标是从图像中提取出物体的边缘信息。
边缘作为物体的分界线,在计算机视觉和图像分析中具有重要的意义。
然而,由于图像中存在着噪声和其他干扰因素,如光照变化等,边缘的检测并不容易。
2. Sobel算子介绍Sobel算子是一种经典的边缘检测算法,其原理是通过计算像素点周围像素灰度值的差异来找出边缘。
Sobel算子将图像中的每个像素点作为中心点,与其周围的像素进行卷积运算,得到水平和垂直方向上的边缘强度。
然后通过对水平和垂直边缘强度的合并,可以得到图像中的边缘信息。
3. 八方向Sobel算子的改进传统的Sobel算子只能检测出水平和垂直方向上的边缘,对于斜方向上的边缘则不够敏感。
为了提高边缘检测的效果,我们对Sobel算子进行了改进,设计了八方向Sobel算子。
八方向Sobel算子可以更好地检测出图像中的斜方向边缘,使得边缘检测的结果更加准确。
4. 边缘检测系统设计基于八方向Sobel算子的边缘检测系统由以下几个模块组成:图像输入模块、预处理模块、八方向Sobel算子模块和边缘检测结果显示模块。
4.1 图像输入模块图像输入模块用于从外部读取图像数据,可以支持不同格式的图像文件,如JPEG、PNG等。
用户可以通过该模块选择并加载需要进行边缘检测的图像。
4.2 预处理模块预处理模块用于对输入图像进行预处理,以便更好地适应边缘检测算法的要求。
主要的预处理操作包括图像灰度化、图像平滑和图像尺寸归一化。
4.3 八方向Sobel算子模块八方向Sobel算子模块是系统的核心模块,它实现了八方向Sobel算子的计算。
该模块通过对图像的每个像素点进行八方向Sobel算子的卷积运算,得到水平和垂直方向上的边缘强度。
4.4 边缘检测结果显示模块边缘检测结果显示模块用于将边缘检测的结果显示出来,以便用户观察和分析。
八方向sobel算子边缘检测matlab八方向 Sobel 算子是一种常用的边缘检测算法,它通过对图像进行梯度计算,提取出边缘信息。
在 Matlab 中,可以使用 Sobel 算子进行边缘检测,具体步骤如下:1. 加载图像:使用 Matlab 内置的图像读取函数,例如`imread`来加载图像。
2. 梯度计算:使用 Matlab 中的`梯度`函数,对图像进行梯度计算。
具体来说,可以使用 Sobel 算子对应的内核进行梯度计算,例如`sobel()`函数可以计算水平方向的梯度,`shearx()`函数可以计算垂直方向的梯度。
3. 边缘检测:使用 Matlab 中的边缘检测函数,例如`borderspace`函数进行边缘检测。
具体来说,可以使用 Sobel 算子对应的内核进行边缘检测,例如`sobel()`函数可以检测水平方向的边缘,`shearx()`函数可以检测垂直方向的边缘。
下面是一个简单的 Matlab 代码示例,演示了如何使用八方向Sobel 算子进行边缘检测:```matlab% 加载图像img = imread("image.png");% 计算梯度grad = sobel(img);% 边缘检测bw = borderspace(grad, 5);% 显示结果figure, imshow(img);figure, imshow(bw);```在以上代码中,首先使用`imread`函数加载图像,然后使用`sobel()`函数计算梯度,最后使用`borderspace`函数进行边缘检测,并将结果显示在屏幕上。
需要注意的是,在使用八方向 Sobel 算子进行边缘检测时,需要对图像进行梯度计算,从而得到图像的梯度信息。
同时,为了进行边缘检测,需要对梯度信息进行膨胀操作,从而扩大差异,找到边缘。
sobel、prewitt、roberts边缘检测方法的原理Sobel、Prewitt、Roberts边缘检测方法是三种重要的边缘检测方法,用于图像处理中的目标探测、图像分割等应用中,其原理及实现方法也极其重要。
本文将详细阐述Sobel、Prewitt和Roberts三种边缘检测方法的原理,并介绍它们在实际应用中的优势和不足。
一、Sobel边缘检测方法的原理Sobel边缘检测方法是基于拉普拉斯算子的一种边缘检测方法。
它在基于图像灰度密度函数的基础上,采用不同的滤波模板,对图像的指定的位置用微分操作,计算图像像素点灰度值变化的大小,从而提取图像边缘信息,检测图像中出现的边缘。
Sobel算子是由一个3x3窗口内图像像素组成,采用一个简单的二阶导数来实现,其对应的模板为:Gx=[[-1, 0, 1], [-2, 0, 2], [-1, 0, 1]]Gy=[[-1, -2, -1], [0, 0, 0], [1, 2, 1]]使用这两个模板分别做X、Y方向上的微分计算,其微分结果用以下公式计算:G(x,y)=√(Gx(x,y)^2+Gy(x,y)^2)使用Sobel边缘检测法的步骤主要有,首先使用模板Gx、Gy对原图像做窗口移动,计算对应的每个像素点的梯度值;接着使用阈值处理得到的梯度值,以利用连通域的思想,将不同水平的梯度值精确标定;最后,可以用梯度值来进行边缘检测,以及图形分割等应用。
二、Prewitt边缘检测方法的原理Prewitt边缘检测方法是一种基于梯度计算的边缘检测方法,它是对Sobel算子的改进,采用比Sobel算子更底层的模板,它的模板为:Gx=[[-1, 0, 1], [-1, 0, 1], [-1, 0, 1]]Gy=[[-1, -1, -1], [0, 0, 0], [1, 1, 1]]两个模板分别做X、Y方向上的微分计算,其微分结果用以下公式计算:G(x,y)=√(Gx(x,y)^2+Gy(x,y)^2)Prewitt算子比Sobel算子要简单,它不需要计算图像像素点灰度值变化的大小,可以很快地检测图像中出现的边缘,而且由于采用的简单模板,可以更好地抑制噪声和处理带有高斯噪声的图像,并且可以获得较好的实时性能。
基于Sobel算子的图像边缘检测研究一、本文概述图像边缘检测是计算机视觉和图像处理领域中的关键任务之一,其目标在于识别并提取图像中物体的轮廓和边界,以便进行进一步的分析和理解。
在众多边缘检测算法中,Sobel算子因其简单、高效和鲁棒性强的特点而备受关注。
本文旨在深入研究基于Sobel算子的图像边缘检测算法,分析其原理、特点、应用以及存在的挑战,并提出相应的改进策略。
本文将介绍Sobel算子的基本原理和计算过程,包括卷积核的构建、图像梯度的计算以及边缘的判定等。
然后,通过对比实验,分析Sobel算子在不同类型图像(如灰度图像、彩色图像、噪声图像等)上的边缘检测效果,评估其性能优劣。
接着,本文将探讨Sobel算子在实际应用中的优缺点,分析其在不同场景下的适用性和限制。
在此基础上,本文还将介绍一些改进Sobel算子的方法,如结合其他边缘检测算法、引入多尺度分析、利用机器学习技术等,以提高边缘检测的准确性和鲁棒性。
本文将对基于Sobel算子的图像边缘检测算法进行总结和展望,指出未来的研究方向和应用前景。
通过本文的研究,希望能够为图像边缘检测领域的发展提供有益的参考和启示。
二、Sobel算子理论基础Sobel算子是一种常用的边缘检测算子,它基于图像亮度的一阶或二阶导数变化来检测边缘。
Sobel算子通过计算图像中每个像素点周围区域的亮度梯度,来确定该像素点是否位于边缘上。
这种方法对于检测图像中的水平和垂直边缘特别有效。
Sobel算子是一种离散微分算子,它结合了高斯平滑和微分求导。
它包含两组3x3的卷积核,分别用于检测水平和垂直方向上的边缘。
当将这两组卷积核与图像进行卷积运算时,可以得到两个输出图像,分别表示水平和垂直方向上的亮度梯度。
在Sobel边缘检测算法中,首先使用高斯滤波器对原始图像进行平滑处理,以减少噪声对边缘检测结果的影响。
然后,使用Sobel算子对平滑后的图像进行卷积运算,得到水平和垂直方向上的亮度梯度。
经典边缘检测算子比较一 各种经典边缘检测算子原理简介图像的边缘对人的视觉具有重要的意义,一般而言,当人们看一个有边缘的物体时,首先感觉到的便是边缘。
灰度或结构等信息的突变处称为边缘。
边缘是一个区域的结束,也是另一个区域的开始,利用该特征可以分割图像。
需要指出的是,检测出的边缘并不等同于实际目标的真实边缘。
由于图像数据时二维的,而实际物体是三维的,从三维到二维的投影必然会造成信息的丢失,再加上成像过程中的光照不均和噪声等因素的影响,使得有边缘的地方不一定能被检测出来,而检测出的边缘也不一定代表实际边缘。
图像的边缘有方向和幅度两个属性,沿边缘方向像素变化平缓,垂直于边缘方向像素变化剧烈。
边缘上的这种变化可以用微分算子检测出来,通常用一阶或两阶导数来检测边缘,如下图所以。
不同的是一阶导数认为最大值对应边缘位置,而二阶导数则以过零点对应边缘位置。
(a )图像灰度变化 (b )一阶导数 (c )二阶导数基于一阶导数的边缘检测算子包括Roberts 算子、Sobel 算子、Prewitt 算子等,在算法实现过程中,通过22⨯(Roberts 算子)或者33⨯模板作为核与图像中的每个像素点做卷积和运算,然后选取合适的阈值以提取边缘。
拉普拉斯边缘检测算子是基于二阶导数的边缘检测算子,该算子对噪声敏感。
一种改进方式是先对图像进行平滑处理,然后再应用二阶导数的边缘检测算子,其代表是LOG 算子。
前边介绍的边缘检测算子法是基于微分方法的,其依据是图像的边缘对应一阶导数的极大值点和二阶导数的过零点。
Canny 算子是另外一类边缘检测算子,它不是通过微分算子检测边缘,而是在满足一定约束条件下推导出的边缘检测最优化算子。
1 Roberts (罗伯特)边缘检测算子景物的边缘总是以图像中强度的突变形式出现的,所以景物边缘包含着大量的信息。
由于景物的边缘具有十分复杂的形态,因此,最常用的边缘检测方法是所谓的“梯度检测法”。
设(,)f x y 是图像灰度分布函数;(,)s x y 是图像边缘的梯度值;(,)x y ϕ是梯度的方向。
则有 [][]{}1222(,)(,)(,)(,)(,)s x y f x n y f x y f x y n f x y =+-++- (1)(n=1,2,...) [][]{}1(,)tan (,)(,)/(,)(,)x y f x y n f x y f x n y f x y ϕ-=+-+- (2)式(1)与式(2)可以得到图像在(x,y )点处的梯度大小和梯度方向。
将式(1)改写为:{}1222(,)g x y =+ (3)(,)g x y 称为Roberts 边缘检测算子。
式中对(,)f x y 等的平方根运算使该处理类似于人类视觉系统的发生过程。
事实上Roberts 边缘检测算子是一种利用局部差分方法寻找边缘的算子,Robert 梯度算子所采用的是对角方向相邻两像素值之差,所以用差分代替一阶偏导,算子形式可表示如下:(,)(,)(1,1)(,)(1,)(,1)x yf x y f x y f x y f x y f x y f x y ∆=---⎧⎪⎨∆=---⎪⎩ (4)上述算子对应的两个22⨯模板如图(A )所示。
实际应用中,图像中的每个像素点都用这两个模板进行卷积运算,为避免出现负值,在边缘检测时常提取其绝对值。
(a )图(A )Robert 算子模板2 Sobel (索贝尔)边缘检测算子该算子是由两个卷积核1(,)g x y 与2(,)g x y 对原图像(,)f x y 进行卷积运算而得到的。
其数学表达式为:121111(,)(,)(,),(,)(,)M N M Nm n m n S x y MAX f m n g i m j n f m n g i m j n ====⎡⎤=----⎢⎥⎣⎦∑∑∑∑(5)实际上Sobel 边缘算子所采用的算法是先进行加权平均,然后进行微分运算,我们可以用差分代替一阶偏导,算子的计算方法如下:[][][][](,)(1,1)2(,1)(1,1)(1,1)2(,1)(1,1)(,)(1,1)2(1,)(1,1)(1,1)2(1,)(1,1)x y f x y f x y f x y f x y f x y f x y f x y f x y f x y f x y f x y f x y f x y f x y ⎧∆=-++++++---+-++-⎪⎨∆=--+-+-+-+-+++++⎪⎩ (6)Sobel 算子垂直方向和水平方向的模板如图(B )所示,前者可以检测出图像中的水平方向的边缘,后者则可以检测图像中垂直方向的边缘。
实际应用中,图像中的每一个像素点都用这两个卷积核进行卷积运算,取其最大值作为输出。
运算结果是一幅体现边缘幅度的图像。
(a ) (b ) 图(B )Sobel 算子模板3 Prewitt (普瑞维特)边缘检测算子Prewitt 边缘检测算子就是一种利用局部差分平均方法寻找边缘的算子,它体现了三对像素点像素值之差的平均概念,因为平均能减少或消除噪声,为此我们可以先求平均,再求差分,即利用所谓的平均差分来求梯度。
用差分代替一阶偏导可得算子形式如下:[][][][](,)(1,1)(,1)(1,1)(1,1)(,1)(1,1)(,)(1,1)(1,)(1,1)(1,1)(1,)(1,1)x y f x y f x y f x y f x y f x y f x y f x y f x y f x y f x y f x y f x y f x y f x y ⎧∆=+++++-+-+-+-+--⎪⎨∆=--+-+-+-+-+++++⎪⎩ (7) Prewitt 边缘检测算子的两个模板如图(C )所示,它的使用方法同Sobel 算子一样,图像中的每个点都用这两个核进行卷积,取得最大值作为输出。
Prewitt 算子也产生一幅边缘图像。
(a ) (b ) 图(C )Prewitt 算子模板4 Laplacian (拉普拉斯)边缘检测算子对于阶跃状边缘,其二阶导数在边缘点出现过零交叉,即边缘点两旁的二阶导数取异号,据此可以通过二阶导数来检测边缘点。
拉普拉斯边缘检测算子正是对二维函数进行二阶导数运算的标量算子,它的定义是:22222(,)(,)(,)f x y f x y f x y x y∂∂∇=+∂∂ (8)用差分代替二阶偏导时,与前述三个一阶导数算子不同,拉普拉斯算子的形式可表示如下:22(,)(1,)(1,)(,1)(,1)4(,)(,)(1,1)(,1)(1,1)(1,)(1,)(1,1)(,1)(1,1)8(,)f x y f x y f x y f x y f x y f x y f x y f x y f x y f x y f x y f x y f x y f x y f x y f x y ⎧∆=++-+++--⎪⎨∆=--+-++-+-++⎪⎩+-++++++-(9)拉普拉斯边缘检测算子的模板如图(D )所示,模板的基本特征是中心位置的系数为正,其余位置的系数为负,且模板的系数之和为零。
它的使用方法是用图中的两个点阵之一作为卷积核,与原图像进行卷积运算即可。
拉普拉斯算子又是一个线性的移不变算子,它的传递函数在频域空间的原点为零,因此,一个经拉普拉斯滤波过的图像具有零平均灰度。
拉普拉斯检测模板的特点是各向同性,对孤立点及线端的检测效果好,但边缘方向信息丢失,对噪声敏感,整体检测效果不如梯度算子。
因此,它很少直接用于边缘检测。
但注意到与Sobel 算子相比,对图像进行处理时,拉普拉斯算子能使噪声成分得到加强,对噪声更敏感。
(a ) (b ) 图(D )Laplace 算子模板5 Marr-Hildreth (马尔)边缘检测算子实际应用中,由于噪声的影响,对噪声敏感的边缘检测点检测算法(如拉普拉斯算子法)可能会把噪声当边缘点检测出来,而真正的边缘点会被噪声淹没而未检测出。
为此Marr 和Hildreth 提出了马尔算子,因为是基于高斯算子和拉普拉斯算子的,所以也称高斯-拉普拉斯(Laplacian of Gaussian,LoG )边缘检测算子,简称LoG 算子。
该方法是先采用高斯算子对原图像进行平滑又降低了噪声,孤立的噪声点和较小的结构组织将被滤除由于平滑会导致边缘的延展,因此在边缘检测时仅考虑那些具有局部最大值的点为边缘点,这一点可以用拉普拉斯算子将边缘点转换成零交叉点,然后通过零交叉点的检测来实现边缘检测。
所谓零交叉点就是:如果一个像素处的值小于一0θ,而此像素8-连通的各个像素都是大于0θ (0θ是一个正数),那么这个像素就是零交叉点。
这样还能克服拉普拉斯算子对噪声敏感的缺点,减少了噪声的影响。
二维高斯函数为222(,)()2x y h x y exp σ+=-(10) 则连续函数(,)f x y 的LoG 边缘检测算子定义为[]2(,)(,)(,)G x y h x y f x y =-∇*2(,)*(,)h x y f x y ⎡⎤=-∇⎣⎦(,)*(,)H x y f x y = (11)222242(,)(,)exp()2r r H x y h x y σσσ-=-∇=- (12)其中222,r x y σ=+是标准差。
算子(,)H x y 是一个轴对称函数,其横截面如图(E )所示。
由于它相当的平滑,能减少噪声的影响,所以当边缘模糊或噪声较大时,利用(,)H x y 检测过零点能提供较可靠的边缘位置。
图(E )H (x,y )的截面图LoG 算子在(x,y )空间具有以原点为中心旋转的对称性,LoG 滤波器具有如下三个显著特点: ✧ 该滤波器中的高斯函数部分对图像具有平滑作用,可有效地消除尺度远小于高斯分布因子σ的噪声信号。
✧ 高斯函数在空域和频域内都具有平滑作用。
✧ 该滤波器采用拉普拉斯算子2∇可以减少计算量。
马尔算子用到的卷积模板一般比较大(典型半径为8-32个像素),不过这些模板可以分解为一维卷积来快速计算。
常用的LoG 算子是55⨯模板,如图(F )。
与其他边缘检测算子一样,LoG 算子也是先对边缘做出假设,然后再这个假设下寻找边缘像素。
但LoG 算子对边缘的假设条件最少,因此它的应用范围更广。
另外,其他边缘检测算子检测得到的边缘时不连续的,不规则的,还需要连接这些边缘,而LoG 算子的结果没有这个缺点。
对于LoG 算子边缘检测的结果可以通过高斯函数标准偏差σ来进行调整。
即σ值越大,噪声滤波效果越好,但同时也丢失了重要的边缘信息,影响了边缘检测的性能;σ值越小,又有可能平滑不完全而留有太多的噪声。
因此,在不知道物体尺度和位置的情况下,很难准确确定滤波器的σ值。