XFD型系列单槽式浮选机说明书
- 格式:doc
- 大小:339.50 KB
- 文档页数:2
xfd型系列单槽浮选机工作原理xfd型系列单槽浮选机工作原理:一、浮选机概述浮选机是一种用于矿石浮选的重要设备,广泛应用于金属矿山、黑色金属矿山和非金属矿山等领域。
xfd型系列单槽浮选机是目前常用的浮选机之一,具有结构简单、操作方便、适应性强等特点。
下面将详细介绍xfd型系列单槽浮选机的工作原理。
二、浮选机工作原理xfd型系列单槽浮选机主要由机体、槽体、搅拌装置、气体充放系统和排渣装置等组成。
其工作原理是利用气泡和矿石颗粒间的附着和上升速度差异来实现矿物的分离。
具体分为以下几个步骤:进料、搅拌、吸附、气泡浮降、排渣。
1. 进料矿石经过破碎、磨矿等工艺,得到一定粒度的矿石浆料后,通过进料口输入到浮选槽中。
进料过程中,浮选机将矿石浆料均匀地分布到槽体中,确保后续的各个步骤能够顺利进行。
2. 搅拌搅拌是浮选过程中非常重要的一步,可以将矿石浆料与药剂充分混合,提高浮选的效果。
xfd型系列单槽浮选机通过搅拌装置提供的搅拌力,使矿石浆料和药剂产生强烈的搅拌和剪切作用,使其充分混合。
3. 吸附在搅拌的同时,向浮选槽中加入适量的药剂,如捕收剂和起泡剂。
捕收剂可以与矿石表面形成化学吸附层,而起泡剂则可以生成气泡。
捕收剂的选择要根据矿石的类型和浮选目标来确定,起泡剂的选择要根据浮选机的工作条件来确定。
4. 气泡浮降通过气体充放系统,将一定压力的气体输入到浮选槽中,气泡在槽内形成,并附着在矿石颗粒上,使其上浮。
由于矿石表面与气泡之间的附着力和密度差异,不同矿物的浮选速度也会有所不同。
轻质的矿物会更容易上浮,而重质的矿物则下沉到槽底。
5. 排渣在浮选过程中,排渣是非常关键的一步。
浮选槽的底部设有排渣装置,可以将底部的沉积物及时清除,保持浮选槽内的清洁状态,避免影响后续的浮选效果。
排渣装置通常采用手动或自动控制,具有排渣效率高、操作简单等特点。
三、浮选机工作过程xfd型系列单槽浮选机的工作过程可以总结为进料、搅拌、吸附、气泡浮降和排渣五个连续步骤。
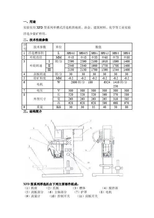
一、用途实验室用XFD型系列单槽式浮选机供地质、冶金、建筑材料、化学等工业实验浮选少量矿样用。
二、技术性能参数序号技术参数单位数值1 浮选槽容积L XFD-0.5 X F D-0.75 XFD-1 XFD-1.5 XFD-3 XFD-82 叶轮直径MM Φ45Φ45Φ55Φ60Φ70Φ803叶轮转速I 转/分2590 2590 2100 1910 1890 1400 II 2340 2340 1900 1750 1708 1400 III 2130 2130 1700 1590 1544 14004 刮板转速转/分30 30 30 30 30 305 给矿粒度MM -0.2 -0.2 -0.2 -0.2 -0.2 -0.26电机W 2800转/分180 **** ****转/分2507 电压V 380 380 380 380 380 3808外型尺寸长520 520 520 560 570 580 宽263 263 263 265 310 505 高628 628 628 590 668 9709 重量KG 30 30 35 40 50 80三、结构简介XFD型系列浮选机由下列主要部件组成:(1)机座(2)托板(3)槽体(4)搅拌部(5)刮板部分(6)主轴部分(7)护罩(8)电机(9)流量计(10)控制开关(11)刮板开关四、操作顺序1、按规定接好电源;2、试开机检查主轴转动方向,须顺时针方向旋转,若不是,则应调换电源相序,使电机顺时针方向旋转后才可开始工作。
先将矿样与水混合后倒进槽中,启动电机,主轴转动,槽中叶轮即开始搅拌,然后将阀门打开进行充气,加入所需剂之后,即可形成泡沫,接通刮板电动机开关使刮板旋转。
则泡沫可被刮出槽口,料盒置于工作台上,将刮出的泡沫处理后,即可得到所需矿种。
五、操作与维护1、在每次工作之前,要先检查看槽中有无东西卡阻,叶轮是否脱落及皮带的搭配、螺钉的联接等,然后才开始工作。
xfd -ⅱ型单槽浮选机工作原理1. 前言xfd -ⅱ型单槽浮选机是一种常用的选矿设备,广泛应用于金属矿、黑色金属矿、有色金属矿的浮选工艺中。
它通过提供气泡和矿浆的适当搅拌,使矿粒与气泡充分接触,从而实现矿石和有用矿物的分离。
在本文中,我们将深入探讨xfd -ⅱ型单槽浮选机的工作原理,帮助读者更好地理解这一重要的选矿设备。
2. 浮选机的基本结构xfd -ⅱ型单槽浮选机通常由槽体、槽体盖、旋转鼓、动力系统、搅拌装置、气泡生成装置等部分组成。
其工作原理主要包括气泡生成、气泡与矿浆的混合、矿浆搅拌和矿物分离等环节。
3. 气泡生成在浮选过程中,气泡起着至关重要的作用,它们与矿浆中的矿物颗粒发生作用,使有用矿物与废石相互分离。
气泡通常是通过气泡生成装置产生的,利用空气或其他气体将其注入浮选槽中。
在槽体底部通常设有适当的气泡生成装置,用于产生足够密集的气泡,以确保与矿浆中的矿物颗粒充分接触。
4. 气泡与矿浆的混合一旦气泡进入浮选槽,它们将与矿浆中的矿物颗粒发生接触。
由于气泡比矿浆的密度小,它们会沿着上升的方向移动,并与矿浆中的矿物颗粒附着在一起。
这种气泡与矿浆的混合是浮选过程中十分关键的一步,决定了后续矿物分离的效果。
5. 矿浆搅拌为了确保气泡与矿浆充分混合,浮选槽通常配备了搅拌装置。
搅拌装置通过旋转鼓或其他机械装置,将矿浆和气泡进行适当的搅拌和混合,以增加矿物颗粒与气泡的接触面积,提高浮选效果。
6. 矿物分离经过气泡与矿浆的混合和搅拌后,矿浆中的有用矿物与气泡附着在一起,随着气泡的上升,形成浮力,使有用矿物浮出到矿浆表面,然后通过槽体表面的集中槽或接泡器收集,最终实现矿物的分离和回收。
7. 总结与展望通过本文的介绍,相信读者对xfd -ⅱ型单槽浮选机的工作原理有了更深入的了解。
浮选机作为选矿设备中的重要工艺装备,在矿石的选矿过程中发挥着不可替代的作用。
随着科技的不断进步,浮选机的工作原理和结构也在不断完善和创新,为矿石的选矿提供了更多的可能性。
XFD型单槽浮选机的改进设计为满足客户及市场化的需求,文章根据现有的几种类型的单槽浮选机设计,进行了XFD型单槽浮选机的设计改进,对传动、机体、主轴、定子转子等进行了改进,并进行了加热等可选功能的预留设计,最后对设计的优点及不足进行了总结。
标签:机械设计;单槽浮选机;定子转子;通用性1 单槽浮选机的基本性能要求浮选机是实现浮选过程的重要设备,单槽浮选机主要用于选别铜、锌、铅、镍、金等有色金属,也可以用于黑色金属和非金属的粗选和精选。
根据浮选的工业实践经验、气泡矿化理论研究以及对浮选机流体动力学特性研究的结果,浮选机的性能需满足如下基本要求:(1)良好的充气作用在泡沫浮选过程中,气泡是疏水性矿物的一种运载工具。
为了增加矿粒与气泡接触碰撞的机会,造成有利于附着的条件,并能将疏水性矿粒及时运载到矿浆表面,在浮选机内必须具有足够大的气泡表面积,气泡亦应有适宜的浮升速度。
为此,浮选机必须保证能向矿浆中吸入足量的空气,并使这些空气在矿浆中充分地弥散,以便形成大量大小适中的气泡,同时这些弥散的气泡,又能均匀地在浮选槽内分布。
充气量愈大,空气弥散愈好,气泡分布愈均匀,则矿粒与气泡接触碰撞的机会也愈多,这种浮选机的工艺性能也就愈好。
(2)搅拌作用矿粒在浮选机内的悬浮效率,是影响矿粒向气泡附着的另一个重要方面。
为使矿粒能与气泡充分接触,应该使全部矿粒都处于悬浮状态。
搅拌作用除了造成矿粒悬浮外,并能使矿粒在浮选槽内均匀分布,从而创造矿粒和气泡充分接触和碰撞的良好条件。
此外,搅拌作用还可以促进某些难溶性药剂的溶解和分散。
(3)能形成比较平稳的泡沫区在矿浆表面应保证能够形成比较平稳的泡沫区,以使矿化气泡形成一定厚度的矿化泡沫层。
在泡沫区中,矿化泡沫层既能滞留目的矿物,又能使一部份夹杂的脉石从泡沫中脱落。
(4)能连续工作及便于调节工业生产上使用的浮选机,应能连续给矿和排矿,以适应矿浆流在整个浮选生产过程连续性的特点。
为此,浮选机上应有相应的受矿、刮泡和排矿的机构。
浮选机——浮选柱联合新工艺生产含钼57%钼精矿王漪靖;张学武【摘要】金堆城钼业集团有限公司针对常规浮选机工艺生产含钼57%钼精矿存在的问题,进行了浮选机、浮选柱联合浮选新工艺的研究、设计及工业试验.通过流程优化和浮选机、浮选柱联合,充分发挥了浮选柱分选精度高、浮选机回收能力强的优势,生产出的钼精矿含Mo全部≥57%,无低品位的副产钼精矿,精选回收率达到98%以上.%In view of the problems in conventional flotation process for the preparation of 57% molybdenum in Jinduicheng Molybdenum Group, studies on new technology and its design and the industrial tests of machine-column joint flotation are carried out. Through process optimization with joint of machine-column flotation, the advantages of high separation efficiency and high recovery by machine-column joint can be fully played, and all molybdenum concentrate grading at Mo ≥57% is produced with no low-grade by-product concentrate and more than 98%of recovery rate.【期刊名称】《金属矿山》【年(卷),期】2011(000)004【总页数】5页(P62-66)【关键词】钼精选;浮选机-浮选柱联合工艺;含钼57%钼精矿【作者】王漪靖;张学武【作者单位】金堆城钼业集团有限公司;金堆城钼业集团有限公司【正文语种】中文金堆城钼业集团有限公司新建6 500 t/a钼酸铵生产线采用高品位氧化钼水洗工艺,为保证原料三氧化钼中的钾、钠、钙、镁杂质含量符合要求,焙烧用钼精矿品位必须达到57%以上。
目录一.产品简介 (1)二.结构简介 (1)三.技术参数 (3)四.结构简图 (4)五.操作指南 (6)六.安装维护 (8)七.注意事项 (8)八.易损零件 (9)九.故障排除 (9)十.电路图 (10)检验单 (11)装箱单 (12)一.产品简介XFD-系列单槽浮选机是选矿实验室用标准型浮选机,适用于各型矿山、科研机构、大专院校的搅拌、擦洗、分离和精选少量粒度在0.2mm 以下的矿样作业,广泛应用于地质、冶金、建材、化工等多种行业。
新改进设计的XFD-系列单槽浮选机,整机机体由304不锈钢亮板折弯而成,具有主轴变频调速、刮板无极调速、温度控制、加热(选配)、充气(选配)等完善的功能,以满足不同科研机构多样化的实验需求。
二.结构简介XFD-系列单槽浮选机,有两种不同的结构:一种是0.5L-3L有机玻璃槽体的结构;另一种是3L、8L钢板焊接槽体的结构。
两种结构产品的结构简图和技术参数,请参阅后图。
XFD-系列单槽浮选机主要由以下主要零部件组成:1、304亮板不锈钢机架(8L为钢板焊接机架带槽体);2、有机玻璃槽体(8L无);3、槽体装夹装置(8L无);4、叶轮主轴部份;5、刮板装置;6、电控面板;7、变频调速部份;8、不锈钢托架(8L无,可选配排矿漏斗);9、防护罩。
根据用户需要还可配加微型充气泵和温控加热器,以满足选矿工艺的不同要求。
上述所有部件都安装在不锈钢机架上,电机通过多楔带带动主轴旋转,从主轴顶部向下看主轴按顺时针方向旋转,主轴下端采用叶轮式机械搅拌进行工作,定子和转子之间相对高速旋转,离心力将转子中间液体甩出形成负压,由吸气管(或内置微型气泵)向槽内供气使空气生成微小矿化气泡形成泡沫将分选矿物浮起;刮板机构通过微型直流电机驱动刮板拐臂轴旋转,刮板轴上的刮板便可将槽体内的泡沫由溢流口刮出。
转子的转速是通过变频器来控制调速的,浮选槽体是靠机架上的定位块螺杆装夹装置来实现固定的,刮泡机构通过刮板装置在浮选槽溢流口作回转运动以替代人工刮泡。
浮选机技术参数及使用说明来源:本站日期:2010-11-8 15:13:43 浏览次数:89浮选机适用于有色黑色金属的选别,还可用于非金属如:煤莹石、滑石的选别。
浮选机由电动机三角代传动带动叶轮旋转,产生离心作用形成负压,一方面吸入充足的空气与矿浆混合,一方面搅拌矿浆与药物混合,同时细化泡沫,使矿物粘合泡沫之上,浮到矿浆面再形成矿化泡沫。
调节闸板高度,控制液面,使有用泡沫被刮板刮出。
我厂生产的浮选设备具有如下特点:吸气量大、功耗低。
每槽兼有吸气、吸浆和浮选三重功能,自成浮选回路,不需任何辅助设备,水平配置,便于流程的变更.矿浆循环合理,能最大限度地减少粗砂沉淀。
设有矿浆面的自控装置,调节方便。
叶轮带有后倾式的上下叶片。
上叶片产生矿浆上循环,下叶片产生矿浆下循环。
SF型浮选机技术参数型号SF0.37 SF0.7 SF1.2 SF2.8 SF4槽体容积(m3)0.37 0.7 1.2 2.8 4叶轮直径(mm)300 350 450 550 650生产能力(m3/min)0.2-0.4 0.3-0.9 0.6-1.2 1.5-3.5 0.5-4叶轮转速(m3/min)352 400 312 268 238电动机型号①Y90L-4 ①Y100L2-4 ①Y132M2-6 ①Y160L-6 ①Y180L-6②Y90S-4 ②Y90S-4 ②Y90S-4 ②Y90S-4 ②Y90L-4功率(kw)①1.5 ①3 ①5.5 ①11 ①15②1.1 ②1.1 ②1.1 ②1.1 ②1.5外型尺寸(mm)700×700×750 900×820×950 1100×1100×1100 1700×1600×1150 1850×2050×1200单槽重量(kg)468 600 1373 2338 2660XJK系列浮选机技术参数型号规格XJK-0.35(3A)XJK-0.62(4A)XJK-1.1(5A)XJK-2.8(6A)XJK-5.8(7A)有效容积(m3)0.35 0.62 1.1 2.8 5.8生产能力(m3/min)0.18~0.4 0.3~0.9 0.6~1.6 1.5~3.5 3~7转速(r/min)470 400 330 280 240叶轮直径(mm) 300 350 500 600 750配套电机型号转子Y90L-4 Y100L2-4 Y132M2-6 Y160L-6 Y200L2-6(Y225M-6)刮板Y90S-4 Y90S-4 Y90S-4 Y90S-4 Y90L-4功率(kw)叶轮电机 1.5 3 5.5 11 22(30)刮板电机 1.1 1.1 1.1 1.1 1.5重量:(t/单槽)0.43 0.86 1.38 2.33 3.533浮选机使用说明:开机前应先检查各部位螺栓,停机起动前应先手动代轮旋转,以防沉淀物淤积增加电动机负荷,工作时应细心调整闸门高度,使液面保持稳定,随时将矿浆液面上的矿化泡沫刮入流槽。
XFD系列单槽浮选机维护章程
一、操作规程
(一)、开车前的准备:
1、检查各连接处,要求紧固无松动。
2、按润滑要求,润滑各个润滑点。
3、检查三角带,要求松紧适度。
4、倒出防锈石灰水。
将锥体向前偏转至第一或第二格的位置,开车用清水冲洗钢球及筒壁。
必要时,用欲磨物料磨洗钢球及筒壁。
5、关紧排矿口,依次加入水、矿石、药剂,关紧排矿口,然后将锥形筒体转至水平位置,即可开车进行磨矿。
(二)、开车阶段应定期检查
1、各工作部件,要求平稳,无噪声。
2、给排矿口加塞,要求密封无泄漏。
(三)、停车
1、磨至规定时间后,切断电源,停车。
将锥型筒体向排矿端倾斜至第一格位置,打开排矿口(顺时针方向拧转拉紧螺栓),将矿浆放入盒内。
取下给矿塞,用橡胶引入清水,将塞和筒壁内的矿砂粒冲洗出去,然后间断开车搅拌冲洗干净后,停车,并将水倒完为止。
2、关闭排矿口充满防锈石水,关闭给矿口,将筒体转至水平位置,用棉纱或擦布将机器各部件揩净。
二、检修规程
(一)、周期:小修2—3年;中修6—8年;大修12—15年。
(二)、检修内容:
1、小修:检换下列易损件:铜套、轴瓦、压紧螺栓、塞子、装料盖压垫、三角带、螺栓衬套等。
2、中修:中修包括小修项目,并对筒体、支撑板、轴承座等件进行检查和更换。
3、判断零件失效及验收标准均以图纸为准。
三、维护规程
(一)、润滑点及清洗要求:由操作者定期润滑下列部位
1、主轴承及中间轴
2、支撑板轴承
3、电机轴承
(二)、按操作规程要求,作好筒体的清洗和封存工作。
煤泥表面张力与浮选效果关系的研究周丫舒;董宪姝【摘要】随着高灰细泥浮选入料的逐渐增高,煤泥分选效果恶化的问题越来越突出,添加浮选药剂改善煤炭的浮选效果是最重要的途径.本文分别选用煤油和柴油为捕收剂、仲辛醇和QPJ为起泡剂,测定添加浮选药剂后煤浆的表面张力,再使用煤油做捕收剂、仲辛醇做起泡剂,进行实验室浮选试验,从而探索了浮选药剂对煤浆表面张力和浮选效果影响的变化规律.结果表明:浮选过程中煤浆表面张力与浮选效果的关系密切,随着捕收剂或起泡剂用量的增加,煤浆表面张力有10 mN/m左右的降低,可燃体回收率增加15%左右,并且表面张力最低时可燃体回收率是最高的.【期刊名称】《中国矿业》【年(卷),期】2016(025)002【总页数】5页(P105-109)【关键词】表面张力;煤泥浮选;可燃体回收率;精煤灰分【作者】周丫舒;董宪姝【作者单位】太原理工大学,山西太原030024;太原理工大学,山西太原030024【正文语种】中文【中图分类】TD94煤泥浮选是煤炭分选中的重要环节,而浮选药剂选用又是煤泥浮选中的焦点。
传统的浮选药剂确定方法为:先进行实验室系统浮选实验,根据实验结果初步拟定浮选药剂制度,再进行工业试验,最终确定浮选药剂制度[1-3]。
实验室浮选环节实验量较大、实验周期较长、实验样品消耗量较大。
研究表明,表面张力在浮选过程中起到了较为重要的作用[4-6]。
向煤浆中添加一定量的浮选药剂可以增强煤粒表面的疏水性,从而获得更好的浮选效果[7]。
在实际应用中,对浮选过程中煤颗粒的表面张力测量不便,对煤浆的表面张力测定比较容易。
因此,本文对浮选药剂剂量与煤浆表面张力的变化规律进行了探究,并对其规律与浮选效果的关系进行了研究,以期利用煤浆表面张力指导煤泥浮选。
1.1 试验样品试验样品为马兰2#煤泥(-0.5 mm),煤样灰分为24.93%,水分为0.96%,见表1。
1.2 试验设备与药剂试验采用吉林省探矿机械厂生产的XFDⅢ 型实验室用单槽浮选机,表面张力测定采用上海中晨数字技术设备有限公司生产的JK99C 型表面张力测定仪。
二氧化碳软化高硬度废水的研究符磊;满瑞林;扶强;姚银朋【摘要】This paper used a new device,a self-priming gas-liquid reactor which could enhanced the process of CO2 softening calcium wastewater,to explore the effects of temperature,initial pH value,CO2 gas flow,CO2 total flux and other factors on the removal rate of calcium. The results showed that the removal rate of calcium ion was up to 98.47% under the best technological conditions(initial pH value 12.89,gas flow rate 1.0 L/min,CO2 concentra-tion 100%,the temperature 20 ℃). Mea nwhile,the utilizationratio of CO2 with self-priming gas-liquid reactor was more than 2 times with traditional bubbling stirring reactor.%采用一种新装置——自吸式反应器强化CO2软化高钙废水过程,探究了温度、起始pH值、CO2气体流量、CO2总通入量等因素对钙离子去除率的影响.结果显示,在起始pH值为12.89、温度20 ℃、通入的CO2体积分数为100%、CO2气体流量为1.0 L/min时,钙离子去除率最高达98.47%.与传统的鼓泡搅拌反应器相比,CO2利用率提高了2倍以上.【期刊名称】《工业安全与环保》【年(卷),期】2018(044)005【总页数】4页(P35-38)【关键词】自吸式反应器;高钙废水;CO2软化【作者】符磊;满瑞林;扶强;姚银朋【作者单位】中南大学化学化工学院长沙410083;中南大学化学化工学院长沙410083;中南大学化学化工学院长沙410083;中南大学化学化工学院长沙410083【正文语种】中文0 引言有色冶炼产生的大量酸性重金属废水,是重金属污染的主要来源之一[1]。
一、机器的用途:本机广泛应用于分离精选细粒嵌布的各种有色金属,黑色金属和非金属矿物。
二、机器的结构和工作原理:1、本机系叶轮机械搅拌式浮选机。
2、本机主要由盛浆槽、搅拌装置、充气装置、排出矿化气泡装置、电动机等组成。
(1)盛浆槽:它有进浆口,以及调节矿浆面的闸门装置,它主要由用钢板焊成的槽体和钢板与圆钢焊成的闸门组成。
(2)搅拌装置:它用于搅拌矿浆,防止矿砂在槽体沉淀,它主要由皮带轮、叶轮、垂直轴等组成,叶轮是由耐磨橡胶制成的。
(3)充气装置:它由导管进气管组成,当叶轮旋转时,叶轮腔中产生负压,将空气通过中空的泵管吸入,并弥散在矿浆中形成气泡群,这种带有大量气泡的矿浆由叶轮的旋转力而被很快的抛向定子,进一步使矿浆中的气泡细化,及消除浮选槽中矿浆流的旋转运动,造成大量垂直上升的微泡,为浮选过程提供必要的条件。
(4)排出矿化气泡装置:它是将浮在槽面上的泡沫刮出,主要由电机1、The use of machinery:The flotation is widely used for separating and concentrating the non-ferrous metal, black metal and nonmetal mine.2、The works principle and the structure of machinery:1. This is mechanical mixing flotation machine by the impeller.2. The machine is mainly made up by filling slurry chute, mixing device, inflatable device, the device of discharging mineralized bladder, motor etc.(1)The filling slurry chute: It has the feeding mouth and strobe device for adjusting the surface of mine slurry .It is made up by chute of jointing by armor plate and strobe of jointing by round steel.(2)The mixing device :It is used for mixing mine slurry to prevent the mine sand deposits at the bottom of chute .It is made up by strap wheel ,impeller ,upright axis etc, impeller is made of wearable rubber.(3)The inflatable device: It is made up by pipe and inflatable pipe .When impeller is turning, impeller cavity brings negative pressure ,which makes the air suck into by the empty pump and distributes in mine slurry to form the bladder .The mine slurry with bladder is thrown to stator by the turn force of impeller and makes bladder that in the mine slurry fine further and avoids the turn movement of mine slurry stream that in the chute ,produces lots of raising upright micro bladder and provides the necessity condition for flotation .(4)The device of discharging mineralized bladder: it scrapes the bladder that floats on the surface of the chute and is mainly made up by reducer, scrape board.3. Working principles:带动减速器,减速器带动刮板组成。
柴油对浮选泡沫稳定性影响的试验研究李明;徐梦迪;晋伟;邢耀文;桂夏辉【摘要】泡沫稳定性是影响浮选过程效率的重要参数之一.为了探究柴油对浮选泡沫稳定性的影响,借助泡沫扫描分析仪(FOAMSCAN)研究了气液两相体系下不同浓度的柴油与体积分数20×10-6的甲基异丁基甲醇(MIBC)混合溶液的起泡能力与泡沫稳定性,采用动态液膜分析装置分析了泡沫间液膜的最终状态,进一步明晰了柴油对泡沫稳定性的影响机制,并通过细粒煤浮选及气液固三相泡沫稳定性试验探讨了柴油对实际浮选体系泡沫性质及浮选效果的影响.气液两相体系泡沫稳定性试验表明,随着柴油浓度的增加,溶液起泡能力和泡沫稳定性逐渐降低.泡沫间液膜测试结果说明,柴油浓度加大使得泡沫间液膜由最终的平衡状态转为破裂状态,液膜稳定性变差,气泡更容易兼并甚至破裂,该结论与气液两相泡沫稳定性试验结果保持一致.浮选结果表明,柴油用量较低时,随着柴油浓度增加,最大泡沫层高度和半衰期逐渐增大,浮选精煤产率也随之增大,这主要是由于柴油改善煤样表面疏水性以及细粒煤的稳泡作用所致;但当柴油用量增加到一定浓度后,最大泡沫层高度和泡沫半衰期减小,浮选精煤产率减小,一方面,柴油油滴进入泡沫间液膜中,在范德华力等力的驱使下,泡沫间的液膜逐渐薄化直至形成经典的油滴架桥现象,最终导致气泡兼并甚至破裂,另一方面,柴油油滴竞争吸附起泡剂分子,使得气液界面的起泡剂浓度降低,从而导致泡沫稳定性降低,柴油具有一定的消泡作用.【期刊名称】《煤炭学报》【年(卷),期】2019(044)006【总页数】7页(P1876-1882)【关键词】柴油;浮选;起泡能力;泡沫稳定性;液膜【作者】李明;徐梦迪;晋伟;邢耀文;桂夏辉【作者单位】中国矿业大学化工学院,江苏徐州221116;中国矿业大学化工学院,江苏徐州221116;中国矿业大学化工学院,江苏徐州221116;中国矿业大学化工学院,江苏徐州221116;中国矿业大学国家煤加工与洁净化工程技术研究中心,江苏徐州221116【正文语种】中文【中图分类】TD923泡沫浮选是一种在气液界面根据矿物表面性质的差异将目的矿物与脉石分离的技术手段,是细粒煤分选最有效的方法之一[1-3]。
一、用途
实验室用XFD型系列单槽式浮选机供地质、冶金、建筑材料、化学等工业实验浮选少量矿样用。
二、技术性能参数
序
号
技术参数单位数值
1浮选槽容积L XFD-1XFD-3XFD-8 2叶轮直径MMΦ45Φ45Φ55Φ60Φ70Φ80 3
叶轮转速
I转/分259025902100191018901400
II234023401900175017081400
II
I
213021301700159015441400 4刮板转速转/分303030303030 5给矿粒度MM
6
电机
W2800转/分 180**** ****转/分
250
7电压V380380380380380380 8
外型尺寸
长520520520560570580
宽263263263265310505
高628628628590668970 9重量KG303035405080
XFD型系列浮选机由下列主要部件组成:
(1)机座(2)托板(3)槽体(4)搅拌部
(5)刮板部分(6)主轴部分(7)护罩(8)电机
(9)流量计(10)控制开关(11)刮板开关
四、操作顺序
1、按规定接好电源;
2、试开机
检查主轴转动方向,须顺时针方向旋转,若不是,则应调换电源相序,使电机顺时针方向旋转后才可开始工作。
先将矿样与水混合后倒进槽中,启动电机,主轴转动,槽中叶轮即开始搅拌,然后将阀门打开进行充气,加入所需剂之后,即可形成泡沫,接通刮板电动机开关使刮板旋转。
则泡沫可被刮出槽口,料盒置于工作台上,将刮出的泡沫处理后,即可得到所需矿种。
五、操作与维护
1、在每次工作之前,要先检查看槽中有无东西卡阻,叶轮是否脱落及皮带的搭配、螺钉的联接等,然后才开始工作。
2、各转动接合处应加上润滑油,轴承处至少三个月换润滑脂一次。
(润滑脂要求熔点≥ºC)
3、每次使用之后,要清洗槽体、叶轮,并擦干;保持机器经久耐用,整洁美观。
4、更换叶轮定子时,先要把叶轮拧下,后松开定子与下体的坚固螺钉,换上新的叶轮及定子。
5、搬动浮选机时,着力点应在机体上,而不在任何部件上,以免损坏。
6、浮选槽工作温度15-50ºC。
六、易损零件明细表。