供热管道设计
- 格式:ppt
- 大小:1.08 MB
- 文档页数:76
目录1.0总体概述 (1)1.1编制依据 (1)1.2工程概况 (1)1.3自然条件、社会依托 (1)1.4工程特点 (2)1.5主要工程量 (2)2.0主要施工方案 (2)2.1工程重点、难点分析及解决方案 (3)2.2关键施工技术及工艺 (4)3.0劳动力投入计划及保证措施 (8)3.1施工管理组织机构图 (8)3.2施工任务划分 (9)3.3劳动力投入计划 (9)3.4人力保证措施 (10)3.5施工暂设 (10)4.0机械设备投入、进场计划及保证措施 (10)4.1计划用于本工程的设备 (10)4.2保证措施 (11)5.0工程质量保证措施及承诺 (11)5.1质量保证体系 (11)6.0施工进度计划和各阶段进度保证措施 (15)6.1项目施工进度计划 (15)6.2各阶段进度保证措施及承诺 (15)7.0确保安全生产的技术保证措施 (16)8.0确保文明施工保证措施 (16)9.0雨季施工措施 (17)10.0施工平面布置图 (18)11.0施工用电,用水 (21)12.0工程质量检验划 (22)1.0总体概述 1.1编制依据1.1新建空气加热室供热管网工程设计图纸及招标文件; 1.2新建空气加热室供热管网工程现场勘探及以往施工经验; 1.3《砼结构工程施工质量验收规范》1.4《建筑地基基础工程施工质量验收规范》 GB50202---2002 1.5《建筑防腐蚀工程施工及验收规范》 1.6《地沟及盖板》GB50204----2002GB50212----200202J3311.7以及相关的国家施工及验收标准。
1.2工程概况总体简介1.2.1工程名称:新建空气加热室供热管网工程1.2.2建设规模:本工程室外地沟总长度达 213.9m ,阀门检查井 2座 1.2.3建设地点:同煤集团同生宏达煤业有限责任公司1.2.4开工完工: 2013年 9月 1日开工, 2013年 11月 1日完工 1.2.5建设单位:大同煤矿集团同生宏达煤业有限责任公司 1.2.6设计单位:大同煤矿集团设计研究有限责任公司 1.2.7监理单位:山西省煤炭建设监理咨询公司 空气加热室供热管网工程概况本工程为同煤集团同生宏达煤业有限责任公司新建空气加热室供热管网工 程,采用地沟敷设,钢筋混凝土结构,热媒参数为 95/70℃热水,地沟总长度为 213.9米,管道采用预制保温管,地沟说明图集号为: 02G04-4~8. 阀门检查井工程概况本工程为同煤集团同生宏达煤业有限责任公司新建空气加热室阀门检查井 工程,砖砌结构,建筑数量 2座,绞车房和办公室入口个一座,图集号为:02G04-48-III 级。
供热管道设计规范篇一:城市热力管网设计规定压力管道设计技术规定(城市热力管网)为了节约能源,保护环境,促进生产,改善人民生活,发展我国城市集中供热事业,提高集中供热工程设计水平和城市热力管道设计质量,特制定本文件。
1 范围本标准规定了城市热力管网的设计本标准适用于由供热企业经营,以热电厂或区域锅炉房为热源,对多个用户供热,自热源至热力站的城市热力管网;也适用于城市热力管网新建、扩建或改建的管道、中继泵站和热力站等工艺系统管道设计;也适用于热水热力管网供热介质设计压力小于或等于2.5MPa,设计温度小于或等于200℃;蒸汽热力管网供热介质设计压力小于或等于1.6MPa,设计温度小于或等于350℃。
2 引用标准下列标准中的条款通过本标准的引用而成为本标准的条款。
凡是不注日期的引用标准,其最新版本适用于本规定。
工业设备及管道绝热工程设计规范 GB 50264 建筑设计防火规范 GB 50016 城市供热管网工程施工及验收规范 CJJ 28 城市热力管网设计规范CJJ 34 城市供热管网质量检验、评定CJJ/T 81 城市供热系统安全运行技术规程 CJJ/T 883 供热介质选择3.1 对民用建筑物采暖、通风、空调及生活热水热负荷供热的城市热力管网应采用水作供热介质。
3.2 同时对生产工艺热负荷和采暖、通风、空调、生活热水负荷供热的城市热力管网供热介质按下列原则确定:a) 当生产工艺热负荷为主要负荷,且必须采用蒸汽供热时,应采用蒸汽作供热介质; b) 以水为供热介质能够满足生产工艺需要(包括在用户处转换为蒸汽),且技术经济合理时,应采用水作为供热介质;c) 当采暖、通风、空调热负荷为主要负荷、生产工艺又必须采用蒸汽供热,经技术经济比较认为合理时,可采用水和蒸汽两种供热介质。
4 热力管网型式的确定4.1 热水热力管网型式的确定4.1.1 热水热力管网宜采用闭式双管制。
4.1.2 以热电厂为热源的热水热力管网,同时有工艺、采暖、通风、空调、生活热水多种热负荷,在生产工艺热负荷与采暖热负荷所需供热介质参数相差较大,或季节性热负荷占总热负荷比例较大,且技术经济合理时,可采用闭式多管制。
直埋管断面布置尺寸参考〔mm〕注:放坡角60°,或放坡比1:1.5。
弹性分析法直埋管过渡段长度〔m〕驻点轴向应力〔kN〕与热伸长量〔mm〕注:工作压力1.6MPa、温差130℃,摩擦系数0.4,热胀系数12.6×10-6℃-1。
安定分析法直埋管过渡段长度〔m〕驻点轴向应力〔kN〕与热伸长量〔mm〕注:工作压力1.6MPa、温差130℃,摩擦系数0.4,热胀系数12.6×10-6℃-1。
热水管网水力计算表注:一次网〔130℃/70℃,Kd=0.5mm,γ=958.4kg/m3〕热水管网允许流速〔《城市供热手册》汤惠芬X季贤〕热水管网经济比压降〔《城市供热手册》汤惠芬X季贤〕注:使用X围7~10km,设一级中继泵站时比压降取推荐值的1.2倍,设有两级时取1.4倍。
直埋热水管道工程设计医药化工项目外管设计工作中,常会出现直埋热水管道的设计方案,针对该设计工作,综合规X、标准图集、论文、制造商等各渠道而来的技术资料、工程案例和经验,现做如下初步概括的总结和阐述:直埋热力管道分为无补偿直埋敷设和有补偿直埋敷设。
无补偿直埋敷设又可分为冷安装无补偿、预应力无补偿。
预应力无补偿有分为机械拉伸、敞槽预热、一次补偿等多种形式。
预热方式又分为热水、热风和电热等。
一般DN800以下的管道可设计为冷安装无补偿方式。
一、直埋管的稳定性验算〔1〕整体稳定性分析:直埋管最小覆土深度应满足垂直稳定性要求,一般而言,大于DN700的直管道不必从垂直稳定性考虑限制其埋深。
〔2〕局部稳定性分析:公称直径不大于DN800、工作温差小于85℃时,不会出现局部失稳;当供水温度大于130℃、公称直径大于DN800时,采用标准壁厚的钢管,在锚固段可能会出现局部皱结。
二、直埋管的强度验算无补偿管段强度验算有两种强度验算理论:弹性分析法〔第四强度理论〕和安定分析法〔弹塑性分析,第三强度理论〕。
直埋管的安定条件判断,根据应变大小可分为不发生任何塑性变形〔△ε≤2εs,|ε|<εs,安定状态〕、发生有限塑性变形〔△ε≤2εs,|ε|>εs安定状态〕,发生循环塑性变形〔△ε>2εs,不安定状态〕〔1〕极限分析:为防止管道出现塑性流动,必须保证一次应力小于屈服极限σs。
供热管道方案引言:供热管道是城市供热系统的重要组成部分,影响着居民的取暖质量和生活舒适度。
为了满足不同地区的取暖需求,设计合理的供热管道方案显得尤为重要。
本文将探讨供热管道方案的设计原则、材料选择和施工要点。
一、设计原则1.1 需求分析在制定供热管道方案之前,需要进行充分的需求分析。
这包括确定供热范围、居民用热需求量、峰谷差异、系统的总负荷等。
只有全面了解需求,才能制定出科学合理的供热方案。
1.2 管道布局供热管道的布局应考虑到各个供热点的分布情况,并根据需求确定管道的走向和分支点。
布局应合理,避免管道过长,减少传输损失。
1.3 安全性考虑供热管道的设计应考虑到安全性。
在设计中要充分考虑防火措施、排放与通风、防冻与保温等问题,确保供热系统的安全可靠。
二、材料选择2.1 管道材料供热管道的常见材料有钢管、不锈钢管、塑料管等。
在选择材料时要考虑到管道的耐压能力、耐腐蚀性和使用寿命等因素。
根据具体情况选择合适的材料,确保管道的稳定性和可靠性。
2.2 绝热材料为了减少能量损失,供热管道需要进行绝热处理。
常见的绝热材料有聚氨酯泡沫、岩棉、硅酸盐等。
绝热材料的选择应考虑到绝热性能、耐久性和环保性。
2.3 防腐材料由于供热管道工作环境的特殊性,需要选择耐腐蚀的材料以提高管道的使用寿命。
常见的防腐材料有内衬涂层、外涂层和防腐包裹等。
选择合适的防腐材料可以有效延长供热管道的使用寿命。
三、施工要点3.1 管道敷设供热管道敷设是供热系统建设的关键环节。
在施工过程中,要注意管道的铺设深度、坡度和弯头的设置等。
合理的敷设可以提高管道的使用效果和运行稳定性。
3.2 管道连接管道连接是保证供热系统连续运转的重要环节。
在施工中要选择适用的连接方式,并严格按照操作规程进行施工。
确保连接的牢固和密封,避免漏水和泄露。
3.3 结构保护供热管道施工完成后,需要进行结构保护工作。
包括防水、防腐、绝热等措施。
结构保护的目的是确保供热系统的稳定运行和延长使用寿命。
供热管道改造施工组织设计[最新版]1. 引言本文档旨在提供一份供热管道改造施工组织设计的最新版本。
该设计旨在确保施工过程安全高效、符合相关法规,并能满足供热管道改造的要求。
2. 施工组织概述2.1 施工项目概述:概述供热管道改造的背景、目标和范围。
2.2 参与方介绍:介绍参与此次施工的各方及其职责分工。
2.3 工期计划:制定合理的工期计划,确保施工进度合理。
3. 施工安全3.1 安全管理措施:设计合理的安全管理措施,减少施工过程中的安全风险。
3.2 紧急救援预案:制定详细的紧急救援预案,以应对突发事件。
4. 施工流程4.1 准备工作:包括施工场地准备、设备检查和相关材料准备等。
4.2 施工步骤:详细说明供热管道改造的每个施工步骤及其顺序。
4.3 质量控制:确保施工过程中的质量符合相关标准和要求。
4.4 进度控制:监控施工进度,及时调整工期计划。
5. 资源安排5.1 人力资源:确定所需的施工人员数量和要求,并制定合理的人员调配计划。
5.2 设备资源:确定所需的施工设备及其规格、数量,并保证设备的正常运转和维护。
5.3 材料资源:确定所需的施工材料及其规格、数量,并确保材料的准时供应。
6. 环境保护6.1 环境影响评估:对供热管道改造施工可能对周边环境造成的影响进行评估。
6.2 环境保护措施:制定环境保护措施,减少施工对周边环境的影响。
7. 物资管理7.1 物资清单:列出所需的施工物资清单,并与供应商进行确认。
7.2 物资采购:制定合理的物资采购计划,确保物资的及时供应和质量。
8. 施工质量验收8.1 验收标准:明确供热管道改造的质量验收标准和要求。
8.2 验收程序:详细说明质量验收的程序和步骤。
9. 风险评估与控制9.1 风险评估:评估施工过程中可能遇到的各类风险,并进行风险等级划分。
9.2 风险控制措施:制定相应的风险控制措施,降低风险可能性和影响程度。
10. 经费预算10.1 经费来源:列出供热管道改造施工经费的来源和金额。
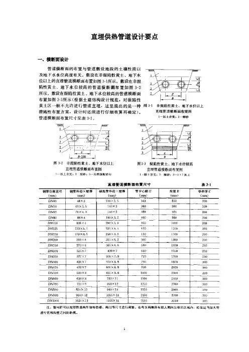
直埋供热管道设计要点一、横断面设计
1、对于有地下水的直埋管道,基础增加天然级配砂石;
2、对于湿陷性黄土地带,天然级配砂石改为三七灰土。
二、稳定性设计
三、管道受力分析及管道分类
(1)热膨胀力
(2)泊松力
3、管段分类
(1)过渡段(直管段)
过渡段是主要克服管段的约束反力-被动力作用,使热膨胀得以全部或部分释放的管段,通常有一个自由端,能自由伸缩,如补偿器、弯头等处。
设计的主要任务是,确定管道轴向方向的热伸长,从而合理的选择补偿器和引出分支。
(2)锚固段(直管段)
锚固段由于被动力的作用,管段进入自然锚固状态。
设计的主要任务是,核算管段的机械强度以及进行管段稳定性验算。
四、直管段安定性设计
1、应力分类法
2、计算公式及最大温差
五、直管段安定性设计
1、补偿弯管的分类
2、弹性臂长
3、L型补偿弯管设计
4、Z型补偿弯管设计
5、U型补偿弯管设计
六、管道附件设计
1、阀门
(5)蝶阀公称直径为DN50~DN1200,压力等级为 2.5MPa以下;球阀公称直径为DN15~DN300,压力等级为2.5MPa以下。
2、补偿器的选择计算
3、分支引出
七、固定支架设计。
供热管道施工组织设计一、引言随着社会经济的发展和人民生活水平的提高,供热管道的施工和运行管理已经成为城市基础设施建设的重要组成部分。
供热管道的施工质量直接影响到供热系统的安全、稳定和经济运行。
因此,科学合理地组织供热管道施工,提高施工效率和质量,是当前供热管道施工的关键。
二、供热管道施工组织设计的原则1、科学性:施工组织设计必须以科学的态度进行,综合考虑工程实际情况,制定合理的方案和计划。
2、安全性:在施工过程中,必须始终贯彻安全第一的原则,确保施工人员的安全和健康。
3、经济性:在保证质量和安全的前提下,应尽可能地降低施工成本,提高经济效益。
4、环保性:在施工过程中,应采取有效的环保措施,减少对环境的影响。
5、可持续性:供热管道的施工组织设计应考虑工程的长期效益,确保工程的可持续性发展。
三、供热管道施工组织设计的具体内容1、工程概况:对供热管道的施工范围、地形地貌、气候条件、工程特点等进行详细描述。
2、施工方案:根据工程实际情况,制定合理的施工方案,包括施工方法的确定、施工顺序的安排、施工机械的选择等。
3、施工进度计划:根据施工方案和工程特点,制定详细的施工进度计划,包括各阶段的任务、时间安排、人员配备等。
4、资源需求计划:根据施工进度计划和工程特点,制定合理的资源需求计划,包括材料、设备、人员等的需求量和进场时间。
5、质量保证措施:制定完善的质量保证措施,包括质量管理体系的建立、质量标准的制定、质量控制的手段等。
6、安全保障措施:制定有效的安全保障措施,包括安全制度的建立、安全教育的开展、安全检查的安排等。
7、环境保护措施:制定合理的环境保护措施,包括减少噪音污染、减少水污染、减少固体废弃物等。
8、风险管理措施:针对可能出现的风险因素,制定相应的风险管理措施,包括风险识别、风险评估、风险应对等。
四、结论供热管道施工组织设计是确保供热管道施工顺利进行的关键环节。
在实际工作中,应根据工程的实际情况和特点,科学合理地组织施工,确保供热管道的施工质量和使用效益。
供热系统管道工程设计方案一、项目概述本项目为某城市老旧住宅小区的供热系统管道工程设计。
小区位于城市中心区域,占地面积约为20万平方米,共有10栋住宅楼,共计居民3000户。
现有供热系统存在管道老化、热效率低下等问题,严重影响居民的冬季采暖。
因此,本项目旨在对小区的供热系统进行改造,提高供热效率,保证居民的舒适度。
二、设计依据1. 《城市热力网设计规范》(CJJ34—2010)2. 《城镇直埋供热管道工程技术规范》(CJJ81—98)3. 《高密度聚乙烯外护管聚氨酯泡沫塑料预制直埋保温管》(CJ/T114-2000)4. 施工现场实际情况及居民需求三、设计目标1. 提高供热效率,减少能源浪费。
2. 保证供热系统的稳定运行,降低维护成本。
3. 提高居民采暖舒适度,满足居民需求。
四、设计内容1. 供热管道布局设计:根据小区地形、建筑分布和居民需求,合理规划供热管道布局,确保供热管道覆盖所有住宅楼。
2. 管道材料选择:根据《城镇直埋供热管道工程技术规范》的要求,选择合适的管道材料,确保管道的安全、耐用和环保。
3. 保温层设计:根据《高密度聚乙烯外护管聚氨酯泡沫塑料预制直埋保温管》的要求,选择合适的保温材料,确保管道保温效果。
4. 管道安装方式:根据实际情况,选择合适的管道安装方式,如直埋、架空等,确保安装方便、施工快捷。
5. 管道维修与维护:考虑供热系统的长期运行,设计合理的管道维修与维护方案,确保供热系统的稳定运行。
五、设计步骤1. 收集现场资料:了解小区具体情况,包括建筑分布、现有供热系统、管道布局等。
2. 分析居民需求:根据居民需求,确定供热系统的供热能力、热负荷等参数。
3. 规划设计:根据现场资料和居民需求,规划设计供热管道布局。
4. 选择管道材料:根据设计要求,选择合适的管道材料。
5. 保温层设计:根据设计要求,确定保温层材料和厚度。
6. 确定安装方式:根据实际情况,确定管道安装方式。
7. 编制施工图:根据设计内容,编制供热系统管道工程施工图。
直埋供热管道工程设计1.工程背景和目的直埋供热管道工程设计的背景是为了解决传统供热管道架空存在的一系列问题,例如管道易受到外界环境的影响导致冻裂、污染等,而且管道的维护和管理也相对较为困难。
因此,直埋供热管道工程的设计目的是提高供热管道的安全可靠性,降低管道的维护成本,减少对环境的影响。
2.工程设计内容2.1管道布局设计根据供热需要和管道的布置条件,确定供热管道的走向和方位,尽量减少地形和建筑物对管道敷设的影响。
2.2管道直径和压力设计根据供热负荷和环境条件,确定供热管道的直径和设计压力,以满足热力传输和管道的承压要求。
2.3材料选择和防腐设计根据管道的工作温度和介质特性,选用适当的管材和管件,同时考虑到供热管道的防腐措施,以延长供热管道的使用寿命。
2.4管道敷设深度和施工工艺根据地下土层的性质和环境要求,确定供热管道的埋设深度和敷设方式,同时考虑到施工的工艺要求和安全措施。
2.5管道保护和监测设计为了保证供热管道的运行安全,设计合理的管道保护措施和监测装置,及时检测和排查管道中的故障和隐患。
3.设计要求和技术标准3.1管道的安全可靠性要求供热管道需要满足一定的承压能力和使用寿命要求,包括静态荷载、动态荷载和温度循环荷载等。
3.2管道的热力设计要求供热管道的热力设计需要满足供热负荷要求,确保热量的传输效率和供热系统的安全稳定运行。
3.3管道的防腐和绝缘要求供热管道需要采取适当的防腐措施和绝缘材料,以减少管道的腐蚀和管道热量损失。
3.4管道的环境保护要求供热管道需要满足环境保护要求,包括管道周围土壤和地下水的保护,减少对环境的影响。
4.工程实施和管理总之,直埋供热管道工程设计是为了提高供热管道的安全可靠性和降低维护成本,需要考虑管道布局、直径和压力设计、材料选择和防腐设计、敷设深度和施工工艺、管道保护和监测设计等因素,并满足相关的技术标准和要求,进行工程实施和管理。
CJJ34城镇供热管网设计规范篇一:城市集中供热工程常用规范城市集中供热工程常用规范《城镇供热管网设计规范》(CJJ34-2010)《城镇直埋供热管道工程技术规程》(CJJ/T81-1998)《城镇供热管网工程施工验收规范》(CJJ28-2004)《城镇供热工程质量检验评定标准》(CJJ38-1990)《高密度聚乙烯外护管聚氨酯泡沫塑料预制直埋保温管》(CJJ/T114-2000) 《工业设备及管道绝热过程设计规范》(GB50264-1997)《市政公用工程设计文件编制深度规定》《供热工程制图标准》(CJJ/T78-1997)《锅炉房设计规范》GB 50041-2008《工业企业总平面设计规范》GB 50187-93;《建筑设计防火规范》GB 50016-2006;《厂矿道路设计规范》GB J22-87;《分散型控制系统工程设计规定》 HG/T20573-95《自动化仪表工程施工及验收规范》 GB50093-2002《锅炉房设计规范》 GB 50041-2008。
《民用建筑电气设计规范》 JGJ16-2008。
《火灾自动报警系统设计规范》 GB 50116-98《综合布线系统工程设计规范》GB50311-2007《火灾自动报警系统设计规范》GB50016-98《视频安防监控系统工程设计规范》GB50395-2007锅炉房及附属设施的采暖、通风、除尘设计。
(1)《采暖通风与空气调节设计规范》GB50019-2003;(2)《建筑给排水及采暖工程施工及验收规范》GB50242-2002;(3)《通风与空调工程施工质量验收规范》GB 50243-2002;(4)《火力发电厂采暖通风与空气调节设计技术规程》DL/T 5035-2004;用能标准和节能规范(1) 《中华人民共和国节约能源法》;(2) 《中华人民共和国清洁生产促进法》;(3) 《关于印发节能减排综合性工作方案的通告》国发[2007]15 号;(4) 《工业企业能源管理导则》GB/T15587-1995;(5) 《评价企业合理用电技术导则》GB/T3485-1998;(6) 《评价企业合理用热技术导则》GB/T3486-1998;(7) 《公共建筑节能设计标准》DBJ01-621-2005;(8) 《居住建筑节能设计标准》DB13(J)63-2007;(9) 《锅炉房设计规范》GB50041-2008;(10) 关于印发《北方采暖地区既有居住建筑供热计量及节能改造技术导则》(试行)的通知科建[2008]126 号;(11) 《工业锅炉经济运行》GB/T 17954-2007;(12) 《设备及管道保温技术通则》 GB/T4272-1992;(13) 《工业锅炉节能监测方法》 GB/T15317-1994。
供热蒸汽管道上的疏水管道的设计标准供热蒸汽管道上的疏水管道是热力系统中一个重要组成部分,它的设计直接影响着热力系统的安全性和性能。
下面将介绍一份关于供热蒸汽管道疏水管道设计标准,以保证热力系统的正常运行。
一、引言供热蒸汽管道是将蒸汽输送到热力系统各个终端设备的管道,其中的疏水管道起到了关键的作用。
疏水管道主要用于排除管道中的非凝结水,维持热力系统的正常运行。
疏水管道的设计必须符合一系列的标准和规范。
二、设计原则1.安全性原则:疏水管道设计应具备良好的可靠性和安全性,确保管道在正常运行条件下不会出现泄漏、堵塞或其他故障。
2.性能原则:疏水管道设计应确保管道具备良好的疏水能力,能够准确、及时地排除非凝结水,保持管道内蒸汽干燥,提高系统的热效率。
3.经济性原则:疏水管道的设计应尽量合理利用材料和能源资源,降低建设和运行成本,提高经济效益。
三、设计要求1.疏水管道应根据管道系统的工作压力、工作温度和工作流量,合理选用管道材料和规格。
常用的疏水管道材料包括铜、碳钢、不锈钢等。
2.疏水管道应具备良好的密封性能,采用密封连接方式,并进行严格的工艺控制,确保无泄漏。
3.疏水管道的设计应考虑到系统运行周期和停机维护等因素,保证疏水器的检修、清洗和更换。
4.疏水管道的设计应符合国家相关标准和规范,如《建筑供热设计规范》、《建筑给排水设计规范》等,确保管道能够满足设计要求和行业标准。
5.疏水管道的布置应符合系统的运行特点,避免出现冷凝积水区和死角,以减少非凝结水的积聚。
6.疏水管道的设备选择应基于详细的系统分析和计算,确保设备的工作稳定可靠。
7.疏水管道应定期进行维护和检修,保持管道的畅通性和疏水效果,防止管道堵塞和故障。
四、总结供热蒸汽管道上的疏水管道是保证热力系统正常运行的重要部分,其设计必须严格遵循安全性、性能性和经济性原则。
疏水管道的设计要求包括合理选用材料和规格、具备良好的密封性能、考虑到系统的运行特点和周期等。
目录第一章工程概况及施工部署第一节工程概况第二章施工准备第一节现场准备第二节暂时设施准备第三章施工方案及主要施工方法第一节开挖沟槽第二节管道安装第三节管道接口第四节水压试验第四章确保安全、文明施工的技术措施第一节安全管理措施第二节安全技术措施第三节文明施工的技术措施第一章工程概况热力管道维修安装、管网改造总长度为双向(45)米,管径从Φ50*6,管道采用地沟式敷设。
总工期: 7 天,计划开工日期:年月日,计划竣工日期:年月日质量要求:管道外表面做除锈后聚胺酯发泡,外表面为聚乙烯外皮。
管材要求:管道为无缝钢管。
第二章施工准备1 、做好施工现场的“三通一平”,施工场地应按拉坡方式进行平整,形成内高外低,防止雨水倒灌。
2 、设置一预制场地,将工程所需预制构件集中预制,集中供应,便于控制构件质量和便于操作。
3 、做好现场暂时设施和办公场所的搭建,根据施工现场实际情况进行合理的施工平面布置。
一、暂时供电1、概述现场暂时供电按《工业与民用供电系统设计规范》和《施工现场暂时用电安全技术规程》设计并组织施工,供配电系统采用 TN-S 按零保护系统,按三级配电,两级保护设计施工, PE 线与 N 线严格分开使用,接地电阻不大于 4 欧姆,施工现场所有防雷装置冲击接地电阻不大于 30 欧姆,开关箱内漏电保护器额定漏电动作电流不大于 30 毫安,额定漏电动作时间不大于 00.1 秒。
2、用电路线接入施工现场 ,用电从建设单位提供的变压器接入,施工现场、电缆统一入闸箱,再接分箱供各专业施工用电,以保证供电安全,干线电缆选用 XV 型橡皮绝缘电缆。
施工配电箱采用统一制作的标准铁质电箱,箱、电缆编号与供电回路对应。
二、暂时用水施工现场用水从沿线相关单位自来水引入点接入。
现场用水主要为生活用水、施工用水、消防用水,引入一路Φ25 水管,供施工现场及生活区使用。
第三章施工方案及主要施工方法(一)、开挖1、施工准备:(1) 、土方开挖前,根据设计和施工技术规范要求,凡在施工区影响工程质量的软弱土质、淤泥、腐殖土、垃圾、废弃的回填土及地下、地上障碍物,应全部清除和处理完毕。