污水处理厂臭气参数
- 格式:docx
- 大小:17.50 KB
- 文档页数:5
GB18918-2002《城镇污水处理厂污染物排放标准》城镇污水处理厂污染物排放标准GB 18918-20021. 范围本标准规定了城镇污水处理厂出水、废气排放和污泥处置(控制)的污染物限值。
本标准适用于城镇污水处理厂出水、废气排放和污泥处置(控制)的管理。
居民小区和工业企业内独立的生活污水处理设施污染物的排放管理,也按本标准执行。
2. 规范性引用文件下列标准中的条文通过本标准的引用即成为本标准的条文,与本标准同效。
GB 3838 地表水环境质量标准GB 3097 海水水质标准GB 3095 环境空气质量标准GB 4284 农用污泥中污染物控制标准GB 8978 污水综合排放标准GB 12348 工业企业厂界噪声标准GB 16297 大气污染物综合排放标准HJ/T55 大气污染物无组织排放监测技术导则当上述标准被修订时,应使用其最新版本。
3. 术语和定义3.1 城镇污水(municipal wastewater)指城镇居民生活污水,机关、学校、医院、商业服务机构及各种公共设施排水,以及允许排入城镇污水收集系统的工业废水和初期雨水等。
3.2 城镇污水处理厂(municipal wastewater treatment plant)指对进入城镇污水收集系统的污水进行净化处理的污水处理厂。
3.3 一级强化处理(enhanced primary treatment)在常规一级处理(重力沉降)基础上,增加化学混凝处理、机械过滤或不完全生物处理等,以提高一级处理效果的处理工艺。
4. 技术内容4.1 水污染物排放标准4.1.1 控制项目及分类4.1.1.1 根据污染物的来源及性质,将污染物控制项目分为基本控制项目和选择控制项目两类。
基本控制项目主要包括影响水环境和城镇污水处理厂一般处理工艺可以去除的常规污染物,以及部分一类污染物,共19项。
选择控制项目包括对环境有较长期影响或毒性较大的污染物,共计43 项。
4.1.1.2 基本控制项目必须执行。
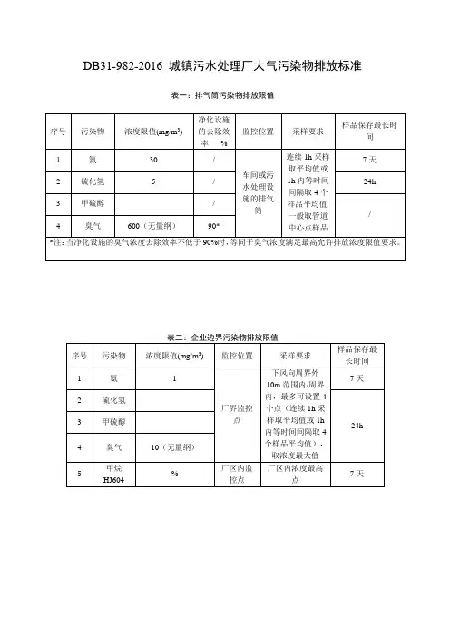
DB31-982-2016 城镇污水处理厂大气污染物排放标准
表一:排气筒污染物排放限值
GB14554-1993恶臭污染物排放标准表三:排气筒污染物排放限值
表四:厂界污染物排放限值
GB16297-1996大气污染物综合排放标准
表五:排气筒污染物排放限值
表六:无组织排放限值
GB18918-2002城镇污水处理厂污染物排放标准
(大气)
表七:厂界(防护带边缘)废气排放限值
图1
GB18918-2002城镇污水处理厂污染物排放标准
(水)
表八:基本控制项目最高允许排放浓度(日均值)
GB50325-2010 民用建筑工程室内环境污染控制规范
表九:基本控制项目最高允许排放浓度
图2。
污水处理厂臭气散发情况调查及除臭广州市某污水处理厂臭气散发情况调查及除臭摘要:城市污水处理厂臭气的控制与处理已成为一种必然趋势,硫化氢是城市污水处理厂臭气最主要成分之一,其浓度高低在一定程度上代表臭气的产生情况。
本文以硫化氢和氨气为对象对广州市某污水处理厂各处理构筑物硫化氢及氨气的产生情况及变化规律做了简要的调查与分析。
关键词:臭气污水处理厂硫化氢生物滤池1前言城市污水处理厂散发的臭气严重影响了四周居民的生活环境。
最近的国家标准规定了城市污水处理厂4种废气的排放标准,包括硫化氢、氨气、甲烷及臭气浓度。
因此除臭是所有城市污水处理厂共同面临的问题。
如何有效的去除臭气需要对污水厂各处理构筑物臭气的散发情况进行调查与分析,由此选择合适工艺与规模。
然而目前这方面的资料很少,尤其是在国内没有人做过这方面的调查。
硫化氢的嗅觉阈值很低只有0。
0005mg/m3,在城市污水处理系统中硫化氢是最主要的臭气组成【1】。
Gostelow和Parsons根据硫化氢的散发情况评定污水处理厂的臭气分布情况,发现二者之间存在很大联系【2】。
因此,可以根据硫化氢的散发情况近似估计城市污水处理厂的臭气分布情况。
此外,在污水处理过程中当PH值较高时还会有大量的氨气产生。
对于大部分污水厂来说一般PH值趋于中性,因此很少有氨气散发。
对于那些进水氨氮很高需要进行中和处理的污水处理设施会有大量的氨气产生。
2污水处理厂工艺概况水厂采用A2O工艺,日处理水量20万吨。
处理流程如下:水区:进水格栅平流沉砂池初沉池生物反应器二沉池出水泥区:污泥浓缩池贮泥池脱水机房6、7月份进水水质:单位:mg/L3仪器与方法方法:硫化氢的检测采用亚甲基蓝比色法,氨气采用次氯酸纳-水杨酸分光光度法。
采样点为距各构筑物水面10-50cm,以1L/min流量采样20min。
仪器:Q-2C型大气采样仪,B2105-2680紫外可见光分光光度计。
4污水处理过程中硫化氢主要来源城市污水处理厂中硫化氢主要来源于两个方面:源水中硫酸盐的转化和含硫有机物的脱硫。
污水处理厂恶臭污染状况分析与评价1 日本的相关标准1.1 强度及其判断标准日本于1972年5月开始实施《恶臭防止法》,调查结果表明,臭气的强度被认为是衡量其危害程度的尺度,故将其分为6个等级(见表1)。
表1 臭气强度表示方法另外,臭气强度是与其浓度的高低分不开的,《恶臭防止法》将两者结合起来确定了臭气强度的限制标准值。
大量采用归纳法计算得出的数据表明,恶臭的浓度和强度的关系符合韦伯定律:Y=klg (22.4・X/Mr)+α(1)式中Y――臭气强度(平均值)X――恶臭的质量浓度,mg/m3k、α――常数Mr――恶臭污染物的相对分子质量日本的《恶臭防止法》中列出了8种恶臭污染物的浓度与强度的关系(如表2所示)。
表2 恶臭污染物质量浓度与臭气强度对照表1.2 评价结果日本根据《恶臭防止法》,对城市污水处理厂臭气进行了分析评价,结果如表3所示。
由表3的检测分析结果可知,从成分来看氨的浓度最高,其次是硫化氢;而从臭气的强度来看甲硫醇最大,其次是硫化氢(其臭气强度达到了强臭的程度)。
明确了恶臭的组成,为恶臭控制工艺与设备的设计奠定了基础。
表3 恶臭分析评价结果2 我国污水处理厂臭气状况我国颁布的《恶臭污染物排放标准》(GB 14554―93)对典型恶臭污染物作出了限制,表4列出了该标准中对恶臭污染物作出的厂界标准值。
根据该标准,许多污水处理厂对自身生产过程所产生的臭气进行了检测,结果如表5、6、7所示。
通过分析比较可得出以下结论:①污水处理厂恶臭发生源主要是储泥池、污泥浓缩池、污泥脱水机房以及曝气池和格栅井处。
②污水处理厂臭气中的主要成分是硫化氢、氨和甲硫醇(均系我国《恶臭污染物排放标准》所涉及的污染物),其实际测定值超出了标准中的浓度限值,已构成了臭气控制对象。
③臭气浓度随扩散距离的增大而衰减,100m外其影响明显减弱,距恶臭源300m基本无影响。
④不同的污水处理工艺产生的臭气强度有所不同,长泥龄污水处理工艺(如氧化沟)所产生的臭气浓度低于短泥龄处理工艺(如曝气池)。
废水站废气量计算:
1、综合工房1及调节池
调节池加盖密封,池内空气用鼓风机抽出,液面和加盖空间的体积为226*0.5=113m3,空气的交换量为3次/h(不进人空间)。
Q1=113*3=339m3/h
一层面积181m2,高4.2m,换气次数按5次/h(经常有人出入),则:Q2=181*4.2*5=3801m3/h
二层主要为配电间和办公区,没有废气产生。
2、综合工房2及曝气池
废气产生量按 1.2倍的曝气空气量计(非作业空间),曝气池空气量为34m3/min,
Q3=1.2*34*60=2448m3/h
一层鼓风机房不考虑废气产生及处理,加药间面积160m2,高为 4.5m,换气次数按5次/h(经常有人出入),则:
Q4=160*4.5*5=3600m3/h
二层面积238m2,高为4.5m,换气次数按5次/h(经常有人出入),则:Q5=238*4.5*5=5355m3/h(考虑后期设备改造需要)
3、污泥储池及泵房
污泥储池加盖密封,池内空气用鼓风机抽出,液面和加盖空间的体积为25*1=25m3,空气的交换量为3次/h(不进人空间)。
Q6=25*3=75m3/h
泵房的空气交换量为5次/h,则:
Q7=25*5=125m3/h
废水处理站废气产生量Q=157433/h。
污水处理厂的臭气处理条表2 污水处理厂构筑物脱臭通量设施名称通风量备注沉沙池二层盖板作业空间3~5次/小时非作业空间1~3次/小时厂房式盖板作业空间5~10次/小时在漏斗上加盖办事为3~5次/小时泵房3~5次/小时或根据发热量计算考虑内燃机用气鼓风机房3~5次/小时或根据发热量计算电气室根据发热量计算发电机房3~5次/小时考虑内燃机用气初沉池二层盖板作业空间3~5次/小时非作业空间1~3次/小时厂房式盖板作业空间5~10次/小时曝气池二层盖板作业空间3~5次/小时非作业空间1.2×曝气空气量厂房式盖板作业空间3~5次/小时加氯机房5~7次/小时污泥浓缩池二层盖板作业空间3~5次/小时+1.5×曝气空气量非作业空间1~3次/小时厂房式盖板作业空间5~10次/小时污泥浓缩机房3~10次/小时热处理时采用其他方法一般机械室3~5次/小时管廊3~5次/小时2.1土壤脱臭技术2.1.1土壤脱臭原理及特点土壤脱臭机理主要可分为物理吸附和生物分解两类,恶臭气体-如胺类、硫化氢、低级脂肪酸等水溶性臭气类,被土壤中的水分吸收去除,而非溶性臭气则被土壤表面物理吸附继而被土壤中微生物分解。
土壤脱臭法特点:①维护管理费用低,效果与活性炭脱臭同等,②处理1m2的臭气需2.5~3.3 m2土地;③但不适于降暴雨、下大雪地区;对于高温、高湿和水分、尘土、微尘等气体须予处理。
2.1.2土壤和参数设计土壤脱臭时选择的土壤指标应是:腐殖土为好,亚粘土等红土需掺入鸡粪、垃圾和污泥肥料进行改良后使用;矿质土和粘土不宜。
土壤水分40~70%为宜。
过于干燥的土壤需装设水喷淋器。
种植草坪土壤表面保持倾斜,作为防降暴雨的措施。
日本经验得出:臭气通过土壤中速度:2mm ~17mm/s;设计一般选为5mm/s;有效土壤厚度为50 cm;臭气与土壤接触时间为1分40秒;臭气通过活性炭速度:30cm~40cm/s;有效厚度为40cm;臭气与活性碳接触时间为1秒。
ICS13.020.01Z00DB37山东省地方标准DB37/3161—2018有机化工企业污水处理厂(站)挥发性有机物及恶臭污染物排放标准Emission standard of volatile organic compounds and odor pollutants for wastewater treatment plant of organic chemical industrial enterprises2018-04-23发布2018-10-23实施山东省环境保护厅发布前 言本标准按照GB/T1.1-2009给出的规则起草。
本标准由山东省环境保护厅提出。
本标准由山东省环保标准化专业技术委员会归口。
本标准起草单位:山东省环境保护科学研究设计院、山东省分析测试中心、山东环保产业集团有限公司。
本标准主要起草人:李岩、高锐、王晓明、李赛钰、李剑、杨新飞、史书兵、马晓东。
有机化工企业污水处理厂(站)挥发性有机物及恶臭污染物排放标准1范围本标准规定了有机化工企业污水处理厂(站)挥发性有机物及恶臭污染物排放限值、监测和监控要求,以及标准实施与监督等相关规定。
本标准适用于现有有机化工企业污水处理厂(站)挥发性有机物及恶臭污染物排放管理,以及有机化工企业污水处理厂(站)建设项目的环境影响评价、环境保护工程设计、竣工环境保护验收、排污许可证核发及投产后的挥发性有机物及恶臭污染物排放管理。
本标准适用于建有或规划建设有机化工生产企业的化工园区,其园区污水处理厂可参照执行。
2规范性引用文件下列文件对于本文件的应用是必不可少的。
凡是注日期的引用文件,仅所注日期的版本适用于本文件。
凡是不注日期的引用文件,其最新版本(包括所有的修改单)适用于本文件。
GB/T4754—2017国民经济行业分类GB/T14675空气质量恶臭的测定三点比较式臭袋法GB/T14678空气质量硫化氢、甲硫醇、甲硫醚和二甲二硫的测定气相色谱法GB/T16157固定污染源排气中颗粒物测定与气态污染物采样方法及其修改单HJ/T32固定污染源排气中酚类化合物的测定4-氨基安替比林分光光度法HJ38固定污染源废气总烃、甲烷和非甲烷总烃的测定气相色谱法HJ/T55大气污染物无组织排放监测技术导则HJ75固定污染源烟气(SO2、NOX、颗粒物)排放连续监测技术规范HJ76固定污染源烟气(SO2、NOX、颗粒物)排放连续监测系统技术要求及检测方法HJ/T397固定源废气监测技术规范HJ533环境空气和废气氨的测定纳氏试剂分光光度法HJ534环境空气氨的测定次氯酸钠-水杨酸分光光度法HJ583环境空气苯系物的测定固体吸附/热脱附-气相色谱法HJ584环境空气苯系物的测定活性炭吸附/二硫化碳解吸-气相色谱法HJ604环境空气总烃、甲烷和非甲烷总烃的测定直接进样-气相色谱法HJ638环境空气酚类化合物的测定高效液相色谱法HJ644环境空气挥发性有机物的测定吸附管采样-热脱附/气相色谱-质谱法HJ732固定污染源废气挥发性有机物的采样气袋法HJ734固定污染源废气挥发性有机物的测定固相吸附-热脱附/气相色谱-质谱法HJ759环境空气挥发性有机物的测定罐采样/气相色谱法-质谱法HJ819排污单位自行监测技术指南总则HJ905恶臭污染环境监测技术规范3术语和定义3.1有机化工企业organic chemical industrial enterprises指以石油、天然气、煤等为基础原料,生产各种有机原料及产品的工业。
污水处理厂的臭气处理答:恶臭气体2.1 定义国家标准GB14554-93将恶臭定义为:一切刺激嗅觉器官引起人们不愉快及损坏生活环境的气体物质。
2.2 主要来源工业生产、市政污水、污泥处理及垃圾处置设施等是恶臭气体的主要来源。
恶臭气体主要产生在污水处理过程中的排污泵站、进水格栅、嚗气沉沙池、初沉池等处,污泥处理过程中的污泥浓缩、脱水干化、转运等处,垃圾处理过程中的堆肥处理、填埋、焚烧、转运等处,以及化学制药、橡胶塑料、油漆涂料、印染皮革、牲畜养殖和发酵制药等相应的产生源处。
2.3 主要成分不同的处理设施及过程会产生各种不同的恶臭气体。
污水处理厂的进水提升泵房产生的主要臭气为硫化氢,初沉淀池污泥厌氧消化过程中产生的臭气以硫化氢及其它含硫气体为主,污泥消化稳定过程中会产生氨气和其它易挥发物质。
垃圾堆肥过程中会产生氨气、胺、硫化物、脂肪酸、芳香族和二甲基硫等臭气。
好氧化及污泥风干过程可能产生很少量的硫化氢,但主要有硫醇和二甲基硫气体产生。
2.4 主要危害恶臭物质种类繁多,来源广泛,对人体呼吸、消化、心血管、内分泌及神经系统都会造成不同程度的毒害,其中芳香族化合物如苯、甲苯、苯乙烯等还能使人体产生畸变、癌变。
3 除臭技术现状污水臭气除臭技术在国外已经有几十年的运营经验,随着国内经济水平的提高和环保意识的加强,在国内也正开始兴起并呈走向蓬勃的趋势。
目前,国内外主要的污水臭气除臭技术有活性炭吸附法、热氧化法、除臭溶液除臭法、氧离子基团除臭法、化学洗涤法和生物过滤法等。
活性炭吸附法主要是利用活性炭对臭气的物理吸附作用来除臭的方法。
该方法的优点是方法、结构简单,缺点是只适用低浓度的臭气,适合小气量臭气的处理。
通常不用作第一级主要除臭装置,而是用作后续的精处理装置。
热氧化法主要是利用高温下的氧化作用将臭气分解成CO2 和H2O或是部分氧化的化合物的方法。
该方法的优点是对臭气和挥发性有机化合物非常有效,缺点是投资高、运营成本高,适合重度污染的大型设施的高流量、难处理的臭气。
城镇污水处理厂恶臭气体分析及处理技术研究进展城镇污水处理厂恶臭气体分析及处理技术研究进展引言:随着城市化进程的不断加快和人们对环境质量的要求越来越高,城镇污水处理厂的建设和运营成为了保护环境和促进可持续发展的重要工作之一。
污水处理厂在处理废水的同时也会产生一些恶臭气体,给周围环境和居民带来不良影响。
因此,对污水处理厂的恶臭气体进行分析和处理,具有重要的研究意义和实践价值。
一、城镇污水处理厂恶臭气体的组成及来源分析污水处理厂产生的恶臭气体主要包括硫化氢、氨气、甲酸等。
硫化氢具有明显的腐蚀性和毒性,是造成污水处理厂恶臭的主要原因之一。
氨气是由污水中的有机氮、氨氮、尿素等在厌氧条件下释放而产生的。
甲酸则是因为污水中的有机物在厌氧条件下分解释放。
二、城镇污水处理厂恶臭气体对环境和人体健康的影响城镇污水处理厂恶臭气体的排放会对周围环境和人体健康产生不良影响。
首先,恶臭气体会降低周围环境的空气质量,对大气中的呼吸颗粒物、氧化物和臭氧等物质的浓度产生影响。
其次,恶臭气体具有刺激性和毒性,会引起眼、鼻、喉等呼吸道不适及刺激、恶心呕吐等症状。
三、城镇污水处理厂恶臭气体处理技术研究进展1. 物理处理技术物理处理技术主要包括化学吸附、湿式喷雾洗涤、活性炭吸附等。
化学吸附是指利用吸附剂吸附恶臭气体,如喷淋活性炭等。
湿式喷雾洗涤则是通过水膜吸附和冲刷将恶臭气体浓度降低。
活性炭吸附则是通过活性炭对恶臭气体进行吸附,达到净化空气的目的。
2. 生物处理技术生物处理技术主要包括生物滤池、生物塔等。
生物滤池是利用生物膜附着在滤料上,通过湿式空气的逆向排空或干式格式,将恶臭气体中的硫化氢、氨气等物质进行降解。
生物塔则是利用微生物附着在填料上,通过微生物的代谢活动将恶臭气体中的有机物质降解。
3. 混合处理技术混合处理技术是指将物理处理和生物处理技术相结合,如化学吸附和湿式喷雾洗涤、生物滤池与生物塔的组合等。
混合处理技术能够综合利用各种处理技术的优势,提高处理效果和降低成本。
5.1.2.1 恶臭环境影响分析(1)恶臭强度等级恶臭是大气、水、废弃物等物质中的异味通过空气介质,作用于人的嗅觉而被感知的一种嗅觉污染。
恶臭物质的种类很多,其中对人身体健康危害较大的主要有:硫醇类、氨、硫化氢、甲基硫、甲醛、三甲胺和酚类等。
用嗅觉感觉出来的臭气强度,有多种表示方法,其中最常用的也是最基本的是用“阈值”来表示。
所谓嗅觉阈值就是人所能嗅觉到某种物质的最小刺激量。
恶臭强度是以臭味的嗅觉阈值为基准划分等级的,恶臭强度划分为6级,详见表5.1-6。
(2)恶臭污染的特点①恶臭是感觉性公害,判断恶臭对人们的影响,主要是以给人们带来不舒服感觉的影响为中心进行的,是一种心理上的反应,故主观因素很强。
然而,人们的嗅觉鉴别能力要比其他感觉能力强,因此受影响者的主观感觉是评价恶臭污染程度的主要依据。
②恶臭通常是由多种成份气体形成的,各种成份气体的阈值或最小检知浓度不相同,在浓度较低时,一般不易察觉,但是如果恶臭一旦达到阈值以后,大多会立即发生强烈的恶臭反应。
③人们对恶臭的厌恶感与恶臭气体成份的性质、强度及浓度有关,并且包含着周边环境、气象条件和个人条件(身体条件和精神状况等)等因素在内。
恶臭成份大部分被去除后,在人的嗅觉中并不会感到相应程度的降低或减轻。
因此,对于防治恶臭污染而言,受影响者并不是要求减轻或降低恶臭气味,而是要求必须没有恶臭气味。
④受到恶臭污染影响的人一般立即离开,到清洁空气环境内,积极换气就可以解除受到是污染影响。
(3)恶臭影响分析据调查,为了解污水处理厂恶臭对环境空气的影响程度,上海市有关部门对普通曝气法工艺的污水处理厂专门进行了现场闻味测试,组织了10名30岁以下无烟酒嗜好的未婚男女青年进行现场的臭味嗅闻,调查人员分别在处理构筑物下风向5m、30m、50m、70m、100m、200m、300m等距离处嗅闻,并以上风向作为对照嗅闻。
由嗅闻统计可知,在污水处理设施下风向5m范围内,感觉到较强的臭气味(强度约3~4类),在30m~100m 范围内很容易感觉到气味的存在(强度约3~2类),在200m处气味就很弱(强度约1~2类),在300m左右,则基本已嗅闻不到气味。
城镇污水处理厂大气污染物排放标准1 范围本文件规定了城镇污水处理厂污水、污泥处理过程中产生的大气污染物的排放控制要求、监测和监督管理要求。
本文件适用于设计处理能力≥50000立方米/日的城镇污水处理厂,包括现有城镇污水处理厂的大气污染物排放管理,以及新建城镇污水处理厂的环境影响评价、环境保护设施设计、竣工环境保护验收、排污许可证核发及其投产后的大气污染物排放管理。
设计处理能力<50000立方米/日的城镇污水处理厂执行DB11/ 501的相关规定。
本文件不适用于城镇污水处理厂锅炉、污泥焚烧装置、沼气发电机组、沼气拖动鼓风机等设施。
2 规范性引用文件下列文件中的内容通过文中的规范性引用而构成本文件必不可少的条款。
其中,注日期的引用文件,仅该日期对应的版本适用于本文件;不注日期的引用文件,其最新版本(包括所有的修改单)适用于本文件。
GB/T 14669 空气质量氨的测定离子选择电极法GB/T 14675 空气质量恶臭的测定三点比较式臭袋法GB/T 14678 空气质量硫化氢、甲硫醇、甲硫醚和二甲二硫的测定气相色谱法GB/T 16157 固定污染源排气中颗粒物测定与气态污染物采样方法HJ 38 固定污染源废气总烃、甲烷和非甲烷总烃的测定气相色谱法HJ/T 55 大气污染物无组织排放监测技术导则HJ 194 环境空气质量手工监测技术规范HJ/T 373 固定污染源监测质量保证与质量控制技术规范(试行)HJ/T 397 固定源废气监测技术规范HJ 533 环境空气和废气氨的测定纳氏试剂分光光度法HJ 534 环境空气氨的测定次氯酸钠-水杨酸分光光度法HJ 604 环境空气总烃、甲烷和非甲烷总烃的测定直接进样-气相色谱法HJ 732 固定污染源废气挥发性有机物的采样气袋法HJ 759 环境空气挥发性有机物的测定罐采样/气相色谱-质谱法HJ 819 排污单位自行监测技术指南总则HJ 905 恶臭污染环境监测技术规范HJ 978 排污许可证申请与核发技术规范水处理(试行)HJ 1076 环境空气氨、甲胺、二甲胺和三甲胺的测定离子色谱法HJ 1078 固定污染源废气甲硫醇等8种含硫有机化合物的测定气袋采样-预浓缩/气相色谱-质谱法HJ 1083 排污单位自行监测技术指南水处理HJ 2038 城镇污水处理厂运行监督管理技术规范DB11/ 501 大气污染物综合排放标准DB11/ 1195 固定污染源监测点位设置技术规范DB11/T 1367 固定污染源废气甲烷/总烃/非甲烷总烃的测定便携式氢火焰离子化检测器法DB11/T 1484 固定污染源废气挥发性有机物监测技术规范3 术语和定义下列术语和定义适用于本文件。
污水站臭气(含VOCs)来源、分类及处理方式一、污水站为何这么臭相信这个问题是很多污水站管理、运营人员的困扰。
污水在处理过程中以及污水的本身都会释放一些难闻、恶心的气体,我们将之统称为臭气,里面除了无机气体硫化氢及氨外,还有大量的VOCs气体。
污水处理站的臭气来源主要分为3种。
1.污水的臭味污水本身带有一种让人难受的气味,这种气味的根源是污水中所携带物质,其中最为典型的气味是硫酸盐在厌氧菌的作用下还原成硫化氢所产生的臭鸡蛋气味。
2.污水处理单元产生的气味污水处理工艺中,格栅滤出的栅渣、沉砂池沉积的底砂、隔油池收集的浮油、初沉池沉淀的污泥,均会产生让人不愉快的臭味。
3.污泥处理单元产生的气味污泥处理与处置系统通常会产生较大的臭味,其中未加盖的污泥储存池和污泥浓缩池味道最为明显。
污泥的种类、特性、脱水方式及预处理时候投加化学物质不一样也会导致臭味的程度不同。
二、臭味吸入我们体内的危害臭气是指一切刺激嗅觉器官并引起人们不愉快并损坏生活环境的气体物质。
目前,凭人的嗅觉能够感觉到的恶臭物质有4000多种,这些臭气根据组分的不同大致可以分成硫化合物、含氮化合物、卤素及其衍生类、烃类和含氧化物五类。
其中无机物有硫化氢、氨等。
绝大多数恶臭气体含硫化合物、含氮化合物及含氧化合物。
而大部分让人不愉快的气体被吸入我们体内是会产生危害的。
恶臭气体的危害主要体现在对呼吸系统、循环系统、神经系统、消化系统、内分泌系统以及对精神系状态的影响。
污水处理站最为常见的无机物臭气是硫化氢、氨气。
硫化氢危害:硫化氢是无色,具有臭鸡蛋气味的毒性气体,在高浓度下吸入几次就能让人失去意识。
长期接触低浓度的硫化氢会导致眼睛、喉咙疼痛、咳嗽、呼吸急促、肺积水等。
氨气危害:如果短期内吸入大量氨气则会出现流泪、咽痛、咳嗽、胸闷、呼吸困难、头晕、呕吐、乏力等。
长期吸入低浓度氨气则会出现皮肤色素沉积或手指溃疡等症状,氨气被呼入肺后容易通过肺泡进入血液,与血红蛋白结合,破坏运氧功能。
污水处理厂的臭气处理
条
表2污水处理厂构筑物脱臭通量
设施名称通风量备注
沉沙池二层盖板作业空间3~5次/小时
非作业空间1~3次/小时
厂房式盖板作业空间5~10次/小时在漏斗上加盖办事为3~5次/小时泵房3~5次/小时或根据发热量计算考虑内燃机用气
鼓风机房3~5次/小时或根据发热量计算
电气室根据发热量计算
发电机房3~5次/小时考虑内燃机用气
初沉池二层盖板作业空间3~5次/小时
非作业空间1~3次/小时
厂房式盖板作业空间5~10次/小时
曝气池二层盖板作业空间3~5次/小时
非作业空间1.2×曝气空气量
厂房式盖板作业空间3~5次/小时
加氯机房5~7次/小时
污泥浓缩池二层盖板作业空间3~5次/小时+1.5×曝气空气量
非作业空间1~3次/小时
厂房式盖板作业空间5~10次/小时
污泥浓缩机房3~10次/小时热处理时采用其他方法
一般机械室3~5次/小时
管廊3~5次/小时
2.1土壤脱臭技术
2.1.1土壤脱臭原理及特点
土壤脱臭机理主要可分为物理吸附和生物分解两类,恶臭气体-如胺类、硫化氢、低级脂肪酸等水溶性臭气类,被土壤中的水分吸收去除,而非溶性臭气则被土壤表面物理吸附继而被土壤中微生物分解。
土壤脱臭法特点:①维护管理费用低,效果与活性炭脱臭同等,②处理1m2的臭气需2.5~3.3m2土地;③但不适于降暴雨、下大雪地区;对于高温、高湿和水分、尘土、微尘等气体须予处理。
2.1.2土壤和参数
设计土壤脱臭时选择的土壤指标应是:腐殖土为好,亚粘土等红土需掺入鸡粪、垃圾和污泥肥料进行改良后使用;矿质土和粘土不宜。
土壤水分40~70%为宜。
过于干燥的土壤需装设水喷淋器。
种植草坪土壤表面保持倾斜,作为防降暴雨的措施。
日本经验得出:
臭气通过土壤中速度:2mm~17mm/s;
设计一般选为5mm/s;
有效土壤厚度为50cm;
臭气与土壤接触时间为1分40秒;
臭气通过活性炭速度:30cm~40cm/s;
有效厚度为40cm;
臭气与活性碳接触时间为1秒。
2.1.3工程范例
(1)日本某处土壤脱臭床
臭气风量:600m3/min
臭气与土壤接触时间:2.7m3/m2min
需土壤面积:1580m2
(2)我国某处污泥脱水机房土壤脱臭床
脱水机房容积:V=450m3
设换气周期:每小时3次(20min)
换臭气量:22.5m3/min(450m3/20min)
脱臭负荷:设2.7m3(臭气)/m2(土)min
需土壤面积(计算值):8.3m2
(设计值):25m2
结构设计(自土壤表层向下)
层数结构参数
1土壤植被
2.3高能离子脱臭技术
2.3.1技术简介及工作原理
高能离子净化系统是瑞典的高新技术,它能有效地清除空气中的细菌、可吸入颗粒物、硫化合物等有害物质。
使人的嗅觉感受到模拟自然的清新空气。
它的核心装置是BENTAX 离子空气净化系统,其工作原理是置于室内的离子发生装置发射出高能正、负离子,它可以与室内空气当中的有机挥发性气体分子(VOC)接触,打开VOC分子化学键,分解成
二氧化碳和水;对硫化氢、氨同样具有分解作用;离子发生装置发射离子与空气中尘埃粒子及固体颗粒碰撞,使颗粒荷电产生聚合作用,形成较大颗粒靠自身重力沉降下来,达到净化目的;发射离子还可以与室内静电、异味等相互发生作用,同时有效地破坏空气中细菌生存的环境,降低室内细菌浓度,并将其完全消除。
最终的效果是使室内空气变得象雨后森林般的纯净。
高能离子净化系统在欧洲诸国应用于医院、办公楼、公众大厅等,以空气净化以致达到模拟自然森林空气清新的效果。
近些年逐步开发应用于污水处理厂和污水提升泵房的脱臭方面,法国、英国、苏格兰、瑞典等国的应用实例很多。
2.3.2天津市某污水厂试验效果
(1)试验场地
脱臭中试场地选择在天津市某污水处理厂污泥处置实验室内,臭源是脱水污泥处置过程中产生的臭气。
(2)试验条件:
①污泥中试实验室
总容积:30m3(3×4×2.5m3);
污泥发酵仓直径φ600mm,长3m;
臭气测试点与发酵仓的水平距离为1m;
高能离子净化系统主机及通风系统置于室内。
②臭气源
260kg脱水污泥投入到回转式污泥发酵仓中;
为了加强臭气强度,污泥采用了太阳能加热。
③高能离子净化系统
离子机规格型号:2—E—S气流:0.42m3/s
空气处理量:1500m3/h功率:22w
为离子发射系统配套的通风系统;
④测试项目
负离子浓度;VOC(有机污染)气体总量;
H2S、O2、CO、CH4浓度。
⑤试验数据分析及评价
9小时连续运行,臭源VOC浓度周期性变化从25~100ppm,室内则从15~16.7ppm 逐渐衰减到0~1ppm;室内测点离子浓度始终保持在160~170Ions/cm3;H2S气体浓度也保持为0。
试验结果变化曲线见图1及2。
⑥试验结果评价
A试验所采用的VOC测定仪,离子检测计和有毒有害气体测定仪都是先进的便携式仪器,灵敏度很高,能保证数据的可靠性;
B试运行是污泥发酵仓及太阳能加热后的污泥臭气,臭气强度高,通过BENTAX离子空气净化系统净化,仅1小时后,VOC浓度降低至零,离子浓度升高,H2S气体由
4.0ppm减小到0,人员嗅觉感觉臭味明显下降。
负载试验是在脱水污泥处置臭源条件下进行的,臭源VOC浓度从25~100ppm,室内测点则从15~16.7ppm逐渐衰减到0~1ppm;离子浓度始终保持在160~170Ions/cm3;H2S气体浓度也保持为0。
技术结论意见为:通过利用高能离子除臭,在上述试验条件下,除臭效果技术上是可行的。
C经济分析
在本实验条件下,高能离子净化系统对污水厂脱水污泥臭气的净化效果较显著,运行成本分析如下:
24小时运行耗电量仅为0.53kwh;
单位空间耗电量为0.018kwh/m3.d;
按每度电0.45元计算净化1立方米臭气的成本约为0.0081元/m3.d;
污泥脱水车间以1000m3为计;
则运行成本直接耗电费用为8.1元/d。