翻译机拾音扩展装置传译系统以及麦克风阵列底座_CN209517430U
- 格式:pdf
- 大小:482.05 KB
- 文档页数:9
la u n a ms 'r e n w o THE SINGER'S ULTIMATE CHOICEUHF-5805Features:• 4 mic outputs• 4 rechargeable wireless handheld mics included • 2 dual microphone chargers• Individual Volume controls for precise vocal bala • Individual Volume controls for precise vocal balancing • 4 independent field-replaceable Modules• Rugged 1 RU metal receiver chassis • Dimensions 19” (W) x 8.2” (D) x 1.8” (H)4-Channel Rechargeable Wireless Microphone System• Interference-resistant UHF Band operation from 614 MHZ - 649 MHzTable of contentsSafety instructions (2)FCC information (3)Welcome (4)Listening for a lifetime (5)Specifications (6)Microphone basics (7)Before getting started (8)Mounting (9)Getting connected (10)Maintenance procedures (11)Charging the Microphones (12)Front and rear panel descriptions and functions (13)UHF-5805 & stage monitor/P.A. loudspeakers (14)Operations (14)Troubleshooting (15)��������������������CAUTION: To reduce the risk of electric shock, do not remove cover (or back). Nouser-serviceable parts inside. Only refer servicing to qualified service personnel.�������To reduce the risk of fire or electric shock, do not expose this unit to rain or moisture.��������������������������������The lightning flash & arrowheadsymbol, within an equilateral triangle, is intended to alert you to the presence of danger.The exclamation point within anequilateral triangle is intended to alert you to the presence of importantoperating and servicing instructions.�������������������� - All the safety and operating instructions should be read before the appliance is operated.���������������������� - The safety and operating instructions should be retained for future reference.���������������� - All warnings on the appliance and in the operating instructions should be adhered to.���������������������� - All operating and use instructions should be followed.�������������� - Do not use attachments notrecommended by the product manufacturer as they may cause hazards.��������������������� - Do not use this unit near water. For example, near a bathtub or in a wet basement and the like.������������������� - The appliance should be used only with a cart or stand that is recommended by the manufacturer.���� An appliance and cart combination should be moved with care. Quick stops, excessive force, and uneven surfaces may cause an overturn.�������������� - The appliance should be situated so its location does not interfere with its proper ventilation. For example, the appliance should not be situated on a bed, sofa, rug, or similar surface that may block the ventilation slots.������� - The appliance should be situated away from heat sources such as radiators, heat registers, stoves, or other appliances (including amplifiers) that produce heat.����������������� - The appliance should beconnected to a power supply only of the type described in the operating instructions or as marked on the appliance.����������������������������� - Precautions should be taken so that the grounding or polarization means of an appliance is not defeated.������������������������� - Power-supply cordsshould be routed so that they are not likely to be walked on or pinched by items placed upon or against them, paying particular attention to cords at plugs,convenience receptacles, and the point where they exit from the appliance.������������ - Unplug this unit from the wall outlet before cleaning. Do not use liquid cleaners or aerosol cleaners. Use a damp cloth for cleaning.��������������� - An outdoor antenna should be located away from power lines.������������������ - The power cord of the appliance should be unplugged from the outlet when left unused for a long period of time.��������������������������� - Care should be taken so that objects do not fall and liquids are not spilled into the enclosure through openings.���������������������������� - The appliance should be serviced by qualified service personnel when:A. The power supply cord or plug has been damaged; or B. Objects have fallen into the appliance; or C. The appliance has been exposed to rain; orD. The appliance does not appear to operate normally or exhibits a marked change in performance; orE. The appliance has been dropped, or the enclosure damaged.������������� - The user should not attempt to service the appliance beyond that described in the operating instructions. All other servicing should be referred to qualified service personnel.������To CATV system installer's (U.S.A.): This reminder is provided to call the CATV system installer's attention to Article 820-40 of the NEC that provides guidelines for proper grounding and, in particular, specifies that the cable ground shall be connected as close to the point of cable entry as practical.SAFETY INSTRUCTIONS1. IMPORTANT NOTICE: DO NOT MODIFY THIS UNIT!: This product, when installed as indicated in the instructions contained in this manual, meets FCCrequirements. Modifications not expressly approved by Vocopro may void your authority, granted by the FCC, to use this product.2. IMPORTANT: When connecting this product to accessories and/or another product use only high quality shielded cables. Cable(s) supplied with this product MUST be used. Follow all installation instructions. Failure to follow instructions could void your FCC authorization to use this product in the U.S.A.3. NOTE: This product has been tested and found to comply with the requirements listed in FCC Regulations, Part 15 for Class "B" digital devices. Compliance with these requirements provides a reasonable level of assurances that your use of this product in a residential environment will not result in harmful interference with other electronic devices. This equipment generates/uses radio frequencies and, if not installed and used according to the instructions found in the owner's manual, may cause interference harmful to the operation of other electronic devices. Compliance with FCC regulations does not guarantee that interference will not occur in all installations. If this product is found to be the source of interference, which can be determined by turning the unit "Off" and "On", please try to eliminate the problem by using one of the following measures:Relocate either this product or the device that is being affected by the interference.Use power outlets that are on different branch (circuit breaker or fuse) circuits or install AC line filter(s).In the case of radio or TV interference,relocate/reorient the antenna. If the antenna lead-in is 300-ohm ribbon lead, change the lead-in to coaxial type cable.If these corrective measures do not produce satisfactory results, please contact your local retailer authorized to distribute Vocopro products. If you can not locate the appropriate retailer, please contact Vocopro, 1728 Curtiss Court, La Verne, CA 91750.1. To ensure the finest performance, please read this manual carefully. Keep it in a safe place for future reference.2. Install your unit in a cool, dry, clean place - away from windows, heat sources, and too much vibration, dust, moisture or cold. Avoid sources of hum (transformers, v motors). To prevent fire or electrical shock, do not expose to rain and water.3. Do not operate the unit upside-down.4. Never open the cabinet. If a foreign object drops into the set, contact your dealer.5. Place the unit in a location with adequate air circulation. Do not interfere with its proper ventilation; this will cause the internal temperature to rise and may result in a failure.6. Do not use force on switches, knobs or cords. When moving the unit, first turn the unit off. Then gently disconnect the power plug and the cords connecting to other equipment. Never pull the cord itself.7. Do not attempt to clean the unit with chemical solvents: this might damage the finish. Use a clean, dry cloth.8. Be sure to read the "Troubleshooting" section on common operating errors before concluding that your unit is faulty.9. This unit consumes a fair amount of power even when the power switch is turned off. We recommend that you unplug the power cord from the wall outlet if the unit is not going to be used for a long time. This will save electricity and help prevent fire hazards. To disconnect the cord, pull it out by grasping the plug. Never pull the cord itself.10. To prevent lightning damage, pull out the power cord and remove the antenna cable during an electrical storm. 11. The general digital signals may interfere with other equipment such as tuners or receivers. Move the system farther away from such equipment if interference is observed.NOTE:Please check the copyright laws in your country beforerecording from records, compact discs, radio, etc.Recording of copyrighted material may infringecopyright laws.CAUTIONThe apparatus is not disconnected from the AC power source so long as it is connected to the wall outlet, even if the apparatus itself is turned off. To fully insure that the apparatus is indeed fully void if residual power, leave unit disconnected from the AC outlet for at least fifteen seconds. ����������������������������������������������������������������������������������Be sure to position the voltage selector to match the voltage of your local power lines before installing the unit.240V120VFCC INFORMATION (U.S.A.)Welcome...And Thank you for purchasing the UHF-5805from VocoPro, your ultimate choice in Karaoke entertainment! With years of experience in the music entertainment business, VocoPro is a leading manufacturer of Karaoke equipment, and has been providing patrons of bars, churches, schools, clubs and individual consumers the opportunity to sound like a star with full-scale club models, in-home systems and mobile units. All our products offer solid performance and sound reliability, and to reinforce our commitment to customer satisfaction, we have customer service and technical support professionals ready to assist you with your needs. We have provided some contact information for you below.VocoPro1728 Curtiss CourtLa Verne, CA 91750Toll Free: 800-678-5348TEL: 909-593-8893FAX: 909-593-8890VocoPro Company Email DirectoryCustomer Service & General Information****************Tech Support***********************Remember Our WebsiteBe sure to visit the VocoPro website for the latest information on new products, packages and promos. And while you're there don't forget to check out our Club VocoPro for Karaoke news and events, chat rooms, club directories and evena KJ Service directory!We look forward to hearing you sound like a PRO, with VocoPro, your ultimate choice in Karaoke entertainment.FOR YOUR RECORDSPlease record the model number and serial number below, for easy reference, in case of loss or theft. These numbers are located on the rear panel of the unit. Space is also provided for other relevant informationModel NumberSerial NumberDate of PurchasePlace of PurchaseSelecting fine audio equipment such as the unit you’ve just purchased is only the start of your musical enjoyment. Now it’s time to consider how you can maximize the fun and excitement your equipment offers. VocoPro and the Electronic Industries Association’s Consumer Electronics Group want you to get the most out of your equipment by playing it at a safe level. One that lets the sound come through loud and clear without annoying blaring or distortion and, most importantly, without affecting your sensitive hearing.Sound can be deceiving. Over time your hearing “comfort level” adapts to a higher volume of sound. So what sounds “normal” can actually be loud and harmful to your hearing. Guard against this by setting your equipment at a safe level BEFORE your hearing adapts.To establish a safe level:• Start your volume control at a low setting.• Slowly increase the sound until you can hear it comfortably and clearly, and withoutdistortion.Once you have established a comfortable sound level:• Set the dial and leave it there.• Pay attention to the different levels in various recordings.Taking a minute to do this now will help to prevent hearing damage or loss in the future. After all, we want you listening for a lifetime.Used wisely, your new sound equipment will provide a lifetime of fun and enjoyment. Since hearing damage from loud noise is often undetectable until it is too late, this manufacturer and the Electronic Industries Association’s Consumer Electronics Group recommend you avoid prolonged exposure to excessive noise. This list of sound levels is included for your protection.���������������������������Level������������ExampleQuiet library, Soft whispersLiving room, Refrigerator, Bedroom away from traffic Light traffic, Normal ConversationAir Conditioner at 20 ft., Sewing machineVacuum cleaner, Hair dryer, Noisy RestaurantAverage city traffic, Garbage disposals, Alarm clock at 2 ft.��������������������������������������������������������������Level��������������ExampleSubway, Motorcycle, Truck traffic, Lawn MowerGarbage truck, Chainsaw, Pneumatics drillRock band concert in front of speakersGunshot blast, Jet planeRocket launching pad-Information courtesy of the Deafness Research FoundationListening For A LifetimeSpecifi cationsReceiverCarrier Frequency Range: UHF 614~694MHzOscillation Mode: Quartz Controlled Fixed Frequency Stability: 10 PPMSensitivity: 1.6uV @ sinad =12dBMax. Deviation Range: 50HzS/N Ratio:>105dBT.H.D.: <0.5% @ 1kHzImage rejection: 85dB typicalSpurious Rejection: 75dB typicalFrequency Response: 40Hz~16kHzSquelch Control: dual-squelch circuitMax. Output Level: Balance: 0~400mV, Unbalance: 0~200mV Power Supply: External DC Power Supply, 0.7A, 12~15V DC Dimensions: 19”(L) x 8.2”(D) x 1.8”(H)Microphone basicsMicrophone PositionThe UHF-5805 is ideal for close-up vocals and can be held in the hand or mounted on a mic stand. The most common applications and placement techniques are listed below. Keep in mind that microphone technique is largely a matter of personal taste, and there is no one “correct” microphone position.Proximity EffectWhen the sound source is less than ¼ in. from the microphone, the microphone boosts bass frequencies (by 6 to 10 dB at 100 Hz), creating a warmer and richer bass sound than when farther away. This effect, known as proximity effect, happens only in unidirectional dynamic microphones like the UHF-5805.FeedbackFeedback occurs when the amplified sound from any loudspeaker reenters the sound system through any open microphone and is repeatedly amplified. Most commonly, feedback is caused by the following condi-tions: placing loudspeakers too close to microphones, having too many open active microphones, boosting tone controls indiscriminately (mainly treble) and performing in areas with high ratios of room surfaces that have hard and reflective surfaces such as glass, marble and wood. What to do if feedback occurs before the sound system is loud enough?• Request that the talker speak louder into the microphone.• Reduce the distance from the talker to the microphone. Each time this distance ishalved, the sound system output will increase by 6dB.• Reduce the number of open microphones.• Move the loudspeaker farther away from the microphone. Each time this distance isdoubled, the sound system output can be increased by 6dB.• Move the loudspeaker closer to the listener.• Use an equalizer/feedback reducer to cut the frequency bands in which the feedbackoccurs.Microphone Placement & Tone QualityLead & Backup VocalsLips should be less than 3” from or even touching the windscreen on an axis to the microphone. Doing this creates a robust sound, emphasizes bass and provides maximum isolation from other sources.SpeechWhen giving a speech or simply speaking, place the microphone 4” to 10” away from the mouth, just above nose height for a natural sound with reduced bass. You can also place the microphone 8” to 16” away from the mouth, slightly off to one side, for a more “distant” sound with highly reduced bass and minimal “s” sounds.Before getting startedBefore starting any installation procedures, it is recommend to completely unpack all the package contents. The original packaging should be kept in the event that re-shipping is needed. Upon unpacking the UHF-5805, you should have received the following items:•Custom Aluminum Travel Case (1)• UHF-5805 Receiver (1)• Handheld Microphones (4)• 3 ft. male/male ¼” cable (1)• 14V DC Main Unit power adapter (1), 9V DC Charger power adapter (2)• Dual Microphone Charger (2)9V9VUniversal Mic Charger Universal Mic Charger14VTo install the UHF-5805 to a 19” rack case, complete the steps below.1. Attach mounting brackets to the UHF-5805 via the supplied mounting screws.2. Align the UHF-5805 with the desired space in rack and slowly slide in, rear panel first.3. While aligned, use rack case screws (not included) in the order shown below to stabilize the UHF-5805 in its space, using the “X” rotation (numbered below) will ensure even tension and flush alignment.MountingNOTE: Depending on your rack case design, it may be neces-sary to allow for sufficient space for the antennas.NOTE: Do not tighten screws firmly until all screws are in place.����Maintenance proceduresRemoving the Field Replaceable ModulesEach of the 4 microphone modules on the UHF-5805 were designed in a way that allows them to slide out. This is a convenient feature if ever a module needs to be repaired or replaced.1. Remove the two screws that fasten the module to the front panel.2. To remove the module, simply slide the module out of the compartmentNOTE: It might be helpful to use a flat-head screwdriver to nudge the module out of its compartment.3. To re-insert, slide the module into compartment until it is completely secured. Secure the module withthe screws.The UHF-5805 comes with two dual chargers that let you charge all four microphones at the same time.Charging the MicrophonesIf the LED light on the microphone(s) does not light up when the microphone is turned on, this indicates that the microphone needs to be chargedTo charge:1. Place the microphone in the charger slot, the LED on the charger will be lit while the microphone is charging.2. When the LED on the charger turns off, the microphone is charged and can be removed.NOTE: For longest battery life, be sure to turn the microphones off when not in use.Reading the LED IndicatorsThe LEDs on the charger indicate the charging status. There are three states: blinking, on, and off.• Blinking - The power is connected to the charger but there are no microphones being charged • On - The microphone is being charged• Off - The microphone is completely charged and can be removed.Charger and Microphone Descriptions and Functions1. Microphone slots - Insert ne slots the microphones in these slots to charge2. Bodypack charger2. Body - pack charger Insert the optional rechargeable body pack in this slot to charge3. Microphone charge LED charge LED charge LE D in D - Indicate the - I indicators charging status of the microphones4. Bodypack charge LED in 4. Body - Indicates the charging status of the bodypack- I dicator - The color of this LED indicates the microphone’s charge level. Green means 5. Charge Indicator LED the charge is high, Orange means the charge is getting low and should be charged, and Red means the charge is very low and must be charged immediately.- Used to turn the microphone power ON and OFF . The mic power is ON when the 6. Power Switch switch is in the ON position and the power is OFF when the switch is in the OFF position.Charging the MicrophonesUniversal Mic Charger11562334NOTE:Make sure you are using the 9V power adapter for microphone chargersFront and rear panel descriptions and functions1.ANTEN ANTE NNA N - P NAS rovide both RF and AF signals.- Indicates whether the UHF-5805 is ON or OFF . When it is lit, the power is ON.2. POWER (LED) - Lights when RF signals are received from the microphone channels. - L 3. RF (LED) - 4. AF (LED)Lights when AF signals are received from the microphone channels.5. SQUELCH controls SQUELCH - Manual controls for controlling each microphone’s signal strength for bestcontrols performance. Turn clockwise to increase SQUELCH control and turn counter-clockwise to decreaseSQUELCH application.- Adjusts the individual VOLUME of the receiver’s 4 microphone channels.6. VOLUME controls - Contains the SQUELCH and VOLUME controls for each of the 4 wireless 7. MICROPHONE modules - C microphones. Each module can be easily removed individually. - Turns the UHF-5805 ON/OFF .8. POWER button - Main power jack for connection to an AC electrical outlet or power strip/surge 9. AC POWER connection - M protector. NOTE: Make sure you are connecting the 14V power adapter here.- This ¼” unbalanced output jack is for output connection to amplifiers, effects devices 10. MIXED OUTPUT or mixers. Both mic channels are output through this jack for mixed output. - These XLR unbalanced output jacks are for output connections to amplifiers, effects 11. XLR AUDIO OUTS devices or mixers. These are for separate mic channel connections with unmixed mic output.1567910113428UHF-5805 & stage monitor/p.a. loudspeakersIf you will be using the UHF-5805 with stage monitors and/or P.A. system, try the following:• Place the stage monitor directly behind the microphone.• Locate the P.A. loudspeakers so that they point away from the rear of the microphone. (With the speakers located in these positions, the possibility of feedback is greatly reduced).• Always check the stage setup before a performance to ensure optimum placement of microphone and monitors.IMPORTANT: Every wireless microphone installation is a unique situation, and can present a variety of prob-lems. Never attempt a live performance without first conducting a “walkthrough” test of the system in the performing area. If major changes (additional wireless systems or intercoms, relocation of scenery, etc.) have been made since the last walk-through test, check the wireless system again, as close to performance time as possible.P.A. Speakers Facing AwayFrom Rear of MicrophoneMonitor Directly BehindMicrophoneOperations2. Adjust the receiver’s VOLUME controls to approximately 50%.3. Switch the microphone’s POWER BUTTONS to the ON positions.4. Talk or sing into the microphones. During normal operation, the RF/AF signal LED’s will light when amicrophone is being used.5. Adjust the receiver’s VOLUME controls until the output levels are balanced w ith each other and otherpossible source output i.e. CD+G tracks.TroubleshootingProblemsNo sound output, RF/AF LED(s) are not glowingReceived signal is noisy or contains extraneous sounds with the microphone(s) ON.There is noise coming from the receiver with the microphones turned OFF.Momentary loss of sound as microphone(s) are moved throughout the operating range.Solutions• Make sure the microphone and receiver power switches and receiver are set to the ON position.• Check microphone charge to ensure there is sufficient power. Charge mic if necessary• Check receiver’s AC power connection.• Make sure antennas are firmly connected and extended to an optimal position.• If necessary, reduce the distance between the microphones and receiver.• Turn up the receiver’s VOLUME level controls.• Check for proper connection between receiver and external amplifier/mixer.• Talk into the microphone and observe the receiver’s RF/AF signal LED’s. If they glow, the problem is elsewhere in the sound system.• Check microphone(s) charge and recharge if the charge is low.• Remove local sources of UHF interference, such as lighting equipment.• Adjust the squelch controls on the front of the UHF-5805 receiver.• Signal may be too weak. If so, reposition antennas. (If possible, move them closer to the transmitter).• Remove local sources of UHF interference, such as lighting equipment.• Reposition the receiver or antennas.• Reposition the receiver, perform a “walkthrough”, and observe the signal strengths. If audio dropouts persist, mark these “dead spots” in the operating area and avoid them during the performance.UHF-5805 Manual © VocoPro 2011V 1.1Erratic LED blinking on the main receiver modules• Make sure the 14V power adapter is pluggedin to the main unit. Do not use the 9V adapterswith the main receiver unit.• If the power adapter is the 14V and the main unitlights are still blinking, contact VocoPro for areplacement。
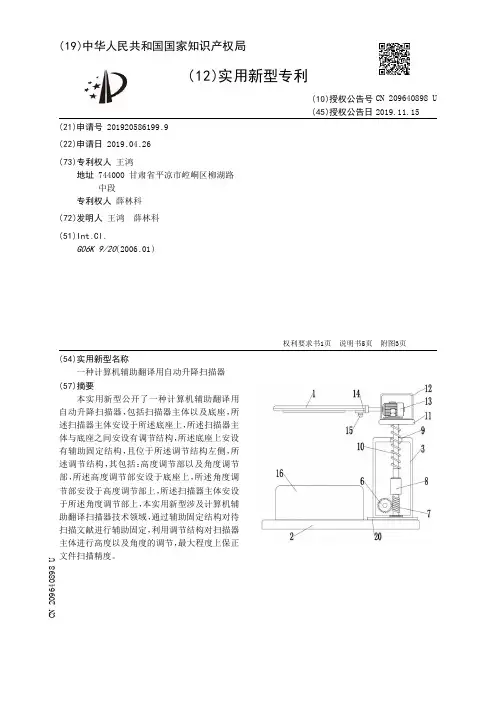
(19)中华人民共和国国家知识产权局(12)实用新型专利(10)授权公告号 (45)授权公告日 (21)申请号 201920586199.9(22)申请日 2019.04.26(73)专利权人 王鸿地址 744000 甘肃省平凉市崆峒区柳湖路中段专利权人 薛林科(72)发明人 王鸿 薛林科 (51)Int.Cl.G06K 9/20(2006.01)(54)实用新型名称一种计算机辅助翻译用自动升降扫描器(57)摘要本实用新型公开了一种计算机辅助翻译用自动升降扫描器,包括扫描器主体以及底座,所述扫描器主体安设于所述底座上,所述扫描器主体与底座之间安设有调节结构,所述底座上安设有辅助固定结构,且位于所述调节结构左侧,所述调节结构,其包括:高度调节部以及角度调节部,所述高度调节部安设于底座上,所述角度调节部安设于高度调节部上,所述扫描器主体安设于所述角度调节部上,本实用新型涉及计算机辅助翻译扫描器技术领域,通过辅助固定结构对待扫描文献进行辅助固定,利用调节结构对扫描器主体进行高度以及角度的调节,最大程度上保正文件扫描精度。
权利要求书1页 说明书5页 附图3页CN 209640898 U 2019.11.15C N 209640898U权 利 要 求 书1/1页CN 209640898 U1.一种计算机辅助翻译用自动升降扫描器,包括扫描器主体(1)以及底座(2),其特征在于,所述扫描器主体(1)安设于所述底座(2)上,所述扫描器主体(1)与底座(2)之间安设有调节结构,所述底座(2)上安设有辅助固定结构,且位于所述调节结构左侧;所述调节结构,其包括:高度调节部以及角度调节部;所述高度调节部安设于底座(2)上,所述角度调节部安设于高度调节部上,所述扫描器主体(1)安设于所述角度调节部上;所述高度调节部,其包括:第一套筒(3)、第一伺服电机(4)、转轴(5)、蜗轮(6)、蜗杆(7)、伸缩杆(8)、丝杆套(9)以及丝杆(10);所述第一套筒(3)安设于底座(2)上,所述第一伺服电机(4)安设于底座(2)上,且位于所述第一套筒(3)右侧,所述转轴(5)安设于第一套筒(3)内,且其两端分别贯穿于所述第一套筒(3)左右两侧壁面下端,所述蜗轮(6)嵌装于所述转轴(5)上,所述蜗杆(7)沿竖置方向活动安设于第一套筒(3)下壁面上,且与所述蜗轮(6)相啮合,所述伸缩杆(8)安设于第一套筒(3)内,且其下端与所述蜗杆(7)上端固定连接,所述丝杆套(9)嵌装于所述第一套筒(3)上壁面中心位置上,所述丝杆(10)螺旋安设于所述丝杆套(9)内,且其下端与所述伸缩杆(8)上端相连接;所述角度调节部,其包括:固定板(11)、箱体(12)、第二伺服电机(13)、安装板(14)以及光线传感器(15);所述固定板(11)安设于丝杆(10)上端上,所述箱体(12)安设于所述固定板(11)上,且其左侧壁面中心位置开设有第一通孔,所述第二伺服电机(13)安设于所述箱体(12)内,且其驱动端贯穿于所述第一通孔,所述安装板(14)嵌装于所述第二伺服电机(13)驱动端上,所述光线传感器(15)安设于所述安装板(14)下壁面上。
同声传译设备同声传译设备是一种用于在多语种环境下实时翻译的工具。
它通过将演讲者的语言转化为接收者所需的语言,实现语言间的即时传递和交流。
这种设备被广泛应用于国际会议、商务谈判、跨国交流等场合。
同声传译设备通常由一个麦克风、一个耳机和一个发射器组成。
演讲者通过麦克风将讲话内容输入设备,设备将语音转化为电子信号,并通过发射器发送给接收器。
接收器将接收到的信号转化为听者所需的语言,并通过耳机传递给听者。
同声传译设备的工作原理主要基于语音识别和机器翻译技术。
语音识别技术能够识别并转化演讲者的语音内容,而机器翻译技术能够将识别到的内容翻译成其他语言。
通过这两种技术的结合,同声传译设备能够实现即时的跨语种翻译。
同声传译设备的优点之一是提供了高质量的翻译。
相比于人工翻译,同声传译设备可以更准确地理解和翻译演讲者的内容。
同时,设备的翻译速度也更快,能够在几秒钟内完成翻译,满足实时翻译的需求。
此外,同声传译设备也具有便携和易用的特点。
设备体积小,重量轻,方便携带。
演讲者只需将设备佩戴在身上,就可以实现跨语种交流,无需额外的设备或人力支持。
然而,同声传译设备也存在一些限制和挑战。
首先,设备的翻译准确性和流畅度仍然有待提高。
尽管现代的语音识别和机器翻译技术取得了突破性进展,但在某些复杂语境下,设备可能出现错误或难以识别和翻译的情况。
其次,设备的使用范围有限。
虽然同声传译设备适用于国际会议和商务谈判等场合,但在日常生活中的应用仍然有一定的局限性。
最后,设备价格相对较高,可能不是所有个人或组织都能够承担。
综上所述,同声传译设备是一种实现多语种即时翻译的工具。
它通过语音识别和机器翻译技术,提供高质量的翻译和便携的使用体验。
然而,设备仍然存在一些限制和挑战,需要进一步的研发和改进。
随着技术的不断发展,我们可以期待同声传译设备在跨语种交流中发挥更大的作用。
同声传译设备(VIP)在国际会议、商务谈判和跨国交流等许多场合起到了重要的作用。
系统特色………………………………………………………………………………….………………………………..…………………….......... 2.7系统综述………………………………………………………………………………….…………………………………..………………….......... 2.7 HCS-8368/50 系列第三代无纸化多媒体会议终端……………………………………………………………………………………………….... 2.22HCS-8368NBD_B/50 第三代无纸化多媒体会议终端(代表单元,带14英寸1920×1080高分辨率LCD,电容式触摸屏,内置800万像素摄像头,发言,表决,64通道同传×2,无纸化会议功能,视频对话,视频播放,多通道视频点播与广播,会议服务,网页浏览,可配备纸质名牌,支持PoE,黑色)………………………..… 2.22HCS-8368NBD-NP_B/50 第三代无纸化多媒体会议终端(代表单元,带14英寸1920×1080高分辨率LCD,电容式触摸屏,内置800万像素摄像头,发言,表决,64通道同传×2,无纸化会议功能,视频对话,视频播放,多通道视频点播与广播,会议服务,网页浏览,可接E-ink电子名牌,支持PoE,黑色)……………………..… 2.22HCS-8368BD_B/50 第三代无纸化多媒体会议终端(代表单元,带14英寸1920×1080高分辨率LCD,电容式触摸屏,内置800万像素摄像头,发言,表决,64通道同传×2,无纸化会议功能,视频对话,视频播放,多通道视频点播与广播,会议服务,可配备纸质名牌,支持PoE,黑色)……………………………………… 2.22HCS-8368BD-NP_B/50 第三代无纸化多媒体会议终端(代表单元,带14英寸1920×1080高分辨率LCD,电容式触摸屏,内置800万像素摄像头,发言,表决,64通道同传×2,无纸化会议功能,视频对话,视频播放,多通道视频点播与广播,会议服务,可接E-ink电子名牌,支持PoE,黑色)…………………………………… 2.22HCS-8368NAD_B/50 第三代无纸化多媒体会议终端(代表单元,麦克风阵列,带14英寸1920×1080高分辨率LCD,电容式触摸屏,内置800万像素摄像头,发言,表决,64通道同传×2,无纸化会议功能,视频对话,视频播放,多通道视频点播与广播,会议服务,网页浏览,可配备纸质名牌,支持PoE,黑色)……..… 2.24HCS-8368NAD-NP_B/50 第三代无纸化多媒体会议终端(代表单元,麦克风阵列,带14英寸1920×1080高分辨率LCD,电容式触摸屏,内置800万像素摄像头,发言,表决,64通道同传×2,无纸化会议功能,视频对话,视频播放,多通道视频点播与广播,会议服务,网页浏览,可接E-ink电子名牌,支持PoE,黑色)………… 2.24HCS-8368AD_B/50 第三代无纸化多媒体会议终端(代表单元,麦克风阵列,带14英寸1920×1080高分辨率LCD,电容式触摸屏,内置800万像素摄像头,发言,表决,64通道同传×2,无纸化会议功能,视频对话,视频播放,多通道视频点播与广播,会议服务,可配备纸质名牌,支持PoE,黑色)……………… 2.24HCS-8368AD-NP_B/50 第三代无纸化多媒体会议终端(代表单元,麦克风阵列,带14英寸1920×1080高分辨率LCD,电容式触摸屏,内置800万像素摄像头,发言,表决,64通道同传×2,无纸化会议功能,视频对话,视频播放,多通道视频点播与广播,会议服务,可接E-ink电子名牌,支持PoE,黑色)…………… 2.24HCS-8368NAD/FM_B/50 第三代无纸化多媒体会议终端(嵌入式,代表单元,麦克风阵列,带14英寸1920×1080高分辨率LCD,电容式触摸屏,内置800万像素摄像头,发言,表决,64通道同传,无纸化会议功能,视频对话,视频播放,多通道视频点播与广播,会议服务,网页浏览,电动调节角度,黑色)…………………………… 2.26HCS-8368AD/FM_B/50 第三代无纸化多媒体会议终端(嵌入式,代表单元,麦克风阵列,带14英寸1920×1080高分辨率LCD,电容式触摸屏,内置800万像素摄像头,发言,表决,64通道同传,无纸化会议功能,视频对话,视频播放,多通道视频点播与广播,会议服务,电动调节角度,黑色)……………………………………..…… 2.26HCS-8368NBD/2MP_B/50 第三代无纸化多媒体会议终端(代表单元,双备份麦克风,带14英寸1920×1080高分辨率LCD,电容式触摸屏,内置800万像素摄像头,发言,表决,64通道同传×2,无纸化会议功能,视频对话,视频播放,多通道视频点播与广播,会议服务,网页浏览,可配备纸质名牌,支持PoE,黑色)……………… 2.28HCS-8368NBD/2MP-NP_B/50 第三代无纸化多媒体会议终端(代表单元,双备份麦克风,带14英寸1920×1080高分辨率LCD,电容式触摸屏,内置800万像素摄像头,发言,表决,64通道同传×2,无纸化会议功能,视频对话,视频播放,多通道视频点播与广播,会议服务,网页浏览,可接E-ink电子名牌,支持PoE,黑色)………… 2.28HCS-8368BD/2MP_B/50 第三代无纸化多媒体会议终端(代表单元,双备份麦克风,带14英寸1920×1080高分辨率LCD,电容式触摸屏,内置800万像素摄像头,发言,表决,64通道同传×2,无纸化会议功能,视频对话,视频播放,多通道视频点播与广播,会议服务,可配备纸质名牌,支持PoE,黑色)………………………… 2.28HCS-8368BD/2MP-NP_B/50 第三代无纸化多媒体会议终端(代表单元,双备份麦克风,带14英寸1920×1080高分辨率LCD,电容式触摸屏,内置800万像素摄像头,发言,表决,64通道同传×2,无纸化会议功能,视频对话,视频播放,多通道视频点播与广播,会议服务,可接E-ink电子名牌,支持PoE,黑色)…………………….… 2.28HCS-8368SD_B/50 第三代无纸化多媒体会议终端(代表单元,带14英寸1920×1080高分辨率LCD,电容式触摸屏,内置800万像素摄像头,发言,表决,64通道同传×2,视频播放,可配备纸质名牌,支持PoE,黑色)………………………………………………………………… 2.30HCS-8368CSW 主席控制功能软件模块…………………………………………………………………………...……………… 2.32HCS-8368COVER/50 保护盖(用于HCS-8368/FM/50系列)……………………………………….……………………………...…… 2.32 HCS-8360FK/50 读卡及指纹模块(桌面式,用于HCS-8368/50系列会议终端)………………………………………………… 2.33HCS-8360FK/FM/50 读卡及指纹模块(嵌入式,用于HCS-8368/50系列会议终端)………………………………………………… 2.33 HCS-8338 系列无纸化多媒体会议终端……………………………………………………………………………………………………….......... 2.34HCS-8338AC 无纸化多媒体会议终端(主席单元,带10英寸1280×800高分辨率LCD,电容式触摸屏,内置500万像素摄像头,发言,表决,64通道同传×2,无纸化会议功能,视频对话,视频播放,多通道视频点播与广播,会议服务,内置非接触式IC卡读卡器,指纹识别,网页浏览,可配备纸质名牌,银灰色面壳+黑色底壳)…………………………………………………………………..…… 2.35HCS-8338AC-NP 无纸化多媒体会议终端(主席单元,带10英寸1280×800高分辨率LCD,电容式触摸屏,内置500万像素摄像头,发言,表决,64通道同传×2,无纸化会议功能,视频对话,视频播放,多通道视频点播与广播,会议服务,内置非接触式IC卡读卡器,指纹识别,网页浏览,内置E-ink电子名牌,银灰色面壳+黑色底壳)………………………………………………………………….. 2.35HCS-8338AD 无纸化多媒体会议终端(代表单元,带10英寸1280×800高分辨率LCD,电容式触摸屏,内置500万像素摄像头,发言,表决,64通道同传×2,无纸化会议功能,视频对话,视频播放,多通道视频点播与广播,会议服务,内置非接触式IC卡读卡器,指纹识别,网页浏览,可配备纸质名牌,银灰色面壳+黑色底壳)……………………………………………………………………..… 2.36HCS-8338AD-NP 无纸化多媒体会议终端(代表单元,带10英寸1280×800高分辨率LCD,电容式触摸屏,内置500万像素摄像头,发言,表决,64通道同传×2,无纸化会议功能,视频对话,视频播放,多通道视频点播与广播,会议服务,内置非接触式IC卡读卡器,指纹识别,网页浏览,内置E-ink电子名牌,银灰色面壳+黑色底壳壳)………………………………………………………………… 2.36HCS-8338NBC 无纸化多媒体会议终端(主席单元,带10英寸1280×800高分辨率LCD,电容式触摸屏,内置500万像素摄像头,发言,表决,64通道同传×2,无纸化会议功能,视频对话,视频播放,多通道视频点播与广播,会议服务,内置非接触式IC卡读卡器,网页浏览,可配备纸质名牌,银灰色面壳+黑色底壳)…………………………………………………………………..…… 2.37HCS-8338NBC-NP 无纸化多媒体会议终端(主席单元,带10英寸1280×800高分辨率LCD,电容式触摸屏,内置500万像素摄像头,发言,表决,64通道同传×2,无纸化会议功能,视频对话,视频播放,多通道视频点播与广播,会议服务,内置非接触式IC卡读卡器,网页浏览,内置E-ink电子名牌,银灰色面壳+黑色底壳)………………………………………………………………….. 2.37HCS-8338NBD 无纸化多媒体会议终端(代表单元,带10英寸1280×800高分辨率LCD,电容式触摸屏,内置500万像素摄像头,发言,表决,64通道同传×2,无纸化会议功能,视频对话,视频播放,多通道视频点播与广播,会议服务,内置非接触式IC卡读卡器,网页浏览,可配备纸质名牌,银灰色面壳+黑色底壳)……………………………………………………………………..… 2.38HCS-8338NBD-NP 无纸化多媒体会议终端(代表单元,带10英寸1280×800高分辨率LCD,电容式触摸屏,内置500万像素摄像头,发言,表决,64通道同传×2,无纸化会议功能,视频对话,视频播放,多通道视频点播与广播,会议服务,内置非接触式IC卡读卡器,网页浏览,内置E-ink电子名牌,银灰色面壳+黑色底壳壳)………………………………………………………………… 2.38HCS-8338BC 无纸化多媒体会议终端(主席单元,带10英寸1280×800高分辨率LCD,电容式触摸屏,内置500万像素摄像头,发言,表决,64通道同传×2,无纸化会议功能,视频对话,视频播放,多通道视频点播与广播,会议服务,内置非接触式IC卡读卡器,可配备纸质名牌,银灰色面壳+黑色底壳)…………………………………………………………………..…… 2.39HCS-8338BC-NP 无纸化多媒体会议终端(主席单元,带10英寸1280×800高分辨率LCD,电容式触摸屏,内置500万像素摄像头,发言,表决,64通道同传×2,无纸化会议功能,视频对话,视频播放,多通道视频点播与广播,会议服务,内置非接触式IC卡读卡器,内置E-ink电子名牌,银灰色面壳+黑色底壳)……………………………………………………………….….. 2.39HCS-8338BD 无纸化多媒体会议终端(代表单元,带10英寸1280×800高分辨率LCD,电容式触摸屏,内置500万像素摄像头,发言,表决,64通道同传×2,无纸化会议功能,视频对话,视频播放,多通道视频点播与广播,会议服务,内置非接触式IC卡读卡器,可配备纸质名牌,银灰色面壳+黑色底壳)………………………………………………………….…………… 2.40HCS-8338BD-NP 无纸化多媒体会议终端(代表单元,带10英寸1280×800高分辨率LCD,电容式触摸屏,内置500万像素摄像头,发言,表决,64通道同传×2,无纸化会议功能,视频对话,视频播放,多通道视频点播与广播,会议服务,内置非接触式IC卡读卡器,内置E-ink电子名牌,银灰色面壳+黑色底壳)……………………………………………………………..……. 2.40 HCS-8338/FM 系列无纸化多媒体会议终端………………………………………………………………………………………………………… 2.41HCS-8338NBCE/FM 无纸化多媒体会议终端(嵌入式,主席单元,带10英寸1280×800高分辨率LCD,电容式触摸屏,内置500万像素摄像头,发言,表决,64通道同传,无纸化会议功能,视频对话,视频播放,多通道视频点播与广播,会议服务,内置非接触式IC卡读卡器,网页浏览,黑色)…………………………… 2.42HCS-8338NBDE/FM 无纸化多媒体会议终端(嵌入式,代表单元,带10英寸1280×800高分辨率LCD,电容式触摸屏,内置500万像素摄像头,发言,表决,64通道同传,无纸化会议功能,视频对话,视频播放,多通道视频点播与广播,会议服务,内置非接触式IC卡读卡器,网页浏览,黑色)…………………………… 2.43HCS-8338BCE/FM 无纸化多媒体会议终端(嵌入式,主席单元,带10英寸1280×800高分辨率LCD,电容式触摸屏,内置500万像素摄像头,发言,表决,64通道同传,无纸化会议功能,视频对话,视频播放,多通道视频点播与广播,会议服务,内置非接触式IC卡读卡器,黑色)……………………………………….. 2.44HCS-8338BDE/FM 无纸化多媒体会议终端(嵌入式,代表单元,带10英寸1280×800高分辨率LCD,电容式触摸屏,内置500万像素摄像头,发言,表决,64通道同传,无纸化会议功能,视频对话,视频播放,多通道视频点播与广播,会议服务,内置非接触式IC卡读卡器,黑色)……………………..………………… 2.45 HCS-8348 系列无纸化多媒体会议终端……………………………………………………………………………………………………….......... 2.46HCS-8348AC 无纸化多媒体会议终端(主席单元,麦克风阵列,带10英寸1280×800高分辨率LCD,电容式触摸屏,内置500万像素摄像头,发言,表决,64通道同传×2,无纸化会议功能,视频对话,视频播放,多通道视频点播与广播,会议服务,内置非接触式IC卡读卡器,指纹识别,网页浏览,可配备纸质名牌,银灰色面壳+黑色底壳)……………………………………………………………………..… 2.47HCS-8348AC-NP 无纸化多媒体会议终端(主席单元,麦克风阵列,带10英寸1280×800高分辨率LCD,电容式触摸屏,内置500万像素摄像头,发言,表决,64通道同传×2,无纸化会议功能,视频对话,视频播放,多通道视频点播与广播,会议服务,内置非接触式IC卡读卡器,指纹识别,网页浏览,内置E-ink电子名牌,银灰色面壳+黑色底壳)…………………………………………………………………… 2.47HCS-8348AD 无纸化多媒体会议终端(代表单元,麦克风阵列,带10英寸1280×800高分辨率LCD,电容式触摸屏,内置500万像素摄像头,发言,表决,64通道同传×2,无纸化会议功能,视频对话,视频播放,多通道视频点播与广播,会议服务,内置非接触式IC卡读卡器,指纹识别,网页浏览,可配备纸质名牌,银灰色面壳+黑色底壳)…………………………………………………………………..…… 2.48HCS-8348AD-NP 无纸化多媒体会议终端(代表单元,麦克风阵列,带10英寸1280×800高分辨率LCD,电容式触摸屏,内置500万像素摄像头,发言,表决,64通道同传×2,无纸化会议功能,视频对话,视频播放,多通道视频点播与广播,会议服务,内置非接触式IC卡读卡器,指纹识别,网页浏览,内置E-ink电子名牌,银灰色面壳+黑色底壳)……………………………………………………………..…… 2.48HCS-8348NBC 无纸化多媒体会议终端(主席单元,麦克风阵列,带10英寸1280×800高分辨率LCD,电容式触摸屏,内置500万像素摄像头,发言,表决,64通道同传×2,无纸化会议功能,视频对话,视频播放,多通道视频点播与广播,会议服务,内置非接触式IC卡读卡器,网页浏览,可配备纸质名牌,银灰色面壳+黑色底壳)……………………………………………………………………..… 2.49HCS-8348NBC-NP 无纸化多媒体会议终端(主席单元,麦克风阵列,带10英寸1280×800高分辨率LCD,电容式触摸屏,内置500万像素摄像头,发言,表决,64通道同传×2,无纸化会议功能,视频对话,视频播放,多通道视频点播与广播,会议服务,内置非接触式IC卡读卡器,网页浏览,内置E-ink电子名牌,银灰色面壳+黑色底壳)…………………………………………………………………… 2.49HCS-8348NBD 无纸化多媒体会议终端(代表单元,麦克风阵列,带10英寸1280×800高分辨率LCD,电容式触摸屏,内置500万像素摄像头,发言,表决,64通道同传×2,无纸化会议功能,视频对话,视频播放,多通道视频点播与广播,会议服务,内置非接触式IC卡读卡器,网页浏览,可配备纸质名牌,银灰色面壳+黑色底壳)…………………………………………………………………..…… 2.50HCS-8348NBD-NP 无纸化多媒体会议终端(代表单元,麦克风阵列,带10英寸1280×800高分辨率LCD,电容式触摸屏,内置500万像素摄像头,发言,表决,64通道同传×2,无纸化会议功能,视频对话,视频播放,多通道视频点播与广播,会议服务,内置非接触式IC卡读卡器,网页浏览,内置E-ink电子名牌,银灰色面壳+黑色底壳)……………………………………………………………..…… 2.50 HCS-8348BC 无纸化多媒体会议终端(主席单元,麦克风阵列,带10英寸1280×800高分辨率LCD,电容式触摸屏,内置500万像素摄像头,发言,表决,64通道同传×2,无纸化会议功能,视频对话,视频播放,多通道视频点播与广播,会议服务,内置非接触式IC卡读卡器,可配备纸质名牌,银灰色面壳+黑色底壳)…………………….…………………………………………..…… 2.51HCS-8348BC-NP 无纸化多媒体会议终端(主席单元,麦克风阵列,带10英寸1280×800高分辨率LCD,电容式触摸屏,内置500万像素摄像头,发言,表决,64通道同传×2,无纸化会议功能,视频对话,视频播放,多通道视频点播与广播,会议服务,内置非接触式IC卡读卡器,内置E-ink电子名牌,银灰色面壳+黑色底壳)…………………………………………………………….…….. 2.51 HCS-8348BD 无纸化多媒体会议终端(代表单元,麦克风阵列,带10英寸1280×800高分辨率LCD,电容式触摸屏,内置500万像素摄像头,发言,表决,64通道同传×2,无纸化会议功能,视频对话,视频播放,多通道视频点播与广播,会议服务,内置非接触式IC卡读卡器,可配备纸质名牌,银灰色面壳+黑色底壳)…………………………………………………………………..…… 2.52HCS-8348BD-NP 无纸化多媒体会议终端(代表单元,麦克风阵列,带10英寸1280×800高分辨率LCD,电容式触摸屏,内置500万像素摄像头,发言,表决,64通道同传×2,无纸化会议功能,视频对话,视频播放,多通道视频点播与广播,会议服务,内置非接触式IC卡读卡器,内置E-ink电子名牌,银灰色面壳+黑色底壳)………………………………………………………….……… 2.52 HCS-8335/50 系列经济型多媒体会议终端…………………………………………………………………………………………...........….….. 2.53HCS-8335C/50 经济型多媒体会议终端(主席单元,带10英寸1280×800高分辨率LCD,发言,表决,64通道同传×2,高清视频播放,内置非接触式IC卡读卡器,可配备纸质名牌,银灰色面壳+黑色底壳)………………………. 2.54HCS-8335C-NP/50 经济型多媒体会议终端(主席单元,带10英寸1280×800高分辨率LCD,发言,表决,64通道同传×2,高清视频播放,内置非接触式IC卡读卡器,内置E-ink电子名牌,银灰色面壳+黑色底壳)………………… 2.54 HCS-8335D/50 经济型多媒体会议终端(代表单元,带10英寸1280×800高分辨率LCD,发言,表决,64通道同传×2,高清视频播放,内置非接触式IC卡读卡器,可配备纸质名牌,银灰色面壳+黑色底壳)………………………. 2.54HCS-8335D-NP/50 经济型多媒体会议终端(代表单元,带10英寸1280×800高分辨率LCD,发言,表决,64通道同传×2,高清视频播放,内置非接触式IC卡读卡器,内置E-ink电子名牌,银灰色面壳+黑色底壳)……………….…. 2.54 HCS-8335A/50 系列经济型多媒体会议终端…………………………………………………………………………………………...........……. 2.56HCS-8335AC/50 经济型多媒体会议终端(主席单元,麦克风阵列,带10英寸1280×800高分辨率LCD,发言,表决,64通道同传×2,高清视频播放,内置非接触式IC卡读卡器,可配备纸质名牌,银灰色面壳+黑色底壳)…… 2.57HCS-8335AC-NP/50 经济型多媒体会议终端(主席单元,麦克风阵列,带10英寸1280×800高分辨率LCD,发言,表决,64通道同传×2,高清视频播放,内置非接触式IC卡读卡器,内置E-ink电子名牌,银灰色面壳+黑色底壳)…………….….…….…………..………. .…………..………. 2.57HCS-8335AD/50 经济型多媒体会议终端(代表单元,麦克风阵列,带10英寸1280×800高分辨率LCD,发言,表决,64通道同传×2,高清视频播放,内置非接触式IC卡读卡器,可配备纸质名牌,银灰色面壳+黑色底壳)…… 2.57HCS-8335AD-NP/50 经济型多媒体会议终端(代表单元,麦克风阵列,带10英寸1280×800高分辨率LCD,发言,表决,64通道同传×2,高清视频播放,内置非接触式IC卡读卡器,内置E-ink电子名牌,银灰色面壳+黑色底壳)…………….….…….…………..………. .…………..………. 2.57HCS-8336 翻译员专用SDI监视器(带10英寸1280×800高分辨率LCD,高清视频播放,可配备纸质名牌,银灰色面壳+黑色底壳)……………………………………………………………………..… 2.59 HCS-8315 系列会议单元………………………………………………………………………………………………...…………….…..……... 2.60 HCS-8313C_G 台面式全数字化会议系统主席单元(隐藏式话筒,五键表决,64通道同传,深银灰)…………………….…… 2.61 HCS-8313D_G 台面式全数字化会议系统代表单元(隐藏式话筒,五键表决,64通道同传,深银灰)…………………….…… 2.61 HCS-8314D_G 台面式全数字化会议系统代表单元(隐藏式话筒,五键表决,深银灰)…………….….…….…………..…… 2.62 HCS-8315C_G 台面式全数字化会议系统主席单元(隐藏式话筒,深银灰)……………..…….…….………………..….……. 2.62 HCS-8315C_L 台面式全数字化会议系统主席单元(隐藏式话筒,浅银灰)………….…..………….………………..….……. 2.62 HCS-8315D_G 台面式全数字化会议系统代表单元(隐藏式话筒,深银灰)………….…..……………………………………. 2.62 HCS-8315D_L 台面式全数字化会议系统代表单元(隐藏式话筒,浅银灰)……….……..……………………………………. 2.62 HCS-8385/80 新一代全数字化64通道翻译单元(64通道,7.2" LCD屏,麦克风,扬声器)…………………………………. 2.63 EP-960AN 头戴式耳机-传声器(立体声,翻译员专用,含1对可拆洗耳机罩)………………………………………….…. 2.64 HCS-8385MP 嵌入式安装固定框架(用于HCS-8385/80)…………………………………………………………………… 2.65 HCS-8385HDMI/02 翻译单元专用视频转换器(2路HDMI输出,需配合HCS-8385/80翻译单元使用)…….…………………… 2.65 HCS-8385HDMI/04 翻译单元专用视频转换器(4路HDMI输出,需配合HCS-8385/80翻译单元使用)…….…………………… 2.65 HCS-8300M 系列全数字化会议系统主机……………………………………………………………………..………………………………....... 2.66HCS-8300MAD/FS/50 全数字化会议系统主机(发言,表决,64通道同传,单模光纤接口,AES/EBU数字输入输出接口,支持Dante协议,调音台接口,麦克风分组输出)…….…………………..……….……………….…………… 2.68HCS-8300MB/50 全数字化会议系统主机(发言,表决,64通道同传,麦克风分组输出)…….……………………….…………. 2.68 HCS-8300ME 系列全数字化会议系统扩展主机……………………………………………………………………….………………………..… 2.69 HCS-8300ME/FS 全数字化会议系统扩展主机(具有2个单模光纤接口,4路会议单元输出端口)…………………..………… 2.69 HCS-8300ME 全数字化会议系统扩展主机(4路会议单元输出端口)………….……………………………….…………….. 2.69 HCS-8300MES 全数字化会议系统扩展单元(3路会议单元输出端口)……….…………………………………………………… 2.71 HCS-8300MCLS 环形连接器…………………………………………………………………………..……………….…………….. 2.71 HCS-8300MCLS安装支架(可安装4台HCS-8300MCLS)………….……………………………….…………………….…………………… 2.71HCS-8300MX 多会议室控制器…………………………………………………………………………..……………….……….. 2.73 HCS-8300MX/FS 多译员间控制器(单模光纤接口)………………………………………………..…………………...…………… 2.73 HCS-8302MX 系列多会议室译员间总控制器……………………………………………………………………..………………………..…..… 2.74 HCS-8302MX/FS/06 多会议室译员间总控制器(6通道,单模光纤接口)………….….………………………………………….….… 2.74 HCS-8302MX/FS/12 多会议室译员间总控制器(12通道,单模光纤接口)………..….…..……………………..…..………………… 2.74 HCS-8302MX/FS/24 多会议室译员间总控制器(24通道,单模光纤接口)….…….….………………....……………………….….… 2.74 HCS-8300KMX2 会议专用千兆网交换机(适用于第三代无纸化多媒体会议终端)……………………………..………….…… 2.74 HCS-8368T 分配器(适用于第三代台面式无纸化多媒体会议终端)………………………………………..………….…… 2.75 HCS-8368T/50 分配器(适用于第三代台面式无纸化多媒体会议终端)………………………………………..………….…… 2.75 HCS-8300KMX 会议专用千兆网交换机…………………………………………………………………………..………….…….. 2.76 HCS-8300PM 供电器(33 V DC)…………………………………………….…………………………..…………………….… 2.77 HCS-8300PM2 双备份供电器(33 V DC)……………………………………………………………..…………………………… 2.77 HCS-8301MD 会议专用数字调音台(可调Dante参数)………………………………………………….………………...…… 2.78 HCS-8319 服务请求控制单元………………………………………...……..…………………………………….………..… 2.79 HCS-8300MO 系列8通道音频输出器……………………………………………………………………..…………………………..…………… 2.80 HCS-8300MOD/FSD 8通道音频输出器(AES/EBU数字输出接口,模拟输出接口,单模光纤接口,支持Dante协议)…………..… 2.81 HCS-8300MOD 8通道音频输出器(AES/EBU数字输出接口,模拟输出接口)…………………..………………………….…. 2.81 HCS-8300MOA/FSD 8通道音频输出器(模拟输出接口,单模光纤接口,支持Dante协议)………….….……….……………..…… 2.81 HCS-8300MOA 8通道音频输出器(模拟输出接口)…………………………………………………..……….………………..… 2.81 HCS-8300MI 系列8通道音频输入接口……………………………………………………………………………………..……………..……… 2.82 HCS-8300MID/FSD 8通道音频输入接口(AES/EBU数字输入接口,模拟输入接口,单模光纤接口,支持Dante协议)……….…. 2.83 HCS-8300MID 8通道音频输入接口(AES/EBU数字输入接口,模拟输入接口)……………………………………………….. 2.83 HCS-8300MIA/FSD 8通道音频输入接口(模拟输入接口,单模光纤接口,支持Dante协议)……..…….………………….……… 2.83 HCS-8300MIA 8通道音频输入接口(模拟输入接口)………………………………………………….……..………………….. 2.83 HCS-8300 系列应用软件……………………………………………………………………..……………………………………………………..… 2.85 HCS-8210/50 基础设置软件模块………………………………………………………………………..................................... 2.85 HCS-8212 高级会场设计软件模块…………………………………………………………………..................................... 2.89 HCS-8213 话筒控制软件模块………………………………………………………………………..................................... 2.90 HCS-8214S 表决管理软件模块(含人员管理、多种表决方式、多议案表决,49席以下)…………………………………… 2.91 HCS-8215 视频控制软件模块………………………………………………………………………..................................... 2.92 HCS-8216 同声传译软件模块………………………………………………………………………..................................... 2.92 HCS-8218 内部通讯软件模块………………………………………………………………………..................................... 2.93 HCS-8219 会议专用录音软件模块……………………………………………………………………….............................. 2.93 HCS-8221 多用户会议控制软件模块………………………………………………………………..................................... 2.93 HCS-8222 控制电脑双机热备份软件模块……………………………………………………………..…............................ 2.94 HCS-8223 会议进程控制软件模块…………………………………………………………..….......................................... 2.94 HCS-8224 文稿提示软件模块(独立软件,PC下运行)……………………………………………..…................................ 2.94 HCS-8225 系统主机双机热备份软件模块…………………………………………………………..…................................ 2.95 HCS-8226 接触式/非接触式IC卡管理软件模块…………………………………………………………..…....................... 2.95 HCS-8229 指纹识别管理软件模块……………………………………………………………………………………………. 2.96 HCS-8231 电子名牌管理软件模块(有线E-ink电子名牌用)…………………………………..………………..…….…….. 2.97 HCS-8232 电子名牌管理软件模块(无线E-ink电子名牌用)…………………………………………………………….….. 2.97 HCS-8238 会议音频矩阵软件模块………………………………………………………..…………..……..…………........ 2.98 HCS-8239 会议服务软件模块……………………………………………….……….……….............................................. 2.98 HCS-8240 视频服务软件模块…………………………………………………………....................................................... 2.99HCS-8241 文件服务软件模块……………………………..………………………..…..................................................... 2.99 HCS-8242 会议名牌制作软件模块……………………………………………………………………………………………. 2.99 HCS-8243 会议专用数字高清录像管理软件…………………………………………………………………………………. 2.100 HCS-8244 多会议室译员间控制软件…………………………………………………………………………………………. 2.100系统特色■专为国家议会、首脑会议、市政会议、常委会议等高端会议设计■全球首创无纸化多媒体会议系统(发明专利号:201010593939.5),基于台电公司具有自主知识产权的多媒体会议(mMediaCongress TM) 操作平台,永不中病毒,不受黑客攻击,安全可靠■第三代无纸化多媒体会议终端配备14" 1920×1080高分辨率LCD触摸屏,可实现无纸化会议及多种高清视频服务,同时可实现交互式会议控制管理(发言、表决、64通道同传×2)以及会议服务等功能■超薄机身设计(显示屏边缘厚度仅6.5 mm),时尚新颖■电容式触摸屏,支持多点触控,操作便捷高效■内置800万像素摄像头,独有的视频对话功能■基于台电公司独创的GMC-STREAM千兆会议媒体流技术设计,所有音、视频信号通过一条Cat.5e/Cat.6网线传输,并能充分保证会议音频、表决信息、控制信息等会议重要数据流的实时性和稳定性■基于全球首创的CongressMatrix TM会议矩阵技术,内置n×8音频矩阵处理器,实现8通道分组输出功能■会议终端可内置或可接E-ink电子名牌(仅型号后缀为“-NP”的机型)■嵌入式安装,可电动调节角度(HCS-8368AD/FM/50)■台面式安装(HCS-8368BD/50、HCS-8368BD/2MP/50、HCS-8368AD/50)■超强指向性麦克风阵列技术(HCS-8368AD/50、HCS-8368AD/FM/50)■双备份麦克风(HCS-8368BD/2MP/50)■“环形手拉手”连接,系统更可靠■支持48 kHz音频采样频率,64通道频率响应均可达30 Hz ~ 20 kHz■会议单元低功耗设计■支持Dante协议,实现与周边设备的数字化无损音质连接■会议主机具有光纤接口,使得远距离的会议室合并成为现实■会议主机和扩展主机之间的连接采用光纤和Cat.5线缆双备份■系统电源可通过中控系统进行集中控制管理■多种方式的会议室合并/拆分功能■译员间的合并与借用系统■可配备多通道的音频输入或输出设备,使得系统的扩展更加灵活■系统可接入其它电容麦克风或动圈麦克风,为用户提供更多选择■会议主机具有USB接口,可用于系统升级和系统设置参数备份,便于管理■完全兼容TAIDEN HCS-4100/50全数字会议系统系统综述自2010年深圳市台电实业有限公司全球首创无纸化多媒体会议系统以来,TAIDEN无纸化多媒体会议系统已成功应用于联合国总部、世界银行总部、亚欧首脑会议、意大利伦巴第大区政府、浙江省人大常委会议厅、武汉国际博览中心等众多高端会议场所。
(19)中华人民共和国国家知识产权局(12)实用新型专利(10)授权公告号 (45)授权公告日 (21)申请号 201920272126.2(22)申请日 2019.03.05(73)专利权人 山东理工职业学院地址 272100 山东省济宁市荷花路南首(72)发明人 李艳慧 牛序芹 (74)专利代理机构 北京盛凡智荣知识产权代理有限公司 11616代理人 许羽冬(51)Int.Cl.H04R 1/08(2006.01)(54)实用新型名称一种公共课多功能话筒夹(57)摘要一种公共课多功能话筒夹,包括壳体一及铰接在所述壳体一侧边的壳体二,所述壳体一与所述壳体二的另一侧通过卡扣相连,所述壳体一、所述壳体二的相接处分别设有配合使用的凹槽、凸起;所述凹槽上设有隔板,所述隔板与所述壳体一之间设有U盘,所述壳体一的底部设有与所述U盘接口配合的开口一,所述壳体一的顶部设有固定圈,所述壳体一的外表面中部设有固定槽;所述壳体二的外表面粘贴有装饰物,所述壳体二的顶部设有开口二,所述开口二内活动连接有采声板,所述壳体二内活动连接有无线话筒。
本实用新型设计合理、外表美观、装饰性强,既可以作为话筒夹,还可以作为U盘使用,一物多用,使用、携带方便。
权利要求书1页 说明书2页 附图2页CN 209593680 U 2019.11.05C N 209593680U权 利 要 求 书1/1页CN 209593680 U1.一种公共课多功能话筒夹,其特征在于,包括壳体一(1)及铰接在所述壳体一(1)侧边的壳体二(2),所述壳体一(1)与所述壳体二(2)的另一侧通过卡扣(3)相连,所述壳体一(1)、所述壳体二(2)的相接处分别设有配合使用的凹槽(11)、凸起(21);所述凹槽(11)上设有隔板(4),所述隔板(4)与所述壳体一(1)之间设有U盘(5),所述壳体一(1)的底部设有与所述U盘(5)接口(51)配合的开口一(12),所述壳体一(1)的顶部设有固定圈(14),所述壳体一(1)的外表面中部设有固定槽(15);所述壳体二(2)的外表面粘贴有装饰物,所述壳体二(2)的顶部设有开口二(22),所述开口二(22)内活动连接有采声板(23),所述壳体二(2)内活动连接有无线话筒(6)。
概述E105/E108背驻极电容式头戴麦克风,特为近讲设计,使用距离可保持一定,方便为运动,访谈,戏剧以及小型PA 系统等作扩声。
新设计的麦克风导线路径更简捷,隐蔽舒适的造型长时间使用也不会有疲惫感,弹性的钢线适合大多数头型佩戴,为活跃的使用者提供了极佳的佩带方式,并提供经调整过宽阔的频率响应曲线。
E105典型的心型极坐标图型 (图1)E108典型的双指向极坐标图型 (图2)E105头段E108头段E105典型频率响应 (图3)E108典型频率响应 (图4)-3--1--2-FREQUENCY IN HzFrequency ResponseR E L A T I V E R E S P ONS EI N d BdB 10-10-2020501002005001000200050001000020000 HzFREQUENCY IN HzFrequency ResponseR E L A T I V E R E S P O N S E I N d BdB10-10-2020501002005001000200050001000020000 Hz0技术数据类型背驻极电容式麦克风原理压力梯度型, FET 前置放大。
指向性E105:心型 (图1)E108:"8"字型 (图2)频率响应80~18,000 Hz (图3, 4)灵敏度(3V 2.2K 工作条件)E105:-46dBV /Pa (5.0mV /Pa )E108:-44dBV /Pa (6.3mV /Pa )*. 1Pa =94dB SPL标称阻抗幻像:200Ω (PS 418S 测试)电池:600Ω (PS 418D 测试)最小负载阻抗幻像:1,000Ω (PS 418S 测试)电池:2,000Ω (PS 418D 测试)最大声压级 (1,000Ω负载)E105幻像:139dB (PS418S 测试)电池:129dB (PS418D 测试)E108幻像:137dB (PS418S 测试)电池:127dB (PS418D 测试)*. THD ≦1% 1kHz等效噪声级 (A 计权)23dB (IEC/DIN 651)信噪比71 dB动态范围 (1,000Ω负载)E105幻像:116dB (PS418S 测试)电池:106dB (PS418D 测试)E108幻像:114dB (PS418S 测试)电池:104dB (PS418D 测试)输出端子相位膜片受到正压力时2脚(相对于3脚)产生一正电压电源E105/E108:3.5mm 立体接头,单声道输出。
专利名称:便携式翻译机
专利类型:实用新型专利
发明人:陈灿伟
申请号:CN201820325453.5申请日:20180309
公开号:CN208077166U
公开日:
20181109
专利内容由知识产权出版社提供
摘要:本申请公开了一种便携式翻译机。
该翻译机包括:主机,用于录入第一语音,以及播放翻译后的第二语音;分机,用于录入所述第二语音,以及播放翻译后的第一语音;所述主机与所述分机无线/有线连接,所述主机通过连接件与所述分机可拆卸的连接。
本申请解决了由于模块化程度低造成的便携性差或不可更换的技术问题。
申请人:麦思威科技(深圳)有限责任公司
地址:518000 广东省深圳市南山区粤海街道科华路3号讯美科技广场3栋14A08
国籍:CN
代理机构:北京卓唐知识产权代理有限公司
更多信息请下载全文后查看。
(19)中华人民共和国国家知识产权局(12)实用新型专利(10)授权公告号 (45)授权公告日 (21)申请号 201920235373.5(22)申请日 2019.02.25(73)专利权人 深圳市季霈环保科技有限公司地址 518000 广东省深圳市南山区西丽街道北环路第五工业区六层工业厂房高新园北区朗山一路6号意中利科技园1号厂房5楼501-1(72)发明人 汪涛 (74)专利代理机构 深圳市科冠知识产权代理有限公司 44355代理人 王海骏 蒋芳霞(51)Int.Cl.H04R 3/00(2006.01)(54)实用新型名称一种音箱展示台(57)摘要本实用新型涉及一种音箱展示台,包括音频解码芯片,第一多路复用器,第二多路复用器,SD卡座,TF卡座,以及多个音频放大电路;SD卡座用于插入SD卡,TF卡座用于插入TF卡;通过音频解码芯片读取SD卡或TF卡中的音频文件,并转换成音频信号输出给第一多路复用器和第二多路复用器;音频解码芯片还根据多个按键电路的输出电平,输出对应的控制信号给第一多路复用器或第二多路复用器,第一多路复用器和第二多路复用器根据控制信号,输出音频信号给对应的音频放大电路;音频放大电路对所述音频信号进行放大处理后输出给音箱播放;实现支持多个音箱同时试听,电路简单,成本低。
权利要求书3页 说明书7页 附图5页CN 209358764 U 2019.09.06C N 209358764U权 利 要 求 书1/3页CN 209358764 U1.一种音箱展示台,包括音频解码芯片,第一多路复用器,第二多路复用器,SD卡座,TF 卡座,以及多个音频放大电路;其特征在于,所述SD卡座和所述TF卡座均与所述音频解码芯片连接,所述SD卡座用于插入SD卡,所述TF卡座用于插入TF卡;所述音频解码芯片分别与所述第一多路复用器和所述第二多路复用器连接;所述音频解码芯片用于读取所述SD卡或所述TF卡中的音频文件,并转换成音频信号输出给所述第一多路复用器和所述第二多路复用器;所述第一多路复用器和所述第二多路复用器均连接有多个所述音频放大电路;所述音箱展示台还包括多个按键电路,多个所述按键电路均与所述音频解码芯片连接,所述音频解码芯片还用于根据多个所述按键电路的输出电平,输出对应的控制信号给所述第一多路复用器或所述第二多路复用器,所述第一多路复用器和所述第二多路复用器用于根据所述控制信号输出所述音频信号给对应的所述音频放大电路;所述音频放大电路还与外部的音箱进行连接,所述音频放大电路用于将所述音频信号的功率进行放大处理并输出给所述音箱。