长江下游潮汐河口段水位流量关系分析
- 格式:pdf
- 大小:1.25 MB
- 文档页数:4
2020洪涝调研INVESTIGATION ON FLOODS IN 2020Feb.2021NO.2VOL.312021年2月第2期第31卷0引言长江中下游宜昌站至大通站干流河段长约1183.0km ,其中宜昌站至湖口站为中游河段,长约955.0km ,其间接纳清江、洞庭湖四水(湘、资、沅、澧)、汉江、鄱阳湖五河(赣、抚、信、饶、修)及其他支流入汇;宜昌站至枝城站河段长约60.8km ,属山区性河道向冲积平原河道过渡河道,枝城站至城陵矶河段(俗称荆江河段)全长约347.2km ,城陵矶至湖口站河段长约547.0km ;湖口站至大通站河段长约228.0km ,大通站受潮汐影响不大(图1)。
2012年8月,国家防汛抗旱总指挥部批复了《2012年度长江上游水库群联合调度方案》,进行水库群联合调度;2019年,联合调度范围已扩展至全流域,包括40座控制性水库、46处蓄滞洪区、10座重点大型排涝泵站、4座引调水工程等在内的100座水工程,充分提高了武汉防洪调度的灵活性。
三峡工程蓄水运用以来,汛期水库拦洪削峰引起坝下游洪水过程发生一定的改变[1-3],大量学者研究了三峡水库汛期调蓄对长江中下游防洪的影响,有的学者利用数学模型计算了三峡水库不同调度方案对长江中下游洪水过程的影响[4-6],也有部分学者采用还原计算方法分析了三峡水库汛期调蓄的防洪效益[7-9]。
尹志杰等[10-11]以实时报汛数据为基础分析了长江“2012.7”“2017.7”暴雨洪水特性,认为三峡水库防洪效益十分明显。
1雨情概况根据长江水利委员会水文局统计的长江流域雨情概况(图2),2020年6—8月,长江流域累计面雨量636mm ,其中长江中下游面雨量735mm ,大部分地区降雨量超过800mm ,中游干流北部部分地区超过1200mm 。
6—7月,2020年汛期长江中下游河道洪水过程及特性分析姚仕明郭小虎陈栋刘心愿(长江科学院水利部江湖治理与防洪重点实验室,武汉430010)摘要:受厄尔尼诺现象影响,2020年长江流域出现了历时长、范围广的强降雨过程,7月3日至8月17日,长江流域共发生5次编号洪水,长江中下游河道洪水过程及特性变化直接关系到长江流域的防洪安全。
长江上中下游水文特征
长江的源头至湖北省宜昌市之间为上游,水急滩多;宜昌至江西省湖口县为中游,曲流发达,多湖泊(鄱阳湖最大,洞庭湖次之);湖口以下至入海口为下游,江宽,江口有水流堆积而成的崇明岛。
长江源远流长,全长6300公里。
习惯上把它分为三段,河源-湖北宜昌为上游;宜昌-江西湖口为中游;湖口以下为下游。
长江三个河段是依据干流所处的地理环境及水文特征来划分的。
1、上游(约4500公里):河流大部分经过高原、高山、峡谷地带,具有明显的高原山地峡谷河流特征。
这里河床比降大,河流水量丰沛,水流湍急,水利资源丰富。
2、中游(约1000公里):河道迂回曲折,江面宽展,河床比降锐减,水流迟缓,另外支流众多,湖泊密布。
水位、流量受雨水的影响显著,对长江干流的水量起重要的调节作用。
3、下游(800公里):江阔水深,支流短小,水网密布,湖泊众多,对长江水量影响不大。
长江河口涨落潮不对称性动力成因分析王彪;朱建荣;李路【摘要】长江河口存在着涨落潮流速和历时的不对称现象.本应用长江河口三维数值模式,数值试验定量给出了不同径流量、潮汐和水深下南北支、南北港和南北槽涨潮落潮平均流速和历时,通过横断面涨潮落潮通量必须满足质量守恒观点从动力机制上给出了涨潮落潮流速和历时不对称的成因.%There exists the asymmetry of current speed and duration between flood and ebb in the Changjiang Estuary. Applied the three-dimension numerical model in the Changjiang Estuary, the mean flood/ebb current speed and duration in theSouth/North Branch, South/North Channel and South/North Passage under different river discharges, tide and water depth were given out quantitatively by the numerical experiments. The dynamic causes of the asymmetry of flood/ebb current speed and duration are explained in the view of mass conservation by the water flux through the transect during flood and ebb period.【期刊名称】《海洋学报(中文版)》【年(卷),期】2011(033)003【总页数】9页(P19-27)【关键词】长江河口;涨落潮不对称;径流量;潮汐;数值试验【作者】王彪;朱建荣;李路【作者单位】华东师范大学河口海岸国家重点实验室,上海,200062;华东师范大学河口海岸国家重点实验室,上海,200062;华东师范大学河口海岸国家重点实验室,上海,200062【正文语种】中文【中图分类】P343.5;P;P731.221 研究意义和背景河口是河流与海洋相互作用的复杂区域,对河口的水文特征、动力过程的研究,是研究河口的基本内容,也是河口水质、泥沙等研究的基础,有着重要的科学意义。
长江口潮流量影响因子分析及设计潮流汇报人:2023-12-14•长江口潮流量概述•长江口潮流量影响因子分析•长江口潮流量观测与模拟目录•长江口潮流能发电技术及优化设计•长江口潮流量对航道整治的影响及应对措施01长江口潮流量概述长江口潮流量是由潮汐作用引起的,受到地球自转和月球引力的影响。
潮汐现象潮流作用潮汐规律潮流作用是潮流量产生的主要原因,它是由地球自转和月球引力共同作用产生的。
潮汐规律是指潮汐现象的周期性变化,包括高潮和低潮的交替出现。
030201长江口潮流量现象长江口的地理位置对其潮流量产生影响,包括河口形状、河口宽度、河口深度等因素。
地理位置气候条件如风、雨、雪等对潮流量产生影响,特别是在极端气候条件下,潮流量可能会发生变化。
气候条件海洋环境如海流、海浪、海温等对潮流量产生影响,这些因素可能会改变潮流的方向和速度。
海洋环境潮流量影响因素潮流量对生态平衡产生影响,如潮汐作用可以促进水体流动和物质循环,有利于水生生态系统的平衡。
生态平衡潮流量对生物多样性产生影响,如潮间带是许多水生生物的栖息地,潮流量的大小和规律会影响这些生物的生存和繁衍。
生物多样性潮流量对海岸防护产生影响,如高潮和低潮的交替出现会对海岸线造成侵蚀和沉积,从而影响海岸防护工程的稳定性和安全性。
海岸防护潮流量对生态环境的影响02长江口潮流量影响因子分析气候变化因子气温变化气温升高可能导致海平面上升,进而影响潮流量。
降水变化降水量的变化会影响河口的水位和流量,从而影响潮流量。
风速和风向变化风速和风向的变化会影响潮汐的传播和反射,进而影响潮流量。
海岸线形状海岸线的形状和弯曲程度会影响潮汐的传播和反射,进而影响潮流量。
河口形态河口的形态、宽度、深度等因素都会影响潮流量的变化。
河流水量河口的水量大小直接影响潮流量的变化。
水文地理因子水利工程的建设和运行会影响河口的流量和潮汐的变化,从而影响潮流量。
水利工程港口的建设和运营会影响河口的潮流和泥沙运动,从而影响潮流量。
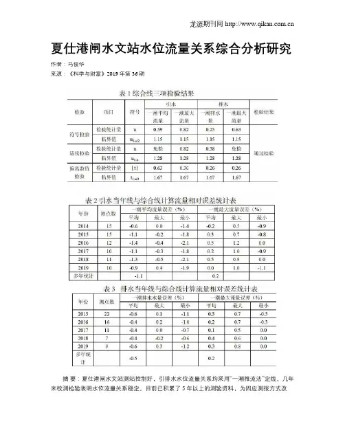
夏仕港闸水文站水位流量关系综合分析研究作者:马俊华来源:《科学与财富》2019年第36期摘要:夏仕港闸水文站测站控制好,引排水水位流量关系均采用“一潮推流法”定线,几年来校测检验表明水位流量关系稳定。
目前已积累了5年以上的测验资料,为因应测报方式改革,推进流量(水量)实时在线,现对该站引排水“一潮推流法”水位流量关系进行综合分析,并据此提出间校测方案。
关键词:水位流量关系;测报方式改革;间测1测站基本情况夏仕港闸水文站属引江感潮闸坝站,断面流量受上游内河水位及下游长江潮位共同影响。
全年引水潮次较排水潮次为多,一般有潮必引,排水相对集中在梅雨期、台风暴雨前后,当区域水环境需要改善时,适时排水后再引水;正常引排水时,闸门提出水面,流态为淹没式堰流,开关闸时上下游水位持平。
引排水时,上下游水位差一般很小,尤其小潮汛引水与一般排水时,水位差可小至0.03m甚至更小。
2定线方法根据测站设站目的、报汛与资料整编要求以及夏仕港闸工程情况,依据《水文资料整编规范》(SL247-2012)引排水均采用“一潮推流法”定线推流。
推进测报方式改革,探求水位流量关系单值化是基础。
本文依据2014年以来引水73潮次、排水66潮次实测点据,对该站引水一潮平均流量、一潮最大流量,以及排水一潮水量、一潮最大流量关系进行综合分析研究,可为全面推进测报自动化,实现流量(水量)实时在线、自动报汛提供必要依据。
3 历年流量定线方法3.1 引水一潮平均流量:2014年15个测点单独定线,2015年校测15个测点与2014合并定线,2016-2019年各年校测点均通过t检验。
一潮最大流量:2014年15个测点单独定线,2015年校测15个测点与2014年合并定线,2016年重新定线,2017年采用2014-2017年共52个测点合并定线,2018-2019年校测点均通过t检验。
3.2 排水一潮排水量:2015年22个测点单独定线,2016年校测16个测点通过t检验,2017年校测11个测点,并采用2015-2017年共49个测点合并新定线,2018-2019年校测点均通过t检验。
河道水位流量预报方法研究【摘要】本文结合洪水波的运动波近似值, 建立了河道洪水流量和水位预报方法。
为河道的规划设计和防洪调度提供了决策依据。
【关键词】河道水位流量预报方法变特征河长琼斯公式中图分类号: p332.3 文献标识码: a 文章编号:一.前言流量和水位是河道预报中最主要的水文要素。
为了研究建成后河段中河道流量和水位的变化过程, 本文对河道洪水流量和水位预报方法进行研究。
二.河道水位流量关系水位流量关系河渠中某断面的流量与其水位之间的对应状态。
这项关系要根据当地的不同水流情况的多次实测流量和其相应的水位来确定,通常用经验曲线、经验方程或表格等形式表达。
它是由各种水力因素(如水面宽、断面面积、水力比降、糙率等)决定的。
水位流量关系有稳定的,也有不稳定的。
流量测验技术比较复杂、耗资比较昂贵,难以连续进行,而连续地观读水位则容易办到,因此通常将连续的水位资料,通过水位流量关系推算、转换为连续的流量资料,供水文计算或水文预报分析使用;有时也因某种需要,由流量通过水位流量关系反推水位,如河道防汛水位,闸坝电站下游水位等。
所以,水位流量关系具有重要的实用意义。
1.稳定的水位流量关系。
在较长时期内,某断面的实测流量与相应水位的点据呈密集带状分布,可用一条单一曲线来表示。
这就是稳定的水位流量关系。
水位流量关系维持稳定,必须具备下列条件之一:(一)断面面积、水力比降和糙率等水力因素在同一水位时,维持不变。
(二)在同一水位时,上述各因素虽有变动,但其变动对水位流量关系的影响可以互相补偿。
在这种条件下,同一个水位,就只有一个相应的流量,水位流量关系就成为单一的曲线。
水文测站断面总是尽可能选择在那些具备基本稳定条件的地方,必要时,用人工铺设固定河床或在断面下游附近建造拦河低堰等方法来创造这种稳定条件。
应用稳定的水位流量关系对于编制逐日平均流量、洪水水文要素摘录表和因工程设计或防汛需要推求各种水位或流量都十分方便。
水位流量关系曲线的判读与应用水位流量关系曲线是描述河流或渠道中水位和流量之间关系的重要工具。
通过对水位流量关系曲线的判断和应用,可以帮助我们更好地了解水文特性、水资源调度,以及水工建设等方面的问题。
本文将以水位流量关系曲线为切入点,探讨其判断与应用。
一、水位流量关系曲线的判断水位流量关系曲线通常由一系列测控断面自上游至下游的水位和对应流量点组成。
判断水位流量关系曲线的关键是要了解曲线的特点以及事件发生可能对曲线造成的影响。
首先,我们可以通过观察曲线的整体形状来判断河流或渠道的水文特性。
对于一个平缓的河流,曲线呈现出类似“S”型,曲线的上升段比较平缓,而下降段则较为陡峭。
这表明在一定的水位范围内,流量的变化并不大;而当水位超过一定阈值时,流量的变化将急剧增加。
另外,对于一个险峻的河流,曲线的上升段较为陡峭,表明流量的变化对水位的响应很敏感。
其次,我们还可以根据曲线上的特殊点来判断曲线所处的状态。
例如,当曲线的水位流量变化过程中出现退水点,即水位持续下降而流量保持不变或逐渐增加时,可能存在泄漏现象。
另外,当曲线上出现临界点,即水位发生微小变动,却引起流量急剧变化时,可能存在水位控制点,需要引起重视。
最后,我们还要关注曲线上的异常点。
异常点通常是由于河道工程变化、气象变化或人为因素等引起的。
对于异常点的出现,需要通过进一步的调查分析来了解具体原因,并进行相应的修正,以确保曲线的准确性和可靠性。
二、水位流量关系曲线的应用水位流量关系曲线不仅可以帮助我们了解河流或渠道的水文特性,还可以应用于水资源调度、水工建设以及水灾预警等方面。
首先,水位流量关系曲线在水资源调度方面具有重要作用。
我们可以利用曲线预测不同水位下的流量变化,进而进行水资源的合理分配和利用。
例如,当水位达到一定高度时,根据曲线可以预测出流量的增加趋势,从而及时增加水库泄洪流量,防止水库溃坝。
其次,水位流量关系曲线在水工建设方面的应用也十分广泛。
长江口Sa分潮数值模拟研究杨锋;谭亚;王灶平;王志伟;蒋体孝【摘要】为更好研究长江口Sa分潮的特性,建立了大通至长江口感潮河段的二维水动力数学模型,通过模拟径流与潮汐共同作用下的水动力过程,并设置上下游不同条件的对照组,分析了河口段Sa分潮的影响因子及响应规律.结果表明,长江河口段Sa分潮由上游径流变化和外海Sa潮波共同作用产生,径流对上游站点影响占优、外海潮波对下游影响占优.径流使得河道内分潮振幅产生了沿程衰减的趋势,这是河口的Sa分潮特征不同于外海的原因,也说明径流是其主要的影响因子;而外海的Sa 潮波只给予了其一个沿程定值.Sa分潮振幅只受径流的年内变化大小和外海Sa潮波振幅大小影响,不受平均径流量和平均海面的影响.径流量的变化会导致沿程Sa分潮振幅发生响应变化,且上游比下游站点响应更敏感;外海Sa潮波振幅的变化会使沿程振幅发生大致等量的变幅.三峡建成后河口段Sa分潮振幅有所减小,年际变化减小.%In order to study the characteristics of Sa partial tide in Yangtze estuary, a two-dimensional hydrody-namic model for the tidal reach of the Datong-Yangtze River estuary was established. By simulating the hydrodynam-ics in response to runoff and tides and setting different upstream and downstream boundaries, the influence factors and responses of Sa at Yangtze River estuary reach were analyzed. The results show that the Sa partial tide at Yang-tze estuary is co-produced by runoff and tidal action. The influence on upstream sites comes mainly from runoff, and the influence on downstream is mainly from the offshore tide. The change during a year of runoff produces the decay trend along the way to the amplitude of Sa along the estuary reach;meanwhile, the offshore Sapartial tide gives a constant value to it, it′s the reason why the characteristic of the Sa along the estuary reach is different from in off-shore area, and it proves that the runoff is the main influence factor. The amplitude of Sa in estuary is only affected by the runoff and offshore Sa, but not by the average level in offshore and the average discharge of runoff. The change of the runoff′s variation during a year will affect the amplitude of Sa, and the upstream sites are more sensi-tive than downstream;the change of offshore Sa will produce a similar amount of change to it. After the completion of the Three Gorges project, theinte rannual variability and the average value of Sa′s amplitude reduced slightly.【期刊名称】《水道港口》【年(卷),期】2016(037)004【总页数】7页(P362-368)【关键词】长江河口;Sa分潮;数值模拟;三峡工程【作者】杨锋;谭亚;王灶平;王志伟;蒋体孝【作者单位】91650部队,广州510320;河海大学港口海岸与近海工程学院,南京210098;91458部队,三亚572000;91650部队,广州510320;91650部队,广州510320【正文语种】中文【中图分类】TV131.2;O242.1长江口属于中等强度潮汐河口,潮位变化既受外海潮波影响,也受上游径流来水影响,由于长江径流巨大,且季节差异明显,加之河口地形复杂,使得长江河口段的潮汐特性较为复杂。
长江下游及河口区水动力特征乔飞;郑丙辉;雷坤;周刚;柳青【摘要】Based on the EFDC model,a two-dimensional hydrodynamic model for the lower reaches of the Yangtze River and the estuary area was constructed.In this model,mutative scale and fitting border rectangular grids were used for space fitting.Dynamic time step and automatic identification of wet and dry grids during the simulation were applied to ensure the simulation accuracy and efficiency.The modeled results matched well with the monitored data including water level and flow direction in 1998 and 2005,and the model was verified to reflect the hydrodynamic characteristics of the research area.The model was used to simulate the hydrodynamics in different water periods from 2004-2007,and results showed that flow state in the reaches and estuary were significantly different,and the water path and tidal flows had large differences in space during periods of the flood and ebb tides.Due to the interactions between runoff and tide range,the tide boundary changed from 150 to 450 km from estuary to upstream of the river,and had a logarithmic relationship between tide boundary distance and runoff amount.The runoff varied largely among different floodings,dry and normal season,and played a significant role in total flow into sea and transport time,and the different quantitative relationships were created.%基于EFDC模型,构建长江下游及河口区二维水动力模型,对河流和河口区进行整体模拟,研究长江下游及河口区水动力特征.模型在空间上采用变尺度、拟合边界的矩形网格,在时间上采用动态时间步长,在模拟过程中自动识别干湿网格,更好地保证模拟精度与效率.利用1998年冬季以及2005年夏季和秋季实测资料,对粗糙高度等敏感参数进行参数率定和验证.结果表明,模拟的潮位和流速与实测成果拟合较好,较好地反映了各水期长江下游及河口区的水动力要素的空间分布特征.应用模型模拟2004-2007年不同水期的水动力过程,并对模拟结果进行统计分析.研究显示:从空间来看,河道、河口流态存在显著差异,涨、落潮流场空间分布差异大;受径流和潮差的相互作用,潮流界在河口以上150~450 km之间变动,径流量和潮流界位置具有对数相关关系.从时间来看,径流量丰平枯变化大,对潮流量和径流入海时间都有一定的影响,潮流量、径流入海时间与径流量之间也存在明显的定量关系.【期刊名称】《环境科学研究》【年(卷),期】2017(030)003【总页数】9页(P389-397)【关键词】长江;河口;水动力模拟;潮流;EFDC【作者】乔飞;郑丙辉;雷坤;周刚;柳青【作者单位】中国环境科学研究院,北京 100012;中国环境科学研究院,北京100012;中国环境科学研究院,北京 100012;中国环境科学研究院,北京 100012;中国环境科学研究院,北京 100012【正文语种】中文【中图分类】X143长江下游感潮河段及河口区同时受到河流动力作用(上游径流的下泄)和海洋动力作用(潮流运动)两方面的影响,水位、流量、泥沙等水文要素和流速、流向等水力要素变化规律非常复杂,对航运、工程及环境有很大的影响[1].众多学者通过大量的现场观测工作,对长江冲淡水、余流、羽状锋形成机制等方面进行了深入研究,分析长江下游及河口区的水文水力特征.乐肯堂[2]提出了长江冲淡水路径研究的模式,并分析了风场对路径的作用.廖启煜等[3]从不同季节径流水位和海区盐度的变化分析长江冲淡水的扩展机制,分析了长江冲淡水及其混合问题,研究了长江冲淡水转向特征,探讨冲淡水影响规律和原因.浦泳修等[4]通过观测数据统计,分析了长江冲淡水扩展方向的周、旬时段变化.陈沈良等[5]在实际观测的基础上分析了长江径流与潮流形成的羽状锋的屏障效应,揭示其对长江口水下三角洲塑造的影响.朱建荣等[6]通过2000年8月的冲淡水和羽状锋的观测,分析了局部水动力的特征和影响因子.这些观测、实验资料及分析成果成为进一步研究长江口水动力机制必要条件,也可为长江污染物输送研究[7]提供参考.与此同时,应用数学模型开展长江口水动力机制研究的工作也全面展开.李浩麟等[8]运用有限差分和有限元相结合的方法,离散了潮汐非恒定流的三维运动方程和连续方程,模拟长江河口潮汐河道中的三维流速分布和潮位随时间的变化过程.赵士清[9]利用二维平面数值模型,研究了长江口水动力过程,揭示水流平面规律,并提出了一个垂向分为三层的长江口潮流三维数学模型,在减少计算量的同时可以分析水流的垂向分布.刘子龙等[10]在水平方向平面采用了正交曲线贴体坐标系统,垂向采用无量纲化变换,对长江口潮流进行了三维数学模拟.CHANG等[11]用数学模型研究了长江冲淡水的分布规律.龚政等[12]对长江口水域进行三维水动力数值模拟研究,讨论斜压对流场的影响.张素香[13]利用EFDC模型对长江口和杭州湾海区进行了三维水动力模拟,揭示径流潮流作用动力机制.卢丽锋[14]采用COHERENS模型中的三维水动力模块研究了长江河口羽状流扩散与混合过程的时空变化及其控制因素.综上可以看出,初期的数值模拟研究多集中在模型开发和改进,而近期数值模拟研究的重点逐渐向模型的应用和拓展方面转变.当前围绕长江河口展开的研究工作较多,而对长江下游感潮河段与河口进行的整体研究相对较少.为进一步系统地了解长江下游及河口区复杂的水动力特征,笔者构建了包含长江下游感潮河段、长江口及其毗邻区域为一体的二维水动力模型,旨在揭示径流、潮流作用下长江下游及河口区水动力过程的变化特征和内在影响规律,以期为进一步研究长江口径流潮流相互作用、污染物输送等提供支持.长江每年约有9.24×1011m3的淡水倾泻入海,约占渤海、黄海、东海主要入海径流量的80%以上,占东海径流量的92%左右.长江下游约有长达624 km的感潮河口段,是我国最长的感潮河段,感潮河段潮位和潮流量关系复杂,径流和潮流的相互作用的不断变化,潮流界位置[15]和余流均呈明显的季节性变化[16],涨落潮流速和历时也呈现出明显的不对称性[17].长江口是丰水、多沙、中潮、有规律分汊的三角洲河口,水动力要素复杂,主要有径流、潮流、波浪、盐水楔异重流等,径流、潮流是长江口的主要动力因素.长江口潮流在横沙岛以上有固定边界的河段内为往复流,并且落潮流速一般大于涨潮流速,在口外近海区域逐渐过渡为顺时针方向的旋转流.北槽以上段以往复流为主,而下段旋转流性质增强.长江径流和潮流相互作用,形成了复杂的动力过程.水动力模拟研究的上游边界为大通水文站,东边界至122.5°E,南到杭州湾南侧,向北到吕四港以北,包含了长江下游整个河道及长江口、杭州湾临近海域,研究区的选择将有助于揭示长江径流和潮流相互作用下,河道、河口及海区的水动力特征,详细区域见图1.2.1 模型选用水动力模拟区域包含长江下游感潮河段及整个河口区,河道与河口在横向尺度上存在很大的差异,并且区域水动力过程复杂,对模型适用性的要求较高.EFDC模型由US EPA(美国国家环境保护局)推荐,能够模拟一维、二维、三维水流计算,在河流[18-20]、湖泊[21-22]、水库[23-24]、河口[25-30]等多类水体都得到成功应用,在水质[31]、富营养化[32]、突发事件应急[33]、温排水[34]、泥沙输移[35]、湿地[36]、TMDL(日最大负荷分配)[37]等领域得到广泛应用,并体现了很好的适用性,并且在长江口区域也有成功的应用[13,15,29-30],可用于水动力模拟研究.2.2 模型控制方程EFDC模型的控制方程组基于纵向尺度远大于垂向尺度的薄层流场,采用垂向静压假定,模拟不可压缩的变密度流场.在水平方向上,将x-y直角坐标转换为曲线正交坐标系统,以实现对不规则边界的精确拟合.在垂直方向上进行σ变换,将实际水深转换为0~1,因而模型的垂向精度保持一致,可以更好地拟合底层边界.基本控制方程:式中:z为单位化后的相对水深,无量纲;z*为垂向分层后某一层的实际水位,m;ζ为水体自由表面水位,m;h为水下地形高程,m,用基准面以下深度表示,低于基准面为正值,高于基准面为负值.水平动量方程:在(0,1)的区间内对连续方程进行垂向积分,根据垂向边界条件,当z=0、w=0和当z=1、w=0时,可得垂向积分的连续方程:式中:u和v为正交曲线坐标系中的x和y方向的水平流速分量,m s;g为重力加速度,m s2;mx和my分别为x和y方向的尺度转换因子,m;m=mxmy,m2; f为科氏力,s-1;w为σ坐标系下的垂向的流速分量,m s,它与 z坐标系下垂向流速 w*的关系为 w= w*-z(tζ+u myyζ)+(1-z)(u myxh+v myyh);总水深H=h+ζ,是相对于未扰动水深z*=0的水深和自由表面高程(水位)的和,m;ρ为相对于参考静压密度的压力项,m2s2;Av为垂向湍粘性系数,m2s;Qu和Qv为动量的源汇项,m4s2;b为浮力项,无量纲,b=(ρ-ρ0) ρ0;ρ为密度,g m3,是温度(T)、盐度(S)和压力(ρ)的函数;ρ0为参考密度,g m3;在温度和盐度的输运方程中,QS和QT为盐度和温度的源汇项;Ab为垂向湍流扩散系数,m2s.3.1 网格设置水动力模型包含范围较广,河道、河口和海区各区域水体空间尺度变化较大,为了尽可能在满足不同区域计算精度的同时保持较高的计算效率,水动力模型采用变尺度网格系统.大通—徐六泾之间采用500 m×500 m正方形网格,徐六泾以下的长江口区域采用1 500 m×500 m的矩形网格,杭州湾、舟山海区采用1 500m×1 500 m正方形网格.网格总数目为718×466个,有效网格数目为43 008个(见图2).由于长江河道和河口横向尺度远小于海区,并且河道高程变化剧烈,模型采用动边界处理技术,动态设置干湿网格.为更好地拟合河道边界,在边界处采用半网格(直角三角网格),详见图3.3.2 条件设置3.2.1 初始条件长江口属于强对流河口,水动力模型达到稳定所用时间较短.因此,模型采用冷启动模式,初始潮位取憩流时刻的平均潮位,初始流速取零,河流水深取年均水深.3.2.2 边界条件模型上游设置为流量型边界,采用大通站实测日平均流量系列;模型下游设置为压力型边界,3个开边界采用逐时潮位序列,由潮汐预报模型和潮汐表插值计算得到.3.3 参数设置3.3.1 时间步长设置为提高模型计算效率,时间步长采用动步长,基准步长设置为1 s,实际步长由模型根据实时克朗数(CFL)情况自动调整,经统计平均时间步长为30 s左右,平水期和枯水期稍大,丰水期稍小.3.3.2 其他参数设置水平涡黏系数采用Ax=Ay=100 m2s,扩散系数采用1×10-5m2s,粗糙高度是EFDC模型中表征河流底板对水体阻力的变量,相当于曼宁公式中的糙率的作用,参考相关文献[11-13],按区域划分,徐六泾以上采用 0.015 m,徐六泾至长江口门之间采用0.001 m,杭州湾及其他海区采用0.01 m.3.4 模型验证为保证模型的可靠性和适用性,水动力模型验证采用3组不同水期的潮流和径流资料:①枯水期,1998年1—2月;②丰水期,2005年6—7月;③平水期,2005年10—11月.枯水期潮位验证站位多分布在河口区,上游河道区主要通过大通、江阴、徐六泾水位进行验证,流速验证点主要分布在河口区.丰水期和平水期,潮位和流速验证点位一致,主要分布在河口区和近海区域,上游河道主要通过大通水位进行验证,流速验证点位全部分布在河口区,详见图4.3.4.1 水量守恒验证在模拟计算过程中,模型上游输入长江大通站日流量,径流与潮流相互作用,通过河口进入东海.从水量平衡来讲,上游输入的水量与下游控制断面的净下泄水量应该保持一致.统计模型计算徐六泾断面的净下泄流量,与大通输入流量进行对比,以验证模型水量平衡.由图5可见,枯水期大通站输入水量和徐六泾断面下泄水量偏差最小,仅为1.8%;平水期最大,为2.8%,丰水期为2.2%.由图6可见,3个水期徐六泾下泄流量与大通流量过程一致,平水期和枯水期一致性更好.整体来看,3个验证期两个断面水量差别不大,反映了不同径流输入条件下长江径流输入与下泄水量的平衡,很好地体现出了模型守恒性.3.4.2 潮位水位验证对模拟潮位与实测潮位进行对比,从对比结果(见图7)来看,长江口门以外区域的点位受潮流影响更大,较好地反映出近海潮位变化过程,从潮位对比过程来看,大潮期间在潮位、潮型、相位方面均拟合很好.南槽验证点的潮位过程无论是相位还是潮位均拟合较好.北支和北槽验证点大潮期间整体拟合较好,小潮的落潮的低水位稍高,这可能与局部地形概化精度有关.位于长江潮流区内的徐六泾、江阴两站,大潮验证很好,小潮落潮低潮位偏高.大通站位于最上游,水位拟合很好,基本不受潮流影响,与实际情况一致.3.4.3 流速验证从流向对比结果(见图8)来看,长江口门以上站位明显为往复流,长江口外站位明显为顺时针旋转流,模拟结果与实测结果完全一致.从流速对比结果(见图8)来看,大部分验证点流速绝对值变化过程和趋势一致,偏差较小;部分站位极值流速偏差相对较大,这可能是局部地形概化精度所致.整体来看,长江口流速模拟较好,能够反映长江口的基本情况.模拟2004—2007年枯水期(1—2月)、丰水期(6—7月)、平水期(10—11月)的水动力过程,并对长江下游及河口区水动力空间特征、时间特征,及径流、潮流相互作用等情况进行分析讨论.4.1 空间特征河口区大潮流速明显大于小潮流速,落潮流历时大于涨潮流历时,在小潮期间体现最为明显,越往上游这一特点越明显.长江口在南北槽口以上水流为往复流,在南北槽口以外,水流均为明显的顺时针旋转流.涨潮时,南、北港流速最大,水流通过南北港进入南支;落潮时,北槽和北港流速最大,水流通过北槽和北港进入近海,详见图9.受径流和潮差的影响,长江潮流界变动范围很大.在枯水大潮时,潮水能够上溯到河口以上450 km左右;而在丰水小潮时,潮水仅能够上溯到河口以上150 km左右.河口上游150~450 km是潮流和径流影响最大的区域,450 km以上区域径流作用比较明显,而150 km以下区域潮流作用更明显.对2004—2007年模拟结果进行统计发现,在徐六泾潮差确定的情况下,径流与潮流界呈对数相关关系,相同流量下,潮差导致潮流界的变幅能够达到200 km左右,这一结论与沈焕庭等[1]的实测结果基本一致,详见图10.4.2 时间特征徐六泾净下泄流量与大通站平均流量基本一致,流量偏差与上游流量无明显关系,从2004—2007年各水期模拟结果来看,平水期平均流量为21 104 m3s,水量偏差最大,为3.2%;丰水期平均流量为39 574 m3s,水量偏差最小,为1.0%;枯水期平均流量为11 974 m3s,水量偏差为1.7%.这一结果与径流、潮流作用机制相符合.长江径流与潮流相互作用,各水期上游流量不同,流量越大,徐六泾断面总下泄水量也越大;潮流量越小,枯水期潮流影响最大,平水期次之,丰水期潮流影响最小.对模拟结果进行统计分析,径流量与潮流量、径潮比之间存在明显的相关关系(见图11).丰水期径潮比达到2.5,平水期大约为1.0,而枯水期仅为0.5左右.这一结果与丰水期径流主导,枯水期潮流主导的结论一致.长江径流量大小与径流入海所需时间也有着一定的关系,径流量越大,入海所需时间越短,枯水期径流入海所需时间长,而丰水期径流入海所需时间较短.在大通断面放入指示剂,通过分析徐六泾断面指示剂浓度来分析径流从大通断面流至徐六泾断面的时间,从统计结果来看,大通流至徐六泾的入海时间与径流量之间存在一定的相关关系(见图12).枯水期大通站流至徐六泾的平均时间为23.8~36.1 d,丰水期为9.4~13.1 d,平水期为11.3~16.8 d.a)基于EFDC模型,构建长江下游及河口区二维水动力模型.为了保证更好地适应地形条件,模型采用变尺度矩形网格系统,大通—徐六泾之间采用500 m×500 m正方形网格,徐六泾以下的长江口区域采用1 500 m×500 m的矩形网格,海区采用1 500 m×1 500 m正方形网格,弯道边界处采用三角形网格,有效网格数目为43 008个.时间步长采用动步长模式,平均步长达到30 s左右,以提升模型稳定度和计算效率.b)利用1998年冬季、2005年夏季和秋季资料实测资料,对模型进行参数率定和模型验证.模拟的潮位和流速与实测成果拟合效果较好,潮位保证区间水量平衡,流速保证区间水流运移路径准确.从各水期的验证结果来看,水动力模型很好地再现了长江下游河口水动力过程和特征.粗糙高度是影响水动力模拟效果的重要参数,按区域分别给出,徐六泾以上采用0.015 m,徐六泾至长江口门之间采用0.001 m,杭州湾及其它海区采用0.01 m,河道、河口、海区存在一定的差异.c)应用模型模拟2004—2007年各水期的水动力过程,并对模拟结果进行统计分析.从空间特征来看,水流在河道内为往复流,在河口区为顺时针旋转流.长江潮流界随着径流与潮差的变化在河口上游150~450 km之间移动,在确定潮差下,径流与潮流界之间具有明显的对数相关关系.从时间特征来看,不同水期径流量存在一定的差异,而径流量与潮流量和径流入海时间之间也有较明显的定量关系.【相关文献】[1]沈焕庭,朱建荣,吴华林,等.长江河口陆海相互作用界面[M].北京:海洋出版社,2009.[2]乐肯堂.长江冲淡水路径的初步研究:Ⅰ.模式[J].海洋与湖沼,1984,15(2):157-167.LE Kentang.Apereliminary study of the path of the Changjiang diluted water model [J].Oceanologia et Limnologia Sinica,1984,15(2):157-167.[3]廖启煜,郭炳火,刘赞沛.夏季长江冲淡水转向机制分析[J].黄渤海海洋,2001,19(3):19-25.LIAO Qiyu,GUO Binghuo,LIU Zanpei.Analysis of direction change mechanism of the Changjiang River diluted water in summer [J].Journal of Oceanograpgy of Huanghai&Bohai Seas,2001,19 (3):19-25.[4]浦泳修,黄韦艮,许建平.长江冲淡水扩展方向的周、旬时段变化[J].东海海洋,2002,20(2):1-5.PU Yongxiu,HUANG Weigen,XU Jianping.Thespreading direction changeof the Changjiang River diluted water in 7-10 days [J].Donghai Marine Science,2002,20(2):1-5.[5]陈沈良,谷国传,胡方西.长江口外羽状锋的屏障效应及其对水下三角洲塑造的影响[J].海洋科学,2001,25(5):55-57.CHEN Shenliang,GU Guochuan,HU Fangxi.The barrier effect of plume front on the submerged delta development of Yangtze River estuary[J].Marine Sciences,2001,25(5):55-57.[6]朱建荣,丁平兴,胡敦欣.2000年8月长江口外海区冲淡水和羽状锋的观测[J].海洋与湖沼,2003,34(3):249-255.ZHU Jianrong,DING Pingxing,HU Dunxin.Observation of the dikuted water and plume front off the Changjiang river estuary during august 2000[J].Oceanologia et Limnologia Sinica,2003,34 (3):249-255.[7]乔飞,孟伟,郑丙辉,等.长江流域污染负荷核算及来源分析[J],环境科学研究,2013,26(1):80-87. QIAO Fei,MENG Wei,ZHENG Binghui,et al.Pollutant accounting and source analyses in the Yangtze River basin[J].Research of Environmental Sciences,2013,26(1):80-87.[8]李浩麟,易家豪.河口浅水方程的隐式和显式有限元解法[J].水利水运科学研究,1983(1):44-48.LI Haolin,YI Jiahao.Implicit and explicit finite element methods of shallow water equalitions in estuarys[J].Hydro-Science and Engineering,1983(1):44-48.[9]赵士清.长江口潮流的一种数值模式[J].海洋与湖沼,1985 (1):8-20.ZHAO Shiqing.A numerical model for tidal current in the Changjiang River estuary [J].Oceanologia et Limnologia Sinica,1985(1):8-20.[10]刘子龙,王船海,李光炽,等.长江口三维水流模拟[J].河海大学学报,1996,24(5):108-110.[11] CHANG P H,ISOBE A.A numerical study on the Changjiang diluted water in the Yellow and East China Seas[J].Journal of Geophysical Research Atmospheres,2003,108(C9):151-157.[12]龚政,张长宽,张东生,等.长江口正压、斜压诊断及斜压预报模式-三维流场数值模拟[J].海洋工程,2004,22(2):39-45.GONG Zheng,ZHANG Changkuan,ZHANG Dongsheng,et al.3-D current numerical models of Yangtze Estuary with barotropic mode,baroclinic-diagnosis mode and baroclinic-prediction mode[J].The Ocean Engineering,2004,22(2):39-45.[13]张素香.长江口水动力模拟及水质模拟[D].南京:河海大学,2007.[14]卢丽锋.长江河口羽状流扩散与混合过程的数值模拟[D].上海:上海交通大学,2008.[15]宋兰兰.长江潮流界位置探讨[J].水文,2002,22(5):25-27.SONG Lanlan.Research on the location of tidal current limit of Yangtze River[J].Hydroology,2002,22(5):25-27.[16]孔亚珍,丁平兴,贺松林.长江口邻近海域余流的基本特征分析[J].海洋科学进展,2007,25(4):367-375.KONG Yazhen,DING Pingxing,HE Songlin.Analysis of basic characteristics of residual current in the Changjiang River estuary and adjacent sea areas[J].Advances in Marine Science,2007,25 (4):367-375.[17]王彪,朱建荣,李路.长江河口涨落潮不对称性动力成因分析[J].海洋学报,2011,33(3):19-27.WANG Biao,ZHU Jianrong,LI Lu.A study on the dynamics of the asymmetry between flood and ebb in the Changjiang Estuary[J].Acta Oceanologica Sinica,2011,33(3):19-27.[18]齐珺,杨志峰,熊明,等.长江水系武汉段水动力过程三维数值模拟[J].水动力学研究与进展A辑,2008,23(2):212-219.QI Jun,YANG Zhifeng,Xiong Ming,et al.Three-dimensional modeling of hydrodynamic processes in the Wuhan catchments of the ChangJiang River[J].Journal of Hydrodynamics(Ser.A),2008,23(2):212-219.[19] SANGMAN J,KYUSUNG Y,YOUNGTECK H,et al.Salinity intrusion characteristics analysis using EFDC modelin the downstream of Geum River[J].Journal of Environmental Sciences,2010,22(6)934-939.[20] LI Jian,LI Danxun,WANG Xingkui.Three-dimensional unstructured-mesh eutrophication model and its application to the Xiangxi River,China[J].Journal of Environmental Sciences,2012,24(9)1569-1578.[21] CHEN Qiuwen,TAN Kui,ZHU Chuanbao,et al.Development and application of a two-dimensional water quality model for the Daqinghe RiverMouth oftheDianchiLake [J].Journalof Environmental Sciences,2009,21(3):313-318.[22] MISSAGHIA S,HONDZOB M.Evaluation and application of a three-dimensional water quality model in a shallow lake with complex morphometry[J].Ecological Modelling,2010,221(11): 1512-1525.[23] LINDIM C,PINHO J L,VIEIRA J M P.Analysis of spatial and temporal patterns in a large reservoir using water quality and hydrodynamic modeling[J].Ecological Modelling,2011,222(14): 2485-2494.[24]伍悦滨,徐莹,田禹,等.磨盘山水库温度场的数值模拟[J].哈尔滨工业大学学报,2010,42(6):925-929.WU Yuebin,XU Ying,TIAN Yu,et al.Numerical simulation of temperature fields in Mopanshan reservoir[J].Journal of Harbin Institute of Technology,2010,42(6):925-929.[25]谢锐,吴德安,严以新,等.EFDC模型在长江口及相邻海域三维水流模拟中的开发应用[J].水动力学研究与进展A辑,2010,25(2):165-174.XIE Rui,WU Dean,YAN Yixin,etal.Application and improvement of the EFDC in numerical simulating of Yangtze River Estuary and adjacent sea[J].Journal of Hydrodynamics(Ser.A),2010,25(2):165-174.[26]任华堂,陶亚,夏建新,等.旱季深圳湾水污染输移扩散特性研究[J].水力发电学报,2010,29(4):132-139.REN Huatang,TAO Ya,XIA Jianxin,et al.Study on characteristics of mass transport and diffusion in Shenzhen bay during dry season [J].Journal of Hydroelectric Engineering,2010,29(4):132-139.[27]王翠,孙英兰,张学庆.基于EFDC模型的胶州湾三维潮流数值模拟[J].中国海洋大学学报,2008,38(5):833-840.WANG Cui,SUN Yinglan,ZHANG Xueqin.Numerical simulation of 3D tidal currents based on the EFDC model in Jiaozhou Bay[J].Periodical of Ocean University of China,2008,38(5):833-840.[28]姜恒志,沈永明,汪守东.瓯江口三维潮流和盐度数值模拟研究[J].水动力学研究与进展A辑,2009,24(1):63-70.JIANG Hengzhi,SHEN Yongming,WANG Shoudong.Numerical simulation study on three-dimensional tidal flow and salinity in the Oujiang Estuary[J].Journal of Hydrodynamics(Ser.A),2009,24 (1):63-70.[29] Xi Li,WANG Yigang,ZHANG Suxiang.Numerical simulation of water quality in Yangtze Estuary[J].WaterScience and Engineering,2009,2(4):40-51.[30]乔飞,孟伟,郑丙辉,等.长江流域污染物输出对河口水质的影响[J].环境科学研究,2012,25(10):1126-1132.QIAO Fei,MENG Wei,ZHENG Binghui,et al.Influence of pollutants exported from the Yangtze River Basin on water quality in the estuary [J].Research of Environmental Sciences,2012,25 (10):1126-1132.[31]郑晓琴,丁平兴,胡克林.长江口及邻近海域夏季温盐分布特征数值分析[J].华东师范大学学报(自然科学版),2008(6):14-23.ZHENG Xiaoqin,DING Pingxing,HU Kelin.Numerical analysis of characteristics of temperature-salinity distributions at the Changjiang Estuary and its adjacent areas in summer[J].Journal of East China Normal University(Natural Science),2008(6):14-23.[32] PARK K,JUNG H S,KIM H S,et al.Three-dimensional hydrodynamic-eutrophication model(HEM-3D):application to Kwang-Yang Bay,Korea[J].Marine Environmental Research,2005,60(2):171-193.[33]任华堂,陶亚,夏建新.深圳湾水环境特性及其突发污染负荷响应研究[J].应用基础与工程科学学报,2011,19(1):52-63.REN Huatang,TAO Ya,XIA Jianxin.Characteristics of Water Environment and Response to Sudden Loads of Pollution due to Accidents in Shenzhen Bay[J].Journal of Basic Science and Engineering,2011,19(1):52-63.[34]何国建,赵慧明,方红卫.潮汐影响下电厂温排水运动的三维数值模拟[J].水力发电学报,2008,27(3):125-131.HE Guojian,ZHAO Huiming,FANG Hongwei.3D numerical simulation for flow and heat transport of power plant affected by tide [J].Journal of Hydroelectric Engineering,2008,27(3):125-131.[35] KONG Q R,JIANG C B,QIN J J,et al.Sediment transportation and bed morphology reshaping in Yellow River Delta[J].Science China Technological Sciences,2009,52(11):3382-3390.[36]李兴,李畅游,勾芒芒,等.挺水植物对湖泊水质数值模拟过程的影响[J].环境科学,2010,31(12):2890-2895.LI Xing,LI Changyou,GOU Mangmang,et al.Influence on Emerged Plant in the Process of Numerical Simulation About Lake Water Quality [J].Environmental Science,2010,31(12):2890-2895.[37] ZHAO Lei,ZHANG Xiaoling,LIU Yong,et al.Three-dimensional hydrodynamicand water quality model for TMDL development of Lake Fuxian,China[J].Journal of Environmental Sciences,2012,24(8):1355-1363.。
感潮河段确定水位流量关系方法探讨陈慧莎【摘要】感潮河段受潮汐影响,同一水位下流量变幅大,难以确定其水位流量关系,给水文报汛及防灾减灾工作造成影响.通过分析2008.6大洪水期间,珠江三角洲河口区上下游站点不同的洪潮组合,采用传统方法及移动平均法进行感潮河段水位流量关系的定线,发现25 h移动平均法简便快捷,能准确确定水位流量曲线走向,对涨潮平均潮差减小超过40%的感潮河段定线有极大的帮助,比实测点及传统方法定线效果更优.该方法对其他感潮河段水位流量关系曲线确定具有参考价值.【期刊名称】《广东水利水电》【年(卷),期】2019(000)003【总页数】6页(P5-10)【关键词】感潮河段;水位流量关系;移动平均法【作者】陈慧莎【作者单位】广东省水文局佛山水文分局, 广东佛山 528000【正文语种】中文【中图分类】P3331 概述感潮河段受潮流影响,水流往复变化,难以形成稳定的水位流量关系。
在洪水期,受上游来水影响,感潮河段往往形成洪潮交叠的水文情势,同一水位下流量仍可能会有较大变化,难以确定水位流量关系,给感潮河段的水文报汛和防灾减灾工作造成一定影响。
考虑到潮汐有明显的周期性特征[1],本文以珠江三角洲河口区内水文站点为例,采用去周期性的方法辅助感潮河段水位流量关系曲线定线,并分析在不同洪潮组合情况下,各种定线方法的适用性。
2 研究区域及数据来源珠江三角洲河口区位于广东省中南部,是由东、西、北江及注入三角洲的各河流组成的复合三角洲(见图1所示)。
该区域的潮汐类型为不规则混合半日周潮,涨潮平均潮差为0.42~2.09 m,涨潮最大潮差为2.41~3.99 m,属弱潮河口,多年平均涨潮总量值为3 762亿m3,多年平均落潮总量值为7 022亿m3,净泄量为3 260亿m3。
西江潮区界上溯到德庆—梧州,北江潮区界上溯到马房—芦苞[2]。
珠江三角洲河口区地处珠江流域下游,洪水预见期较长,洪水特征呈现量大时长、洪水次数较多的特点[3]。
长江感潮段沿江引水闸过闸流量的自动控制钱福军;钱江【摘要】根据感潮河段水文特点,分析了感潮段沿江引水闸传统控制方式存在的缺陷,提出了利用水闸自动监控实现水闸过闸流量的自动调节的方式,较好解决了传统控制方式存在的缺陷.结合高港节制闸流量自动调节控制技术的应用,对该技术进行了全面的介绍.【期刊名称】《中国水利》【年(卷),期】2014(000)010【总页数】3页(P36-38)【关键词】感潮河段;沿江引水闸;自动控制【作者】钱福军;钱江【作者单位】江苏省泰州引江河管理处,225321,泰州;江苏省泰州引江河管理处,225321,泰州【正文语种】中文【中图分类】TV633;TP89传统的水闸控制方式为强电就地控制和强电集中控制,随着计算机及自动控制技术的应用,水闸的控制方式升级为计算机远方控制,管理人员可在控制中心实现对闸门的远方操作。
在大部分的水闸工程上,闸门开启高度及启闭顺序主要靠人工来进行测算和控制:根据水闸的水位组合情况和上级调度指令要求,先查“始流时闸下安全水位—流量关系曲线”,确定初始可泄放的最大流量,然后根据调度指令要求的流量,从“闸门开高—水位—流量关系曲线”中查得闸门开启高度,当要求达到的流量大于始流值时,则必须分步开启,过闸流量必须与上下游水位相适应,使水跃发生在消力池内。
开闸时由中间向两边依次对称开启,关闸时次序相反。
一、感潮河段沿江引水闸控制运用的特殊性在水闸上下游河(渠)系水位变化度幅不大、不频繁时,上述控制方式基本满足了水闸的使用要求。
但长江下游感潮河段的沿江引水闸,侧水位受长江中上游暴雨洪水和长江口海洋潮汐等综合因素的影响,变化幅度大、频繁,传统控制方式无法动态跟随水位变化及时调节闸门开高,出现引水不足或超设计流量运行等情况。
一是水位变化的不规则性,往往使闸引水流量无法准确控制。
过闸流量受上下游水位组合及闸门开高双重因素影响,闸门不能及时跟踪调整,流量易失去控制。
二是保证工程安全应用,运值人员须按水位变化情况,查表测算开高,及时调整闸门高度,以满足流量调度要求。
【摘要】水位预测预报是长江电子航道图的一项重要功能,在可获取的水文资料有限的情况下,通过确定站点流量与水位间的关系,用预测的流量值进一步预测水位是常常采用的一种办法。
本文分别采用一元二次回归分析和多元线性回归的方法来确定宜昌站点流量与水位间的关系,并对这两种方法的回归预测精度进行了比较,发现在宜昌站流量与水位关系的确定方法中,多元线性回归要优于一元二次回归。
【关键词】长江电子航道图;流量与水位关系;回归分析【中图分类号】U612文献标识码:A文章编号:1006-7973(2016)03-0024-04两种方法在宜昌水位与流量关系确定中的应用比较宋发智(长江宜昌航道局湖北宜昌443000)1概述水位对于长江航道维护尺度的确定以及航运船舶合理配载具有十分重要的指导意义。
长江电子航道图系统的水位预测预报信息服务功能满足了这种需求。
可获取的长江干线及支流的水文资料非常有限,水位预测预报的一些关键站点通常采用先预测流量,再根据该站点流量与水位的关系来预测水位。
对于大埠街至中水门河段的宜昌站点的水位预测,一般根据上游来水情况、三峡—葛洲坝水利枢纽调度情况、流域降水情况等,先预测其流量,再根据宜昌流量与水位的关系来确定宜昌水位。
因此,建立站点流量与水位之间的关系非常重要。
2流量与水位关系流量水位关系指的是河渠中某断面的流量与其水位之间的对应状态,它是由各种水力因素,如水面宽、断面面积、水力比降、糙率等决定的。
在较长时期内,河渠具备下列条件之一,则认为流量与水位关系是稳定的:①断面面积、水力比降和糙率等水力因素在同一水位时,维持不变;②在同一水位时,上述各因素虽有变动,但其变动对水位流量关系的影响可以互相补偿。
这种情况下,同一个水位只有一个相应的流量,即给定一个流量可以唯一地确定与之对应的水位。
然而,实际上受一种或几种因素的影响,流量与水位的关系不会是理想的稳定状态,即给定一个流量值并不能唯一地确定与之对应的水位,同一流量具有多个水位与之对应,同一流量下对应的水位虽大致相近,但是也存在一定的差值。