QOS测试用例和测试步骤
- 格式:docx
- 大小:1.53 MB
- 文档页数:26
6。
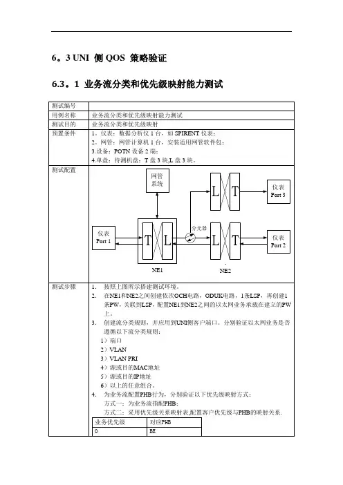
3 UNI 侧QOS 策略验证6.3。
1 业务流分类和优先级映射能力测试6。
3。
2 基于流分类的访问控制列表(ACL)能力测试6.3。
3 色敏感功能验证1.按测试配置连接网络。
2.在NE1和NE2之间创建依次OCH电路,ODUK电路,1条LSP,配置1条PW 复用到这条LSP,配置NE1到NE2之间的以太网EVP—line业务,设置业务的VLAN ID=100。
3.创建流分类规则,并将该规则应用到业务所使用的客户侧端口.4.配置以太网业务的PIR=800M、CIR=200M.5.配置入口优先级与三色报文的映射表:pri=0、2、4、7的包为黄色,pri=1、3、5、6的包为绿色。
6.配置色敏感模式,配置Meter后的三色报文与出标签的EXP的映射表:为绿色和黄色报文分别制定不同的EXP,例如设置绿色7,黄色4。
7.数据网络性能分析仪向端口1分别发送如下数据包:1)发送:Vid=100,prio=1、3、5、6的单一或混合包,改变发送速率(分别为100M和300M)。
2) 发送:Vid=100,prio=0、2、4、7的单一或混合包,改变发送速率(分别为100M和300M)。
8.改变参数PIR、CIR、两个映射表,重做以上测试;9.通过仪表监测NNI接口上的数据帧,并分析结果。
10.关闭入口的色感知,配置为色盲模式。
11.发送:Vid=100,prio=0、2、4、7的单一或混合包(黄色报文),改变发送速率(分别为100M和300M).12.通过仪表监测NNI接口上的数据帧,并分析结果。
6.4 NNI 侧QOS 策略验证6.4.1优先级调度测试6。
4.2拥塞控制策略测试6.4.3接入速率控制测试6。
4。
4连接允许控制(CAC)机制6.4。
5客户业务优先级重映射能力6。
5 UNI 侧QOS 策略验证----步骤6.4.1业务流分类和优先级映射能力测试-—-—步骤1.依次配置好OCH,ODUK,TUNNEL,PW,L2VPN,保证业务能正常通信;2.业务流分类测试步骤:1)配置业务留分类规则(如图):PTN相关配置———-ACL配置(新增),需要填写入口的“槽位号”;“端口号”;“ACL流分类"为“是”。
主流程核心功能测试用例在软件开发过程中,测试是确保软件质量和稳定性的重要环节。
而测试用例则是测试过程中的重要工具,用于验证软件功能是否符合需求和预期。
针对软件的主流程核心功能,测试用例的设计尤为重要。
下面我们将介绍一些主流程核心功能测试用例的设计方法。
1. 登录功能测试用例:测试目标,验证用户能够成功登录系统。
测试步骤:1. 输入正确的用户名和密码,点击登录按钮。
2. 输入错误的用户名和正确的密码,点击登录按钮。
3. 输入正确的用户名和错误的密码,点击登录按钮。
4. 不输入用户名和密码,点击登录按钮。
预期结果,在输入正确的用户名和密码时,能够成功登录系统;在输入错误的用户名或密码时,系统能够给出相应的错误提示;在不输入用户名和密码时,系统能够给出相应的错误提示。
2. 添加商品功能测试用例:测试目标,验证用户能够成功添加商品到购物车。
测试步骤:1. 在商品列表中选择一个商品,点击“添加到购物车”按钮。
2. 在商品详情页面点击“加入购物车”按钮。
3. 尝试添加一个已经在购物车中的商品。
预期结果,在点击“添加到购物车”或“加入购物车”按钮后,商品能够成功添加到购物车;尝试添加已经在购物车中的商品时,系统能够给出相应的提示。
3. 下单功能测试用例:测试目标,验证用户能够成功下单购买商品。
测试步骤:1. 在购物车中选择一个商品,点击“结算”按钮。
2. 选择收货地址、支付方式等信息,点击“提交订单”按钮。
3. 尝试提交一个没有选择商品的订单。
预期结果,在选择商品并填写完整订单信息后,能够成功提交订单;尝试提交没有选择商品的订单时,系统能够给出相应的提示。
通过以上测试用例的设计和执行,可以有效地验证软件的主流程核心功能是否符合需求和预期,确保软件的质量和稳定性。
同时,测试用例的设计也可以帮助开发人员更好地理解需求,提高软件的开发质量和效率。
测试流程和规范范文1.测试流程:1.1需求分析和测试计划制定:测试流程的第一步是与业务和开发团队合作,了解需求,并制定测试计划。
测试计划包括测试目标、测试环境、测试任务分配以及测试资源的规划。
1.2测试用例设计:在测试用例设计阶段,需要根据需求和功能规格书编写测试用例,并确保测试用例的完备性和可追溯性。
测试用例应该覆盖不同的场景,包括正常场景和异常场景。
1.3测试环境准备:在进行测试之前,需要准备好测试环境,包括测试所需的硬件设备、软件安装和配置等。
同时,还需要准备测试数据和测试工具。
1.4执行测试用例:在执行测试用例时,需要按照测试计划进行测试,并记录测试结果。
如果发现问题,需要及时记录并进行缺陷跟踪。
1.5缺陷管理:在进行测试时,需要发现和记录软件中的缺陷,并分析其严重性和优先级。
然后将缺陷分配给相应的开发人员进行修复,并跟踪缺陷的处理情况。
1.6重复测试:在缺陷修复完成后,需要对修复的功能进行重新测试,以确保缺陷已经被修复并且功能正常。
1.7测试总结和报告:在测试完成后,需要对测试过程进行总结和评估,并编写测试报告。
测试报告应包括测试目标的达成情况、测试覆盖率、缺陷统计以及测试过程中的问题和建议等内容。
2.测试规范:2.1测试命名规范:测试用例和测试文档应遵循一定的命名规范,以便于管理和查找,例如命名时使用有意义的名称和编号,遵循一定的命名规则等。
2.4测试结果记录规范:在执行测试时,需要准确记录测试结果,包括测试的日期、执行者、测试结果和问题备注等信息。
2.5缺陷管理规范:对于发现的缺陷,需要准确记录缺陷信息,包括缺陷的标题、描述、重现步骤等。
同时,还需要分析缺陷的严重性和优先级,并跟踪缺陷的处理情况。
2.6测试文档规范:测试文档应具有一定的层次结构,并包括测试计划、测试用例、测试报告等部分。
同时,测试文档应与开发文档保持一致,以便于对开发和测试工作进行跟踪和交流。
以上是测试流程和规范的主要内容,通过遵循测试流程和规范,可以提高测试的效率和质量,并确保软件开发过程中能够及时发现和解决问题。
优秀的测试用例案例一、正常登录情况。
1. 测试用例名称:使用正确的用户名和密码登录。
测试步骤:打开登录页面。
在用户名输入框中输入已经注册好的正确用户名,比如说“超级飞侠”。
在密码输入框中输入对应的正确密码,就像给超级飞侠输入它的秘密指令“123456abc”。
点击登录按钮。
预期结果:页面成功跳转到用户的个人主页,能看到类似“欢迎回来,超级飞侠!”这样的欢迎语,并且可以看到个人信息、功能菜单等只有登录后才能看到的东西。
二、边界值情况。
1. 测试用例名称:使用最短允许的用户名和密码登录。
测试步骤:进入登录页面。
输入系统允许的最短用户名,假如是3个字符的“abc”。
输入系统允许的最短密码,比如6个字符的“123456”。
点击登录按钮。
预期结果:成功登录,进入到和正常登录一样的个人主页,显示欢迎语等相关信息。
2. 测试用例名称:使用最长允许的用户名和密码登录。
测试步骤:打开登录界面。
输入最长可接受的用户名,假设是20个字符的“这个用户名超级超级超级长1234567890”。
输入最长可接受的密码,像是30个字符的“这个密码超级超级长abcdefghijklmnopqrstuvwxyz123”。
按下登录按钮。
预期结果:顺利登录,显示个人主页和欢迎信息,没有任何报错提示。
三、异常情况。
1. 测试用例名称:用户名不存在登录。
测试步骤:来到登录页面。
在用户名框里输入一个根本没注册过的名字,例如“不存在的大侠”。
在密码框里随便输入一串字符,像“888888”。
点击登录按钮。
预期结果:页面弹出提示框,上面写着“用户名不存在,请重新输入或者注册”之类的话,并且停留在登录页面,不允许进入个人主页。
2. 测试用例名称:密码错误登录。
测试步骤:打开登录窗口。
输入一个正确注册过的用户名,比如“勇敢小战士”。
但是在密码框里输入错误的密码,像是“错误密码123”。
点击登录按钮。
预期结果:弹出提示框,显示“密码错误,请重新输入”,页面保持在登录界面,不能进入个人主页。
qos处理流程QoS(Quality of Service,服务质量)是一种网络技术,用于在网络中为不同类型的数据流提供不同的优先级和带宽分配,以保证网络的性能和服务质量。
QoS处理流程是指在网络中实现QoS的具体步骤和过程。
本文将从QoS处理流程的角度,介绍QoS的工作原理、常见的QoS技术和实施步骤。
一、QoS的工作原理QoS的工作原理是根据网络中各种数据流的特点和要求,对网络资源进行合理的调度和分配,以确保不同类型的数据流在网络中能够得到满足的服务质量。
QoS的核心目标是实现低延迟、高带宽、低丢包率和低抖动的网络传输。
QoS的工作原理主要包括以下几个方面:1. 流量分类:将网络中的数据流划分为不同的类别,如实时流、敏感流和普通流等,根据不同类型的数据流的特点和要求进行分类。
2. 流量标记:对不同类型的数据流进行标记,以便在后续的处理中根据标记对数据流进行不同的处理。
常见的标记方式包括802.1p和DiffServ等。
3. 流量调度:根据流量分类和标记的结果,对不同类型的数据流进行合理的调度和分配。
通过使用调度算法和队列管理策略,为不同类型的数据流提供优先级和带宽保障。
4. 流量控制:通过对数据流的速率进行限制和调整,控制网络中的流量,避免网络拥塞和资源浪费。
常用的流量控制技术包括令牌桶和漏桶算法等。
5. 流量保护:为关键数据流提供保护机制,防止其受到非关键数据流的影响。
常见的保护机制包括优先级队列和带宽保障等。
二、常见的QoS技术1. DiffServ(Differentiated Services):DiffServ是一种基于流量分类和标记的QoS技术,通过对数据流进行分类和标记,实现对不同类型的数据流进行不同的处理和调度。
2. RSVP(Resource Reservation Protocol):RSVP是一种用于实现网络资源预留的QoS技术,通过建立预留路径和预留资源,为特定的数据流提供优先级和带宽保障。
网络服务质量QoS的评估与控制在当今信息化社会中,网络已经成为了人们生活和工作中不可或缺的一部分。
从早期的狭窄带宽到如今的高速宽带,网络服务质量QoS (Quality of Service)得到了极大的提升。
然而,随着网络应用的不断增加和用户数量的剧增,如何评估和控制网络服务质量成为一个亟待解决的问题。
一、评估网络服务质量QoS的标准评估网络服务质量QoS需要确定一些度量标准,以便对其进行定量的衡量和比较。
主要的评估标准包括带宽、时延、抖动和丢包率。
1.带宽:带宽是指网络传输数据的速率,通常以bps(bit per second)为单位。
2.时延:时延是指数据从发送端到接收端所需的时间。
它包括传输时延、排队时延、处理时延和传播时延等。
3.抖动:抖动指的是网络数据传输时延的变化程度。
如果时延变化较大,会导致实时应用(如语音和视频)的质量下降。
4.丢包率:丢包率是指网络在传输过程中丢失的数据包的比例。
较高的丢包率会导致数据传输不完整,影响用户体验。
二、评估网络服务质量QoS的方法为了评估网络服务质量QoS,可以采用一些常用的方法和工具。
1. Ping测试:Ping测试是一种常用的测量网络延迟的方法。
通过发送ICMP回显请求消息,然后记录数据包的往返时间,从而评估网络的时延。
2. Traceroute测试:Traceroute测试可用于确定数据包在互联网中的路径,并测量每个节点的往返时间。
这可以帮助我们找出网络中的瓶颈点。
3. 带宽测试:带宽测试可以测量网络的传输速率,常见的工具有Speedtest和iPerf等。
4. 视频和音频质量评估:对于实时应用,如视频和音频,可以通过评估图像和声音的清晰度、卡顿和回音等指标来判断其质量。
三、控制网络服务质量QoS的方法为了提高网络服务质量QoS,可以采取一些控制措施来改善网络性能。
1. 智能路由器:智能路由器可以根据流量的特性动态调整路由,从而平衡网络负载和控制时延。
单元测试步骤及测试内容怎么写的单元测试是软件开发中十分重要的一环,通过对代码中的单元(最小的测试单位)进行测试,可以提高代码的质量、减少Bug的产生,保证软件的稳定性。
下面将介绍单元测试的步骤及如何编写测试内容。
单元测试步骤1.确定被测函数或模块:需要首先确定被测函数或模块。
这个函数或模块应该是最小的可测试单元,通常是一个函数或一个类。
2.编写测试用例:根据被测函数或模块的要求,编写测试用例。
测试用例应包括输入数据、预期输出以及测试条件等。
3.编写测试代码:写测试代码来调用被测函数或模块,并使用测试用例进行测试。
4.运行单元测试:运行编写的测试代码,确保被测函数或模块按照预期运行。
5.检查测试结果:检查测试结果,确保被测函数或模块的功能符合预期。
如何编写测试内容在编写测试内容时,需要考虑以下几个方面:1.功能边界情况测试:针对函数或模块的边界情况编写测试用例,例如输入为最大值、最小值、空值等。
2.异常情况测试:测试函数或模块对异常情况的处理能力,例如输入非法数据、网络异常等。
3.逻辑覆盖:确保测试用例覆盖函数或模块中的所有逻辑分支,以保证整个代码的覆盖率。
4.性能测试:对于性能要求较高的函数或模块,可以编写性能测试用例,评估其执行效率。
5.集成测试:在单元测试的基础上进行集成测试,确保多个模块、函数之间的协作正常。
通过遵循以上步骤和编写合适的测试内容,可以有效提高软件质量,减少Bug 的产生,保证软件的稳定性。
单元测试是开发过程中不可或缺的一环,希望以上内容对您有所帮助。
测试用例的设计步骤测试用例的设计是软件测试中的关键环节之一,它帮助确定一个软件系统是否按照预期运行。
测试用例必须详细而全面地覆盖系统的各个方面,以尽可能发现潜在的缺陷。
以下是测试用例设计的完整步骤。
1.理解需求:首先,测试团队需要全面理解被测试系统的需求文档。
他们应该清楚系统的预期功能和性能。
此外,他们还应该了解系统的约束、限制和用户预期。
2.划分功能:在理解需求的基础上,测试团队将系统的各个功能模块进行划分。
这将有助于组织测试用例,并确保每个模块都有相应的测试覆盖。
3.确定测试类型:测试团队需要确定系统中的不同类型的测试。
例如,功能测试、性能测试、安全性测试等。
这样他们可以专注于每种类型的测试用例的设计。
4.确定测试目标:为每个测试类型设置明确的测试目标。
例如,对于功能测试,测试目标可以是验证所有的功能是否按照预期工作。
对于性能测试,测试目标可以是评估系统的响应时间和负载能力。
5.设计测试用例:测试团队应该根据测试目标设计测试用例。
一个测试用例应该包括输入、操作和预期输出。
测试团队应该考虑到不同的测试场景和测试数据。
他们还可以根据等价类、边界值和错误猜测等测试技巧来设计测试用例。
6.优先测试用例:测试团队应该根据测试目标和风险评估为测试用例设定优先级。
这将帮助团队在测试过程中更有效地分配资源和注意力。
7.验证和评审:测试团队应该对设计的测试用例进行内部验证和评审。
他们可以使用模拟测试环境或自动化工具来执行测试用例,确保每个用例的正确性和完整性。
8.补充和修改:根据验证和评审的结果,测试团队应该及时补充和修改测试用例。
他们应该确保每个功能和场景都得到适当的测试覆盖。
此外,他们还可以根据系统变更和反馈来调整测试用例。
9.组织和管理:测试团队应该合理组织和管理测试用例。
他们可以使用测试用例管理工具来跟踪和记录测试用例的执行情况和结果。
这将有助于评估测试的进展和效果。
10.回顾和总结:测试团队应该在测试过程结束后进行回顾和总结。
软件测试流程及测试点软件测试是确保软件质量的关键步骤,其流程包括多个阶段和测试点。
以下是一般的软件测试流程及测试点:1. 需求分析和计划阶段:测试计划:制定测试目标和范围。
确定测试资源、时间表和人员分配。
制定测试策略和方法。
2. 测试设计阶段:测试用例设计:根据需求规格书或功能规格书编写测试用例。
考虑正常情况和边界情况。
确保每个功能点都有对应的测试用例。
测试数据设计:生成适当的测试数据,覆盖各种输入情况。
包括正常数据、边界数据、异常数据等。
测试环境设置:设置测试环境,包括硬件、软件、网络配置等。
3. 测试执行阶段:单元测试:针对单个模块或函数进行测试,确保每个模块都能够独立正常运行。
集成测试:测试不同模块之间的集成,验证它们一起工作的正确性。
系统测试:针对整个系统进行测试,验证系统的功能和性能。
验收测试:模拟用户操作,验证系统是否符合用户需求。
性能测试:测试系统的性能,包括响应时间、吞吐量等。
安全性测试:确保系统对潜在威胁和攻击有足够的防护措施。
回归测试:在每次修改后运行之前的测试用例,确保新的修改没有引入新的错误。
4. 测试报告和缺陷管理阶段:测试报告:汇总测试结果,包括通过和失败的测试用例、问题汇报等。
缺陷管理:跟踪和管理测试中发现的缺陷,包括报告、修复和验证过程。
5. 最终发布阶段:上线前确认:验证所有缺陷是否被解决。
确保测试用例覆盖所有关键路径。
灰度测试:将新版本逐步引入生产环境,以确保在大规模使用之前没有明显问题。
6. 维护阶段:监控和反馈:在生产环境中监控系统的性能和用户反馈。
及时处理用户报告的问题。
这是一个常见的软件测试流程,具体的流程和测试点可能会根据项目的特性、开发方法和测试方法而有所不同。
在每个阶段都应该进行充分的文档记录,以便在整个软件开发生命周期中进行追溯和分析。
gpon测试用例GPON测试用例GPON(Gigabit-capable Passive Optical Network)是一种光纤接入技术,能够提供高速宽带接入和多种业务传输。
为了确保GPON网络的稳定性和可靠性,需要进行一系列的测试。
本文将介绍一些常见的GPON测试用例,帮助测试人员对GPON网络进行全面的测试。
一、OLT(Optical Line Terminal)测试用例1. OLT设备是否正常启动和运行,能否正确管理和配置ONU (Optical Network Unit)设备。
2. OLT与ONU之间的通信是否正常,能否正确传输数据。
3. OLT的上联口和下联口是否正常工作,能否与上级设备和下级设备进行通信。
4. OLT的光模块是否正常工作,能否正确接收和发送光信号。
5. OLT的光功率是否正常,是否符合标准范围。
6. OLT的端口配置是否正确,能否实现不同业务的隔离和管理。
二、ONU测试用例1. ONU设备是否能够与OLT设备成功建立连接,是否能够正常注册和认证。
2. ONU的光模块是否正常工作,能否正确接收和发送光信号。
3. ONU的光功率是否正常,是否符合标准范围。
4. ONU的上行速率和下行速率是否正常,是否符合标准要求。
5. ONU的端口配置是否正确,能否实现不同业务的隔离和管理。
6. ONU的端口是否能够正常工作,能否与用户设备进行通信。
三、OLT-ONU链路测试用例1. OLT与ONU之间的链路是否稳定,是否存在丢包和延迟。
2. OLT与ONU之间的链路是否能够达到预期的带宽,是否能够满足业务需求。
3. OLT与ONU之间的链路是否能够支持多种业务传输,如VoIP (Voice over IP)、IPTV(Internet Protocol Television)等。
四、服务质量(QoS)测试用例1. GPON网络的上行速率和下行速率是否能够满足不同业务的需求。
2. GPON网络的延迟是否符合要求,是否能够保证实时性业务的正常传输。
核心路由器测试方案核心路由器测试方案目录:1.引言2.测试目标3.测试范围4.测试准备4.1 硬件准备4.2 软件准备4.3 网络拓扑4.4 测试环境配置5.测试方案5.1 性能测试5.2 功能测试5.3 可靠性测试5.4 安全性测试5.5 兼容性测试6.测试执行6.1 性能测试执行 6.2 功能测试执行 6.3 可靠性测试执行 6.4 安全性测试执行6.5 兼容性测试执行7.测试报告7.1 性能测试报告 7.2 功能测试报告 7.3 可靠性测试报告 7.4 安全性测试报告7.5 兼容性测试报告8.测试总结9.附件附件一:测试计划附件二:测试用例附件三:测试数据附件五:测试环境配置文件附件六:其他相关文档1.引言这份文档旨在提供一个详细的核心路由器测试方案,以保证核心路由器的性能、功能、可靠性、安全性和兼容性达到预期的要求。
通过执行这个测试方案,我们将评估并验证核心路由器在各种功能和环境下的运行情况,以确保它能够正常运行并满足用户需求。
2.测试目标本次测试的主要目标包括:- 评估核心路由器的性能,包括吞吐量、延迟等指标;- 验证核心路由器的各项功能是否正常工作,例如路由转发、安全防护、流量控制等;- 确保核心路由器具备稳定和可靠的运行特性;- 检查核心路由器是否满足相关的安全标准和要求;- 确认核心路由器与不同设备和系统的兼容性。
3.测试范围本次测试的范围包括核心路由器的硬件和软件功能,以及其与整个网络环境的交互。
具体测试范围包括:- 核心路由器的性能测试;- 核心路由器的基本功能测试,如路由转发、ACL配置、QoS设置等;- 核心路由器的可靠性测试,包括持续稳定运行测试和故障恢复测试;- 核心路由器的安全性测试,包括漏洞扫描、权限控制、DDoS 攻击模拟等;- 核心路由器的兼容性测试,与不同设备和系统进行互操作性验证。
4.测试准备4.1 硬件准备- 核心路由器设备- 客户端设备- 服务器设备- 网络交换设备- 其他相关设备4.2 软件准备- 核心路由器固件- 客户端操作系统- 服务器操作系统- 网络管理软件- 其他相关软件4.3 网络拓扑搭建测试所需的网络拓扑,包括核心路由器、客户端、服务器及其他网络设备的连接方式和配置。
中国移动WLAN QoS测试规范中国移动通信集团公司研究院2005年12月08日前言本次测试主要测试WLAN QoS和非QoS网络设备和终端之间的兼容性,以及验证WLAN QoS机制下话音和数据混合业务的接入支持能力。
在兼容性测试方面,主要验证非QoS AP与QoS终端、QoS AP 与非QoS终端,以及QoS终端与非QoS终端之间的共存。
在话音和数据业务的混合接入支持能力方面,一方面验证 WLAN QoS机制在满负荷情况下能否保持高优先业务如话音业务的优先权,同时通过测试获得WLAN QoS机制下能够接入的最大话音和数据用户数量,为实际的网络部署和规划提供依据。
本次测试由中国移动通信集团公司研究院组织,参加测试单位有思科和华为。
本次测试从2006年1月17日至23日于北京理工大学计算机实验室进行。
本测试规范的解释权在中国移动通信集团公司研究院。
测试规范完成人:周文辉。
目录1测试需求 (4)2测试方案 (4)2.1测试环境图 (4)2.2测试环境 (5)2.2.1测试设备 (5)2.2.2测试软件工具 (5)3测试工具说明 (5)3.1C HARIOT (5)3.2C HARIOT关于V O IP测试的支持 (5)3.2.1语音编码: (5)3.2.2话音质量评估方法 (6)3.3C HARIOT测试结果分析 (6)4测试时间 (6)5测试地点 (6)6测试列表 (7)6.1接入性能测试 (7)6.1.1非QoS AP情况下,接入性能测试用例列表 (7)6.1.2QoS AP情况下,接入性能测试用例列表 (7)6.2IEEE802.11E兼容性测试用例列表 (7)7测试用例 (7)7.1接入性能测试用例 (7)7.1.1非QoS AP情况下,接入性能测试用例 (7)7.1.2QoS AP情况下,接入性能测试用例 (10)7.2IEEE802.11E兼容性测试用例 (15)1 测试需求● 接入性能测试:QoS AP 和非QoS AP 情况下,不同类型终端所提供的话音和数据业务的混合接入性能测试。
吞吐量测试用例随着互联网的发展,吞吐量成为了评估系统性能的重要指标之一。
吞吐量测试用例是用来测试系统在单位时间内能够处理的请求数量的用例。
本文将从吞吐量测试的定义、目的、步骤和常见的测试用例等方面进行探讨。
一、吞吐量测试的定义吞吐量是指系统在单位时间内能够处理的请求数量,通常以每秒请求数(QPS)来衡量。
吞吐量测试是通过模拟用户同时发起大量请求,以评估系统在高负载情况下的性能表现。
二、吞吐量测试的目的吞吐量测试的主要目的是评估系统在高并发情况下的性能表现,找出系统的瓶颈和性能问题,并提供改进系统性能的依据。
通过吞吐量测试,可以确定系统的最大负载能力,为系统的容量规划提供参考。
三、吞吐量测试的步骤1. 确定测试环境:选择合适的硬件、软件和网络环境来模拟实际的生产环境。
2. 设计测试用例:根据系统的实际需求和预期性能指标,设计各种场景的测试用例,包括正常场景、异常场景和边界场景等。
3. 准备测试数据:根据测试用例的设计,准备相应的测试数据,确保测试数据的真实性和多样性。
4. 执行测试用例:按照设计好的测试用例,使用负载测试工具模拟大量用户并发请求,记录系统的响应时间和吞吐量。
5. 分析测试结果:根据测试结果,评估系统在不同负载下的性能表现,找出系统的瓶颈和性能问题,并进行优化和改进。
6. 编写测试报告:根据测试结果,编写详细的测试报告,包括测试环境、测试用例、测试数据、测试结果和建议等内容。
四、常见的吞吐量测试用例1. 正常场景测试用例:a. 并发用户数为100,模拟用户同时发起请求,测试系统的吞吐量。
b. 并发用户数为1000,测试系统的最大负载能力。
c. 按照预设的业务比例,模拟不同类型的请求并发,测试系统的性能表现。
2. 异常场景测试用例:a. 模拟用户发送大量非法请求,测试系统的容错能力和安全性。
b. 模拟用户发送大量重复请求,测试系统的去重和幂等性处理能力。
c. 模拟用户发送大量大文件上传请求,测试系统的文件处理能力。
一般来说,基于存储转发机制的Internet(Ipv4标准)只为用户提供了“尽力而为(best-effort)”的服务,不能保证数据包传输的实时性、完整性以及到达的顺序性,不能保证服务的质量,所以主要应用在文件传送和电子邮件服务。
随着Internet的飞速发展,人们对于在Internet上传输分布式多媒体应用的需求越来越大,一般说来,用户对不同的分布式多媒体应用有着不同的服务质量要求,这就要求网络应能根据用户的要求分配和调度资源,因此,传统的所采用的“尽力而为”转发机制,已经不能满足用户的要求。
QoS的英文全称为"Quality of Service",中文名为"服务质量"。
QoS是网络的一种安全机制, 是用来解决网络延迟和阻塞等问题的一种技术。
对于网络业务,服务质量包括传输的带宽、传送的时延、数据的丢包率等。
在网络中可以通过保证传输的带宽、降低传送的时延、降低数据的丢包率以及时延抖动等措施来提高服务质量。
通常 QoS 提供以下三种服务模型:Best-Effort service(尽力而为服务模型)Integrated service(综合服务模型,简称Int-Serv)Differentiated service(区分服务模型,简称Diff-Serv)1. Best-Effort 服务模型Best-Effort 是一个单一的服务模型,也是最简单的服务模型。
对Best-Effort 服务模型,网络尽最大的可能性来发送报文。
但对时延、可靠性等性能不提供任何保证。
Best-Effort 服务模型是网络的缺省服务模型,通过FIFO 队列来实现。
它适用于绝大多数网络应用,如FTP、E-Mail等。
2. Int-Serv 服务模型Int-Serv 是一个综合服务模型,它可以满足多种QoS需求。
该模型使用资源预留协议(RSVP),RSVP 运行在从源端到目的端的每个设备上,可以监视每个流,以防止其消耗资源过多。
SDN交换机和控制器的测试方案测试SDN交换机和控制器的方案需要着重考虑以下几个方面:1.功能测试:-链路控制:测试链路的可靠性和稳定性,确保数据传输没有丢包和延迟问题。
-数据流控制:测试交换机和控制器之间的通信是否正常,确保控制器可以正确地下发指令给交换机,以及交换机可以正确地执行指令。
-流表管理:测试流表的添加、删除、修改和查询功能,确保交换机可以根据控制器下发的流表进行正确的流量转发。
-QoS控制:测试交换机对不同类型流量的优先级配置功能,确保保障关键流量的传输质量。
-安全性:测试交换机的安全防护功能,如防止ARP欺骗、DHCP欺骗等攻击,确保网络的安全性。
2.性能测试:-带宽测试:测试交换机的传输带宽和吞吐量,确保能够满足网络流量的需求。
-响应时间测试:测试交换机和控制器之间的响应时间,以及交换机对不同流量的响应时间,确保系统的实时性和高效性。
-负载均衡测试:测试交换机在负载高峰时的负载均衡性能,确保网络流量可以均衡分配到各个交换机上。
3.兼容性测试:-协议兼容性测试:测试交换机和控制器的协议是否符合SDN标准,确保可以与其他SDN设备进行正常的通信。
-系统兼容性测试:测试交换机和控制器与不同厂家的设备和系统之间的兼容性,确保可以与其他设备和系统进行正常的交互。
4.可靠性测试:-异常处理测试:测试交换机在发生故障时的异常处理能力,如断电、主控器失效等情况,确保系统具备容错和恢复能力。
-长时间稳定性测试:测试交换机在连续运行一段时间后的稳定性和可靠性,确保系统可以长时间稳定运行。
5.安全性测试:-安全漏洞测试:测试交换机和控制器是否存在安全漏洞,如密码破解、拒绝服务攻击等,确保系统的安全性和可靠性。
-数据隔离测试:测试交换机对不同VLAN中的数据进行隔离,确保不同VLAN之间的数据不会相互干扰。
测试方案的具体步骤如下:1.根据测试需求和目标制定测试计划和测试用例。
2.搭建测试环境,包括SDN交换机、控制器、测试工具等。
QoS介绍及测试方法风吹云涌1.QoS介绍QoS(quality of service)网络服务质量,用于在二层网络传输过程中,提供差异化的服务。
2.QoS中使用的技术下面分别介绍在FPGA逻辑处理芯片中对业务流的处理。
在FPGA中,主要有flow、car、qm 模块。
分别实现了不同的功能,以保证业务量的正常转发。
2.1.F low 模块介绍2.1.1.流分类支持基于单层vlan、vlan+pri,封装(encapsulation)、双层vlan(Double vlan)等。
在建流的时候需要进行配置相关参数。
2.1.2.优先级remark此处主要是进行vlan切换和pri的remark,vlan切换根据设置的svlan不同,以及流分类的方法不同,进行vlan的切换。
外层vlan的Pri-remark支持user-cos,user-inner-cos,user-tos,local-setting,内层vlan支持上述几种方式,以及pbits-to-pbits映射表。
其中local-setting与default pri是同一参数,又称为流的优先级。
上面所有的参数都会写入到流表象中,可以通过查询逻辑芯片中的流表来获得相关的参数。
2.2.C AR模块介绍2.2.1.T RTCM此处主要完成CAR的功能。
CAR功能是通过令牌桶Token Bucket的方式完成的。
这在业界也是一个非常流行的方式。
此功能在traffic table中是通过设置CIR、CBS、PIR、PBS四个参数来完成的。
通过这四个参数的设置,能否完成TRTCM(双速三色)的功能,具体算法在下面会介绍到。
CBS和PBS设置的是桶的深度,即能够装多少的令牌,CIR和PIR是向令牌桶中注入令牌的速度。
当报文过来,能否从令牌桶中获得报文,该报文就能够通过令牌桶,否则就被丢弃。
TRTCM的实现,具体的处理方式如下所述:报文首先通过P桶,在某时刻,如果大于∆Pt(表示瞬间P桶中的令牌数),则该令牌通过,同时令牌数减少报文的长度,否则就会被丢弃,被丢弃的报文为红色报文。
6.3 UNI 侧QOS 策略验证6.3.1 业务流分类和优先级映射能力测试6.3.2 基于流分类的访问控制列表(ACL)能力测试6.3.3 色敏感功能验证5.配置入口优先级与三色报文的映射表:pri=0、2、4、7的包为黄色,pri=1、3、5、6的包为绿色。
6.配置色敏感模式,配置Meter后的三色报文与出标签的EXP的映射表:为绿色和黄色报文分别制定不同的EXP,例如设置绿色,黄色。
7.数据网络性能分析仪向端口1分别发送如下数据包:1) 发送:Vid=100,prio=1、3、5、6的单一或混合包,改变发送速率(分别为100M和300M)。
2) 发送:Vid=100,prio=0、2、4、7的单一或混合包,改变发送速率(分别为100M和300M)。
8.改变参数PIR、CIR、两个映射表,重做以上测试;9.通过仪表监测NNI接口上的数据帧,并分析结果。
10.关闭入口的色感知,配置为色盲模式。
11.发送:Vid=100,prio=0、2、4、7的单一或混合包(黄色报文),改变发送速率(分别为100M和300M)。
12.通过仪表监测NNI接口上的数据帧,并分析结果。
6.4 NNI 侧QOS 策略验证6.4.1优先级调度测试6.4.4连接允许控制(CAC)机制6.4.5客户业务优先级重映射能力6.5 UNI 侧QOS 策略验证----步骤6.4.1业务流分类和优先级映射能力测试----步骤1.依次配置好OCH,ODUK,TUNNEL,PW,L2VPN,保证业务能正常通信;2.业务流分类测试步骤:1)配置业务留分类规则(如图):PTN相关配置----ACL配置(新增),需要填写入口的“槽位号”;“端口号”;“ACL流分类”为“是”。
2)在“入口ACL基本配置”里面配置业务流分类规则,可以配置“vlan”“vlan优先级”,“目的/源MAC”“目的/源IP”来进行业务流的分类(如下图):例如:配置VLAN=200,那就只有VLAN为200的业务流才能通过;配置VLAN优先级为5,那就只有VLAN优先级为5的业务流才能通过;如果配置多个条件,需要同时满足条件的业务流才能通过。
3.优先级映射能力测试步骤:1)优先级映射就是PRI----PHB----EXP的一个映射过程,PRI----PHB为入方向的映射,PHB----EXP为出方向的映射;2)例如按照以下表格进行配置,并说明:PRI PHB EXP1 AF1 43 CS6 5配置入方向PRI----PHB的映射(如图);QOS配置---DS域配置(新增,自己填写“DS域名称”)---映射关系,配置入方PRI----PHB的映射,“用户优先级类型”为“802.1p”;“方向”为“入方向”,PRI----PHB的映射关系,按照以上表格进行配置的。
3)配置出方向PHB----EXP的映射(如图);QOS配置---DS域配置(新增,自己填写“DS域名称”)---映射关系,配置出方PRI----PHB的映射,“用户优先级类型”为“EXP”;“方向”为“出方向”,PHB----EXP的映射关系,按照以上表格进行配置的。
4)配置DS模板(如图):QOS配置---模板配置(新增,自己填写“DiffServ模板名称”),“方向”为“双向”;“入方向的dsdomain”“出方向的dsdomain”分别填写2)3)里面的“DS域名称”5)分别在出口入口处调用DS模板;入口调用DS模板:PTN相关配置---以太网接口配置-----逻辑接口QOS配置----DS模板名称出口调用DS模板:PTN业务配置----tunnel配置---标签转发信息-----DS模板名称6)在NNI侧抓包,查看EXP值与PRI值得对应关系,是否与上述所配置的相符;6.4.2基于流分类的访问控制列表(ACL)能力测试----步骤1.依次配置好OCH,ODUK,TUNNEL,PW,L2VPN,保证业务能正常通信;2.配置ACL控制访问列表:PTN相关配置---ACL配置(新增)---填写入口的槽位号,端口号;ACL流分类为“否”;策略配置信息中的“丢弃”为“是”。
配置ACL规则:在“入口ACL基本配置”里面“规则关联1/2/3”选择;例如“关联规则1”选择“VLAN ID”,填写“VLAN”值为100。
则vlan=100的业务流会丢弃;如果选择多个关联规则,则需要同时满足条件的业务流才丢弃;6.4.3色敏感功能验证----步骤1.依次配置好OCH,ODUK,TUNNEL,PW,L2VPN,保证业务能正常通信;2.1)配置入方向的染色表:QOS配置---DS域配置2)配置出方向的映射表:3)生成DS模板:QOS配置---模板配置(新增,自己填写“DiffServ模板名称”),“方向”为“双向”;“入方向的dsdomain”“出方向的dsdomain”分别填写以上配置入/出方向的2个“DS 域名称”(如下图)4)分别在出口入口处调用DS模板;入口调用DS模板:PTN相关配置---以太网接口配置-----逻辑接口QOS配置----DS模板名称出口调用DS模板:PTN业务配置----tunnel配置---标签转发信息-----DS模板名称5)配置meter,进行重染色:PTN相关配置---以太网接口配置----流配置,“模式”改为“MEF trTCM”,修改CIR,PIR的值。
在nni侧抓包,分析EXP值;6)修改入口染色为“色感”模式:在nni侧抓包,分析EXP值;预期结果如下表:色盲模式下,发送pri=0,2,4,7和pri=1,3,5,6的业务流,都可以抓到EXP值为4,7;色感模式下,发送pri=0,2,4,7的业务流,都可以抓到EXP值为4;色感模式下,发送pri=1,3,5,6的业务流,都可以抓到EXP值为4,7;色盲模式Pri=0,2,4,7 (黄色) EXP=4,7Pri=1,3,5,6, (绿色) EXP=4,7色感模式Pri=0,2,4,7 (黄色) EXP=4Pri=1,3,5,6, (绿色) EXP=4,76.4 NNI 侧QOS 策略验证----步骤6.4.2优先级调度测试----步骤1.依次配置好OCH,ODUK,TUNNEL,PW,L2VPN,保证业务能正常通信;2.按照SP调度,配置出口调度策略:PTN业务配置---pve接口配置----物理QOS配置----以太网出口队列调度,在仪表出发pri=0,1,2,3,4,5,6,7的8条流,制造出口拥塞(出口限速),查看各个流的接受情况;出口限速:PTN业务配置---pve接口配置---出口带宽(单位:M)3.按照SP+WFQ调度,配置出口调度策略:PTN业务配置---pve接口配置----物理QOS配置----以太网出口队列调度,配置AF1----AF4位WFQ模式,权重分别为4,3,2,1,分别占的比例为:AF1占4/10,AF2占3/10,AF3占2/10,AF4占1/10;其他为SP模式。
在仪表出发pri=0,1,2,3,4,5,6,7的8条流,制造出口拥塞(出口限速),查看各个流的接受情况;在出口拥塞的情况下,带宽的抢占情况, 符合CS7>CS6>EF> AF> BE,AF 部分按照比例进行分配;6.4.2拥塞控制策略测试----步骤1.依次配置好OCH,ODUK,TUNNEL,2条PW,2条EVP-line业务,保证业务能正常通信;2.例如:在仪表上设置EVPL1业务VLAN=100,PRI=1,设置源MAC地址递增;EVPL2业务VLAN=200,PRI=7,2条流的发送速率都为1000M;3.出口限速,限速为1000M,PTN业务配置---pve接口配置---出口带宽(单位:M)4.拥塞策略为:队尾丢弃模式,抓包分析:(抓包之前开启支线路盘关门狗qoshelp qos_set_watch_dog)默认是开的1)先发送高优先级流量,抢占全部出口带宽,再发送低优先级流量。
低优先级业务被缓存,超出缓存高门限部分全部丢弃。
(如果出口限速有误差或者不是很精确,可以稍微修改一下出口限速的带宽,要保证低优先级没有流量通过,高优先级可以允许少量的丢包)2)启动低优先级的业务出口的抓包。
3)停止低优先级发送,然后停止高优先级业务发送。
4)低优先级业务出口捕捉到缓存的全部数据包,并进行分析。
5)()5.拥塞策略为:WRED模式,1)配置WRED模板:QOS配置----WRED配置(新增),如图表示:缓存区到50%开始丢包,到100%丢包率逐渐到80%;越靠近门限,丢包率越高;2)调用WRED模板:PTN业务配置---PVE接口配置--物理口QOS配置----以太网出口队列拥塞策略(如下图),服务等级配置1和7和配置业务pri对应,拥塞策略模式为“WRED”;分别在绿,黄,红丢弃名称调用WRED模板。
6.抓包分析:1)先发送高优先级流量,抢占全部出口带宽,再发送低优先级流量。
低优先级业务被缓存,超出缓存高门限部分全部丢弃。
2)启动低优先级的业务出口的抓包。
3)停止低优先级发送,然后停止高优先级业务发送。
4)低优先级业务出口捕捉到缓存的全部数据包,并进行分析。
7.预期结果,抓包分析缓存区的低优先级包,由于设置了低优先级的源MAC地址为递增的,可以通过MAC的情况来判断。
尾丢弃时,抓到低优先级的数据源MAC为递增连续的;WRED模式时,抓到低优先级的数据源MAC到50%后,就会丢包,而且越接近门限丢包越多;6.4.2接入速率控制测试----步骤1.依次配置好OCH,ODUK,TUNNEL,2条PW,2条EVP-line业务,保证业务能正常通信;2.分别配置2条EVPL业务的CIR,PIR。
配置wred模板:调用wred模板:PTN业务配置—PVE接口---物理口QOS配置:PTN相关配置---以太网接口配置-----流配置,修改“模式”为“MEF trTCM”和CIR,PIR的值。
仪表分别发送业务流,业务流要大于PRI值,查看仪表的丢包情况。
预期结果为:超过PIR的部分的流会丢弃。
3.设置CIR1=600,PRI1=800;CIR2=800,PRI=1000;出口限速为CIR1+CIR2=1400,2条EVPL仪表分别发送1000的流量,查看2条流的接收情况,预期结果为:在出口拥塞的情况下优先保证每条流的CIR带宽,所以EVP1会接收到600M的流量,EVPL2接收到800M流量。
6.4.2连接允许控制(CAC)机制----步骤1.配置OCH,ODUK,在ODUK下配置2条LSP,配置LSP时,使能“带宽控制使能”为“工作与保护都使能”(如下图),在其实一条LSP下配置2条PW,在配置业务。