O-SEPA选粉机工作原理及发展历程
- 格式:ppt
- 大小:813.00 KB
- 文档页数:17
改进型O-S EPA选粉机选粉的效率增产节能效果1、概述O-Sepa选粉机是上世纪从日本引进的,国内大中型粉磨系统采用比较多。
经国内众多水泥企业实际使用的调查结果表明,O-Sepa选粉机存在的主要问题是选粉效率低,单位产品的能耗高,技术经济指标落后。
对O-Sepa选粉机的结构进行认真的分析和实验,发现O-Sepa选粉机在结构上存在严重的缺陷,造成了选粉效率普遍偏低,一般选粉效率在40%~60%,少数厂家选粉效率在20%~30%,极少数有厂家选粉效率达到60%,造成磨机过粉磨现象严重,降低了磨机产量,增加了电耗。
南京旋立重机公司和南京工业大学粉体科学与工程研究所联合开发的O-Sepa选粉机改造新技术,该项目由我国著名粉体科学与工程学术带头人张少明教授担任技术总负责人,彻底解决了O-Sepa选粉机效率低、电耗高等问题,节能效果效果明显。
改造后,产量普遍提高10%左右,选粉效率从45%提高到80%左右,电耗大幅度下降,这一重大粉磨技术改造成果,受到众多使用O-Sepa选粉机企业的欢迎。
2、目前O-Sepa选粉机存在的主要问题O-Sepa选粉机是上世纪日本小野田公司率先研发,在选粉原理上有了进一步的突破,其优点非常突出,被称为继离心式选粉机、旋风式选粉机之后的第三代选粉机,目前广泛应用于水泥企业的圈流粉磨工艺。
与第二代旋风式选粉机相比,水泥强度有了提高,产品质量有了保证。
但近年来,随着我国水泥行业实行ISO水泥新标准和单条水泥生产线产能不断扩大,在使用过程中出现了一些问题。
这些缺陷制约了O-Sepa选粉机效益的发挥,主要表现在以下几点:1)选粉效率低。
传统O-Sepa选粉机物料分散不充分、不均匀,是影响选粉效率的一个重要因素,主要是因为物料在选粉机内主要靠转子顶部撒料盘的离心力抛出分散,一般O-Sepa 选粉机有2~4个进口,但其本身在分配到各进料口的料量已经就有差距。
因撒料区域是在转子的边缘(20mm),所以物料落到撒料盘后,在转子转速较高的情况下部分物料在刚落下就被甩出撒料盘,物料不能在整个截面上均匀分布,因而导致分级区内气体流场稳定,并直接影响到分选效果。
osepa选粉机工作原理Osepa选粉机工作原理。
Osepa选粉机是一种常用于水泥生产线上的设备,它主要用于对水泥生产中的粉磨系统进行粉末分选,以提高水泥生产线的生产效率和产品质量。
那么,Osepa选粉机是如何工作的呢?接下来,我们将详细介绍Osepa选粉机的工作原理。
首先,Osepa选粉机通过进料系统将待分选的粉磨产物送入机器内部。
在进料系统的作用下,粉磨产物被均匀地送入到Osepa选粉机的分选室内。
然后,待分选的粉磨产物在分选室内经过高速旋转的分选转子的作用下,被分成粗粉和细粉两部分。
分选转子的高速旋转产生的离心力使得粉磨产物在分选室内产生分选效果,从而实现粉末的分选。
接着,粗粉在分选室内因重力作用下落入粗粉斗中,而细粉则被气流带入分离器。
在分离器内,细粉经过气流的作用被分离出来,而未达到分选要求的颗粒则通过分离器中的回流器返回分选室进行再次分选。
最后,经过分选后的粗粉和细粉分别通过排粉系统被排出机器,从而完成整个分选过程。
经过Osepa选粉机的分选,原本混合在一起的粗细颗粒得以有效分开,从而提高了水泥生产线的生产效率和产品质量。
总的来说,Osepa选粉机的工作原理可以概括为进料、分选、排粉三个基本过程。
通过这些过程,Osepa选粉机能够有效地实现水泥生产中粉末的分选,为水泥生产线的正常运行提供了重要支持。
通过本文的介绍,相信读者对Osepa选粉机的工作原理有了更加清晰的了解。
Osepa选粉机在水泥生产中的重要性不言而喻,它的高效工作原理为水泥生产提供了有力支持,也为水泥产品的质量和生产效率保驾护航。
Osepa选粉机的工作原理的了解,对于水泥生产线的工作人员来说是非常重要的,只有深入理解其工作原理,才能更好地进行操作和维护。
Osepa选粉机的工作原理的了解,对于水泥生产线的工作人员来说是非常重要的,只有深入理解其工作原理,才能更好地进行操作和维护。
Osepa选粉机的工作原理的了解,对于水泥生产线的工作人员来说是非常重要的,只有深入理解其工作原理,才能更好地进行操作和维护。
O-Sepa选粉机使用中调控的先进方法0.概述选粉机作为工业粉磨系统的重要组成部分,自诞生以来已经历了三代。
第一代离心式选粉机本身的改进在于改善物料在选粉机内的分布状况,提高在气流中的分散性;第二代旋风式选粉机在于减少细粉随回风的继续循环,降低选粉室内的选粉浓度;而1979年由日本小野田株式会社研制成功的第三代O-SEPA选粉机,不仅保留了旋风选粉机外部循环的优点,而且应用平面螺旋气流选粉原理,从根本改善了选粉条件。
特别是在生产比表面积350m2/kg以上水泥成品时所表现出来的良好性能,在中国新型干法生产线上被广泛应用于生料磨和水泥磨系统中。
1. O-SEPA选粉机的结构及工作原理O-SEPA选粉机的基本结构如图1所示。
其工作原理是:将待选物料由上部的两个进料口喂入选粉机内,通过撒料盘、缓冲板充分分散开,落入选粉区。
选粉气流大部分来自磨机,通过切向一次风进口和二次风进口进入,经导向叶片水平进入选粉区。
在选粉机内由垂直叶片和水平叶片组成的笼子,回转时使内外压差在整个选粉区高度上下维持一定,从而使气流稳定均匀,为精确选粉创造了良好的条件。
物料自上而下,为每个颗粒提供了多次重复分选的机会,而且每次分选都是在精确的离心力和水平风力的平衡条件下进行。
细粉从外向内克服了边壁效应的不利影响。
由于选粉距离延长,最后落入锥体部分的颗粒又经过三次风再次风选,选粉效率大为提高。
2. O-SEPA选粉机的调节尽管O-SEPA选粉机有着先进的工作原理,但在中国上百家大中型水泥厂使用中,普遍发现该选粉机和人们预期的效果存在着很大的差距,这些差距一方面来自选粉机本身在结构上还存在一些不足,另一方面O-SEPA选粉机在使用过程中的调节不当直接影响到选粉机的实际使用效果。
下面结合我公司的O-SEPA选粉机在Ф3.8×13m水泥磨上的使用情况来谈谈O-SEPA选粉机的调节。
2.1细度的调节(1)比表面积的控制O-SEPA选粉机成品比表面积的控制可以通过改变选粉风量来实现,当通过选粉机的风量小于其设定值时,产量由于选粉效率偏低而减少,当通过选粉机的风量大于设定值时,则很难获得设定的比表面积。
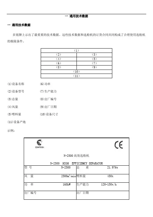
一通用技术数据一通用技术数据在铭牌上示出了最重要的技术数据。
这些技术数据和选粉机的订货合同共同构成了合理使用选粉机的极限条件。
(1)(2)(3)(4)(5)(6)(7)(8)(9)(10)(11)(1)设备名称 (6)功率(2)设备型号 (7)生产能力(3)总量 (8)出厂编号(4)风量 (9)出厂日期(5)喂料量 (10)设备尺寸(11)设备产地示例:N-2500高效选粉机N-2500 HIGH EFFICIBMCY SEPARATOR型号 N-2500总重 21.976t风量 2500m3/min喂料量 450t功率 160kW生产能力 120-150t/h出厂编号出厂日期有关各型号选粉机的主要参数参看表一。
有关进一步的技术细节可参见选粉机中的相关图纸。
表一二、通用说明这些操作说明书是所供货选粉机的有机组成,应保存在选粉机操作台附近,以便于在安装、操作、维护时使用。
1、产品概述O-SEPA选粉机又称水平涡流选粉机,是我公司在引进日本小野田技术的基础上经过不断改进和完善后的新型粉体分级设备,广泛用于水泥工业对粉状物料或其他工业相当物料的分级。
它具有高产低耗、处理量大、操作维护简单、产品颗粒级配尺寸范围窄等特点。
2、环境说明使用环境要求:温度: -20℃~+40℃湿度:≤50%(at40℃),≤90%(at20℃)海拔:≤l000m贮运环境要求:温度: -25℃~+55℃;24小时之内;≤70℃3、现场说明选粉机的工作地点必须满足5米以上的起吊空间,工作场所的照明为300Lux且不能存在影响安全的阴影、眩目或频闪。
主电机要有CE认证,其控制系统要有过流过载保护装置,独立的启动、停止装置和防止断电后重新上电自启动功能,且主电机要有接地保护。
选粉机要有一个电源主隔离开关,并满足以下要求:(1)带或不带保险的隔离开关(符合IEC60974-3、AC-23B);(2)必须且仅有一个OFF和一个ON两个位置,用“O”和“I”标识;(3)所有触头断开前,不应当指示“OFF”位置,靠足够的行程间隙和明显的标志来保证;(4)有一个灰或黑色的手柄;(5)提供一个可在OFF位置上锁定的装置(5)具有足够的切断能力。
osepa选粉机工作原理
OSEPA选粉机是一种用于矿石粉碎和分级的设备,其工作原理根据物料的比重和粒径进行筛选和分级。
首先,物料通过给料管进入选粉机的进料口。
进料口通常设有弹簧和振动器,用于将物料均匀地送入选粉机的分级室。
然后,物料在分级室内通过旋转的筛筒进行筛分和分级。
筛筒内设有许多孔径不同的筛网,通过筛网的大小来控制物料的粒径。
物料在筛筒内自上而下不断旋转,并且受到离心力和振动力的作用,使得粒度较小的物料沿着筛网通过,而粒度较大的物料则被挡住。
这样,物料根据其粒径大小被分为多个不同级别。
被挡住的较大的物料会随着筛筒的旋转逐渐向下移动,并最终经过出料口被排出选粉机。
而通过筛网的较细的物料则进入选粉机的下部,经过收尘器对物料进行除尘处理,然后通过物料排放口被收集起来。
整个选粉过程中,物料的分级和筛分是由选粉机的筛筒旋转、振动和筛网大小共同完成的。
通过合理设置进料量、进料粒度和筛网大小等参数,可以根据需要得到不同粒径的物料产品。
这使得选粉机在矿石的加工过程中起到了关键的作用。
o-sepa选粉机使用说明书一:概述本选粉机又称作水平涡流式选粉机,是利用空气的水平涡流原理,对粉体进行分级的分级设备,适用于水泥工业对粉状物料或其它工业对相当无聊进行分级,与传统的空气粉体分级设备相比,具有分级效率高,处理物料量大,产品颗粒级配尺寸范围窄,操作简单,粒径调整方便等特点。
二:结构和工作原理结构:壳体部分、回转部分、传动部分、润滑系统等组成壳体部分:壳体、进料斗、弯管,壳体内部设有导向叶片、缓冲板、空气密封圈,壳体侧面及顶盖开设有检查门。
回转部分:转子、主轴、轴承。
传动部分:由立式减速电机或卧式直流电机、立式或卧式专用减速器、弹性联轴器工作原理:粉磨后的物料喂入选粉机的进料溜子,物料通过旋转的撒料盘和固定的缓冲板的作用在分撒状态下被抛向导向叶片的转子,物料在旋转的气流中分选,分选主要是根据离心力与旋转气流的向心力的平衡,达到有效分级。
二次风的送入增强了旋风作用,以保持必要的平衡,粗颗粒向下旋到导向叶片处仍被进入一、二次风进行分选。
技术参数:说明:1、上述数据在选粉机产品比表面积在3100~3300cm2/g,料气比为3.0kg/m3时的数据,括号内为料气比为2.5 kg/m3时的数据。
2、选粉机型号中符号及数字意义:N表示O-sepa选粉机(水平涡流式选粉机),数字表示选粉空气量m3/min。
3、设备总重不包括稀油站重量。
三:试运转1、无负荷试运在转子最高速下,连续运行2~4小时空载运转应满足下列要求: (1)转动平稳,无异常振动好噪音。
(2)各轴承温升不超过30摄氏度。
(3)润滑油要求洁净,用过滤纸检查,不得有任何污迹,油管通畅,润滑良好。
(4)所有临视检测仪表及控制系统,均应灵敏准确。
(5)观察、检测并记录电流波动情况。
(6)检查并拧紧各连接螺栓。
(7)空气量的分配。
在空负荷调试运转中将一、二、三次进风口处的阀门按下列风量的要求调节到合适的为位置,并固定好阀门。
、一次空气量占总空气量的67.5%二次空气量占总空气量的22.5%三次空气量占总空气量的10%2、负荷试运转无负荷试运转合格后,方能进行负荷试运转,加载程序,可按照磨机运转计划进行,负荷运转中除满足无负荷试运转要求外尚需满足下列条件要求:(1)各轴承升温不得超过40摄氏度。
334第二十二章 水泥工业用O-SEPA 型选粉机一 概 述O-SEPA 选粉机是继离心式选粉机和旋风式选粉机后发展起来的具有国际先进水平的第三代选粉设备。
日木小野田水泥技术公司拥有此项技术专利,一九八六年山东省建筑材料机械厂等四家共同从小野田水泥技术公司引进了N250~3000七种规格制造技术。
为适应水泥工业大型化的发展趋势,1994年山东省建材机械厂独家引进了为日产4000T 水泥熟料生产线配套的N-3500、4000、5000三种规格的O-SEPA 选粉机设计、生产及制造技术,这样就结束了日产4000T 水泥熟料生产线上用多台选粉机的历史,工艺布置更加紧凑,操作维修更为方便等。
经过消化吸收和不断的完善改进,O-SEPA 选粉机的设计、制造和应用技术已经非常成熟。
现已制造出几百台不同型号的0-SEPA 选粉机,在各地用户相继使用,收到了良好的效果。
值得一提的是日本小野田水泥技术公司与中国在大连、张店合建的水泥厂均选用了国产的0-SEPA 选粉机。
二 工作原理技术性能及特点(一)工作原理如图1所示,物料从管道9喂人,经撒料板1和缓冲板4使颗粒扩散,并且被抛入从含尘风管10和二次风管11迸人的混合气流中。
混合气流(其中部分可用出磨的含尘气流代替)通过固定的导向叶片5被引导进入选粉区。
通过旋转涡流调节叶片3及水平隔板2的作用,在选粉区形成一个稳定的水平涡流选粉场。
物料进人选粉区在旋涡气流中主要由于离心力和引力的作用使用物料进行第一次分级。
其中细粉被气流向上带出选粉机进入收尘器加以收集,粗粒在导向叶片内侧旋转向下时,受到来自含尘气流管10和二次风管11下部的气流的冲洗,然后又受到三次风12的选粉,最后粗粉从选粉机底部的灰斗7排出。
在O-SEPA选粉机中,每个颗粒部能反复多次地经受选粉过程,而且每一个选粉过程都是在力获得精确平衡的条件下迸行的,因而颗粒在选粉机内的停留时间相当长,而且选粉过程本身是分段地和多方式地进行的,借助于旋涡流调节叶片和水平隔板,在大规格的设备内也能形成稳定的水平涡流。
高效选粉机的构造及工作原理(一)为了克服第一、二代选粉机存在的缺点,提高选粉效率和选粉精度,进而提高粉磨效率,日本小野田(oNoDA)公司率先研制开发了o-sepa型高效选粉机,在选粉原理上是个重大突破。
由于o-sepa高效选粉机的优点突出,引发世界上一些著名的水泥设备制造公司参照其工作原理,竞相开发出各自的高效选粉机,因而出现了多种型式的高效选粉机,称为第三代。
因为o-sepa型高效选粉机开发最早,使用最多,所以是世界公认的第三代高效选粉机的代表。
这些高效选粉机除广泛应用于球(管)磨系统之外,还被推广和移植到其它粉磨设备。
如辊式磨机和辊压机等系统中去,同样显示出它的突出优越性。
1、o-sepa型高效选粉机o-sepa型高效选粉机的构造,主要由以下四大部分组成:壳体Ⅰ、回转部分Ⅱ、传动装置Ⅲ和润滑系统Ⅳ等,如图1所示。
壳体部分Ⅰ是一个双蜗壳形的旋风筒,主要由两个对称布置的进料斗1和2,带有两个高度相同而宽度不同的一、二次风的进风口3和4的蜗壳部分5,带有三个互成120“布置的三次风进风口6的倒锥形集灰斗7,上部粗大的弯形排风排粉管8和固定在壳体上部的传动支座9等组成。
在壳体内相同半径的圆周上均布装有许多个相同的主式导向叶片10,与圆周切线成一定角度(一般为15“左右),以增加一、二次风进入机内后的旋转并可控制其圆周分布均匀。
同时还装有空气密封圈Ⅱ和缓冲折流板12,以控制物料不进入笼形转子的中部而全部进入选粉区。
为了延长使用寿命,壳体内的磨损部位均设有防磨措施:一、二次进风口和出口弯管内或整个壳体内均粘贴有陶瓷片;进料斗、导向叶片和缓冲折流板等均喷涂耐磨材料;倒锥形灰斗焊有多圈扁钢,以形成料衬。
回转部分Ⅱ由笼形转子13、主轴14和支承轴承15、16等组成。
笼形转子13的上部固定着空气密封圈“土”形件17,表面焊有带辐射筋并喷涂耐磨材料的撒料盘18。
一周焊有许多均匀分布的竖向窄而长的风叶19,几块圆环形上下均布的水平隔板20通过几个连接板21与转子轴套相连,形成一个笼形转子。
O-Sepa构造及工作原理新型高效选粉机是为了克服离心式、旋风式选粉机撤料不均匀、分级流场不均匀等缺陷而研制成功的新型分级机。
目前,得到广泛应用的O-Sepa型选粉机,通常被认为是第三代高效分级机的典型代表。
O-Sepa选粉机的结构O-Sepa选粉机的结构如图1所示,它由壳体部分、传动部分、回转部分、润滑系统等组成。
111716图1 O-Sepa选粉机的结构图(a)立体图;(b)剖面图1—涡壳形筒体;2—撒料盘;3—缓冲板;4—水平分隔板;5—涡轮叶片;6—导流叶片;7—锥形灰斗;8—一次风管;9—二次风管;10—三次风管;11—细粉出口(弯管);12—进料口;13一粗粉出口和翻转阀;14—电机;15—减速器;16—笼形转子;17—主轴壳体部分由壳体1、灰斗7、进料口12、弯管11等组成。
在壳体内装有导流叶片6、缓冲板3,空气密封圈,在壳体侧面及顶盖开有一、二次风进口,在弯管内均粘有耐磨瓷片,进料斗、导流叶片、缓冲板各处均采用堆焊复合耐磨板,灰斗内形成的料衬可防止磨损。
壳体上部安装主电动机和减速机。
回转部分由笼形转子16、主轴17、轴套、轴承等组成。
转子采用键连接固定在主轴上,主轴通过传动部分的驱动旋转。
转子由撒料盘2及水平垂直格板4、上下轴套、连接板等组成,转子是选粉机的主要部分。
轴承及滚动轴承等均装在轴套内,轴承采用稀油润滑,密封采用橡胶骨架油封及气封。
主轴与立式减速机共用一个稀油站润滑。
传动部分由立式调速电动机、立式减速器、梅花形弹性联轴器组成。
O-Sepa选粉机的工作原理气流分别由一次风管8、二次风管9切向进入涡壳形筒体1,经过导流叶片6进入导流叶片和涡轮转子之间的环形分级区,形成一次涡流。
然后进入涡轮内部的分级区,在高速旋转的涡轮叶片5的带动下,形成二次涡流。
最后气流经过涡轮中部,由细粉出口11进入旋风筒或袋收尘器等细粉收集设备。
被分级的物料从进料口12喂入,经撒料盘2离心撒开,在缓冲板3的作用下均匀地分散后落入环形分级区,与经过导流后的分级气流进行料气混合。
0-SEPA高效选粉机的工作原理及维修要领授课人:谷永红授课时间:2006.6.15一、0-SEPA选粉机的结构该选粉机壳体为一底部带锥形的圆筒。
壳体顶部有气流和成品细粉出口和两个喂料口;壳体圆柱部分有蜗壳形成的一次空气入口和二次空气入口,并配置有导流叶片。
壳体下部的锥形部分有三个三次空气入口,底部是粗粉出口。
选粉机内部有一个笼形转子,转子的中央是可调速的回转轴,顶部是环形撒料盘;中间有两个分隔板,分隔板将转子分为三层,每层都装有可调节的叶片。
它的转子由电动机通过齿轮减速机带动旋转,从而达到选粉作用。
转子的轴承润滑是由一套稀油站供油润滑。
保证了轴承良好润滑的效果。
结构图(见附页)二、0-SEPA选粉机工作原理选粉机在选粉过程中,需要选粉的物料由顶部喂料口喂入,经撒料盘撒出并遇到缓冲板,均匀地抛入切向延伸的进风口。
分选用的气流大部分来自磨机含尘气体,通过切向的一次、二次风进口及固定的导流叶片进入选粉区。
由转子上的额笼式旋流叶片和水平隔板组成了回转的涡轮,使选粉区形成自上而下的多层水平旋流,该旋流速度均衡稳定,在旋流中颗粒受到的惯性离心力与气流向心力平衡,为精确地分选造成了良好的条件;物料在选粉区停留时间较长,随旋转的气流自上而下受到多次重复分选,而且每次分选都在精确的力的平衡下进行,一层层平面旋流不断将细颗粒和粗颗粒分隔开来,细粉随气流进入转子中部,通过顶部出料管排走并加以收集,而粗颗粒沿筒壁到下部锥体时又受到三次空气重新分选,最后粗粉在锥体底部排出。
三、0-SEPA选粉机的性能优点此选粉机与普通选粉机不同的特点有;①空气是水平方向引进,依切线方向进入选粉室;②撒料盘位于转子上方选粉机顶部,迫使粗粉贯穿空气选粉的全过程;③转子有短的笼式竖向叶片(静叶片),角度可以根据需要调整,转子高度较高,选粉机体积可以缩小;④转子周围的导向叶片改善了空气分布和物料在空气中的分散状态。
这些独特的结构和工作原理使O-SEPA 选粉机较传统的选粉机有不可比拟的优良性能:1、提高了粉磨系统的选粉效率,可达74%以上,粗粉中残留的细粉少,使磨机产量较离心式选粉机时提高约19%-24%,节约电耗8-20%。
O-SEPA选粉机工作原理
离心式选粉机
1、o-sepa选粉机是离心式选粉机的改造的产物。
2、离心式选粉机由转子带着大风叶与小风叶旋转完成选粉。
3、物料由溜子A进入,到达撒料盘B(撒料盘由于高速旋转)物料被水平方向抛出。
4、大风叶的作用,产生一个经百叶窗的内循环风。
5、小风叶的作用,产生一道风墙,把不合格的物料选出来回磨继续粉磨。
6、物料由溜子A进入离心式选粉机内,落到撒料盘B,被高速旋转的撒料盘水平抛出,细粉被大风叶产生的循环风带着向上升,在经过小风叶产生的风墙时,不合格品被选下,向下滑落顺着溜子回磨内继续粉磨。
(小风叶共有36片,数量可以调整,不同的片数选出的物料细度不一样)
被选出的合格品,随着大风叶产生的风继续向上升,经过大风叶后,由于空间增大,沉降下来,顺着溜子进入入库设备,成为成品,而风经百叶窗继续循环。
大风叶的片数是对称安16片,数量也可以对称调整,以满足生产。
大风叶片数越多,产生的风越多,风速越快,选出的产品越多,台时越高,但细度越粗。
小风叶片数越多,风墙的强度越强,选出的产品越少,台时越低,细度越细。
7、o-sepa选粉机是由离心式选粉机改造而成。
高浓度收尘大风机的转速,相当于大风叶的功能。
o-sepa选粉机的里面的风轮相当于小风叶的功能。
8、离心式选粉机选粉效率低,已被淘汰。
o-sepa选粉机目前是选粉效率最好的选粉设备。
9、所以,尽可能稳定高浓度收尘大风机转速(42.5和32.5转速一般不同)平常只需调整o-sepa 转子转速。
O—SEPA选粉机O—SEPA型选粉机是新型高效选粉机(第三代选粉机)。
由小野田公司研制的,1979年通过工业试验后应用于工业生产。
O—SEPA选粉机的工作原理:需要选粉的物料由上喂料管喂入通过撒料盘、缓冲板充分分散落入分选区。
分选气流大部分来自磨机的含尘气体。
通过切向的一次、二次风进口及固定导向叶片进入。
在选粉区内由笼式叶片和水平叶片组成的回转涡轮使内外压差在整个分选区高度内维持一定,从而使整个分选区内的气流稳定均匀,为精确的选粉造成了良好的条件。
物料自上而下为每个颗粒提供了多次重复的分选机会,而且每次分选都在精确的力的平衡下进行,在分选区的停留时间较长,最后落入锥体部分,再经三次风分选。
所以选粉效率显著提高,同时又改变粒径分布。
O—SEPA选粉机与普通选粉机不同的特点有四个方面:空气水平方向引进,以切线方向进入选粉室;撒粒盘位于转子上方选粉机顶部。
迫使粗粉贯穿空气选粉的全过程;转子有较短的竖向风机叶片,采用较高的转子。
选粉机体积可缩小;转子周围的导向叶片改进了空气分布和物料在空气中的分散状态,为精确的选粉创造了良好条件,其优点是:①物料粒径分选精确、选粉效率高、单位容积处理量大。
②产品细度调节范围广,只需方便调节立轴转速即可生产比面积为2600~7000ccm2/g 的水泥。
③改善了水泥成品的颗粒分布,有利于提高水泥质量,达到同样水泥强度,用O—SEPA 型选粉机生产的水泥比表面积可比一、二代选粉机降低100~300cm2/g。
④可提高磨机产量,降低电耗,与传统选粉机相比,可使磨机产量提高约20%,节能约18%。
⑤可大量地利用冷空气,磨机也可采用强力通风,有利于降低水泥温度。
⑥能适应高浓度的含尘气体,可将含尘气体作分选气流使用。
因此可将磨机含尘气体直接引入选粉机,简化了粉磨系统。
⑦、机体小、布置紧凑、相同生产能力下,其体积只有传统选粉机的专一言,可减少设备和土建投资。
O—SEPA型选粉机的规格性能见表4—3O—SEPA型空气选粉机规格性能。
建材技术O-SEP A高效涡流选粉机的应用和发展王磊明 陈 滔(江西省建筑材料科研设计院 江西 南昌 330001)摘 要:O-SEPA选粉机因其原理先进、分级机理明确,与传统的离心式、旋风式选粉机相比有如下优势:.提高产量 使用O-SEPA水平涡流选粉机可提高粉磨系统产量30%~50%。
;.降低能耗;.提高质量,降低成本;.操作简单,细度调节方便;选粉效率高。
在我国水泥工业中得到广泛应用。
关键词:水泥工业选粉机 O-SEPA水平涡流选粉机1 前言选粉机是闭路粉磨系统的主要设备之一,由磨机、选粉机等设备组成的闭路粉磨系统,比无选粉机的开路粉磨系统提高产量10 20%。
因此,粉磨作业中选用选粉机作为磨机的配套设备是提高产量的主要途径之一。
水泥工业用选粉机于1885年发明,由美国的斯特蒂文特(Sturtovant)公司生产,即离心式选粉机,这就是第一代选粉机。
随着世界工业技术的进步和发展,德国洪堡 维达格公司于1960年研制开发了洪堡 维达格型选粉机,即所谓的旋风式选粉机,属于第二代选粉机。
第一代选粉机由于结构与工作原理的限制,选粉效率不高,粉磨系统的效率与产量提高有限;第二代选粉机因其核心结构并没有脱离第一代选粉机的范畴,工作原理上无根本性的变化,所以性能提高有限。
1990年至2000年,选粉机的研究有了突破性的发展,国外各公司相继开发出了新型高效第三代选粉机,其中日本小野田公司率先推出的O-Sepa型选粉机,因采用新的分级结构与原理,显著提高了选粉机的选粉效率及产量,水泥质量与系统能耗也得到改善。
目前水泥工业中采用的选粉机主要有旋风式、离心式、高效涡流选粉机三种型式。
旋风式选粉机结构紧凑、磨损小、震动小、选粉能力大、效率高。
离心式选粉机重量轻、维修方便。
高效涡流选粉机选粉粒度可调、能耗低、效率高。
我国在上世纪九十年代初从日本小野田公司引进O-Sepa选粉机的生产制造技术,并在国内的水泥企业中得到广泛应用。
O-SEPA选粉机说明书诚信贵于金,包容宽于海,道德高于山O-Sepa选粉机说明书中国·江苏盐城市兰丰环境工程科技有限公司地址:江苏省盐城市盐都区丰宇工业园邮编:224014一、概述1979年日本小野田公司发明了O-Sepa选粉机, 1986年我国开始引进,目前国内的O-Sepa选粉机技术均起源于日本小野田技术,不同厂家针对国内O-Sepa选粉机的使用环境和国内现有的操作技术不断改进,我公司为了提高新型干法生产线粉磨技术,大力推进O-Sepa选粉机的使用,消化吸收了国外先进技术的基础上结合具体生产实践,在选粉机上做了大量的改进,推出了使用效果更好、效率更高的改进型O-Sepa选粉机。
二、型号说明1.品种、规格我公司生产的改进型O-Sepa选粉机是第三代选粉机的发展和延伸,一般粉体工业用的规格包括N500~N5000。
型号的组成及代表意义N □□□□选粉机标准状况下的处理风量(Nm3/min) O-Sepa选粉机代号2.用途及适用范围改进型O-Sepa选粉机在水泥生产过程中主要是水泥圈流粉磨系统中的分级设备。
也广泛应用于其他物料的分级,它具有高产低耗、处理量大、操作维护简单、产品颗粒级配范围窄等特点。
3.使用环境条件:使用环境要求:温度: -25℃~+45℃;湿度: ≤50%(40℃),≤90%(20℃)海拔: ≤1000m¤使用环境条件超过要求时需特殊说明!贮运环境要求:温度:-25℃~+55℃;24小时之内;≤70℃4.工作条件选粉机的工作地点必须有足够的起吊空间,工艺设计应考虑检修用平台、爬梯。
5.对环境及能源的影响更换润滑油的时候要将用过的润滑油收集起来,按照相关要求进行出来。
凡是洒在地上的润滑油应及时进行处理。
检修时更换下的螺栓、螺母、油封等废弃物按照法律、法规处理。
6.安全现场操作者进行巡检时,要求安规定要求穿戴劳动防护用品。
在选粉机正常运转时,请不要打开检查门!三、结构与工作原理1.结构:改进型O-Sepa选粉机是利用平面涡流进行分级的第三代高效选粉机,选粉机由驱动部分、回转部分、壳体部分、润滑系统、控制系统五大部分构成。
O-sepa选粉机构造工作原理和改进1003024123班苗旺o-sepa选粉机构造工作原理和改进O-SEPA选粉机作为第三代选粉机的典型代表,与第一代、第二代选粉机相比具有较高的选粉效果,同时配合适应大中型球磨机处理较大的物料量。
它与第一代和第二代选粉机在撒料和分级原理上有着较大的差别。
主要是由它在结构特征上与它们也有着明显的区别所致所致。
O-SEPA选粉机只完成撒料与分级功能,成品的收集是独立完成的与O-SEPA 选粉机主机是分离开的。
由于其独特的原理和结构,得到了广泛的应用,但仍有其不足之处,需要进一步改进和提高。
以下是针对O-SEPA选粉机的工作原理及结构特点进行的较为详细的分析,为O-SEPA选粉机的改造提供了必要的依据。
一.O-SEPA选粉机的结构及工作原理其工作原理是:待选物料由上部的两个进料口喂入选粉机,通过撒料盘、缓冲板充分分散,落入选粉区。
选粉气流大部分来自磨机,通过切向一次风进口和二次风进口进入,经导向叶片水平进入选粉区。
在选粉机内由垂直叶片和水平叶片组成的笼子,回转时使内外压差在整个选粉区高度上下维持一定,从而使气流稳定均匀,为精确选粉创造了良好的条件。
物料自上而下,为每个颗粒提供了多次重复分选的机会,而且每次分选都是在精确的离心力和水平风力的平衡条件下进行。
细粉从外向内克服了边壁效应的不利影响。
由于选粉距离较长,最后落入锥体部分的颗粒又经过三次风再次风选,选粉效率大为提高。
二.O-SEPA选粉机的分级机理O-SEPA选粉机的分级机构是采用圆柱形转笼和圆柱面分布的导向叶片组成,可以形成一个均匀、对称的圆柱面的分级空间。
设计思路是:由导向叶片的外侧进风和柱面转笼的旋转,形成一个沿柱面的周向和轴向分布都很均匀的旋转气流场,使得经气粉充分混和的气粉两相流,在这个均匀的柱面涡流场中获得均匀一致的预分级的作用,再经过旋转的转笼叶片实现强制分级。
同时,被分选出的粗粉是由上而下的运动,因而可以对被选对象进行多次分选,提高对粗、细粉的分级作用,从而提高分级效果。