(完整word版)石膏检测标准
- 格式:doc
- 大小:14.13 KB
- 文档页数:3
石膏主要指标的检测方法精选文档TTMS system office room 【TTMS16H-TTMS2A-TTMS8Q8-石膏主要指标的检测方法1、标准稠度也叫标稠用水量。
是指100份半水石膏粉,使它获得标准流动性所需要的加水量,用百分数表示。
它是描述半水石膏粉性能的一项很重要的指标,是对比石膏粉质量、描述半水石膏粉其它性能指标的基础。
其含义是:在规定的实验条件和一定石膏量(300±1g)和预定稠度水量下,按一定的实验方法,石膏料浆自由扩展直径达220±5mm时,加水量占石膏量的百分数。
α-半水石膏的标准稠度小,一般为45%~55%,而β-半水石膏标准稠度大,一般为70%~80%。
2、细度它也是描述半水石膏粉性能的一项重要的指标。
其关系到半水石膏的凝结速度和模型强度。
一般情况下,石膏粉的细度越细,其颗粒的比表面积越大,与水的接触面积越大,在水中的溶解速度也越快,与水结合后反应充分,石膏浆的凝结速度加快,形成的网络结构多,则模型强度高,但吸水率相应降低。
不过当半水石膏粉的细度达到一定限度时(例如比表面积达到15000cm2时),由于产生较大结晶应力,模型强度反而下降。
β石膏粉的细度较粗(一般为80~90目),模型强度较低;而α石膏的细度较细(一般为120~180目),模型强度较高。
3、凝结时间初凝时间是指在标稠用水量下,从石膏粉撒入水中至石膏浆失去流动性开始变稠时所经过的时间;终凝时间是指在标稠用水量下,从石膏粉撒入水中到石膏浆体固化时所经过的时间。
石膏粉凝结时间的标准是:在标准稠度下,一般初凝时间不小于6min,终凝时间不大于25min。
适宜的凝结时间是石膏粉在生产中正常使用的必要条件。
在实际生产中我们希望初凝时间长一点,终凝时间短一点为好。
如果在使用中初凝时间太短,小于6min,则证明石膏粉夹生没有炒熟,或新炒制没有陈腐,或石膏粉受潮,影响注模操作,最终影响生产;若终凝时间太长,远大于25min,则说明石膏在炒制时过烧,含有过烧石膏,其表现为石膏浆太稀,注模时易漏浆,甚至石膏浆不凝固,影响生产。
石膏检测石膏成分检测一:石膏(003)石膏是单斜晶系矿物,主要化学成分是硫酸钙(CaSO4)。
石膏是一种用途广泛的工业材料和建筑材料。
可用于水泥缓凝剂、石膏建筑制品、模型制作、医用食品添加剂、硫酸生产、纸张填料、油漆填料等。
二:石膏的主要化学成分CaO 32.5,SO3 46.6,H2O+ 20.9。
成分变化不大。
常有粘土、有机质等机械混入物。
有时含SiO2、Al2O3、Fe2O3、MgO、Na2O、CO2、Cl等杂质。
三:主要检测产品石膏粉:磷石膏粉、脱硫石膏粉、柠檬酸石膏粉和氟石膏粉石膏板:纸面石膏板、装饰石膏板、石膏空心条板、纤维石膏板、石膏吸音板、定位点石膏板其他:生石膏,石膏纤维,石膏线,石膏砌块等。
四:主要检测项目含量分析:含固体含量、硫酸钙含量、不挥发物含量、其他杂质含量成分配比物理性质:硬度、灰分、粘度、细度、粒度、挥发分、比重、比表面积、熔点、回粘性、光泽、吸水率、凝结时间、尺寸偏差和表面质量等;力学性能:抗拉强度、脆性、弯曲试验、拉伸试验、耐冲击性等化学性能:耐水性、耐久性、耐酸碱性、耐腐蚀性、耐候性、耐热性等。
防火性能:耐燃烧时间、火焰传播比值、质量损失、炭化体积其他参数:隔音性能等。
五:部分检测标准JC/T 517-2004 粉刷石膏GB/T 9776-2008建筑石膏GB/T 5483-2008 天然石膏GB/T 5484-2012 石膏化学分析方法GB/T 9775-2008 纸面石膏板GB/T 9776-2008 建筑石膏GB/T 5463.3-2013 非金属矿产品词汇第3部分:石膏科标无机检测中心可提供专业石膏检测,可依据依照ASTM、ISO、EN、JIS等国际标准和GB国家标准对石膏产品进行相关的分析测试服务。
石膏主要指标的检测方法1、标准稠度也叫标稠用水量。
是指100份半水石膏粉,使它获得标准流动性所需要的加水量,用百分数表示.它是描述半水石膏粉性能的一项很重要的指标,是对比石膏粉质量、描述半水石膏粉其它性能指标的基础。
其含义是:在规定的实验条件和一定石膏量(300±1g)和预定稠度水量下,按一定的实验方法,石膏料浆自由扩展直径达220±5mm时,加水量占石膏量的百分数.α-半水石膏的标准稠度小,一般为45%~55%,而β-半水石膏标准稠度大,一般为70%~80%。
2、细度它也是描述半水石膏粉性能的一项重要的指标。
其关系到半水石膏的凝结速度和模型强度。
一般情况下,石膏粉的细度越细,其颗粒的比表面积越大,与水的接触面积越大,在水中的溶解速度也越快,与水结合后反应充分,石膏浆的凝结速度加快,形成的网络结构多,则模型强度高,但吸水率相应降低。
不过当半水石膏粉的细度达到一定限度时(例如比表面积达到15000cm2时),由于产生较大结晶应力,模型强度反而下降。
β石膏粉的细度较粗(一般为80~90目),模型强度较低;而α石膏的细度较细(一般为120~180目),模型强度较高.3、凝结时间初凝时间是指在标稠用水量下,从石膏粉撒入水中至石膏浆失去流动性开始变稠时所经过的时间;终凝时间是指在标稠用水量下,从石膏粉撒入水中到石膏浆体固化时所经过的时间.石膏粉凝结时间的标准是:在标准稠度下,一般初凝时间不小于6min,终凝时间不大于25min。
适宜的凝结时间是石膏粉在生产中正常使用的必要条件。
在实际生产中我们希望初凝时间长一点,终凝时间短一点为好。
如果在使用中初凝时间太短,小于6min,则证明石膏粉夹生没有炒熟,或新炒制没有陈腐,或石膏粉受潮,影响注模操作,最终影响生产;若终凝时间太长,远大于25min,则说明石膏在炒制时过烧,含有过烧石膏,其表现为石膏浆太稀,注模时易漏浆,甚至石膏浆不凝固,影响生产。
原药材检验标准操作规程目的:建立一个中药饮片原药材检验标准操作程序,确保检验结果准确可靠。
适用范围:中药原药材。
责任人:质量保证部主任、质量控制部主任、化验员。
标准来源:《中华人民共和国药典》2010年版一部、《安徽省中药饮片炮制规范》。
内容:1、性状取本品适量,放入白瓷盘中,用眼观察,可见以下性状特征:本品为纤维状的集合体,呈长块状、板块状或不规则块状,白色、灰白色或淡黄色,有的半透明。
体重,质软,纵断面具绢丝样光泽。
气微,味淡。
2、鉴别主要使用仪器:电子分析天平等。
2.1 理化鉴别2.1.1取本品一小块(约2g),置具有小孔软木塞的试管内,灼烧,管壁有水生成,小块变为不透明体。
2.1.2取本品粉末0.2g,加稀盐酸10ml,加热使溶解,溶液显钙盐(《中华人民共和国药典》附录IV)与硫酸盐(《中华人民共和国药典》附录IV)的鉴别反应。
2.1.2.1钙盐(1)取铂丝,用盐酸湿润后,蘸取供试品,在无色火焰中燃烧,火焰即显砖红色。
(2)取供试品溶液(1→20),加甲基红指示液2滴,用氨试液中和,再滴加盐酸至恰呈酸性,加草酸铵试液,即生成白色沉淀;分离,沉淀不溶于醋酸,但可溶于稀盐酸。
2.1.2.2硫酸盐(1)取供试品溶液,滴加氯化钡试液,即生成白色沉淀;分离,沉淀在盐酸或硝酸中均不溶解。
(2)取供试品溶液,滴加醋酸铅试液,即生成白色沉淀;分离,沉淀在醋酸铵试液或氢氧化钠试液中溶解。
(3)取供试品溶液,加盐酸,不生成白色沉淀( 与硫代硫酸盐区别)。
3、检查3.1 重金属标准铅溶液的制备称取硝酸铅0.160g,置1000ml量瓶中,加硝酸5ml与水50ml溶解后,用水稀释至刻度,摇匀,作为贮备液。
临用前,精密量取贮备液10ml,置100ml量瓶中,加水稀释至刻度,摇匀,即得(每1ml相当于10μg的Pb)。
配制与贮存用的玻璃容器均不得含铅。
取本品8g,加冰醋酸4ml与水96ml,煮沸10分钟,放冷,加水至原体积,滤过。
1 目的建立石膏粉的质量标准及检验标准操作程序,使石膏粉的“生产、验收、检验使用、贮藏”等工作有标准可依。
2 适用范围适用于石膏粉的生产、检验和复检。
3 责任人石膏粉质量标准及检验标准操作程序的编订、审批及使用人员。
4 物料信息品名:石膏粉汉语拼音: ShiGaoFen来源: 石膏分别粉碎成细粉,过80目筛,混合均匀。
物料代码:见《物料代码表》(REC-QA-0036-00)5 标准依据《中国药典》 2010年版一部。
6石膏粉质量标准项目《中国药典》2010年版一部公司内控质量标准性状------------ 本品应为灰白色的粉末,体重;气微,味淡。
细度------------ 应全部通过80目筛,未过100目的不得过5%。
微生物限度细菌总数不得过10000cfu/g 细菌总数不得过1000cfu/g霉菌、酵母菌总数不得过100cfu/g 霉菌、酵母菌总数不得过50cfu/g大肠埃希菌不得检出大肠埃希菌不得检出大肠菌群每1g应小于100个大肠菌群每1g应小于50个活螨不得检出活螨不得检出贮藏密封,置干燥处。
密封,置干燥处。
贮存期…………24个月7 取样以一次生产的同一生产批号为一批进行取样检验,取样方法执行《中间产品、待包装产品取样标准操作程序》(SOP-QC-0104-00)。
8 检验标准操作程序8.1 性状取本品,依法《理化检验标准操作通则》(SOP-QC-0001-00)检测。
应为灰白色的粉末,体重;气微,味淡。
8.2 细度取本品,依法《理化检验标准操作通则》(SOP-QC-0001-00)检测。
照双筛法,称取样品30g,置药筛内将筛保持水平状态左右往返,边筛动边轻扣3分钟,称重。
应全部通过80目筛,未能通过100目筛的药粉,不得过5%。
8.3 微生物限度依法《细菌、霉菌、酵母菌检测标准操作程序》(SOP-QC-0050-00)检测。
依法《大肠埃希菌检验标准操作程序》(SOP-QC-0051-00)检测。
1天然石膏1范围本文件规定了天然石膏矿产品的分类与标记、要求、试验方法、检验规则、标志、包装、运输与贮存。
本文件适用于自然界产出的天然石膏矿产品。
2规范性引用文件GB 2007.2散装矿产品取样、制样通则手工制样方法GB 5009.75食品安全国家标准食品添加剂中铅的测定GB 5009.76食品安全国家标准食品添加剂中砷的测定GB 5009.93食品安全国家标准食品中硒的测定GB/T 5484石膏化学分析方法GB/T 2334下列文件中的内容通过文中的规范性引用而构成本文件必不可少的条款。
其中,注日期的引用文件,仅该日期对应的版本适用于本文件;不注日期的引用文件,其最新版本适用于本文件。
9肥料中砷、镉、铬、铅、汞含量的测定3术语和定义下列术语和定义适用于本文件。
3.1天然石膏natural gypsum形式上主要以二水石膏(CaSO 4·2H 2O)和硬石膏(CaSO 4)存在的称为天然石膏。
3.2天然二水石膏natural gypsum dihydrate形式上主要以二水硫酸钙(CaSO 4·2H 2O)存在的称为天然二水石膏。
3.3天然硬石膏natural anhydrite 形式上主要以无水硫酸钙(CaSO 4)存在的,且无水硫酸钙(CaSO 4)质量分数与二水硫酸钙(CaSO 4·2H 2O)和无水硫酸钙(CaSO 4)的质量分数之和的比值不小于80%称为天然硬石膏。
3.4天然混合石膏natural mixed gypsum形式上主要以二水硫酸钙(CaSO 4·2H 2O)和无水硫酸钙(CaSO 4)存在的,且无水硫酸钙(CaSO 4)质量分数与二水硫酸钙(CaSO 4·2H 2O)和无水硫酸钙(CaSO 4)的质量分数之和的比值小于80%称为天然混2品位grade指单位体积或单位质量矿石中有用组分或有用矿物的质量百分比。
3. 合石膏。
3.56附着水(H 2O -)free water 物质吸附空气中的水分。
粉刷石膏行业标准【标准名称】粉刷石膏【标准类型】中华人民共和国建材行业标准【标准名称(英)】【标准号】JC/T517-93【标准发布单位】【标准发布日期】【标准实施日期】【标准正文】1主题内容与适用范围本标准规定了粉刷石膏的分类、技术要求、试验方法、检验规则以及包装、运输和贮存的要求。
本标准适用于在建筑物室内墙面和顶棚上进行底层、面层及保温层抹灰的粉刷石膏。
2引用标准GB 177水泥胶砂强度检验方法GB2419水泥胶砂流动度测定方法GB9776建筑石膏3术语粉盖刷石膏,二水硫酸钙或无水硫酸钙经缎烧,其生成物(βCaSO4·1/2H2O和Ⅱ型CaSO4)单独或两者混合后掺入外加剂,也可加入集料制成的胶结料。
4分类、等级与标记4.1分类粉刷石骨按其用途分类,见表1。
表1分类面层粉刷石膏底层粉刷石膏保温层粉刷石膏代号MDW4.2等级粉刷石膏按强度分为优等品(A)、一等品(B)与合格品(C)。
4.3标记4.3.1标记方法标记的顺序为:产品名称,代号,等级及标准号。
4.3.2标记示例优等品面层粉刷石膏标记如下:粉刷石膏MA JC/T5l7 5技术要求5.1细度粉刷石膏的细度以2.5mm和0.2mm筛的筛余百分数计,其值应不大于表2规定的数值。
表2产品类别面层粉刷石膏底层和保温层粉刷石膏 2.5mm方孔筛筛余0 0.2mm方孔筛筛余40- 5.2凝结时间粉刷石膏的初凝时间应不小于1h,终凝时间应不大于8h。
5.3强度粉刷石膏的强度不得小于表3规定的数值。
表3产品类别面层粉刷石膏底层粉刷石膏保温层粉刷石膏等级优等品一等品合格品优等品一等品合格品优等品一等品、合格品抗折强度 3.0 2.0 1.0 2.5 1.5 0.8 1.5 0.6抗压强度 5.0 3.5 2.5 4.0 3.0 2.0 2.5 1.0 5.4体积密度保温层粉刷石膏的体积密度应不大于600kg/m[3]。
6试验方法6.1试验仪器与设备6.1.1标准筛筛孔边长为2.5mm和0.2mm的方孔筛。
石膏检测相关标准石膏是单斜晶系矿物,主要化学成分是硫酸钙(CaSO4)的水合物。
石膏是一种用途广泛的工业材料和建筑材料。
可用于水泥缓凝剂、石膏建筑制品、模型制作、医用食品添加剂、硫酸生产、纸张填料、油漆填料等。
(14.10.15)(001)化学成份:组成(wB%):CaO32.5,SO346.6,H2O+20.9。
成分变化不大。
常有粘土、有机质等机械混入物。
有时含SiO2、Al2O3、Fe2O3、MgO、Na2O、CO2、Cl等杂质。
检测标准:AQ2015-2008石膏矿地下开采安全技术规范CECS201-2006植物纤维石膏渣空心砌块应用技术规程(附条文说明)DB11/T537-2008端体内保温施工技术规程(胶粉聚苯颗粒保温浆料玻纤网格布抗裂砂浆做法和增强粉刷石膏聚苯板做法)DB15/T674-2014脱硫石膏改良碱化耕地技术规程DB31/T665-2012免煅烧脱硫石膏基胶凝材料DB31/T666-2012免煅烧脱硫石膏基衍生产品(粉刷砂浆、石膏砌块和土壤固化剂)应用技术规程DB37/1024-2008石膏矿山安全规程DBJT10-1992嵌装式装饰石膏板吊顶图集DBl2/046.48-2008石膏板单位产量综合能耗计算方法及限额DL/T1149-2010火电厂石灰石/石灰-石膏湿法烟气脱硫系统运行导则DL/T341-2010火电厂石灰石/石灰-石膏湿法烟气脱硫装置检修导则DL/T997-2006火电厂石灰石-石膏湿法脱硫废水水质控制指标DL/T998-2006石灰石-石膏湿法烟气脱硫装置性能验收试验规范GA/T985-2012法庭科学立体痕迹石膏制模提取方法GB/T17669.1-1999建筑石膏一般试验条件GB/T17669.2-1999建筑石膏结晶水含量的测定GB/T17669.3-1999建筑石膏力学性能的测定GB/T17669.4-1999建筑石膏净浆物理性能的测定GB/T17669.5-1999建筑石膏粉料物理性能的测定GB/T21371-2008用于水泥中的工业副产石膏GB/T23456-2009磷石膏GB/T26204-2010纸面石膏板护面纸板基本性质:天然二水石膏(CaSO4·2H2O)又称为生石膏,经过煅烧、磨细可得β型半水石膏(2CaSO4·H2O),即建筑石膏,又称熟石膏、灰泥。
石膏检测标准DL/T 1483-2015 石灰石-石膏湿法烟气脱硫系统化学及物理特性试验方法GB/T 17669.1-1999建筑石膏一般试验条件GB/T 17669.2-1999建筑石膏结晶水含量的测定GB/T 17669.3-1999 建筑石膏力学性能的测定GB/T 17669.4-1999建筑石膏净浆物理性能的测定GB/T 17669.5-1999建筑石膏粉料物理性能的测定GB/T 21371-2008 用于水泥中的工业副产石膏GB/T 23456-2009 磷石膏GB/T 26204-2010 纸面石膏板护面纸板GB/T 28627-2012 抹灰石膏GB/T 5463.3-2013 非金属矿产品词汇第3部分:石膏GB/T 5483-2008 天然石膏GB/T 5484-2012 石膏化学分析方法GB/T 9775-2008 纸面石膏板GB/T 9776-2008 建筑石膏GSB 08-1352-2014 水泥用石膏成分分析标准样品GSB 08-2991-2014 脱硫石膏成分分析标准样品GSB 08-3200-2014 磷石膏成分分析标准样品HG/T 4219-2011 磷石膏土壤调理剂HG/T 4753-2014 双翻盘磷石膏湿渣滤液机HJ/T 179-2005 火电厂烟气脱硫工程技术规范石灰石/石灰-石膏法HJ/T 211-2005 环境标志产品技术要求化学石膏制品JB/T 11734-2013 石膏型熔模铸造用铸型粉JB/T 11887-2014 石灰石-石膏湿法烟气脱硫工艺水系统设计规程JC/T 1021.8-2007 非金属矿物和岩石化学分析方法第8部分石膏矿化学分析方法 JC/T 1023-2007 石膏基自流平砂浆JC/T 1025-2007 粘结石膏JC/T 2038-2010 α型高强石膏JC/T 2073-2011 磷石膏中磷、氟的测定方法JC/T 2074-2011 烟气脱硫石膏JC/T 2075-2011 嵌缝石膏JC/T 2077-2011 复合保温石膏板JC/T 2078-2011 石膏装饰条JC/T 2119-2012 卫生陶瓷生产用石膏模具JC/T 2276-2014 建筑石膏单位产品能源消耗限额JC/T 443-2007 纸面石膏板护面纸板JC/T 523-2010 纸面石膏板单位产量能源消耗限额JC/T 698-2010 石膏砌块JC/T 700-1998 制作胶结料的石膏石JC/T 799-2007 装饰石膏板JC/T 800-2007 嵌装式装饰石膏板JC/T 803-2007 吸声用穿孔石膏板JC/T 829-2010 石膏空心条板JC/T 997-2006 装饰纸面石膏板JGJ/T 201-2010 石膏砌块砌体技术规程JGJ 217-2010 纤维石膏空心大板复合墙体结构技术规程LY/T 1598-2011 石膏刨花板LY/T 1804-2008 石膏刨花板生产线验收通则LY/T 2372-2014 活动地板基材用石膏纤维板NY/T 1060-2006 泥生产用磷石膏QB/T 1639-2014 陶瓷模用石膏粉QB/T 1640-2015 陶瓷模用石膏粉物理性能测试方法QB/T 1641-1992 陶瓷用石膏化学分析方法QB/T 2699-2005 纸面石膏板护面纸板SL 237-20064-1999中溶盐石膏试验(附条文说明)SN/T 2297.1-2009 进出口石膏及石膏制品分析方法第1部分:锶含量的测定SN/T 2297.2-2009 进出口石膏及石膏制品分析方法第2部分:有机物的测定SN/T 2297.3-2009 进出口石膏及石膏制品分析方法第3部分:硫化物含量的测定SN/T 2297.4-2009 进出口石膏及石膏制品分析方法第4部分:可挥发含硫化合物的测定SN/T 2297.5-2014 进出口石膏及石膏制品分析方法第5部分:硫含量的测定气相色谱-质谱法SN/T 2297.6-2012 石膏及石膏制品第6部分:单质硫的测定SN/T 2297.7-2015 石膏及石膏制品分析方法第7部分:砷、汞含量的测定原子荧光光谱法 SN/T 2297.8-2015 石膏及石膏制品分析方法第8部分:水溶性氟化物、氯化物含量的测定离子色谱法SN/T 2297.9-2015 进出口石膏及石膏制品分析方法第9部分:铅、镉、铬、砷、汞、铜、锌、锰、镍、钴的测定电感耦合等离子体质谱法SN/T 3341-2012 石膏板中硫化物含量的测定亚甲基蓝分光光度法YY 0462-2003 牙科石膏产品YY 0713-2009 牙科石膏结合剂铸造包埋材料YY/T 1117-2001 石膏绷带粉状型YY/T 1118-2001 石膏绷带粘胶型科标实验室提供化工材料检测服务,专业从事石膏检测、水泥检测、石材检测、保温材料和耐火材料等建筑检测,拥有专业的检测团队,检测设备先进,检测结果精准,出具正规检测报告!。
粉刷石膏质量检验评定标准
1.1.1检查数量:观感普查,允许偏差项目随机抽查总量的30%,柱群、除纵横向做贯通检查外,柱体逐根检查。
(Ⅰ)保证项目
1.1.2抹灰基底工程须符合本标准规定。
1.1.3柱群中各柱位置正确,纵、横成行在同直线上。
检验方法:观察、尺量检查。
(Ⅱ)基本项目
1.1.4摸灰表面应符合以下规定:
合格:表面光滑、洁净,颜色均匀,无明显抹纹;线角和抹灰线平直方正。
优良:表面光滑、洁净,颜色均匀,无抹纹,线角和抹灰线平直方正,清晰美观。
检验方法:观察、手摸检查。
1.1.5孔洞、盒和管道后面抹灰表面应符合以下规定:
合格:尺寸正确,边缘整齐,管道后面平顺。
优良:尺寸正确,边缘整齐,光滑、方正,管道后面平整、光滑。
检验方法:观察检查。
1.1.6护角和门窗框与墙体间缝隙的填塞质量应符合以下规定:
合格:护角用料和高度符合现行施工规范规定,表面平顺。
门窗框与墙体间缝隙填塞密实。
优良:护角用料和高度符合施工规范规定。
门窗框与墙体间缝隙填塞密实。
表面平顺光滑。
检验方法:观察、用小锤轻击和用尺量检查。
1.1.7分格缝(条)的质量应符合以下规定:
合格:宽度、深度均匀一致,棱角整齐,横平竖直。
优良:宽度、深度一致,平整光滑,棱角整齐,横平竖直。
检验方法:观察检查。
(Ⅲ)允许偏差项目
1.1.8粉刷石膏允许偏差和检验方法应符合表1.1.8
粉刷石膏抹灰允许偏差和检验方法(表1.1.8)。
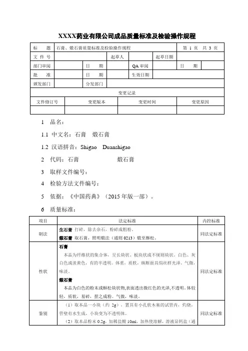
XXXX药业有限公司成品质量标准及检验操作规程1 品名:1.1 中文名:石膏煅石膏1.2 汉语拼音:Shigao Duanshigao2 代码:石膏煅石膏3 取样文件编号:4 检验方法文件编号:5 依据:《中国药典》(2015年版一部)。
6 质量标准:7 检验操作规程:7.1 试药与试剂:稀盐酸、二胺四醋酸二钠滴。
7.2 性状:取本品适量,自然光下目测色泽,嗅闻气味。
7.3鉴别:7.3.1取本品一小块(约2g),置具有小孔软木塞的试管内,灼烧,管壁有水生成,小块变为不透明体。
7.3.2取本品粉末0.2g,加稀盐酸10ml,加热使溶解,溶液显钙盐(附录21)与硫酸盐(附录40)的鉴别反应。
7.4 检查:重金属7.4.1石膏:取本品8g,加冰醋酸4ml与水96ml,煮沸10分钟,放冷,加水至原体积,滤过。
取滤液25ml,依法检查(附录13第一法),含重金属不得过10mg/kg。
砷盐取本品1g,加盐酸5ml,加水至23ml,加热使溶解,放冷,依法检查(附录13第二法),含砷量不得过2mg/kg。
7.4.2煅石膏:照石膏项下的方法检查,不得过10mg/kg。
7.5 含量测定:7.5.1石膏:取本品细粉约0.2g,精密称定,置锥形瓶中,加稀盐酸10ml,加热使溶解,加水100ml与甲基红指示液1滴,滴加氢氧化钾试液至溶液显浅黄色,再继续多加5ml,加钙黄绿素指示剂少量,用乙二胺四醋酸二钠滴定液(0.05mol/L)滴定,至溶液的黄绿色荧光消失,并显橙色。
每1ml乙二胺四醋酸二钠滴定液(0.05mol/L)相当于8.608mg的含水硫酸钙(CaSO4·2H2O)。
本品含含水硫酸钙(CaSO4·2H2O)不得少于95.0%。
7.5.2煅石膏:取本品细粉约0. 15g,精密称定,照石膏项下的方法,自"置锥形瓶中,加稀盐酸10ml"起,依法测定。
每lml乙二胺四醋酸二钠滴定液(0. 05mol/L)相当于6. 807mg的硫酸钙(CaS04)。
石膏检测标准DL/T 1483-2015 石灰石-石膏湿法烟气脱硫系统化学及物理特性试验方法GB/T 建筑石膏一般试验条件GB/T 建筑石膏结晶水含量的测定GB/T 建筑石膏力学性能的测定GB/T 建筑石膏净浆物理性能的测定GB/T 建筑石膏粉料物理性能的测定GB/T 21371-2008 用于水泥中的工业副产石膏GB/T 23456-2009 磷石膏GB/T 26204-2010 纸面石膏板护面纸板GB/T 28627-2012 抹灰石膏GB/T 非金属矿产品词汇第3部分:石膏GB/T 5483-2008 天然石膏GB/T 5484-2012 石膏化学分析方法GB/T 9775-2008 纸面石膏板GB/T 9776-2008 建筑石膏GSB 08-1352-2014 水泥用石膏成分分析标准样品GSB 08-2991-2014 脱硫石膏成分分析标准样品GSB 08-3200-2014 磷石膏成分分析标准样品HG/T 4219-2011 磷石膏土壤调理剂HG/T 4753-2014 双翻盘磷石膏湿渣滤液机HJ/T 179-2005 火电厂烟气脱硫工程技术规范石灰石/石灰-石膏法HJ/T 211-2005 环境标志产品技术要求化学石膏制品JB/T 11734-2013 石膏型熔模铸造用铸型粉JB/T 11887-2014 石灰石-石膏湿法烟气脱硫工艺水系统设计规程JC/T 非金属矿物和岩石化学分析方法第8部分石膏矿化学分析方法JC/T 1023-2007 石膏基自流平砂浆JC/T 1025-2007 粘结石膏JC/T 2038-2010 α型高强石膏JC/T 2073-2011 磷石膏中磷、氟的测定方法JC/T 2074-2011 烟气脱硫石膏JC/T 2075-2011 嵌缝石膏JC/T 2077-2011 复合保温石膏板JC/T 2078-2011 石膏装饰条JC/T 2119-2012 卫生陶瓷生产用石膏模具JC/T 2276-2014 建筑石膏单位产品能源消耗限额JC/T 443-2007 纸面石膏板护面纸板JC/T 523-2010 纸面石膏板单位产量能源消耗限额JC/T 698-2010 石膏砌块JC/T 700-1998 制作胶结料的石膏石JC/T 799-2007 装饰石膏板JC/T 800-2007 嵌装式装饰石膏板JC/T 803-2007 吸声用穿孔石膏板JC/T 829-2010 石膏空心条板JC/T 997-2006 装饰纸面石膏板JGJ/T 201-2010 石膏砌块砌体技术规程JGJ 217-2010 纤维石膏空心大板复合墙体结构技术规程LY/T 1598-2011 石膏刨花板LY/T 1804-2008 石膏刨花板生产线验收通则LY/T 2372-2014 活动地板基材用石膏纤维板NY/T 1060-2006 泥生产用磷石膏QB/T 1639-2014 陶瓷模用石膏粉QB/T 1640-2015 陶瓷模用石膏粉物理性能测试方法QB/T 1641-1992 陶瓷用石膏化学分析方法QB/T 2699-2005 纸面石膏板护面纸板SL 237-20064-1999中溶盐石膏试验(附条文说明)SN/T 进出口石膏及石膏制品分析方法第1部分:锶含量的测定SN/T 进出口石膏及石膏制品分析方法第2部分:有机物的测定SN/T 进出口石膏及石膏制品分析方法第3部分:硫化物含量的测定SN/T 进出口石膏及石膏制品分析方法第4部分:可挥发含硫化合物的测定SN/T 进出口石膏及石膏制品分析方法第5部分:硫含量的测定气相色谱-质谱法SN/T 石膏及石膏制品第6部分:单质硫的测定SN/T 石膏及石膏制品分析方法第7部分:砷、汞含量的测定原子荧光光谱法SN/T 石膏及石膏制品分析方法第8部分:水溶性氟化物、氯化物含量的测定离子色谱法SN/T 进出口石膏及石膏制品分析方法第9部分:铅、镉、铬、砷、汞、铜、锌、锰、镍、钴的测定电感耦合等离子体质谱法SN/T 3341-2012 石膏板中硫化物含量的测定亚甲基蓝分光光度法YY 0462-2003 牙科石膏产品YY 0713-2009 牙科石膏结合剂铸造包埋材料YY/T 1117-2001 石膏绷带粉状型YY/T 1118-2001 石膏绷带粘胶型科标实验室提供化工材料检测服务,专业从事石膏检测、水泥检测、石材检测、保温材料和耐火材料等建筑检测,拥有专业的检测团队,检测设备先进,检测结果精准,出具正规检测报告!。
石膏化验国标
(原创实用版)
目录
1.石膏化验的背景和重要性
2.我国石膏化验的国家标准
3.石膏化验的具体步骤和方法
4.石膏化验的应用领域和意义
5.石膏化验的注意事项和未来发展趋势
正文
石膏化验是检测石膏成分和性质的一种重要方法。
石膏是一种广泛应用于建筑、化工、医药等领域的重要矿物资源。
因此,对其进行化验和分析具有重要的实际意义。
我国对石膏化验有一套严格的国家标准。
这些标准包括了石膏的成分分析、物理性质检测、化学性质检测等多个方面。
按照这些标准进行石膏化验,可以保证检测结果的准确性和可靠性。
石膏化验的具体步骤和方法主要包括取样、研磨、混合、测定等步骤。
取样时要保证样品的代表性,研磨时要保证样品的细度,混合时要保证样品的均匀性,测定时要选择合适的方法和设备。
只有这样,才能确保化验结果的准确性。
石膏化验的应用领域非常广泛,包括建筑、化工、医药、环保等。
在建筑领域,石膏化验可以帮助检测建筑材料的质量,保证建筑工程的安全和稳定。
在化工领域,石膏化验可以帮助检测石膏的成分和性质,提高化工产品的质量和效益。
在医药领域,石膏化验可以帮助检测药物的成分和效果,保证药物的安全性和有效性。
在进行石膏化验时,有一些注意事项需要遵循。
比如,要严格按照国
家标准进行操作,避免因为操作不当导致的误差。
另外,还要注意仪器设备的维护和保养,保证其正常运行。
随着科技的发展,石膏化验的未来发展趋势非常乐观。
一方面,新的检测技术和设备不断涌现,可以提高石膏化验的效率和准确性。
石膏检测标准一、概述石膏是一种常见的天然矿物材料,具有优良的物理和化学性能,广泛应用于建筑、医疗、艺术等领域。
在生产、使用和处理过程中,石膏的品质和性能需要得到准确的检测和控制。
本文将介绍石膏检测标准的相关内容,包括检测项目、方法、设备和人员要求等方面的规定。
二、检测项目石膏的检测项目主要包括以下几类:1. 物理性能:包括密度、孔隙率、吸水率、抗折强度、抗压强度等。
2. 化学成分:主要检测石膏中的杂质含量,如硫化物、碳酸盐、硅酸盐等。
3. 放射性:为了确保使用安全,需要对石膏的放射性进行检测。
4. 外观质量:观察石膏的外观质量,如颜色、杂质等。
5. 尺寸偏差:检测石膏的尺寸是否符合要求。
三、检测方法针对不同的检测项目,采用不同的检测方法,包括但不限于以下几种:1. 物理性能检测:采用压汞仪、压力试验机等设备进行测量。
2. 化学成分检测:采用化学分析法、原子吸收光谱法等。
3. 放射性检测:采用放射性检测仪进行测量。
4. 外观质量检测:通过目视观察进行检查。
5. 尺寸偏差检测:采用卡尺、测量仪等进行测量。
四、设备要求进行石膏检测时,需要使用一些必要的设备,包括但不限于以下几种:1. 压力试验机:用于检测石膏的抗压强度和抗折强度。
2. 压汞仪:用于检测石膏的孔隙率和密度。
3. 化学分析仪:用于分析石膏中的化学成分。
4. 放射性检测仪:用于检测石膏的放射性。
5. 卡尺、测量仪等测量设备:用于检测石膏的尺寸偏差和外观质量。
五、人员要求进行石膏检测的人员需要具备以下条件:1. 具备一定的化学知识和物理知识,能够理解和掌握检测项目的原理和方法。
2. 具备一定的实验技能和操作经验,能够正确使用设备和试剂进行检测。
3. 了解并遵守实验室安全规范,确保实验过程的安全性。
4. 具备一定的数据分析能力和报告编写能力,能够准确记录和分析实验结果,并按照要求编写检测报告。
5. 接受过相关培训,具备相应的技术资格和认证。
六、实验室要求进行石膏检测的实验室需要满足以下条件:1. 实验室环境条件应符合相关规定,确保实验结果的准确性和可靠性。
石膏砂浆检测标准下载温馨提示:该文档是我店铺精心编制而成,希望大家下载以后,能够帮助大家解决实际的问题。
文档下载后可定制随意修改,请根据实际需要进行相应的调整和使用,谢谢!并且,本店铺为大家提供各种各样类型的实用资料,如教育随笔、日记赏析、句子摘抄、古诗大全、经典美文、话题作文、工作总结、词语解析、文案摘录、其他资料等等,如想了解不同资料格式和写法,敬请关注!Download tips: This document is carefully compiled by the editor. I hope that after you download them, they can help yousolve practical problems. The document can be customized and modified after downloading, please adjust and use it according to actual needs, thank you!In addition, our shop provides you with various types of practical materials, such as educational essays, diary appreciation, sentence excerpts, ancient poems, classic articles, topic composition, work summary, word parsing, copy excerpts,other materials and so on, want to know different data formats and writing methods, please pay attention!石膏砂浆在建筑施工中扮演着重要的角色,它被广泛应用于填充、涂抹和修补工程中。
4.依据《中国药典》2005年版增补本 P275.质量标准5.1 通用名称:石膏5.2 来源:本品为硫酸盐类矿物硬石膏族石膏,主含含水硫酸钙(CaSO4·2H20)采挖后,除泥沙及杂石。
5.3 性状:本品为纤维状的集合体,呈长块状、板块状或不规则块状。
白色、灰白色或淡黄色,有的半透明。
体重,质软,纵断面具绢丝样光泽。
气微,味淡。
5.4 鉴别:5.4.1 取本品一小块(约2g),置具有小孔软木塞的试管内,灼烧,管壁有水生成,小块变为不透明体。
5.4.2取本品粉末0.2g,加稀盐酸10ml,加热使溶解,溶液显钙盐(2005版药典附录IV)与硫酸盐(2005版药典附录IV)的鉴别反应。
5.5 检查项目、限度及检查方法:5.6 含量测定:取本品细粉约0.2g,精密称定,置锥形瓶,加稀盐酸10ml,加热使溶液,加水100ml与甲基红指示液1滴,滴加氢氧化钾试液显浅黄色,再继续多加5ml,加钙黄绿素指示剂少量,用乙二胺四醋酸二钠滴定液(0.05mol/L)滴定,至溶液的黄绿色荧光消失,并显橙色。
每1ml乙二胺四醋酸二钠滴定液(0.05mol/L)相当于8.608mg的含水硫酸钙(CaSO4·2H20)。
本品含含水硫酸钙(CaSO4·2H20)不得少于95.0%。
5.7 炮制:生石膏洗净,干燥,打碎,除去杂石,粉碎成粗粉。
6.0性味与归经:清热泻火,除烦止渴。
用于外感热病,高热烦渴,肺热喘渴,胃火亢盛,头痛,牙痛。
6.1用法与用量:15~16g。
6.2 贮藏:置干燥处储存(温度0~30℃、相对湿度75%以下)。
石膏检测标准
DL/T 1483-2015石灰石-石膏湿法烟气脱硫系统化学及物理特性试验方法
GB/T 17669.1-1999建筑石膏一般试验条件
GB/T 17669.2-1999建筑石膏结晶水含量的测定
GB/T 17669.3-1999建筑石膏力学性能的测定
GB/T 17669.4-1999建筑石膏净浆物理性能的测定
GB/T 17669.5-1999建筑石膏粉料物理性能的测定
GB/T 21371-2008用于水泥中的工业副产石膏
GB/T 23456-2009磷石膏
GB/T 26204-2010纸面石膏板护面纸板
GB/T 28627-2012抹灰石膏
GB/T 5463.3-2013非金属矿产品词汇第3部分:石膏
GB/T 5483-2008天然石膏
GB/T 5484-2012石膏化学分析方法
GB/T 9775-2008纸面石膏板
GB/T 9776-2008建筑石膏
GSB 08-1352-2014水泥用石膏成分分析标准样品
GSB 08-2991-2014脱硫石膏成分分析标准样品
GSB 08-3200-2014磷石膏成分分析标准样品
HG/T 4219-2011磷石膏土壤调理剂
HG/T 4753-2014双翻盘磷石膏湿渣滤液机
HJ/T 179-2005火电厂烟气脱硫工程技术规范石灰石/石灰-石膏法
HJ/T 211-2005环境标志产品技术要求化学石膏制品
JB/T 11734-2013石膏型熔模铸造用铸型粉
JB/T 11887-2014石灰石-石膏湿法烟气脱硫工艺水系统设计规程
JC/T 1021.8-2007非金属矿物和岩石化学分析方法第8部分石膏矿化学分析方法JC/T 1023-2007石膏基自流平砂浆
JC/T 1025-2007粘结石膏
JC/T 2038-2010α型高强石膏
JC/T 2073-2011磷石膏中磷、氟的测定方法
JC/T 2074-2011烟气脱硫石膏
JC/T 2075-2011嵌缝石膏
JC/T 2077-2011复合保温石膏板
JC/T 2078-2011石膏装饰条
JC/T 2119-2012卫生陶瓷生产用石膏模具
JC/T 2276-2014建筑石膏单位产品能源消耗限额
JC/T 443-2007纸面石膏板护面纸板
JC/T 523-2010纸面石膏板单位产量能源消耗限额
JC/T 698-2010石膏砌块
JC/T 700-1998制作胶结料的石膏石
JC/T 799-2007装饰石膏板
JC/T 800-2007嵌装式装饰石膏板
JC/T 803-2007吸声用穿孔石膏板
JC/T 829-2010石膏空心条板
JC/T 997-2006装饰纸面石膏板
JGJ/T 201-2010石膏砌块砌体技术规程
JGJ 217-2010纤维石膏空心大板复合墙体结构技术规程
LY/T 1598-2011石膏刨花板
LY/T 1804-2008石膏刨花板生产线验收通则
LY/T 2372-2014活动地板基材用石膏纤维板
NY/T 1060-2006泥生产用磷石膏
QB/T 1639-2014陶瓷模用石膏粉
QB/T 1640-2015陶瓷模用石膏粉物理性能测试方法
QB/T 1641-1992陶瓷用石膏化学分析方法
QB/T 2699-2005纸面石膏板护面纸板
SL 237-20064-1999中溶盐石膏试验(附条文说明)
SN/T 2297.1-2009进出口石膏及石膏制品分析方法第1部分:锶含量的测定
SN/T 2297.2-2009进出口石膏及石膏制品分析方法第2部分:有机物的测定
SN/T 2297.3-2009进出口石膏及石膏制品分析方法第3部分:硫化物含量的测定
SN/T 2297.4-2009进出口石膏及石膏制品分析方法第4部分:可挥发含硫化合物的测定
SN/T 2297.5-2014进出口石膏及石膏制品分析方法第5部分:硫含量的测定气相色谱-质谱法
SN/T 2297.6-2012石膏及石膏制品第6部分:单质硫的测定
SN/T 2297.7-2015石膏及石膏制品分析方法第7部分:砷、汞含量的测定原子荧光光谱法SN/T 2297.8-2015石膏及石膏制品分析方法第8部分:水溶性氟化物、氯化物含量的测定离子色谱法
SN/T 2297.9-2015进出口石膏及石膏制品分析方法第9部分:铅、镉、铬、砷、汞、铜、锌、锰、镍、钴的测定电感耦合等离子体质谱法
SN/T 3341-2012石膏板中硫化物含量的测定亚甲基蓝分光光度法
YY 0462-2003牙科石膏产品
YY 0713-2009牙科石膏结合剂铸造包埋材料
YY/T 1117-2001石膏绷带粉状型
YY/T 1118-2001石膏绷带粘胶型
科标实验室提供化工材料检测服务,专业从事石膏检测、水泥检测、石材检测、保温材料和耐火材料等建筑检测,拥有专业的检测团队,检测设备先进,检测结果精准,出具正规检测报告!。