柱下钢筋混凝土独立基础设计计算书
- 格式:docx
- 大小:62.34 KB
- 文档页数:6
柱下钢筋混凝土独立基础设——计算书1.确定基础埋置深度地下水位于地表下3m 且对混凝土结构无侵蚀性。
而由于荷载值较大,故初步选定②号土层为持力层。
又取基础底面时最好取至持力层下1m ,所以考虑取室外地坪到基础底面距离为0.5+1=1.5m 。
2.确定地基承载力特征值②号土层承载力特征值2140mkNf ak =;由于可塑②号土层性质为可塑,则液限:0.250.75L I <≤,则查表可得,b d =0.3=1.6ηη,。
基底以上土的加权平均重度为:3/5.1715.01815.165.0mkN m =+⨯+⨯=γ。
故持力层承载力特征值a f (先不考虑对基础宽度修正值)为:kPad f f m d ak a 168)5.05.1(5.176.1140)5.0(=-⨯⨯+=-+=λη上式d 按室外地面算起。
3.确定基础的底面尺寸柱底荷载标准值为:KN V m KN M KN F K K K 30,55,390-=⋅-==,则基础平均埋置深度为:()[]m d 725.145.05.15.121=++=采用矩形基础,令基础长宽比为2/n ==b l ,则基础基底面积为22b bl A ==。
基础荷载因有偏心,初定时,将面积增大20%, 则:2251.3725.1201683902.12.1b 2mdy f F G a k =⨯-⨯=-≥故得: 650.22,325.1b ≥=≥b l因此,取:251.3,7.2,m 3.1b m bl A m l ====则,因m 33.1b <=,故无需再对地基承载力特征值进行修正。
4.持力层强度及下卧层验算⑴ 基础自重和基础上的回填土重:kNdA G G 10.12151.3725.120k =⨯⨯==γ偏心距:(),45.0620.010.1213905.130550m l m G F Me kk k=≤-=+⨯-+-=+=∑, 满足要求。
基底最大压应力:()kPaf kPa l e A G F p a k k k 6.2012.190.807.220.06151.310.121390610max =<=⎪⎭⎫⎝⎛-⨯+⨯+=⎪⎭⎫ ⎝⎛++=基底最小压应力:()033.2107.220.06151.310.121390610max >=⎪⎭⎫⎝⎛-⨯-⨯+=⎪⎭⎫ ⎝⎛-+=kPa l e A G F p k k k ,满足要求。
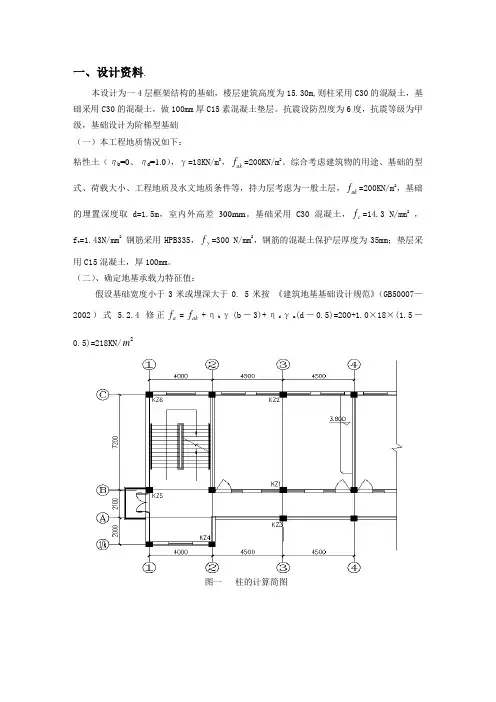
一、设计资料.本设计为一4层框架结构的基础,楼层建筑高度为15.30m,则柱采用C30的混凝土,基础采用C30的混凝土,做100mm 厚C15素混凝土垫层。
抗震设防烈度为6度,抗震等级为甲级,基础设计为阶梯型基础 (一)本工程地质情况如下:粘性土(ηb =0、ηd =1.0),γ=18KN/m 3,ak f =200KN/m 2。
综合考虑建筑物的用途、基础的型式、荷载大小、工程地质及水文地质条件等,持力层考虑为一般土层,ak f =200KN/m 2,基础的埋置深度取d=1.5m ,室内外高差300mm 。
基础采用C30混凝土,c f =14.3 N/mm 2,f t =1.43N/mm 2 钢筋采用HPB335,y f =300 N/mm 2,钢筋的混凝土保护层厚度为35mm ;垫层采用C15混凝土,厚100mm 。
(二)、确定地基承载力特征值:假设基础宽度小于3米或埋深大于0. 5米按 《建筑地基基础设计规范》(GB50007—2002)式 5.2.4修正a f =ak f +ηbγ(b -3)+ηdγm(d -0.5)=200+1.0×18×(1.5-0.5)=218KN/2m图一 柱的计算简图二、确定柱的截面尺寸及内力(1)柱KZ1的尺寸确定,取竖向荷载标准值14,kN/m 2,恒活载,活荷载分项系数为1.25,则层内中柱轴力设计值N 故为:1 1.2514 4.5(7.2 2.1)/241464.75N kN =⨯⨯⨯+⨯=,111.358%158.19k M N N M =⨯⨯=2(1.1 1.4)/(1.1 1.4)1464.751000/14.3112673.08143402.09c A N f m m=⨯=⨯⨯= 采用方矩形截面,则(112673.08143402.09)335378c c h b A m m ====取400×400,KZ1、KZ2、KZ4、 KZ5、KZ6均取400×400依次类推KZ2、KZ4、 KZ5、KZ6轴力设计值如下,弯矩(5%10%)M N =2221.2514 4.57.2/241134 1.358%122.47k N kN M N N M =⨯⨯⨯⨯==⨯⨯= , 4441.2514 4.0/2(2.0 2.1)/24287, 1.358%31k N kN M N N M =⨯⨯⨯+⨯==⨯⨯= 5551.25147.2/2(2.0 2.1)/24516.6 1.358%55.80k N kN M N N M =⨯⨯⨯+⨯==⨯⨯= ,6661.25147.2/2 4.0/24504, 1.358%54.43k N kN M N N M =⨯⨯⨯⨯==⨯⨯=(2)柱KZ3的尺寸确定,取竖向荷载标准值14,kN/m 2,恒活载,活荷载分项系数为1.25,则层内中柱轴力设计值N 故为:3 1.2514 4.5 2.1/24330.75N kN =⨯⨯⨯⨯=2(1.1 1.4)/(1.1 1.4)330.751000/14.325442.3132381.12c A N f m m =⨯=⨯⨯=采用方矩形截面,则(112673.0832381.12)159.51179.94c c h b A m m ====取300300⨯弯矩设计值331.358%35.72k M N N M =⨯⨯=三、各柱的相关计算1、KZ1的计算(1)确定基础的截面尺寸,设计值N=1464.75kN 1.5 1.8d m 1.65m 2+==A ≥22a 1464.75m 7.78m d21818 1.35N f γ==-⨯-⨯考虑偏心荷载影响,基础底面积初步扩大11%,于是 221.1 1.27.78m 8.56m A A '==⨯= 取矩形基础长短边之比l/b =1,即l =b 8.56 2.93m b A ===取l =b =3.0m2l b=3.0 3.0=9.0m m A =⨯⨯(2)持力层强度验算作用在基底形心的竖向力值、力矩值分别为K K 680kN (1464.75189.0 1.65)kN 1732.05kN F G Ah γ+=+=+⨯⨯=k 158.19kN m M M ==⋅0158.19l 3.0e =0.091m m <==0.5m 1732.0566K K KM F G ==+kmax 20k k kmin261732.0560.091227.48kN /m 11kN /m 29.0 3.0157.42kN /me F G pA l +⨯⎛⎫⎛⎫=±=±= ⎪ ⎪⎝⎭⎝⎭ 22a <1.2 1.2218kN /m 261.6kN /m f =⨯=22km ax km ink 227.48157.42kN /m 192.45kN /m 218.22a p p p f kN m ++===<=故持力层强度满足要求。
柱下钢筋混凝土独立基础设计柱下钢筋混凝土独立基础设计1.荷载及工程地质概况某工业厂房柱基采用钢筋混凝土独立基础,柱底荷载设计值为:中心荷载N=2500 kn,弯矩M=350 kn.m,柱的截面尺寸0.7×0.7 m2。
地基表层为素填土,厚1.0米,r=18.5kn/m3,承载力特征值fak =100 kpa;第二层为粉质粘土,厚5.5米,e=0.63,Il=0.44 ,r=19kn/m3,r sat =19.6kn/m3,Es=9Mpa,承载力特征值fak=360 kpa;第三层为淤泥质粘土,厚3.5米,r sat =18.6kn/m3,w=55%,Es=1.8Mpa,承载力特征值fak=80 kpa;其下为基岩。
场地地下水为潜水,埋深约1.4米。
工程地质概况图见图1.1图1.1 工程地质概况图2.基础材料及类型材料选用:C20混凝土,ft =1.1N/mm2;HPB335钢筋,fy=300N/mm2。
基础类型:钢筋混凝土独立基础3.选择基础持力层和埋置深度选第二层粉质粘土层作为持力层,初步确定基础埋深d=1.4m 已知设计组合值:M=350KN.m,N=2500KN4.确定地基承载力特征值假设基地宽度b<3m,d>0.5m对地基承载力特征值只需进行深度修正则粉质粘土层修正后地基承载力特征值kPad f f m d ak a 85.386)5.04.1(4.14.01915.186.1360)5.0(=-??+??+=-+=γη5.按地基承载力确定基础的底面面积5.1确定基础底面尺寸2097.6)4.12085.386(2500)(m d f F A G a k =?-=-=γ考虑偏心荷载的影响,将0A 增大30%2006.997.63.13.1m A A =?== 取矩形基础长短边之比5.1/=b l ,m A b 46.25.106.95.1=== 取207.9,69.3,46.2m A m l m b ===5.2持力层强度验算基础和回填土重N Ad G F G k k 96.27534.107.92025002500=??+=+=+γ 顶面弯矩m kN M M k ?==350 偏心距m lm G F M e k k k k 615.06127.096.2753350=<==+=,即0min >k p 满足基底最大压力kPa f kPa l e A G F p a k k k 4642.1366)69.3127.061(07.92754)61(max =<=?+?=++= 故持力层满足要求5.3软弱下卧层验算软弱下卧层顶面处自重应力kPa p cz06.751.5)106.19(4.01915.18=?-+?+?=软弱下卧层顶面以上图的加权平均重度3/55.115.50.106.75m kN m =+=γ 由淤泥质黏土,f ak =60 kpa>50kpa,并查表可得kPa d f f m d ak az 3.129)5.05.6(55.110.160)5.0(=-??+=-+=γη由58.1/9/21==s s E E ,以及5.046.2/1.5/>=b z ,查表得地基压力扩散角?=25θ()()kPa z b z l d p lb p m z 33.4125tan 1.5246.225tan 1.5269.34.14.14.01915.1807.996.275346.269.3)tan 2)(tan 2()(1=+?+?+?-??=++-=θθγ验算:kPa f p p az z cz 3.12939.11633.4106.75=<=+=+ 故软弱下卧层满足要求。
一、课程设计任务书(一)设计题目柱下钢筋混凝土独立基础设计(二)工程概况某五层两跨钢筋混凝土框架结构车间,柱网平面布置见附图1-1,柱截面尺寸b c×a c=400×600mm,各柱相应于荷载效应标准组合、基本组合及准永久组合时作用于基础顶面荷载,见表1-1。
表1-1 柱底荷载效应标准组合值可近似的取荷载效应基本组合的设计值为标准组合的1.35倍,荷载效应准永久组合的设计值为标准组合的0.8倍。
(三)工程地质资料1.土层分布(自上而下)(1)人工填土,稍湿,松散,含煤灰,厚1.5 m,天然容重γ=19.2kN/m3;(2)粉质粘土,呈黄褐色,可塑,厚5.0 m,天然容重γ=18.8kN/m3,压缩模量E S=5.1Mpa,地基承载力特征值f ak=230kN/m2;(3)淤泥质粉质粘土,厚5.5 m,孔隙比e=1.1,天然容重γ=18 kN/m3,天然含水量ω=36%,液性指数I L=1.0,压缩模量E S=3 Mpa,地基承载力特征值f ak=88kN/m2。
(4)细砂,黄色,稍湿,中密,厚7.0 m。
2.地下水:地下水不具侵蚀性,地下水位面与细砂层底面平齐。
(四)设计要求1. 计算书要求: 分析过程详细,计算步骤完整。
数字准确、图文并茂。
2. 制图要求: 所有图线、图例尺寸和标注方法均应符合新的制图标准,图纸要求内容完整、绘制清晰、布局清楚,用A4纸打印。
3. 设计时间: 一周。
4. (点名册序号尾数是1的同学选作题号1,尾数是2的同学选作题号2,依此类推。
1-10、31-40、61-70、91-100、121-130、号设计A轴,11-20、41-50、71-80、101-110、131-140、号设计B轴,21-30、51-60、81-90、111-120、141-144、号设计C轴)(五)设计内容及成果1.设计计算书(1)确定地基持力层和基础埋置深度;(2)确定基础底面尺寸,验算地基承载力;进行必要的地基变形及稳定性验算。
钢筋混凝土扩展基础设计计算书一、基础结构布置选择本办公大楼基础拟采用柱下独立基础。
根据工程场地《岩土工程勘察报告》,本工程场地在地基受力层范围内,上部存在一层厚度为3m 的粉质粘土良好土层,下部存在一层厚度为2.5m 孔隙比大、压缩性高、强度低的淤泥质粘土软土层。
对于一般中小型建筑物,宜采用钢筋混凝土基础。
对比柱下条形基础,它有刚度大、调整不均匀沉降能力强的优点,但照价较高。
因此,在一般情况下,柱下应优先考虑设置扩展基础。
二、持力层的选择及基础埋深的确定根据之上工程场地《岩土工程勘察报告》的分析,本工程宜选择粉质粘土层为持力层,基础尽量浅埋,即采用“宽基浅埋”方案,以便加大基底至软弱土层的距离。
初选定基础埋深d 为1.5m 。
三、确定基础底面尺寸基础埋深d=1.5m >0.5m ,先进行地基承载力深度修正,查表2-5有6.1=d η ()9.185.15.06.1915.18=⨯+⨯=m γkN/m 3()5.0-+=d f f m d ak a γη=200+1.6×18.9×(1.5-0.5)=230.24kpa由于在基础埋深范围内没有地下水,0=w h29.75.12024.2303.1460=⨯-=-≥d f F A G a k γm 2 取d l 2=0.2=b m , 0.42==b l m软弱下卧层地基承载力验算 由1.354.20.821==s s E E ,25.10.25.2==b z >0.50 ,查表2-7得︒=1.23θ ,426.0tan =θ,54.2120.40.25.10.40.2203.1460=⨯⨯⨯⨯+=+=bl G F P k k k kpa 下卧层顶面处的附加应力:()()()θθσσtan 2tan 2z b z l P lb cd k z ++-= ()()()427.05.220.2427.05.220.45.19.1854.2120.40.2⨯⨯+⨯⨯+⨯-⨯⨯= 1.58=kpa下卧层顶面处的自重应力:3.7736.1915.18=⨯+⨯=cz σkpa下卧层承载力特征值3.1943.77==+=z d cz m σγkN/m 3 ()1.1885.043.196.180=-⨯⨯+=az f kpa验算:4.1353.771.58=+=+cz z σσkp a <1.188=az f kpa (可以)经验算,基础底面尺寸及埋深均满足要求。
《基础工程》课程设计指导书柱下钢筋混凝土独立基础设计 1)选择持力层因为下卧层有软弱层,故基础要浅埋,基础埋深d=2米。
混凝土强度等级:C20, f t =9.60N/mm 2钢筋级别:HRB335, f y =300N/mm 2基础与覆土的平均容重:20.00kN/m 3作用力位置标高:0.000m 基础混凝土保护层厚度:45mm 2)计算地基承载力特征值,并修正 承载力特征值:标贯数为12,由此查表2-4计算可知: 承载力f ak =140)1012(1015140180+-⨯--=156kpa查表2-5有深度修正系数为2.0所以)5.0()3(-+-+=d b f f m d b ak a γηγη=kpa 6.216)5.02(2.202156=-⨯⨯+ 3)计算基础所需底面尺寸有三种荷载设计值F 1=735KN F 2=1435KN F 3=2035KN 分项系数:1.35荷载标准值分别为F K1=544.44KN F K2=1062.96KN F K3=1507.41KN又有公式 df F b a K⨯-≥20方柱下基础底面选择方形,带入上面数据就有: 对应的基础尺寸最小值为:1.7558m 2.4534m 2.9216m 初选基础底面宽度b 为:1.8m 2.5m 3m 4)验算软弱层强度和沉降量基底处总竖向力F k +G k (KN)=d b F K ⨯⨯+220带入数据得总竖向力分别为:674.04KN 1312.96KN 1867.41KN基底平均压力P k (kpa): 2b G F P KK K +=带入数据得P k 分别为:208.038 kpa 210.074 kpa 207.490kpa可见:P k 均小于地基承载力特征值f a =216.6kpa ,所以持力层承载力验算通过,后面由于调整沉降差改变了基础尺寸,再做验算。
又有:43.16.5821==s s E E , z /b 分别为:67.18.13= 2.15.23= 133= 查表2-7内插法计算θ=23+(25-23)/2*(1.43-3)=21.43tan θ=0.39247下卧层顶面的附加应力σz (kpa)为:22)tan 2()(θσσ⨯⨯+-⨯=z b P b cd K z , 带入数据计算分别为:31.464kpa 44.993kpa 52.445kpa下卧层自重应力σcz (kpa): 下卧层kpa zd czm 2.20=+=σγkpa cz 101)32(2.20=+⨯=σ又有下卧层标贯数6.6,所以kpa f ak 8.112)106.6(5140180140=-⨯-+= 修正承载力:kpa d b f f m d b ak a 6.294)5.02(2.2028.112)5.0()3(=-⨯⨯+=-+-+=γηγη而σz +σcz =132.464kpa ,145.993kpa ,153.445kpa, 均小于f az =294.6kpa ,所以下卧层承载力验算通过。
钢筋混凝土柱下桩基础设计计算书目录一、 .................................................. 材料的选择1二、 ................................................ 确定桩的类型1三、 .................................................. 地基特征值1四、 .......................................... 桩基础的计算及验算1(一)................................... 、计算桩的承载力特征值1(二)........................................... 、初选桩的根数1(三)........................................... 、初选承台尺寸2(四)........................................... 、计算桩顶荷载2(五)................................... 、承台受冲切承载力验算41 、柱边冲切 (4)2 、角柱向上冲切 (5)3 、承台受剪切承载力计算 (5)4 、承台受弯承载力计算 (6)钢筋混凝土柱下桩基础的设计计算书、材料的选择. . 2桩基础混凝土强度等级C30, ft =1.43 ;配置HRB335级钢筋,300N/ mm、确定桩的类型及几何尺寸,初步选择承台因为工业厂房允许沉降量小,且地基存在较厚的软土层,经查规范《建筑桩基技术规范》选用预制桩;根据厂房的荷载及地基的承载能力大小,初步定桩的长度为9m 截面尺寸为300x 300mm承台底面标高1.5m。
三、地基特征值在该地质条件下,各土层的桩侧阻力特征值如下查《建筑地基基础设计规范》:杂填土:q sik=25kpa 粉粘土:q sik=70kpa 淤泥质土:q sik=70kpa 泥岩的桩端端阻力特征值如下:泥岩:q pa =4000kpa四、桩基础的计算及验算(一)、计算桩的承载力特征值Q u 二Q su Q buyaA p UP' q sikH OOO 0.302 4 0.3 (70 1.7 25 6.5 0.8 160)=851.4kpa安全系数K=2Ra =Qu/k =851.4=425.7kpa(二)、初选桩的根数n ,F^=l40°=3.3根,暂取4根R a 425.7(三)、初选承台尺寸桩距,按《基础工程》课本表4-9桩距s=3.0 b p =3 0.3=0.9m 可取长边桩距为1.0 m,短边桩距为1.0m承台长边:2 0.30 1.00 = 1.6 m承台短边:2 0.30 1.00 =1.6m 暂取承台埋深1.5m,承台高度h为0.5m,桩顶伸入平台50m,钢筋保护层取70mm 承台有效高度为:h o =0.5-0.07 =0.43 m=430mm(四)、计算桩顶荷载承台及其上土的平均重度G二20KN / m3i ------- 1 I ____ I满足要求相应于荷载效应基本组合是作用于柱底的荷载设计值:F -1.35F -1.35 1400F890KNM =1.35Mk =1.35 75 =101.3KN MI ___ Ii ------- 1 厂_I ___ I450 J2V2HJ50450桩顶平均竖向力:WOOQ kF kG k n1400 20 1.6 1.6 1.54=369.2KNM k X i ' X i-369.2 - 75 0.5 4 0.52 = 369.2 -37.5J406.7KN ::1.2Ra -331.7KN 0510.8KN扣除承台和其上填土自重后桩顶竖向力设计值:(五八承台受冲切承载力验算1、柱边冲切因为承台高h=0.5m<0.9m ,所以:hp=i 冲切比入与系数a 的计算2 Px ( b e 、、*oy ) '•'■「oy ( h^ 1 ,,_,ox ) _hp f t h o=2 1.711 (0.45 0.125) 1.711 (0.45 0.125)】1 1430 0.43=2420KN 1890KNF 1890 N 二一472.5KN n4maxMx maxN min =N±二 x iN== 475.2 _ 50.7「525.9KN424.5KN冲切力Fi=F Ni=1890-0 = 1890二0125=0.291 ::1.0 0.430.84 入 0x+0.20.84 0.291 0.2= 1.711h o0125=0.291 0.20.430.840y二 ------ 扎 +0.2 0.840.291 0.2= 1.711•人h oI -1x( C 2 亠-::1y /2))「'1y (C 1 j :: 1x /2) .L hp f t h 。
柱下独立基础计算说明书由于部分资料不全,一些参数采用经验和查询相似案例估算,整个基础采用保守计算,设计成柱下独立无筋扩展基础(C25混凝土)。
经对比水深线,得土层表面高程72,常水位高程75.65m ,柱顶高程75.75m ,挡土墙基底高程70.70m 。
柱下独立基础要求低于挡土墙基础1m 左右,故按低于1m 计算得独立基础基底高程为69.70m 。
柱截面尺寸:500mm × 400mm柱、肋、翼缘均采用C25砼人群荷载: 2/0.3m kN修正后的地基承载力特征值 a f 240kPa独立基础间距4m每个基础受载荷区域面积 4m × 2.5m = 102m站桥截面面积计算截面尺寸S = ( 300 + 400 )* 1000 + 500 * 400= 9000002mm土表层上方柱长:75.75-72.0=3.75m基础埋深:d = 72.0-69.70=2.3m基础上方结构自重1N = (0.9*0.4+0.4*0.5*3.75+0.4*0.5*1.8*2)*263/m kN =47.58kN(取48KN)上部人荷载:2N = 3kN/2m * 102m =30kN受载荷区域内水重:3N = 3.65*2.5*4*1*10=365kNN=48+30+365=443kN剪力Q=0.8kN/m * 4m = 3.2kN弯矩 M=12.5 + 2 = 14.5kN (取15kN )先按照中心荷载作用计算基础底面积1A1A 28.23.2*20240443=-=-≥d f N G a γ2m 式中 G γ——基础及其台阶上填土的平均重度,通常采用3/20m kN考虑偏心荷载不利影响保守计算加大基础底面积20%A=1.21A =2.742m根据桥布置及相关要求,基础选择2500x2000的无筋扩展基础设计,面积为5平方米.进行验算计算基础及台阶上的土重kN dA G G 23020*5*3.2===γ计算基底抵抗矩32226/5.2*26/*m b l W ===计算基底边缘最大、最小应力 kPa W Q M A G N p 1.14422.3*2.11552304432.1max =+++=+++=kPa W Q M A G N p 2.12522.3*2.11552304432.1min =+-+=+-+= 验算基础底面应力kPa f kPa p p a 2407.1342/)2.1251.144(2/)(min max =<=+=+,安全kPa kPa f kPa p a 288240*2.12.16.134max ==<=,满足要求根据查“无筋扩展基础台阶宽高比的允许值”,得基础的刚性角∂的宽高比tan ∂=1:1.50。
J-1、一、基础设计(f ak=180kPa)1.基础上荷载N k=3116kN.m N=3852kN.mM xk=-6kN.m M x=-8kN.mM yk=-41kN.m M y=-51kN.mQ xk=-82kN Q x=-101kNQ yk=49kN Q y=61kN轴向力最大标准组合轴向力最大基本组合基础埋深为2.5m,地下水位为未知,不考虑。
2.确定基础底面尺寸及地基承载力验算查规范,粉质黏土的承载力修正系数为:ηb=0,ηd=1.6 (只进行深度修正)f a=f ak+ηbγ(b-3)+ηdγm(d-0.5)=180+1.6×18×(2.5-0.5)=237.6kPa(1)基础底面尺寸的确定在轴力荷载F作用下,基础底面积A´为:A´=N k/(f a-γm d)=3116/(237.6-18×2.5)=16.17m2选取基础尺寸为:A=4.1×4.1=16.81m²,取基础高度为700mm。
(2)地基承载力验算W=bl2/6=4.13/6=13.25m3基础底面的压力为:p k=(F k+G k)/A±M xk/W x=(3116+16.81×2.5×18)/ 16.81±(6+82×0.7)/11.49=230.37±5.52p kmax=235.89kPa<1.2f a=1.2×237.6=285.12kPaP kmin=224.85kPa>0,均满足要求。
(3)受冲切承载力验算进行冲切计算式,按由柱边起成45°的冲切角椎体的斜面进行验算。
p=(F+G)/A±M x/W x=(3852+1.35×16.81×2.5×18)/ 16.81±(8+101×0.7)/13.25=289.90±5.94p max=295.84kPaP min=283.96kPa。
柱下钢筋混凝土独立基础设计任务书(一)设计题目某教学楼为四层钢筋混凝土框架结构,柱下独立基础,柱网布置如图所示,试设计该基础。
(二)设计资料⑴工程地质条件该地区地势平坦,无相邻建筑物,经地质勘察:持力层为粘性土,土的天然重度为 18 kN/m 3,地基承载力特征值 f ak=230kN/m 2,地下水位在 -6.3m 处。
相关数据可查阅规范。
⑵给定参数柱截面尺寸为450mm ×450mm ,在基础顶面处的相应于荷载效应标准组合,荷载由上部结构传来有以下五种情况:①单柱轴心荷载为 900kN ,弯矩值为②单柱轴心荷载为 850kN ,弯矩值为③单柱轴心荷载为 850kN ,弯矩值为④单柱轴心荷载为 800kN ,弯矩值为⑤单柱轴心荷载为 800kN ,弯矩值为⑶材料选用100kN ·m ,水平荷载为 20kN 。
80kN ·m ,水平荷载为 15kN 。
90kN ·m ,水平荷载为 15kN 。
70kN ·m ,水平荷载为 10kN 。
50kN ·m ,水平荷载为 10kN 。
混凝土:采用 C20(可以调整)( f t=1.1N/mm 2);钢筋:采用 HRB335(可以调整)( f y=210 N/mm2)。
(三)设计内容 (只需设计一个独立基础 )⑴ 定基础埋置深度;⑵ 定地基承载力特征值;⑶确定基础的底面尺寸;⑷确定基础的高度;⑸基础底板配筋计算;⑹绘制施工图(平面图、详图)。
(四)设计要求⑴计算书要求书写工整、数字准确、图文并茂。
⑵制图要求所有图线、图例尺寸和标注方法均应符合新的制图标准,图纸上所有汉字和数字均应书写端正、排列整齐、笔画清晰,中文书写为仿宋字。
(五)设计成果要求课程设计结束各位同学须按时提交以下成果并统一用档案袋装好:⑴ 设计任务书一份;⑵设计计算书一份;⑶基础设计施工图纸一张(A1#图纸)图纸应该包括:基础平面布置图、基础配筋图、基础配筋详图以及相应的剖面图等。
柱下独立基础设计第一节、设计资料本设计为一10层框架结构的基础,楼层建筑高度为37.35m,则柱采用C30的混凝土,基础采用C30的混凝土,做100mmC15素混凝土垫层。
抗震设防烈度为6度,抗震等级为三级,基础设计为阶梯型基础一、地基承载力特征值和基础材料(一)本工程地质情况如下:粘性土,γ=18KN/m 3,ak f =200KN/m 2。
综合考虑建筑物的用途、基础的型式、荷载大小、工程地质及水文地质条件等,持力层考虑为一般土层,ak f =200KN/m 2,基础的埋置深度取d=37.35/15=2.5m 。
基础采用C30混凝土,c f =14.3 N/mm 2 ,f t =1.43N/mm 2 钢筋采用HPB335,y f =300 N/mm 2,钢筋的混凝土保护层厚度为35mm ;垫层采用C15混凝土,厚100mm 。
(二)、确定地基承载力特征值:假设基础宽度小于3米或埋深大于0.5米,按 《建筑地基基础设计规范》(GB50007—2002)式 5.2.4修正a f =ak f +ηb γ(b -3)+ηd γm (d -0.5)=200+1.0×18×(2.5-0.5)=236KN/2m第二节、基础顶面内力组合一、标准组合由PK 计算结果查得柱1柱底标准组合,分别取三组内力组合:弯矩 KN ·m 轴力 KN 剪力KN (1)轴力最大max N -118.64 2686.98 -39.62 (2)弯矩最大max M -185.25 2643.05 -58.94 (3)弯矩、剪力都较大 -185.01 2671.09 -58.71二、基本组合(1.35×标准组合)弯矩 KN ·m 轴力 KN 剪力KN(1)轴力最大max N -160.16 3627.42 -53.49 (2)弯矩最大max M -250.09 3568.12 -79.57 (3)弯矩、剪力都较大 -249.76 3605.97 -79.26第三节、取第一组轴力最大max N 来确定柱1基础底面尺寸bXL :一、 考虑偏心作用,取0A =1.2×a G Nf dγ-=1.2×2686.98/(227-18×2)=16.92m 。
柱下独立基础结构设计1、设计题目:基础埋深按2.0m 计算地基承载力f ak =180kPa1)混凝土标号,钢筋级别自己确定2)柱尺寸为400×6003)计算出地基承载力4)验算基础抗冲切选用C20混凝土f t =1.1×103kN/mm 2,钢筋采用HRB400,f y =360kN/mm 2,地基土质按粉土计算,b η=0.3,d η=1.5,钢筋混凝土重度c γ=25kN/m,土的重度m γ=20kN/m.1、地基承载力验算:1)荷载计算:标准值 设计值N k =2000kN N=1.35N k =2700kNM k =60kN.m M=1.35M k =81kN.mV k =12.5kN V=1.35V k =16.88kNf a =f ak +b ηr(b-3)+d η(d-0.5)m γ假定基础宽度为3~6m则: f a =180+1.5×1.5×2.0=225kPaA ’≥d f N m a Kγ-=2202252000⨯-=10.8m 2选用l=b=3.6mA=l ×b=12.96m 2>10.08m 2 W=62bl =7.82)基底净反力平均值:P s =A N =26.32700=208.33kPa 柱截面尺寸:400×600系数:C1=s t t P f b b /6.0122+-=33.208/11006.016.06.322⨯+-=3.02 C1=st t P f b b /6.0122+-=3.07 基础有效高度:h 0=21(-b t +C b t +2) 解得:h 01=0.62 h 02=0.7h=h 0+保护层厚度故去h=800mm3)采用两级台阶,每阶高400mm,台阶宽度分别为800、750mm 则剪力产生弯矩M V =Vh=10kN.m∑M k =70kN.m ∑M=94.5kN.mG k =m γAd=518.4kN G=1.35G k =699.84kN e=k k F M ∑∑=0.035<6b 故 P max =W M A G N k k k ∑++=203.3kPa,P min =WM A G N k k k ∑-+=185.4kPa P max <f a =225kPa,满足地基承载力要求2、抗冲切验算:1)x 方向:柱与基础交界处(第二级台阶处) h 0=h-40=760mmA l =3.6×(0.8-0.7)+(3.6+2.2)×0.7/2=2.39m 2地基净反力:P max =W M A N -=8.75.946.327002+=220.5kPa Fl =P max A L =527kNa m =(a t +ab )/2=(0.6+0.6+2×0.76)/2=1.360.70h a f m t hp β=795.82kN>F l 满足抗冲切要求2)Y 方向柱与基础交接处(第二级台阶处) h 0=800-40=760mmA l =(b t +2h 0)(02h L L t --)+(02h L L t --)2=1.89m 2 a m =(a t +a b )/2=(0.4+0.4+2×0.76)÷2=1.160.70h a f m t hp β=0.7×1100×1.16×0.76=678.32kNF l =P max A L =416.75kN<0.70h a f m t hp β=678.32kN 满足抗冲切要求3)x 方向:第一级台阶处h 0=400-40=360mma m =(a t +ab )/2=(2.1+2.1+2×0.36)÷2=2.46A l =1.31m 2F l =P max A L =228.9kN0.70h a f m t hp β=0.7×1×1100×2.46×0.36=681.912kN>F l =228.9kN故满足抗冲切要求。
1、选择基础材料基础采用C25混凝土,HRB335级钢筋,预估基础高度0.8m。
2、选择基础埋置深度根据柱下独立基础课程设计任务书要求和工程地质资料选取。
①号土层:杂填土,层厚约0.5m,含部分建筑垃圾。
f=130kPa。
②号土层:粉质黏土,层厚1.2m,软塑,潮湿,承载力特征值akf=180kPa。
③号土层:黏土,层厚1.5m,可塑,稍湿,承载力特征值akf=240kPa。
④号土层:细砂,层厚2.7m,中密,承载力特征值akf=340kPa。
⑤号土层:强风化砂质泥岩,厚度未揭露,承载力特征值ak拟建场区地下水对混凝土结构无腐蚀性,地下水位于地表下1.5m。
取基础底面高时最好取至持力层下0.5m,本设计取③号土层为持力层,所以考虑取室外地坪到基础底面为0.5+1.2+0.5=2.2m.由此得基础剖面示意图,如图一所示。
3、求地基承载力特征值a f根据黏土e=0.58,L I =0.78,查表得b η=0.3,d η=1.6。
基底以上土的加权平均重度为:m γ=[18×0.5+20×1+(20—10)×0.2+(19.4—10)×0.5] / 2.2=16.23kN /m ³ 持力层承载力特征值a f (先不考虑对基础宽度修正)为:a f =ak f +d ηm γ(d —0.5)=180+1.6×16.23×(2.2—0.5)=224.15kPa上式d 按室外地面算起。
4、初步选择基地尺寸取柱底荷载标准值:k F =2205kN ,k M =309kN ·m ,k V =117kN 。
计算基础和回填土重k G 时的基础埋置深度为:d=1/2×(2.2+2.65)=2.425m基础底面积为:0A =k F /(a f —G γd )=2205/(224.15—0.7×10—1.725×20)=12.07㎡由于偏心不大,基础底面积按20%增大,即A=1.20A =1.2×12.07=14.48㎡初步选定基础底面面积A=l b=4×4=16㎡因基底宽度超过3m ,地基承载力特征值还需重新进行宽深修正。
独立柱基础计算书一、基础类型及计算形式基础类型:阶梯柱基计算形式:验算截面尺寸二、依据规范《建筑地基基础设计规范》(GB 50007--2002)《混凝土结构设计规范》(GB 50010--2002)三、几何数据及材料特性基础(J-1)几何数据:B1 = 1250mm, W1 = 1250mmH1 = 300mm, H2 = 300mmB = 400mm, H = 400mmB3 = 1400mm, W3 = 1400mm基础沿x方向的长度l= 2B1= 2.50 m基础沿y方向的长度b= 2W1= 2.50 m埋深d= 1200mm a s= 70mm材料特性:混凝土:C25 钢筋:HRB335(20MnSi)四、荷载数据1.作用在基础顶部的基本组合荷载竖向荷载F= 778.00kN基础自重和基础上的土重为:G= 1.35×γm×l×b×d= 1.35×20.0×2.50×2.50×1.20 = 202.5kN M x= 0.00kN·m M y= 0.00kN·mV x= 0.00kN V y= 0.00kN2.作用在基础底部的弯矩设计值绕X轴弯矩: M0x= M x- V y×(H1+ H2) = 0.00 - 0.00 ×(0.30 + 0.30) = 0.00kN·m绕Y轴弯矩: M0y= M y+ V x×(H1+ H2) = 0.00 + 0.00 ×(0.30 + 0.30) = 0.00kN·m3.折减系数K s= 1.35五、修正地基承载力计算公式:《建筑地基基础设计规范》(GB 50007--2002)(5.2.4)f a= f ak+ ηbγ(b- 3) + ηdγm(d- 0.5) (式5.2.4)式中: f ak= 120.00 kPaηb= 0.00,ηd= 2.00γ= 18.00kN/m3γm= 18.00kN/m3b= 2.50m, d= 1.20m如果b<3m,按b= 3m; 如果b> 6m,按b= 6m如果d<0.5m, 按d= 0.5mf a= f ak+ ηbγ(b- 3) + ηdγm(d- 0.5)= 120.00 + 0.00×18.00×(3.00 - 3.00) + 2.00×18.00×(1.20 - 0.50)= 145.20 kPa修正后的地基承载力特征值f a= 145.20 kPa六、轴心荷载作用下地基承载力验算p k= (F k+G k)/A其中:A= 2.50×2.50 = 6.25m2F k s= 778.00G k= G/1.35 = 202.5/1.35 = 150.00kNp k= 143.5kPa ≤f a, 满足要求七、基础抗冲切验算计算公式:按《建筑地基基础设计规范》(GB 50007--2002)下列公式验算:F l≤0.7βhp f t a m h0(8.2.7-1)αm= (a t+a b)/2 (8.2.7-2)F l= p j A l(8.2.7-3)1.基底最大净反力基底平均净反力p c= 168.05 kPa基底最大净反力p j= p jx+ p jy- p c=168.05+168.05-168.05 = 168.05 k Pa2.柱子对基础的冲切验算:X方向:基础有效高度:h0=( h0x+h0y)/2=(550+530)/2=540mmA lx=0.5*(2.5+(2.5-0.51*2))*0.51=1.015 m2A lx= 1.015m2F lx= p j×A lx= 124.48 ×1.015 = 126.35kNa mx=( a t+a b)/2=(1400*2+540*2)/2=0.94mF lx≤0.7×βhp×f t×a mx×h0= 0.7×1.00×1.27×0.94×0.54×1000= 451.00kN, 满足要求Y方向:A ly= 1.015m2F ly= p j×A ly= 124.48 ×1.015 = 126.35kNa my= (a t+a b)/2 = =(400+400*540*2)/2=0.94mF ly≤0.7×βhp×f t×a my×h0= 0.7×1.00×1.27×0.94×0.54×1000= 451.00kN, 满足要求3.变阶处基础的冲切验算:X方向:基础有效高度:h0=( h0x+h0y)/2=(250+230)/2=240mmA lx=0.5*(1.4+(1.4-0.50*2))*0.5=0.45 m2A lx= 0.45m2F lx= p j×A lx= 124.48 ×0.45 = 56.02kNa mx= (a t+a b)/2 a m=( a t+a b)/2 =(1.40+1.40+0.24*2)/2=1.64mF lx≤0.7×βhp×f t×a mx×h0= 0.7×1.00×1.27×1.64×0.24×1000= 349.91kN, 满足要求Y方向:A ly= 0.45m2F ly= p j×A ly= 124.48 ×0.45 = 56.02kNa my= (a t+a b)/2 a m=( a t+a b)/2 =(1.40*2+0.24*2)/2=1.64mF ly≤0.7×βhp×f t×a mx×h0= 0.7×1.00×1.27×1.64×0.24×1000= 349.91kN, 满足要求八、基础局部受压验算计算公式:《混凝土结构设计规范》(7.8.1-1)F l≤1.35×βc×βl×f c×A ln局部荷载设计值:F l= 778.00*1.35kN=1050.3 kN混凝土局部受压面积:A ln= b c×h c= 0.40×0.40 = 0.16m2混凝土受压时计算底面积:A b= 6.25m2混凝土受压时强度提高系数:1.35×βc×βl×f c×A ln= 1.35×1.00×6.25×12700.00×0.16= 17145.00 kN > F l= 778.00 kN 满足要求!九、受弯计算结果1.柱根部受弯计算:轴心荷载作用下截面基底反力设计值:Ⅰ-Ⅰ截面处弯矩设计值:a1= 2.50/2 - 0.40/2 = 1.05*1.35= 225.11kN·mX方向计算面积:1488mm2根据《混凝土结构设计规范》第9.5.2条,取最小配筋率为0.15%,X方向构造配筋面积:2250.00mm2Y方向计算面积:1488mm2,Y方向构造配筋面积:2250.00mm22.变阶处受弯计算:轴心荷载作用下截面基底反力设计值:Ⅱ-Ⅱ截面处弯矩设计值:a1= 2.50/2 - 1.40/2 = 0.55*1.35= 73.20kN·mX方向计算面积:1129.58mm2根据《混凝土结构设计规范》第9.5.2条,取最小配筋率为0.15%,X方向构造配筋面积:1125.00mm2Y方向计算面积:1129.58mm2,Y方向构造配筋面积:1125.00mm2X方向弯矩计算结果:计算面积:2250.00mm2采用方案:B12@130X方向钢筋总根数为: 20实配面积:2262mm2Y方向弯矩计算结果:计算面积:2250.00mm2采用方案:B12@130Y方向钢筋总根数为: 20实配面积:2262mm2。
柱下钢筋混凝土独立基础设计柱下钢筋混凝土独立基础一、设计资料做100mmC15素混凝土垫层。
抗震设防烈度为6度,抗震等级为三级,基础设计为阶梯型基础,本设计为一5层现浇框架结构的基础,柱采用C30的混凝土,基础采用C30的混凝土二、地基埋设情况和基础材料砂砾土为持力层,基础底面埋在素填土和砂砾土的交界处,所以基础的埋深为2.5米。
基础采用C30混凝土,=14.3N/mm2,ft=1.43N/mm2钢筋采用HPB335,=300N/mm2,钢筋的混凝土保护层厚度为40mm;垫层采用C15混凝土,厚100mm。
三、持力层特征值的修正及基底尺寸的确定1)按深度进行修正取2)计算基底压力3)验算持力层承载力所以,满足设计要求。
四、基础结构的设计1)基础底板厚度的确定(按柱与基础交接处受冲切承载力计算)因为,所以特征值不必进行宽度修正。
基底净反力基础有效高度基础底板厚度设计采用基础底板厚度h。
取两级台阶,各厚400mm,则h=2400=800mm.实际基础有效高度:2)对基础变阶处进行抗冲切验算基础短边方向的基础台阶宽度为基础长边方向的基础台阶宽度为7251750725725175072560060060060015001500所以所以基础变阶处满足抗冲切要求。
3)基础底板配筋计算。
基础台阶宽高比为1.5和1.8,都小于2.5。
柱与基础交界处的弯矩为:短边方向:长边方向:基础底板受力钢筋面积:短边方向:长边方向:双柱联合基础设计一、确定荷载的合力和合力作用点(对柱1轴心取矩)有:则:以合力作用点作为基底的形心,取,则基底长度为,此时基底压力呈梯形分布。
二、计算基础底面宽度取,所以满足设计要求。
三、按静定梁计算基础内力基础沿纵向的净反力呈梯形分布利用三角形的相似可求得由剪力为0的截面确定最大弯矩的截面位置,假定弯矩最大截面至基础左端距离为,则;当时,可求得的值,所以此弯矩使上部受拉,柱下弯矩使下部受拉;(见内力图)四、基础高度(大于柱距的1/6,因此无需配置受剪钢筋)(见最后一页的图)1、抗冲切强度验算:考虑沿柱全周边的冲切作用1)柱1:冲切力:破坏锥体实际底面积:临界界面的周长(取距离柱周边处板垂直截面的最不利周长):所以由。
柱下独立基础课程设计计算书[基础工程] 课程设计姓名:学号:班级:指导教师:吴兴征课程编号:141238总学时:1.5周周学时:40h学分:1.0适用年级专业(学科类):三年级,土木工程专业开课时间:2017-2018 学年春学期河北大学建筑工程学院2018年6月目录第一章课程题目介绍 (1)第二章荷载计算 (3)第三章内力计算 (5)第五章施工图绘制 (6)参考资料 (7)第一章 课程题目介绍如图1所示,为一软土地区地铁盾构隧道横断面,有一块封顶块K ,两块邻接块L ,两块标准块B 以及一块封底块D 六块管片组成,衬砌外62000=D mm ,厚度350=t mm ,采用通缝拼装,地层基床系数20000=k 3kN/m 。
混凝土强度为C50,环向螺栓为5.8级(可用8.8级)M30,管片裂缝宽度允许值为0.2mm ,接缝张开允许值为3mm 。
地面超载为20kPa 。
试计算衬砌受到的荷载,并用荷载-结构法按均质圆环计算衬砌内力,画出内力图,并进行隧道抗浮、管片局部抗压、裂缝、接缝张开等验算及一块标准管片配筋计算。
图1 软土地区地铁盾构隧道横断面说明:1)灰色淤泥质粉质粘土上层厚度1350mm ,根据后3位学号ABC 调整,50ABC 1350⨯+(mm ),故在本设计中灰色淤泥质粉质粘土上层厚度取为:mm 600450561350=⨯+。
2)采用惯用修正法进行内力的计算。
3)课程设计计算书、图Email 形式提交。
第二章 荷载计算计算时,统一单位:kN 、m ;水的重度为:10w =γ3kN/m ;其中C50混凝土的弹性模量取:7103.45E ⨯=kPa ,26=γ3kN/m ;衬砌圆环厚度取:350=h mm ,衬砌圆环弯刚度:。
其中由于在计算荷载与衬砌内力时,所使用公式是建立在线弹性体系的理论基础上,所计算得出的内力值与荷载成线性相关,所以可以在进行荷载内力组合之前的荷载计算时就考虑荷载的分项系数,从而使得在计算各个分项荷载所产生的内力值时,就已经考虑了荷载的分项系数,则在荷载的组合效应分析中,可以直接将荷载所产生的内力值进行组合,不需要再次考虑荷载的分项系数!图4中的细实线示意了荷载位移测试数据经过拟合后的双曲线。
柱下钢筋混凝土独立基础设计计算书一:课程设计目的
1、掌握钢筋混凝土独立基础设计和计算的基本设计理论和方法
2、掌握柱下钢筋混凝土的配筋设计计算方法及配筋构造要求熟悉
绘图标准,掌握绘图基本方法
二:柱下独立基础设计
一、设计资料
1 地质水文情况:场地平坦,周围无相邻建筑影响,自上而下土层情况为:
1、杂填土厚0.8 到1.0 米,重度18KN / m3
2、粘土厚2.5至U 3.4米,承载力为280KPa,Es=19.3KPa,重度
3
18.5KN /m3,e=0.85
3、微风化岩层
4、地下水位较低,无侵蚀性,不考虑其影响
1. 边柱设计(350mm< 350mm)
(1) 初步确定基础埋深H=1.2m
已知设计组合值:M=40.0KN?m,N=1300.0KN,V=30.0KN ,
设计参数及相关数据见下图
I■二门[厂
基础放置在粘土上,f ak=280KP a,
查表得,n=1.1,先假设基底宽度不大于3m,则粉土修正后的地基承载力特征值:
f a=f ak+ nY(d-0.5)
=280.0+1.1 18(1.2-0.5)
=293.86KP鬼
初步设计基底尺寸:
A o=F k/(f a- Y d)=1300/(293.86-20 1.2)=4.8m2
由于偏心不大,按20%增大
即A=1.2A o=5.76m2
设n=l/b=1.5初步选择基础底面积A=L X b=5.76m2贝卩
取b=2.0m, l=3.0m
2、持力层承载力验算
G k=r G >dX A=20X1.2 6=144KN
Q=M k/(F k+G k)=(40+30 ®.6)/(1300+144)=0.04m<l/6=0.5m
P k=(F k+G k)/A=(1300+144)/6=240.67KP a< f a=293.86 KP a
P k,max=P k(1+6e k/L)=240.67 (1+6 >0.040/3 )=260.KP a
<1.2f a=352.6 KP a,满足
P k,min= P k(1-6e7l)= 240.67 (1-6 区040/3)=221.37F a>0,满足柱下独立基础内力分析计算:
(1)计算基底净反力
偏心矩:Go二M/F=(40+ 30 Q6)/1300=0..04m
基础边缘处的最大和最小净反力
P,max二F(1+6e n,o/L)/Lb=(1300/6) (1+6 >0.04/3) =260 KP a P,min二 F(1-6e n,o/L)/Lb = (1300/6 (1-6 0.04/3) =221.37 KP a
(2)基础高度(采用阶梯形基础),计算图如下:
(3)
:. —
.iCX
■CJ T
----- 二o .0:-
(4)柱边基础截面抗冲切验算
L=3m,b=2m,a t=a;=0.35m,b c=0.35m
基础高度h=600mm,从下至上分300mm,300mm两个台阶, h o=555mm (有垫层)
at+2 h o<b=1.80m
取ab=1.50m
a m= h o+
b
c =905mm
因偏心受压,P o取P n,max
冲切力:
F1= P n,max[(L/2- aJ2- h°)b-(b/2- b c/2- h o)2]
=260 >[(3/2-0.35/2-0.555) 2-(2公0.35/2-0.555)2] =381.45 KN
抗冲切力:混凝土用C20级。
0.7歸佃卜=0.7 >.1 >>03 >0.905 >.555
=386.75KN>381.45KN,可以
图如下
(b)变阶处抗冲切验算
b>a t+2h o1
a m=( b+
b c)/2=(2 04+0.35+2)/2=1.575m
冲切力:
F l = P n,max[(L/2- a 1/2- h°1)b
=260 >[(3/2-1.55/2-0.555) 2 =884 KN
抗冲切力:
0.7 31p f t a m h oi=0.7 X.0 *1 X O3X1.575 @555
=673.08KN>88.44KN ,可以
(5)配筋计算
选用HPB235 级钢筋,f y =2 1 oN/mm2
(a) 基础长边方向
1-1 截面(柱边)
柱边净反力:P j,1= P j,min +(L+a c)( P j,max - P j,min )/2L =221.37+(3-1.325) (26o-
221.37)/3 =242.94 KP a
截面(变阶处)
净反力:P j,2= P n,min +(L+a 1 )( P n,max- P n,min )/L
=221.37+(3-o.725) (26o-221.37)/3 =25o.66 KP a 长边方向
弯矩:M 1 =(1 /24) 1 /2(P j,max+ P j,1 )( L-L 1 )2(2b+b1 )
=(1/24) 502.94(3-0.35)2>(2 >2+0.35)=325.07KN?m
M3=(1/24) 1/2(P j,max+ P j,2)(L-L2)2(2b+b2
=(1/24) 511.66(3-1.325:2 池)2+1.55)=124.96KN?m 短边方向
M2= P n/48(b-b c)2(2L+a c)
=481.37/48 (2-0.35)2>(2 >3+0.35)=173.37KN?m
M4= P n/48( b-b1) 2(2L+a1)
=481.37/24 (2-1.55)2X(2 >3+1.15)=14.52KNm 基础受力钢筋面积:
长边方向
A S,I= M i/0.9 f y h oi=325.O7 X06/(0.9 2^l0>655)=3099mm2
A S,3= M3/0.9 f y h o3=124.96 106/(0.9 210>255)=2592.8mm2
因此按A s,1 配筋,实配16① 16@180mm,
A S=3216.99mm2>3099mm2 短边方向
A S,2= M2/0.9 f y h o2=173.37 106/(0.9 210 >555)=1652.79mm F
A s,4= M4/o.9 f y h o4=14.52 1o6/(o.9 21o 255)=3o1.28mm2
因此按A S,2配筋,实配12① 14@180mm, A S=1847.26mm2
其配筋和大样图见详图1--1。